(ITAT第七届全国信息技术应用水平大赛)二维CAD机械设计预赛试题(客观题含答案)分析
- 格式:doc
- 大小:178.00 KB
- 文档页数:9
第七届全国信息技术应用水平大赛模拟题PCB设计注:实际预赛题题量总计87道,其中单选题60道,每道题1分;多选题20道,每道题2分;简答题4题,每题7分,综合设计题2-3题,共计22分,试卷满分150分,完成时间180分钟。
此模拟题仅供参考,具体题型、题量与分值分配以实际预赛题为准。
一、单选题(共60题,每题1分,共60分)A.1.为什么需要对PCB项目进行配置?()A.因为需要在配置中选择项目中所用到的所有派生变量,不同的变量针对不同的产品B.因为项目配置可以发布到数据保险库的某个特定Item之中,从而进行版本更新和控制C.因为配置代表需要在真实世界中制造的产品,定义了生产厂家制造该产品所需要的数据D.如果不对PCB项目进行配置,则无法生成相应的Gerber等文件,无法进行裸板的生产2.Room的主要优点是?()B.Room把功能电路集中在一个区域,布局看上去更加简洁整齐C.Room可以智能分割元器件,自动创建元件类D.Room可以关联多个元器件,用于功能电路布局和走线,并可以复制其格式到类似设计中可以利用查询语句来选中编辑位于Room之中的元件,从而进行批量操作3.关于层次化设计,哪种说法不正确?()A.跨越不同原理图页的网络之间可以直接连接B.使用图表符表示设计中较低等级的原理图页C.为读者显示了工程的设计结构D.视图上来看总是从子原理图向上追溯到父原理图4.用来浏览与编辑封装库的面板是?()A.Library面板B.PCB Library面板C.SCH Library面板D.PCB List面板5.如何为原理图文档添加参数?()A.在项目选项(Project Option)对话框的参数(Parameter)标签页添加B.直接在原理图上放置文本C.在元件属性对话框中添加D.在原理图文档选项(Document Option)对话框的参数(Parameter)标签页添加6.*.schdot文档是什么类型的文档?()A.原理图文件B.原理图模板文件C.原理图库文件D.PCB文件7.下图是PCB 3D视图中的一部分,其中的元件的封装最可能是()A.SOT23-5;B.SOIC-5;C.QFN-5;D.TQFP-5.8.下列哪个层是负片(绘制的图形表示切割或镂空)()A.Keep Out ;B.Power Plane;C.Top;D.Bottom Overlay;9.在设计PCB电路板形时,最适合做为边框定义的板层为()A.顶层丝印层(TopOver Layer)B.焊盘助焊层(PasteMask Layer)C.禁止布线层(KeepOut Layer)D.机械层(Mechanical Layer)10.在绘制PCB元件封装时,其封装中的焊盘孔径()。
第三届全国ITAT 教育工程就业技能大赛预赛试题(考试科目: AutoCAD 2007机械设计) 考试时间:120分钟一、单选题 (60题 每题1分 共60分) 1. 中止命令时可以按________键;确定执行命令时可以按________键。
A :空格键、Enter 键 B :End 键、空格键 C :Esc 键、Enter 键 D :End 键、Esc 键 【知识点:键盘操作键 编号:0104】 2. 以“无样板打开—公制”方式创建文件,其默认绘图单位及单位精度是________和________。
A :m 和0.0 B :cm 和0.00 C :英寸和0.000 D :mm 和0.0000 【知识点:单位及精度 编号:0305】 3. AutoCAD 图形文件扩展名为________,样板文件扩展名为________。
A :*.dwg 、*.dwt B :*.dwg 、*.dxfC :*.dwt 、*.dwsD :*.dxf 、*.dwt【知识点:图形文件 编号:0102】4. T 与DT 分别代表________和________命令。
A :单行文字、多行文字准考证号:_________________ 身份证号: 姓名:- 2 -B:多行文字、单行文字C:引线文字、多行文字D:文字样式、单行文字【知识点:单行与多行文字编号:0701】5.在三点定义UCS时,其中第三点表示________。
A:坐标系原点B:X轴正方向C:Y轴正方向D:Z轴正方向【知识点:UCS 编号:0502】6.在绘制正等轴测图时,按下________键可以切换等轴测平面内。
A:F2B:F5C:Ctrl+1D:Crtl+2【知识点:正等轴测图编号:0606】7.在下列图形中,夹点数最多的是________。
A:一条直线B:一条多线C:一段多段线D:椭圆弧【知识点:夹点编号:0404】8.若定位距离某点25个单位、角度为45的位置点,需要输入________。
第七届信息技术应用水平大赛PCB设计个人赛初赛试卷一、单选题1.下列哪种不是贴片封装()【答案】B【分数】1分【选项】A.SOT-89B.DIPC.SOT-223D.BGA2.下图中的元件最符合哪种封装名称()【答案】A【分数】1分【选项】A.SOICB.TSOPC.QFND.DFN3.封装名称“CAPC2012N”中,数字“2012”的含义是()【答案】A【分数】1分【选项】A.元件的长宽尺寸(公制)B.元件的长宽尺寸(英制)C.元件的IPC编号D.元件的生产商型号4.下列哪种封装在手工焊接时最为困难()【答案】A【分数】1分【选项】A.QFNB.SOPC.DIPD.AXIAL5.Altium Designer在编辑元器件管脚名称时,采用什么符号定义“低电平”有效()【答案】C【分数】1分【选项】A.“-”B.“/”C.“\”D.“*”6.元件符号模型属性编辑时,哪种类型可使元件符号变为跳线类型()【答案】C【分数】1分【选项】A.StandardB.Mechanical TieD.Graphical7.如果想要屏蔽某部分电路的错误报告,可以在原理图中放置什么标记()【答案】B【分数】1分【选项】A.Parameter Set指示或PCB Layout指示B.No ERC标记或Compile Mask指示 Class指示或Parameter Set指示D.No ERC指示或PCB Layout指示8.下列关于装配变量的描述中,不正确的是()【答案】C【分数】1分【选项】A.通过引入器件设计参数变量,提高器件装配的灵活性B.装配变量可以被用于BOM表和装配图创建中C.装配变量必须在PCB编辑环境内设置D.所谓装配变量参数,即在元件PCB装配阶段可以变更的数据9.如需在PCB中放置字符,字体需设置为()【答案】A【分数】1分【选项】A.TrueTypeB.StrokeC.BarCodeD.Default10.一个PCB精度5mil/5mil,无盲埋孔,包含256pin的BGA器件(1mm脚距,0.5mm焊盘直径),并需要引出绝大部分引脚,至少需要几个信号层()【答案】C【分数】1分【选项】A. 2B. 4C. 6D.1011.用于绘制PCB外形的层,并没有硬性规定,但下列哪个层一般不用于绘制PCB外形()【答案】A【分数】1分【选项】A.Top OverlayB.KeepoutC.MechanicalD.以上都不能12.下列哪个不是最常见的PCB铜层厚度()【答案】D【分数】1分【选项】A.18μmB.35μmC.70μmD.140μm13.下面哪个元件类型不属于IPC元器件封装向导可以创建的封装类型()【答案】D【分数】1分【选项】A.MELFB.CHIPC.PQFPD.TQFP14.在PCB双面板文件的自动布线器Situs布线策略配置窗口中,编辑层布线方向时,按照下列哪种方式进行设置最为合适()【答案】C【分数】1分【选项】A.Top layer设置为:Horizontal; Bottom layer设置为:AnyB.Top layer设置为:V ertical; Bottom layer设置为:AnyC.Top layer设置为:Horizontal; Bottom layer设置为:V erticalD.Top layer设置为:Any; Bottom layer设置为:V ertical15.关于Altium Designer的PCB多人协同设计功能的描述中,正确的是()【答案】C【分数】1分【选项】A.通过层次化原理图功能,实现PCB版图多人协同设计B.按照设计实现功能将PCB划分为多个版图区域,再由多人协同完成C.通过V ault的数据管理功能,实现差异化PCB设计数据的组合D.按照Cross Select Mode,交叉实现PCB版图多人协同设计16.在PCB中放置导线时,可切换的布线模式中,不包含()【答案】B【分数】1分【选项】A.45°拐角和90°拐角B.任意角度拐角C.任意角度直线D.弧形拐角17.在绘制PCB元件封装时,其封装中的焊盘孔径()【答案】D【分数】1分【选项】A.任何情况均可使用焊盘的默认值B.Hole Size的值可以大于X-Size的值C.必须根据元件引脚的实际尺寸确定D.Hole Size的值可以大于Y-Size的值18.下列哪个在Altium Designer的仿真分析中不支持()【答案】D【分数】1分【选项】A.信号仿真B.数模混合仿真C.信号完整性分析D.电磁兼容性分析19.下列关于元器件布局的说法中,错误的是()【答案】B【分数】1分【选项】A.可以将元器件以任意旋转角度(比如0.5°)放置B.元件可以放置在对应的Room外C.元器件边框可以放置到PCB边界以外D.元件既可以放置在顶层,也可以放置在底层20.下列关于传输线和阻抗匹配的说法中,错误的是()【答案】C【分数】1分【选项】A.阻抗匹配包括源端匹配和末端匹配B.阻抗匹配可以防止因阻抗变化导致的信号反射C.在双层板(均为信号层)中,也很容易实现微带线D.带状线性能较微带线略好21.与高速数字信号电路设计无关的分析或测试是()【答案】B【分数】1分【选项】A.需要进行电路信号完整性分析B.需要测试信号的电磁兼容性C.需要进行传输线阻抗特性匹配分析D.需要进行电路电源完整性分析22.大容量电解电容极性接反,可能会有哪种情况发生()【答案】D【分数】1分【选项】A.无影响B.容值变小C.失去电容的作用D.爆裂23.散热器元件在Altium Designer中应为什么类型()【答案】D【分数】1分【选项】A.GraphicalB.StandardC.Standard(No BOM)D.Mechanical24.发布PCB到生产厂商或部门通常需要包含哪两个(种)配置文件()【答案】C【分数】1分【选项】A.BOM表和Gerber文件B.测试点文件和Gerber文件C.裸板制造文件和装配指令文件D.原理图文件和PCB文件25.对装配完的电路板进行首次上电测试时,出现工作电压迅速下降的现象,首先应()【答案】A【分数】1分【选项】A.立刻断开输入电源B.观测PCB板,查找可能存在的问题C.触摸板上的元器件,找出表面温度变化异常的元件D.报告实验室老师,等候技术指导26.下面哪项最不适合作为绘制优质原理图的准则?()【答案】B【分数】1分【选项】A.为网络命名有意义的标号并组合相关联的信号B.需要多原理图完成一个设计时,应使用多张原理图平面化拼接的设计方法C.应尽可能复用电路模块D.应使用标注和指示来规定设计意图及约束信息27.PCB元件规则检查报告的主要用途是?()【答案】C【分数】1分【选项】A.检查原理图符号与PCB封装是否匹配B.检查是否有重复的元件位号和Unique ID,保证项目中元件的唯一性C.检查元件是否有重合的焊盘和封装,是否有短路铜皮、镜像元件等D.检查元件是否与项目中的设计规则有冲突28.Altium Designer对电子产品开发的理念体现在?()【答案】A【分数】1分【选项】A.统一数据模型和统一设计B.版本控制C.协同设计D.PCB,FPGA,嵌入式各个设计域的多样化29.在PCB 3D视图中,下列哪个颜色不能自行设置()【答案】B【分数】1分【选项】A.板子基材B.铜箔C.阻焊D.丝印30.实时链接供应商数据的主要目的是?()【答案】A【分数】1分【选项】A.实时了解相关元件的参数、价格和存供货信息B.获得元件的数据手册以便于辅助设计C.获得供应商的产品目录D.为采购人员提供元件列表31.二极管的电流方向;下图中的二极管上的黑线代表的意义是()【答案】B【分数】1分【选项】A.二极管的阳极B.二极管的阴极C.二极管导通时的电流方向D.以上都不对32.图中的二极管最难于焊接到下列哪种封装上()【答案】D【分数】1分【选项】A.AXIAL-0.3B.DIODE-0.4C.RAD-0.1D.RESC1005N33.元件封装“CAPC3216L”与“CAPC3216M”的区别在于()【答案】C【分数】1分【选项】A.前者元件尺寸更大B.前者元件高度更高C.前者所占PCB面积更大D.前者是贴片元件,后者是直插元件34.下列哪种封装可能的引脚数最多()【答案】D【分数】1分【选项】A.SOT23B.SOPC.TSSOPD.BGA35.下列关于PCB中元件/封装放置的说法中,错误的是()【答案】C【分数】1分【选项】A.可以被放置在Top Layer也可以被放置在Bottom LayerB.可以旋转任意角度放置C.可以按X键或Y键自由翻转D.可以部分露出PCB边界36.Altium Designer支持的信号层和内电层数量为()【答案】A【分数】1分【选项】A.32个信号层和32个内电层B.32个信号层和16个内电层C.16个信号层和32个内电层D.16个信号层和16个内电层37.下列哪些元件标号和参数数值的标示方式是不推荐的()【答案】D【分数】1分【选项】A.元件标号“R101”B.元件标号“K001”C.电容容值“4.7uF”D.电容容值“.1uF”38.下列哪项设置可以避免显示十字交叉结点()【答案】A【分数】1分【选项】A.使用Display Cross-Overs和Convert Cross-Junctions选项B.使用Optimize Wire & Buses选项C.使用Components Cut Wires选项D.以上都不可以39.下列哪种不是多图纸设计时可采用的图纸结构()【答案】D【分数】1分【选项】A.FlatB.HierarchicalC.GlobalD.Multi-Channel40.下列哪种电气对象在层次原理图中具有全局意义()【答案】D【分数】1分【选项】 LabelB.PortC.Off-sheet ConnectorD.Power Port41.下列层中,哪个在PCB中没有电气意义()【答案】D【分数】1分【选项】A.Power PlaneB.Top LayerC.Bottom LayerD.Top Solder42.多通道设计是指()【答案】B【分数】1分【选项】A.设计中存在这个多个数据采集和处理通道B.一个设计中存在着多个完全相同的设计电路C.设计中利用了可编程逻辑器件,可以扩展多个数据通道D.设计中有很多平行的输入和输出通道43.下列哪种是正确的总线命名()【答案】B【分数】1分【选项】A.Data0_7B.Data[0..7]C.Data(0,7)D.Data{0..7}44.下列关于参数描述不正确的是()【答案】A【分数】1分【选项】A.无法为对象添加设计规则参数B.参数没有电气属性C.每个对象可以有多个参数D.参数可以是项目层面,也可以是文档层面45.原理图与PCB的元件映射关系是由什么维护的()【答案】B【分数】1分【选项】A.元件标号B.Unique IDC.元件的CommentD.库链接的Design Item ID46.下列关于Altium Designer中子件的说法中,最为错误的是()【答案】B【分数】1分【选项】A.可以将元件的多个子件放置在不同原理图中B.可以将元件的多个子件放置在多个同源的通道中C.元件的一个引脚可以出现在所有子件中D.元件的子件可以不根据功能任意划分47.在进行原理图设计ERC编译时,系统提示“Net NetY1_1 contains floating inputpins(Pin Y1-1)”信息表示()【答案】A【分数】1分【选项】A.器件Y1的第一脚没有连接输入信号B.网络NetY1_1定义连接到浮动输入引脚C.器件Y1-1含有悬浮的输入引脚NetY1_1D.网络NetY1_1包含悬浮输入的引脚Y1-148.下列哪个仿真源能产生任意线性变化的电压()【答案】D【分数】1分【选项】A.VSINB.VPLUSEC.VEXPD.VPWL49.下列关于传输线的说法中,错误的是()【答案】C【分数】1分【选项】A.微带线和带状线均为传输线B.微带线中的导线越宽,特征阻抗越大C.微带线中的介质厚度越大,特征阻抗越大D.带状线一般在中间层,微带线一般只能在表层50.High Speed规则中的哪项规则用于规定信号线的布线长度()【答案】B【分数】1分【选项】A.ParallelSegmentB.LengthC.MatchedLengthsD.StubLength51.通过哪些方式,不能为封装库添加已有的封装()【答案】C【分数】1分【选项】A.从PCB文档中将封装复制粘贴到库中B.从另一个PCB封装库中将封装复制粘贴到库中C.从原理图文档中通过复制原理图符号将其链接的PCB封装粘贴到库中D.在库内复制粘贴52.某些高速电路板上的蛇形走线的主要作用是()【答案】C【分数】1分【选项】A. 美观B. 匹配阻抗C. 匹配线长D. 替代小感量的电感53.下列哪种形状的焊盘孔在Altium Designer中不能实现()【答案】C【分数】1分【选项】A.槽型B.正方型C.长方形D.圆形54.关于Altium Designer创建原理图仿真设计功能,描述错误的是()【答案】B【分数】1分【选项】A.每个原理图电路仿真中必须包含至少一个电源仿真模型B.可以支持单张原理图设计的电路仿真C.每个元器件符号均必须自带SPCE仿真模型D.可以支持瞬态特性分析和傅里叶分析55.什么是埋孔()【答案】C【分数】1分【选项】A.从顶层到底层贯通的过孔B.从顶层(或底层)到中间某层的过孔C.两边都不到顶层或底层的过孔(看不到的过孔)D.有特殊尺寸要求的过孔56.关于PCB图纸模板,叙述不正确的是?()【答案】C【分数】1分【选项】A.PCB机械层可以链接到PCB图纸页面上B.PCB的白色图纸区域是可以调整大小的C.PCB中预定义的图纸模板不可更改D.标题块可以在Excel中创建,然后复制到PCB文档57.生成元件报告时,下面哪项不包含在报告之中?()【答案】D【分数】1分【选项】A.元件参数B.元件引脚C.器件模型D.器件供应商58.下列有关在线DRC检查的说法哪个不正确?()【答案】C【分数】1分【选项】A.在线DRC检查需要该规则在PCB规则冲突面板对话框中被使能B.在线DRC检查需要在Design Rule Checker对话框中,该规则的在线检查功能被启用C.在线DRC检查能检查出该规则使能前的设计错误D.在线DRC检查需要在Preference对话框PCB Editor –General页面的在线DRC检查功能已经开启59.下列有关信号完整性分析的说法不正确的是?()【答案】B【分数】1分【选项】A.用来判断是否有可能发生信号完整性问题的一个常用的法则是“1/3上升时间”法则,这个描述的是如果电线的长度长于信号在1/3的上升时间所传输的距离长度的时候,反射就有可能发生B.用来计算阻抗的公式中,布线层的两侧是一侧有内电层还是两侧均有内电层将决定取用不同的公式,但假如信号层与内电层不毗临,则计算公式中将不考虑内电层的因素C.用户可以利用阻抗匹配来避免能量在源与负载之间来回反射D.在Altium Designer中有两种方法可以来完成阻抗匹配:第一种是匹配元器件,第二种是对板子布线给出所需要的阻抗,由软件自动计算出各个信号层的信号宽度,并自动指导布线60.将Preferences参数设置到云端有什么好处?()【答案】A【分数】1分【选项】A.即使是在不同的工作地点,也可以导入相同的项目参数配置B.用户可以按照个人偏好来设置各种编辑环境的参数C.用户可以本地化参数信息,使用自己熟悉的语言操作环境D.用户可以在软件启动时打开上次的工作空间或显示主页二、多选题(20题,2分/题,共40分)1.元件引脚的电气类型选项中,不包含()【答案】AD【分数】1分【选项】A.NoneB.PassiveC.IOD.Ground2.下列哪种情况会使得从原理图向PCB导入更改发生错误()【答案】CD【分数】1分【选项】A.封装中两个焊盘编号重复B.封装中某焊盘的编号在原理图符号中不存在C.原理图中的某焊盘编号在封装中不存在D.原理图中存在两个标号一样的元件3.使用自动元件编号功能时,可以选择以下哪种或哪些编号顺序()【答案】ABCD【分数】1分【选项】A.Down then CrossB.Up then CrossC.Cross then DownD.Cross then Up4.Altium Designer支持的手工交互式布线功能包括()【答案】ABC【分数】1分【选项】A.单端网络交互式器B.差端网络交互式布线器C.多路网络交互式布线器D.元器件通用网络管脚交换5.PCB版图设计中输出的装配文件类型包括()【答案】AC【分数】1分【选项】A.测试点(Test Point)报告B.元件清单(BOM)C.贴片数据(Pick and Place)文件D.Gerber文件6.下列哪类或哪些PCB规则属于电气类型(Electrical)的规则()【答案】ABC【分数】1分【选项】A.安全间距(Clearance)B.短路(Short-Circuit)C.未连接网络(Un-Routed Net)D.布线宽度(Width)7.下列关于创建封装的描述中错误的是()【答案】CD【分数】1分【选项】A.贴片元件的焊盘,通常应放置在Top LayerB.穿孔的焊盘,通常应防置在Multi-LayerC.元件的外形轮廓定义在Mechanical层D.元件的3D模型放置在Top Overlay层8.下面所列内容哪些是在PCB布线前需要完成的准备工作()【答案】ABC【分数】1分【选项】A. 定义板层的层数,并设置好哪些是信号层,哪些是内电层,多电源系统则分割好内电层B. 定义好设计规则(Rules),对于不同作用域的设计规则通过查询语言详细指列C. 如有必要,将一些重要网络的飞线编辑成特殊的颜色,以方便后续布线时刻提醒设计师D. 确认该PCB文档内,已对所有网络就布线优先级一一做出排列,以便后续布线按照该优先级一一按序完成布线9.有关多路布线(Multi-trace)设计的说法正确的是()【答案】ACD【分数】1分【选项】A. 多路布线设计前提,需要首先选中将布线的多个对象(焊盘,导线等)B. 多路布线适用于总线网络布线,普通网络则不适用C. 多路布线过程中,可以修改导线间的间距D. 多路布线过程中,仍然可以应用推挤功能10.下列哪些层是负片()【答案】BD【分数】1分【选项】A.Top OverlayB.Top SolderC.Top PasteD.Power Plane11.下列哪些是可选的焊盘形状()【答案】ABC【分数】1分【选项】A.RectangularB.RoundC.Round RectangularD.Hexagonal12.元件属性中可包含的模型有()【答案】BCD【分数】1分【选项】A.MechanicalB.FootprintC.Signal IntegrityD.PCB3D13.下列哪种设计方法能解决潜在的信号完整性问题()【答案】ACD【分数】1分【选项】A.合理的阻抗匹配B.对干扰源做屏蔽C.利用“1/3上升时间”法则,控制布线长度D.尽量增大相邻信号线(非差分对)的间距14.下列电平规范中,属于差分规范的是()【答案】BD【分数】1分【选项】A.LVCMOSB.LVDSC.SSTLD.RSDS15.对于多通道原理图设计描述正确的是()【答案】ABCD【分数】1分【选项】A.当存在多个相同电路设计模块时,可以利用多通道原理图设计功能简化设计复杂度B.在图表符属性窗口的Designator栏中,运用Repeat关键字命令创建多通道图表符模块C.在图表入口属性窗口的Name栏中,运用Repeat关键字命令创建多通道入口名称D.在多通道原理图设计中,任意通道内的元器件标号均唯一16.下列PCB图中,不合理之处有()【答案】BCD【分数】1分【选项】A.铺铜直接连接过孔B.铺铜直接连接焊盘C.左下角芯片的丝印覆盖了焊盘D.左下角芯片没有指定PIN-1位置17.关于铺铜时的浮铜(死铜、Dead copper),下列表述不正确的是:()【答案】ACD【分数】1分【选项】A.不影响电路性能B.会感应周围的信号,使EMC特性变坏C.具有屏蔽作用D.会影响焊接质量18.具有信号隔离功能的器件有()【答案】BC【分数】1分【选项】A.IGBT(绝缘栅双极晶体管)B.继电器C.光电耦合器D.MOSFET19.下列哪些是Altium Designer包含的功能()【答案】ABCD【分数】1分【选项】A.电路原理图设计B.FPGA逻辑设计C.IPC元器件封装向导D.嵌入式软件设计20.对USB数据通信从端(Slave)接口模块设计描述错误的是()【答案】ACD【分数】1分【选项】B信号用符号RX和TX表示接收和发送B通信采用串行差分信号传输C.为了降低USB通信误码率,需尽量缩短从USB连接器到USB传输芯片间走布线长度B传输芯片的信号接收引脚应连接到USB连接器的发送引脚----------------------------------------------------------------------------------------------------------------。
第七届全国信息技术应用水平大赛预赛试题三维动画设计一、单选题(60题,1分/题,共60分)[1]、将创建标准物体的基本单位设置成下图中红色箭头所示,需要进行的设置是()。
【答案】D【分数】1分【选项】A、执行【自定义】/【单位设置】命令,在弹出窗口中选择“公制”/“毫米”B、执行【自定义】/【单位设置】命令,在弹出窗口中选择“自定义”/“厘米”C、执行【自定义】/【单位设置】命令,在弹出窗口中选择“通用单位”D、执行【自定义】/【单位设置】命令,在弹出窗口中选择“公制”/“厘米”[2]、移动物体有多种坐标轴模式。
要将图1中红线框选物体的移动模式改变成图2中的效果,应执行的操作是()。
图1 图2【答案】C【分数】1分【选项】A、使用旋转工具旋转坐标轴B、在主工具栏中的坐标系下拉列表中选择【父对象】坐标系C、在主工具栏中的坐标系下拉列表中选择【局部】坐标系D、在主工具栏中的坐标系下拉列表中选择【世界】坐标系[3]、在建立一些尺寸精度较高的工业造型时,需要对某个造型细节进行精确变换。
可以打开“移动变换输入”对话框,为造型输入移动方向和距离的操作是()。
【答案】D【分数】1分【选项】A、将光标移动到主工具栏中的任意工具按钮上,单击鼠标右键B、将光标移动到主工具栏中的【移动】按钮上,单击鼠标中键C、将光标移动到主工具栏中的任意工具按钮上,单击鼠标左键D、将光标移动到主工具栏中的【移动】按钮上,单击鼠标右键[4]、在使用3ds Max建模时,发现下图红色箭头所示的工具条基本没有用处,要暂时关闭它的方法是()。
【答案】C【分数】1分【选项】A、在蓝色箭头所指的区域单击鼠标右键,然后在【命令】面板中取消它的勾选B、在绿色箭头所指的区域单击鼠标右键,然后在【命令】面板中取消它的勾选C、在蓝色箭头所指的区域单击鼠标右键,然后在【reactor】中取消它的勾选D、在绿色箭头所指的区域单击鼠标右键,然后在【reactor】中取消它的勾选[5]、选择不同的视图控制工具,能对视图角度、位置进行调整。
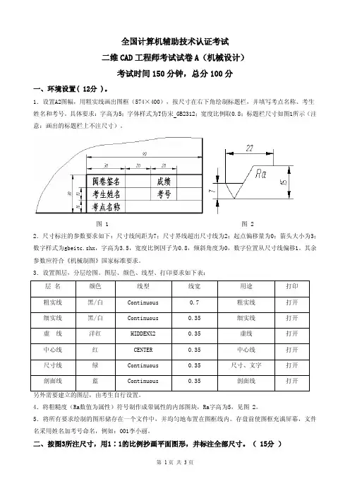
全国计算机辅助技术认证考试二维CAD工程师考试试卷A(机械设计)考试时间150分钟,总分100分一、环境设置( 12分 )。
1.设置A2图幅,用粗实线画出图框(574×400),按尺寸在右下角绘制标题栏,并填写考点名称、考生姓名和考号。
具体要求:字高为5;字体样式为T仿宋 GB2312;宽度比例取0.8;标题栏尺寸如图1所示(注意:画出的标题栏上不注尺寸)。
图 1 图 22.尺寸标注的参数要求如下:尺寸线间距为7;尺寸界线超出尺寸线为2;起点偏移量为0;箭头大小为3;数字样式为gbeitc.shx,字高为3.5,宽度比例因子为0.8,倾斜角度为0,数字位置从尺寸线偏移1。
其余参数应符合《机械制图》国家标准要求。
3.设置图层,分层绘图。
图层、颜色、线型、打印要求如下表:4.将粗糙度(Ra数值为属性)符号制作成带属性的内部图块,Ra字高为5,见图 2。
5.将所有要求绘制的图形储存在一个文件中,并均匀地布置在图框线内。
存盘前使图框充满屏幕,文件名采用姓名加考号命名,例如:001李小丽。
二、按图3所注尺寸,用1∶1的比例抄画平面图形,并标注全部尺寸。
( 15分)图 3 图 4三、按1:1的比例抄画图4所示的两视图,并画出全剖的左视图,不注尺寸。
( 15分 ) 四、按1:1的比例抄画固定套的零件图,并注全尺寸和技术要求。
( 30分 )图5五、根据图6—图9给定的零件图,按1:1比例绘制顶尖装配图(见图10所示装配参考图),并标注零件序号。
( 28分)图 6 顶尖图 7 调节螺母图8 螺钉图9 底座(未注圆角R3)图10 参考装配图。
第七届全国信息技术应用水平大赛模拟题二维CAD机械设计注:实际预赛题题量总计87道,其中单选题60道,每道题1分;多选题20道,每道题2分;计算机绘图题50分,试卷满分150分,完成时间180分钟。
此模拟题仅供参考,具体题型、题量与分值分配以实际预赛题为准。
一、单选题(60题每题1分)1. 在下列选项中,不能进行圆角对象有()。
A:多线B:直线C:圆弧D:椭圆弧2. 下面组合体视图中,正确的左视图是()。
A:(a)B:(b)C:(c)D:(d)3. 如果要用line命令作两个圆的公切直线,提示“指定第一点:”和“指定下一点:”时,需要找切点,应该()。
A:按下状态栏中“对象捕捉”按钮B:弹起状态栏中“捕捉”按钮C:按下状态栏中“捕捉”按钮D:弹起状态栏中“对象捕捉”按钮4. 可以将多条直线和圆弧组合成一条“多段线”的命令是()。
A:splineditB:atteditC:peditD:ddedit5. 下列关于线和面的投影的描述,错误的是()。
A:侧垂面——垂直于侧面投影面,且平行于另外两个投影面B:正垂线——垂直于正面投影面,且平行于另外两个投影面C:铅垂线——垂直于水平投影面,且平行于另外两个投影面D:铅垂面——垂直于正面投影面,且倾斜于其他投影面6. 状态栏里的“线宽”按钮是用来()。
A:按下时,设置各种粗实线、细实线和虚线等的不同线宽B:弹起时,设置各种粗实线、细实线和虚线等的不同线宽C:弹起时,在屏幕上显示不同线宽的粗实线、细实线和虚线等D:按下时,在屏幕上显示不同线宽的粗实线、细实线和虚线等7. 下面组合体视图中,正确的左视图是()。
A:(a)B:(b)C:(c)D:(d)8. 使用()命令可以将图形中的部分对象以一个单独的文件进行存盘。
A:BB:XC:ID:W9. 使用下图所示的选择框可以选择()个对象。
(注:右上角为起始点)A:2B:3C:4D:510. 已知立体的主和俯视图,其正确的左视图是()。
第七届信息技术应用水平大赛PCB设计个人赛初赛试卷一、单选题1.下列哪种不是贴片封装()【答案】B【分数】1分【选项】A.SOT-89B.DIPC.SOT-223D.BGA2.下图中的元件最符合哪种封装名称()【答案】A【分数】1分【选项】A.SOICB.TSOPC.QFND.DFN3.封装名称“CAPC2012N”中,数字“2012”的含义是()【答案】A【分数】1分【选项】A.元件的长宽尺寸(公制)B.元件的长宽尺寸(英制)C.元件的IPC编号D.元件的生产商型号4.下列哪种封装在手工焊接时最为困难()【答案】A【分数】1分【选项】A.QFNB.SOPC.DIPD.AXIAL5.Altium Designer在编辑元器件管脚名称时,采用什么符号定义“低电平”有效()【答案】C【分数】1分【选项】A.“-”B.“/”C.“\”D.“*”6.元件符号模型属性编辑时,哪种类型可使元件符号变为跳线类型()【答案】C【分数】1分【选项】A.StandardB.Mechanical TieD.Graphical7.如果想要屏蔽某部分电路的错误报告,可以在原理图中放置什么标记()【答案】B【分数】1分【选项】A.Parameter Set指示或PCB Layout指示B.No ERC标记或Compile Mask指示 Class指示或Parameter Set指示D.No ERC指示或PCB Layout指示8.下列关于装配变量的描述中,不正确的是()【答案】C【分数】1分【选项】A.通过引入器件设计参数变量,提高器件装配的灵活性B.装配变量可以被用于BOM表和装配图创建中C.装配变量必须在PCB编辑环境内设置D.所谓装配变量参数,即在元件PCB装配阶段可以变更的数据9.如需在PCB中放置字符,字体需设置为()【答案】A【分数】1分【选项】A.TrueTypeB.StrokeC.BarCodeD.Default10.一个PCB精度5mil/5mil,无盲埋孔,包含256pin的BGA器件(1mm脚距,0.5mm焊盘直径),并需要引出绝大部分引脚,至少需要几个信号层()【答案】C【分数】1分【选项】A. 2B. 4C. 6D.1011.用于绘制PCB外形的层,并没有硬性规定,但下列哪个层一般不用于绘制PCB外形()【答案】A【分数】1分【选项】A.Top OverlayB.KeepoutC.MechanicalD.以上都不能12.下列哪个不是最常见的PCB铜层厚度()【答案】D【分数】1分【选项】A.18μmB.35μmC.70μmD.140μm13.下面哪个元件类型不属于IPC元器件封装向导可以创建的封装类型()【答案】D【分数】1分【选项】A.MELFB.CHIPC.PQFPD.TQFP14.在PCB双面板文件的自动布线器Situs布线策略配置窗口中,编辑层布线方向时,按照下列哪种方式进行设置最为合适()【答案】C【分数】1分【选项】A.Top layer设置为:Horizontal; Bottom layer设置为:AnyB.Top layer设置为:V ertical; Bottom layer设置为:AnyC.Top layer设置为:Horizontal; Bottom layer设置为:V erticalD.Top layer设置为:Any; Bottom layer设置为:V ertical15.关于Altium Designer的PCB多人协同设计功能的描述中,正确的是()【答案】C【分数】1分【选项】A.通过层次化原理图功能,实现PCB版图多人协同设计B.按照设计实现功能将PCB划分为多个版图区域,再由多人协同完成C.通过V ault的数据管理功能,实现差异化PCB设计数据的组合D.按照Cross Select Mode,交叉实现PCB版图多人协同设计16.在PCB中放置导线时,可切换的布线模式中,不包含()【答案】B【分数】1分【选项】A.45°拐角和90°拐角B.任意角度拐角C.任意角度直线D.弧形拐角17.在绘制PCB元件封装时,其封装中的焊盘孔径()【答案】D【分数】1分【选项】A.任何情况均可使用焊盘的默认值B.Hole Size的值可以大于X-Size的值C.必须根据元件引脚的实际尺寸确定D.Hole Size的值可以大于Y-Size的值18.下列哪个在Altium Designer的仿真分析中不支持()【答案】D【分数】1分【选项】A.信号仿真B.数模混合仿真C.信号完整性分析D.电磁兼容性分析19.下列关于元器件布局的说法中,错误的是()【答案】B【分数】1分【选项】A.可以将元器件以任意旋转角度(比如0.5°)放置B.元件可以放置在对应的Room外C.元器件边框可以放置到PCB边界以外D.元件既可以放置在顶层,也可以放置在底层20.下列关于传输线和阻抗匹配的说法中,错误的是()【答案】C【分数】1分【选项】A.阻抗匹配包括源端匹配和末端匹配B.阻抗匹配可以防止因阻抗变化导致的信号反射C.在双层板(均为信号层)中,也很容易实现微带线D.带状线性能较微带线略好21.与高速数字信号电路设计无关的分析或测试是()【答案】B【分数】1分【选项】A.需要进行电路信号完整性分析B.需要测试信号的电磁兼容性C.需要进行传输线阻抗特性匹配分析D.需要进行电路电源完整性分析22.大容量电解电容极性接反,可能会有哪种情况发生()【答案】D【分数】1分【选项】A.无影响B.容值变小C.失去电容的作用D.爆裂23.散热器元件在Altium Designer中应为什么类型()【答案】D【分数】1分【选项】A.GraphicalB.StandardC.Standard(No BOM)D.Mechanical24.发布PCB到生产厂商或部门通常需要包含哪两个(种)配置文件()【答案】C【分数】1分【选项】A.BOM表和Gerber文件B.测试点文件和Gerber文件C.裸板制造文件和装配指令文件D.原理图文件和PCB文件25.对装配完的电路板进行首次上电测试时,出现工作电压迅速下降的现象,首先应()【答案】A【分数】1分【选项】A.立刻断开输入电源B.观测PCB板,查找可能存在的问题C.触摸板上的元器件,找出表面温度变化异常的元件D.报告实验室老师,等候技术指导26.下面哪项最不适合作为绘制优质原理图的准则?()【答案】B【分数】1分【选项】A.为网络命名有意义的标号并组合相关联的信号B.需要多原理图完成一个设计时,应使用多张原理图平面化拼接的设计方法C.应尽可能复用电路模块D.应使用标注和指示来规定设计意图及约束信息27.PCB元件规则检查报告的主要用途是?()【答案】C【分数】1分【选项】A.检查原理图符号与PCB封装是否匹配B.检查是否有重复的元件位号和Unique ID,保证项目中元件的唯一性C.检查元件是否有重合的焊盘和封装,是否有短路铜皮、镜像元件等D.检查元件是否与项目中的设计规则有冲突28.Altium Designer对电子产品开发的理念体现在?()【答案】A【分数】1分【选项】A.统一数据模型和统一设计B.版本控制C.协同设计D.PCB,FPGA,嵌入式各个设计域的多样化29.在PCB 3D视图中,下列哪个颜色不能自行设置()【答案】B【分数】1分【选项】A.板子基材B.铜箔C.阻焊D.丝印30.实时链接供应商数据的主要目的是?()【答案】A【分数】1分【选项】A.实时了解相关元件的参数、价格和存供货信息B.获得元件的数据手册以便于辅助设计C.获得供应商的产品目录D.为采购人员提供元件列表31.二极管的电流方向;下图中的二极管上的黑线代表的意义是()【答案】B【分数】1分【选项】A.二极管的阳极B.二极管的阴极C.二极管导通时的电流方向D.以上都不对32.图中的二极管最难于焊接到下列哪种封装上()【答案】D【分数】1分【选项】A.AXIAL-0.3B.DIODE-0.4C.RAD-0.1D.RESC1005N33.元件封装“CAPC3216L”与“CAPC3216M”的区别在于()【答案】C【分数】1分【选项】A.前者元件尺寸更大B.前者元件高度更高C.前者所占PCB面积更大D.前者是贴片元件,后者是直插元件34.下列哪种封装可能的引脚数最多()【答案】D【分数】1分【选项】A.SOT23B.SOPC.TSSOPD.BGA35.下列关于PCB中元件/封装放置的说法中,错误的是()【答案】C【分数】1分【选项】A.可以被放置在Top Layer也可以被放置在Bottom LayerB.可以旋转任意角度放置C.可以按X键或Y键自由翻转D.可以部分露出PCB边界36.Altium Designer支持的信号层和内电层数量为()【答案】A【分数】1分【选项】A.32个信号层和32个内电层B.32个信号层和16个内电层C.16个信号层和32个内电层D.16个信号层和16个内电层37.下列哪些元件标号和参数数值的标示方式是不推荐的()【答案】D【分数】1分【选项】A.元件标号“R101”B.元件标号“K001”C.电容容值“4.7uF”D.电容容值“.1uF”38.下列哪项设置可以避免显示十字交叉结点()【答案】A【分数】1分【选项】A.使用Display Cross-Overs和Convert Cross-Junctions选项B.使用Optimize Wire & Buses选项C.使用Components Cut Wires选项D.以上都不可以39.下列哪种不是多图纸设计时可采用的图纸结构()【答案】D【分数】1分【选项】A.FlatB.HierarchicalC.GlobalD.Multi-Channel40.下列哪种电气对象在层次原理图中具有全局意义()【答案】D【分数】1分【选项】 LabelB.PortC.Off-sheet ConnectorD.Power Port41.下列层中,哪个在PCB中没有电气意义()【答案】D【分数】1分【选项】A.Power PlaneB.Top LayerC.Bottom LayerD.Top Solder42.多通道设计是指()【答案】B【分数】1分【选项】A.设计中存在这个多个数据采集和处理通道B.一个设计中存在着多个完全相同的设计电路C.设计中利用了可编程逻辑器件,可以扩展多个数据通道D.设计中有很多平行的输入和输出通道43.下列哪种是正确的总线命名()【答案】B【分数】1分【选项】A.Data0_7B.Data[0..7]C.Data(0,7)D.Data{0..7}44.下列关于参数描述不正确的是()【答案】A【分数】1分【选项】A.无法为对象添加设计规则参数B.参数没有电气属性C.每个对象可以有多个参数D.参数可以是项目层面,也可以是文档层面45.原理图与PCB的元件映射关系是由什么维护的()【答案】B【分数】1分【选项】A.元件标号B.Unique IDC.元件的CommentD.库链接的Design Item ID46.下列关于Altium Designer中子件的说法中,最为错误的是()【答案】B【分数】1分【选项】A.可以将元件的多个子件放置在不同原理图中B.可以将元件的多个子件放置在多个同源的通道中C.元件的一个引脚可以出现在所有子件中D.元件的子件可以不根据功能任意划分47.在进行原理图设计ERC编译时,系统提示“Net NetY1_1 contains floating inputpins(Pin Y1-1)”信息表示()【答案】A【分数】1分【选项】A.器件Y1的第一脚没有连接输入信号B.网络NetY1_1定义连接到浮动输入引脚C.器件Y1-1含有悬浮的输入引脚NetY1_1D.网络NetY1_1包含悬浮输入的引脚Y1-148.下列哪个仿真源能产生任意线性变化的电压()【答案】D【分数】1分【选项】A.VSINB.VPLUSEC.VEXPD.VPWL49.下列关于传输线的说法中,错误的是()【答案】C【分数】1分【选项】A.微带线和带状线均为传输线B.微带线中的导线越宽,特征阻抗越大C.微带线中的介质厚度越大,特征阻抗越大D.带状线一般在中间层,微带线一般只能在表层50.High Speed规则中的哪项规则用于规定信号线的布线长度()【答案】B【分数】1分【选项】A.ParallelSegmentB.LengthC.MatchedLengthsD.StubLength51.通过哪些方式,不能为封装库添加已有的封装()【答案】C【分数】1分【选项】A.从PCB文档中将封装复制粘贴到库中B.从另一个PCB封装库中将封装复制粘贴到库中C.从原理图文档中通过复制原理图符号将其链接的PCB封装粘贴到库中D.在库内复制粘贴52.某些高速电路板上的蛇形走线的主要作用是()【答案】C【分数】1分【选项】A. 美观B. 匹配阻抗C. 匹配线长D. 替代小感量的电感53.下列哪种形状的焊盘孔在Altium Designer中不能实现()【答案】C【分数】1分【选项】A.槽型B.正方型C.长方形D.圆形54.关于Altium Designer创建原理图仿真设计功能,描述错误的是()【答案】B【分数】1分【选项】A.每个原理图电路仿真中必须包含至少一个电源仿真模型B.可以支持单张原理图设计的电路仿真C.每个元器件符号均必须自带SPCE仿真模型D.可以支持瞬态特性分析和傅里叶分析55.什么是埋孔()【答案】C【分数】1分【选项】A.从顶层到底层贯通的过孔B.从顶层(或底层)到中间某层的过孔C.两边都不到顶层或底层的过孔(看不到的过孔)D.有特殊尺寸要求的过孔56.关于PCB图纸模板,叙述不正确的是?()【答案】C【分数】1分【选项】A.PCB机械层可以链接到PCB图纸页面上B.PCB的白色图纸区域是可以调整大小的C.PCB中预定义的图纸模板不可更改D.标题块可以在Excel中创建,然后复制到PCB文档57.生成元件报告时,下面哪项不包含在报告之中?()【答案】D【分数】1分【选项】A.元件参数B.元件引脚C.器件模型D.器件供应商58.下列有关在线DRC检查的说法哪个不正确?()【答案】C【分数】1分【选项】A.在线DRC检查需要该规则在PCB规则冲突面板对话框中被使能B.在线DRC检查需要在Design Rule Checker对话框中,该规则的在线检查功能被启用C.在线DRC检查能检查出该规则使能前的设计错误D.在线DRC检查需要在Preference对话框PCB Editor –General页面的在线DRC检查功能已经开启59.下列有关信号完整性分析的说法不正确的是?()【答案】B【分数】1分【选项】A.用来判断是否有可能发生信号完整性问题的一个常用的法则是“1/3上升时间”法则,这个描述的是如果电线的长度长于信号在1/3的上升时间所传输的距离长度的时候,反射就有可能发生B.用来计算阻抗的公式中,布线层的两侧是一侧有内电层还是两侧均有内电层将决定取用不同的公式,但假如信号层与内电层不毗临,则计算公式中将不考虑内电层的因素C.用户可以利用阻抗匹配来避免能量在源与负载之间来回反射D.在Altium Designer中有两种方法可以来完成阻抗匹配:第一种是匹配元器件,第二种是对板子布线给出所需要的阻抗,由软件自动计算出各个信号层的信号宽度,并自动指导布线60.将Preferences参数设置到云端有什么好处?()【答案】A【分数】1分【选项】A.即使是在不同的工作地点,也可以导入相同的项目参数配置B.用户可以按照个人偏好来设置各种编辑环境的参数C.用户可以本地化参数信息,使用自己熟悉的语言操作环境D.用户可以在软件启动时打开上次的工作空间或显示主页二、多选题(20题,2分/题,共40分)1.元件引脚的电气类型选项中,不包含()【答案】AD【分数】1分【选项】A.NoneB.PassiveC.IOD.Ground2.下列哪种情况会使得从原理图向PCB导入更改发生错误()【答案】CD【分数】1分【选项】A.封装中两个焊盘编号重复B.封装中某焊盘的编号在原理图符号中不存在C.原理图中的某焊盘编号在封装中不存在D.原理图中存在两个标号一样的元件3.使用自动元件编号功能时,可以选择以下哪种或哪些编号顺序()【答案】ABCD【分数】1分【选项】A.Down then CrossB.Up then CrossC.Cross then DownD.Cross then Up4.Altium Designer支持的手工交互式布线功能包括()【答案】ABC【分数】1分【选项】A.单端网络交互式器B.差端网络交互式布线器C.多路网络交互式布线器D.元器件通用网络管脚交换5.PCB版图设计中输出的装配文件类型包括()【答案】AC【分数】1分【选项】A.测试点(Test Point)报告B.元件清单(BOM)C.贴片数据(Pick and Place)文件D.Gerber文件6.下列哪类或哪些PCB规则属于电气类型(Electrical)的规则()【答案】ABC【分数】1分【选项】A.安全间距(Clearance)B.短路(Short-Circuit)C.未连接网络(Un-Routed Net)D.布线宽度(Width)7.下列关于创建封装的描述中错误的是()【答案】CD【分数】1分【选项】A.贴片元件的焊盘,通常应放置在Top LayerB.穿孔的焊盘,通常应防置在Multi-LayerC.元件的外形轮廓定义在Mechanical层D.元件的3D模型放置在Top Overlay层8.下面所列内容哪些是在PCB布线前需要完成的准备工作()【答案】ABC【分数】1分【选项】A. 定义板层的层数,并设置好哪些是信号层,哪些是内电层,多电源系统则分割好内电层B. 定义好设计规则(Rules),对于不同作用域的设计规则通过查询语言详细指列C. 如有必要,将一些重要网络的飞线编辑成特殊的颜色,以方便后续布线时刻提醒设计师D. 确认该PCB文档内,已对所有网络就布线优先级一一做出排列,以便后续布线按照该优先级一一按序完成布线9.有关多路布线(Multi-trace)设计的说法正确的是()【答案】ACD【分数】1分【选项】A. 多路布线设计前提,需要首先选中将布线的多个对象(焊盘,导线等)B. 多路布线适用于总线网络布线,普通网络则不适用C. 多路布线过程中,可以修改导线间的间距D. 多路布线过程中,仍然可以应用推挤功能10.下列哪些层是负片()【答案】BD【分数】1分【选项】A.Top OverlayB.Top SolderC.Top PasteD.Power Plane11.下列哪些是可选的焊盘形状()【答案】ABC【分数】1分【选项】A.RectangularB.RoundC.Round RectangularD.Hexagonal12.元件属性中可包含的模型有()【答案】BCD【分数】1分【选项】A.MechanicalB.FootprintC.Signal IntegrityD.PCB3D13.下列哪种设计方法能解决潜在的信号完整性问题()【答案】ACD【分数】1分【选项】A.合理的阻抗匹配B.对干扰源做屏蔽C.利用“1/3上升时间”法则,控制布线长度D.尽量增大相邻信号线(非差分对)的间距14.下列电平规范中,属于差分规范的是()【答案】BD【分数】1分【选项】A.LVCMOSB.LVDSC.SSTLD.RSDS15.对于多通道原理图设计描述正确的是()【答案】ABCD【分数】1分【选项】A.当存在多个相同电路设计模块时,可以利用多通道原理图设计功能简化设计复杂度B.在图表符属性窗口的Designator栏中,运用Repeat关键字命令创建多通道图表符模块C.在图表入口属性窗口的Name栏中,运用Repeat关键字命令创建多通道入口名称D.在多通道原理图设计中,任意通道内的元器件标号均唯一16.下列PCB图中,不合理之处有()【答案】BCD【分数】1分【选项】A.铺铜直接连接过孔B.铺铜直接连接焊盘C.左下角芯片的丝印覆盖了焊盘D.左下角芯片没有指定PIN-1位置17.关于铺铜时的浮铜(死铜、Dead copper),下列表述不正确的是:()【答案】ACD【分数】1分【选项】A.不影响电路性能B.会感应周围的信号,使EMC特性变坏C.具有屏蔽作用D.会影响焊接质量18.具有信号隔离功能的器件有()【答案】BC【分数】1分【选项】A.IGBT(绝缘栅双极晶体管)B.继电器C.光电耦合器D.MOSFET19.下列哪些是Altium Designer包含的功能()【答案】ABCD【分数】1分【选项】A.电路原理图设计B.FPGA逻辑设计C.IPC元器件封装向导D.嵌入式软件设计20.对USB数据通信从端(Slave)接口模块设计描述错误的是()【答案】ACD【分数】1分【选项】B信号用符号RX和TX表示接收和发送B通信采用串行差分信号传输C.为了降低USB通信误码率,需尽量缩短从USB连接器到USB传输芯片间走布线长度B传输芯片的信号接收引脚应连接到USB连接器的发送引脚----------------------------------------------------------------------------------------------------------------。
〔二维CAD 方向〕竞赛时刻:4小时 总分:3001、参照以如下面图绘制轮廓,注重其中的水平、对称、相切等几何关系。
请咨询图中上色局部的面积是多少?ABCD面积167 4 36 392、请参照以如下面图绘制草图,注重其中的水平、垂直、阵列等关系。
请咨询草图上色局部的面积是多少?A B C D E 面积 1 32 12 10 2 453、请参照以如下面图绘制草图,注重其中的水平、垂直、阵列等关系。
请咨询草图上色局部的面积是多少?A B C D 面积 1 67 20 65 664、参照以如下面图绘制轮廓,注重其中的水平、对称、中点、相切等几何关系。
其中绿色线条为等距关系。
请咨询图中上色局部的面积是多少?5、参照以如下面图绘制草图,注重其中的对称、水平、同心等几何关系。
请咨询图中绿色区域的面积是多少?〔12分〕 请咨询图中黄色区域的面积是多少?〔15分〕6、参照以如下面图绘制轮廓,注重其中的水平、对称、相切等几何关系。
请咨询〔1〕X 区域的面积是多少?5分 〔2〕Y 区域的面积是多少?7分 〔3〕Z 区域的面积是多少?11分A B C D E F X 面积 Y 面积 Z 面积 40 56 8 74 19 277、请参照以如下面图绘制草图,注重其中的水平、垂直、阵列等关系。
〔1〕区域一面积为多少?〔11分〕 〔2〕区域二面积为多少?〔14分〕 〔3〕区域三面积为多少?〔15分〕 〔4〕区域四面积为多少?〔19分〕 ABCD E F G H J K T 区域一 区域二 区域三 区域 四 230 127 764642924240412448、认真瞧瞧图形,注重其中的对称、相切等几何关系。
其中锥形区域两侧为圆弧。
请咨询图中上色区域的面积是多少?A B C D E 面积 129166028459、请参照以如下面图绘制草图,注重其中的水平、垂直、阵列等关系。
序号 ABCDEFG绿色面积黄色面积 156 36 7 2 27 652580请咨询黄色区域的面积是多少?〔18分〕请咨询绿色区域的面积是多少(三局部面积之和)?〔23分〕A B C D E F 黄色面积绿色面积1 12572429611610、参照以如下面图绘制轮廓,注重其中的水平、对称、中点、相切等几何关系。
第七届CAD 团队技能赛团队技能赛(CaTICs)(CaTICs)(CaTICs)赛题赛题20122012年秋季年秋季年秋季((二维二维))网络赛1-L题目:参照下图绘制图形,注意其中的共线、相切、对称等几何关系,图中绿色短线长度均为T。
参数:A=8,B=26,C=80,D=18,E=120,F=25,G=50,T=4问题:请问图形上色区域(共4块)的面积总和为多少?A B C D E F G T 答案8268018120255047104.091-H题目:参照下图绘制图形,注意其中的对称、平行、相切、重合等几何关系,图中未注间隙尺寸均为1。
参数:A=60,B=23,C=20,D=6E=60F=18G=124问题:请问图形中上色区域的面积是多少?A B C D E F G 答案602320660181245093.672-L题目:参照下图绘制图形,注意其中的对称、相切等几何关系。
参数:A=20,B=16,C=8,D=18,E=72,F=65问题:请问图中上色区域面积是多少?A B C D E F 答案20168187265777.732-H题目:参照下图绘制图形,注意其中对称、相切、重合等几何关系。
图中绿色短线长度均为T。
参数:A=96,B=40,C=30,D=25,E=132,T=3问题:请问图中上色区域的面积之和(不包含局部放大视图)是多少?A B C D E T 答案9640302513235266.483-L题目:参照下图绘制图形,注意其中未标注间隙宽度均为T,同色圆弧半径均为F。
参数:A=8,B=80,C=3,D=16,E=22,F=9,T=1.5问题:请问图形上色区域(共三块)的总面积是多少?A B C D E F T 答案880316229 1.55008.793-H题目:参照下图绘制图形,注意其中的共线、等距、相切等几何关系,图中同色的短线长度相等、同色弧线等半径。
参数:A=150,B=16,C=12,D=70,E=4,F=32,G=80,H=12问题:1、请问图中上色区域(共四块)面积总和是多少?2、参照下图,变更上一步骤中的图形。
第七届全国信息技术应用水平大赛预赛试题二维CAD机械设计一、单选题:(每小题1分)1.图样中的图框有内、外两框,外框表示图纸边界,用()绘制,其大小为幅面尺寸。
【答案】BB、细实线2.图样上标题栏的位置配置在图纸的()。
【答案】DD、右下角3.国家技术制图基本要求规定,图样中汉字的高度h不应小于3.5mm,其字宽一般为()。
【答案】CC、h/4.国家技术制图基本要求规定,比例是指()之比。
【答案】AA、图样中机件要素的线性尺寸与实际机件的线性尺寸之比5.根据基准作用的不同,一般将基准分为设计基准和()。
【答案】BB、工艺基准6.机件的真实大小应以图样上所标注的尺寸数值为依据,与图形的大小以及绘图的准确度()。
图样中的尺寸在没有特别说明的情况下,均以为()单位。
【答案】CC、无关;毫米7.机械制图国家标准规定汉字应该书写成()。
【答案】BB、长仿宋体8.平面与圆球面相交,其空间截交线是()。
【答案】AA、圆9.依据投影线之间的相互位置关系,分投影可为()和()两大类。
【答案】AA、中心投影法;平行投影法10.OX轴方向为物体的长度方向,表示()方位;OY轴方向为物体的宽度方向,表示()方位;OZ轴方向为物体的高度方向,表示()方位。
【答案】AA、左、右;前、后;上、下10.从物体的前面向后看,在V面上得到的视图称为()。
从物体的上面向下看,在H 面上得到的视图称为()。
从物体的左面向右看,在W面上得到的视图称为()。
【答案】CC、主视图;俯视图;左视图11.由已知两点各自的三面投影判断两点的相对位置时,可根据正面投影或侧面投影判断();根据正面投影或水平投影判断();根据水平投影或侧面投影判断()。
【答案】BB、上下;左右;前后12.一般位置平面在三面投影面体系中与三个投影面都是倾斜的,它与H,V,W面之夹角分别为()。
【答案】DD、α,β,γ13.轴测轴之间的夹角∠X1O1Y1、∠Y1O1Z1、∠Z1O1X1 称为轴间角,其中任何一个不能为零,三个轴间角之和为()。
全国计算机辅助技术认证考试
二维CAD工程师考试试卷(AutoCAD机械设计)
考试时间150分钟,总分100分
一、考试题目。
( 6分 )
1.设置A3图幅,用粗实线画出图框(400×277),按尺寸在右下角绘制标题栏,并填写考点名称、考生姓名和考号。
具体要求:字高为5;字体样式为长仿宋GB2312;标题栏尺寸如图1所示(注意:画出的标题栏上不注尺寸)。
图1
2.尺寸标注要求:参数:尺寸线间距为7;尺寸界线超出尺寸线为2;起点偏移量为0;箭头大小为3;数字样式为gbeitc.shx,字高为3.5,数字位置从尺寸线偏移1。
其余参数应符合《机械制图》国家标准要求。
3.设置图层,分层绘图。
图层、颜色、线型、打印要求如下表:
另外需要建立的图层,由考生自行设置。
4.将所有要求绘制的图形储存在一个文件中,并均匀地布置在图框线内。
存盘前使图框充满屏幕,文件名采用姓名加考号命名,例如:张三营001。
二、按图2所注尺寸,用1∶1的比例抄画平面图形,并标注全部尺寸。
(20分)
图2
三、按1:1的比例抄画图3所示的两视图,然后画出左视图,不注尺寸。
( 14分 )
图3
四、按标注尺寸1∶1抄画4号件阀体的零件图,并注全尺寸和粗糙度。
(25分)
五.根据给定的零件图(包括第四题图),按2:1比例绘制装配图,并标注序号和尺寸。
(参考装配图见第下页)(35分)
参考装配图。
计算机绘图AutoCAD考试试卷
考试时间120分钟,总分100分
1.考试要求(10分)
(1)设置A3图幅,用粗实线画出图框(400×277),按尺寸在右下角绘制标题栏,并填写考点名称、考生姓名和学号,字高为5。
字体样式为T仿宋GB2312,宽度比例取0.8。
标题栏尺寸如图所示。
(2)尺寸标注按图中格式。
尺寸参数:尺寸线基线间距为7;尺寸界线超出尺寸线为2,起点偏移量为0;箭头大小为3;数字样式为gbeitc.shx,字高为3,数字位置从尺寸线偏移1,宽度比例为1。
其余参数应符合《机械制图》国家标准要求。
(3)设置图层,分层绘图。
图层、颜色、线型、打印要求如下:
(4)将所有要求绘制的图形储存在一个文件中,均匀布置在边框线内。
存盘前使图框充满屏幕,文件名采用学号班级姓名,如“001234567812机自001王菲”。
考试结束后,将*.dwg文件发送到监考教师指定的邮箱。
2.按所注尺寸,以1∶1.5 比例抄画平面图形,并注全尺寸。
(20分)
3.按标注尺寸1∶1抄画3号件底座的零件图,并注全尺寸和技术要求。
(30分)
4.根据给定的零件图(包括第3题图),按1:1比例绘制装配图,并标注序号和尺寸。
(参考装配图见第4页)(40分)
参考装配图。
cad理论竞赛试题及答案CAD理论竞赛试题及答案引言随着计算机辅助设计(CAD)技术的不断发展,其在工程设计、建筑规划、工业制造等多个领域中扮演着越来越重要的角色。
为了提升学生和专业人士的CAD理论知识和实践技能,各类CAD理论竞赛应运而生。
本文将提供一份CAD理论竞赛的样题及答案,以供学习和参考。
试题部分一、选择题(每题2分,共10题)1. CAD技术的核心功能是什么?- A. 图像处理- B. 三维建模- C. 文档编辑- D. 数据分析2. 在CAD软件中,"Trim"命令通常用于执行什么操作?- A. 延伸线条- B. 裁剪线条- C. 旋转线条- D. 缩放线条3. 下列哪项不是CAD软件的基本绘图元素?- A. 点- B. 线- C. 面- D. 文字4. CAD软件中的“图层”功能主要用于什么?- A. 改变对象颜色- B. 控制对象显示- C. 计算对象面积- D. 存储对象信息5. 在进行三维建模时,哪种方法可以创建一个圆柱体? - A. 拉伸二维圆形- B. 旋转二维圆形- C. 扫掠二维圆形- D. 以上都是6. 下列哪项不是CAD软件中的尺寸标注类型?- A. 线性尺寸- B. 角度尺寸- C. 半径尺寸- D. 颜色标注7. 在CAD中,使用“阵列”命令可以快速创建什么? - A. 单个对象的复制- B. 对象的随机分布- C. 对象的规律排列- D. 对象的镜像8. 下列哪项不是CAD中常用的几何构造方法?- A. 相切、相切、半径- B. 相切、相切、相切- C. 点、点、半径- D. 点、点、直线9. 在CAD软件中,如何快速选择多个对象?- A. 使用“Shift”键- B. 使用“Ctrl”键- C. 使用“Alt”键- D. 使用“Tab”键10. CAD软件中的“镜像”命令可以实现什么效果?- A. 对象的复制- B. 对象的旋转- C. 对象的缩放- D. 对象的翻转二、填空题(每题3分,共5题)11. 在CAD中,使用________命令可以绘制一个圆形。
第七届全国信息技术应用水平大赛预赛试题二维CAD机械设计一、单选题:(每小题1分)1.图样中的图框有内、外两框,外框表示图纸边界,用()绘制,其大小为幅面尺寸。
【答案】BB、细实线2.图样上标题栏的位置配置在图纸的()。
【答案】DD、右下角3.国家技术制图基本要求规定,图样中汉字的高度h不应小于3.5mm,其字宽一般为()。
【答案】CC、h/4.国家技术制图基本要求规定,比例是指()之比。
【答案】AA、图样中机件要素的线性尺寸与实际机件的线性尺寸之比5.根据基准作用的不同,一般将基准分为设计基准和()。
【答案】BB、工艺基准6.机件的真实大小应以图样上所标注的尺寸数值为依据,与图形的大小以及绘图的准确度()。
图样中的尺寸在没有特别说明的情况下,均以为()单位。
【答案】CC、无关;毫米7.机械制图国家标准规定汉字应该书写成()。
【答案】BB、长仿宋体8.平面与圆球面相交,其空间截交线是()。
【答案】AA、圆9.依据投影线之间的相互位置关系,分投影可为()和()两大类。
【答案】AA、中心投影法;平行投影法10.OX轴方向为物体的长度方向,表示()方位;OY轴方向为物体的宽度方向,表示()方位;OZ轴方向为物体的高度方向,表示()方位。
【答案】AA、左、右;前、后;上、下10.从物体的前面向后看,在V面上得到的视图称为()。
从物体的上面向下看,在H 面上得到的视图称为()。
从物体的左面向右看,在W面上得到的视图称为()。
【答案】CC、主视图;俯视图;左视图11.由已知两点各自的三面投影判断两点的相对位置时,可根据正面投影或侧面投影判断();根据正面投影或水平投影判断();根据水平投影或侧面投影判断()。
【答案】BB、上下;左右;前后12.一般位置平面在三面投影面体系中与三个投影面都是倾斜的,它与H,V,W面之夹角分别为()。
【答案】DD、α,β,γ13.轴测轴之间的夹角∠X1O1Y1、∠Y1O1Z1、∠Z1O1X1 称为轴间角,其中任何一个不能为零,三个轴间角之和为()。
【答案】DD、360°14.正等轴测图的轴间角均为(),其三个方向的轴向伸缩系数()。
【答案】AA、120°;相等15.下列选项中不属于组合体标注尺寸的基本要求的是()。
【答案】CC、复杂16.下列不属于组合体尺寸种类的是()。
【答案】DD、基准尺寸17.下列选项中不能用细实线表示的是()。
【答案】CC、断裂处的边界线18.下列选项中要用虚线表示的是()。
【答案】DD、不可见轮廓线19.尺寸基准是标注尺寸的起点,一个平面图形应有()方向的尺寸基准。
【答案】CC、三个20.没有定位尺寸,需要根据两个连接关系才能画出的线段,称之为()。
【答案】CC、连接线段21.图1 所表示的两个物体分别是()。
【答案】A图1-第21题A、四棱锥;圆锥22.图2 所示物体的三视图及表面点A主视图的投影a',判断点A的空间位置()。
【答案】B图2-第22题B、圆锥表面左前方23.下列选项中要用细双点画线表示的是()。
【答案】CC、可动零件的极限位置的轮廓线24.表示同一零件在所有剖视图和断面图中的剖面线()。
【答案】CC、方向一致、间隔一致25.视图一般只画机件的(),所以视图主要用来表达机件的()。
【答案】AA、可见部分;外部结构形状26.在基本视图中,除常用的三视图外,还包括:从右向左投射,得到();从下向上投射,得到仰视图;从后向前投射,得到()。
【答案】CC、右视图;后视图27.在向视图上方要用大写拉丁字母标注视图的名称“x”,在相应视图的附近用箭头指明(),并注上同样字母。
【答案】AA、投射方向28.将机件的某一部分向基本投影面投射所得的视图,称为()。
【答案】DD、局部视图29.将机件的倾斜部分向不平行于基本投影面的平面投射所得的视图,称为()。
【答案】CC、斜视图30.在三视图中()面上的投影为主视图,在()面上的投影为俯视图,在()面上的投影为左视图。
【答案】BB、V,H,W31.假想用剖切面剖开机件,将处在观察者和剖切面之间的部分移去,而将其余部分向投影面投射所得的图形称为()。
【答案】CC、剖视图32.假想用剖切面将机件的某处切断,仅画出断面(剖切平面与机件接触部分)的图形称为()。
B、断面图33.与外螺纹的牙顶或内螺纹的牙底相重合的假想圆柱面的直径称为()。
【答案】AA、螺纹大径34.外螺纹画法中牙顶圆(大径)用()绘制;牙底圆(小径)用()绘制,小径约为大径的0.85倍。
【答案】CC、粗实线;细实线35.在连接装配图画法中相邻两零件的表面接触处只画一条()作为分界线即可。
【答案】CC、粗实线36.在圆柱齿轮的啮合画法中在非圆的外形视图中,啮合区的齿顶线不画,节线(分度线)画成()。
【答案】BB、细点画线37.图3所示的表面结构符号是指()。
【答案】B图3-第37题B、对图形中封闭轮廓的六个面的共同要求(不包括前后面)38.已知直齿圆柱齿轮齿数z,模数m,压力角α,则该齿轮的分度圆直径为()。
【答案】DD、d=mz39.公称直径为20mm,螺距为2mm,公差带为6H的内螺纹与公差带为5g6g的外螺纹组成配合,其标注为()。
【答案】DD、M20×2-6H/5g6g40.当内、外螺纹旋合在一起配合使用时,在剖视图中表达方式是()。
【答案】AP(5,5)P(5,5)P(5,5)P(5,5)A B C D A 、旋合的部分按外螺纹的规定绘制,未旋合部分按各自的规定画法绘制41.当相邻两零件不接触或孔和轴基本尺寸不同时,即使间隙很小,也必须( )。
【答 案】BB 、画两条粗实线42. 所谓零件的互换性,就是从一批规格相同的零件中( )就能装配使用,并能保证使用性能要求的性质称为互换性。
【答 案】DD 、任取一件,不经修配43.下列项目中不属于形状公差的项目是( )。
【答 案】CC 、平行度44.运行命令: _rotate 【答 案】DUCS 当前的正角方向: ANGDIR=逆时针 ANGBASE=0选择对象:选取矩形指定基点:指定旋转角度,或 [复制(C)/参照(R)] <0>R指定参照角 <0>: 90指定新角度或 [点(P)] <0>: 30最后结果:( )【分 数】1分 【选 项】45.运行命令:Line 【答 案】C指定第一点P :5,5指定下一点:10,5指定下一点:10,10指定下一点: @-5,0指定下一点:C最后图形为:( )P (5,5)46. 运行命令:Array 【答 案】C选择对象:点取圆( ) 选择对象:回车 输入阵列类型:R输入行数:3输入列数:2输入行间距:-10输入列间距:15 47.以下( )按钮图标是来捕捉象限点的。
【答 案】C A.、 B 、 C 、 D 、 48.以下( )是在AutoCAD 用来表示相对于上一点距离为5角度为135º的坐标表示法。
【答 案】CC 、@ 5<135基点 1B C 1111AB C D49.()是在AutoCAD绘图时用来表示,相对于上一点在x,y方向移动的距离为50和80的点。
【答案】AA、@ 50,8050.下述哪一个命令可以在画线时一次画三条线( )。
【答案】BB、MLINE51.设置好线宽后,绘图界面上的图形并未出现线宽的原因是()。
【答案】BB、状态栏中“线宽”按钮没打开52.建立文字,6孔Ø50可以从键盘上输入()。
【答案】CC、6孔%%C5053.想要标注倾斜直线的长度,应该选用()。
【答案】BB、对齐标注54.想在一个线性标注数值前面添加直径符号Ø,可以采用()。
【答案】CC、编辑标注/新建:输入%%C55.下列哪个选项不是打开“标注样式管理”对话框的方式()。
【答案】DD、菜单中工具→样式56.进行角度标注,应在标注样式中文字选项的文字对齐区设定为()。
【答案】AA、水平57.新建图层时,新图层的线宽默认为 ( )。
【答案】DD、对话框中选定层的线宽58. 设计中心能够完成的操作是()。
【答案】CC、查找一个图块所在文件59.当想把直线、弧和多线段的端点延长到指定的边界,且这些边界可以是直线、圆弧或多线段等,应使用()。
【答案】CC、EXTEND60.应用相切、相切、相切方式画圆时:()。
【答案】DD、不需要指定圆的半径和圆心二、多选题(20题,2分/题,共40分)1.图样中标注的尺寸一般由()等要素组成。
【答案】ABDEA、尺寸界线B、尺寸线C、箭头D、尺寸数字E、尺寸线终端2.国家技术制图基本要求规定,图样上尺寸标注的基本规则包括:()。
【答案】ABCDA、机件的真实大小应以图样上所注的尺寸数值为依据,与图形的大小以及绘图的准确度无关B、图样中的尺寸在没有特别说明的情况下,均以毫米为单位。
不需标注计量单位的代号或名称,如采用其它单位,则必须注明相应的计量单位的代号或名称C、图样中所标注的尺寸为该图样所示机件的最后完工尺寸,否则应加以说明D、机件的同一尺寸一般只标注一次,并应标注在反映该结构最清晰的图形上3.依据投影线之间的相互位置关系,投影可分为()。
【答案】ACA、中心投影法C、平行投影法4.直线和平面的正投影特性包括:()。
【答案】CDEC、实形性(真实性)D、积聚性E、类似性5.三视图表达的是同一物体,而且是物体在同一位置分别向三投影面所作的投影。
所以,三视图间必然具有以下所述的投影规律:()。
【答案】ABCA、主视图和俯视图长对正B、主视图和左视图高平齐C、俯视图和左视图宽相等6. 如图4所示,当空间两点处于向一投射线上时,它们在与该投射线垂直的投影面上的投影重合,如图所示,下列描述正确的是:()。
【答案】ABCD图4-第6题A、点A与B同时位于垂直于V面的投射线上,它们的V面投影a´(b´)是重影点B、点C与D同时位于垂直于H面的投射线上,其H面投影c(d)是重影点C、点E与F同时位于垂直于W面的投射线上,其W面投影e´´(f ´´)是重影点D、点A在点B的前方,点C在点D的上方,点E在点F的左方;7.平面的空间位置可以由下列哪几种方法确定:()。
【答案】ABCDEA、不在同一直线上的三点B、一直线和直线外的一点C、两相交直线D、两平行直线E、任意平面图形(平面的有限部分图形)8.由于轴测投影属于平行投影,因此轴测投影仍具有平行投影的基本性质:()。
【答案】ABCA、物体上互相平行的线段,其轴测投影图中仍然互相平行B、物体上凡是与空间坐标轴平行的直线段,在轴测图中也必定平行于相应的轴测轴,且具有相同的轴向伸缩系数C 、当轴测投影图上的线段平行于轴测轴时,可以测量线段的实长9.图5所示,根据已知的主视图和俯视图,选择正确的左视图:( )。