二维CAD机械设计
- 格式:doc
- 大小:46.50 KB
- 文档页数:6
AUTOMOBILE DESIGN | 汽车设计CAD技术与机械制图关键技术分析孙元乾江苏省靖江中等专业学校 江苏省泰州市 214500摘 要: 随着时代的发展,我国的科技水平取得了大幅度的提升。
CAD技术是科学技术和时代发展中的产物。
随着CAD技术的进一步发展,有效的带动了机械行业内制图环节的发展,与此同时,也促使着机械制造技术的快速提升。
本文主要针对CAD技术中的几项关键技术和机械制图技术进行分析,并就其后续的发展方向进行深度探析,通过分析其存在的众多优势来进一步完善其发展方向和模式。
关键词:CAD技术 机械制图 关键技术1 引言所谓的机械制图就是指设计者和制造者之间进行交流的一种媒介手段,设计者主要就是对机械的参数进行统计和制造,制造者对其进行精细的绘制。
传统的制图方式主要就是手工制图,这种制图方式相对较慢,并且精度相对较差。
随着CAD技术的发展壮大,已经逐渐替代了这种传统的制图方式,取之而来的就是机械制图的方式,这种制图方式的效率较高,并且整体制图的精准度也更高,由此可见,机械制图的使用是离不开CAD技术的辅助的。
2 CAD技术概述2.1 CAD技术简介CAD技术也被称为计算机辅助设计技术,通过利用计算机和一些相关的辅助功能来帮助设计人员开展设计工作,主要应用在工程项目和产品设计环节。
CAD技术中有几项关键的技术,能够有效的提高设计的效率和准确程度,分别为线框模型、用户界面技术等。
CAD技术目前是机械制图工作中的核心技术,由二维平面技术延伸而来,能够有效的辅助设计师来展现自身的设计理念,并且也能够将设计成果完美的展现出来。
2.1.1 线框模型线框模型技术主要是在二维平面技术的基础上延伸出来的,通过在二维平面制图的基础上增加了一条表示深度的坐标,能够进一步将二维平面中的直线和圆弧进行扩展,扩展后的线条能够有效的表示设计目标的边界和轮廓。
通常情况下,线框模型是由点、线、面共同组合而成的,其能够用于制作任意模型的视图,并且能够保障各个视图之间的准确性和投影关系,为绘图工作带来的极大的便利。
第七届全国信息技术应用水平大赛预赛试题二维CAD机械设计一、单选题:(每小题1分)1.图样中的图框有内、外两框,外框表示图纸边界,用()绘制,其大小为幅面尺寸。
【答案】B【分数】1分【选项】A、粗实线B、细实线C、虚线D、点画线2.图样上标题栏的位置配置在图纸的()。
【答案】D【分数】1分【选项】A、左上方B、左下方C、右上角D、右下角3.国家技术制图基本要求规定,图样中汉字的高度h不应小于3.5mm,其字宽一般为()。
【答案】C【分数】1分【选项】A、1/3hB、hC、h/D、h24.国家技术制图基本要求规定,比例是指()之比。
【答案】A【分数】1分【选项】A、图样中机件要素的线性尺寸与实际机件的线性尺寸之比B、实际机件要素的线性尺寸与图样中机件的线性尺寸之比C、1:5D、2:15.根据基准作用的不同,一般将基准分为设计基准和()。
【答案】B【分数】1分【选项】A、测量基准B、工艺基准C、安装基准D、工序基准6.机件的真实大小应以图样上所标注的尺寸数值为依据,与图形的大小以及绘图的准确度()。
图样中的尺寸在没有特别说明的情况下,均以为()单位。
【答案】C【分数】1分【选项】A、无关;厘米B、有关;厘米C、无关;毫米D、有关;毫米7.机械制图国家标准规定汉字应该书写成()。
【答案】B【分数】1分【选项】A、草体B、长仿宋体C、楷体D、黑体8.平面与圆球面相交,其空间截交线是()。
【答案】A【分数】1分【选项】A、圆B、直线C、双曲线D、椭圆9.依据投影线之间的相互位置关系,分投影可为()和()两大类。
【答案】A【分数】1分【选项】A、中心投影法;平行投影法B、中心投影法;正投影法C、平行投影法;正投影法D、正投影法;斜投影法。
10.OX轴方向为物体的长度方向,表示()方位;OY轴方向为物体的宽度方向,表示()方位;OZ轴方向为物体的高度方向,表示()方位。
【答案】A【分数】1分【选项】A、左、右;前、后;上、下B、上、下;前、后;左、右C、左、右;上、下;前、后D、前、后;上、下;左、右10.从物体的前面向后看,在V面上得到的视图称为()。
CAD 技术在机械工程设计中的发展与应用摘要:在机械化程度不断发展下,机械在促进工农业产业发展阶段有着重要作用。
机械面临着快速投入市场、高质量、自动化、高效率、精密化的挑战,传统的手工制图还存在着制图速度慢,改型困难和精度比较差等的问题,研究计算机辅助设计CAD技术在工农业机械工程设计阶段的应用,有着实践意义。
下面就对其进行分析。
关键词:CDA技术;机械工程;设计1 CAD技术概述CAD技术是计算机辅助设计的通用术语,通常指使用CAD计算机和图形设备帮助设计人员完成设计任务。
作为技术设计的一部分,需要对不同解决方案进行大量的it比较,以确定最佳解决方案。
但是,在实际设计过程中,由于工程量大、信息文本等原因,许多CAD设计元素非常复杂。
如果是人工进行的,则需要大量人力和物力,而且很可能由于有关人员的主观判断而造成错误,增加了工程设计时间,并影响到后期工程其他部分的工作。
此外,劳动力利用率的增加将大大增加投资成本,并严重妨碍对相关工程成本的控制。
2 CAD技术应用现状随着中国信息科技的迅猛发展,信息技术和数字技术席卷了许多产业,对产业发展起到了重要作用。
随着城市化的迅速发展,中国的耕地面积逐渐减少,突显了资源、粮食和不断增长的人口之间的矛盾。
在这种背景下,为了有效提高工农业产量,大部分研究者开始将CAD技术应用于工农业机械设计,希望利用数字技术和工业化相结合,为中国工农业增产奠定良好的基础。
对于工农业机械工程和设计公司来说,要想在激烈的市场上占据重要地位,就必须改革和创新产品,以促进其发展,从而提高其总体竞争力。
农机的设计作为农机生产的重要组成部分,吸引了众多专业人士的关注和关注。
同时,众多农机设计师正在考虑将现代技术纳入设计,以提高农机设计和最终应用的质量,支持和确保中国工农业的可持续发展。
CAD作为一个计算机辅助设计软件,通过构建虚拟模型为设计人员提供了展示想象力的机会,并在一定程度上提高了机械设备的精度和设计结果的科学合理性,同时提高了工农业机械工程的应用水平,从而对于社会效益与经济效益的提升意义重大。
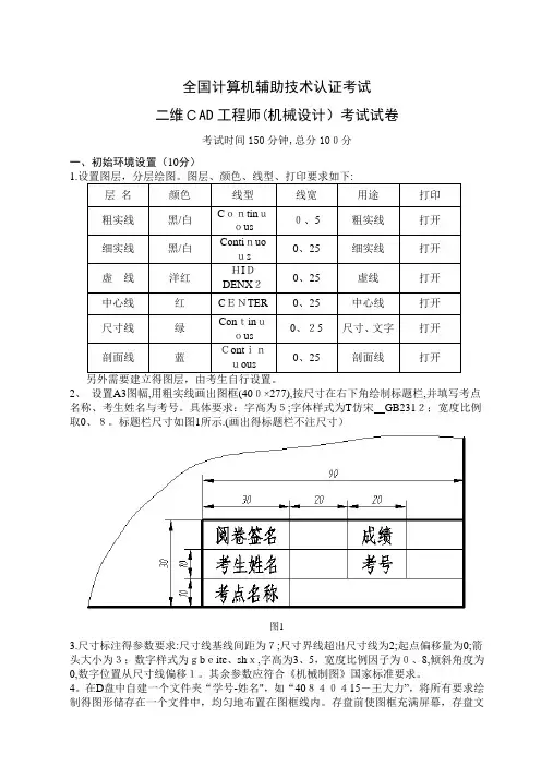
全国计算机辅助技术认证考试二维CAD工程师(机械设计)考试试卷考试时间150分钟,总分100分一、初始环境设置(10分)1.层名颜色线型线宽用途打印粗实线黑/白Continuous0、5 粗实线打开细实线黑/白Continuous0、25 细实线打开虚线洋红HIDDENX20、25 虚线打开中心线红CENTER 0、25 中心线打开尺寸线绿Continuous0、25 尺寸、文字打开剖面线蓝Continuous0、25 剖面线打开2、设置A3图幅,用粗实线画出图框(400×277),按尺寸在右下角绘制标题栏,并填写考点名称、考生姓名与考号。
具体要求:字高为5;字体样式为T仿宋GB2312;宽度比例取0、8。
标题栏尺寸如图1所示.(画出得标题栏不注尺寸)图13.尺寸标注得参数要求:尺寸线基线间距为7;尺寸界线超出尺寸线为2;起点偏移量为0;箭头大小为3;数字样式为gbeitc、shx,字高为3、5,宽度比例因子为0、8,倾斜角度为0,数字位置从尺寸线偏移1。
其余参数应符合《机械制图》国家标准要求。
4。
在D盘中自建一个文件夹“学号-姓名",如“40840415-王大力”,将所有要求绘制得图形储存在一个文件中,均匀地布置在图框线内。
存盘前使图框充满屏幕,存盘文件名与文件夹名相同。
二、按图2所注尺寸,以1∶1比例抄画平面图形,并注全尺寸。
(20分)图2三、按1:1比例抄画图3所示得两视图,然后画出左视图,不注尺寸。
(10分)图3四、按1:1得比例抄画图4所示得4号件托架得零件图,并注全尺寸与技术要求。
(25分)图4五、根据图4、图5、图6给定得零件图,按1:1得比例绘制滑轮装配图得主视图(见图7所示装配参考图),标注零件序号并标出配合尺寸与总体尺寸。
(35分)参考装配图如下图所示图7。
CAD在机械设计中的应用及机械制造技术的发展分析1. 引言1.1 CAD在机械设计中的重要性CAD在机械设计中的重要性体现在多个方面。
CAD技术的引入使得机械设计过程更加高效和精准。
传统的手工绘图方式存在着制图周期长、易出错等问题,而CAD软件具有快速绘图、修改方便等特点,大大提高了设计效率。
CAD技术可以实现设计数据的数字化管理,使得设计过程更加标准化和规范化。
设计者可以通过CAD软件实现设计数据的记录、存储和共享,避免了传统设计过程中纸质图纸易丢失、难以保存等问题。
CAD技术还能够实现设计与制造的无缝衔接。
设计者可以通过CAD软件直接生成数控加工程序,实现设计图纸与实际制造过程的紧密联系,缩短了产品的开发周期,提高了生产效率。
CAD在机械设计中的重要性不言而喻,它不仅提高了设计效率和精度,也使得设计与制造过程更加紧密相连,为机械制造业的发展注入了新的活力。
CAD 技术的应用无疑是当今机械设计领域的一大重要趋势。
1.2 机械制造技术的发展背景机械制造技术的发展背景可以追溯到人类社会的早期,随着人类文明的发展,机械制造技术也逐渐得到了提升和改进。
最初的机械制造技术主要是基于简单工具和手工操作,通过人力或动物力来完成生产。
随着工业革命的到来,机械制造技术开始引入了蒸汽机和机械生产设备,使生产效率得到了极大的提升。
随着科学技术不断进步和发展,机械制造技术也在不断演进。
20世纪中叶,随着计算机技术的飞速发展,数字化设计和生产逐渐成为机械制造技术的重要方向。
计算机辅助设计(CAD)的应用使机械设计过程更加高效和精确,大大提高了产品的设计质量和生产效率。
数控技术的引入使得机械加工更加智能化和自动化,进一步提升了机械制造技术的水平。
随着信息技术和人工智能的不断发展,机械制造技术正朝着智能化、数字化和高度集成化的方向发展。
智能制造和工业4.0的概念已经成为机械制造技术发展的热点,通过大数据分析、物联网和云计算等技术的应用,实现了机械制造过程的智能化管理和优化。
CAD在机械工程中的应用实例CAD(计算机辅助设计)是一种广泛应用于各个行业的设计工具,对于机械工程领域而言,CAD的应用更是不可或缺。
本文将通过几个实例,介绍CAD在机械工程中的具体应用。
实例一:产品设计在机械工程中,产品设计是一个重要的环节。
借助CAD软件,设计师可以将创意和想法转化为具体的设计模型。
CAD软件提供了丰富的工具和功能,使得设计师可以进行三维建模、模拟测试等操作。
例如,一家机械设备制造商使用CAD软件设计了一台新型的风力发电机。
设计师利用CAD软件创建了风力发电机的三维模型,并在软件中进行了仿真分析,确定了最佳的结构和材料,最终设计出高效可靠的产品。
实例二:工艺规划在机械工程中,工艺规划是制造过程中的重要环节。
CAD软件不仅可以用于产品设计,还可以用于工艺规划。
例如,一家汽车制造商需要生产一款新车型。
他们使用CAD软件创建了汽车的三维模型,并在软件中进行了装配和拆卸模拟。
通过这些模拟,他们能够确定最佳的生产流程,优化工艺方案,提高生产效率和质量。
实例三:工程分析CAD软件除了可以进行产品设计和工艺规划外,还可以用于工程分析。
例如,在航空航天领域,工程师使用CAD软件创建飞机的三维模型,并进行结构分析和流体仿真。
通过这些分析,他们能够评估飞机的强度、稳定性以及气动性能,从而优化设计,确保飞机的安全和性能达到要求。
实例四:制造与装配CAD软件在机械工程中还可以用于制造与装配。
一家机械制造公司使用CAD软件创建了机器人的三维模型,并进行了数控加工路径规划。
通过CAD软件生成的数控代码,机器人可以进行精确的加工。
此外,借助CAD软件,制造商还可以进行装配过程的模拟和优化,提高装配效率和准确性。
总结:CAD在机械工程中的应用可谓是方方面面。
从产品设计到工艺规划,从工程分析到制造与装配,CAD软件为机械工程师提供了强大的设计和分析功能,极大地促进了机械工程领域的发展和创新。
随着技术的不断进步,CAD软件的功能也在不断完善,相信在未来,CAD将继续发挥重要的作用,为机械工程师带来更大的便利和效益。
CAD技术在机械设计中的应用设计毕业设计(论文)CAD技术在机械设计中的应用摘要CAD技术作为成熟的普及技术已在企业中广泛应用,并已成为企业的现实生产力。
围绕企业创新设计能力的提高和网络计算环境的普及,CAD技术的发展趋势主要围绕在以下四个方面:1(标准化除了CAD支撑软件逐步实现ISO标准和工业标准外,面向应用的标准构件(零部件库)、标准化方法也已成为CAD系统中的必备内容,且向着合理化工程设计的应用方向发展。
2(开放性 CAD系统目前广泛建立在开放式操作系统窗口95,98,NT和UNIX平台上,在JAVA LINUX平台上也有CAD产品,此外CAD系统都为最终用户提供二次开发环境,甚至这类环境可开发其内核源码,使用户可定制自已的CAD系统。
3. 集成化 CAD技术的集成化体现在三个层次上:其一是广义CAD功能CAD/CAE/CAPP/CAM/CAQ/PDM/ERP经过多种集成形式成为企业一体化解决方案,推动企业信息化进程。
其二,是将CAD技术能采用的算法,甚至功能模块或系统,做成专用芯片,以提高CAD系统的效率;其三是CAD基于网络计算环境实现异地、异构系统在企业间的集成。
关键词:标准化,开放性,集成化,智能化~~所有下载了本文的注意:本论文附有CAD图纸和完整版最终设计,凡下载了本文的读者请留下你的联系方式(QQ邮箱),或加我百度用户名QQ,我把图纸发给你。
最后,希望此文能够帮到你~- I -TECHNOLOGY IN THE MECHANICAL DESIN CADAPPLICATIONABSTRACTCAD technology as the popularity of mature technology has broad application in the enterprise, and enterprises have become the real productive forces. Innovative design capacity of the enterprise and enhance the popularity of network computing environment, CAD technology centres around the development trend in standardized, open, integrated and intelligent four areas:1. Standardization in addition to CAD software support the progressive realization of ISO standards and industry standards, application-oriented standard components (for parts), standardized methods have also become necessary in the CAD system, and towards the rationalization of the engineering design of the development2. CAD system is currently open and extensive operating system built on open window 95/98 / NT and UNIX platforms, in Java LINUX platform is also a CAD products, in addition to CAD systems to provide secondary development of end-user environment, and even such Environment may be the development of its core source code, which allows the user to customize their own CAD system.3. Integration of the integration of CAD technology embodied inthree levels: One is the broad functions of CAD CAD / CAE / CAPP / CAM / CAQ / PDM / ERP integration through various forms of corporate integration solutions, promote enterprise information Process. The CAD system to improve the efficiency of its three CAD is based on networkcomputing environment to achieve different places, heterogeneous system in the inter-enterprise integration. Came into being the virtual design, virtual manufacturing and virtual enterprise is the level of application integration.- II -KEY WORDS:Standardization,Open, Integrated, Intelligent.目录绪论 ...............................................................1 第1章CAD技术的概述 (2)1.1 CAD技术的概念 (2)1.2 CAD技术原理 (2)1.3 CAD系统的组成 .......................................... 2 第2章CAD技术的发展 (4)2.1 CAD技术的产生与发展 (4)2.2 我国CAD的发展现状 (5)2.3 CAD系统的发展趋势 ...................................... 5 第3章CAD常用的设计软件 (8)3.1国内软件 (8)3.2国外软件 ................................................... 9 第4章CAD技术在机械设计中的应用 (12)4.1我国CAD技术在机械设计中应用的现状 (12)4.2 CAD在玉米联合作业机械设计中应用 (13)4.3 CAD三维技术在液压挖掘机中的应用 ..................... 18 结论 ............................................................. 24 谢辞 ............................................................. 25 参考文献 ...................................................... 26 外文资料 (27)- III -绪论源于20世纪50年代的机械CAD/CAM技术已发展为一种高新技术产业,并得到迅速发展。
《机械CAD/CAM(MasterCAM)》“说课”提纲机电系数控教研室杜薇各位老师:大家好,我是机电系数控教研室的杜薇,下面我就计算机辅助设计与制造专业《机械CAD/CAM(MasterCAM)》课程的整体情况向大家介绍。
一、课程的目标、要求与定位《机械CAD/CAM(MasterCAM)》课程是高职高专院校计算机辅助设计与制造专业教学计划中一门核心专业课,也是一门实践性较强的技术课,是培养机械行业工程技术应用型人才的知识结构和能力结构的重要组成部分。
本课程以训练学生CAD/CAM技能为核心,以工作过程为导向,依托MasterCAM软件,详细介绍了二维图形绘制、曲面和曲线的构建、三维实体造型、CAM加工基础、二维铣削加工以及三维铣削加工等内容,培养学生的机械产品设计的基本职业能力。
《机械CAD/CAM(MasterCAM)》课程与先行的《机械制图》、《机械设计》、《CAD技能实训》、《数控加工技术》等课程有着一定的联系,与后续的《塑料模具设计》、、《顶岗实习》及《毕业设计》等有着密切的联系。
通过对本课程系统的学习,使学生具备高素质实用型高级职业技术专门人才所必需的CAD/CAM的基本知识和基本技能,初步形成解决工程实际问题的能力,为学习专业知识和职业技能打下基础,并注意渗透思想教育,树立良好的职业道德。
该课程的课程目标如下:(一)知识目标1.了解机械零件的特征分析和造型方法。
2.掌握二维草图的绘制方法。
3.掌握运用特征进行三维实体造型的基本方法。
4.了解曲面造型的基本方法。
5.掌握MasterCAM二维刀具路径和三维刀具路径的常用方法并生成G代码。
6.掌握简单模具型腔的刀具路径和中等复杂难度的零件刀具路径。
(二)能力目标1.会正确合理地选择零件造型的各种方法。
2.会正确合理地选择各种加工方法。
3.培养学生具备运用所学知识解决工程实际问题的初步能力。
(三)品性目标1.培养学生沟通能力以及团队协作精神。
CAD\CAE 技术在机械设计中的应用发布时间:2021-10-15T07:50:57.602Z 来源:《科学与技术》2021年18期作者:高凌霄[导读] CAD\CAE技术由计算机技术发展而来,广泛应用于机械产品的设计过程中高凌霄四川省成都工业职业技术学院 610218摘要:CAD\CAE技术由计算机技术发展而来,广泛应用于机械产品的设计过程中,不同于传统的设计方法,CAD\CAE技术的应用大大缩短的了设计过程所需的时间,保证了设计过程的效率和准确性,大大节约了研发过程的投入,从而提高产品竞争力。
本文将对CAD\CAE在机械设计中的具体应用做出介绍,并对其优势和劣势进行分析,进而对CAD\CAE技术的发展方向做出探索。
关键词:CAD\CAE技术;机械设计;效率;准确性;具体应用前言:CAD\CAE技术作为计算机辅助设计技术,已经成为机械设计过程中所用到的一项重要手段,其中CAD技术主要指计算机辅助设计技术,主要指在设计过程中利用相关图形设计软件设计出产品的三维图形,从而简化设计过程,保证设计的准确性;CAE技术作为计算机技术和工程分析技术的结合体,利用计算机对通过CAD技术设计出的产品进行辅助分析、计算和仿真等工作,从而验证产品是否满足设计要求,从而减少了过去机械设计过程中的试验时间,减少试验成本。
1.CAD\CAE技术在机械设计中的应用1.1CAD技术在机械设计中的应用1.1.1利用CAD技术实现零件的实体建模利用CAD技术实现零件的实体建模,从而大大缩短设计过程所需的时间并保证设计的准确,目前常用的建模方式为表面、线框、实体三种模型方式,同时通过CAD软件自带的系统结构还可以对零件进行一些简单的分析工作,从而对设计模型进行优化,设计过程直观、简便,而且现在三维建模的过程还可以显示出零件的材料、质量、密度等特性,完成三维零件建模后,利用二维CAD完成零件的二维图纸,利用CAD软件的相关功能,例如复制、阵列、镜像等功能,等设计师对相关软件应用熟练以后,至少可以减少一半的绘图时间,大大减轻了设计师的劳动量。
机械 cad课程设计一、教学目标本课程旨在通过机械CAD的学习,让学生掌握AutoCAD软件的基本操作,能够进行简单的二维和三维图形绘制,培养学生运用CAD技术解决实际工程问题的能力。
具体的教学目标如下:知识目标:使学生了解AutoCAD软件的发展历程、功能特点及其在工程领域的应用;掌握AutoCAD的基本操作,包括界面熟悉、命令输入、图形编辑等。
技能目标:培养学生能够熟练使用AutoCAD绘制二维图形和三维模型,包括直线、圆、多边形、文本等的输入和编辑;掌握图层、视图、尺寸标注等基本知识,并能够独立完成简单工程图纸的绘制。
情感态度价值观目标:培养学生对CAD技术的兴趣,认识CAD技术在现代工程设计中的重要性,培养学生的创新意识和实践能力。
二、教学内容根据课程目标,教学内容主要包括AutoCAD软件的基本操作、二维图形绘制、三维模型创建以及工程图纸的编制。
具体安排如下:第1-2课时:AutoCAD软件的基本操作,包括界面熟悉、命令输入、图形编辑等。
第3-4课时:二维图形的绘制,包括直线、圆、多边形、文本等的输入和编辑。
第5-6课时:三维图形的创建,包括基本三维图形、三维编辑、材质和灯光设置等。
第7-8课时:工程图纸的编制,包括图层管理、视图控制、尺寸标注等。
第9-10课时:综合练习,运用所学知识解决实际工程问题,巩固所学内容。
三、教学方法为了提高学生的学习兴趣和主动性,本课程将采用多种教学方法,如讲授法、案例分析法、实验法等。
1.讲授法:用于讲解AutoCAD软件的基本操作、功能特点及工程应用。
2.案例分析法:通过分析实际工程案例,使学生更好地理解二维和三维图形的绘制方法。
3.实验法:让学生亲自动手操作,熟悉软件界面,掌握图形编辑命令。
四、教学资源为了支持教学内容和教学方法的实施,丰富学生的学习体验,我们将准备以下教学资源:1.教材:《AutoCAD 2021基础教程》。
2.参考书:《AutoCAD 2021完全自学手册》。
AutoCAD2014机械设计第1章国家标准《机械制图》的基本规定1、图纸幅面及格式2、标题栏3、比例4、字体5、图线型式及应用6、剖面符号7、尺寸注法本课程重点掌握内容:了解《机械制图》国家标准,代号以及基础的知识第2章AutoCAD 2014入门1、操作界面2、设置绘图环境3、文件管理4、基本输入操作5、图层设置6、绘图辅助工具7、文字样式与表格样式8、快速绘图工具9、绘制A3图纸样板图形本课程重点掌握内容:了解如何设置图形的系统参数、样板图、熟悉建立新的图形文件、打开已有文件的方法等。
为以后面进入系统学习准备必要的前提知识。
第3章二维绘图命令1、直线类2、圆类图形3、平面图形4、点5、多段线6、样条曲线7、图案填充本课程重点掌握内容:主要由一些图形元素组成,如点、直线、圆弧、圆、椭圆、矩形、多边形、多段线、样条曲线等几何元素。
Autocad提供了大量的绘图工具,可以帮助用户完成二维图形的绘制。
第4章二维编辑命令1、选择对象2、删除及恢复类命令3、对象编辑4、复制类命令5、改变位置类命令6、改变几何特性类命令7、面域本课程重点掌握内容:二维图形的编辑操作配合绘图命令的使用可以进一步完成复杂图形对象的绘制工作,并可使用用户合理安排和组织图形、保证绘图准确,减少重复,因此,对编辑命令的熟练掌握和使用有助于提高设计和绘图的效率。
选择对象、复制类命令、改变位置类命令、删除及恢复类命令、改变几何特性命令和对象编辑等。
第5章机械图形二维表达方法1、多视图2、剖视图与剖面图3、轴测图4、其他表达方法本课程重点掌握内容:介绍各种机械图形的二维形体表达方法,帮助掌握各种形体表达方法与技巧,达到灵活应用各种形体表达方法。
第6章机械图形尺寸标注方法1、尺寸样式2、标注尺寸3、引线标注4、形位公差本课程重点掌握内容:尺寸标注是绘图设计过程中相当重要的一个环节。
因为图形的主要作用是表达物体的形状,而物体各部分的真实大小和各部分之间的位置只能通过尺寸标注来表达。
cad机械课程设计一、教学目标本课程的教学目标是使学生掌握AutoCAD机械设计的基本知识和技能,能够熟练运用AutoCAD软件进行简单的机械零件和装配图的绘制。
具体分为以下三个部分:1.知识目标:学生能够理解AutoCAD软件的基本操作界面、功能模块和绘图原理,掌握常用的绘图命令、编辑命令和标注命令,了解机械制图的基本规范和标准。
2.技能目标:学生能够熟练使用AutoCAD软件进行机械零件和装配图的绘制,能够独立完成简单的机械设计项目,提高学生的实际操作能力和解决问题的能力。
3.情感态度价值观目标:通过本课程的学习,使学生对机械设计产生浓厚的兴趣,培养学生的创新意识和团队合作精神,提高学生的专业素养和职业规划能力。
二、教学内容本课程的教学内容主要包括AutoCAD软件的基本操作、机械制图基础知识、机械零件和装配图的绘制方法。
具体安排如下:1.AutoCAD软件的基本操作:包括软件的启动和退出、界面布局和功能模块的认识、基本绘图命令和编辑命令的使用。
2.机械制图基础知识:包括机械制图的标准、图线和比例的运用、标注和文字说明的编写。
3.机械零件和装配图的绘制:包括轴类零件、齿轮类零件、螺纹类零件的绘制,以及简单装配图的绘制和布局。
三、教学方法为了提高学生的学习兴趣和主动性,本课程将采用多种教学方法相结合的方式进行教学。
具体方法如下:1.讲授法:通过讲解AutoCAD软件的基本操作和机械制图基础知识,使学生掌握课程的基本概念和原理。
2.案例分析法:通过分析典型的机械设计案例,使学生了解机械设计的方法和技巧,提高学生的实际操作能力。
3.实验法:安排一定的实验课时,让学生亲自动手操作AutoCAD软件进行机械零件和装配图的绘制,培养学生的实际操作能力和解决问题的能力。
四、教学资源为了支持教学内容和教学方法的实施,丰富学生的学习体验,我们将选择和准备以下教学资源:1.教材:选用国内知名出版社出版的AutoCAD机械设计教材,作为学生学习的主要参考资料。
《机械CADCAM技术》课程设计指导书《机械CAD/CAM技术》课程设计指导书一、该指导书适用专业:机电一体化技术二、课程设计的目的1(本课程设计是学生学习《机械CAD/CAM技术》课程后进行的一个十分重要的实践性环节,是对三维造型软件的再学习及再提升,对于夯实学生的基础,强化实际实践应用非常重要。
2(本课程设计突出学生对所学知识的外化应用,从软件的熟练操作到高级特征的学习及加深,强调软件的实操性,侧重软件应用的社会需求性。
3(本课程设计的重点在于PRO/E软件的零件特征造型和模型装配实现,利用PRO/E软件生成相应的工程图。
4(本课程设计的难点和着力点在于学生三维造型能力的培养,从尺寸拟定到装配成型,体现实用性、工艺性、协调性。
三、设计内容与步骤序号课程设计项目名称学时课程设计内容1、分析总装图纸,了解零件装配关系。
1 图纸分析 6学时2、分析零件图纸,了解尺寸关系及要求。
3、分析零件形状,确定基本特征和造型策略。
2 零件造型 18学时综合运用特征造型技术完成图形的造型。
3 零件装配 12学时根据要求进行零件位置关系的装配4 零件工程图生成 10学时生成主要零件的工程图,并按标准编辑成合格的零件图纸。
5 编写设计说明书 10学时按要求编排课程设计说明书上交说明书6 4学时答辩并答辩合计 2周四、设计方法综述1、每位同学上机独立完成;2、掌握PRO/E软件的应用、Word文档的编排;3、选题原则:课程题目应尽量结合生产实际,依据生活中实物进行虚拟下的建模,这样便于比照,修正模型,同时对学生在模型实用性方面进行内化理解。
选题原则上每5-8个学生一个课题,这样可以培养学生的团队协作精神,突出软件应用的社会性,促进学生之间的交流和互助。
课题的布置做到层次化,既让学生都有能够完成自己的任务,有完成的愉悦感,又有解决难题后的满足感。
五、设计成果规格与要求1、完成零件的三维造型及装配;2、完成典型零件工程图的生成及编辑;3、完成整个设计过程说明书的书写,形成电子档并打印成册。
CAD机械设计毕业论⽂基于Proe的齿轮建模研究1 绪论1.1 计算机辅助设计(CAD)的研究现状及发展趋势1.1.1 CAD技术简介CAD技术是随着电⼦技术和计算机技术的发展⽽逐步发展起来的,它具有⼯程及产品的分析计算、⼏何建模、仿真与试验、绘制图形、⼯程数据库管理和⽣成设计⽂件等功能。
进⼆⼗年来,由于计算机硬件性能的不断提⾼,CAD技术有了⼤规模的发展。
⽬前CAD计算已经应⽤于许多⾏业,如机械、汽车、飞机、船舶、电⼦、轻⼯、建筑、化⼯、纺织及服装等。
CAD技术应⽤于机械类产品设计的⽐例最⼤,机械CAD在整个⼯程CAD中占有⽐较重要的位置。
1.1.2 CAD软件现状、主要分类,及各⾃的主要特⾊CAD是⼯程技术⼈员以计算机为⼯具,对产品和⼯程进⾏设计、绘图、分析和编写技术⽂档等设计活动的总称。
根据模型的不同,CAD系统⼀般可分为⼆维CAD系统和三维CAD系统:⼆维CAD系统⼀般将产品和⼯程设计图纸看成是“点、线、圆、弧、⽂本……”等⼏何元素的集合,所依赖的数学模型是⼏何模型[1]。
⽬前使⽤最多的是Autodesk 公司的AutoCAD软件。
三维CAD系统的核⼼是产品的三维模型,这种三维模型包含了更多的实际结构特征,使⽤户在采⽤三维CAD造型⼯具进⾏产品结构设计时,更能反映时间产品的构造或加⼯制造过程。
⽬前使⽤最多的有PTC公司的Pr o⁄Engineer软件;EDS公司的UGH软件;Solidworks公司的Solidworks软件;UG公司的SolidEdge软件。
根据产品结构,⽣产⽅式和组织管理形式不同,企业对CAD软件的功能⼜有四⽅⾯不同需求:⼀、计算机⼆维绘图功能:“甩掉图板”把科技⼈员从繁琐的⼿⼯绘图中解放出来,其是CAD 应⽤的主要⽬标,也是CAD技术的最主要功能。
⼆、计算机辅助⼯艺设计(CAPP)功能:进⾏⼯艺设计,⼯艺设计任务管理,材料定额管量等功能,实现⼯艺过程标化,保证获得⾼质量的⼯艺规程,提⾼企业⼯艺编制的效率和标准化。
试论CAD技术在机械设计中的应用摘要:随着计算机技术的飞速发展,在进行机械产品设计时越来越多的使用cad(计算机辅助设计)技术。
cad技术在机械设计工作中的应用不仅极大的降低了机械设计人员的工作量、提高工作效率,而且能够极大的降低产品设计的成本,有利于及时的发现设计过程中所存在的问题。
本文就cad技术在机械设计中的应用进行了简单的阐述。
关键词:cad 机械设计应用1. 概述机械设计主要是根据用户的定制要求对机械产品进行结构、形状等设计。
机械设计的主要目标是在满足各种条件约束(材料、加工性能等)的前提下,设计出成本最低、性能最好、可靠性高以及效率高的产品。
机械产品设计的好坏直接关系到产品的质量,能否达到使用要求,以及维护的容易性。
机械产品成本的70%在产品的设计阶段就已经决定。
因此,机械产品的设计工作对于企业在降低技术成本方面是非常重要的。
机械产品设计涉及到结构、运动方式、力(力矩)、材料、润滑等多方面内容,传统的依靠设计者的知识、经验和远见的设计方式已经远远不能满足现代产品的要求。
随着计算机技术的飞速发展,计算技术应用到机械设计中得到了广泛的应用。
利用计算机软件在机械产品的设计阶段进行方案确定、尺寸确定、结构设计等都会极大的方便设计人员。
cad技术在机械设计中的应用极大的降低了设计人员的工作量,提高了设计人员的工作效率,同时降低了企业的设计成本。
2.cad技术2.1 cad技术简介上世纪60年代发展起来的cad(computer aided design)技术主要是利用计算机强大的数值分析计算能力和图形处理能力帮助工程技术人员进行工程和产品设计的技术。
它具有工程和产品的设计、三维建模、仿真、图形绘制等多种功能。
cad技术目前已经被广泛的应用到机械、航天、船舶、轻工等多个领域内。
cad技术是将人与计算机进行结合,将工程人员的设计通过计算机的图形显示以及强大的计算能力实现。
机械设计的整个过程包括分析和综合。
目前主流的机械设计软件都有哪些呢?机械设计常用十种设计软件介绍1、 Autodesk MoldflowAutodesk Moldflow Adviser作为Autodesk数字化样机解决方案的一部分,为客户提供了一个简便易用的工具,使其能够在加工制造前对设计方案进行模拟评估以及优化处理。
减少潜在的设计失误,缩短产品的开发周期,降低开发成本。
2 、AutoCADAutoCAD软件是由美国欧特克有限公司(Autodesk)出品的一款自动计算机辅助设计软件,可以用于绘制,二维制图,和基本三维设计,通过它无需懂得编程,即可自动制图,因此它在全球广泛使用,可以用于土木建筑,装饰装潢,工业制图,工程制图,电子工业,服装加工等多方面领域。
3 、Pro/EngineerPro/Engineer操作软件是美国PTC公司旗下的CAD/CAM/CAE 一体化的三维软件。
Pro/Engineer软件以参数化著称,是参数化技术的最早应用者,在目前的三维造型软件领域中占有着重要地位。
Pro/Engineer作为当今世界机械CAD/CAE/CAM领域的新标准而得到业界的认可和推广,是现今主流的CAD/CAM/CAE软件之一,特别是在国内产品设计领域占据重要位置。
4 、SolidWorksSolidWorks是基于Windows系统下的原创的三维设计软件。
其易用和友好的界面,能够在整个产品设计的工作中,SolidWorks完全自动捕捉设计意图和引导设计修改。
在SolidWorks的装配设计中可以直接参照已有的零件生成新的零件。
不论设计用“自顶而下”方法还是“自底而上”的方法进行装配设计,SolidWorks都将以其易用的操作大幅度地提高设计的效率。
5 、Unigraphics NXUG(UnigraphicsNX)是Siemens PLMSoftware公司出品的一个产品工程解决方案,它为用户的产品设计及加工过程提供了数字化造型和验证手段。
第六届全国信息技术应用水平大赛比赛说明
(考试科目:二维CAD机械设计)
一、软件要求与硬件要求
●软件要求
AutoCAD 2008简体中文版
CAXA 2007
●硬件要求
1)硬件配置
♦处理器:Intel® Pentium® 4 或更高版本处理器。
♦浏览器:Microsoft Internet Explorer 6.0 SP 1或更高版本。
♦RAM:2MB内存。
♦硬盘:20G磁盘空间(仅限于安装)。
♦显示器:1024x768 VGA ,真彩色,需要支持 Windows 的显示适配器。
2)运行环境
推荐Windows XP系统。
安装AutoCAD 2008简体中文版或CAXA2007软件。
二、题型、题量、考试方式与时间
●预赛题
1)题型为选择题,考生需要选择采用AutoCAD考试或CAXA考试。
2)题量是80道,其中单选题60道,每题1分;多选题20道,每题2分,合计100分。
3)考试方式采用网络在线考试,系统自动阅卷。
4)考试时间为100分钟。
●复赛题
1)题型为主观操作题。
2)题量为两道操作题+附加题。
试卷满分为150分,其中附加题为50分。
3)考试方式为上机操作。
4)考试时间为3小时。
●决赛题
1)题型为较复杂和创造性比较高的操作题。
2)题量为两道操作题,其中一道考察解决复杂问题的能力,另一道考察创造性发挥能力。
试
卷满分为120分。
3)考试方式为上机操作。
4)考试时间为5小时。
三、比赛大纲
●基本要求
1)具备一定的计算机基础知识。
2)具备零件图的识读、分析、绘制和修改能力。
3)了解和熟练掌握AutoCAD/CAXA的基本概念、基本操作技能和高效制图功能。
4)具备二维绘图技能、三维建模技能、辅助绘图技能及输出技能。
●预赛题
预赛主要考察参赛者对AutoCAD/CAXA基础知识点的全面了解程度,具体考察内容如下:
一、AutoCAD版
(一) AutoCAD 基础知识
1)工作空间与绘图空间
2)启动与退出、界面及界面元素的设置应用等
3)文件格式及文件的设置管理等
4)对象选择及常用键盘操作键
5)绘图单位、精度、绘图区域、角度方向等绘图环境的设置等
(二) AutoCAD二维制图功能
1)画线(直线、多线、多段线、射线、构造线等)
2)画曲线(圆、圆弧、椭圆、椭圆弧、样条曲线等)
3)画折线(正多边形、矩形、边界等)
4)图案填充、面域与布尔运算等
(三) AutoCAD辅助绘图功能
1)点的坐标输入技能(坐标系、坐标输入、动态输入)
2)点的精确捕捉技能(自动捕捉、临时捕捉、栅格与捕捉等)
3)点的精确追踪技能(正交、极轴、对象追踪、捕捉自、临时追踪点等)
4)视图的实时调控技能(视图平移、视图缩放、视图恢复等)
(四) AutoCAD常用修改编辑功能
1)复合图形的快速创建技能(复制、阵列、镜像和偏移等)
2)图形的边角细化技能(倒角、圆角、修剪、延伸、打断、合并等)
3)图形的常规编辑技能(移动、旋转、缩放、拉伸、拉长、分解等)
4)图形的夹点编辑技能(夹点概念、设置及应用等)
(五) AutoCAD高效制图功能
1)块与属性(创建块、写块、插入块、编辑块、定义属性、编辑属性等)
2)图层及特性(设置层、设置层特性、层的状态控制及层的常用工具等)
3)设计中心(设计中心的资源查看、资源组织与资源共享功能等)
4)工具选项板(工具选项板的定义与使用等)
5)图形特性(特性的查看、编辑、匹配、快捷特性及特性工具栏等)
(六) 机械零件图的标注功能
1)文字的标注功能(文字样式、单行文字、多行文字、编辑文字等)
2)尺寸的标注功能(直线型尺寸、曲线型尺寸、复合型尺寸、引线尺寸等)
3)尺寸的设置及协调功能(尺寸样式的设置、尺寸编辑、编辑尺寸文字、标注打断及更
新等)
4)符号标注(尺寸公差、形位公差、粗糙度、基面代号、剖切号及一些特殊符号)
(七)AutoCAD标注与打印
1)打印空间(模型空间、布局空间)
2)打印设备(绘图仪管理器与打印样式管理器等)
3)打印页面(图纸尺寸、图框配置、出图比例及位置的调整等)
4)图形打印与打印预览
(八)机械制图基础知识
1)机械工程图样(组成、原理、图线、尺寸)
2)正投影与三视图
3)零件剖视技术要求(组成、粗糙度、常用符号与代号)
4)零件图的视图表达(组合体、基本视图、辅助视图、断面图等)
5)标准件与常用件
6)零件图的简化画法
二、CAXA版
(一)CAXA基础知识
1)常用界面元素使用方法
2)点的输入、命令执行、选择对象、动态输入等基本操作
3)文件操作
4)视图控制
(二)图形绘制
1)直线、圆、圆弧、中心线、等距线等绘制
2)剖面线、多段线和填充绘制
3)样条、椭圆、正多边形、公式曲线、波浪线绘制
4) 局部放大图、孔/轴绘制
5) 图片插入和管理
6) 块的建立、插入、编辑和消隐
(三)图形编辑
1) 基本编辑操作,如复制、粘贴、删除
2) OLE对象操作
3) 实体编辑操作,如平移、拷贝、裁剪、过渡、旋转、镜像、阵列、打断、拉伸等
4) 夹点编辑操作
5) 属性编辑操作,属性面板、属性工具栏、特性匹配等
(四)图库
1)提取图符
2)定义图符和驱动图符
3)图库管理和转换
(五)标注
1)尺寸类标注,包括线性尺寸、角度尺寸、锥度和斜度尺寸、大圆弧尺寸、半尺寸以及尺寸公差
2)坐标类标注,包括原点标注、快速标注、自由标注、孔位标注等
3)文字类标注,包括文字、引出说明、技术要求等
4)工程类标注,包括基准代号、尺寸公差、表面结构(粗糙度)、焊接符号、剖切符号、倒角、中心孔等
5)各种标注的样式设置和管理
6)各种标注的编辑
7)尺寸驱动的使用
(六)图纸幅面
1)图幅设置,包括图纸尺寸、图纸比例、图纸方向等
2)图层、线型、颜色、点样式设置
3)样式管理
4)图框、标题栏、参数栏等对象的定义、插入、存储、填写和编辑
5)零件序号操作,包括生成、交换、插入,以及序号样式设置等
6)明细表的填写、插入、折行,样式设置,以及数据输出和读入操作(七)打印
1)单张图纸的打印操作,包括设置打印机、纸张、图纸方向、线型和线宽、按颜色打印、拼图操作等
2)打印工具的打印操作,包括打界面交互、单张打印、排版打印、批量打印等
3)打印工具的配置
(八)机械制图基础知识
1)机械工程图样(组成、原理、图线、尺寸)
2)正投影与三视图、基本体以及组合体
3)零件的技术要求(组成、表面结构(粗糙度)、常用符号与代号)
4)零件图的视图表达(基本视图、辅助视图、断面图、特殊画法和简化画法等)
5)标准件与常用件
6)零件图的尺寸
●复赛题
复赛除要求参赛者能够熟练掌握预赛所考察的知识点外,主要考察参赛者运用AutoCAD/CAXA 软件进行上机操作和综合运用知识的能力,具体考察内容如下:
(一)绘制零件视图的能力
1)绘制标准件与常用件;
2)绘制典型零件图;
3)绘制零件的剖视图、断面图与其他视图等。
(二)工程标注能力
1)尺寸标注及编辑;
2)表面结构、尺寸公差与几何公差;
3)文字输入与编辑;
4)特殊符号的标注等。
●决赛题
决赛在全面考察常用制图功能掌握的基础上,重点考察参赛者对AutoCAD/CAXA软件高级制图功能的理解和综合运用能力,考察学生解决复杂问题的分析能力和创意发挥能力。
(一)由草图示意图到零件平面视图(主要考察学生的分析能力、创意性发挥能力)
(二)由零件平面视图到零件立体视图(主要考察学生的分析能力、动手操作能力)
四、附注
1、参赛者在比赛准备期间,可以参考“全国计算机辅助技术认证”项目“二维CAD工程师”专业的考试大纲。
2、参考教材:
(1)《计算机绘图(机械图样)——AutoCAD2008》,张启光主编,高等教育出版社2010年6月版。
(2)《计算机绘图》,廖希亮、张敏主编,清华大学出版社2011年3月版。
(3)《CAXA培训教程》,尚凤武主编,清华大学出版社2010年5月版。