循环水工艺流程简图
- 格式:pdf
- 大小:2.38 MB
- 文档页数:1
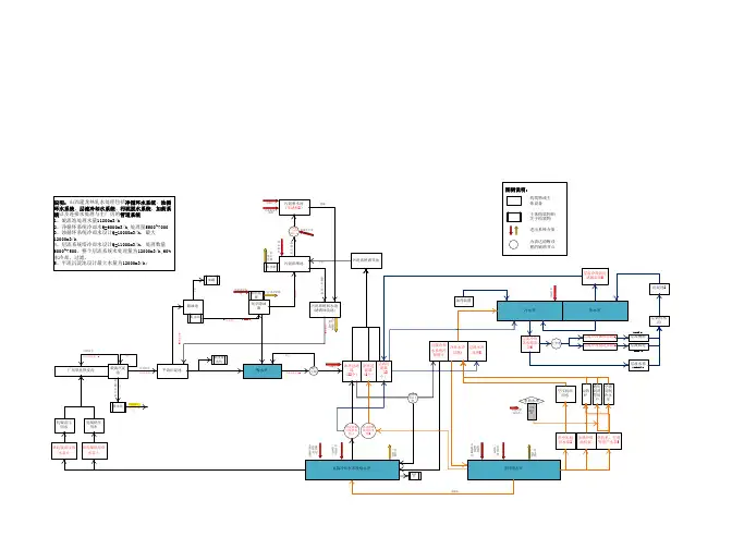
游泳池循环水处理系统的工艺流程游泳池循环水处理系统的匸艺流程:自来水做为补给水进入平衡水箱,在平衡水箱中加药剂去除水中的藻类、菌 类,出水经毛发过滤器循环水泵。
游泳池水通过池底最低点主排水器,进入自身带有毛发聚集器的循环水泵,III 水泵打入除砂器。
在此之前,由加药装置将絮凝药剂投加到水泵的吸水口,使之通 过水泵叶轮搅拌与水混合均匀,利于过滤处理效果。
待水经过过滤器、板式换热器 后,向管路中投加消毒剂,直接向泳池进行布水。
其流程图如下:游泳池打瞧砂甜 换器」 平衡 水箱・ * 自来7K二氧化氯、臭氧等。
毛发辻 环水隸注:表中根据不同类型游泳池的循环流量是计算确定所成套设备。
(如扬程大于32 X,可按实际需要另行选泵);2、水泵选择已考虑反冲洗强度8-10升/秒平方米,反洗时可短时间停止过滤,不需另设反冲洗泵(表内没有考虑用泵,由设计定);3、I为公共游泳池;II为比赛池;III为跳水池;游泳池水处理系统一、引言随着人们生活水平的不断提高,游泳池作为一种水上娱乐健身设施,越来越多地走进人们的日常生3活。
标准游泳池的容积约为2250m,若泳池水不能循环使用,将造成巨大浪费。
泳池水的循环使用是污水资源化的一种体现,是缓解用水紧缺的有效途径。
因为泳池水直接关系到人体的健康和安全。
所以,泳池水质卫生越来越受到人们的重视。
二、游泳池的水质标准世界各国对游泳池的水质都有明确的要求,并制订了相关的卫生标准。
在我国,游泳池水质应符合国家技术监督局和卫生部联合颁布的《游泳场所卫生标准》(GB9667-96)中关于人工游泳池水质卫生标准的规定,详见表1。
表1人工游泳池水质卫生标准序号项目标准1池水温度?22,262 PH值6. 5, 8.5 3浑浊度/度?54 尿素/mg,/L ?3. 55余氧/mg /L游离性0. 4, 0. 6 6细菌总数/(个/L) ?10007大肠杆菌/(个/L) ?188耗氧量/mg ?69有毒物质达到地面水水质标准三、游泳池的循环水量游泳池的循环水量按下式计算;Q = aV/T式中,Q——池水的循环流量a——管道和过滤设备水容积附加系数,一般为1.1, 1.2,取1.1 V:游泳池的水容积,T:游泳池水的循环周期,按表规定选取。
游泳池循环水处置系统的工艺流程:之阿布丰王创作时间:二O二一年七月二十九日自来水做为补给水进入平衡水箱,在平衡水箱中加药剂去除水中的藻类、菌类,出水经毛发过滤器循环水泵.游泳池水通过池底最低点主排水器,进入自身带有毛发聚集器的循环水泵,由水泵打入除砂器.在此之前,由加药装置将絮凝药剂投加到水泵的吸水口,使之通过水泵叶轮搅拌与水混合均匀,利于过滤处置效果.待水经过过滤器、板式换热器后,向管路中投加消毒剂,直接向泳池进行布水.其流程图如下:游泳池的水消毒药剂主要有液氯、次氯酸钠、漂白粉、二氧化氯、臭氧等.注:表中根据分歧类型游泳池的循环流量是计算确定所成套设备.(如扬程年夜于32米,可按实际需要另行选泵);2、水泵选择已考虑反冲刷强度8-10升/秒平方米,反洗时可短时间停止过滤,不需另设反冲刷泵(表内没有考虑用泵,由设计定);3、I为公共游泳池;II为角逐池; III为跳水池;游泳池水处置系统一、引言随着人们生活水平的不竭提高,游泳池作为一种水上娱乐健身设施,越来越多地走进人们的日常生活.标准游泳池的容积约为2250m3,若泳池水不能循环使用,将造成巨年夜浪费.泳池水的循环使用是污水资源化的一种体现, 是缓解用水紧缺的有效途径.因为泳池水直接关系到人体的健康和平安.所以,泳池水质卫生越来越受到人们的重视.二、游泳池的水质标准世界各国对游泳池的水质都有明确的要求,并制订了相关的卫生标准.在我国,游泳池水质应符合国家技术监督局和卫生部联合公布的《游泳场所卫生标准》(GB9667-96)中关于人工游泳池水质卫生标准的规定,详见表1.表1 人工游泳池水质卫生标准三、游泳池的循环水量游泳池的循环水量按下式计算;式中,Q——池水的循环流量V:游泳池的水容积,T:游泳池水的循环周期,按表规定选取.表2 游泳池水循环周期四、游泳池循环水处置工艺流程五、游泳池循环水处置系统主要设备Ø毛发聚集器:收集游泳池水中的毛发,装于循环水泵前端Ø循环水泵Ø回水箱Ø高速过滤器:水质净化,通常采纳接触凝聚和深层过滤,出水浊度可≤1NTU.Ø絮凝加药装置:添加絮凝剂Ø换热器:用于池水的加热Ø二氧化氯发生器:池水消毒六、游泳池水温和热损失的计算5. 游泳池水温:室外游泳池≥22℃表3 室内游泳池水温表4 游泳池每m3水概况的平均热损失的估算值七、工程实例本工程位于一公共娱乐休闲场所的三楼室内,从功能上分为浅水游泳池和推拿池两个部份.浅水游泳池有效面积为130m2,平均水深1.2m,池水容积156m3.推拿池为一矩形池,有效面积为13m2,平均水深0.9m ,池水容积12m3.1、浅水游泳池循环水处置系统:每日弥补水量为池水容积的10% ,即16m3.设计采纳池循环周期为4h,水容积附加系数1.15,计算得循环水量为44.85m3/h.浅水泳池水帘循环系统;于水帘回水槽内设4个水帘回水口,回水汇总后至水帘储水箱,储水箱尺寸1000 ×1000 ×1500mm ,材质为玻璃钢,出水经水帘循环水泵加压后输至3个池底推拿喷嘴向泳池内射水,喷嘴气管与喷嘴供水管平行排列,水帘循环水泵采纳自灌式吸水,扬程10m、流量45m3/h .2、推拿池循环水处置系统3设计采纳池循环周期为1h,水容积附加系数1.15,计算得循环水量为14m3/h .表5 泳池循环水处置系统主要设备表表6 推拿池循环水处置系统主要设备3、推拿池推拿系统:于池底设4 个回水口,回水汇总后经推拿池推拿水泵加压后输至18 个推拿喷嘴向推拿池内射水,喷嘴气管与喷嘴供水管平行排列.推拿池推拿水泵采纳自灌式吸水,扬程10m,流量26m3/h.18 个推拿喷嘴6个安插在低位以推拿腿部,另12个以每2个为一组,共6组安插在中高位以推拿腰背部.作者:水立方环保来源:水立方环保日期:2014-3-1915:34:02 人气:182年夜大都游泳馆经营者或者即将建造泳池水处置场所经营者对泳池水处置工艺流程不是很了解,水立方环保设备有限公司根据多年的水处置经验,总结为以下几点:泳池水处置工艺流程图:第一步伐:泳池水处置(经过过程物化方法往除水中一些物质的过程)系统事理及工艺流程水处置(经过过程物化方法往除水中一些物质的过程)系统事理:拍浮池水质处置系统服从静态平衡任务事理,在轮回处置过程中到达水质的完全污染.拍浮池水经上溢流水道聚集后聚集到平衡水池,会同弥补水一路进进轮回水管线,在轮回水泵(把原念头的机械能酿成水能量从而到达抽送水的机械)(吸进和排出流体的机械)驱动下流经毛发聚集器并滤除毛发和较年夜年夜尺寸的颗粒杂物;而落伍进絮凝(使液体中悬浮微粒集聚变年夜年夜或组成絮团,从而加速粒子聚沉,到达固-液分另外过程)剂主动添加系统.第二步伐:该系统控制慎密计量泵(吸进和排出流体的机械)(也称定量泵(吸进和排出流体的机械)或比例泵(吸进和排出流体的机械))准确地向轮回水管道中比例添加絮凝(使液体中悬浮微粒集聚变年夜年夜或组成絮团,从而加速粒子聚沉,到达固-液分另外过程)剂硫酸铝溶液(10%Al2(SO4)3),促使轮回水中的胶质状态的渺小物质凝聚成颗粒较年夜年夜的絮状物,再进进石英砂过滤器(保送介。
游泳池循环水处理系统的工艺流程:自来水做为补给水进入平衡水箱,在平衡水箱中加药剂去除水中的藻类、菌类,出水经毛发过滤器循环水泵。
游泳池水通过池底最低点主排水器,进入自身带有毛发聚集器的循环水泵,由水泵打入除砂器。
在此之前,由加药装置将絮凝药剂投加到水泵的吸水口,使之通过水泵叶轮搅拌与水混合均匀,利于过滤处理效果。
待水经过过滤器、板式换热器后,向管路中投加消毒剂,直接向泳池进行布水。
其流程图如下:游泳池的水消毒药剂主要有液氯、次氯酸钠、漂白粉、二氧化氯、臭氧等。
注:表中根据不同类型游泳池的循环流量是计算确定所成套设备。
(如扬程大于32米,可按实际需要另行选泵);2、水泵选择已考虑反冲洗强度8-10升/秒平方米,反洗时可短时间停止过滤,不需另设反冲洗泵(表内没有考虑用泵,由设计定);3、I为公共游泳池;II为比赛池; III为跳水池;游泳池水处理系统一、引言随着人们生活水平的不断提高,游泳池作为一种水上娱乐健身设施,越来越多地走进人们的日常生活。
标准游泳池的容积约为2250m3,若泳池水不能循环使用,将造成巨大浪费。
泳池水的循环使用是污水资源化的一种体现,是缓解用水紧缺的有效途径。
因为泳池水直接关系到人体的健康和安全。
所以,泳池水质卫生越来越受到人们的重视。
二、游泳池的水质标准世界各国对游泳池的水质都有明确的要求,并制订了相关的卫生标准。
在我国,游泳池水质应符合国家技术监督局和卫生部联合颁布的《游泳场所卫生标准》(GB9667-96)中关于人工游泳池水质卫生标准的规定,详见表1。
表1 人工游泳池水质卫生标准序号项目标准1 池水温度℃22~262 PH值 6.5~8.53 浑浊度/度≤54 尿素/mg/L ≤3.55 余氧/mg /L 游离性0.4~0.66 细菌总数/(个/L)≤10007 大肠杆菌/(个/L)≤188 耗氧量/mg ≤69 有毒物质达到地面水水质标准三、游泳池的循环水量游泳池的循环水量按下式计算;式中,Q——池水的循环流量a——管道和过滤设备水容积附加系数,一般为1.1~1.2,取1.1V:游泳池的水容积,T:游泳池水的循环周期,按表规定选取。