供暖系统流程图
- 格式:ppt
- 大小:202.50 KB
- 文档页数:2
给水排水及采暖工程流程图2.5 给水排水及采暖工程流程图2.5.1室内给水系统安装流程图1.给水管道及配件安装施工工艺流程图给水管道及配件安装施工工艺流程图2.室内消火栓系统安装施工工艺流程3.给水设备安装施工工艺流程图(1)动设备安装工艺流程图(2)静设备安装工艺流程图2.5.2室内排水系统安装施工工艺流程图1.排水管道及配件安装施工工艺流程图2.雨水管道及配件安装施工工艺流程图2.5.3室内热水供应系统安装施工工艺流程图管道及配件安装施工工艺流程图2.5.4卫生器具安装施工工艺流程图1.卫生器具安装施工工艺流程图2.卫生器具给水配件安装施工工艺流程图3.卫生器具排水管道安装施工工艺流程图2.5.5室内采暖系统安装施工工艺流程图1.管道及配件安装施工工艺流程图2.辅助设备及散热器安装施工工艺流程图3.金属辐射板安装施工工艺流程图4.低温热水地板辐射采暖系统安装施工工艺流程图5.系统水压试验及调试施工工艺流程图2.5.6室外给水管线安装施工工艺流程图1.给水管道安装施工工艺流程图2.消防水泵接合器及室外消火栓安装施工工艺流程图3.管沟及井室施工工艺流程图2.5.7室外排水管网安装施工工艺流程1.排水管道安装施工工艺流程图2.排水管沟及井池施工工艺流程图2.5.8室外供热管网安装施工工艺流程图1.管道及配件安装施工工艺流程图2.系统水压试验及调试施工工艺流程图2.5.9建筑中水系统及游泳池水系统安装施工工艺流程图1.建筑中水系统管道及辅助设备安装施工工艺流程图建筑中水系统管道及辅助设备安装施工工艺流程图2.游泳池水系统安装施工工艺流程图游泳池水系统安装施工工艺流程图2.5.10供热锅炉及辅助设备安装施工工艺流程图1.锅炉安装施工工艺流程图锅炉安装施工工艺流程图2.辅助设备及管道安装施工工艺流程图(1)动设备安装工艺流程施工工艺流程图(2)静设备安装工艺流程施工工艺流程图3.安全附件安装施工工艺流程图4.烘炉、煮炉和试运行施工工艺流程图。
2.5给水排水及采暖工程流程图2.5.1室内给水系统安装流程图1.给水管道及配件安装施工工艺流程图给水管道及配件安装施工工艺流程图2.室内消火栓系统安装施工工艺流程3.给水设备安装施工工艺流程图(1)动设备安装工艺流程图施工准备If假蓄运输及开箱检验If1基础验收复核、放线H放置.垫镁H吊装就位H⅛正找平H地脚螺II栓灌浆H设备找寻一I联轴器对中If1二次灌浆、抹同一I清洗、拆检、组装H设备试验H电气仪袤接号丽T 设备配管H电动机空载试军H联轴机组空负荷试车H负荷试车H竣工验收(2)静设备安装工艺流程图施工准备一设备运输及开箱检验一基础验收复核一吊装就位找正找平一地脚螺栓灌浆设备找平、二次灌浆、抹面一配管配线一试验调整一吹扫清洗、试验〜联动试车f竣工验收2.5.2室内排水系统安装施工工艺流程图1 .排水管道及配件安装施工工艺流程图施工准备H⅞适丽T干管安装H立管安装卜血球试验H支管安装H灌水试验卜所2 .雨水管道及配件安装施工工艺流程图I施工准备H⅞适丽T雨水干管妾获H雨水立管网T雨水支管安装H灌水试验I2.5.3室内热水供应系统安装施工工艺流程图管道及配件安装施工工艺流程图2.5.4卫生器具安装施工工艺流程图1 .卫生器具安装施工工艺流程图安装准备If叵器具及配件检验H卫生器具安衰H卫生器具及配件预装H卫生器具稳装If叵获I具与墙面、地面缝隙的处理卜胸'水、通水试验I2 .卫生器具给水配件安装施工工艺流程图安装准备If监永配件检验|一跖永配件安装H满水、通水试验3 .卫生器具排水管道安装施工工艺流程图安装准备If麻配件检验h∣⅞永配件安装H满水、通水试验2.5.5室内采暖系统安装施工工艺流程图1 .管道及配件安装施工工艺流程图I安装准备I-丽加工HK架安装H干管安装卜国蔽襄Ii皮管妾圜T附属装置安装I一丽一丽一丽一丽T调试验收I-%系统内积水2 .辅助设备及散热器安装施工工艺流程图I编制组片统计表H散热器组对H外拉条预制、安弱T散热器单组水压试验卜做热器安装H散热器闱I风门安装Ii皮管妾粥T系统试国一丽I3 .金属辐射板安装施工工艺流程图I安装准备∏7⅞丽丽If底前水压试验I一研薮粥f丽运国一I支管安栗「丽一丽f4.低温热水地板辐射采暖系统安装施工工艺流程图版ZH检验、丽5.系统水压试验及调试施工工艺流程图连接管路卜检至采暖系统If丽H系统冲洗IfI系统通热调试2.5.6室外给水管线安装施工工艺流程图1 .给水管道安装施工工艺流程图检验管材、阀件IT处理管口、阀件、填料卜够下料机具卜倚造、阀件定位If宿一丽一厢If阀门等配件安装H管道试压卜懵道冲洗与消毒H管道防腐H管道保温I2 .消防水泵接合器及室外消火栓安装施工工艺流程图I检查消栓和水源接网一座天阚T安装消火栓新标T处理管道穿过井壁间隙H系统水压试验I3 .管沟及井室施工工艺流程图管道线路测量、两T降水、排永IT沟槽开挖H管道基础施工H井室砌筑卜丽工I2.5.7室外排水管网安装施工工艺流程1 .排水管道安装施工工艺流程图I下管前准备工作HWH⅞石(管道接口、管道与检查井连接5~卜|灌水试验和通水试验2 .排水管沟及井池施工工艺流程图管道线路测量、运应H降水、排永If网槽开挖H管道基础施工H井室砌筑If画耐2. 5.8室外供热管网安装施工工艺流程图1.管道及配件安装施工工艺流程图2.系统水压试验及调试施工工艺流程图水压试验If丽管网冲洗H热力网灌充、通城H各用户供暖介质引入和系统调试2.5.9建筑中水系统及游泳池水系统安装施工工艺流程图.建筑中水系统管道及辅助设备安装施工工艺流程图 建筑中水系统管道及辅助设备安装施工工艺流程图 2.游泳池水系统安装施工工艺流程图 填堵孔洞 设备安装 给水管道安装 加药管道安装排水管道安装 设备试验或运行安装准备游泳池水系统安装施工工艺流程图1 .5.10供热锅炉及辅助设备安装施工工艺流程图1锅炉安装施工工艺流程图锅炉安装施工工艺流程图2 .辅助设备及管道安装施工工艺流程图(1)动设备安装工艺流程施工工艺流程图施工准备一设备运输及开箱检验一基础验收复核、放线一垫铁安装一吊装就位一找正找平一地脚螺栓灌浆一设备找平一联轴器对中一二次灌浆抹面一清洗拆检组装一设备配管~电气仪表接线调试一电动机空载试车一试运行T竣壬跖5(2)静设备安装工艺流程施工工艺流程图施工准备一设备运输及开箱检验一基础验收复核一吊装就位一找正找平一地脚螺栓灌浆一二次灌浆、抹面一配管配线一试验调整一吹扫清洗、试验一联动试车一竣工验收3 .安全附件安装施工工艺流程图施工准备卜幅附件调校If既附件安装If骸附件调试卜崎反4 .烘炉、煮炉和试运行施工工艺流程图I烘炉前准备工作了丽f钢一I锅炉试运行和气密性试验及安全而比国T总体验收I。
给水排水及采暖工程流程图1室内给水系统安装流程图1.给水管道及配件安装施工工艺流程图给水管道及配件安装施工工艺流程图2.室内消火栓系统安装施工工艺流程3.给水设备安装施工工艺流程图 (1)动设备安装工艺流程图(2)静设备安装工艺流程图2室内排水系统安装施工工艺流程图1.排水管道及配件安装施工工艺流程图2.雨水管道及配件安装施工工艺流程图3室内热水供应系统安装施工工艺流程图管道及配件安装施工工艺流程图4卫生器具安装施工工艺流程图1.卫生器具安装施工工艺流程图2.卫生器具给水配件安装施工工艺流程图3.卫生器具排水管道安装施工工艺流程图5室内采暖系统安装施工工艺流程图1.管道及配件安装施工工艺流程图2.辅助设备及散热器安装施工工艺流程图3.金属辐射板安装施工工艺流程图4.低温热水地板辐射采暖系统安装施工工艺流程图5.系统水压试验及调试施工工艺流程图6室外给水管线安装施工工艺流程图1.给水管道安装施工工艺流程图2.消防水泵接合器及室外消火栓安装施工工艺流程图3.管沟及井室施工工艺流程图7室外排水管网安装施工工艺流程1.排水管道安装施工工艺流程图2.排水管沟及井池施工工艺流程图8室外供热管网安装施工工艺流程图1.管道及配件安装施工工艺流程图2.系统水压试验及调试施工工艺流程图9建筑中水系统及游泳池水系统安装施工工艺流程图1.建筑中水系统管道及辅助设备安装施工工艺流程图建筑中水系统管道及辅助设备安装施工工艺流程图2.游泳池水系统安装施工工艺流程图游泳池水系统安装施工工艺流程图10供热锅炉及辅助设备安装施工工艺流程图1.锅炉安装施工工艺流程图锅炉安装施工工艺流程图2.辅助设备及管道安装施工工艺流程图(1)动设备安装工艺流程施工工艺流程图(2)静设备安装工艺流程施工工艺流程图3.安全附件安装施工工艺流程图4.烘炉、煮炉和试运行施工工艺流程图。
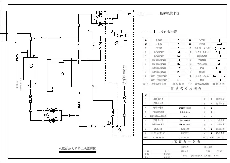
采暖系统图画法通过利康和崂山体育馆两个工程的锻炼,自我感觉在采暖系统上已经有了初步的认识,和独立完成系统图的能力。
一、画系统图首先你的平面图是正确的平面图(图1)中图1平面图管径、管线遮挡、编号等都正确的情况下,可以用天正软件自动生成系统图。
然后为了出图清晰,可以将45度倾斜的管线间距拉大,一般为200(图2)即可。
图2 系统图二、有了骨架,剩下的就是往管线上搭东西。
首先是暖气片。
暖气片的朝向根据平面图中一一对应来画即可。
注意上供上回(图3、图4)和下供下回(图5、图6)等不同供回水方式中管线连接散热器的不同画法。
图3上供上回平面图图4 上供上回系统图图5下供下回平面图图6下供下回系统图画完暖气片的位置,不要忘记标注暖气片数(图7、图8)。
图7暖气片数平面图画法图8系统图中暖气片数画法三、其次就是管径的标注(图9、图10)。
图9-1平面图中管径标注图10-1系统图中管径标注图9-2平面图中管径标注图10-2系统图中管径标注图9-3平面图中管径标注图10-3系统图中管径标注图9-4平面图中管径标注图10-4系统图中管径标注四、接下来就是坡度的标注,水汽同向i=0.003,水汽逆向i=0.005,可是在图中并不需要标出具体的数字。
只需标出所坡的方向就够了。
平面图中和系统图中的画法也是不一样的(图11、图12)。
图11平面图中坡度画法图12系统图中坡度画法尽量是45度倾斜并且箭头在同一条45度直线上。
五、自动排气阀有了坡度自然要有排气阀,需要有引出标注标明排气阀的型号。
在平面图中不好看出自动排气阀的作用,但在系统图中一目了然,可以直观看出系统的最高点。
另外,如果出现如图15的情况,立管底部需要加泄水丝堵。
画法如下图所示。
图13平面图中排气阀画法图14系统图中排气阀画法图15系统图中坡度特殊情况六、固定支架一般打在靠梁或柱的地方。
穿防火墙处必须要打固定支架。
图16平面图中固定支架打法图17系统图中固定支架打法七、系统中各立管的编号采用大写英文字母ABCD编号即可。