MQ烟雾传感器设计资料原理图使用手册
- 格式:doc
- 大小:2.13 MB
- 文档页数:12
mq2烟雾传感器技术手册烟雾传感器是一种常用的气体传感器,它能够检测空气中的烟雾浓度并输出相应的电信号。
MQ2烟雾传感器是一种常见的烟雾传感器之一,它具有高灵敏度、快速响应的特点,在各种应用中得到广泛的应用。
1. MQ2烟雾传感器的基本原理MQ2烟雾传感器是一种半导体传感器,它的灵敏度基于氧化物半导体材料对目标气体的吸附性能。
通常,MQ2烟雾传感器由感知元件、电路板和连接引脚组成。
感知元件是由氧化物半导体材料制成的烟雾敏感元件,当空气中的烟雾浓度超过一定阈值时,烟雾颗粒会与感知元件表面的氧化物发生化学反应,导致电阻的变化。
电路板则负责接收感知元件的电信号,并将其转化为数字信号输出。
2. MQ2烟雾传感器的特点和优势MQ2烟雾传感器具有以下特点和优势:1) 高灵敏度:MQ2传感器对烟雾浓度的变化非常敏感,能够快速响应不同浓度的烟雾。
2) 宽工作范围:MQ2传感器可以检测多种气体,包括烟雾、甲烷、液化气等,具有较广的应用范围。
3) 高稳定性:MQ2传感器采用优质的氧化物材料,具有较高的稳定性和可靠性。
4) 易于使用:MQ2传感器的接线简单,使用方便,能够与各种控制器或单片机系统配合使用。
3. MQ2烟雾传感器的应用领域由于MQ2烟雾传感器具有高灵敏度和广泛的气体检测范围,它在多个领域得到了应用。
1) 家庭安防:MQ2传感器可以用于家庭烟雾报警装置,及时检测到室内烟雾浓度超标并发出报警信号,以提醒用户采取相应的措施。
2) 工业安全:在工业环境中,MQ2传感器可以用于检测燃气泄漏,及时发出警报,保障工作人员的安全。
3) 空气质量监测:MQ2传感器可以用于室内和室外空气质量监测,检测有害气体的浓度,提供及时的空气质量数据。
4) 智能家居:MQ2传感器可以与智能家居系统相结合,通过检测烟雾浓度实现自动开启、关闭空气净化器等功能,提升生活品质。
4. MQ2烟雾传感器的使用注意事项在使用MQ2烟雾传感器时,需要注意以下事项:1) 防止传感器受潮:MQ2传感器对湿度敏感,应放置在干燥的环境中,避免与水接触。
mq2传感器手册
MQ-2烟雾传感器技术手册:
一、工作原理
MQ-2烟雾传感器采用半导体敏感元件,当烟雾分子进入传感器并与表面上的敏感材料相接触时,敏感材料的电阻值将发生变化。
这一变化随后被转换为电信号,从而能够检测和测量烟雾浓度。
二、特性
1. 高灵敏度:MQ-2传感器对烟雾非常敏感,能够快速地检测到烟雾的存在。
2. 长寿命:由于其稳定的材料和构造,MQ-2传感器具有较长的使用寿命。
3. 防腐蚀:传感器表面涂有防腐蚀材料,能够在各种环境中稳定工作。
4. 易安装:MQ-2传感器体积小巧,易于安装和配置。
三、应用领域
MQ-2烟雾传感器广泛应用于家庭、工业和商业场所的火灾预防系统。
它可以检测到火灾初期的烟雾,并向报警系统发送信号,从而及时触发火灾报警。
此外,它还可以用于需要检测空气质量或污染物的地方。
四、使用方法
1. 安装:请根据产品手册中的说明正确安装传感器,确保其位于需要检测的区域附近,且通风良好。
2. 测试:在安装完成后,应测试传感器以确保其正常工作。
可以通过向传感器吹气或使用烟雾发生器来测试其响应。
3. 维护:定期清洁传感器表面,以保持其良好的工作状态。
避免使用强烈的清洁剂或溶剂,以免损坏传感器表面。
4. 更换:当传感器寿命结束或出现故障时,应更换传感器。
请根据产品手册中的说明进行更换操作。
以上是MQ-2烟雾传感器技术手册的主要内容。
在使用过程中如有任何问题,请参考产品手册或联系制造商获得支持。
MQ-2使⽤说明电压:5V输出TTL信号LED指⽰。
双信号输出,模拟量TTL电平输出.TTL输出有效信号为低电平.模拟量输出0~5V电压,浓度越⾼电压越⾼。
输出TTL的灵敏度可通过电位器调节。
3接线简介电⼦元件全福家最后酒精传感器的焊接完成~!5测试使⽤前需要进⾏5分钟左右的预热~~~溶度越⾼,输出模拟量的电压也越⾼!!烟雾的检测输出TTL灵敏度可通过电位器调节~6.原理图7.元件表元件表-配件表R1-R3 1KR4 22KR5 47KD1 1N5819LED1 LEDQ1 8050(2TY)C1 0.1U(104)C2 100UFVR1 10K(103)U1 LM358QM MQ-2P1 4P插针点击进⼊购买max232串⼝isp下线制作的焊接级说明,原理图,元件表m8数字焊台-936数控焊台的焊接级说明,原理图,元件表0730橙⾊点阵时钟焊接级说明,原理图,元件表-led数字时钟-89c52m8r2r数控电源焊接级说明,原理图,元件表温控风扇散热,3r33稳压2w6v太阳能led灯套件配2⽚锂电池的焊接级说明,原理图,元件表mq-2 ⽓体传感器中⽂资料芯⽚ic中⽂资料⾃⼰动⼿制作32*16led点阵~!含程序原理图8*8*8led光⽴⽅程序源hex 原理图⽂件-atmega32-74hc 574 138-max232-转载⾃外国⽹漂浮的⽂字-投影-烟雾贴⽚元件的焊接教程(多图详解)-教你焊接查看更多>>mq2烟雾传感器mq 2烟雾传感器原理烟雾传感器mq 2⽓体传感器的原理图mq 2模块原理烟雾传感器原理图⽓体传感器模块⼯作原理烟雾传感器模块⼯作原理酒精传感器原理图烟雾浓度参数分享到:QQ空间腾讯微博腾讯朋友收藏0⽀持0反对0转发到微博回复举报sydz 615 主题 7 好友 282积分管理员发消息沙发发表于 2012-4-21 17:21:29|只看该作者 AT89C52 STC89C52 单⽚机都⾏LED 接在 P1.0传感器输⼊端 P2.0C 程序 1. 转载⾃互联⽹,此程序仅⽤于学习与参考 2.。
MQ-2烟雾报警器的设计与实现一、设计原理MQ-2烟雾传感器是一种有机合成气体传感器,对于多种有机气体具有敏感响应。
当烟雾浓度超过一定程度时,传感器的电阻值会发生变化,这一现象可通过检测电路转化为电信号输出,从而实现烟雾报警的功能。
二、设计流程1.电路图设计根据MQ-2传感器的特性,可以设计一个简单的电路,如图1所示。
其中,焊接了一个10K欧姆的稳压电阻器,用于保护传感器。
2.代码编写通过Arduino微控制器来控制小型蜂鸣器和指示灯,并构建监测烟雾浓度的程序。
代码如下:void setup(){pinMode(2,INPUT);//将A0模拟输入口设置为接收模拟信号模式,有两种模式,分别是输入和输出模式,由pinMode指定具体模式pinMode(3,OUTPUT);//将3号IO口(第一个PWM口)设置为输出模式,即向外输出电平pinMode(4,OUTPUT);//将4号IO口设置为输出模式,即向外输出电平}void loop(){int val = analogRead(2);//读取A0口的模拟量,即通过A0口读取传感器输出的电压值if(val>400){//当传感器输出电压值大于400,则报警,并点亮LED灯和蜂鸣器digitalWrite(3,1);digitalWrite(4,1);delay(1000);//延迟1秒钟digitalWrite(3,0);digitalWrite(4,0);delay(1000);//延迟1秒钟}delay(500);}三、实现过程1.硬件部分将MQ-2烟雾传感器、10K欧姆电阻器、电容、Arduino UNO、小型蜂鸣器和LED灯连接如图2所示,其中预留了端口悬空,以供连接电源。
2.软件部分在Arduino编程环境中编写上述代码,并上传到Arduino UNO控制器中。
在烟雾探头烧烤若干分钟后,蜂鸣器响起并点亮红色LED灯,表示检测到烟雾。
MQ-2烟雾传感器的应用介绍之阳早格格创做基于网上闭于MQ-2烟雾传感器的技能资料少之甚少,自己正佳当前正在搞闭于《储备粮仓环境监测系统》的名目.果此自己归纳闭于MQ-2的技能文档,取大家共享,共共教习!一、MQ-2烟雾传感器的应用范畴可用于家庭战工厂的气体揭收监测拆置,相宜于液化气、苯、烷、酒粗、氢气、烟雾等的探测.故果此,MQ-2不妨准确去道是一个多种气体探测器.MQ-2的探测范畴极其的广大.它的便宜:敏捷度下、赞同快、宁静性佳、寿命少、启动电路简朴.二、MQ-2的处事本理MQ-2型烟雾传感器属于两氧化锡半导体气敏资料,属于表面离子式N型半导体.处于200~300摄氏度时,两氧化锡吸附气氛中的氧,产死氧的背离子吸附,使半导体中的电子稀度缩小,进而使其电阻值减少.当取烟雾交触时,如果晶粒间界处的势垒支到烟雾的调至而变更,便会引起表面导电率的变更.利用那一面便不妨赢得那种烟雾存留的疑息,烟雾的浓度越大,导电率越大,输出电阻越矮,则输出的模拟旗号便越大.三、MQ-2的个性1、MQ-2型传感器对付天然气、液化石油气等烟雾有很下的敏捷度,越收对付烷类烟雾更为敏感具备良佳的抗搞扰性,可准确排除有刺激性非可焚性烟雾的搞扰疑息.(通过尝试:对付烷类的感触度比纸弛木料焚烧爆收的烟雾要佳的多,输出的电压降下的比较快)2、MQ-2型传感器具备良佳的沉复性战少久的宁静性.初初宁静,响当令间短,万古间处事本能佳.需要注意的是:正在使用之前必须加热一段时间,可则其输出的电阻战电压禁绝确.3、其检测可焚气体取烟雾的范畴是100~10000ppm(ppm为体积浓度. 1ppm=1坐圆厘米/1坐圆米)需要注意:加热电压.如果过下,会引导里里的旗号线熔断,进而器件报兴.四、MQ-2的结构引足及启拆图MQ-2的形状图从图中不妨瞅出(从左到左)第一个:由于加热电压过大,引导里里旗号细线被烧断而无法仄常处事.然而是加热功能保持存留.所以咱们必须注意加热丝的电压,最佳串个小电阻.第两个:是MQ-2底里引足图第三个:中瞅图五、MQ-2的估计取校准用MQ-2烟雾传感器去检测火灾烟雾的最佳办法是通过其输出电压取门限电压比较得出.(门限电压需要通过烟雾尝试)1、MQ-2的估计公式阻值R取气氛中被测气体的浓度C的估计闭系式log R = mlog C + n (m,n均为常数)常数n:取气体检测敏捷度有闭,除了随传感器资料战睦体种类分歧而变更中,还会由于丈量温度战激活剂的分歧而爆收大幅度的变更.常数m:表示随气体浓度而变数的传感器的敏捷度(也称动做气体分散率).对付于可焚性气体去道,m的值普遍介于1/2至1/3之间.2、传感器的电阻的估计3、MQ-2传感器的输出电压根据MQ-2的处事本理(其电导率随着气体浓度的删大而删大,其电阻是电导率的倒数,所以电阻是随之减小的.其个性便相称于一个滑动变阻器).一、烟雾传感器电路图处事本理:MQ-2的4足输出随烟雾浓度变更的曲流旗号,被加到比较器U1A的2足,Rp形成比较器的门槛电压.当烟雾浓度较下输出电压下于门槛电压时,比较器输出矮电仄(0v),此时LED明报警;当浓度落矮传感器的输出电压矮于门槛电压时,比较器翻转输出下电仄(Vcc),LED燃烧.安排Rp,不妨安排比较器的门槛电压,进而安排报警输出的敏捷度. R1串进传感器的加热回路,不妨呵护加热丝免受热上电时的冲打.MQ-2传感器对付甲烷的探测范畴是5000~20000ppm,即0. 5%-2%,正在跟MQ-2串联的电阻何处得到参照电压,通过AD变换后得到数字电压,便那样一个数字电压,何如不妨得到当时气氛中甲烷的PPM值,即浓度.(参照了网上传的使用MQ-2搞基于单片机的烟雾报警系统的伙伴,那份资料便存留那个特大问题,本去出有行那一个,大错的场合很多,请注意!)期视有体味的共志帮手办理那一易题~支分~便那样一个数字电压,天然不妨知讲浓度了,前提是要安排战标定佳传感器,主要历程便是:1 传感器量程5000~20000ppm,如果输出为0-5V(传感器模拟旗号中间量也不妨是别的电压范畴大概??mA旗号??ad是将模拟转移数字量的??AD变换后得到是数字旗号数字旗号反函数便得出浓度. 3,本去便是个比率闭系式,只消有电旗号正在,其余的皆是简朴运算而已了.逃问您佳,该当出那样简朴吧?比圆,当时的浓度为0,大概者是矮于5000PPM,那么那时得到的数字电压会是什么呢?回问如果是0.5%-2%(对付应0-5V),天然0.5%以下是数字旗号便是0呀,如果量程0%-2%,天然便出有是了提问者评介果为传感器敏捷度利害线性的,所以变换也利害线性的本文的统造部分主要用的是ARM部分,它取保守的51单片机相比功能越收的强盛,如芯片里里的Flsah、EEPROM、SRAM容量较大、支援正在线编程烧写ISP、每个IO心皆不妨以推挽启动的办法输出下、矮电仄,启动本收强,里里资材歉富,普遍皆集成A/D、D/A模数变换器、PWM、SPI、USART、I2C、I2S等交心,以及拥有歉富的中断源等.那些果素使得ARM取51单片机相比越收的下本能,矮功耗.利用ARM去安排的自动监测系统的下效、便当、准确的个性决断了它将越收广大的应用于工业统造各个范畴,共时当前基于ARM嵌进式系统正在统造、通疑范畴应用的越收广大.。
mq2烟雾传感器技术手册MQ-2烟雾传感器是一种广泛应用于气体检测的电化学传感器,被广泛应用于各种领域,如家用安防、工业环境监测等。
本技术手册将详细介绍MQ-2烟雾传感器的工作原理、特点、使用注意事项以及应用场景等内容。
一、MQ-2烟雾传感器的工作原理MQ-2烟雾传感器基于电化学原理进行气体检测。
其核心部分是一种灵敏元件,能够与气体发生化学反应,从而改变其电阻值。
当检测到烟雾或其他有机气体时,烟雾颗粒和有机气体中的一些化学物质会与传感器表面的敏感材料发生反应,导致敏感材料表面的电阻值发生变化。
通过测量敏感材料电阻值的变化,可以判断是否存在烟雾和有机气体。
二、MQ-2烟雾传感器的特点1.灵敏度高:MQ-2烟雾传感器对烟雾和一些常见的有机气体具有很高的灵敏度,能够准确地检测到微量的烟雾和有机气体。
2.响应速度快:MQ-2烟雾传感器能够迅速响应环境中的烟雾和有机气体,实时监测气体浓度的变化。
3.低功耗:MQ-2烟雾传感器采用低功耗设计,能够长时间稳定运行,有效延长传感器的使用寿命。
4.易于安装:MQ-2烟雾传感器体积小巧,重量轻,便于安装和维护。
5.低成本:MQ-2烟雾传感器采用常见的材料和制造工艺,成本较低,适用于大规模应用。
三、MQ-2烟雾传感器的使用注意事项1. MQ-2烟雾传感器工作时,接口处不宜有腐蚀性气体或挥发性有机物,以免影响传感器的灵敏度和稳定性。
2. MQ-2烟雾传感器应远离高温、高湿、强酸、强碱等环境,以免对传感器的正常工作造成影响。
3. MQ-2烟雾传感器在使用过程中应注意防水、防潮,防止传感器受潮受损。
4. MQ-2烟雾传感器在使用前应进行预热,以提高传感器的稳定性和精确度。
5. MQ-2烟雾传感器的电源电压应与传感器的额定电压匹配,以免损坏传感器。
四、MQ-2烟雾传感器的应用场景1.家用安防:MQ-2烟雾传感器可用于家庭烟雾报警器,及时发现烟雾情况并及时报警,保护家人的生命财产安全。
M Q-2烟雾传感器的应用介绍鉴于网上关于MQ-2烟雾传感器的技术资料少之甚少,本人正好现在在做关于《储备粮仓环境监测系统》的项目。
因此自己总结关于MQ-2的技术文档,与大家共享,共同学习!一、MQ-2烟雾传感器的应用领域可用于家庭和工厂的气体泄漏监测装置,适宜于液化气、苯、烷、酒精、氢气、烟雾等的探测。
故因此,MQ-2可以准确来说是一个多种气体探测器。
MQ-2的探测范围极其的广泛。
它的优点:灵敏度高、响应快、稳定性好、寿命长、驱动电路简单。
二、MQ-2的工作原理MQ-2型烟雾传感器属于二氧化锡半导体气敏材料,属于表面离子式N型半导体。
处于200~300摄氏度时,二氧化锡吸附空气中的氧,形成氧的负离子吸附,使半导体中的电子密度减少,从而使其电阻值增加。
当与烟雾接触时,如果晶粒间界处的势垒收到烟雾的调至而变化,就会引起表面导电率的变化。
利用这一点就可以获得这种烟雾存在的信息,烟雾的浓度越大,导电率越大,输出电阻越低,则输出的模拟信号就越大。
三、MQ-2的特性1、MQ-2型传感器对天然气、液化石油气等烟雾有很高的灵敏度,尤其对烷类烟雾更为敏感具有良好的抗干扰性,可准确排除有刺激性非可燃性烟雾的干扰信息。
(经过测试:对烷类的感应度比纸张木材燃烧产生的烟雾要好的多,输出的电压升高的比较快)2、MQ-2型传感器具有良好的重复性和长期的稳定性。
初始稳定,响应时间短,长时间工作性能好。
需要注意的是:在使用之前必须加热一段时间,否则其输出的电阻和电压不准确。
3、其检测可燃气体与烟雾的范围是100~10000ppm(ppm为体积浓度。
1ppm=1立方厘米/1立方米)4.电路设计电压范围宽,24V以下均可,加热电压5±需要注意:加热电压。
如果过高,会导致内部的信号线熔断,从而器件报废。
四、MQ-2的结构引脚及封装图MQ-2的外形图从图中可以看出(从左到右)第一个:由于加热电压过大,导致内部信号细线被烧断而无法正常工作。
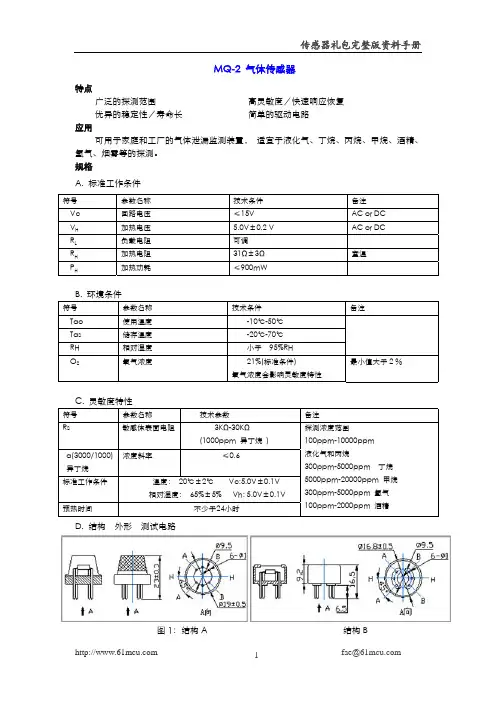
MQ-2 气体传感器特点广泛的探测范围 高灵敏度/快速响应恢复 优异的稳定性/寿命长 简单的驱动电路 应用可用于家庭和工厂的气体泄漏监测装置, 适宜于液化气、丁烷、丙烷、甲烷、酒精、氢气、烟雾等的探测。
规格A. 标准工作条件符号 参数名称 技术条件 备注 Vc 回路电压 ≤15V AC or DC V H 加热电压 5.0V±0.2 V AC or DC R L 负载电阻 可调 R H 加热电阻 31Ω±3Ω 室温 P H加热功耗≤900mWB. 环境条件符号 参数名称 技术条件 备注 Tao 使用温度 -10℃-50℃ Tas 储存温度 -20℃-70℃ RH 相对湿度 小于 95%RHO 2氧气浓度21%(标准条件) 氧气浓度会影响灵敏度特性最小值大于2% C. 灵敏度特性符号 参数名称技术参数 备注 Rs敏感体表面电阻3KΩ-30KΩ (1000ppm 异丁烷 )α(3000/1000) 异丁烷 浓度斜率 ≤0.6标准工作条件 温度: 20℃±2℃ Vc:5.0V±0.1V 相对湿度: 65%±5% Vh: 5.0V±0.1V 预热时间不少于24小时探测浓度范围 100ppm-10000ppm 液化气和丙烷300ppm-5000ppm 丁烷 5000ppm-20000ppm 甲烷 300ppm-5000ppm 氢气 100ppm-2000ppm 酒精D. 结构 外形 测试电路图1:结构A 结构B部件 材料 1 气体敏感层 二氧化锡 2 电极 金(Au )3 测量电极引线铂(Pt )4 加热器 镍铬合金(Ni-Cr )5 陶瓷管 三氧化二铝6 防爆网 100目双层不锈钢(SUB316)7 卡环 镀镍铜材(Ni-Cu ) 8 基座 胶木9针状管脚镀镍铜材(Ni-Cu )图2:测量电路MQ-2气敏元件的结构和外形如图1所示(结构 A or B), 由微型AL 2O 3陶瓷管、SnO 2 敏感层,测量电极和加热器构成的敏感元件固定在塑料或不锈钢制成的腔体内,加热器为气敏元件提供了必要的工作条件。
MQ-2 气体传感器特点广泛的探测范围 高灵敏度/快速响应恢复 优异的稳定性/寿命长 简单的驱动电路 应用可用于家庭和工厂的气体泄漏监测装置, 适宜于液化气、丁烷、丙烷、甲烷、酒精、氢气、烟雾等的探测。
规格A. 标准工作条件符号 参数名称 技术条件 备注 Vc 回路电压 ≤15V AC or DC V H 加热电压 5.0V±0.2 V AC or DC R L 负载电阻 可调 R H 加热电阻 31Ω±3Ω 室温 P H加热功耗≤900mWB. 环境条件符号 参数名称 技术条件 备注 Tao 使用温度 -10℃-50℃ Tas 储存温度 -20℃-70℃ RH 相对湿度 小于 95%RHO 2氧气浓度21%(标准条件) 氧气浓度会影响灵敏度特性最小值大于2% C. 灵敏度特性符号 参数名称技术参数 备注 Rs敏感体表面电阻3KΩ-30KΩ (1000ppm 异丁烷 )α(3000/1000) 异丁烷 浓度斜率 ≤0.6标准工作条件 温度: 20℃±2℃ Vc:5.0V±0.1V 相对湿度: 65%±5% Vh: 5.0V±0.1V 预热时间不少于24小时探测浓度范围 100ppm-10000ppm 液化气和丙烷300ppm-5000ppm 丁烷 5000ppm-20000ppm 甲烷 300ppm-5000ppm 氢气 100ppm-2000ppm 酒精D. 结构 外形 测试电路图1:结构A 结构B部件 材料 1 气体敏感层 二氧化锡 2 电极 金(Au )3 测量电极引线铂(Pt )4 加热器 镍铬合金(Ni-Cr )5 陶瓷管 三氧化二铝6 防爆网 100目双层不锈钢(SUB316)7 卡环 镀镍铜材(Ni-Cu ) 8 基座 胶木9针状管脚镀镍铜材(Ni-Cu )图2:测量电路MQ-2气敏元件的结构和外形如图1所示(结构 A or B), 由微型AL 2O 3陶瓷管、SnO 2 敏感层,测量电极和加热器构成的敏感元件固定在塑料或不锈钢制成的腔体内,加热器为气敏元件提供了必要的工作条件。
MQ-2烟雾传感器的工作原理应用介绍鉴于网上关于MQ-2烟雾传感器的技术资料少之甚少,本人正好现在在做关于《储备粮仓环境监测系统》的项目。
因此自己总结关于MQ-2的技术文档,与大家共享,共同学习!一、MQ-2烟雾传感器的应用领域可用于家庭和工厂的气体泄漏监测装置,适宜于液化气、苯、烷、酒精、氢气、烟雾等的探测。
故因此,MQ-2可以准确来说是一个多种气体探测器。
MQ-2的探测范围极其的广泛。
它的优点:灵敏度高、响应快、稳定性好、寿命长、驱动电路简单。
二、MQ-2的工作原理MQ-2型烟雾传感器属于二氧化锡半导体气敏材料,属于表面离子式N型半导体。
处于200~300摄氏度时,二氧化锡吸附空气中的氧,形成氧的负离子吸附,使半导体中的电子密度减少,从而使其电阻值增加。
当与烟雾接触时,如果晶粒间界处的势垒收到烟雾的调至而变化,就会引起表面导电率的变化。
利用这一点就可以获得这种烟雾存在的信息,烟雾的浓度越大,导电率越大,输出电阻越低,则输出的模拟信号就越大。
三、MQ-2的特性1、MQ-2型传感器对天然气、液化石油气等烟雾有很高的灵敏度,尤其对烷类烟雾更为敏感具有良好的抗干扰性,可准确排除有刺激性非可燃性烟雾的干扰信息。
(经过测试:对烷类的感应度比纸张木材燃烧产生的烟雾要好的多,输出的电压升高的比较快)2、MQ-2型传感器具有良好的重复性和长期的稳定性。
初始稳定,响应时间短,长时间工作性能好。
需要注意的是:在使用之前必须加热一段时间,否则其输出的电阻和电压不准确。
3、其检测可燃气体与烟雾的范围是100~10000ppm(ppm为体积浓度。
1ppm=1立方厘米/1立方米)4.电路设计电压范围宽,24V以下均可,加热电压5±0.2V需要注意:加热电压。
如果过高,会导致内部的信号线熔断,从而器件报废。
四、MQ-2的结构引脚及封装图MQ-2的外形图从图中可以看出(从左到右)第一个:由于加热电压过大,导致内部信号细线被烧断而无法正常工作。
MQ-2烟雾传感器模块使用说明书简要说明:一、尺寸:32mm X22mm X27mm 长X宽X高二、主要芯片:LM393、ZYMQ-2气体传感器三、工作电压:直流5伏四、特点:1、具有信号输出指示。
2、双路信号输出(模拟量输出及TTL电平输出)3、TTL输出有效信号为低电平。
(当输出低电平时信号灯亮,可直接接单片机)4、模拟量输出0~5V电压,浓度越高电压越高。
5、对液化气,天然气,城市煤气有较好的灵敏度。
6、具有长期的使用寿命和可靠的稳定性7、快速的响应恢复特性五、应用:适用于家庭或工厂的气体泄漏监测装置,适宜于液化气、丁烷、丙烷、甲烷、酒精、氢气、烟雾等监测装置。
【标注说明】【原理图】【测试方式】1、传感器先预热20秒左右。
2、将传感器放在无被测气体的地方,顺时针调节电位器,调节到指示灯亮,然后逆时针转半圈,调到指示灯不亮,然后接近被测气体,指示灯亮,离开被测气体,指示灯熄灭,就证明传感器是好的!【测试程序】实现功能:1、当测量浓度大于设定浓度时,单片机IO口输出低电平/********************************************************************汇诚科技实现功能:此版配套测试程序使用芯片:AT89S52晶振:11.0592MHZ波特率:9600编译环境:Keil作者:zhangxinchunleo【声明】此程序仅用于学习与参考,引用请注明版权和作者信息!*********************************************************************//********************************************************************说明:1、当测量浓度大于设定浓度时,单片机IO口输出低电平*********************************************************************/ #include<reg52.h> //库文件#define uchar unsigned char//宏定义无符号字符型#define uint unsigned int //宏定义无符号整型/******************************************************************** I/O定义*********************************************************************/ sbit LED=P1^0; //定义单片机P1口的第1位(即P1.0)为指示端sbit DOUT=P2^0; //定义单片机P2口的第1位(即P2.0)为传感器的输入端/********************************************************************延时函数*********************************************************************/ void delay()//延时程序{uchar m,n,s;for(m=20;m>0;m--)for(n=20;n>0;n--)for(s=248;s>0;s--);}/********************************************************************主函数*********************************************************************/ void main(){while(1) //无限循环{LED=1; //熄灭P1.0口灯if(DOUT==0)//当浓度高于设定值时,执行条件函数{delay();//延时抗干扰if(DOUT==0)//确定浓度高于设定值时,执行条件函数{LED=0; //点亮P1.0口灯}}}}/********************************************************************结束*********************************************************************/ 【测试程序】*********************************************************************/#include <reg52.h> //头文件#define uchar unsigned char //宏定义无符号字符型#define uint unsigned int //宏定义无符号整型code uchar seg7code[10]={ 0xc0,0xf9,0xa4,0xb0,0x99,0x92,0x82,0xf8,0x80,0x90}; //显示段码数码管字跟uchar wei[4]={0XEf,0XDf,0XBf,0X7f}; //位的控制端//位控制码sbit ST=P3^0; //A/D启动转换信号sbit OE=P3^1; //数据输出允许信号sbit EOC=P3^2; //A/D转换结束信号sbit CLK=P3^3; //时钟脉冲uint z,x,c,v,AD0809, date; //定义数据类型/******************************************************************延时函数******************************************************************/void delay(uchar t){uchar i,j;for(i=0;i<t;i++){for(j=13;j>0;j--);{ ;}}}/**********************************************************************数码管动态扫描*********************************************************************/void xianshi() //显示函数{uint z,x,c,v;z=date/1000; //求千位x=date%1000/100; //求百位c=date%100/10; //求十位v=date%10; //求个位P2=0XFF;P0=seg7code[z]&0x7f;P2=wei[0];delay(80);P2=0XFF;P0=seg7code[x];P2=wei[1];delay(80);P2=0XFF;。
mq2传感器手册MQ2传感器是一款常用的气体传感器,可以检测多种可燃气体,如甲烷、丙烷、液化气、天然气等,并能检测到烟雾等有害气体。
本手册将详细介绍MQ2传感器的工作原理、使用方法以及注意事项。
1. MQ2传感器的工作原理MQ2传感器采用金属氧化物半导体(MOS)技术,其核心是灵敏元件,通常由锡氧化物(SnO2)制成。
在待测气体存在下,MQ2传感器的灵敏元件表面会发生氧化还原反应,使其电阻发生变化。
根据电阻的变化,可以判断待测气体的浓度。
2. MQ2传感器的使用方法(1)接线连接:将MQ2传感器的VCC、GND和DOUT引脚依次与电源和单片机的数字引脚连接。
(2)预热:将MQ2传感器接通电源后,需要等待一段时间进行预热,预热时间一般为10-30分钟,取决于所使用的具体型号。
(3)读取数据:使用单片机通过DOUT引脚读取MQ2传感器的电压值,根据电压值换算成待测气体的浓度。
3. MQ2传感器的注意事项(1)环境温度:MQ2传感器适用的环境温度范围一般在-20℃至50℃之间,超出范围可能影响其测量准确性。
(2)湿度影响:高湿度环境下,MQ2传感器对气体的检测能力可能受到影响,因此应尽量避免在潮湿的环境中使用。
(3)校准:MQ2传感器在使用前需要进行校准,可使用标准气体进行校准。
校准过程需参考具体的传感器说明书。
(4)可燃气体:MQ2传感器对可燃气体非常敏感,且有一定的毒性,使用时需注意安全,避免直接接触有害气体。
4. MQ2传感器的应用场景MQ2传感器广泛应用于各种气体检测领域,如工业安全、家庭安防以及环境监测等。
下面是一些典型的应用场景:(1)可燃气体泄漏检测:MQ2传感器可以用于监测燃气泄漏情况,及时发出警报以保障生命财产安全。
(2)家庭安防:将MQ2传感器与报警系统结合,可以实现对烟雾、甲醛等有害气体的检测,提高家庭安全性。
(3)工业环境监测:MQ2传感器可用于监测工业场所中的有害气体浓度,保证工作环境的安全。
mq-2烟雾传感器原理
MQ2烟雾传感器是一种可感测气体、烟雾、一氧化碳等化合物的敏感元件。
其原理是通过电化学、物理吸附、化学吸附等作用,将目标气体吸附于其感测元件表面,然后利用电容变化或电阻变化等转换成电信号输出。
具体原理如下:
1.感测元件(硫化锡):MQ2烟雾传感器的感测元件主要是硫化锡,它是一种在高温下可以与气体发生反应的材料,且在气体中形成的化合物具有电化学性质。
2.电路:MQ2烟雾传感器的电路由感测元件、电源、电容和电阻等组成。
当感测元件处于工作状态时,放在感测元件上的电容器将会接收到感测元件表面传递过来的电信号,并将其转换成电容变化或电阻变化等信号输出。
3.感测过程:当感测元件处于工作状态时,目标气体将会被吸附在感测元件的表面,此时感测元件表面的电阻或电容会发生相应的变化。
当目标气体浓度增加时,感测元件表面被吸附的气体会增加,电阻或电容变化也将会增大。
4.输出信号:MQ2烟雾传感器的输出信号通常是一个模拟电压信号,在检测到目标气体时电压将会变化,变化的大小与目标气体的浓度呈正比。
可以通过AD 转换将模拟电压转换成数字信号,从而实现数字化处理。
mq2烟雾传感器技术手册MQ2烟雾传感器是一种常用的气体传感器,主要用于检测环境中的烟雾浓度。
以下是MQ2烟雾传感器的技术手册,供您参考:一、概述MQ2烟雾传感器是一种基于光学原理的气体传感器,能够检测环境中的烟雾浓度。
它采用红外线传感器和光电传感器相结合的方式,通过测量烟雾对红外线的吸收和散射作用,以及烟雾对光线的遮挡作用,来计算烟雾浓度。
二、工作原理MQ2烟雾传感器的工作原理是利用红外线传感器和光电传感器的组合测量烟雾浓度。
当环境中有烟雾存在时,烟雾会吸收红外线并散射光线,导致红外线传感器和光电传感器的输出信号发生变化。
通过对这两个信号的测量和处理,可以计算出烟雾浓度。
三、特点1.高灵敏度:MQ2烟雾传感器具有高灵敏度,能够快速响应环境中的烟雾变化。
2.稳定性好:传感器采用稳定的电路设计和材料,具有较好的稳定性和可靠性。
3.易于安装:MQ2烟雾传感器体积小,重量轻,易于安装和使用。
4.价格实惠:MQ2烟雾传感器的价格相对较低,适合各种应用场景。
四、应用领域MQ2烟雾传感器广泛应用于各种需要检测烟雾浓度的场合,如家庭、工业、农业等领域。
在家庭中,它可以用于检测火灾、燃气泄漏等安全隐患;在工业中,它可以用于检测生产环境中的烟雾浓度,以确保生产安全;在农业中,它可以用于检测农作物生长环境中的烟雾浓度,以指导农业生产。
五、使用注意事项1.在使用MQ2烟雾传感器时,应确保其安装位置正确,避免阳光直射和高温环境。
2.在使用过程中,应定期对传感器进行校准和维护,以确保其准确性和可靠性。
3.在安装和使用过程中,应遵循厂家提供的操作说明和建议。
六、总结MQ2烟雾传感器是一种高灵敏度、稳定性好的气体传感器,广泛应用于各种需要检测烟雾浓度的场合。
在使用过程中,应注意安装位置、定期校准和维护等方面的事项,以确保其准确性和可靠性。
通用说明书工作原理MQ系列气体传感器的敏感材料是活性很高的金属氧化物半导体,最常用的如SnO2。
金属氧化物半导体在空气中被加热到一定温度时,氧原子被吸附在带负电荷的半导体表面,半导体表面的电子会被转移到吸附氧上,氧原子就变成了氧负离子,同时在半导体表面形成一个正的空间电荷层,导致表面势垒升高,从而阻碍电子流动(见图1。
在敏感材料内部,自由电子必须穿过金属氧化物半导体微晶粒的结合部位(晶界才能形成电流。
由氧吸附产生的势垒同样存在于晶界而阻碍电子的自由流动,传感器的电阻即缘于这种势垒。
在工作条件下当传感器遇到还原性气体时,氧负离子因与还原性气体发生氧化还原反应而导致其表面浓度降低,势垒随之降低(图2和图3。
导致传感器的阻值减小。
在给定的工作条件下和适当的气体浓度范围内,传感器的电阻值和还原性气体浓度之间的关系可近似由下面方程表示:其中:Rs:传感器电阻A:常数[C]:气体浓度α:Rs曲线的斜率传感器特性1氧气分压的影响图4所示为大气中氧分压(PO2和MQ气体传感器在清洁空气中阻值之间的典型关系。
2气敏特性根据前述方程,在某一气体浓度范围内(从几十ppm 至几千ppm,在工作条件下,传感器的电阻同气体浓度呈对数线性关系。
如图5所示。
传感器对多种还原气体具有敏感性,对指定气体的相对灵敏度,取决于敏感材料的构成及其工作温度。
图1-晶粒间势垒模型(洁净空气实际上,每个传感器的电阻值和相对灵敏度都不完全相同,图5中描述的敏感特性为传感器在不同气体浓度下的阻值(Rs与待检测气体的一定浓度下的阻值(R0的比值与浓度的对数关系。
3传感器响应特性在工作条件下传感器先被放入还原性气体中,其电阻急剧下降,待其稳定后,再将其置入洁净空气中,传感器的电阻经过很短的时间即恢复到它的初始值。
这个过程中传感器典型的动作如图6所示。
传感器的响应速度和恢复速度与传感器型号、材料种类及所测气体的种类相关。
4初始动作如图7所示,当传感器不通电存放后,再在空气中通电,无论是否存在还原性气体,传感器通电后的最初几秒钟,其阻值都会(Rs急剧下降,然后逐渐达到一个平稳的水平,即为传感器的初始动作。
MQ-2烟雾传感器模块使用说明书简要说明:一、尺寸:32mm X22mm X27mm 长X宽X高二、主要芯片:LM393、ZYMQ-2气体传感器三、工作电压:直流5伏四、特点:1、具有信号输出指示。
2、双路信号输出(模拟量输出及TTL电平输出)3、TTL输出有效信号为低电平。
(当输出低电平时信号灯亮,可直接接单片机)4、模拟量输出0~5V电压,浓度越高电压越高。
5、对液化气,天然气,城市煤气有较好的灵敏度。
6、具有长期的使用寿命和可靠的稳定性7、快速的响应恢复特性五、应用:适用于家庭或工厂的气体泄漏监测装置,适宜于液化气、丁烷、丙烷、甲烷、酒精、氢气、烟雾等监测装置。
【标注说明】【原理图】【测试方式】1、传感器先预热20秒左右。
2、将传感器放在无被测气体的地方,顺时针调节电位器,调节到指示灯亮,然后逆时针转半圈,调到指示灯不亮,然后接近被测气体,指示灯亮,离开被测气体,指示灯熄灭,就证明传感器是好的!【测试程序】实现功能:1、当测量浓度大于设定浓度时,单片机IO口输出低电平/********************************************************************汇诚科技实现功能:此版配套测试程序使用芯片:AT89S52晶振:11.0592MHZ波特率:9600编译环境:Keil作者:zhangxinchunleo【声明】此程序仅用于学习与参考,引用请注明版权和作者信息!*********************************************************************//********************************************************************说明:1、当测量浓度大于设定浓度时,单片机IO口输出低电平*********************************************************************/#include<reg52.h> //库文件#define uchar unsigned char//宏定义无符号字符型#define uint unsigned int //宏定义无符号整型/******************************************************************** I/O定义*********************************************************************/ sbit LED=P1^0; //定义单片机P1口的第1位(即P1.0)为指示端sbit DOUT=P2^0; //定义单片机P2口的第1位(即P2.0)为传感器的输入端/********************************************************************延时函数*********************************************************************/ void delay()//延时程序{uchar m,n,s;for(m=20;m>0;m--)for(n=20;n>0;n--)for(s=248;s>0;s--);}/********************************************************************主函数*********************************************************************/ void main(){while(1) //无限循环{LED=1; //熄灭P1.0口灯if(DOUT==0)//当浓度高于设定值时,执行条件函数{delay();//延时抗干扰if(DOUT==0)//确定浓度高于设定值时,执行条件函数{LED=0; //点亮P1.0口灯}}}}/********************************************************************结束*********************************************************************/ 【测试程序】*********************************************************************/ #include <reg52.h> //头文件#define uchar unsigned char //宏定义无符号字符型#define uint unsigned int //宏定义无符号整型code uchar seg7code[10]={ 0xc0,0xf9,0xa4,0xb0,0x99,0x92,0x82,0xf8,0x80,0x90}; //显示段码数码管字跟uchar wei[4]={0XEf,0XDf,0XBf,0X7f}; //位的控制端//位控制码sbit ST=P3^0; //A/D启动转换信号sbit OE=P3^1; //数据输出允许信号sbit EOC=P3^2; //A/D转换结束信号sbit CLK=P3^3; //时钟脉冲uint z,x,c,v,AD0809, date; //定义数据类型/******************************************************************延时函数******************************************************************/void delay(uchar t){uchar i,j;for(i=0;i<t;i++){for(j=13;j>0;j--);{ ;}}}/**********************************************************************数码管动态扫描*********************************************************************/void xianshi() //显示函数{uint z,x,c,v;z=date/1000; //求千位x=date%1000/100; //求百位c=date%100/10; //求十位v=date%10; //求个位P2=0XFF;P0=seg7code[z]&0x7f;P2=wei[0];delay(80);P2=0XFF;P0=seg7code[x];P2=wei[1];delay(80);P2=0XFF;P0=seg7code[c];P2=wei[2];delay(80);P2=0XFF;P0=seg7code[v];P2=wei[3];delay(80);P2=0XFF;}/************************************************************************* CLK振荡信号**************************************************************************/ void timer0( ) interrupt 1 //定时器0工作方式1{TH0=(65536-2)/256; //重装计数初值TL0=(65536-2)%256; //重装计数初值CLK=!CLK; //取反}/*************************************************************************主函数**************************************************************************/ void main(){TMOD=0X01; //定时器中断0CLK=0; //脉冲信号初始值为0TH0=(65536-2)/256; //定时时间高八位初值TL0=(65536-2)%256; //定时时间低八位初值EA=1; //开CPU中断ET0=1; //开T/C0中断TR0=1;while(1) //无限循环{ST=0; //使采集信号为低ST=1; //开始数据转换ST=0; //停止数据转换while(!EOC); //等待数据转换完毕OE=1; //允许数据输出信号AD0809=P1; //读取数据OE=0; //关闭数据输出允许信号if(AD0809>=251) //电压显示不能超过5VAD0809=250;date=AD0809*20; //数码管显示的数据值,其中20为采集数据的毫安值xianshi(); //数码管显示函数}}【ADC0809资料】ADC0809中文资料1.主要特性1)8路8位A/D转换器,即分辨率8位。
2)具有转换起停控制端。
3)转换时间为100μs 4)单个+5V电源供电5)模拟输入电压范围0~+5V,不需零点和满刻度校准。
6)工作温度范围为-40~+85摄氏度7)低功耗,约15mW。
2.内部结构 ADC0809是CMOS单片型逐次逼近式A/D转换器,内部结构如图13.22所示,它由8路模拟开关、地址锁存与译码器、比较器、8位开关树型D/A转换器、逐次逼近ADC0809内部结构框图寄存器、三态输出锁存器等其它一些电路组成。
因此,ADC0809可处理8路模拟量输入,且有三态输出能力,既可与各种微处理器相连,也可单独工作。
输入输出与TTL兼容。
3.外部特性(引脚功能)ADC0809芯片有28条引脚,采用双列直插式封装,下面说明各引脚功能。
IN0~IN7:8路模拟量输入端。
2-1~2-8:8位数字量输出端。
ADDA、ADDB、ADDC:3位地址输入线,用于选通8路模拟输入中的一路。
ALE:地址锁存允许信号,输入,高电平有效。
START: A/D转换启动信号,输入,高电平有效。
EOC: A/D转换结束信号,输出,当A/D转换结束时,此端输出一个高电平(转换期间一直为低电平)OE:数据输出允许信号,输入,高电平有效。
当A/D转换结束时,此端输入一个高电平,才能打开输出三态门,输出数字量。
CLK:时钟脉冲输入端。
要求时钟频率不高于640KHZ。
REF(+)、REF(-):基准电压。