滚珠丝杠副的载荷计算
- 格式:docx
- 大小:19.57 KB
- 文档页数:7
滚珠丝杠计算1. 确定滚珠丝杠副的导程根据电机的额定转速和x向滑板的最大转速,计算丝杠的导程。
x向运动的驱动电机选用松下mdma152p1v,电机最大转速为4500 rpm。
电机与滚珠丝杠采用联轴器连接,传动比为0.99。
X方向最大速度为24m / min,即24000 mm / min。
丝杠的引线是实际pH = 10 mm即可满足速度要求。
2 、滚珠丝杠副的载荷及转速计算滚动导轨承重时的滑动摩擦系数最大为0.004,静摩擦系数与摩擦系数差别不大,此处计算取静摩擦系数为0.006。
则导轨静摩擦力:式中:M —工件及工作台质量,M为500kg。
f —导轨滑块密封阻力,按4个滑块,每个滑块密封阻力5N。
由于该设备主要用于检测,丝杠工作时不受切削力,检测运动接近匀速,其阻力主要来自于导轨、滑块的摩擦力。
则有:滚珠丝杠副的当量载荷:滚珠丝杠副的当量转速:3 、滚珠丝杠副预期额定动载荷3.1、按滚珠丝杠副的预期工作时间计算:式中:nm —当量转速,Lh —预期工作时间,测试机床选择15000小时f W —负荷系数,平稳无冲击选择fW =1fa —精度系数,2级精度选择f a =1fc —可靠性系数,一般选择fc =13.2 按滚珠丝杠副的预期运行距离计算:式中:Ls —预期运行距离,一般选择Ls = 24X103m3.3 、按滚珠丝杠副的预加最大轴向负载计算:式中:fe —预加负荷系数,轻预载时,选择fe = 6.7fmax —丝杠副最大载荷4 、估算滚珠丝杠的最大允许轴向变形量dm* 重复定位精度X向运动的重复定位精度要求为0.03mm,则5 、估计算滚珠丝杠副的螺纹底X5.1 、根据X向运动行程为1000mm,可计算出两个固定支承的最大距离:L» (1.1~1.2) ´l + (10~14) ´Ph= 1.2´1000+14´10 =1340mm 5.2 按丝杠安装方式为轴向两端固定,则有丝杠螺纹底X:式中:F0 —导轨静摩擦力,F0=49.4NL —滚珠螺母至滚珠丝杠固定端支承的最大距离,L = 1340mm则有6 、导程精度的选择根据X向运动的定位精度要求达到0.08mm/1000mm,则任意300mm。
滚珠丝杠及电机选型1.滚珠丝杠及电机选型计算1.1 确定滚珠丝杠副的导程据电机额定转速和X 向滑板最大速度,计算丝杠导程。
X 向运动驱动电机选择松下MDMA152P1V ,电机最高转速为4500rpm 。
电机与滚珠丝杆直连,传动比为1。
X 向最大运动速度25mm/s ,即1500mm/min 。
则丝杠导程为mm n i V P h 34.045001/1500/max max ≈⨯=⋅=实际取mm P h 10=,可满足速度要求。
1.2 滚珠丝杠副的载荷及转速计算滚动导轨承重时的滑动摩擦系数最大为0.004,静摩擦系数与摩擦系数差别不大,此处计算取静摩擦系数为0.006。
则导轨静摩擦力:N f g M F 2.108548.91500006.000=⨯+⨯⨯=+⋅⋅=μ式中:M ——工件及工作台质量,经计算M 约为1500kg 。
f ——导轨滑块密封阻力,按4个滑块,每个滑块密封阻力5N 。
由于该设备主要用于检测,丝杠工作时不受切削力,检测运动接近匀速,其阻力主要来自于导轨、滑块的摩擦力。
则有:15010/2560/60min max =⨯=⋅=≈h P v n n rpmN F F F 2.1080min max =≈≈滚珠丝杠副的当量载荷:32min max F F F m +=≈0F =108.2N 滚珠丝杠副当量转速:1502min max =+=n n n m rpm 1.3 滚珠丝杠副预期额定动载荷1.3.1按滚珠丝杠副预期工作时间计算:N f f f F L n C c a w m h m am 06.5551110012.10815000150601006033=⨯⨯⨯⨯⨯⨯=⋅= 式中: m n ——当量转速,15010/2560/60=⨯=⋅=h m P v n rpmh L ——预期工作时间,测试机床选择15000小时w f ——负荷系数,平稳无冲击选择w f =1a f ——精度系数,2级精度选择a f =1c f ——可靠性系数,一般选择c f =11.3.2 按滚珠丝杠副的预期运行距离计算:N f f f F P L C c a w m h s am 9993.146841112.108101010253333=⨯⨯⨯⨯⨯=⋅=- 式中: s L ——预期运行距离,一般选择m L s 31025⨯=1.3.3 按滚珠丝杠副的预加最大轴向负载计算:N F f C e am 94.7292.1087.6max =⨯==式中:e f ——预加负荷系数,轻预载时,选择e f =6.7m ax F ——丝杠副最大载荷1.4 估算滚珠丝杠的最大允许轴向变形量δm()•≤4/1~31m δ重复定位精度X 向运动的重复定位精度要求为0.005mm ,则00125.01.041=⨯≤m δmm1.5 估计算滚珠丝杠副的螺纹底X1.5.1 根据X 向运动行程为1200mm ,可计算出两个固定支承的最大距离:mm P l L h 1580101412002.1)14~10()2.1~1.1(=⨯+⨯=⋅+⋅≈1.5.2 按丝杠安装方式为轴向两端固定,则有丝杠螺纹底X :mo m L F d δ1000039.02≥ 式中:F 0——导轨静摩擦力,F 0=108.2NL ——滚珠螺母至滚珠丝杠固定端支承最大距离,L=1580mm则有mm d m 42.1400125.010*******.108039.02=⨯⨯⨯≥ 1.6 导程精度的选择据X 向运动的定位精度要求达到0.005mm/1000mm ,则任意300mm 。
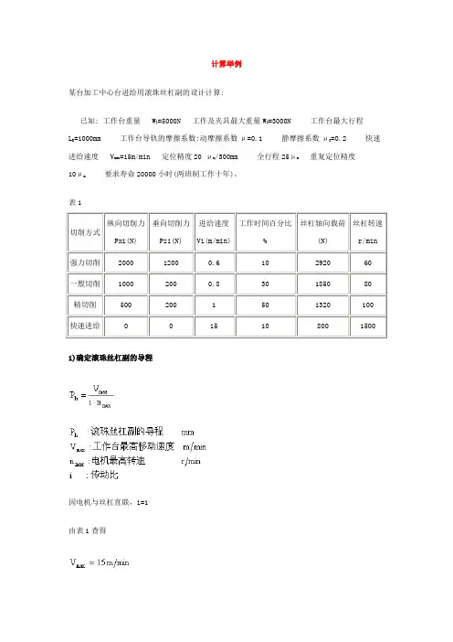
计算举例某台加工中心台进给用滚珠丝杠副的设计计算:已知: 工作台重量 W1=5000N 工作及夹具最大重量W 2=3000N 工作台最大行程 LK=1000mm 工作台导轨的摩擦系数:动摩擦系数μ=0.1静摩擦系数μ=0.2 快速进给速度 Vmax =15m/min 定位精度20 μm/300mm 全行程25μm重复定位精度10μm要求寿命20000小时(两班制工作十年)。
表1切削方式纵向切削力Pxi(N)垂向切削力Pzi(N)进给速度Vi(m/min)工作时间百分比%丝杠轴向载荷(N)丝杠转速r/min强力切削2000 1200 0.6 10 2920 60 一般切削1000 200 0.8 30 1850 80 精切削500 200 1 50 1320 100 快速进给0 0 15 10 800 15001)确定滚珠丝杠副的导程因电机与丝杠直联,i=1由表1查得代入得,按第2页表,取2)确定当量转速与当量载荷(1)各种切削方式下,丝杠转速由表1查得代入得(1)各种切削方式下,丝杠轴向载荷由表1查得代入得(3)当量转速由表1查得代入得(2)当量载荷代入得3)预期额定动载荷(1)按预期工作时间估算=1.3按表9查得:轻微冲击取 fw按表7查得:1~3取=0.44按表8查得:可靠性97%取fc=20000小时已知:Lh代入得计算:(2)拟采用预紧滚珠丝杠副,按最大负载Fmax=4.5按表10查得:中预载取 Fe代入得取以上两种结果的最大值4)确定允许的最小螺纹底径(1)估算丝杠允许的最大轴向变形量① ≤(1/3~1/4)重复定位精度② ≤(1/4~1/5)定位精度: 最大轴向变形量µm已知:重复定位精度10µm, 定位精度25µm① =3② =6取两种结果的小值=3µm(2)估算最小螺纹底径丝杠要求预拉伸,取两端固定的支承形式(1.1~1.2)行程+(10~14)已知:行程为1000mm,代入得5)确定滚珠丝杠副的规格代号(1)选内循环浮动式法兰,直筒双螺母型垫片预形式(2)由计算出的在样本中取相应规格的滚珠丝杠副FFZD4010-36) 确定滚珠丝杠副预紧力其中7)行程补偿值与与拉伸力(1)行程补偿值式中:=(2~4)(2) 预拉伸力代入得8)确定滚珠丝杠副支承用的轴承代号、规格(1)轴承所承受的最大轴向载荷代入得(2)轴承类型两端固定的支承形式,选背对背60°角接触推力球轴承(3)轴承内径d 略小于取代入得(4)轴承预紧力预加负荷≥(5)按样本选轴承型号规格当d=30mm 预加负荷为:≥FBP所以选7602030TVP轴承d=30mm预加负荷为9 ) 滚珠丝杠副工作图设计(1) 丝杠螺纹长度Ls:L s =Lu+2Le由表二查得余程Le=40绘制工作图(2)两固定支承距离L1按样本查出螺母安装联接尺寸丝杠全长L(3)行程起点离固定支承距离L由工作图得Ls=1290=1350L1L=1410=30L10 ) 电机选择(略)11 ) 传动系统刚度(1)丝杠抗压刚度1)丝杠最小抗压刚度= 6.6 ×10KsminK:最小抗压刚度 N/m smind:丝杠底径2:固定支承距离L1=575 N/mKsmin2)丝杠最大抗压刚度K=6.6 ×10 smax:最大抗压刚度 N/m KsmaxKsmax=6617 N/m(2) 支承轴承组合刚度1)一对预紧轴承的组合刚度KBO=2×2.34KBO:一对预紧轴承的组合刚度 N/mdQ:滚珠直径 mmZ :滚珠数Famax :最大轴向工作载荷 N:轴承接触角由样本查出7602030TUP轴承是预加载荷的3倍dQ=7.144 Z=17 =60Kamax=8700 N/mKBO=375 N/m2)支承轴承组合刚度由表13两端固定支承K b =2 KBOKb=750 N/mKb:支承轴承组合刚度 N/m3)滚珠丝杠副滚珠和滚道的接触刚度K C = KC(KC:滚珠和滚道的接触刚度 N/mKC:查样本上的刚度 N/mFP:滚珠丝杠副预紧力 NCa:额定动载荷 N由样本查得:K C =1410 N/m;Ca=3600N;FP=1000 N得KC=920 N/m12) 刚度验算及精度选择(1)== N/m= N/mF=已知W1=5000 N ,=0.2F1000 N0=:静摩擦力 NF:静摩擦系数:正压力 NW1(2)验算传动系统刚度KminK:传动系统刚度 Nmin已知反向差值或重复定位精度为10K=222>160min(3)传动系统刚度变化引起的定位误差=1.7m(4)确定精度:任意300mm内的行程变动量对半闭环系统言, V300p≤0.8×定位精度-V300p定位精度为20m/300<14.3mV300p丝杠精度取为3级V300p=12m<14.3(5) 确定滚珠丝杠副的规格代号已确定的型号:FFZD公称直径:40 导程:10螺纹长度:1290丝杠全长:1410P类3级精度FFZD4010-3-P3/1410×129013) 验算临界压缩载荷Fc: N丝杠所受最大轴向载荷Fmax小于丝杠预拉伸力F不用验算。
滚动螺旋传动一、初始条件螺杆材料为:9Cr18 热处理为:中频加热,表面淬火螺母材料为:20CrMnTi 热处理为:渗氮、淬火返向器材料为:40Cr 热处理为:离子渗氮螺纹滚道法面截形为:半圆弧平均载荷为:26800N 平均转速为:1200(r/min)工作长度为:2500mm两支承间最大距离为:2500mm轴向载荷与运动方向为:反向使用寿命为:10000h二、载荷计算载荷系数KF为:1.2 短行程系数KL为:1.3硬度影响系数KH为:1.0 硬度影响系数KH为:1.0动载荷Ca(计算值)为:374842.128N 静载荷Coa(计算值)为:32160N 三、寿命计算额定动载荷为:27750N额定静载荷为:84700N公称直径d0为:40mm导程Ph为:8mm螺纹升角ψ为:3°39′钢球直径Dw为:4.763mm圈数×列数为:1×3四、螺旋副几何尺寸螺纹滚道曲率半径为:2.477~2.62mm偏心距为:0.067~0.168mm螺杆大径为:38.809~39.047mm螺杆小径为:35.181~35.097mm螺杆接触点直径为:37.498mm螺杆牙顶圆角半径为:0.476~0.714mm螺母螺纹大径为:44.819~44.903mm螺母螺纹小径为:40.476~40.595mm五、计算驱动转矩驱动转矩为:408863.846(N*mm)六、轴向弹性变形量载荷分布不均系数Kz为:1.25轴向弹性变形量为:0.0293mm七、螺杆系统的刚性螺杆材料弹性模量E为:207000螺杆材料切变模量G为:83000一端固定,一端不完全固定的长度系数μ为:0.6螺杆系统的刚性为:872928.875(N/mm)八、螺杆的强度螺杆当量应力为:85.863Mpa九、螺杆的稳定性螺杆临界载荷为:68445.947N十、横向振动一端固定,一端不完全固定的系数μ1为:4.730 螺杆临界转速为:1549.023(r/min)十一、计算效率效率为:0.731。
1 滚珠丝杠副的载荷计算(1) 工作载荷F工作载荷F是指数控机床工作时,实际作用在滚珠丝杠上的轴向作用力,其数值可用下列进给作用力的实验公式计算:对于燕尾形导轨机床F=kFx+f'(Fz+2Fy+W)(1)对于矩形导轨机床F=kFx+f'(Fz+Fy+W)(2)对于三角形或组合导轨机床F=kFx+f'(Fz+W)(3)对于钻镗主轴圆导轨机床对于滚动导轨机床F=Fx+f'(Fz+W)+Fr(5)式(1)~(5)中:Fx、Fy、Fz—x、y、z方向上的切削分力,N;Fr—密封阻力,N;W—移动部件的重量,N;M—主轴上的扭矩,N·m;dz—主轴直径,mm;表1f′—导轨摩擦系数;f—轴套和轴架以及主轴的键的摩擦系数;k—考虑颠覆力矩影响的实验系数。
正常情况下,k、f'与f可取表1数值。
(2) 最小载荷Fmin最小载荷F?min为数控机床空载时作用于滚珠丝杠的轴向载荷。
此时,Fx=Fy=Fz=0。
(3) 最大工作载荷F?max最大载荷F?max为机床承受最大切削力时作用于滚珠丝杠的轴向载荷。
(4) 平均工作载荷Fm与平均转速nm当机床工作载荷随时间变化且此间转速不同时,式中:t1,t2,…,tn分别为滚珠丝杠在转速n1,n2,…,nn下,所受轴向载荷分别是F1,F2,…,Fn 时的工作时间(min)当工作载荷与转速接近正比变化且各种转速使用机会均等时,可用下式求得Fm和nm。
Fm=(2Fmax+Fmin)/3(8)nm=(nmax+nmin)/2(9)2 滚珠丝杠副主要技术参数的确定(1) 导程Ph根据机床传动要求,负载大小和传动效率等因素综合考虑确定。
一般选择时,先按机床传动要求确定,其公式为:Ph≥vmax/nmax(10)式中:vmax—机床工作台最快进给速度,mm/min;nmax—驱动电机最高转速,r/min。
在满足控制系统分辨率要求的前提下,Ph应取较大的数值。
滚珠丝杠跟导轨组合后的载荷如何计算?
在正确装配的前提下,滚珠丝杠只承受轴向载荷。
而轴向载荷通过螺母座内的轴承传递到轴承座上,再传递到机器基座上。
影响丝杠轴向力的大小因素有:
1)水平运行时,导轨的摩擦力Fmax=u*m*g+m*amax,垂直运行时搬运重量Fmax=m*g+m*amax,其中,Fmax为工作台及移动零件本身的质量m对丝杠形成的最大力(单位N),u为导轨的摩擦系数,g为重力加速度(单位m/s^2),amax为移动时的最大加速度(单位m/s^2),m为工作台及最大工件质量(单位Kg)。
2)外力(如切削力),的大小无固定公式计算。
这要根据情况查取金属加工工艺手册或分析后得到计算公式。
3)滚珠螺母的轴向内预紧力,一般为滚珠丝杠额定动载荷的5%到30%,无预紧时为零。
额定动载荷大小要查V A V丝杠厂家样本资料。
4)
而导轨的受力分析只能根据导轨的布局按力矩原理做受力分析.
V A V 余小姐。
滚珠丝杠负载计算公式滚珠丝杠是一种常见的机械传动元件,广泛应用于机床、自动化设备等行业。
在设计和选择滚珠丝杠时,负载计算是一个重要的环节。
本文将介绍滚珠丝杠负载计算的公式及其应用。
滚珠丝杠的负载计算公式主要包括静态负载和动态负载两部分。
静态负载是指滚珠丝杠在静止状态下所能承受的最大负载,而动态负载则是指滚珠丝杠在运动状态下所能承受的最大负载。
静态负载计算公式如下:Fst = (π/4) * (Dp - d) * L * σst其中,Fst表示静态负载,Dp表示螺母的直径,d表示滚珠丝杠的直径,L表示滚珠丝杠的有效长度,σst表示滚珠丝杠的材料屈服强度。
动态负载计算公式如下:Fd = (π/4) * (Dp - d) * L * σd其中,Fd表示动态负载,σd表示滚珠丝杠的材料疲劳强度。
需要注意的是,在实际应用中,滚珠丝杠的负载并不是均匀分布在整个滚珠丝杠上的,而是集中在滚珠丝杠的螺母和滚珠之间的接触区域。
因此,在进行负载计算时,需要考虑接触区域的长度。
滚珠丝杠的接触区域长度计算公式如下:Lc = L - 2 * (Dp + d)其中,Lc表示接触区域的长度。
在实际应用中,通常还需要考虑滚珠丝杠的寿命。
滚珠丝杠的寿命可以通过使用寿命系数a1和a2来计算。
滚珠丝杠的寿命计算公式如下:Lh = (C / P) ^ a1 * (Fs / Fc) ^ a2 * L10其中,Lh表示滚珠丝杠的寿命,C表示基本额定动载荷,P表示等效载荷,Fs表示实际负载,Fc表示额定动载荷,L10表示额定寿命。
需要注意的是,以上公式中的各个参数需要根据具体的滚珠丝杠参数和使用条件进行确定。
在进行负载计算时,还需要考虑一些特殊情况,如冲击载荷、振动载荷等。
滚珠丝杠的负载计算是设计和选择滚珠丝杠时的重要环节。
通过合理计算滚珠丝杠的静态负载、动态负载、接触区域长度和寿命,可以确保滚珠丝杠在实际应用中能够安全可靠地工作。
因此,在进行滚珠丝杠的设计和选择时,务必要进行负载计算,并根据计算结果进行合理的选择和调整。
一滚珠丝杠副设计计算:1确定滚珠丝杆副的导程:n P51500210151033max max =⨯⨯=⨯=in v P h 由表15 可知 m i n /15max m v = m i n /1500max r n = 2确定当量转速与当量载荷:(1)丝杠转速:min /6010526.0103311r ip v n h =⨯⨯=⨯= (切削方式下) min /15001010215103322r ip v n h =⨯⨯=⨯=(非切削方式下) 已知:min /6.01m v = m i n /152m v =(2)各种切削方式下丝杠轴向载荷:N u F 398.9202.01=⨯⨯==ω (切削方式下) N u F 398.9202.02=⨯⨯==ω (非切削方式下) 已知2.0=u 8.920⨯=ω(3)当量转速 m n :min /20410010150010090601001002211r t n t n n m =⨯+⨯=+= 已知: 901=t 102=t(4)当量载荷m F :N n t n F n t n F F m m m 4010020410150039100204906039100333322321131=⨯⨯⨯+⨯⨯⨯=⨯+= 3预期工作时间估算: (1) c a m n m am f f f F L n C 100603ω==44.011001.14020000204603⨯⨯⨯⨯⨯⨯ =626N 按表9查得 取3.1=ωf表7查得 1~3级取0.1=a f表8查得 可靠性97%取44.0=c f已知 h L h 20000= (2)拟采用预禁滚珠丝杠副,按最大负载max F 计算,180405.4max =⨯==F f C e am N表10查得:中预载取e f =4.5在这两种方案中取am C 最大值am C =626N4确定允许的最小螺纹底径(1)估算丝杠允许的最大轴向变形量:a )⎪⎭⎫ ⎝⎛<41~31m σ 重复定径精度 1041~31⨯⎪⎭⎫ ⎝⎛<m σ 取m σ=3m μ b) ⎪⎭⎫ ⎝⎛≤51~41m σ 定径精度 2551~41⨯⎪⎭⎫⎝⎛≤m σ 取m σ=6m μ 取以上两种方案中的最小值,即m σ=3m μ已知重复定径精度10m μ,定径精度25m μ(2)估算最小螺纹底径m d 2丝杠要求预拉取两端固定的支承形式L ≈(1.1~1.2)行程+(10~14)h pL=1.2⨯1000+14⨯5=1270mm 398.9202.000=⨯⨯==ωu F039.0039.002==m m LF d σφmm 53127039=⨯ 已知行程为1000,ω =20⨯9.8 , u=25确定滚珠丝杠副的规格代号1)选用循环滚动正反器法蓝,直筒双螺母垫片预紧形式FF2D.2)由计算出的`m P `am C m d 2在样本中取相应规格的滚珠丝杠副 FF2D1605—3 h p =56267600=>=am a C C . 59.1222=>=m d d 6确定滚珠丝杠副预紧力P Fmax 31F F P =N F P 133931=⨯= N F F 391max == 7行程补偿值:(1) mm L L L L a n c N 111315283100021=⨯====== 10001=C L =n L (查样本)()154~2==h a P Lt ∆温度差取5.2℃C=11.8t ∆N L ⨯310=8.321011135.28.113=⨯⨯⨯-~~(2)预拉伸力t F2295.1td F t ∆==8119.125.295.12=⨯⨯ N 8确定滚珠丝杠副支承用的轴承的型号、规格(1)轴承所承受的最大轴向载荷max B FN F F F t B 85039811max max =+=+=(2)轴承类型:两端固定的支承形式 背对背 60°接触角推力角接触球轴承(3)轴承内径dd 略小于2d =12.9mm 即 取2d =12mm(4)轴承预紧力BP FN F F B BP 2838503131max =⨯== 轴承样本上规定预紧力应大于轴承所受最大载荷max B F 的31(5)按样本选轴承型号、规格d=12mm 型号:7602012TVP;d=12mm 预加负载BP F ≥即预加负载为:N F BP 2832900=> 9滚珠丝杠工作图设计:(1)丝杠螺纹长度S Lmm L L L e v S 115320211132=⨯+=+= 由表查得。
计算举例某台加工中心台进给用滚珠丝杠副的设计计算:已知: 工作台重量 W1=5000N 工作及夹具最大重量W2=3000N 工作台最大行程L K=1000mm 工作台导轨的摩擦系数:动摩擦系数μ=0.1静摩擦系数μ0=0.2 快速进给速度 V max=15m/min 定位精度20 μm/300mm 全行程25μm重复定位精度10μm要求寿命20000小时(两班制工作十年)。
表1切削方式纵向切削力Pxi(N) 垂向切削力Pzi(N)进给速度Vi(m/min)工作时间百分比%丝杠轴向载荷(N)丝杠转速r/min强力切削2000 1200 0.6 10 2920 60 一般切削1000 200 0.8 30 1850 80 精切削500 200 1 50 1320 100 快速进给0 0 15 10 800 1500 1)确定滚珠丝杠副的导程因电机与丝杠直联,i=1由表1查得代入得,按第2页表,取2)确定当量转速与当量载荷(1)各种切削方式下,丝杠转速由表1查得代入得(1)各种切削方式下,丝杠轴向载荷由表1查得代入得(3)当量转速由表1查得代入得(2)当量载荷代入得3)预期额定动载荷(1)按预期工作时间估算按表9查得:轻微冲击取 f w=1.3按表7查得:1~3取按表8查得:可靠性97%取f c=0.44已知:L h=20000小时代入得(2)拟采用预紧滚珠丝杠副,按最大负载F max计算:按表10查得:中预载取 F e=4.5代入得取以上两种结果的最大值4)确定允许的最小螺纹底径(1)估算丝杠允许的最大轴向变形量① ≤(1/3~1/4)重复定位精度② ≤(1/4~1/5)定位精度: 最大轴向变形量µm已知:重复定位精度10µm, 定位精度25µm① =3② =6取两种结果的小值=3µm(2)估算最小螺纹底径丝杠要求预拉伸,取两端固定的支承形式(1.1~1.2)行程+(10~14)已知:行程为1000mm,代入得5)确定滚珠丝杠副的规格代号(1)选内循环浮动式法兰,直筒双螺母型垫片预形式(2)由计算出的在样本中取相应规格的滚珠丝杠副FFZD4010-36) 确定滚珠丝杠副预紧力其中7)行程补偿值与与拉伸力(1)行程补偿值式中:=(2~4)(2) 预拉伸力代入得8)确定滚珠丝杠副支承用的轴承代号、规格(1)轴承所承受的最大轴向载荷代入得(2)轴承类型两端固定的支承形式,选背对背60°角接触推力球轴承(3)轴承内径d 略小于取代入得(4)轴承预紧力预加负荷≥(5)按样本选轴承型号规格当d=30mm 预加负荷为:≥F BP所以选7602030TVP轴承d=30mm预加负荷为9 ) 滚珠丝杠副工作图设计(1) 丝杠螺纹长度L s:L s=L u+2L e由表二查得余程Le=40 绘制工作图(2)两固定支承距离L1按样本查出螺母安装联接尺寸丝杠全长L(3)行程起点离固定支承距离L0由工作图得Ls=1290L1=1350L=1410L0=3010 ) 电机选择(略)11 ) 传动系统刚度(1)丝杠抗压刚度1)丝杠最小抗压刚度K smin= 6.6 ×10K smin:最小抗压刚度 N/md2:丝杠底径L1:固定支承距离K smin=575 N/m2)丝杠最大抗压刚度K smax=6.6 ×10K smax:最大抗压刚度 N/mK smax=6617 N/m(2) 支承轴承组合刚度1)一对预紧轴承的组合刚度K BO=2×2.34K BO:一对预紧轴承的组合刚度 N/md Q:滚珠直径 mmZ :滚珠数Famax :最大轴向工作载荷 N:轴承接触角由样本查出7602030TUP轴承是预加载荷的3倍d Q=7.144 Z=17 =60 K amax=8700 N/mK BO=375 N/m2)支承轴承组合刚度由表13两端固定支承K b=2 K BOK b=750 N/mK b :支承轴承组合刚度 N/m 3)滚珠丝杠副滚珠和滚道的接触刚度K C= K C(K C :滚珠和滚道的接触刚度 N/m K C:查样本上的刚度 N/mF P:滚珠丝杠副预紧力 NC a:额定动载荷 N由样本查得:K C=1410 N/m;C a=3600N;F P=1000 N得K C=920 N/m12) 刚度验算及精度选择(1)== N/m= N/mF0=已知W1=5000 N ,=0.2 F0=1000 NF0 :静摩擦力 N :静摩擦系数W1:正压力 N(2)验算传动系统刚度K minK min:传动系统刚度 N已知反向差值或重复定位精度为10K min=222>160(3)传动系统刚度变化引起的定位误差=1.7m(4)确定精度V300p:任意300mm内的行程变动量对半闭环系统言, V300p≤0.8×定位精度-定位精度为20m/300V300p<14.3m丝杠精度取为3级V300p=12m<14.3(5) 确定滚珠丝杠副的规格代号已确定的型号:FFZD公称直径:40 导程:10螺纹长度:1290丝杠全长:1410P类3级精度FFZD4010-3-P3/1410×129013) 验算临界压缩载荷F c:N丝杠所受最大轴向载荷Fmax小于丝杠预拉伸力F不用验算。
滚珠丝杠副的安装:为了保证滚珠丝杠副传动的刚度和精度,选择一端固定、一端游动(F--S )的支撑方式,如图所示。
固定端采用深沟球轴承2和双向推力球轴承4,可分别承受径向和轴向负载,螺母1、挡圈3、轴肩、支撑座5台肩、端盖7提供轴向限位,垫圈6可调节推力轴承4的轴向预紧力。
游动端需要径向约束,轴向无约束。
采用深沟球轴承8,其内圈由挡圈9限位,外圈不限位,以保证丝杠在受热变形后可在游动端自由伸缩。
选用推力球轴承,查《机械设计课程设计手册》表6—8,选用滚动轴承 52206 GB/T 301—1995 。
查《机械设计课程设计手册》表6—1,选用滚动轴承 6205 GB/T 276—1994 。
滚珠丝杠副的计算 P=6mm(1) 求计算载荷:1.2 1.0 1.0150=180c F H A m F K K K F N ==⨯⨯⨯有题中条件,查表2-6取 1.2F K =,查表2-7取 1.0H K =,查表2-4取D 级精度,查表2-8取 1.0A K =. (2) 计算额定动载荷 取4p mm =,3060450min 4m r n ⨯==则,''33444502000018015001.6710 1.6710m h a C n L C F N ⨯==⨯≈⨯⨯, 考虑各种因素选用FCI-2004-2.5,由表2-9得丝杠副数据:公称直径 020D mm = 导程 4p mm = 螺旋角 338'λ= 滚珠直径 0 2.381d mm =(3) 按表2-1中尺寸公式计算:滚道半径 00.520.52 2.381 1.24R d mm ==⨯≈。
偏心距 20 2.3810.7070.707 1.24 3.51022d e R mm -⎛⎫⎛⎫=-=⨯-=⨯ ⎪ ⎪⎝⎭⎝⎭。
丝杠内径 a ()21022202 3.5102 1.2417.59d D e R mm -=+-=+⨯⨯-⨯= (4) 稳定性验算a) 由于一端轴向固定的长丝杠在工作时可能会发生失稳,所以在设计时应验算其安全系数S ,其值应大于丝杠副传动结构允许安全系数[]S .临界载荷 ()22acr EI F l πμ= 式中,E 为丝杠材料的弹性模量,对于钢,E=206GPa; l =0.2m ;a I 为丝杠危险截面的轴惯性矩;μ为长度系数, 依题意,()4349413.1417.59104.7106464a dI m π--⨯⨯==≈⨯取23μ=,则29952(3.14)20610 4.710 5.41020.23cr F N -⨯⨯⨯⨯=≈⨯⎛⎫⨯ ⎪⎝⎭安全系数55.4103600150cr m F S F ⨯===。
滚珠丝杠计算1、确定滚珠丝杠副的导程根据电机额定转速和X向滑板最大速度,计算丝杠导程。
X向运动的驱动电机选择松下MDMA152P1V,电机最高转速为4500rpm。
电机与滚珠丝杆通过联轴器连接,传动比为0.99。
X向最大运动速度24m/min,即24000mm/min。
实际取Ph=10mm,可满足速度要求。
2 、滚珠丝杠副的载荷及转速计算滚动导轨承重时的滑动摩擦系数最大为0.004,静摩擦系数与摩擦系数差别不大,此处计算取静摩擦系数为0.006。
则导轨静摩擦力。
式中:M —工件及工作台质量,M为500kg。
f —导轨滑块密封阻力,按4个滑块,每个滑块密封阻力5N。
由于该设备主要用于检测,丝杠工作时不受切削力,检测运动接近匀速,其阻力主要来自于导轨、滑块的摩擦力。
则有:滚珠丝杠副的当量载荷:滚珠丝杠副的当量转速:3 、滚珠丝杠副预期额定动载荷3.1、按滚珠丝杠副的预期工作时间计算:式中:nm —当量转速,Lh —预期工作时间,测试机床选择15000小时f W —负荷系数,平稳无冲击选择fW =1fa —精度系数,2级精度选择f a =1fc —可靠性系数,一般选择fc =13.2 按滚珠丝杠副的预期运行距离计算:式中:Ls —预期运行距离,一般选择Ls = 24X103m 3.3 、按滚珠丝杠副的预加最大轴向负载计算:式中:fe —预加负荷系数,轻预载时,选择fe = 6.7 fmax —丝杠副最大载荷4 、估算滚珠丝杠的最大允许轴向变形量dm * 重复定位精度X向运动的重复定位精度要求为0.03mm,则5 、估计算滚珠丝杠副的螺纹底X5.1 、根据X向运动行程为1000mm,可计算出两个固定支承的最大距离:L» (1.1~1.2) ´l + (10~14) ´Ph= 1.2´1000+14´10 =1340mm 5.2 按丝杠安装方式为轴向两端固定,则有丝杠螺纹底X:式中:F0 —导轨静摩擦力,F0=49.4NL —滚珠螺母至滚珠丝杠固定端支承的最大距离,L = 1340mm 6 、导程精度的选择根据X向运动的定位精度要求达到0.08mm/1000mm,则任意300mm。
滚珠丝杆副的计算选择1.使用条件提升小车负载小车,电机等总载荷5吨速度0.5m/s加速度最大行程8000mm位置精度52um/300mm寿命20000L2.类型:T类(传动滚珠丝杆副)3.滚珠丝杆副的导程P h=V max/(i*n max)=500/(1500/60)=20mm4.滚珠丝杆副的载荷及其转动速度当量载荷C0a=mg=5000*9.8=49000N4根螺杆C0a=49000/4=12250N5.预期动载荷C a1.按预期工作时间估算f w=2 f a=0.8 可靠性90%取fc=1 L h=20000小时C am=223520N2.采用预紧滚珠丝杆副,按最大负载F max计算C am=f e F max查表f e=3.4C am=3.4*12250=41650N6.按精度要求确定滚珠丝杆的最小螺纹底径d2m预计选择直径63mm , 行程8000,精度7(1)估算丝杆允许的最大轴向变形量定位精度52um/300mm ,全程2773um重复定位精度52um,取两种结果最小值17um(2)估算最小螺纹底径丝杆要求预拉伸,取两端固定的支撑形式L=(1.1~~1.2)行程+(10~14)P h静摩擦力F0=u0W1已知行程为8000mm ,W1=12250N ,u0=0.2L=1.15*8000+12*20=9440mmF0=12250*0.2=2450Nd2m=45mm7.确定滚珠丝杠副的规格代号选内循环浮动式法兰,双螺母型垫片预紧d0xl-I 公称直径X导程-循环圈数63x20-3 动载荷C a=53.2KN , 静载荷C0a=112.1KN 8.滚珠丝杠副预紧力当最大轴向工作载荷F max能确定时F p=1/3F max =1/3*12250=4083N当最大轴向工作载荷不能确定时F p =∮C am9.行程补偿值C和预拉伸力F tLu=8000+12*20=8240mmC=11.8*2.5*8240*10-3=243umF t=1.95*2.5*602=17550N确定滚珠丝杠副支承用的轴承代号,规格(1)轴承所承受的最大轴向载荷F Bmax=F t+F max=17550+12250=29800N(2)轴承类型(3)轴承内径略小于丝杠底径d2(4)轴承预紧力F bp≥1/3 F Bmax=9933N电机的选择传动系统刚度1丝杠抗压刚度1)丝杠最小抗压刚度K smin=102 *6.6*d22/L1N/umd2丝杠底径L1固定支撑距离K smin=102*6.6*602/(8000+12*20)=288Num 2)丝杠最大抗压刚度K smax =102*6.6*d22*L1/[4*L0(L1-L0)]K smax=2549N/um2支承轴组合刚度。
滚珠丝杠副参数计算与选用1、计算步骤2、确定滚珠丝杠导程Ph根据工作台最高移动速度Vmax , 电机最高转速nmax, 传动比等确定Ph。
按下式计算,取较大圆整值。
Ph=(电机与滚珠丝杠副直联时,i=1)3、滚珠丝杠副载荷及转速计算这里的载荷及转速,是指滚珠丝杠的当量载荷Fm与当量转速nm。
滚珠丝杠副在n1、n2、n3······nn转速下,各转速工作时间占总时间的百分比t1%、t2%、t3%······tn%,所受载荷分别是F1、F2、F3······Fn。
当负荷与转速接近正比变化时,各种转速使用机会均等,可按下列公式计算:(nmax: 最大转速,nmin: 最小转速,Fmax: 最大载荷(切削时),Fmin: 最小载荷(空载时)4、确定预期额定动载荷①按滚珠丝杠副预期工作时间Ln(小时)计算:②按滚珠丝杠副预期运行距离Ls(千米)计算:③有预加负荷的滚珠丝杠副还需按最大轴向负荷Fmax计算:Cam=feFmax(N)式中:Ln-预期工作时间(小时,见表5)Ls-预期运行距离(km),一般取250km。
fa-精度系数。
根据初定的精度等级(见表6)选。
fc-可靠性系数。
一般情况fc=1。
在重要场合,要求一组同样的滚珠丝杠副在同样条件下使用寿命超过希望寿命的90%以上时fc见表7选fw-负荷系数。
根据负荷性质(见表8)选。
fe-预加负荷系数。
(见表9)表-5 各类机械预期工作时间Ln表-6 精度系数fa机械类型Ln(小时)普通机械5000~10000 普通机床10000~20000 数控机床20000精密机床20000测示机械15000航空机械1000精度等级1.2.3 4.5 7 10fa 1.0 0.9 0.8 0.7表-7 可靠性系数fc可靠性% 90 95 96 97 98 99 fc 1 0.62 0.53 0.44 0.33 0.21 表-8 负荷性质系数fw负荷性质无冲击(很平稳)轻微冲击伴有冲击或振动fw 1~1.2 1.2~1.5 1.5~2表-9 预加负荷系数fe预加负荷类型轻预载中预载重预载fe 6.7 4.5 3.4以上三种计算结果中,取较大值为滚珠丝杠副的Camm。
滚珠丝杠最大动载荷计算公式滚珠丝杠在机械传动中可是个相当重要的角色呢!咱们今儿就来好好唠唠滚珠丝杠最大动载荷的计算公式。
先来说说啥是滚珠丝杠的最大动载荷。
想象一下,滚珠丝杠就像一个勤劳的小工,在机械系统里不停地跑来跑去干活。
而这个最大动载荷呢,就是它能承受的最大压力或者说最大的工作强度。
要是超过了这个最大动载荷,滚珠丝杠可能就会累得“罢工”,甚至“生病”,影响整个机械系统的正常运转。
那这最大动载荷到底咋算呢?这就需要用到下面这个公式啦:C = fH * fW * fP * P在这个公式里,C 表示的就是最大动载荷,fH 是寿命系数,fW 是载荷系数,fP 是精度系数,P 则是工作载荷。
咱们一个一个来解释解释。
先说这个寿命系数 fH ,它和预期的工作寿命有关。
比如说,你希望这个滚珠丝杠能稳稳当当工作个十万转,那对应的寿命系数就和希望它工作个二十万转的不一样。
这就好比你计划出门旅行三天和七天,准备的东西多少就有差别。
再看载荷系数 fW ,它反映的是工作中的载荷变化情况。
如果工作时载荷很平稳,就像每天都走同样的路去上班,那这个系数就小;要是载荷波动很大,一会儿轻一会儿重,就像开车时一会儿猛加速一会儿急刹车,那系数就大。
精度系数 fP 呢,和滚珠丝杠的精度要求有关。
精度要求越高,系数就越大。
就好比你做手工,要求越精细,需要花费的心思和精力就越多。
最后说说工作载荷 P ,这可是个关键角色。
它就是滚珠丝杠在实际工作中承受的力。
比如说,一台机器通过滚珠丝杠来传递动力,那这个力的大小就是工作载荷。
给您举个我亲身经历的例子。
有一次,我们工厂里一台设备出了故障,大家都急得团团转。
我去检查了一下,发现是滚珠丝杠出了问题。
经过仔细分析,发现就是因为当初设计的时候,没有准确计算最大动载荷,导致在实际工作中超过了它的承受能力。
这就好比让一个小孩去扛大人才能扛得动的东西,肯定扛不住嘛!后来,我们重新计算,更换了合适的滚珠丝杠,设备这才又欢快地运转起来。
一、滚珠丝杠特点1、所需扭矩小滚珠丝杠是滚珠丝杠与螺母间的螺纹沟槽做滚动运动,因此摩擦力小,驱动扭矩仅为滑动丝杠的1/3以下。
如图所示图1:正效率(旋转→直线)图2:反效率(直线→旋转)1、1、1导程角的计算法……………………………………(1 )β:导程角(度)d p:滚珠中心直径(mm)ρh:进给丝杠的导程(mm)2扭矩计算(1)水平推力转换为驱动扭矩T:驱动扭矩Fa:导向面的摩擦阻力Fa=μ×mgμ:导向面的摩擦系数g:重力加速度(9.8m/s2)m:运送物的质量(kg )ρh:进给丝杠的导程(mm )η:进给丝杠的正效率(图1)(2)施加扭矩时产生的推力Fa:产生的推力(N )T:驱动扭矩(N mm )ρh:进给丝杠的导程(mm )η:进给丝杠的正效率(图1)T:驱动扭矩(N mm )Fa:产生的推力(N )ρh:进给丝杠的导程(mm )η:进给丝杠的正效率(图2)3驱动扭矩的计算实例用有效直径是:32mm,导程:10mm(导程角:5O41’的丝杠,运送质量为500Kg的物体,其所需的扭矩如下(1)滚珠丝杠驱动(导轨0.003,丝杠μ=0.003,效率η=0.96)导向面的摩擦阻力Fa=0.003×500×9.8=14.7N驱动扭矩(2)滑动丝杠驱动(导轨0.003,丝杠μ=0.2,效率η=0.32)导向面的摩擦阻力Fa=0.003×500×9.8=14.7N驱动扭矩4 能微量进给滚珠丝杠由于滚动运动,起动扭矩极小,不产生如滑动运动中晚出现的蠕动现象,所以能进行正确的微量进给。
图4是让滚珠丝杠每1行进给0.1μm时的移动量。
(导向面使用的是LM导轨)图4 进给0.1μm的移动量数据5 无游隙高刚性因对滚珠丝杠施加预压,使轴向间隙为0以下,从而获得高刚性。
在图5中,如往(+)方向上施加轴向负荷,工作台(+)侧位移。
反之,往(—)方向上施加轴向负荷,工作台向(—)侧位移。