船舶资料
- 格式:doc
- 大小:760.00 KB
- 文档页数:12
船舶评估所需资料
船舶评估所需的资料包括以下内容:
1.基本资料:企业法人营业执照复印件、企业近期报表
(附审计报告)和资信证明。
2.产权依据:船舶所有权登记证书、船舶国籍证书、海上
货船适航证书、海上船舶吨位证书、海上船舶载重线证书、海上船舶防止油污证书和沿海船舶最低安全配员证书。
内河船舶还需要提供内河船舶检验证书薄、内河船舶适航证书、内河船舶吨位证书、内河船舶载重线证书、内河船舶乘客定额证书、内河船舶防止油污证书、内河船舶装截危险货物适装/推或拖
证书、内河船舶临时证书和船舶的技术文件。
3.船舶规范、检验资料:海上船舶检验证书簿、最近期的
船检报告(验船师签字)、船舶技术规范资料和船舶设备更新、事故及大修理资料。
船舶现有设备是否经过更新也需要提供。
4.财务资料:船舶造建或购置的工程承揽合同复印件、,船舶专用设备、其他设备购置的买卖合同、,船舶账面记录和账面价值(记账凭证、原始凭证复印件)。
5.船舶营运的资料:船舶营运指标主要有运量、周转量、平均运距、吨船产量、航行率、营运率、载重量利用率、平均航速等。
6.照片:需要提供船舶全貌、驾驶台、甲板、主机、起重设备、货仓口等重点部位的照片。
最后,还需要提供一份承诺函。
船舶行业公开资料目录表引言:船舶行业是一个关键的经济领域,与全球贸易和物流密切相关。
对于船舶行业从业者和研究人员来说,了解相关资料和信息对他们的工作至关重要。
本文将提供一份船舶行业的公开资料目录表,帮助读者快速获取所需的信息。
1. 船舶分类与设计船舶行业涵盖了各种类型的船只,包括货轮、油轮、钢铁船、油田供应船等。
这一部分的资料目录将包括与船舶设计、结构、性能等相关的资料,包括各类规范和标准,以及相关的学术文献和期刊。
2. 船舶建造与维修了解船舶的建造和维修过程对于船舶行业从业者至关重要。
这一部分的资料目录将包括与船舶建造、工艺和技术等相关的资料,包括船舶建造的标准和流程,以及各类船厂和修船厂的指南。
3. 船舶运营与管理在船舶运营和管理方面,有很多重要的资料可以供从业者参考。
这一部分的资料目录将包括与船舶运营、管理、经济、法律等相关的资料,包括船舶运营的最佳实践、运营成本分析、航运市场分析等。
4. 船舶安全与环境保护船舶安全和环境保护是船舶行业中的两个重要议题。
这一部分的资料目录将包括与船舶安全、航海事故调查、船舶污染控制等相关的资料,包括国际海事组织(IMO)的文件、安全规定等。
5. 船舶市场与行业动态船舶市场和行业动态是船舶行业从业者和投资者关注的焦点。
这一部分的资料目录将包括与船舶市场、行业趋势、价格指标等相关的资料,包括各类市场报告、行业研究报告等。
6. 航海导航与通信技术航海导航和通信技术在船舶行业中具有重要的地位和影响。
这一部分的资料目录将包括与船舶导航、通信设备、卫星定位系统等相关的资料,包括相关的技术手册、操作指南等。
结论:船舶行业的公开资料目录表为从业者和研究人员提供了一个便捷的获取信息的途径。
通过查阅这些资料,他们可以了解到船舶行业的最新动态、技术发展以及市场趋势。
同时,这些资料也有助于提高船舶行业的规范化和提升行业的整体水平。
在这个信息爆炸的时代,获取正确、及时的信息对于船舶行业的发展至关重要。
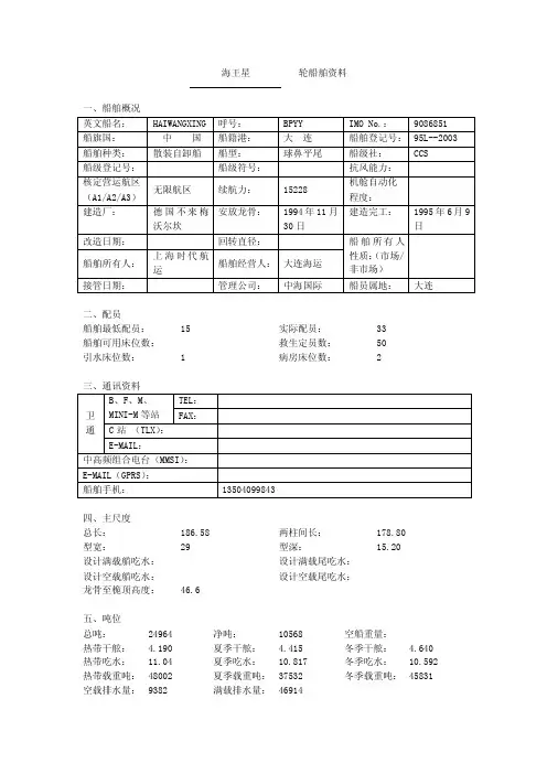
海王星轮船舶资料一、船舶概况二、配员船舶最低配员:15 实际配员:33船舶可用床位数:救生定员数:50引水床位数: 1 病房床位数: 2三、通讯资料四、主尺度总长:186.58 两柱间长:178.80型宽:29 型深:15.20设计满载艏吃水:设计满载尾吃水:设计空载艏吃水:设计空载尾吃水:龙骨至桅顶高度:46.6五、吨位总吨:24964 净吨:10568 空船重量:热带干舷: 4.190 夏季干舷: 4.415 冬季干舷: 4.640 热带吃水:11.04 夏季吃水:10.817 冬季吃水:10.592 热带载重吨:48002 夏季载重吨:37532 冬季载重吨:45831 空载排水量:9382 满载排水量:46914苏伊士运河总吨:26073.65 苏伊士运河净吨:22784.09 巴拿马运河总吨:巴拿马运河净吨:20774每厘米吃水吨数:空载海水1.6 满载海水/47六、舱容(一)货舱(二)客、箱船集装箱数:冷箱插座:载客数量:(三)压载舱(四)FO燃油舱(柜)(五)DO燃油舱(柜)(六)润滑油舱(柜)(七)淡水舱(柜)(八)污水舱(油轮)七、航速、负载和消耗(一)航速、负载试航航速:14.5 空载航速:13.5 满载航速:12.5主机额定转速:115R/MIN 主机常用转速:103R/MIN 航行发电机负载:400/385KW(二)油水储耗八、设备资料(一)主机(二)发电柴油机(三)主发电机/轴带发电机1.主发电机(四)应急发电机/应急电源(五)锅炉(六)起重/货油设备(油轮)1.起重设备3.自卸设备(七)开舱/阀控系统 开舱系统形式:边开式货油舱阀控方式(油轮): 压载舱阀控方式: 液压遥控(八)锚设备 (九)螺旋桨(十一)侧推器(十二)防摇鳍(十三)中间轴、尾轴、尾轴密封(十四)防污染设备1.油水分离器2.焚烧炉3.生活污水处理装置4.排油监控装置(ODME)5.污油水舱(柜)(十五)救生设备(十六)消防设备消防泵(十七)辅助设备(十八)舵机(十九)泵(二十)惰气系统(二十一)大舱浸水报警系统(二十二)助航设备(二十三)通信设备(GMDSS)九、滑油表。
一、前言船舶作为海上运输的重要工具,其性能、结构、设备等方面对于航运安全、效率、经济性等方面具有至关重要的作用。
为了深入了解船舶的相关知识,我参加了船舶实习,现将实习期间收集到的船舶资料参数进行整理,以供参考。
二、船舶基本参数1. 船名:ocean skipper2. 呼号:vrjj63. 船级符号:LR4. 船旗:中国香港5. 总长:190.0米6. 船宽:32.3米7. 型深:18.1米8. 满载排水量:67932吨9. 满载水线:12.85米10. 空船重:11117吨三、船舶载重参数1. 公吨(gt):33456吨2. 净吨(nt):19333吨3. 苏伊士运河最大载重吨(suez gt):34682吨4. 巴拿马运河最大载重吨(Panama nt):27743吨四、船舶动力系统参数1. 主机型号:MAN B&W 6S80MC-C2. 主机功率:44000千瓦3. 主机转速:96转/分钟4. 主机油耗:190克/千瓦时五、船舶辅助设备参数1. 船舶发电机组:4台,功率为660千瓦2. 船舶生活污水处理装置:2套3. 船舶消防系统:自动喷水灭火系统、泡沫灭火系统、二氧化碳灭火系统4. 船舶救生设备:救生艇、救生筏、救生衣、救生圈等5. 船舶通信设备:VHF、MF/HF、卫星电话、GMDSS等六、船舶安全设施参数1. 船舶导航设备:GPS、雷达、ECDIS、罗盘等2. 船舶安全监控系统:船舶安全管理系统(SMS)、船舶监控系统(SCS)等3. 船舶防污染设备:油水分离器、压载水处理装置等4. 船舶救生设备:救生艇、救生筏、救生衣、救生圈等七、船舶维护保养参数1. 船舶保养周期:根据船龄、航行里程、船型等因素确定2. 船舶维修周期:根据船舶设备使用情况、维护保养情况等因素确定3. 船舶备件储备:根据船舶设备配置、航行路线等因素确定八、总结通过对船舶资料参数的整理,我对船舶的基本性能、载重、动力系统、辅助设备、安全设施以及维护保养等方面有了更加深入的了解。
船舶行业公开资料包括一、船舶行业的背景介绍船舶行业是指与船舶相关的一系列产业活动,包括船舶制造、海运服务、船舶维修、船舶用品及设备供应等。
作为全球经济的重要组成部分,船舶行业在促进国际贸易、资源开发和文化交流等方面发挥着举足轻重的作用。
为了了解船舶行业的发展状况和相关信息,公开资料成为了我们获取信息的重要途径。
二、船舶行业的公开资料种类1. 船舶制造公开资料:包括船舶制造企业的资质证书、船舶设计图纸、相关技术标准等。
这些资料有助于了解船舶制造的科技水平和质量控制标准。
2. 航运服务公开资料:包括航运公司的运营报告、船舶航线图、运输统计数据等。
这些资料可以提供船舶运营数据和公司经营状况,有助于了解船舶运输市场动态。
3. 船舶维修公开资料:包括船舶维修公司的业绩报告、维修流程和设备介绍等。
这些资料可以提供船舶维修企业的技术实力和服务能力。
4. 船舶用品及设备供应公开资料:包括供应商的产品目录、技术参数、质量认证等。
这些资料对选择合适的船舶用品和设备具有指导作用。
三、获取船舶行业公开资料的途径1. 企业官方网站:许多船舶制造、航运服务和维修企业会在其官方网站上公布相关资料,包括公司简介、产品介绍和最新动态等。
2. 政府机构网站:政府相关部门会公布船舶行业的政策法规、监管要求和统计数据等。
通过访问政府机构网站,可以了解到更全面的船舶行业信息。
3. 学术研究机构:一些研究船舶行业的机构会发布相关研究报告和学术论文,这些资料对于深入了解行业发展趋势和技术创新具有重要意义。
4. 专业展会和会议:参加船舶行业的专业展会和会议,可以接触到行业内的企业和专家,获取最新的技术资料和市场信息。
四、公开资料对船舶行业的重要性1. 促进行业规范化:公开资料的存在可以强化船舶行业的信息透明度,促使行业成员按照规范和标准进行经营和交易,推动行业向健康发展的方向迈进。
2. 提高消费者选择能力:船舶制造企业的资质证书和产品介绍等资料,可以帮助消费者了解企业的信誉和产品性能,从而提高购买决策的准确性。
航海实习报告船舶资料一、船舶概况实习期间,我所在的船舶是一艘载重吨为5000吨的散货船,船名为“海翔号”,船旗为中国。
该船采用柴油机推进,主机功率为3600千瓦,最大航速约为14节。
船舶的主要航线为中国至南美洲、非洲、东南亚等地区。
二、船舶结构及设备1. 船舶结构“海翔号”散货船共有8个货舱,舱口尺寸为2.2米×1.8米,舱深为15米。
船舶的船体结构采用了高强度钢,以确保在承载最大载重量时仍然保持良好的稳定性。
2. 船舶设备(1)导航设备:船舶配备了先进的导航设备,包括雷达、GPS、陀螺仪、自动识别系统(AIS)等,确保在航行过程中能够准确获取船舶位置和航向。
(2)通信设备:船舶配备了卫星通信系统、甚高频(VHF)无线电话、无线电传真等设备,以便在航行过程中与外界进行有效沟通。
(3)动力设备:船舶采用了一台型号为XXXX的柴油机作为主机,驱动螺旋桨推进。
此外,还配备了发电机组,为船舶提供所需的电力。
(4)船舶控制系统:船舶采用了自动化控制系统,可以实现对船舶航向、速度、载重等方面的自动调整。
三、实习内容及体会1. 实习内容在实习期间,我参与了船舶的航行、货物装卸、船舶保养等工作。
通过实际操作,了解了船舶的基本运行原理和航行操作流程,掌握了部分船舶设备的操作技能。
2. 实习体会(1)团队合作:在实习过程中,我深刻体会到了团队合作的重要性。
船舶的运行需要各个部门的密切配合,只有大家齐心协力,才能确保船舶的安全航行。
(2)遵守纪律:船舶实习期间,我严格遵守船上的各项规定,遵循安全操作规程,确保自己和他人的人身安全。
(3)学习意识:实习期间,我意识到自己在学校所学的知识与实际操作之间还存在一定差距。
因此,我抓住机会向船上的前辈请教,不断提高自己的实践能力。
四、总结通过本次航海实习,我对船舶的运行原理、设备功能和航行操作有了更深入的了解。
同时,实习过程中的团队合作、遵守纪律和学习意识也让我受益匪浅。
[基础知识] 船舶基础知识----普及性讲解船舶部位、尺度和标志一、船舶各部位及舱室名称有关概念船首(head):船的前端部位。
它的两侧船壳弯曲处叫首舷(bow)。
船尾(stern):船的后端部位。
它的两侧船壳弯曲处叫尾舷(quarter)。
舭部(bilge):船舷侧板与船底板交结的部位。
附:专业英语单词1. starboard: 右舷2. port:左舷3. abeam: 正横4. hatch: 舱口5. cargo hold:货舱6. inner bottom plating:内底板7. bottom plating: 船底板8. double bottom:双底层9. forcastle deck:首楼甲板10. poop deck:尾楼甲板11. saloon deck:上层建筑甲板12. promenade deck:起居甲板13. watrtight transverse bulkhead:水密横舱壁14. forepeak tank: 首尖舱15. afterpeak tank: 尾尖舱16. engine room: 机舱17. collision bulkhead:防撞舱壁船舶尺度最大尺度:也称全部尺度或周界尺度,它可以决定停靠码头泊位的长度,是否可以从桥下通过,进某一船坞。
全长(最大长度):指船舶最前端与最后端之间(包括外板和两端永久性固定突出物在内)水平距离。
全宽(最大宽度):包括船舶外板和永久性固定突出物在内的垂直于纵中线面的最大水平距离。
最大高度:自龙骨下边致船舶最高点之间的垂直距离。
它减去吃水,即可得水面以上的船舶高度。
登记尺度:是主管机关在登记船舶和计算船舶总吨位、净吨位时所使用的尺度,它载明于吨位证书上。
登记长度:在上甲板的上表面上,自首柱前缘到尾柱后缘的水平距离;无尾柱时,则量至舵杆中心。
登记宽度:在船舶最大宽度处,两舷外板外表面之间的水平距离。
登记深度:在船舶纵中剖面的登记长度中点处,从上甲板下表面往下量至内底板上表面的垂直距离。
船舶行业培训资料目录在现代社会中,船舶行业扮演着重要的角色,负责着全球贸易和物流运输的重任。
然而,作为一个极具专业性的行业,船舶行业需要拥有高素质的人才来支持其发展。
为了培养和提高船舶行业人才的能力,各种培训资料成了必不可少的资源。
本文将介绍一些船舶行业培训资料的分类和内容。
一、船舶技术培训资料1. 船舶基础知识:该资料主要涵盖了船舶的基本概念、结构和原理等内容,适合初学者入门阶段的培训。
2. 船舶维修与保养:包括船舶机电设备、船体油漆、排水系统等的维护与保养知识,旨在提高人员对船舶设备维修的技能。
3. 航海导航:介绍航海导航的基本知识,如纬度经度、航标识别、电子导航设备等,帮助人员掌握航行技能。
二、安全管理培训资料1. 航海安全知识:包括防火、救生、船舶安全管理系统等方面的培训,帮助人员提高安全意识和应急处置能力。
2. 船舶事故案例分析:通过分析船舶事故案例,总结事故原因和教训,以避免类似事件再次发生。
三、法律法规培训资料1. 船舶安全法规:介绍国际航海安全管理规定、国内船舶安全法规等内容,帮助人员了解和遵守相关法规。
2. 船舶污染预防法规:包括船舶垃圾管理、废物排放等方面的法规培训,提高人员对船舶环保意识和法规要求的了解。
四、船舶管理与经营培训资料1. 船舶运营管理:介绍船舶的运营管理流程和相关知识,包括货物装卸、船舶运费与财务管理等内容。
2. 船舶人力资源管理:涵盖人力资源招聘、培训、福利管理等方面的知识,帮助企业提高人力资源管理能力。
3. 航运市场分析:介绍航运市场的基本概念、竞争环境等内容,帮助企业了解市场动向,做出正确的经营决策。
五、船舶技能实操培训资料1. 船舶模拟演练:通过利用船舶模拟器进行演练,提供实际操作的机会,帮助人员掌握船舶操纵技巧。
2. 船舶工程实验:提供不同类型船舶的实验案例,让学员亲手动手、亲眼目睹,锻炼实际操作能力。
六、船舶行业创新发展培训资料1. 船舶能源技术:介绍船舶能源的创新技术,如LNG动力系统、太阳能装备等,推动航海绿色发展。
人类用船舶作为水上交通工具,极大的方便了生活。
一、船舶种类海上货物运输船舶的种类繁多。
货物运输船舶按照其用途不同,可分为干货船和油槽船两大类:(一)干货船(Dry Cargo Ship)根据所装货物及船舶结构、设备不同,可分为:1.杂货船(General Cargo Ship)杂货船一般是指定期航行于货运繁忙的航线,以装运零星杂货为主的船舶。
这种船航行速度较快,船上配有足够的起吊设备,船舶构造中有多层甲板把船舱分隔成多层货柜,以适应装载不同货物的需要。
2.干散货船(Bulk Cargo Ship)散货船是用以装载无包装的大宗货物的船舶。
依所装货物的种类不同,又可分为粮谷船(Grain Ship)、煤船(Collier)和矿砂船(Ore Ship)。
这种船大都为单甲板,舱内不设支柱,但设有隔板,用以防止在风浪中运行的舱内货物错位。
3.冷藏船(Refrigerated Ship)冷藏船是专门用于装载冷冻易腐货物的船舶。
船上设有冷藏系统,能调节多种温度以适应各舱货物对不同温度的需要。
4、木材船(Timber ship)木材船是专门用以装载木材或原木的船舶。
这种船舱口大,舱内无梁柱及其它妨碍装卸的设备。
船舱及甲板上均可装载木材。
为防甲板上的木材被海浪冲出舷外,在船舷两侧一般设置不低于一米的舷墙。
5.集装箱船(Container Ship)集装箱船可分为部分集装箱船、全集装箱船和可变换集装箱船三种:(1)部分集装箱船(Partial container ship)。
仅以船的中央部位作为集装箱的专用舱位,其他舱位仍装普通杂货。
(2)全集装箱船(Full Container Ship)。
指专门用以装运集袋箱的船舶。
它与一般杂货船不同,其货舱内有格栅式货架,装有垂直导轨,便于集装箱沿导轨放下,四角有格栅制约,可防倾倒。
集装箱船的舱内可堆放三至九层集装箱,甲板上还可堆放三至四层。
(3)可变换集装箱船(Convertible Container Ship)。
船舶行业船舶设计资料船舶设计资料是船舶行业中至关重要的一部分,它包含了船舶设计过程中所需的各种信息和数据。
这些资料不仅对设计师来说是必备的工具,也是船舶行业其他相关方面(如建造、维修、检验等)的基础依据。
在本文中,将介绍船舶设计资料的主要内容和使用方法,以及它们在船舶行业中的重要性。
一、船舶设计资料的主要内容1. 船舶规划图纸:船舶规划图纸主要包括船舶的外貌图、船体结构图、布置图和引水线图等。
这些图纸直观地展示了船舶的形状和结构,为设计师提供了设计的基础。
2. 船舶结构计算书:船舶结构计算书是对船舶结构的力学计算和强度验证的记录。
它包括了船体各部位的强度计算结果、材料选型、焊缝设计、船体主框架的布置等信息。
3. 船舶构造图纸:船舶构造图纸是船舶结构计算书的可视化呈现,它展示了船舶各部位的结构安排和连接方式。
这些图纸对于指导船舶的具体构造和制造工艺至关重要。
4. 船舶设备清单:船舶设备清单是列出了船舶上所需的各类设备和配件的清单。
它包括主机设备、辅机设备、电气设备、通信设备等。
这些清单为设计师提供了在船舶设计过程中所需的设备参数和技术规范。
5. 船舶性能计算报告:船舶性能计算报告是通过数值模拟和性能测试等手段获得的船舶性能数据和曲线图。
它包括了船舶的速度、载重量、燃油消耗、操纵性能等指标。
这些数据对于评估船舶设计的合理性和性能表现至关重要。
二、船舶设计资料的使用方法1. 设计过程中的参考:船舶设计资料作为设计过程中的参考,能够帮助设计师了解船舶的结构和性能要求,从而进行设计方案的制定。
2. 制造和建造过程中的指导:船舶设计资料为船舶的制造和建造提供了指导。
构造图纸和结构计算书能够指导船舶制造厂家按照设计要求进行船舶建造和焊接工艺。
3. 维修和检验过程中的依据:船舶设计资料也是船舶维修和检验过程中的重要依据。
船舶规划图纸和设备清单能够帮助维修人员了解船舶结构和设备的具体情况,从而进行相应的维修和检验工作。
船舶(boats and ships),各种船只的总称。
船舶是能航行或停泊于水域进行运输或作业的交通工具,按不同的使用要求而具有不同的技术性能、装备和结构型式。
一种主要在地理水中运行的人造交通工具。
另外,民用船一般称为船,军用船称为舰,小型船称为艇或舟,其总称为舰船或船艇。
内部主要包括容纳空间、支撑结构和排水结构,具有利用外在或自带能源的推进系统。
外型一般是利于克服流体阻力的流线性包络,材料随着科技进步不断更新,早期为木、竹、麻等自然材料,近代多是钢材以及铝、玻璃纤维、亚克力和各种复合材料。
(一)一般船舶是由船壳、船体骨架、甲板、船舱和上层建所组成。
船壳船壳又称船壳板,船的外壳,它包括船侧板和船底板。
船体的几何形状是由船壳板的形状决定的。
船体承受的纵向弯曲力、水压力、波浪冲击力等各种外力首先作用在船壳板上。
船体骨架是由龙骨、旁龙骨、肋骨、龙筋、舭龙骨、船首柱和船尾柱构成,它们共同组成了船舶骨架。
其中,龙骨是在船体的基底中央连接船首柱和船尾柱的一个纵向构件。
它主要承受船体的纵向弯曲力矩。
旁龙骨旁龙骨是在龙骨两侧的纵向构件。
它承受部分纵向弯曲力矩,并且提高船体承受外力的强度。
肋骨是船体内的横向构件。
它承受横向水压力,保持船体的几何形状。
龙筋龙筋是船体两侧的纵向构件。
它和肋骨一起形成网状结构,以便固定船侧板,并能增大船体的结构强度。
舭龙骨有些船体还装有舭龙骨,它是装在船侧和船底交界的一种纵向构件。
它能减弱船舶在波浪中航行时的摇摆现象。
船首柱和船尾柱船首柱和船尾柱分别安装在船体的首端和尾部,下面骨连接,它们能增强船体承受波浪冲击力和水压力,还能承受纵向碰撞和螺旋桨工作时的震动。
甲板甲板位于内底板以上的平面结构,用于封盖船内空间,并将其水平分隔成层。
甲板是船梁上的钢板,将船体分隔成上、中、下层。
甲板对保证船体强度及不沉性有重要作用,而且提供了布置各种舱室、安置武器装备和机械设备的面积。
甲板数量多少视船舶的大小,取决于舰艇的类型、使命和主尺度。
船舶行业培训资料有哪些船舶行业培训资料有哪些1. 船舶基础知识船舶构造和系统船舶构造和系统是船舶行业培训的基础知识之一。
相关资料可包括以下内容:船舶的基本构造,如船体、船底、船舱等;船舶的系统,如动力系统、电气系统、供排水系统等;船舶的各种设备和设施,如船舶通信设备、导航设备等。
船舶相关法规和标准船舶行业有许多法规和标准需要了解。
培训资料可以包括以下内容:国际海事组织(IMO)制定的国际公约和规则;各国的海事法规和标准;船级社的规范和要求。
2. 船舶操作与安全船舶安全操作船舶操作和安全是船舶行业培训的重要内容之一。
相关资料可以包括以下内容:船舶的安全操作规程和程序;船舶的安全设备和救生装置;预防事故和应急响应措施;船舶的火灾安全和应对措施。
航海知识和技巧航海知识和技巧对于船舶行业从业人员至关重要。
培训资料可包括以下内容:航海导航知识,如海图、罗盘、GPS等;船舶操纵技巧和操作规程;船舶的导航和通讯设备使用方法。
3. 船舶维护和维修船舶维护船舶维护是保证船舶正常运营的重要环节。
相关资料可以包括以下内容:船舶日常维护工作,如清洁、润滑、检查等;船舶例行维护,如油水分离器、消防设备检查等;船舶定期维护,如修理、船体维护等。
船舶维修船舶维修是处理船舶故障和问题的重要工作。
培训资料可包括以下内容:船舶故障排查和分析;船舶维修方法和流程;船舶维修所需的工具和设备。
4. 船舶管理与运营船舶管理船舶管理涉及船舶运营的各个方面。
培训资料可包括以下内容:船舶的船舶运营管理体系和规划;船舶的运营组织和管理流程;船舶的人力资源管理和培训。
船舶经济与商务船舶经济和商务是船舶运营的重要组成部分。
相关资料可以包括以下内容:船舶的运营成本和运输效益分析;船舶的运输合同和商务谈判技巧;船舶的保险和风险管理。
5. 其他相关知识除了上述内容外,船舶行业培训资料还可以包括以下其他相关知识:国际贸易和航运法律法规;船舶技术的最新发展和趋势;船舶环境保护和能效提升的技术。
船舶基础知识及术语船舶基础知识及术语解释给⼤家普及了!!舶⼀般知识⼀、船舶种类及其结构特点1)⼲散货船 —— 横向结构。
Bulk Carrier2)液体散货船 —— 纵向结构。
(油船)Tanker3)集装箱船 ——横向结构。
Container4)杂货船 ——横向结构。
General ship5) 其他特种船⼆、船舶基本资料 Particulars1)船名:M/V XXXX Motor vessel Merchant vesselS/S XXXX Steam ship2)国籍:Nationality3)船籍港: Port of registering4)建造⽇期: Date of building (中国政府规定:船龄在18年以上的船舶不准进⼝----- 即不准悬挂中国旗.)5)建造地点(或船⼚): Place of building (or builder)6)国际海事组织编号: IMO No (国际保安规则的要求)7)(船舶)全长: Length over all (L .O. A) 提供给港⽅,作泊位安排两柱间长: Length breadth perpendiculars (L.B.P) ⽤作计算船舶的拱垂度.8)型宽: Breadth9)型深: Depth10)总吨(位): Gross tonnage为体积吨,1吨位=100⽴⽅英尺=2.83⽴⽅⽶净吨(位): Net tonnage 计算各种港⼝费⽤的依据.国际吨位证书, 巴拿马运河吨位证书,苏伊⼠运河吨位证书.(申办这些证书要提供船舶总布置图,机舱布置图)11)排⽔量(阿基⽶德定律): Displacement12) 满载载重量: Deadweight(为重量吨)满载载重量=满载排⽔量-船舶⾃重-油,⽔存量-常数1⽴⽅⽶(淡⽔)=1000公⽄=1吨或1⽴⽅⽶(标准海⽔)=1025公⽄=1。
025吨物质的⽐重和积载因素的概念载重线证书(Load line ),⼲舷(free board)的核定,剩余浮⼒(⼀舱不沉制)载重线的种类:夏季载重线,热带载重线,热带淡⽔载重线,冬季载重线,北⼤西洋冬季载重线. 国际载重线区域图顺便提⼀提净空⾼度: Air draft13)船舶吃⽔(⽔尺): Draft在船舶的艏,舯,艉标识了六个⽔尺标志.有英制和公制两种.显⽰船舶状态和⽤以计算载货量(调整船舶吃⽔TPI\TPC,ITM\CTM)14)浮⼼,漂⼼,船舶重⼼(KM)和货物重⼼(KG)静稳性⾼度=KM-KG=GM必须⼤于零.影响静稳性⾼度的因素除了货物装载状况外,液体舱室“⾃由液⾯”对静稳性⾼度的影响是很⼤的.是与液体舱室的宽度的⽴⽅成正⽐.(M=1/12舱长X舱宽的⽴⽅。
船舶名词知识点总结一、船舶基础知识1. 船舶类型船舶根据用途和特点可分为货船、客船、油船、拖轮、渔船、军舰等不同类型。
2. 船舶结构船舶主要由船体、甲板、船尾、船首、船舱、船桅、船舵、吊杆等部位构成。
3. 船舶尺寸船舶尺寸包括船长、船宽、吃水深度、型深等指标。
4. 船舶载重量船舶载重量是指船舶能够承载的最大货物重量,通常以吨为单位。
二、船舶航行知识1. 船舶航行方式船舶航行方式有航行、靠泊、锚泊、停泊、横泊等不同形式。
2. 船舶航速船舶航速是指船舶航行的速度,通常以节为单位,1节等于每小时1.852公里。
3. 船舶航迹船舶航迹是指船舶在海洋上航行的路径。
4. 船舶航行安全船舶在航行中需要注意避碰规则、海图使用、气象信息等,以确保航行安全。
三、船舶动力装置1. 船舶主机船舶主机是指推动船舶的主要动力装置,通常有柴油机、蒸汽机、涡轮机等不同类型。
2. 船舶辅机船舶辅机是指为船舶提供辅助动力的装置,包括发电机、压缩机、泵等设备。
四、船舶导航设备1. 船舶罗经船舶罗经是指船舶用来确定方向的装置,分为磁罗经和陀螺罗经两种类型。
2. 船舶雷达船舶雷达是通过电磁波进行航行和目标监测的设备,可用于判断目标距离、方位和速度。
3. 船舶GPS全球定位系统(GPS)是一种卫星导航系统,可为船舶提供准确的位置信息。
五、船舶通信设备1. 船舶对讲机船舶对讲机是船舶上用于通信的设备,可用于船舶内部通话和与其他船舶的通讯。
2. 船舶VHF船舶VHF是一种用于船舶通信的短距离无线电设备,可用于船舶间通讯和与岸上基站的通讯。
六、船舶安全设备1. 船舶救生设备船舶救生设备包括救生筏、救生衣、救生圈、救生艇等,在遇到紧急情况时可用于撤离船员。
2. 船舶消防设备船舶消防设备包括灭火器、消防栓、消防泵等,在火灾发生时可用于扑灭火灾。
七、船舶维护和管理1. 船舶维护船舶维护包括船体维护、设备维护、油漆维护等,以确保船舶的安全和性能。
2. 船舶管理船舶管理包括船舶运营管理、船舶维修管理、船舶人力资源管理等,以提高船舶的整体运营效率。
船舶行业培训资料目录大全船舶行业培训资料目录大全
1. 船舶基础知识培训资料
船舶类型和结构
船舶建造和维修技术
船舶机械设备和系统
船舶电气设备和系统
船舶自动化控制系统
船舶安全和应急措施
2. 航海知识培训资料
航海导航和海图使用
航海气象和海洋气象学
船舶操控和船舶操纵规则
航海通信和导航系统
航海运输法律和国际公约
3. 船舶维护与保养培训资料
船舶涂装和防腐技术
船舶清洁和保养
船舶机舱清洁和维护
船舶设备保养和故障排除
4. 船舶安全培训资料
船舶安全管理体系
船舶火灾防治和灭火
船舶救生设备和应急处理
船舶安全事故案例分析
船舶安全培训和演练
5. 船舶货物操作培训资料
货物装卸操作技术
船舶货物垛头和储存
货物固定和系泊技术
船舶货物装载平衡和稳定
6. 船舶法律和规章制度培训资料
船舶法律和海事法规
船舶安全管理体系要求
国际海运公约和条例
7. 船舶环保培训资料
船舶环境保护和污染防治
船舶废物处理和排放限值
船舶节能和减排技术
以上仅为船舶行业培训资料目录的部分内容,根据需要可以进一步细分和补充。
请根据实际情况选择合适的培训资料进行学习和使用。
1.船舶的概念:航行或停泊于水域的运载、作战、作业工具,是各种船舰、艇、舢板以及水上作业平台的总称。
2.民用船舶包括哪些类型船舶:运输船舶(客船、货船、渡船、驳船等);工程船舶:挖泥船、起重船、打捞救助船、布缆船、敷管船、打桩船、浮船坞等;渔船:网类渔船、钓类渔船、渔业加工船、渔政船、渔业调查船、冷藏运输、特种渔船等;海洋开发船:海洋石油钻井装置、海洋地质勘探船、海洋调查船、海底采矿船、海洋能源开发船、生物资源开发船、地质勘探船、深潜器等;工作船:破冰船、引航船、消防船、港作拖船、助航工作船、带缆船、海关艇等;其它:农用船、供电船、环境保护船、游艇等3.军用船舶包括哪些分类:战斗舰艇:水面舰艇【航空母舰、巡洋舰、驱逐舰、护卫舰、鱼雷艇、导弹艇、猎潜艇、登陆舰艇、两栖攻击舰、布雷舰、猎(扫)雷舰等】、水下潜艇【常规潜艇、攻击型核潜艇、弹道导弹核潜艇等】辅助舰船:运输舰、侦察舰、医院船、补给舰、修理舰、浮桥舟、供应舰、救生船、靶船、训练舰、交通船、研究试验船等4.船舶为什么要分为不同航区?船舶航区如何划分?不同航区的船舶结构和稳性等要求不同。
Ⅰ类航区即无限航区;Ⅱ类航区离海岸线200海里以内;Ⅲ类航区20海里以内;内河船: A、B、C 和急流航段5.何谓客船?设计客船有哪些要求?客船:载运旅客及其行李的船舶。
安全性:船体强度、完整稳性、破舱稳性、防火、消防、救生设备、通信等,必须满足有关的规范、公约、规则等。
较好的舒适性:耐波性、振动、噪声、温湿度有一定要求。
居住舱室(采光、通风、照明、空调、卫生等设施);宽敞的甲板和舒适的休闲、娱乐、就餐和健身等。
较高航速6.何谓散货船?散货船有什么特点?散货船和杂货船的主要区别是什么?散货船:专门运输各种谷物、矿砂、煤炭等大宗散装货的干货船散货船的船型特点:单层甲板、双层底、尾机型、方形系数较大,船速较低;舱口较大,装卸速度快。
(批量大)不设起货设备可用港口设备(通常有专用码头装卸,大型抓斗、机械传送机等设备);底边内底斜升使货物向中央集中;底压载水舱作用是空载航行时,加压载水,保证航行性能。