挡土墙地基检验批质量检验记录
- 格式:doc
- 大小:376.00 KB
- 文档页数:15
挡土墙地基检验批质量检验记录(一)引言概述:挡土墙地基检验批质量检验记录(一)是对挡土墙地基的质量检验结果进行记录和总结的文档。
通过对挡土墙地基的检验,可以评估其质量状况,确保土工材料的合格使用,从而保证挡土墙的稳定性和安全性。
本文将从以下五个大点对挡土墙地基的质量检验进行详细阐述。
一、地基土质检验:1. 进行地基土质的取样与采集;2. 对地基土的颗粒组成进行分析;3. 检测地基土质的含水量;4. 测定地基土质的密度;5. 利用试验数据评估地基土质的适用性。
二、地基平整度检验:1. 测量地基平整度的标准要求;2. 布置平整度测量的测点;3. 使用测量仪器进行地基平整度的测量;4. 记录测量数据;5. 根据数据分析评估地基平整度是否符合要求。
三、地基承载力检验:1. 确定地基承载力的试验方法;2. 布置地基承载力试验的测点;3. 进行地基承载力试验;4. 记录地基承载力试验数据;5. 根据试验结果评估地基承载力是否满足挡土墙的要求。
四、地基排水性检验:1. 评估地基的排水情况;2. 检测地基的孔隙度;3. 测试地基的渗透系数;4. 检查地基排水系统的情况;5. 根据排水性检验结果评估地基的排水能力是否符合要求。
五、地基稳定性检验:1. 评估地基的稳定性要求;2. 进行地基的抗剪强度试验;3. 测试地基的抗拉强度;4. 考察地基的变形性能;5. 根据检验结果评估地基的稳定性能否满足挡土墙的要求。
总结:通过对挡土墙地基的质量检验,我们可以评估其土质情况、平整度、承载力、排水性和稳定性等关键指标。
这有助于确保挡土墙的工程质量,保障其稳定性和安全性。
挡土墙地基检验批质量检验记录的编制是对工程质量的有效监管手段,可以为相关方提供可追溯的数据支持和质量保证。
挡土墙地基检验批质量检验记录
一、检验项目
本次挡土墙地基检验批质量检验项目包括以下内容:
1.地基密实度检验
2.地基平整度检验
3.地基密度检验
4.土壤含水率检验
二、检验方法
1.地基密实度检验:采用静力击实仪进行检验,每个试验点采用15次
击实,记录击沉度。
2.地基平整度检验:采用水准仪进行检验,每个试验点在两米范围内进
行水平测量,记录误差值。
3.地基密度检验:采用取样法进行检验,每个取样点取3个样品进行
平均,计算平均密度。
4.土壤含水率检验:采用重量法进行检验,每个取样点取3个样品进
行平均,计算平均含水率。
三、检验记录
检验项目检验方法检验结果
地基密实度静力击实仪20mm
地基平整度水准仪2mm
地基密度取样法 1.85g/cm³
土壤含水率重量法15%
四、
本次挡土墙地基检验批质量检验结果满足设计要求,各项指标均符合相关标准和规范要求。
五、建议
在挡土墙建设过程中,应加强地基的施工管理,确保地基密实度和平整度的达到标准要求,提高挡土墙的抗折性能和稳定性。
六、附录
•检验标准:GB/T 50123-2019《建筑工程地基检验规范》•检验仪器:静力击实仪、水准仪、取样器等
•检验人员:XXX
•检验时间:20XX年XX月XX日。
挡土墙检验批质量验收记录(市政)(一)引言概述:挡土墙是市政工程中常见的一项重要设施,它具有保护土壤和防止土壤侵蚀的功能。
为了确保挡土墙的质量和安全性,并且符合相关规范要求,对其进行检验批质量验收是必不可少的。
本文将以市政挡土墙的检验批质量验收记录为例,对相关工作进行详细的介绍。
一、基础验收1. 挡土墙基础处理是否符合设计要求2. 基础开挖是否达到规定深度和宽度3. 基础土方的夯实程度是否满足规范要求4. 基础防水层的施工是否符合要求5. 基础回填材料的质量和夯实程度是否符合规范二、墙体验收1. 挡土墙墙体的垂直度是否在允许范围内2. 墙体的高程标高是否与设计要求一致3. 墙体材料是否符合规范要求4. 墙体养护是否按照规定进行5. 墙体外观质量是否达到要求,无明显裂缝和滑方现象三、排水验收1. 排水管道的安装是否符合设计要求2. 排水管道的连接是否密实,无渗漏现象3. 排水口及沟槽的布置是否合理4. 排水系统的施工质量和材料是否符合规范5. 排水效果是否良好,无积水或渗漏现象四、防护验收1. 挡土墙顶部是否设置防护栏杆2. 防护栏杆的材料是否符合要求3. 防护栏杆的高度和强度是否满足规范4. 挡土墙周边是否设置警示标识5. 防护措施是否完备,能有效保护行人安全五、资料验收1. 挡土墙施工图纸的完备性和准确性2. 施工记录和验收记录的完整性和规范性3. 施工材料的合格证明和检测报告是否齐全4. 建设单位提供的挡土墙合格证书的准确性5. 建设单位提供的相关资料是否符合要求总结:通过对挡土墙检验批质量验收的具体内容进行概述,我们可以看到,挡土墙的质量验收是一个复杂的过程,需要对基础、墙体、排水、防护和相关资料等多个方面进行全面检查。
只有确保每个环节都符合规范要求,才能保证挡土墙的质量和稳定性。
建议在以后的市政工程中,加强对挡土墙的验收工作,继续提升市政设施的质量水平。
挡土墙地基检验批质量检验记录
市政质检·1·50
挡土墙模板安装检验批质量检验记录
市政质检·1·51
挡土墙钢筋加工、成型与安装检验批质量检验记录
市政质检·1·52
挡土墙基础混凝土检验批质量检验记录
市政质检·1·53
第页,共页
现浇混凝土挡土墙检验批质量检验记录
市政质检·1·54
挡土墙滤层、泄水孔检验批质量检验记录
市政质检·1·55
挡土墙回填土检验批质量检验记录市政质检·1·56
第页,共页
帽石检验批质量检验记录市政质检·1·57
第页,共页
挡土墙混凝土栏杆预制与安装检验批质量检验记录
市政质检·1·58
第页,共页
装配式钢筋混凝土挡土墙
墙板预制检验批质量检验记录市政质检·1·59
第页,共页
装配式钢筋混凝土挡土墙检验批质量检验记录
市政质检·1·60
第页,共页
砌体挡土墙检验批质量检验记录
市政质检·1·61
第页,共页
加筋挡土墙板及筋带安装检验批质量检验记录
市政质检·1·62
第页,共页
加筋挡土墙检验批质量检验记录
市政质检·1·63
第页,共页。
精选全文完整版可编辑修改
现浇钢筋混凝土挡土墙检验批质量检验记录
CJJ1-2008
主控项目
1.检查数量:每道挡土墙基槽抽检3点。
检验方法:查触(钎)探检测报告、隐蔽验收记录。
2. ⑴钢筋品种、规格和加工、成型与安装应符合设计要求。
检查数量:钢筋按品种每批1次。
安装全数检查。
检验方法:查钢筋试验单和验收记录。
⑵混凝土强度应符合设计规定。
检查数量:每班或每100m3取1组(3块),少于规定按1组计。
检验方法:查强度试验报告。
一般项目
1.检查数量:全数检查。
检验方法:观察。
2.检查数量:路外回填土每压实层抽检3点。
检验方法:环刀法、灌砂法或灌水法。
3. 现浇混凝土挡土墙允许偏差
注:表中H为挡土墙板高度。
- 114 -。
挡土墙地基检验批质量检验记录挡土墙地基检验批质量检验记录一、前言本旨在记录挡土墙地基检验批的质量检验过程和结果。
通过细化每个章节的内容,确保检验过程的详细性和准确性,以便对挡土墙地基的质量进行科学评估和监控,并提供参考和改进意见。
二、检验批信息1. 工程名称:2. 检验批编号:3. 施工单位:4. 监理单位:5. 检验单位:三、检验范围详细描述挡土墙地基检验的具体范围,包括但不限于以下内容:1. 地基的基础土壤类型及性质2. 填土层的厚度和材料成分3. 基础的平整度和垂直度4. 地基的排水情况5. 地基的荷载传递性能四、检验方法根据挡土墙地基的特点和要求,选择合适的检验方法,包括但不限于以下内容:1. 取样方法和位置2. 土壤密度和含水率的试验方法3. 土壤抗剪强度的试验方法4. 地基平整度和垂直度的测量方法5. 土壤排水系数的试验方法五、检验过程详细记录每个检验环节的过程和结果,包括但不限于以下内容:1. 取样过程和位置2. 试验室分析结果3. 测量仪器和设备使用情况4. 检验人员的资质和操作规范5. 检验记录的保存和归档六、检验结果根据检验过程和规范要求,总结挡土墙地基的检验结果,并给出评价和建议,包括但不限于以下内容:1. 土壤类型和性质的描述2. 填土层的厚度和材料成分的合格性3. 基础的平整度和垂直度的达标情况4. 地基的排水性能和荷载传递能力的评估5. 检验结果的风险分析和改进措施建议附件:1. 取样点位图2. 试验报告和分析数据3. 测量记录和照片法律名词及注释:1. 挡土墙:指用于抵挡土体压力、确保地基稳定的结构墙体。
2. 地基:指承受建筑物荷载并将荷载传递到地下土体的基础部分。
3. 填土层:指施工过程中加入的填充物,通常用于增加地基的承载能力和稳定性。
4. 平整度:指地基表面的平整程度,用于确保上部结构的稳定性和安全性。
5. 垂直度:指地基的垂直程度,用于确保上部结构的垂直度和稳定性。
挡土墙地基检验批质量检验记录质检资料.pdf 1. 范本 - 挡土墙地基检验批质量检验记录地基检验批质量检验记录项目名称:挡土墙工程检验批次:2021年7月第1批次施工单位:XX建筑有限公司监理单位:XX监理有限公司检验日期:2021年7月1日检验人员:张三1. 地基检验批基本信息1.1 项目名称:挡土墙工程1.2 施工单位:XX建筑有限公司1.3 监理单位:XX监理有限公司1.4 检验日期:2021年7月1日1.5 检验人员:张三2. 检验内容及结果2.1 检验项目:地基土压实度2.2 检验方法:标准贯入试验2.3 检验结果:- 第1点位:土压实度符合设计要求,合格- 第2点位:土压实度符合设计要求,合格- 第3点位:土压实度符合设计要求,合格3. 检验问题及处理意见3.1 检验问题:- 第1点位:地基土层存在较大颗粒物,需进行挖除处理 - 第2点位:地基表面存在障碍物,需进行清理处理3.2 处理意见:- 第1点位:通知施工单位进行挖除处理,并重新检验 - 第2点位:通知施工单位进行清理处理,并重新检验4. 检验结论根据本次检验结果及问题处理意见,结论如下:- 第1点位:待处理- 第2点位:待处理- 第3点位:合格5. 其他事项本次地基检验批质量检验记录涉及附件,详见附件1。
6. 法律名词及注释- 挡土墙工程:指用于抵抗土压力,防止土堆坡体滑稽或挡住水流等目的的墙体结构工程。
- 地基土压实度:指地基土材料在施工过程中经过机械或人工处理后,实现一定密实程度的指标。
- 标准贯入试验:一种测定岩土地基的荷载承载力及同位移特性的试验方法,通过在地基中插入和击入试验探头,观察其荷载特性来评估地基土质的密实度。
2. 范本 - 挡土墙地基质量检验报告地基质量检验报告项目名称:挡土墙工程施工单位:XX建筑有限公司监理单位:XX监理有限公司1. 检验信息1.1 项目名称:挡土墙工程1.2 施工单位:XX建筑有限公司1.3 监理单位:XX监理有限公司1.4 检验日期:2021年7月1日1.5 检验人员:张三2. 检验结果2.1 检验项目:地基土质检验2.2 检验结果:- 第1点位:地基土质良好,符合设计要求,合格- 第2点位:地基土质良好,符合设计要求,合格- 第3点位:地基土质良好,符合设计要求,合格3. 检验问题及处理意见3.1 检验问题:- 第1点位:地基土壤含水率较高,需采取排水措施 - 第2点位:地基土壤出现沉降现象,需进行加固处理3.2 处理意见:- 第1点位:通知施工单位进行排水处理,并重新检验 - 第2点位:通知施工单位进行加固处理,并重新检验4. 检验结论根据本次检验结果及问题处理意见,结论如下:- 第1点位:待处理- 第2点位:待处理- 第3点位:合格5. 其他事项本次地基质量检验报告涉及附件,详见附件1。
挡土墙地基检验批质量检验记录一、项目名称:挡土墙地基检验批质量检验记录二、检验批次信息:1. 检验批次编号:DP20210012. 检验日期:2021年X月X日3. 施工单位:XXX建筑工程有限公司4. 监理单位:XXX监理有限公司三、检验人员:1. 主检人员:XXX2. 协作人员:XXX、XXX四、检验内容:检验主要包括挡土墙地基的基础土质检验、承载力检验、沉降观测等。
五、检验方法:根据《建设工程质量验收规范》等相关标准,采用以下方法进行检验:1. 基础土质检验采用岩土勘察工作中常用的取样分析方法,包括土壤成分、颗粒级配、含水率等的检测。
2. 承载力检验采用静载试验方法,通过加载试验和观测应变,计算并评估地基的承载力。
3. 沉降观测采用沉降仪进行实时监测,记录挡土墙地基的沉降情况。
六、检验结果:1. 基础土质检验结果:根据取样分析,挡土墙地基的土壤成分以黏土为主,颗粒级配均匀,含水率在合理范围内,符合设计要求。
2. 承载力检验结果:通过静载试验,观测挡土墙地基在不同荷载下的应变,计算出地基的承载力指标,结果显示地基的承载力满足设计要求,并有一定的安全余量。
3. 沉降观测结果:通过沉降仪实时监测,记录挡土墙地基的沉降情况,目前未观测到明显的沉降现象,符合设计要求。
七、结论:挡土墙地基经过质量检验批的检验,基础土质符合要求,承载力达到设计要求,并且未观测到沉降现象。
可以认为该批挡土墙地基达到了设计和施工要求,具备较好的质量。
八、存在问题及处理措施:1. 检验过程中未发现明显的质量问题。
2. 需要加强对挡土墙地基的日常巡查和维护,及时处理地基下沉、松动等情况。
3. 建议施工单位按照监理单位的要求,对挡土墙地基进行定期巡查和维护。
九、备注:检验人员在检验过程中未发现其他需要特别记录的情况。
以上为挡土墙地基检验批质量检验记录,根据所收集的检验数据和分析结果,可以清晰地了解该批挡土墙地基的质量状况,为后续的工程施工和验收提供了有力的依据和参考。
挡土墙检验批质量检验记录挡土墙检验批质量检验记录1. 背景介绍挡土墙是一种常见的土木工程结构,用于抵御土体的侧压力,并稳定地基。
为确保挡土墙的质量和安全性,需要进行质量检验。
本文档记录了挡土墙检验批质量检验的过程和结果。
2. 检验项目2.1 材料检验2.1.1 挡土墙填土材料检验- 检验填土材料的粒度分布、含水率、塑性指数等。
- 根据相关标准,评估填土材料的质量合格性。
2.1.2 钢筋检验- 检验挡土墙中使用的钢筋的规格、抗拉强度等。
- 依据相关标准,评估钢筋的质量合格性。
2.1.3 混凝土检验- 检验挡土墙中使用的混凝土的配合比、强度等。
- 根据相关标准,评估混凝土的质量合格性。
2.2.1 基坑开挖检验- 检验基坑开挖的尺寸、坡度等。
- 确保基坑开挖符合设计要求。
2.2.2 土工格栅安装检验- 检验土工格栅的规格、张力等。
- 确保土工格栅的安装质量符合要求。
2.2.3 钢筋混凝土桩安装检验- 检验钢筋混凝土桩的尺寸、布置等。
- 确保钢筋混凝土桩的安装质量合格。
2.2.4 挡土墙背面防渗筹备层施工检验- 检验防渗筹备层的厚度、材料等。
- 评估防渗筹备层施工质量合格性。
2.3 结构安全检验2.3.1 挡土墙稳定性检验- 检验挡土墙的坡度、土体稳定性等。
- 根据相关标准,评估挡土墙的稳定性。
- 检验防滑设施的规格、材料等。
- 评估防滑设施的质量合格性。
3. 检验方法根据相关规范和标准,进行野外和室内实验室检验。
野外检验包括现场观察、测量和试验,室内实验室检验包括材料性能测试、混凝土强度等试验。
4. 检验记录4.1 检验日期:2022年10月10日4.2 检验人员:A、B、C4.3 检验地点:挡土墙施工现场4.4 检验结果- 填土材料粒度分布符合设计要求,含水率和塑性指数满足规定范围。
- 钢筋抗拉强度符合设计要求。
- 混凝土配合比合理,强度达到设计要求。
- 基坑开挖尺寸、坡度符合设计要求。
- 土工格栅的规格、张力符合设计要求。
挡土墙地基检验批质量检验记录一、现场情况1. 地点:xxxx2. 检验日期:xxxx年xx月xx日3. 天气状况:xxxx4. 检验人员:xxxx二、检验项目1.地基基础开挖工程1.1开挖深度1.2开挖范围1.3开挖底床平整度1.4底床土壤质量检查1.5开挖坡度控制2.挡土墙基础施工工程2.1基础平整度2.2基础土壤密实度2.3基础土壤抗压强度3.挡土墙体施工工程3.1挡土墙体材料检查3.2挡土墙体厚度检查3.3挡土墙体平整度3.4挡土墙体抗渗性能检查3.5挡土墙体抗震性能检查4.挡土墙表面处理工程4.1表面平整度4.2表面防水处理质量检查4.3表面装饰工程质量检查三、检验结果1.地基基础开挖工程:开挖深度符合设计要求,开挖范围清晰明确,开挖底床平整度达到要求。
底床土壤质量合格,无明显杂质和构造变化。
开挖坡度控制良好,无开挖边坡坍塌现象。
2.挡土墙基础施工工程:基础平整度良好,无明显凹凸不平现象。
基础土壤经过合理的压实处理,密实度符合要求。
基础土壤抗压强度满足施工要求。
3.挡土墙体施工工程:挡土墙体材料质量良好,无砂石杂质和明显缺陷。
墙体厚度符合设计要求。
墙体平整度达到要求,无明显凹凸不平现象。
挡土墙体抗渗性能良好,无渗漏现象。
挡土墙体抗震性能经过设计验算,达到抗震要求。
4.挡土墙表面处理工程:表面平整度满足要求,无明显凹凸不平现象。
表面防水处理质量良好,无渗漏现象。
表面装饰工程质量满足设计要求,无明显缺陷。
四、存在问题及整改措施1.地基基础开挖工程:存在xxx问题,将采取xxx整改措施。
2.挡土墙基础施工工程:存在xxx问题,将采取xxx整改措施。
3.挡土墙体施工工程:存在xxx问题,将采取xxx整改措施。
4.挡土墙表面处理工程:存在xxx问题,将采取xxx整改措施。
五、工程验收结论本次挡土墙地基工程质量检验结果符合相关法规、规范、合同要求,通过了工程验收。
经检验人员现场检查及相关资料核实,挡土墙地基工程的施工质量达到设计要求,并满足工程使用性能。
砌筑挡土墙检验批质量检验记录一、项目概述为确保挡土墙的施工质量符合设计要求和相关标准规范的要求,制定本次挡土墙检验批质量检验记录。
本次检验批的工程内容包括挡土墙的砌筑工作,检验对象为挡土墙的砌筑质量。
二、检验时间和地点检验时间:xxxx年xx月xx日检验地点:工地现场挡土墙施工区域三、检验项目和标准本次挡土墙检验批的检验项目和标准如下:1. 砌筑质量:应符合相关设计要求和国家标准规范,墙体结构牢固,无明显空鼓、脱落现象。
2. 砂浆配合比:应符合设计要求,砂浆拌合均匀,质地均匀细腻。
3. 砖砌结构:应按照设计要求进行砌筑,砖砌墙体垂直、水平和整齐度等均符合要求。
4. 砌筑接缝:应保持砌筑接缝的规整,垂直墙面应平直、接缝均匀。
四、检验过程1. 检验人员按照计划在指定时间到达检验地点,与施工单位负责人沟通确认施工情况和准备工作。
2. 检验人员对砌筑墙体进行外观检查,检查墙体表面是否平整、光洁,砌筑过程中是否有空鼓、脱落等现象。
3. 检验人员使用切铁锤检查墙体的坚固程度和空鼓情况,对发现的问题及时记录并通知相关责任人进行整改。
4. 检验人员测量墙体的垂直度、水平度和整齐度,与设计要求进行对比评价。
5. 检验人员检查砌筑接缝的规整程度,使用尺子、直线仪等工具进行检测,并记录结果。
6. 检验人员与施工单位负责人进行沟通交流,对检验结果进行评价,并提出整改要求和建议。
7. 检验人员整理检验记录和检验报告,确保准确、完整,无误差。
五、检验结果和评价根据本次挡土墙检验批的检验项目和标准,经检查评价得出以下结果:1. 挡土墙的砌筑质量符合设计要求和相关标准规范。
2. 砂浆配合比合理,砌筑接缝规整,墙体垂直、水平和整齐度良好。
3. 未发现墙体存在空鼓、脱落等质量问题。
六、整改要求和建议根据本次检验结果,提出如下整改要求和建议:1. 墙体检验过程中发现的小问题应及时整改,确保墙体质量的连续性和稳定性。
2. 施工单位应加强工人培训,提高对挡土墙砌筑质量的重视程度。
挡土墙地基检验批质量检验记录文本在建筑工程中,挡土墙是一种常见的结构,用于支撑土体、防止土体坍塌或滑坡。
而挡土墙的稳定性和安全性在很大程度上取决于其地基的质量。
因此,对挡土墙地基进行严格的检验批质量检验是至关重要的环节。
一、工程概况首先,我们需要明确本次挡土墙地基检验批所涉及的工程基本信息。
这包括工程名称、地点、建设单位、施工单位、监理单位等。
同时,还应说明挡土墙的设计参数,如高度、长度、墙体类型、地基承载力要求等。
二、检验依据进行检验批质量检验必须有明确的依据。
这通常包括相关的国家标准、行业标准、设计文件以及施工方案等。
例如,《建筑地基基础工程施工质量验收规范》(GB 50202 2018)就是我们常用的标准之一。
设计文件中会对地基的处理方式、材料要求、允许偏差等做出详细规定,施工方案则明确了施工的工艺流程和质量控制措施。
三、检验内容及方法1、地基土质量检验方法:通过观察和检查地质勘察报告,判断地基土的类型、分布和性质是否符合设计要求。
同时,进行现场取样,送实验室进行土工试验,测定地基土的物理力学指标,如含水量、密度、压缩模量等。
质量标准:地基土应均匀、稳定,无松软土、垃圾土、淤泥等不良土层。
其物理力学指标应满足设计要求。
2、地基处理检验方法:对于需要进行地基处理的情况,如换填、强夯、注浆等,检查处理方案的执行情况,包括处理范围、深度、材料等。
通过现场测量、观察和检查施工记录,验证处理效果。
质量标准:地基处理应符合设计和施工方案的要求,处理后的地基承载力应达到设计值。
3、地基尺寸检验方法:使用测量仪器,如全站仪、水准仪等,测量地基的长度、宽度、深度等尺寸。
质量标准:地基的尺寸应符合设计要求,允许偏差在规定范围内。
4、地基平整度检验方法:使用水平仪或靠尺等工具,检查地基表面的平整度。
质量标准:地基表面应平整,允许偏差不超过规定值。
5、排水措施检验方法:观察地基周围的排水设施,如排水沟、集水井等,检查其设置是否合理,排水是否通畅。
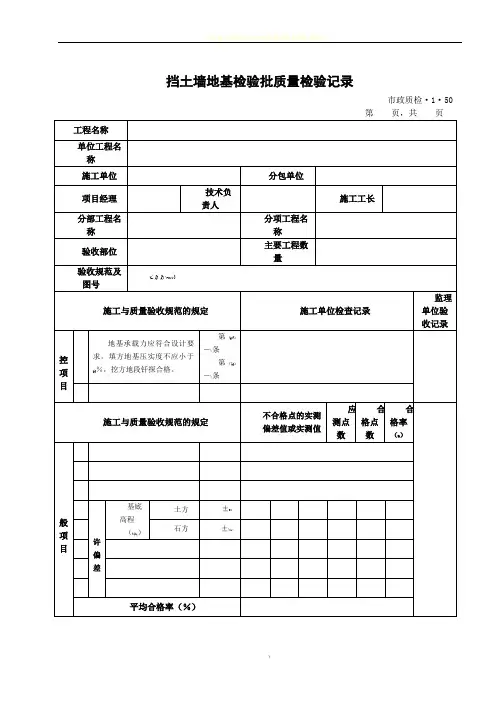
市政质检・1 • 50 第页,共页主要工程数量施工与质量验收规范的规定施工单位检查记录监理单位 验收记录主控 项目施工与质量验收规范的规定不合格点的实测 偏差值或实测值应测 点数 合格 点数合格 率(%相邻两板刨光模板< 21表面高差钢模板(mm 不刨光模板 < 4表面刨光模板< 32平整度 钢模板允 许 (mm不刨光模板 < 5-一-断面 宽度 ± 10般 3 偏 尺寸 高度 ± 10项 目差(mm 杯槽宽度 +20, 04轴线偏位(mm杯槽中心线< 105杯槽底面高程(支撑面) (mm+5,— 106预埋件高程 ± 5(mm偏位< 15平均合格率(%)验收规范及图号CJJ1-2008 工程名称 单位工程名称 施工单位 分包单位项目经理 分部工程名称技术负责人施工工长分项工程名称验收部位施工 单位 检查 意见质检员签名: 监理 单位 验收 结论监理工程师签名:页共页市政质检・1•54第页,共页页,共页页,共页帽石检验批质量检验记录市政质检・1 • 57 第页,共页市政质检・1 • 58 第页,共页装配式钢筋混凝土挡土墙墙板预制检验批质量检验记录市政质检• 1 • 59市政质检・1 • 60 第页,共页工程名称 单位工程名称施工单位技术负责人分项工程名称主要工程数量CJJ1-2008项目经理 分部工程名称 验收部位验收规范及图号分包单位施工工长市政质检・1 • 62 第页,共页市政质检・1 • 63 第页,共页。
挡土墙检验批质量验收记录(市政)(二)引言:挡土墙作为一种常见的市政工程建筑结构,在施工过程中需要进行质量检验和验收,以确保其稳定性和安全性。
本文旨在记录挡土墙检验批质量验收的相关内容。
正文:一、挡土墙基础验收1. 检查基础沉降情况2. 验证基础尺寸和平整度3. 检验基础混凝土质量4. 检测基础土质的承载力和稳定性5. 检查基础墙面的垂直度和平整度二、挡土墙墙体验收1. 检查挡土墙的结构是否符合设计要求2. 验证挡土墙的高程和轴线位置3. 检验挡土墙的土工材料质量4. 检测挡土墙的水平度和垂直度5. 检查挡土墙表面的光滑度和平整度三、挡土墙排水系统验收1. 检查排水管道的材料和连接方式2. 验证排水管道的坡度和位置3. 检验排水管道的防渗漏措施4. 检测排水孔的位置和尺寸5. 检查排水系统开口的渗透性和流量四、挡土墙防护验收1. 检验挡土墙后方的护坡结构和材料2. 检查挡土墙前方的护脚石或挡板设置3. 验证挡土墙的防冲刷措施4. 检测挡土墙面附加的防腐层或保护层材料5. 检验挡土墙表面的防污措施和美观度五、挡土墙附件验收1. 检查挡土墙的附属物(如护栏、标志牌)是否齐全2. 验证挡土墙附属物与挡土墙结构的连接牢固性3. 检验挡土墙附件的质量和耐久性4. 检查挡土墙附件的位置和布置是否符合要求5. 检测挡土墙附件的使用安全性和舒适度结论:通过对挡土墙检验批质量验收的各个方面的检查和验证,确认挡土墙工程的质量符合相关标准和设计要求。
同时,发现并整改了一些小问题,保证了挡土墙的稳定性和安全性。
挡土墙地基检验批质量检验记录
市政质检·1·50
挡土墙模板安装检验批质量检验记录
市政质检·1·51
挡土墙钢筋加工、成型与安装检验批质量检验记录
市政质检·1·52
挡土墙基础混凝土检验批质量检验记录
市政质检·1·53
现浇混凝土挡土墙检验批质量检验记录
市政质检·1·54
挡土墙滤层、泄水孔检验批质量检验记录
市政质检·1·55
挡土墙回填土检验批质量检验记录
市政质检·1·56
帽石检验批质量检验记录
市政质检·1·57
挡土墙混凝土栏杆预制与安装检验批质量检验记录
市政质检·1·58
第页,共页
装配式钢筋混凝土挡土墙
墙板预制检验批质量检验记录
市政质检·1·59
装配式钢筋混凝土挡土墙检验批质量检验记录
市政质检·1·60
砌体挡土墙检验批质量检验记录
市政质检·1·61
第页,共页
加筋挡土墙板及筋带安装检验批质量检验记录
市政质检·1·62
加筋挡土墙检验批质量检验记录
市政质检·1·63
第页,共页。
挡土墙地基检验批质量检验记录
市政质检·1·50
挡土墙模板安装检验批质量检验记录
市政质检·1·51
挡土墙钢筋加工、成型与安装检验批质量检验记录
市政质检·1·52
挡土墙基础混凝土检验批质量检验记录
市政质检·1·53
现浇混凝土挡土墙检验批质量检验记录
市政质检·1·54
挡土墙滤层、泄水孔检验批质量检验记录
市政质检·1·55
挡土墙回填土检验批质量检验记录
市政质检·1·56
帽石检验批质量检验记录
市政质检·1·57
挡土墙混凝土栏杆预制与安装检验批质量检验记录
市政质检·1·58
装配式钢筋混凝土挡土墙
墙板预制检验批质量检验记录
市政质检·1·59
装配式钢筋混凝土挡土墙检验批质量检验记录
市政质检·1·60
砌体挡土墙检验批质量检验记录
市政质检·1·61
加筋挡土墙板及筋带安装检验批质量检验记录
市政质检·1·62
加筋挡土墙检验批质量检验记录
市政质检·1·63。