3.1隧道横断面设计
- 格式:ppt
- 大小:887.00 KB
- 文档页数:30
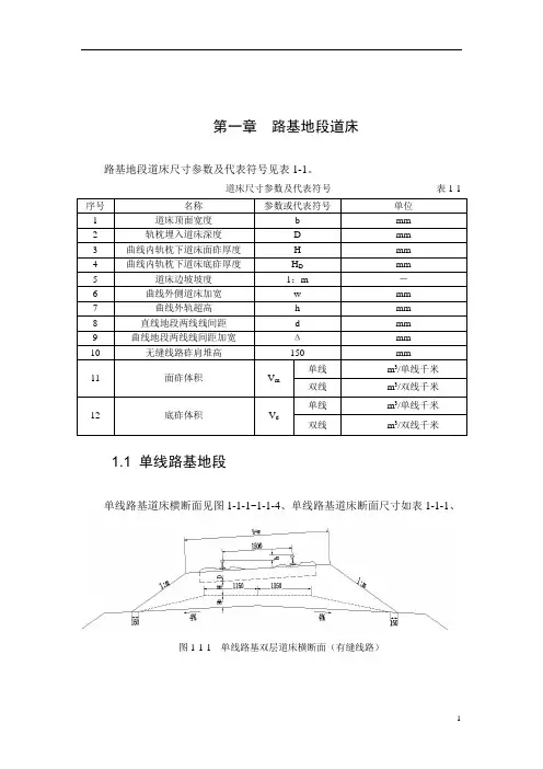
第一章路基地段道床路基地段道床尺寸参数及代表符号见表1-1。
道床尺寸参数及代表符号表1-1序号名称参数或代表符号单位1 道床顶面宽度 b mm2 轨枕埋入道床深度 D mm3 曲线内轨枕下道床面砟厚度H mm4 曲线内轨枕下道床底砟厚度H D mm5 道床边坡坡度1:m -6 曲线外侧道床加宽w mm7 曲线外轨超高h mm8 直线地段两线线间距 d mm9 曲线地段两线线间距加宽Δmm10 无缝线路砟肩堆高150 mm11 面砟体积V m 单线m3/单线千米双线m3/双线千米12 底砟体积V d 单线m3/单线千米双线m3/双线千米1.1 单线路基地段单线路基道床横断面见图1-1-1~1-1-4、单线路基道床断面尺寸如表1-1-1、图1-1-1 单线路基双层道床横断面(有缝线路)图1-1-2单线路基单层道床横断面(有缝线路)图1-1-3单线路基双层道床横断面(无缝线路)图1-1-4 单线路基单层道床横断面(无缝线路)单线路基道床断面尺寸表 表1-1-1项目道床尺寸(mm )备注编号 轨道类型 轨枕类型 道床 b D H H D mA1 轻型 Ⅱ型 双层 2900 175 200 150 1.5 有缝线路B1 单层 2900 175 250 - 1.5 A2 中型 Ⅱ型 双层 3000 175 200 200 1.75 B2 单层 3000 175 300 - 1.75 A3 次重型 Ⅱ型 双层 3100 175 250 200 1.75 B3 单层 3100 175 300 - 1.75 A4 重型 Ⅱ型 双层 3100 175 300 200 1.75 B4 单层 3100 175 350 - 1.75 A5 次重型 Ⅱ型 双层 3300 175 250 200 1.75 无缝线路B5 单层 3300 175 300 - 1.75 A6重型Ⅱ双层33001753002001.75注:1、表中“Ⅱ型”为新Ⅱ型混凝土轨枕、“Ⅲ型”为2.6m 长Ⅲ型混凝土轨枕。
隧道横断面设计的主要内容隧道的横断面设计是隧道工程中必不可少的一环,其设计涉及到隧道的稳定性、安全性、施工难度、经济性等多方面因素。
隧道横断面的设计需要考虑到交通需求、地质情况、施工条件等多种因素,下面我们就来详细了解一下隧道横断面设计的主要内容。
1.隧道横断面形式设计隧道横断面的形式设计是隧道设计的关键环节之一。
在设计中,需要考虑到隧道的通行能力、安全性、舒适性等因素。
通常情况下,隧道横断面的形式设计有两种:单洞式和双洞式。
单洞式隧道横断面适用于交通量较小的区域,主要用于城市道路和乡村道路的建设。
双洞式隧道横断面适用于交通量较大的区域,主要用于高速公路和铁路等交通工程的建设。
2.隧道横断面的几何尺寸设计隧道横断面的几何尺寸设计是指隧道横断面的宽度、高度、半径等尺寸的设计。
隧道横断面的几何尺寸设计直接影响到隧道的通行能力和安全性。
在设计中,需要考虑到车辆的尺寸、车速等因素,同时还要考虑到隧道内部的照明、通风等设施。
在设计中,需要根据实际情况,合理确定隧道横断面的几何尺寸。
3.隧道横断面的纵向曲率设计隧道横断面的纵向曲率设计是指隧道内部的纵向变化。
在设计中,需要考虑到隧道内部的地质情况、交通需求等因素。
在设计中,需要根据实际情况,合理确定隧道横断面的纵向曲率,以保证隧道内部的安全与稳定。
4.隧道横断面的横向曲率设计隧道横断面的横向曲率设计是指隧道内部的横向变化。
在设计中,需要考虑到隧道内部的地质情况、交通需求等因素。
在设计中,需要根据实际情况,合理确定隧道横断面的横向曲率,以保证隧道内部的安全与稳定。
5.隧道横断面的截面形状设计隧道横断面的截面形状设计是指隧道横断面的形状设计。
在设计中,需要考虑到隧道的通行能力、安全性、舒适性等因素。
通常情况下,隧道横断面的截面形状设计有两种:圆形和方形。
圆形隧道横断面适用于地质条件较好的区域,主要用于城市道路和乡村道路的建设。
方形隧道横断面适用于地质条件较差的区域,主要用于高速公路和铁路等交通工程的建设。
目录第1章设计目的 (1)第2章设计原始资料 (1)第3章隧道洞身设计 (1)3.1隧道横断面设计 (1)3.1.1隧道建筑限界的确定 (1)3.1.2隧道内轮廓线的确定 (2)3.2隧道衬砌设计 (3)3.2.1隧道深浅埋的确定及围岩压力计算 (3)3.2.2隧道衬砌方案的拟定 (4)3.2.3隧道衬砌截面强度验算 (5)3.3隧道洞室防排水设计 (5)3.4隧道开挖及施工方案 (6)3.4.1施工方案: (6)3.4.2施工顺序: (7)第4章隧道洞门设计 (8)4.1洞门的尺寸设计 (8)4.1.1洞门类型的确定 (8)4.1.2 洞门尺寸的确定 (8)4.2洞门检算 (9)4.2.1条带“I”的检算 (9)422条带“U”的检算 (11)423条带“川”的检算 (13)总结 (14)参考文献 (15)隧道工程课程设计第1章设计目的通过课程设计,使学生掌握公路隧道支护结构的基本计算设计方法,熟悉矿山法在公路隧道施工中的工艺,掌握公路隧道施工设计的基本方法,以及掌握隧道暗挖洞门的形式,洞门的结构要求,设计方法和洞门作为重力式挡土墙的各种验算。
第2章设计原始资料原始资料取之于“”。
围岩级别:1级围岩容重:26 KN / m3隧道埋深:18m隧道行车要求:三车道高速公路,时速100km/h隧道衬砌截面强度校核:N=18.588tM=-1.523t m隧道洞门验算:地基土摩擦系数f=0.8 p45地基土容重卢19 KN / m3地基容许承载力-J = 80(kPa第3章隧道洞身设计3.1隧道横断面设计3.1.1隧道建筑限界的确定该隧道横断面设计是针对三车道高速公路I级围岩的隧道。
根据《公路隧道设计规范》选取隧道建筑限界基本值如下:W——行车道宽度,取3.75 X3=11.25C ---- 余宽,本设计设置检修道,故C=0。
R――人行道宽度,R=0。
J――检修道宽度,左侧0.75m,右侧1.00m。
第二章横断面设计2.1 隧道建筑限界的确定2.1.1 隧道建筑限界的定义隧道建筑限界是为了保证隧道内各种交通的正常运行于安全,而规定在一定宽度和高度范围内不得有任何障碍物的空间限界。
在设计的时候,应充分研究各种车道与公路之间所处的空间关系,任何部件(包括隧道本身的通风、照明、安全、监控及内部装修等附属设施)均不得侵入隧道限界之内。
隧道建筑限界是决定隧道净空尺寸的依据,对设计、施工、运营来说都很重要,而且隧道是永久性的建筑,一旦建成,就很难改动。
因此,隧道建筑限界的确定,对隧道的设计来说至关重要。
2.1.2 隧道建筑限界的组成及规范规定[1]公路隧道建筑限界由行车道宽度(W),路缘带(S),侧向宽度(L),人行道(R)或检修道(J)等组成。
当设置人行道时,含余宽(C)。
其中检修道的功能如下:1.便于养护人员、司机处理紧急事故,而不影响交通;2.检修道的路缘石可以阻止车辆爬车道,是检修人员的安全界限;3.检修道路缘石可以作为驾驶员的行驶方向线,比车道边线更能吸引驾驶员的注意力,有利于行车安全;4.检修道下部空间可以用来安装管线等附属设施。
检修道或人行道的步高按表2-2-1取值:[1]在建筑限界内不得有任何部件入侵,隧道建筑限界的基本宽度按下表2-1取值,并符合以下规定[1]:1.建筑限界高度,高速公路、一级公路、二级公路取5.0m;三、四级公路取4.5m。
2.当设置检修道或人行道时,不设余宽;当不设检修道或人行道时,应设不小于25cm的余宽。
3. 隧道路面横坡,当隧道为单向交通时,应取单面坡;当隧道为双向交通时,可取双面坡。
坡度应根据隧道长度,平、纵线形等因素综合分析确定,一般可采取1.5%~2.0%。
4.当路面采用单面坡时,建筑限界底边线与路面重合;当采用双面坡时,建筑限界底边线应水平置于路面最高处。
[1]注:1)三车道隧道除增加车道数外,其它宽度同表;增加车道的宽度不得小于3.5m。
2)连拱隧道的左侧可不设检修道或人行道,但应设50cm(120km/h与100km/h时)或25cm(80km/h与60km/h时的余宽)。
目次目录2基本规定 (4)2.1道路分级 (4)3.2设计速度 (4)3.3设计车辆 (5)3.4 道路建筑限界 (7)3.5 设计年限 (9)3.6 荷载标准 (10)3.7 防灾标准 (10)4 通行能力和服务水平 (12)4.1 一般规定 (12)4.2 快速路 (12)4.4 自行车道 (16)4.5 人行设施 (18)5 横断面 (20)5.1 一般规定 (20)5.2 横断面布置 (20)5.3 横断面组成及宽度 (22)5.4 路拱与横坡 (27)5.5 缘石 (27)6 平面和纵断面 (29)6.1 一般规定 (29)6.2 平面设计 (29)6.3 纵断面设计 (32)6.4 线形组合设计 (35)7 道路与道路交叉 (36)7.1 一般规定 (36)7.2 平面交叉 (36)7.3 立体交叉 (38)8 道路与轨道交通线路交叉 (43)8.1 一般规定 (43)8.2 立体交叉 (43)8.3 平面交叉 (44)9 行人和非机动车交通 (48)9.1 一般规定 (48)9.2 行人交通 (48)9.3 非机动车交通 (50)10 公共交通设施 (51)10.1 一般规定 (51)10.2 公共交通专用车道 (51)10.3 公共交通车站 (52)11 公共停车场和城市广场 (54)11.1 一般规定 (54)11.2 公共停车场 (54)11.3 城市广场 (56)12 路基和路面 (57)12.1 一般规定 (57)12.2路基 (57)12.3 路面 (60)12.4 旧路面补强和改建 (63)13 桥梁和隧道 (66)13.1 一般规定 (66)13.2桥梁 (66)13.3隧道 (68)14 交通安全和管理设施 (72)14.1 一般规定 (72)14.2 交通安全设施 (72)14.3 交通管理设施 (74)14.4 配套管网 (75)15 管线、排水和照明 (77)15.1 一般规定 (77)15.2 管线 (77)15.3 排水 (78)15.4 照明 (79)16 绿化和景观 (81)16.1 一般规定 (81)16.2 绿化 (81)16.3 景观 (82)本规范用词说明 (84)引用标准名录 (85)中华人民共和国行业标准 (86)2基本规定2.1道路分级3.1.1城市道路应按道路在道路网中的地位、交通功能以及对沿线的服务功能等,分为快速路、主干路、次干路和支路四个等级,并应符合下列规定:1快速路应中央分隔、全部控制出入、控制出入口间距及形式,应实现交通连续通行,单向设置不应少于两条车道,并应设有配套的交通安全与管理设施。
土木工程隧道设计的规范要求一、导言在土木工程中,隧道是一项具有挑战性的任务,需要依据一系列的规范要求来进行设计。
本文将介绍土木工程隧道设计的规范要求,包括隧道的基本要求、布置要求、几何要求、结构要求和安全要求。
二、隧道的基本要求1. 用途:隧道设计应符合其预定的用途,包括公路、铁路、地铁等不同交通工具的通行需求。
2. 负荷:根据预计的负荷要求,如地震力、动态荷载等考虑在内,确保隧道的结构稳定性和安全性。
3. 材料选择:隧道的材料选择应符合设计要求和环境考虑,包括岩土材料、混凝土、钢材等。
三、隧道的布置要求1. 路线选择:在选择隧道路线时,应考虑地质条件、交通流量以及环境保护等因素。
2. 入口与出口:隧道的入口和出口应与道路或轨道相衔接,确保交通的顺畅和安全。
3. 进出口通风:考虑烟雾排放、防火等因素,设计进出口通风系统。
四、隧道的几何要求1. 高度与宽度:根据交通工具的要求,确定隧道的净高度和净宽度。
2. 横断面形状:在设计中应根据隧道的功能,如道路隧道、地铁隧道等确定横断面的形状。
五、隧道的结构要求1. 地基处理:根据地质条件,采取适当的地基处理措施,确保隧道的稳定性。
2. 隧道衬砌:根据设计要求,选用适当的隧道衬砌材料和结构形式。
3. 支护结构:根据地质情况和施工阶段,确定隧道的支护结构,包括钢筋混凝土衬砌、钢拱架等。
4. 排水系统:设计合理的排水系统,确保隧道内部的排水畅通。
六、隧道的安全要求1. 照明系统:设计合理的照明系统,确保隧道内良好的照明条件。
2. 防火系统:设置可靠的防火设备和灭火系统,确保隧道内火灾时的安全。
3. 紧急疏散:设置紧急疏散通道和指示标识,以便在紧急情况下进行安全疏散。
4. 通信系统:设计高效的通信系统,以确保隧道内部和外部的紧急通讯畅通。
七、总结土木工程隧道设计的规范要求涉及了隧道的基本要求、布置要求、几何要求、结构要求和安全要求。
合理的设计符合这些规范要求,可以确保隧道的结构稳定、安全性好,并满足相应的交通需求。
公路隧道设计规范公路隧道设计规范(JTGD70-2004)1.总则公路隧道是连接两个地区的重要交通工具,因此必须经过谨慎的设计和施工。
本规范旨在规范公路隧道的设计、施工和监管,确保公路隧道的安全和可靠性。
2.主要术语与符号本规范中使用的主要术语和符号应在设计和施工过程中得到充分理解和应用。
其中包括隧道长度、洞口高度、洞门宽度、围岩等级等。
3.隧道调查及围岩分级在设计隧道之前,需要对隧道所在地区进行全面的调查,包括地质、水文、气象等方面。
同时,需要对围岩进行分级,以便进行合理的隧道设计。
4.总体设计隧道的总体设计包括隧道长度、洞口高度、洞门宽度、隧道路面、隧道照明等方面。
在设计过程中,需要充分考虑交通流量、车速、车型等因素。
5.建筑材料隧道的建筑材料应符合国家标准和行业规范。
在选择材料时,需要充分考虑其耐火性、耐久性、防水性等因素。
6.荷载隧道设计中需要考虑各种荷载,包括车辆荷载、地震荷载等。
在计算荷载时,需要充分考虑隧道的结构和材料的承受能力。
7.洞口及洞门洞口和洞门是隧道的重要组成部分,需要充分考虑其宽度、高度、开启方式等因素。
同时,需要考虑洞口和洞门的防水和防火措施。
8.衬砌结构设计隧道的衬砌结构设计应符合国家标准和行业规范。
在设计过程中,需要充分考虑隧道的围岩、荷载等因素。
9.结构计算隧道的结构计算需要充分考虑各种因素,包括荷载、围岩、材料等。
在计算过程中,需要遵循国家标准和行业规范。
10.防水与排水隧道的防水和排水是隧道设计中的重要环节。
在设计过程中,需要充分考虑隧道的地质条件、水文条件等因素,以确保隧道的安全和可靠性。
本规范是针对公路隧道设计和施工的强制性标准。
在公路隧道的设计、施工、验收和运营等各个阶段,必须遵守本规范的规定。
11小净距及连拱隧道本章节主要介绍小净距隧道和连拱隧道的设计要求。
其中,小净距隧道是指净距小于7米的隧道,连拱隧道是指由多个拱形隧道相连而成的隧道。
本章节详细阐述了小净距隧道和连拱隧道的净高、净宽、弯曲半径、拱顶高度等设计参数的要求,并提出了相应的施工和验收标准。
隧道横断面设计的主要内容隧道横断面设计的主要内容隧道是一种长期存在的交通设施,其安全性和舒适性直接影响着人们的生命财产安全和出行体验。
而隧道横断面设计则是隧道工程中至关重要的一环,它不仅关系到车辆行驶的安全和顺畅,还涉及到排水、通风、照明等方面。
本文将从以下几个方面介绍隧道横断面设计的主要内容。
一、基本原则在进行隧道横断面设计时,需要遵循以下基本原则:1.按照规划要求进行设计,保证符合国家标准和技术规范。
2.考虑交通流量、车速等因素,确保车辆能够顺畅通过。
3.注意排水系统的设置,避免水淹。
4.考虑通风系统和照明系统的设置,确保空气流通和照明充足。
5.根据地质条件进行合理选择隧道形式,并考虑地震力等自然因素。
6.根据实际情况进行经济评估,并选择经济合理的设计方案。
二、基本参数在进行隧道横断面设计时,需要确定以下基本参数:1.隧道宽度:隧道宽度应根据车辆流量、车速和车型等因素进行确定。
一般来说,城市内的隧道宽度要比高速公路上的隧道宽度大。
2.净高:净高是指从路面到顶部的距离,也称为洞顶高。
净高应根据车辆类型、行驶方向和地质条件等因素进行确定。
3.路面坡度:路面坡度是指路面横向倾斜的程度。
对于长隧道而言,路面坡度应尽量小,以免对车辆行驶造成影响。
4.侧石块:侧石块是指设置在路肩两侧的石头或混凝土构件。
侧石块的作用是保护路肩,并防止车辆偏离道路。
5.排水系统:排水系统包括排水沟、泵站等设施,其作用是将雨水和地下水排出隧道内部。
6.通风系统:通风系统包括进风口、出风口、风机等设施,其作用是保证空气流通和新鲜空气的供应。
7.照明系统:照明系统包括灯具、电缆等设施,其作用是提供充足的照明,确保车辆行驶的安全。
三、设计要点在进行隧道横断面设计时,需要注意以下要点:1.考虑隧道的使用功能和地理环境,选择合适的隧道形式。
2.根据车辆类型、行驶方向和地质条件等因素确定净高、宽度和路面坡度等基本参数。
3.设置合理的侧石块和路肩,保护车辆和行人。
大直径水下盾构隧道横断面设计方案优化策略与方法摘要:本文依托某海底盾构隧道工程,探讨了隧道限界布置、疏散救援方式选择、下部结构设计等要素对大直径水下盾构隧道横断面设计的影响特征,并据此对某海底盾构隧道横断面设计进行优化,得到了更加经济合理的横断面布置方案。
关键词:城市地下道路;大直径盾构隧道;方案优化引言随着我国城市化建设进程不断加快,城市交通基础设施也得到了极大的发展,尤其是在跨江跨海领域。
在以往,桥梁通常是跨江跨海交通方案的第一选择,但随着我国近年来盾构隧道设计施工理论与实践的不断发展与突破,盾构隧道一跃成为了跨江跨海交通建设的另一重要选择。
截至目前,我国已在多个城市如武汉、南京、杭州、上海建成数十条闻名中外的盾构过江、跨海通道。
盾构隧道横断面设计在盾构隧道设计方案的重要组成部分,其对隧道建设安全性和经济性有着至关重要的影响。
田春凌等[1]分析了影响盾构隧道断面尺寸的各个因素,并建立了优化模型;肖冰峰等[2]研究了提前施工构筑内部结构,考虑内部结构同衬砌共同作用下衬砌的内力及变形大小,对衬砌内力与变形进行了优化设计与分析;徐燕[3]将现代最优化方法应用于盾构隧道结构优化设计;王少飞等[4]针对公路水下隧道的结构特点,系统性地提出公路水下隧道应急救援的基本原则。
赵强等[5]通过案例分析和数据论证,初步探讨了疏散与救援的原则和标准。
本文依托某新城海底盾构隧道项目实例,探究大直径城市地下道路双管单层盾构隧道方案优化策略与方法。
一、工程概况某新城规划一条海底盾构隧道连接A区和B区,道路等级为城市快速路,设计时速60 km/h,为双向四车道客货混行道路。
隧道穿越地质主要为吹填砂、淤泥、粉质黏土、砂质黏土、花岗岩。
初拟隧道总长度1609.42m,其中盾构段长度1000 m。
初步设计阶段拟定盾构隧道横断面如图1所示,隧道外径为12.5m,内径为11.5 m,管片厚度0.5m。
方案采用2×3.75m的车道布置+现浇下部结构,疏散救援方式采用滑梯+轨下疏散,并在江中段设置一处横向联络通道辅助疏散。
桥梁隧道施工中的横断面设计与施工方法随着城市化进程的加快和交通网络的不断完善,桥梁和隧道的建设变得越来越重要。
在桥梁和隧道的施工过程中,横断面设计和施工方法是至关重要的环节。
本文将探讨桥梁隧道施工中的横断面设计与施工方法,以期为相关领域的从业人员提供一定的参考。
一、设计横断面的目的和原则在桥梁隧道的设计过程中,横断面的设计是十分重要的环节。
设计横断面的主要目的是为了满足工程的使用要求和施工的技术要求。
设计横断面的原则包括:满足使用要求、保证安全可靠、便于施工和维护,以及经济合理等。
设计横断面时还需要考虑交通组织、排水、通风、照明等因素,以保证工程的正常运行和使用。
二、桥梁横断面设计与施工方法桥梁的横断面设计和施工方法是桥梁工程中的重要内容。
在桥梁的设计过程中,需要考虑桥梁的负荷、变形和抗震等因素。
根据实际情况,选择合适的横断面形式,如矩形横断面、T形横断面、Y形横断面等。
在桥梁的施工过程中,需要采取适当的工艺和方法,如预制构件的浇筑、拼装和安装等。
三、隧道横断面设计与施工方法隧道的横断面设计和施工方法也是隧道工程中不可或缺的一环。
在隧道的设计过程中,需要考虑隧道的通行要求、地质条件和光照等因素。
根据实际情况,选择合适的横断面形式,如圆形横断面、矩形横断面、马蹄形横断面等。
在隧道的施工过程中,需要采取适当的工艺和方法,如先进的掘进技术和合理的支护措施。
四、横断面设计中的材料选择在桥梁和隧道的横断面设计中,材料的选择是至关重要的。
对于桥梁来说,需要选择合适的钢材、混凝土等材料,以满足结构的强度和稳定性要求。
对于隧道来说,需要选择合适的岩石、土壤等材料,以满足地质条件的要求。
在材料选择的过程中,还需要考虑材料的耐久性、施工性能和经济性等因素。
五、横断面设计中的施工工艺在桥梁隧道的横断面设计中,施工工艺是十分重要的一环。
不同的施工工艺可以影响工程的质量、进度和安全等方面。
在桥梁的施工过程中,需要采取适当的浇筑、拼装和安装工艺,以确保结构的完整性和稳定性。
铁路隧道施工标准规范1. 引言##本文档旨在提供铁路隧道施工的标准规范,以确保工程的安全性和质量。
隧道施工需要严格遵守以下规范和指南,包括设计、施工、监控和验收等方面的要求。
2. 设计要求##2.1 隧道设计应符合国家相关规范和标准的要求,包括但不限于《铁路隧道设计规范》。
2.2 隧道的几何要求包括隧道轴线、纵断面、横断面和过渡段的设计。
隧道轴线应符合设计要求,确保列车的安全通行。
纵断面设计应考虑隧道的净高、净宽和坡度要求。
横断面设计应满足列车轨道、供电系统、排水系统和安全通道等要求。
过渡段的设计应符合相关技术标准。
2.3 隧道内部设施的设计包括照明、通风、防火、排烟和应急疏散系统等。
这些设计应满足相应标准和规范,确保隧道内部的安全条件。
3. 施工要求##3.1 隧道施工应按照设计要求进行,施工工艺和方法应符合相关规范和标准。
3.2 施工人员应持有相应证书和资质,且应按照相关安全规定进行工作。
3.3 施工现场应有完善的安全措施,包括施工围护、防护网、警示标志和安全设备等。
3.4 施工材料和设备应符合相关规范和标准,施工现场应进行质量控制和监督。
4. 监控和验收##4.1 隧道施工过程中应进行监控和测量,以确保施工质量和安全。
4.2 监控包括隧道轴线、纵断面和横断面的测量,以及土体变形和水位的监测等。
4.3 隧道施工结束后,应进行验收工作,包括结构、设备、内部设施和安全条件的检查和测试。
5. 其他要求##5.1 隧道施工期间应与相关部门保持沟通,及时报告施工进展和问题。
5.2 施工期间应注意环境保护和资源利用,严禁违法排放和浪费。
5.3 施工完工后应及时清理施工场地,确保周边环境的整洁和安全。
6. 结论##本文档总结了铁路隧道施工的标准规范,包括设计要求、施工要求、监控和验收等方面的要求。
铁路隧道施工需要严格遵守这些规范和指南,以确保工程的安全性和质量。
如有需要,可以参考相关国家标准和规范进行进一步深入研究和指导。
中华人民共和国行业标准公路隧道设计规范Code for Design of Road TunnelJTG D70--2004主编单位:重庆交通科研设计院批准部门:中华人民共和国交通部实施日期:2004年11月Ol 日关于发布《公路隧道设计规范》(JTG D70--2004)的公告第19号现发布《公路隧道设计规范》(JTG D70--2004),自2004年11月1日起实行,原《公路隧道设计规范》(JTJ 026--90)同时废止。
《公路隧道设计规范》(JTG D70-2004)中第1.0.3、1.O.5、1.O.6、1.0.7、3.1.1、3.1.3、7.1.2、8.1.2、10.1.1、15.1.1、15.1.2、16.1.1条为强制性条文,必须按照国家有关工程建设标准强制性条文的有关规定严格执行。
《工程建设标准强制性条文》(公路工程部分)2002版中关于《公路隧道设计规范》(JTJ 026--90)的强制性条文同时废止。
《公路隧道设计规范》(JTG D70-2004)由重庆交通科研设计院负责编制,规范的管理权和解释权归交通部,日常解释和管理工作由重庆交通科研设计院负责。
请各有关单位在实践中注意积累资料,总结经验,及时将发现的问题和修改意见函告重庆交通科研设计院(地址:重庆市南岸区五公里,邮政编码:400067),以便修订时参考。
特此公告。
中华人民共和国交通部二OO四年七月九日前言《公路隧道设计规范》(JTJ 026)白1990年12月l日发布实施以来,对推进我国公路隧道工程科技进步和规范其设计行为均起到了积极的作用但是,随着我国近十多年来隧道建设实践经验的积累和技术进步,该规范当时所依托的技术已有相当一部分较为陈旧,许多规定已明显落后于工程实际,极不适应当前隧道建设的需要,因此需要对该规范进行全面修订。
为此,交通部以交公路发[1999]82号文下达了修订《公路隧道设计规范》的决定。
根据该文通知,重庆交通科研设计院为修订工作主编单位,浙让省交通规划设计研究院、同济大学、中交第一公路勘察设计研究院、重庆交通学院为参编单位,并邀请有关技术专家组成《公路隧道设计规范》修订编制组。
隧道道路设计规范前言本规范的编制是为了规范隧道道路的设计,确保施工进度和施工质量,最终提升交通出行的安全性和便利性。
一、总则1.1 规范适用范围本规范适用于隧道道路的设计,包括设计单位和施工单位。
1.2 相关规范标准隧道道路的设计还应符合以下相关规范标准:- 《公路交通安全设施设计规范》- 《公路工程勘察规范》- 《隧道工程施工质量验收规范》1.3 术语和定义本规范中使用的术语和定义,应遵循《公路工程术语》的规定。
二、设计内容2.1 道路纵断面设计隧道道路的纵断面设计应满足以下要求:- 设计满足相应车速、交通量等要求;- 考虑路肩设置;- 考虑道路排水及防水措施;- 考虑在特定区域内设置休息区、紧急停车带等。
2.2 道路横断面设计隧道道路的横断面设计应满足以下要求:- 考虑道路宽度的设置;- 考虑两侧路肩的设置;- 考虑隧道内照明、通风、排烟等设施的布置。
2.3 道路平面曲线设计隧道道路的平面曲线设计应满足以下要求:- 根据车速等要求进行设计;- 转弯、趋势变化等部位设定适当的超高、超低;- 不宜设置S形曲线。
三、其他3.1 工程监理隧道道路设计、施工过程中需要有专业的监理单位进行工程质量的监督和管理。
3.2 施工组织设计施工单位应制定详细的隧道道路施工组织设计方案,确保施工进度和施工质量。
四、附则4.1 规范的解释和修订本规范的解释和修订权归国家公路交通主管部门所有。
对本规范的解释和修订,将征求专家的意见。
4.2 实施日期本规范自颁布之日起实施。
以上为隧道道路设计规范的完整版内容,希望能对隧道道路的设计者和施工者们有所帮助。