第六章连锁遗传分析和染色体作图
- 格式:ppt
- 大小:1.12 MB
- 文档页数:47
连锁遗传规律•连锁与交换规律•基因定位和遗传学图•链孢霉的连锁、互换和基因定位•性别决定•人类性别异常•伴性遗传、限性遗传和从性遗传粗糙链孢菌(Neurospora crassa)粗糙链孢菌的特点:⒈子囊孢子是单倍体,表型直接反映基因型。
⒉一次只分析一个减数分裂产物。
⒊体积小,易繁殖,易于培养。
⒋可进行有性生殖,染色体结构和功能类似于高等生物。
粗糙链孢酶的生活史:顺序四分子分析及其特点减数分裂产生4个孢子,按一定顺序排列在子囊内,叫顺序四分孢子或顺序四分子,对其进行分析叫顺序四分子分析。
特点:①一个顺序四分子是一个合子一次减数分裂的产物,它不和其它合子的减数分裂产物相混合,因此能够对合子进行单个的分析。
②顺序四分子中的四分孢子来源清楚。
③链孢霉是单倍体,无显隐性之分,不管显性还是隐性都能表现,表现型就代表基因型。
着丝粒作图(centromere mapping)利用四分子分析法,测定基因与着丝粒之间的距离。
将着丝粒作为一个位点(locus)来计算基因与着丝粒之间的距离。
链孢霉的野生型又称为原养型(prototroph),子囊孢子按时成熟呈黑色。
营养缺陷型(auxotroph),只能在完全培养基上生长,成熟较慢,子囊孢子呈灰白色。
Prototrophauxotroph测定营养缺陷型的方法:重组值=(交换型子囊数/交换+非交换型子囊数)×100% × 1/2例:++++---- 105----++++ 129++--++-- 9--++--++ 5++----++ 10--++++-- 16重组值=(9+5+10+16/9+5+10+16+105+129)×100% ×1/2=7.3%Lys 基因与着丝粒之间的距离是7.3cM 。
1/2的含义:在子囊孢子发生交换时,每发生一个交叉,一个子囊中有半数孢子发生重组。
配子数与子囊数性染色体决定型-XY型果蝇:2n=8 人类:雌性:AA(44)+XX(2)雄性:AA(44)+XY(2)性染色体决定型-XY型果蝇、鼠、牛、羊、人等属于这一类型。
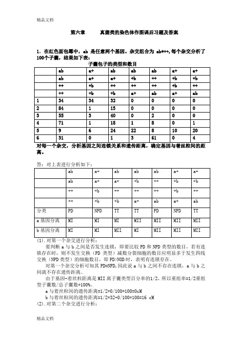
第六章真菌类的染色体作图课后习题及答案1.在红色面包霉中,ab是任意两个基因。
杂交组合为ab*++,每个杂交分析了100个子囊,结果如下表:子囊包子的类型和数目ab a+ab ab ab a+a+ab a+a++b+++b+b+++b+++++++b+++++b+b a+ab a+ab 134******** 2841150000 3553400200 4711181801 596242281020 6310136104对每一个杂交,分析基因之间连锁关系和遗传距离,确定基因与着丝粒间的距离。
答:对上表进行分析如下:ab a+ab ab ab a+a+ab a+a++b+++b+b+++b+++++++b+++++b+b a+ab a+ab分类PD NPD TT TT PD NPD TTa基因分离MI MI MI MII MII MII MII b基因分离MI MI MII MI MII MII MII(1).对第一个杂交进行分析:要判断a与b之间是否发生连锁,即要比较PD和NPD类型的数目,若有连锁存在时,则不发生交换(PD类型)减数分裂细胞的数目应明显多于发生四线交换(NPD类型)的细胞数目,即PD>NOD时,表明有连锁存在。
对第一个杂交分析可知其PD=NPD,因此说a与b之间不存在连锁,a与b之间就不存在遗传距离。
由于基因-着丝粒距离是MII离子囊类型百分率的1/2,所以重组率=1/2重组型子囊数/总子囊数*100%。
a与着丝粒间的遗传距离=1/2*0/100*100=0cMb与着丝粒间的遗传距离=1/2*32+0/100*100=16 cM(2).对第二个杂交进行分析:由于PD类型远大于NPD类型,即PD>NOD,表明a与b连锁。
a与b之间的遗传距离=50*(TT+6NPD)=50*(15/100+6*1/100)=10.5 cMa与着丝粒间的遗传距离=1/2*0/100*100=0 cMb与着丝粒间的遗传距离=1/2*15/100*100=7.5 cM由此可知a与b位于着丝粒的两端。
连锁遗传规律•连锁与交换规律•基因定位和遗传学图•链孢霉的连锁、互换和基因定位•性别决定•人类性别异常•伴性遗传、限性遗传和从性遗传粗糙链孢菌(Neurospora crassa)粗糙链孢菌的特点:⒈子囊孢子是单倍体,表型直接反映基因型。
⒉一次只分析一个减数分裂产物。
⒊体积小,易繁殖,易于培养。
⒋可进行有性生殖,染色体结构和功能类似于高等生物。
粗糙链孢酶的生活史:顺序四分子分析及其特点减数分裂产生4个孢子,按一定顺序排列在子囊内,叫顺序四分孢子或顺序四分子,对其进行分析叫顺序四分子分析。
特点:①一个顺序四分子是一个合子一次减数分裂的产物,它不和其它合子的减数分裂产物相混合,因此能够对合子进行单个的分析。
②顺序四分子中的四分孢子来源清楚。
③链孢霉是单倍体,无显隐性之分,不管显性还是隐性都能表现,表现型就代表基因型。
着丝粒作图(centromere mapping)利用四分子分析法,测定基因与着丝粒之间的距离。
将着丝粒作为一个位点(locus)来计算基因与着丝粒之间的距离。
链孢霉的野生型又称为原养型(prototroph),子囊孢子按时成熟呈黑色。
营养缺陷型(auxotroph),只能在完全培养基上生长,成熟较慢,子囊孢子呈灰白色。
Prototrophauxotroph测定营养缺陷型的方法:重组值=(交换型子囊数/交换+非交换型子囊数)×100% × 1/2例:++++---- 105----++++ 129++--++-- 9--++--++ 5++----++ 10--++++-- 16重组值=(9+5+10+16/9+5+10+16+105+129)×100% ×1/2=7.3%Lys 基因与着丝粒之间的距离是7.3cM 。
1/2的含义:在子囊孢子发生交换时,每发生一个交叉,一个子囊中有半数孢子发生重组。
配子数与子囊数性染色体决定型-XY型果蝇:2n=8 人类:雌性:AA(44)+XX(2)雄性:AA(44)+XY(2)性染色体决定型-XY型果蝇、鼠、牛、羊、人等属于这一类型。