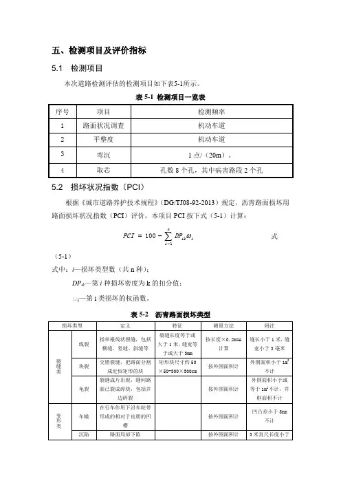
道路检测路面损坏状况指数PCI
- 格式:pptx
- 大小:1.83 MB
- 文档页数:2
公路技术状况评价指标公路技术状况评价包含路面、路基、桥隧构造物和沿线设施四部分内容。
评价指标见图1,各指标值域均为0~100。
图1 公路技术状况评价指标MQI ——公路技术状况指数(Maintenance Quality Indicator );TCIw BCI w SCI w PQI w MQI TCI BCI SCI PQI +++=PQI w ——PQI 在MQI 中的权重,取值为0.70;SCI w ——SCI 在MQI 中的权重,取值为0.08; BCI w ——BCI 在MQI 中的权重,取值为0.12; TCI w ——TCI 在MQI 中的权重,取值为0.10。
PQI ——路面使用性能指数(Pavement Quality or Performance Index )SRI w RDI w RQI w PCI w PQI SRI RDI RQI PCI +++=PCI w ——PCI 在PQI 中的权重,按表6.2.1-1取值;RQI w ——RQI 在PQI 中的权重,按表6.2.1-1取值;RDI w ——RDI 在PQI 中的权重,按表6.2.1-1取值; SRI w ——SRI 在PQI 中的权重,按表6.2.1-1 取值。
表6.2.1-1 PQI 分项指标权重SCI ——路基技术状况指数(Subgrade Condition Index )∑=-=81)100(i iSCI i GD w SCIiSCI GD ——第i 类路基损坏的总扣分(Global Deduction ),最高分值为100,按表6.2.2 的规定计算;i w ——第i 类路基损坏的权重,按表6.2.2 取值;i ——路基损坏类型表 6.2. 2 路基损坏扣分标准BCI ——桥隧构造物技术状况指数(Bridge ,Tunnel and Culvert Condition Index ))100m in(iBCI GD BCI -=iBCI GD ——第i 类构造物损坏的总扣分,最高分值为100,按表6.2.3的规定计算;i ——构造物类型(桥梁、隧道或涵洞)。
高速公路路面破损检测分析摘要:随着中国经济的迅猛发展,中国的高速公路建设也在飞速的发展,因此高速公路的养护与管理技术也必须与时俱进。
路面检测又是高速公路养护与管理很重要的一部分。
文章在对高速公路路面的破损特征进行详细分析的基础上,探讨了针对中国高速公路路面破损特征的检测与识别技术。
关键词:高速公路;路面破损;检测技术;识别技术改革开放以后,我国的经济迅速发展,客流量和货流量大大增加。
2012年,高速公路的客流量占91.7%,货流量占78.3%。
汽车保有量以每年14%的速度增长。
虽然我国高速公路的建设起步较晚,但发展速度之快和建设规模之大,在世界公路史上都是前所未有的。
但是随着高速公路通车时间的增长,路面的破损问题就逐渐凸显出来。
因此随着高速公路建设的飞速发展,高速公路路面养护与管理的任务也随之变得越来越繁重。
而路面检测是路面养护与管理的第一步,如果可以提高这一步的工作效率那么将会减轻路面养护与管理的任务。
下面就国内外两方面论述一下路面检测的发展情况。
一、路面检测与破损特征识别技术的发展现状(一)国外发展状况从20世纪70年代开始,随着高速公路建设的飞速发展,路面破损特征自动检测系统开始逐渐出现,如加拿大的Roadware公司在1969年开始了路面数据采集的研究。
到目前为止,其客户已经遍布全球17个国家。
还有日本的Komatsu系统、美国的ETC公司的PCES系统、IMS公司的“PAVUE”系统、瑞士联邦技术研究所的“CREHOS”系统、英国WDM公司研制的路面裂缝检测车等。
但当时的技术还很不完善,其工作原理也不尽相同。
日本的Komatsu系统是利用安装在检测车两侧的激光扫描器发出氩激光照亮路面,通过光电倍增管以一定角度接收从路面反射回来的光,当被扫描的路面上有裂缝出现时,接收的射线数量就会减少。
也就是说,从光电倍增管输出的变化反映出所扫描的区域是否存在裂缝。
(二)国内发展现状伴随着我国经济的稳步迅速发展,我国高速公路通车里程也飞速增长,我们在路基、路面设计、施工、管理上取得了长足进步,但是从全社会对建设质量的要求来看,高速公路建设也存在一些不理想的地方。
2022年-2023年试验检测师之道路工程通关提分题库及完整答案单选题(共30题)1、高速公路路面损坏状况指数PCI等级划分应为“良”的评分范围标准为()。
A.80≤良<90B.80≤良<92C.80≤良≤90D.80≤良≤92【答案】 B2、某工程从现场取SBS改性沥青样品进行试验,请对下面各题进行判别。
18)该试样25℃针入度试验三个检测则记录分别为48.1(0.1mm)、47.2(0.1mm).44.3(0.1mm),则以下阐述正确的是()A.该试样25℃针入度为45.9(0.1mm)B.该试样25℃针入度为46(0.1mm)C.该试验结果无效,应重新进行试验D.该试样满足SBSl-D沥青针入度指标要求【答案】 C3、某高速公路沥青路面表面层AC-13,采用3种规格石灰岩粗集料,分别10mm-15mm、5mm-10mm、3mm-5mm,针片状含量和坚固性试验数据如下表,请回答下列问题。
5、上述试验可以根据实际需求进行选择的试验是()。
(2018检师真题)A.针片状试验B.软石含量C.坚固性试验D.沥青与粗集料的粘附性【答案】 C4、贝克曼梁测定回弹弯沉,百分表初读数为49,终读数为24。
那么回弹弯沉值是()A.25(0.01mm)B.25(mm)C.50(0.01mm)D.50(mm)【答案】 C5、某新建高速公路土方路基路床施工中,其中某路段压实层质量检查的压实度检测结果如下表所示。
已知保证率为95%、n=20时,ta/√n=0.387根据上述资料,回答下列问题。
(1)该路段压实层的压实度标准值为()。
A.96%B.95%C.94%D.93%【答案】 A6、在沥青混合料中起填充作用的,粒径小于()的矿物质粉末,称为填料。
A.1.18mmB.0.6mmC.0.3mmD.0.075mm【答案】 D7、下列关于沥青感温性描述不正确的是()A.随温度的升高,沥青针入度增加明显的沥青感温性大B.感温性越大,PI值越大C.感温性大的沥青不适宜用在夏季温度偏高的地区D.感温性高的沥青随温度变化其黏度变化较为明显【答案】 B8、公路工程质量检验评定标准第一册土建工程》适用于()检测评定工作。
路面技术状况指数分项指标PCI与RQI相关关系研究发布时间:2021-05-18T09:46:42.117Z 来源:《基层建设》2020年第31期作者:郝建云赵欢李白扬[导读] 摘要:公路工程中路面技术状况指数PQI的分项指标较多,分别用于评价路面损坏、路面平整度、路面车辙、路面跳车、路面磨耗、路面抗滑性能以及路面结构强度等状况。
1.云南省公路科学技术研究院云南昆明 650051;2.云南云岭高速公路工程咨询有限公司云南昆明 650051摘要:公路工程中路面技术状况指数PQI的分项指标较多,分别用于评价路面损坏、路面平整度、路面车辙、路面跳车、路面磨耗、路面抗滑性能以及路面结构强度等状况。
各分项指标虽然是相对独立的评价指标,却又有一定关联性,本文对PCI与RQI两分项指标的相关关系做了研究,结果表明:路面技术状况指数分项指标PCI与RQI相关性良好。
关键词:公路工程;路面技术状况;PCI;RQI;相关性0引言在路面技术状况评价体系中,分项指标中PCI(路面破损)与RQI(平整度)是其中两个非常重要的评价指标。
PCI值越大,路面技术状况就越好。
同样,RQI值越大,路面技术状况也会越好[1-2]。
一般会依据PCI、RQI等分项指标的大小将路面技术状况分划分为优、良、中、次、差5级[1-2]。
通常认为,一般情况下,相同路面类型下的PCI值越大,表明路面的综合破损情况越小,那么路面的行车舒适度越好,即RQI就会越高;路面类型相同时,RQI越大,表明路面的平整性越好,路面行车舒适性越好,则路面综合破损就越小,PCI就越高。
分项指标PCI与RQI到底存在何种相关关系,本文就此进行了相关研究。
1 定义1.1 路面损坏状况指数PCIPCI是路面破损率与路面类型的函数,用来评价路面损坏状况[2]。
PCI与DR有相应的对应关系,沥青路面与水泥混凝土里面损坏的换算系数,是为了用于设备自动识别的各类路面损坏的权重。
PCI计算公式为:式中:DR—路面破损率(%);a0、a1—根据路面类型的不同,选取不同的计算参数。
路面及桥涵洞状况评价石黄线全县有桥梁座,其中中桥座,小桥座,涵洞道。
2004年底对桥涵检查显示,桥梁状况良好,涵洞排水畅通。
2007年3月对桥涵调查,桥梁严重损坏座,其中严家桥拱上侧墙倒塌,已于2005年由我所组织修复。
涵洞淤塞道。
路面状况指数(PCI)是反映沥青路面破损状况的指标,通过对石黄线路面进行实地调查,对路面进行分析统计,与2004年结果显示进行了对比。
2004年路面状况指数(PCI)调查:调查里程43公里,路面宽5米,调查时间:2004年10月破损类型严重程度数量龟裂轻385平方米重620平方米坑槽轻250平方米重180平方米啃边460米松散轻120平方米重540平方米沉陷轻120平方米重360平方米路面综合破损率(DR)计算:DR=D/A×100%=∑∑Dij〃Kij/A×100%=1.1%路面状况指数PCI值计算:PCI=100-100*DR0.412=84.4 属于良好路况范围。
2006年路面状况指数(PCI)调查:由于路面病害严重,本次调查只针对严重病害类型(龟裂、坑槽、松散、沉陷),故得出的PCI值为保守数字。
调查里程43公里,路面宽5米,调查时间2006年12月破损类型严重程度数量龟裂中1132.47平方米重893平方米坑槽重38100平方米松散重17129.15平方米轻12267沉陷重18812.51平方米轻26313平方米路面综合破损率(DR)计算:DR=D/A×100%=∑∑Dij〃Kij/A×100%=36.53%路面状况指数PCI值计算:PCI=100-100*DR0.412=33.96 已经属于路况差的状况。
调查计算结果显示,该路线的路面状况指数PCI值由2004年的84.4至2006年已经下降到33.96。
路面技术状况评价与一般养护措施一、路面技术状况的评价指标我国从20世纪80年代开始接触路面管理系统,在借鉴国外相关研究成果的基础上,根据我国路面特点,建立了一系列路面评价模型。
我国早期建立的路面评价模型深受美国PSI的影响,经过后续不断改进完善,形成了完善的路面评价指标体系。
我国公路路面技术状况的各评价指标如图8.1所示,各评价指标的值域均为0~100。
图8.1 公路路面技术状况评价指标(一)路面使用性能指数(PQI)沥青路面使用性能评价包含路面损坏、平整度、车辙、抗滑性能和结构强度5项技术内容。
其中,路面结构强度为抽样评定指标,单独计算与评定,评定范围根据路面大中修养护需求、路基的地质条件等自行确定。
水泥混凝土路面使用性能评价包含路面损坏、平整度和抗滑性能三项技术内容。
路面使用性能指数(PQI)按式(8.8)计算:式中w——PCI在PQI中的权重,按表8.5取值;PCI——RQI在PQI中的权重,按表8.5取值;wRQI——RDI在PQI中的权重,按表8.5取值;wRDIw——SRI在PQI中的权重,按表8.5取值。
SRI表8.5 PQI分项指标权重续表(二)路面损坏状况指数PCI路面损坏用路面损坏状况指数(PCI)评价,PCI按式(8.9)和式(8.10)计算:式中DR——路面破损率(Pavement Distress Ratio),为各种损坏的折合损坏面积之和与路面调查面积之百分比,%;——第i类路面损坏的面积,m2;AiA——调查的路面面积,调查长度与有效路面宽度之积,m2;w——第i类路面损坏的权重;i——沥青路面采用15.00,水泥混凝土路面采用10.66,砂石路面采用α10.10;α——沥青路面采用0.412,水泥混凝土路面采用0.461,砂石路面采用i0.487;i——考虑损坏程度(轻、中、重)的第i项路面损坏类型;i——包含损坏程度(轻、中、重)的损坏类型总数,沥青路面取21,水泥混0凝土路面取20,砂石路面取6。