DB21T2538-2015SBR改性沥青混合料设计与施工技术规范
- 格式:pdf
- 大小:280.73 KB
- 文档页数:18
改性沥青技术要求特点分析1 聚合物改性沥青技术要求各国改性沥青标准都有一些共同特点,即根据聚合物类型的不同分类,将每一类型的聚合物改性沥青分成几个等级,每个等级适用于不同的气候条件。
美国AASHTO-AGC-ARTBA改性沥青建议标准中,路用性能只控制有限的几种性质,包括感温性、低温开裂、疲劳开裂、永久变形、老化、均匀性、纯度、安全和工作性等。
然而,我国提出的聚合物改性沥青技术要求,对SBS类、SBR类、EVA和PE类改性沥青,指标包括了针入度(25℃,100g,5s)、针入度指数、延度(5℃, 5mm/min)、软化点TR&B、运动粘度(135℃)、闪点、溶解度、离析和软化点、弹性恢复(25℃)、粘韧性、韧性、质量损失、针入度比(25℃)等多种性质。
2 改性沥青的分类和使用范围我国今后相当长的一段时间内,可能使用的聚合物改性沥青主要是SBS、SBR、EVA、PE。
因此,将其分成为3类:①I类为SBS类,属于热塑性橡胶类聚合物改性沥青,1-A型和1-B型适用于寒冷地区,1-C型适用于较热地区,1-D型适用于炎热地区及重交通量路段;②II类为SBR类,属于橡胶类聚合物改性沥青, II-A型适用于寒冷地区,II-B和II-C型适用于较热地区;③III类为EVA、PE 类,属于聚合物改性沥青,适用于较热地区和炎热地区,通常要求软化点温度比最高月使用温度的最大日空气温度要高20℃。
根据沥青改性的目的和要求,可以初步选择如下改性剂:①为提高永久变形能力,宜使用热塑性橡胶类和热塑性树脂类改性剂;②为提高抗低温开裂能力,宜使用热塑性橡胶类和橡胶类改性剂;③为提高疲劳开裂能力,宜使用热塑性橡胶类、橡胶类和热塑性树脂类改性剂;④为提高抗水害能力,宜使用各类抗剥落剂。
3 改性沥青的分级及感温性要求改性沥青的技术指标以改性沥青的针入度作为分级的主要依据,其性能以改性后沥青感温性的改善程度,即针入度指数PI的变化为关键性评价指标。
改性沥青最新标准规范表改性沥青作为道路建设中的重要材料,其性能直接影响到道路的使用寿命和行车安全。
随着科技的发展和市场需求的提高,改性沥青的标准规范也在不断更新和完善。
以下是最新的改性沥青标准规范表,旨在为道路建设提供指导和参考。
1. 材料要求- 沥青基材:应选用符合国家标准的优质基质沥青。
- 改性剂:根据改性沥青的类型,选择相应的聚合物、SBS、SBR等改性剂。
2. 物理性能指标- 软化点:不低于60℃。
- 针入度:根据具体应用要求,一般在20-100(1/10mm)范围内。
- 延度:在5℃时不低于50cm。
- 弹性恢复率:在25℃时不低于80%。
3. 化学性能指标- 溶解度:在三氯甲烷中不小于99%。
- 稳定性:在70℃加热5小时后,软化点下降不超过5℃。
4. 耐久性能指标- 耐热老化性能:在163℃条件下老化后,软化点升高不超过10℃,针入度比下降不超过20%。
- 耐水稳定性:在25次冻融循环后,软化点升高不超过5℃,针入度比下降不超过10%。
5. 施工性能指标- 施工温度:根据改性剂类型和环境条件,施工温度一般在150-180℃之间。
- 施工粘度:应保证在施工过程中具有良好的流动性和铺展性。
6. 环保性能指标- 挥发性有机化合物(VOC)含量:应符合国家环保标准,不超过规定限值。
- 重金属含量:应严格控制,确保不超标。
7. 应用范围- 高速公路、城市快速路等重载交通道路。
- 机场跑道、港口码头等特殊用途道路。
8. 质量控制- 原材料检验:对沥青基材和改性剂进行严格的质量检验。
- 生产过程控制:确保改性沥青生产过程符合工艺要求。
- 成品检验:对成品改性沥青进行性能测试,确保满足上述指标。
9. 储存与运输- 储存条件:应储存在阴凉、干燥、通风良好的环境中,避免直接日晒和高温。
- 运输要求:运输过程中应避免剧烈震动和温度变化。
10. 结束语随着道路建设标准的提高和新材料技术的不断涌现,改性沥青的标准规范也在不断更新。
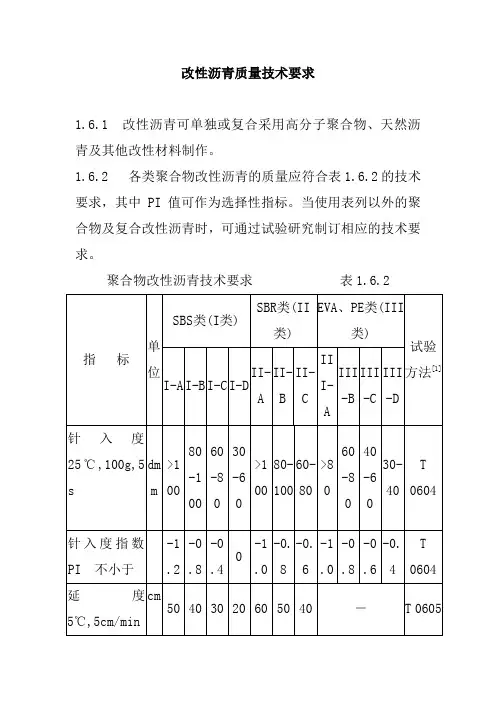
改性沥青质量技术要求1.6.1改性沥青可单独或复合采用高分子聚合物、天然沥青及其他改性材料制作。
1.6.2各类聚合物改性沥青的质量应符合表 1.6.2的技术要求,其中 PI 值可作为选择性指标。
当使用表列以外的聚合物及复合改性沥青时,可通过试验研究制订相应的技术要求。
聚合物改性沥青技术要求表 1.6.2SBR类 (II EVA、PE类 (IIISBS类 (I 类 )类 )类 )单试验II指标位IIIII-II-II-III III方法 [1]I-A I-B I-C I-D I-A B C-B -C -DA针入度806030604025 ℃ ,100g,5 dm >1>1 80- 60- >830-T-1-8-6-8-6s m 0000 100 800400604000000针入度指数-1-0-0-1 -0.-0.-1 -0 -0 -0.TPI不小于.2.8.4.086.0.8.640604延度 cm50-403020 605040T 0605 5℃ ,5cm/min不小于软化点T R&B℃5055604548504852 56 60T不小于450606运动粘度T 0625 Pa[1] 135℃ , 不大3于s T 0619闪点230230230T 0611不小于℃%溶解度9999-T 0607不小于弹性恢复%25 ℃不小55 60 65 75--T 0662于粘韧性 N5T 0624--不小于·mN韧性不小于·m- 2.5-T 0624贮存稳定性[2]离析 ,48h 软无改性剂明显化点差 , 不大℃ 2.5-T 0661析出、凝聚于TFOT(或 RTFOT)后残留物T 0610质量变化%或1.0不大于T 0609针入度比%T505560655055605055586025℃不小于0604延度 5 ℃ cm T30252015302010-不小于0605注:[1] 表中135℃运动粘度可采用《公路工程沥青及沥青混合料试验规程》(JTJ 052-2000 )中的“沥青布氏旋转粘度试验方法(布洛克菲尔德粘度计法)”进行测定。
1 总则1.0.1为贯彻“精心施工,质量第一”的方针,保证沥青路面的施工质量,特制定本规范。
1.0.2 本规范适用于各等级新建和改建公路的沥青路面工程。
1.0.3沥青路面施工必须符合国家环境和生态保护的规定。
1.0.4沥青路面施工必须有施工组织设计,并保证合理的施工工期。
沥青路面不得在气温10℃(高速公路和一级公路)或5℃(其他等级公路),以及雨天、路面潮湿的情况下施工。
1.0.5沥青面层宜连续施工,避免与可能污染沥青层的其他工序交叉干扰,以杜绝施工和运输污染。
1.0.6沥青路面施工应确保安全,有良好的劳动保护。
沥青拌和厂应具备防火设施,配制和使用液体石油沥青的全过程严禁烟火。
使用煤沥青时应采取措施防止工作人员吸入煤沥青或避免皮肤直接接触煤沥青造成身体伤害。
1.0.7沥青路面试验检测的实验室应通过认证,取得相应的资质,试验人员持证上岗,仪器设备必须检定合格。
1.0.8沥青路面工程应积极采用经试验和实践证明有效的新技术、新材料、新工艺。
1.0.9沥青路面施工除应符合本规范外,尚应符合国家颁布的现行有关标准、规范的规定。
特殊地质条件和地区的沥青路面工程,可根据实际情况,制订补充规定。
各省、市、自治区或工程建设单位可根据具体情况,制订相应的技术指南,但技术要求不宜低于本规范的规定。
2 术语、符号、代号2.1术语2.1.1沥青结合料 asphalt binder,asphalt cement在沥青混合料中起胶结作用的沥青类材料(含添加的外掺剂、改性剂等)的总称。
2.1.2乳化沥青emulsified bitumen(英), asphalt emulsion,emulsified asphalt(美)石油沥青与水在乳化剂、稳定剂等的作用下经乳化加工制得的均匀的沥青产品,也称沥青乳液。
2.1.3液体沥青 liquid bitumen(英), cutback asphalt(美)用汽油、煤油、柴油等溶剂将石油沥青稀释而成的沥青产品,也称轻制沥青或稀释沥青。
地下SBS改性沥青卷材防水施工工艺标准(Q/TJJG1-05-04-2003)16。
1 适用范围及涉及的强制性条文16。
1.1 本工艺标准适用于SBS改性沥青卷材,适用于工业民用建筑地下防水工程,尤其适用较低气温环境的建筑防水。
16。
1.2 本项工艺所涉及的国家工程建设标准中主要的强制性条文:(1) 地下防水工程所使用的防水材料,应有产品的合格证书和性能检测报告,材料的品种、规格、性能等应符合现行国家产品标准和设计要求,不合格的材料不得在工程中使用。
(GB 50208—2002 3.0。
6)16.2 施工准备16。
2.1 材料准备16.2。
1。
1 高聚物改性沥青防水卷材主要物理性能见表16.2.1。
1。
(1) 基层处理剂(氯丁橡胶改性沥青胶粘剂)与高聚物(SBS)改性沥青卷材配套的底胶,其SBS材性与之相匹配,由厂家配套供应,使用方法按厂家提供说明书进行.16。
2。
2 工作条件16。
2.2.1 现场技术准备(1) SBS改性沥青卷材地下防水工程施工前施工单位应通过图纸会审,掌握施工中细部构造及相关要求,编制防水工程施工方案或防水技术措施。
(2)施工负责人向防水施工人员进行技术交底,内容包括:施工部位、施工顺序、施工工艺、构造层次、节点设防方法、增强部位做法、工程质量标准、保证质量的技术措施、成品保护措施及安全作业的注意事项。
(3) SBS改性沥青卷材、辅材等材料应提供与其配匹的材料生产质量证明文件,并提供权威部门核定的认证,同时为确保SBS卷材符合工程要求,对所使用的SBS卷材、辅材应进行抽样并复试.16.2。
2。
2 现场机具准备:平铲、钢丝刷、棕笤帚、剪刀、粉线、毛刷、滚筒、大小桶、长柄滚刷、油漆刷、压辊、扁平辊、铁抹子、手持汽动喷灯、液化气火焰喷枪、液化气瓶、隔热板、电动搅拌器等.16。
2.2。
3 现场作业条件SBS改性沥青卷材铺贴前找平层(基层)基面应洁净、平整、压光,不得有空鼓,松动、起砂、脱皮现象。
SBR 改性沥青混合料路面施工技术一、施工的前提条件(一)路线导线点、水准点复核完毕;(二)下封层的各项检测指标均达到设计及规范要求;(三)沥青面层原材料试验检测各项指标均符合设计及规范要求;(四)施工前放样己完毕;(五)沥青料拌合站己调试完毕,建站位置己经监理工程师批准。
沥青摊铺机、压路机、水车都己到现场,摊铺机己调试完毕。
二、施工工艺备料:采用装载机推料、自卸车运输、配合石料破碎机破碎、震动筛砂机进行集中采筛,规格符合沥青面层粗细集料规范要求,最大粒径不超过19.5mm →间歇式沥青砼拌和站厂拌,ZL50装载机进行上料→运输采用15t 双桥自卸车进行运输→摊铺采用陕西ABG423型摊铺机沿平衡梁进行摊铺→碾压采用双钢轮12t 压路机按压→路面面层施工技术规范进行碾压→胶轮16t 压路机进行终压。
三、SBR 沥青混合料的拌和(一)拌和料按1500kg 控制,干拌时间为5s ,加入沥青后湿拌时间为40s ,拌和成料装入成品仓,周期为60s ,这样拌和出的沥青混合料均匀一致,无离析、无花白现象。
(二)拌和温度控制在以下范围内:砂石料温度保持在200℃-210℃之间,改性沥青温度控制在160℃-165℃;出料温度控制在160℃-180℃之间,不能超过195℃或不低于160℃,每车料出厂前均应检测温度,不合要求的不能送往现场。
(三)矿粉量占总量的5%,由人工经螺旋输料器加处矿粉罐中,因此要安排好人力,在开机前,先装满矿粉罐,同时应防止矿粉受潮结块,受潮的矿粉不能加入。
(四)要严格控制油石比和矿料级配,避免油石比控制不当而产生泛油或松散现象。
拌和机每天上午、下午各取一组混合料试样做马歇尔试验和抽提筛分试验,检查油石比、矿料级配和沥青砼的物理力学性能。
(五)混合料不允许长时间存放,更不得储存过夜,各个台班的混合料产量预先详细计算好,并与现场摊铺组保持紧密联系,防止出料过多,造成浪费。
竭诚为您提供优质文档/双击可除sbs改性沥青规范技术要求篇一:改性沥青生产与技术要求崇靖高速公路sbs(i-d)改性沥青生产与技术要求崇靖高速公路中上面层sbs(i-d)改性沥青技术要求:崇靖高速公路中上面层sbs(i-d)改性沥青生产工艺要求:(1)制造改性沥青的基质沥青应与改性剂有良好的配伍性。
供应商在提供改性沥青的质量报告时,应同时提供基质沥青的质量检验报告或沥青样品。
(2)改性沥青宜在固定式工厂或在现场设厂集中制作,改性沥青的加工温度不宜超过180℃。
(3)现场制造的改性沥青宜随配随用,需作短时间保存,或运送到附近的工地时,使用前必须搅拌均匀,在不发生离析的状态下使用。
改性沥青制作设备必须设有随机采集取样口,采集的试样宜立即在现场灌模。
(4)工厂制作的成品改性沥青到达施工现场后应存储在改性沥青罐中,改性沥青罐中必须加设搅拌设备并进行搅拌,使用前必须将改性沥青搅拌均匀。
在施工过程中,应定期取样检验产品质量,发现离析等质量不符合要求的改性沥青不得使用。
生产工艺流程及特点1、改性剂采用复合改性技术,该生产技术去年在多条高速上也进行了应用,效果非常好。
本复合改性方案为:——主改性剂sbs选用岳阳石化4303(道改Ⅱ号改进型),含量3~3.2%;——辅助改性剂sbR,经过我们预先改性处理,含量1.5~2‰;——助剂,专门为本技术配方研制,含量1.5~2‰。
以上具体含量要在工地生产现场通过对加工后的改性沥青指标的检测来调整实际含量,其是以最佳的性能指标来决定的。
sbs是目前广泛使用的、能基本适应各种地区气候环境条件的通用改性剂,其特点是能提供良好的高低稳性能,特别是高温性能突出,能大大提高沥青的软化点,防止路面高温时的软化拥包、车辙(sbs改性沥青规范技术要求)等损坏,并与沥青有很好相溶性和稳定性。
sbR则具有突出的延展性和弹性恢复,有着非常好的低温性能,对冬季防止路面开裂等问题有非常好的效果;由于sbs和sbR的相溶性不同,因此需要专门的助剂来促使其发生反应,更好地分散、溶和,并使其被打乱的高分子结构重新结合,形成织构态,这样就大大提高了沥青的各项性能。
中国公路学会团体标准发布会T/CHTS 20003-2018(2018-6-18发布2018-6-19实施)1 2 3 4SBS是苯乙烯-丁二烯嵌段共聚型热塑性弹性体,兼具橡胶和塑料的双重特性,高低温性能、耐疲劳性能优良,逐渐成为应用最多的改性沥青种类,占比达90%以上。
普通SBS改性剂外观普通SBS 与石料拌和不融化我国道路沥青用SBS改性剂主要由岳阳石化、LG 、燕山石化等大型化工企业生产提供。
目前行业普遍采用工厂“湿法”预制工艺生产SBS改性沥青:先在改性沥青厂将SBS改性剂加入基质沥青中,使用大型的剪切机或胶体磨设备对SBS改性剂进行充分的溶胀、研磨、发育交联后,制备为成品改性沥青,再运输到沥青拌合楼现场储存使用。
SBS改性沥青过去20年支撑了我国高速公路大发展,但近年暴露出的技术和管理难题逐渐增多。
1.2 “湿法”改性技术存在的技术和管理难题拌合站使用过程监管困难SBS 改性剂从沥青中离析技术缺陷技术缺陷管理难题管理难题SBS 改性剂受热分解,导致性能衰减低价低质基质沥青SBS 改性剂用量不足用非SBS 改性剂调配指标1.3 湿法SBS 改性沥青不能充分满足的三种行业需求➢偏远地区及海外项目☐建厂难度高:征地、建设周期、环评等要求☐改性沥青厂较远:超出适合运距范围,储存变质问题大➢部分沥青与SBS相容性差,难以湿法改性☐如新疆优质的克拉玛依沥青。
20年研究成品SBS改性仍未解决☐2017年,新疆为做改性沥青,甚至从东部远运基质沥青入僵➢养护项目及市政工程☐规模小:使用采购组织难,机动性差☐施工期多变:使用SBS 沥青的储存问题多1.4 湿法SBS改性问题的解决方案及干法SBS的工艺☐所有SBS改性沥青问题的根源在于:,。
☐要彻底解决这个问题,只有采取类似“鲜榨果汁”的工艺——采用干法工艺,将速熔化的干法SBS改性剂直接投入拌缸。
1.5 标准需求随着干法SBS新材料的出现,该技术已经在多省市有示范应用。
改性沥青质量技术要求1.6.1 改性沥青可单独或复合采用高分子聚合物、天然沥青及其他改性材料制作。
1.6.2 各类聚合物改性沥青的质量应符合表1.6.2的技术要求,其中PI 值可作为选择性指标。
当使用表列以外的聚合物及复合改性沥青时,可通过试验研究制订相应的技术要求。
聚合物改性沥青技术要求 表1.6.2指 标单位 SBS 类(I 类)SBR 类(II 类)EVA 、PE 类(III 类)试验方法[1]I-A I-B I-C I-D II-A II-B II-C III-AIII -B III -C III -D针入度25℃,100g,5sdm m >100 80-100 60-80 30-60>100 80-100 60-80 >8060-80 40-6030-40 T0604针入度指数PI 不小于 -1.2 -0.8 -0.4-1.0 -0.8 -0.6 -1.0 -0.8 -0.6 -0.4 T0604延度 5℃,5cm/mincm50 40 30 20 60 50 40-T 0605不小于软化点 T R&B 不小于 ℃ 45 50 55 60 45 48 50 48 52 56 60T0606 运动粘度[1]135℃,不大于 Pa s3T 0625 T 0619闪点不小于 ℃ 230 230 230 T 0611溶解度不小于%99 99 - T 0607弹性恢复25℃ 不小于 % 55 60 65 75--T 0662粘韧性 不小于 N ·m -5-T 0624韧性 不小于N·m- 2.5 - T 0624贮存稳定性[2]离析,48h软化点差,不大于℃ 2.5 -无改性剂明显析出、凝聚T 0661 TFOT(或RTFOT)后残留物质量变化不大于% 1.0T 0610或T 0609针入度比25℃不小于%50 55 60 65 50 55 60 50 55 58 60T0604延度5℃不小于cm30 25 20 15 30 20 10 -T0605注: [1] 表中135℃运动粘度可采用《公路工程沥青及沥青混合料试验规程》(JTJ 052-2000)中的“沥青布氏旋转粘度试验方法(布洛克菲尔德粘度计法)”进行测定。
改性沥青技术本页仅作为文档封面,使用时可以删除This document is for reference only-rar21year.March改性沥青技术一、改性沥青目标及应用场合1、目标a:改善感温性b:提高水稳定性c:提高耐久性2、应用场合a:普通沥青改性后用于高等级公路b:提高路面使用品质,延长使用寿命c:特殊要求之处,如自然条件或交通条件严厉,机场跑道,桥面、SMA、OGFC。
二、改性剂分类1、聚合物类a.橡胶类如丁苯橡胶(SBR)b.热塑性弹性体类如苯已烯、丁二烯嵌段聚合物(SBS)c.热塑性树脂类如聚乙烯(PE)、乙烯、乙酸乙烯脂(EVA)、APAO等2、其他a.抗剥落剂如高分子有机胺 b.抗老化剂如受阻酚(胺)c.矿物添加剂如碳黑、硫磺、石棉、木质素、博尼维等狭义的改性沥青指聚合物改性(PMA 或 PMB)三、常用聚合物改性剂1、SBS 高低温以丁二烯—1.3苯已稀为单位,通过离子聚合而成为嵌段聚合物——聚苯乙烯为硬段(S)段,聚丁二烯为软段(B段)。
SBS按其分子结构分为线型和星型,其玻璃化温度有两个Tg1—— -80℃(聚丁二烯)Tg2—— +80℃ - +100℃(聚苯乙烯)型号用四位数表示第一位:1一线型; 4一星型第二位:于S/B 3-3/7 4-4/6第三位:充油与否 0-未充油 1-充油第四位:分子量1-〈10万、 2- 14~16万、3- 23~28万星型:分子量大,高温效果好,但加工困难充油:可改善加工工艺S/B:视改性目的的而定,高温4/6,低温3/72.SBR 主要用于改善低温性能SBR 改性沥青加工工艺有;搅拌法、母体法、溶剂法和胶乳法。
1、搅拌法:胶体磨或高速剪切机 2、母体法:用溶剂法制成橡胶:沥青=1:4的母体,施工时与沥青拌和3、溶剂法:将SBR 切片→与溶剂(二甲苯)溶胀→与液态沥青共混→回收溶剂4、胶乳法(1)直接加入法利用合成橡胶制造过程中间产品(胶浆),再制成高浓度胶乳。
中华人民共和国行业标准公路改性沥青路面施工技术规范Technical Specifications for Constructionof Highway Modified Asphalt PavementJTJ 036-98主编单位:交通部重庆公路科学研究所批准部门:中华人民共和国交通部施行日期:1999年3月1日人民交通出版社1999·北京关于发布《公路改性沥青路面施工技术规范》的通知交公路发[1998]729号各省、自治区交通厅,北京市交通局,上海市市政工程管理局,天津市市政工程局,重庆市交通局,部属公路设计、施工、科研、监督、监理单位,公路院校:现批准发布《公路改性沥青路面施工技术规范》(编号JTJ036-98),作为行业标准,自1999年3月1日起施行。
该标准由交通部重庆公路科学研究所主编,人民交通出版社出版。
希各单位在实践中注意积累资料,总结经验,及时将发现的问题和修改意见函告交通部重庆公路科学研究所,以便修订时参考。
中华人民共和国交通部 1998年12月1日前言近年来,我国各有关单位和部门在研究、开发和使用改性沥青的过程中,针对不同的改性沥青和具体的工程实践,编制了相应的技术标准、施工指南、手册、规范等文件,这些文件对我国改性沥青技术的发展起到了促进作用,但这些文件也具有一定的局限性,需要制订系统、完整、实用、可操作性较强的公路改性沥青路面施工技术规范。
为了适应改性沥青路面施工应用的需要,交通部以交公路[1994]1265号文下达了编制《公路改性沥青路面施工技术规范》的任务,由交通部重庆公路科学研究所主持编写。
本规范的主要内容包括改性沥青及改性沥青混合料的技术要求,改性沥青的制备,改性沥青混合料生产、运输、摊铺、压实的有关规定,改性沥青路面接缝的施工以及施工质量管理等。
目前可用于沥青改性的添加剂有很多,本规范所涉及的仅是其中应用比较广泛、技术比较成熟的几种聚合物改性剂。
本规范大量采用了国内有关改性沥青的科研成果和工程实践经验,参考、引用了国外改性沥青技术标准、规范、指南等的有关内容,各单位在使用本规范的过程中,如发现有问题或有修改意见,请随时函告交通部重庆公路科学研究所(地址:重庆市南岸五公里邮政编码:400067),以便修订时参考。
改性沥青混凝土路面施工工艺标准(Ⅷ120)1适用范围本标准适用于高速公路、一级公路、城市主干道和机场跑道等改性沥青路面工程施工,其他道路可参照本工艺标准执行。
2 施工准备2.1 材料改性沥青混合料应符合设计和施工规范的要求,生产工艺满足本册“沥青混合料生产工艺标准”(Ⅷ117)。
当用于高速公路及一级公路或特重交通路段时沥青混合料的高温稳定性、低温抗裂性和水稳定性能应符合国家现行标准《公路改性沥青路面施工技术规范》JTJ 036及有关公路沥青路面设计、施工规范的规定。
进场商品沥青混合料应提供配合比文件、原材料试验报告单出厂温度记录等质量证明材料。
2.2 机具设备2.2.1 摊铺、碾压设备:改性沥青路面常用于高等级路面,质量标准高,要求的摊铺及碾压设备应具有性能优良、稳定的特点,常用设备见表2.2.1。
2.2.2 其他设备:15t以上自卸汽车、浮动基准梁或非接触式平衡梁、空压机、装载机、水车、加油车、移动照明车。
2.2.3 小型施工工具:手推车、铁锹、扫把、铁钎、耙子。
2.2.4 检测、测量设备:平整度仪、水准仪、全站仪、钢卷尺、3m直尺、摆式摩擦仪、构造深度仪、核子密度仪等。
2.3 作业条件2.3.1 正式施工前应准备好改性沥青混合料运输、摊铺、压实等相关设备,并进行必要的校验调试工作。
2.3.2 铺筑改性沥青混合料前,应检查下承层的质量,检验合格方可铺筑沥青混合料。
路缘石与沥青混合料接触面应涂刷粘结油。
2.3.3 在沥青路面或水泥混凝土路面上加铺改性沥青面层时,应修补破损的路面、填补坑洞、封填裂缝或失效的水泥路面接缝;松动的水泥混凝土板应清除或进行稳定处理;表面应整平。
摊铺前应清扫干净,喷洒粘油层。
2.3.4 夜间施工时,必须有充足良好的照明条件。
2.3.5 施工前对摊铺、压实度等各种施工机具做全面检查经调试证明处于性能良好状态,机械设备数量应足够,施工能力应配套,关键设备宜有备用设备或应急方案。
sbs防水卷材施工方法及技术规范SBS、APP改性沥青防水卷材施工技术一、产品性能本公司生产的SBS、APP等系列产品,采用目前国内最先进的自动化聚合物改性沥青防水卷材成套设备和技术,符合GB18242-2000《塑性体和弹性体沥青防水卷材》中华人民共和国国家标准.SBS、APP改性沥青防水卷材主要采用玻纤毡,聚酯毡做胎基体,其型号和厚度主要有:25#(2mm)、35#(3mm)、45#(4mm),并且可根据用户要求生产不同厚度不同胎基体,不同覆面的产品.二、设计要求1、一般要求屋面排水坡度;不上人屋面,上人屋面,天沟排水坡度,雨水口排水坡度。
2、基本构造层⑴屋面的结构层要有足够的刚度,有良好的整体性,水泥砂浆厚度,含水率,平整、压光、不起砂、不空鼓、泛水坡度符合设计要求. ⑵一般情况下,层面防水为单层,根据具体要求进行双层或双层以上防水。
⑶防水层上可做隔热层。
⑷地下室:无论钢筋混凝土或石结构,其底层均用钢筋混凝土,找平层厚度大于20mm砂浆,含水率小于10%,底板下防水层采用50mmc18混凝土做保护层。
三、施工要求1、基层要求⑴基层处理应符合国家规范要求,找平层与突出结构的连结处以及基层的转角处可做成80×80的钝角。
⑵表面应干燥,含水率,坚硬、无空鼓、起砂、浮尘、裂缝凹凸不平等缺陷。
⑶泛水坡度符合设计要求,表面平整,用1m直尺检查,直尺与基层间隙不大于10mm并且平滑变化,每米长度内不能多于一处. ⑷地下室阴阳角,穿墙管,屋面女儿墙、烟囱等孔道及伸缩缝的外形及排水坡度符合设计要求. ⑸雨雪天及有积水时不得施工。
⑹基层清理干净、干燥后涂一遍冷底油,特殊情况下涂冷底油时,应符合国家规范的技术要求。
2、施工机具专用工具:单头或多头火焰喷枪、喷灯.sbs防水卷材施工方法及技术规范基层清理工具:平铲、扫帚、钢丝刷。
裁剪工具:裁刀、剪刀、钢刀。
定位工具:卷尺、直角尺、弹线盒、钢板尺、粉笔等。