开关功率放大器
- 格式:pdf
- 大小:519.22 KB
- 文档页数:8
功率放大器的设计与实现功率放大器是一种常见的电子设备,用于放大输入信号的功率,从而提供更大的信号输出。
功率放大器在各种电子设备中都被使用,包括音频设备、无线通信设备和雷达系统等。
本文将讨论功率放大器的设计和实现,包括基本原理、常用拓扑结构和设计参数的考虑。
1.基本原理功率放大器的基本原理是将低功率输入信号转换为高功率输出信号。
为了实现这个目标,功率放大器通常使用适当的电子器件(如晶体管或功率管)驱动输出负载。
其工作原理是将输入信号作为控制信号,控制输出负载中的电流和电压,从而实现信号的放大。
2.常用拓扑结构常见的功率放大器拓扑结构包括A类、B类、AB类和D类。
-A类功率放大器是一种线性放大器,其输出管电流在整个信号周期中都存在。
优点是线性度好,但功率效率较低。
-B类功率放大器是一种互补型放大器,使用两个晶体管的共享负载结构。
每个晶体管只负责半个信号周期的放大,因此存在一定程度的失真。
由于只在一个晶体管导通时有输出,功率效率较高。
-AB类功率放大器是A类和B类的折中方案,通过合理设计驱动电路,可以实现较好的线性度和功率效率。
-D类功率放大器是一种开关型放大器,将输入信号转换为脉冲宽度调制(PWM)信号。
通过在开关管的导通和截止之间切换,实现输出信号的调制。
功率效率非常高,但需要滤波电路来消除开关信号带来的高频噪声。
3.设计参数的考虑在功率放大器设计过程中,需要考虑以下参数:-输出功率需求:根据实际应用需求确定所需的输出功率。
-频率响应:设计功率放大器时需要考虑信号的频率范围,确保在需要放大的频率范围内保持合理的增益。
-线性度:对于要求较高的应用,如音频放大器,线性度是一个重要的考虑因素。
可以通过采用反馈电路或者设计线性放大器来提高线性度。
-功率效率:功率放大器的功率效率直接影响设备的能量消耗和散热。
选择合适的拓扑结构,并优化电源电压和电流等参数,可以提高功率效率。
-驱动和保护电路:为了保护功率放大器免受损坏,需要合理设计驱动和保护电路,包括过电流保护、过热保护和短路保护等。
电力电子技术课程设计报告题目PWM开关型功率放大器的设计专业电气工程及其自动化班级电气学号学生姓名指导教师2008 年春季学期一、总体设计1.主电路的选型(方案设计)经过对设计任务要求的总体分析,明确应该使用电力电子组合变流中的间接交流变流的思想进行设计,因为任务要求频率是可变的,故选择交直交变频电路(即VVVF电源)。
交直交变频电路有两种电路:电压型和电流型。
在逆变电路中均选用双极性调制方式。
方案一:采用电压型间接交流变流电路。
其中整流部分采用单相桥式全控整流电路,逆变部分采用单相桥式PWM逆变电路,滤波部分为LC滤波,负载为阻感性。
电路原理图如下所示:方案二:采用电压型间接交流变流电路。
其中整流部分采用单相全桥整流电路,逆变部分采用单相桥式PWM逆变电路,滤波部分为LC滤波,负载为阻感性。
电路原理图如下所示:方案三:采用电压型间接交流变流电路。
其中整流部分采用单相桥式PWM 整流电路,逆变部分采用单相桥式PWM逆变电路,滤波部分为LC滤波,负载为阻感性。
电路原理图如下所示:分析:方案一中整流电路与逆变电路都采用全控型可以通过控制a角的大小来控制Ud的大小。
方案二中的整流电路是单相全桥整流电路,属于不可控型。
Ud大小不可变。
方案三采用双PWM电路。
整流电路和逆变电路的构成可以完全相同,交流电源通过交流电抗器和整流电路联接,通过对整流电路进行PWM控制,可以使输入电流为正弦波并且与电源电压同相位,因而输入功率因数为1,并且中间直流电路的电压可以调整。
但由于控制较复杂,成本也较高,实际应用还不多,故此处没有选用。
经过分析我选用了方案一。
其中控制部分采用双极性PWM波控制触发,从而控制负载电流和电压。
由于逆变部分采用电压型逆变电路,所以当选用电阻性负载时其电流大致呈正弦波,电压呈矩形波。
2. 总体实现框架二、主要参数及电路设计1. 主电路参数设计 由已知条件可得负载端的电流A i U P 5100500===, 电阻205100===i U R Ω。
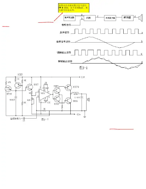
丁类功率放大器 在又有人称它为数字功率放大器(我认为有炒作的嫌疑)。
它利用晶体管的高速开关特性和低的饱和压降的特点,其效率很高,理论上可达100%,实际可达90%。
此电路不需要严格的对称,也不需要复杂的直流偏置和负反馈,使稳定性大大提高。
用同样的功耗的管子可得到比甲乙类放大器高4倍功率的输出。
图J-1是这种放大器的原理框图,脉冲发生器产生占空系数50%的矩型波,然后用音频信号对这矩型波信号进行脉冲宽度调制(PDM),得到脉宽与信号幅度成正比的调制脉冲信号,此信号送到由开关管所组成的功率放大器进行脉冲功率放大,输出的信号再经过一个低通滤波器进行解调,得到音频信号推动扬声器发声。
脉冲信号的频率可根据失真度要求而定,频率越高失真越小,当脉冲频率与音频频率的最高之比为10:1时失真度约2%。
图J-2是这种放大器的一个实用电路,有兴趣的朋友不妨试做一个。
思维稿扬声器与功放配接中的阻尼系数在讨论音频功率放大与扬声器配接时,常涉及到一个阻尼系数的问题。
所谓阻尼系数是表征功放输出的内阻对扬声器起到的阻尼作用大少的指标。
我们知道,扬声器的振动系统(纸盘等)本身有一个固有谐振频率,当扬声器被激励振动后,即使激励信号停止了,扬声器的振动不会立刻停止,而是逐渐衰减振动直至停止,在此过程中对音频的重放将会产生失真。
同时在这个过程中,由于音圈切割磁力线,使扬声器本身成为一个电源,这个电源与功放的内阻形成回路而产生电流,这个电流在磁场的作用下,产生与衰减振动方向相反的力,使衰减振动的过程变小(即产生阻尼),显然功放的内阻越小,产生的电流越大,所产生的反作用力也越大,扬声器衰减过程就越短。
我们用一个阻尼系数FD来表述这种特征 FD=RS/R0,RS是扬声器的内阻,R0是功放的输出阻抗,显然FD越大,失真就越小。
现代的晶体管功率放大器的输出内阻在0.5----0.1欧之间,阻尼系数高达几十至几百,但FD太大也不好,它会使瞬态响应变坏。
电力电子技术课程设计报告题目PWMf关型功率放大器的设计专业电气工程及其自动化班级电气学号学生姓名指导教师2008年春季学期起止时间:2008年6月23日至2008年6月27日一、总体设计1 •主电路的选型(方案设计)经过对设计任务要求的总体分析,明确应该使用电力电子组合变流中的间接交流变流的思想进行设计,因为任务要求频率是可变的,故选择交直交变频电路(即VVVF 电源)。
交直交变频电路有两种电路:电压型和电流型。
在逆变电路中均选用双极性调制方式。
方案一:采用电压型间接交流变流电路。
其中整流部分采用单相桥式全控整流电路,逆变部分采用单相桥式PWM e变电路,滤波部分为LC滤波,负载为阻感性。
电路原理图如下所示:方案二:采用电压型间接交流变流电路。
其中整流部分采用单相全桥整流电路,逆变部分采用单相桥式PWM K变电路,滤波部分为LC滤波,负载为阻感性。
电路原理图如下所示:方案三:采用电压型间接交流变流电路。
其中整流部分采用单相桥式PWM 整流电路,逆变部分采用单相桥式PWM e变电路,滤波部分为LC滤波,负载为阻感性。
电路原理图如下所示:分析:方案一中整流电路与逆变电路都采用全控型可以通过控制a角的大小来控制Ud 的大小。
方案二中的整流电路是单相全桥整流电路,属于不可控型。
Ud大小不可变。
方案三采用双PWM&路。
整流电路和逆变电路的构成可以完全相同,交流电源通过交流电抗器和整流电路联接,通过对整流电路进行PWMI制,可以使输入电流为正弦波并且与电源电压同相位,因而输入功率因数为1,并且中间直流电路的电压可以调整。
但由于控制较复杂,成本也较高,实际应用还不多,故此处没有选用。
经过分析我选用了方案一。
其中控制部分采用双极性PWM波控制触发,从而控制负载电流和电压。
由于逆变部分采用电压型逆变电路,所以当选用电阻性负载时其电流大致呈正弦波,电压呈矩形波。
0.9Ud、主要参数及电路设计1. 主电路参数设计■由已知条件可得负载端的电流IP _500 U一100R = U = = 20电阻R i 5 20Q 。
什么是功率放大器它在电子电路中的作用是什么功率放大器是一种电子器件,它可以将输入信号的功率放大到更高的水平,并输出给负载。
在电子电路中,功率放大器扮演着至关重要的角色,用于增强信号的幅度、电流和功率,以满足各种应用的要求。
一、功率放大器的分类功率放大器按照放大方式和使用材料的不同,可以分为几种不同的类型:1. 线性功率放大器:它是最常见的功率放大器。
线性功率放大器可以将输入信号放大到相同或接近相同的比例,同时保持信号的波形和频率不变。
2. 非线性功率放大器:这种功率放大器主要用于无线通信领域。
非线性功率放大器能够在不同频率处提供较大的功率增益,但会对信号的波形产生失真。
3. 开关功率放大器:开关功率放大器主要用于数字信号处理和功率放大器。
它可以在高效率和高功率输出的同时,快速地切换信号。
二、功率放大器的作用功率放大器在电子电路中的作用可以总结如下:1. 信号增强:功率放大器能够将输入信号的幅度增加到更高的水平。
这对于一些需要较大幅度信号的应用非常重要,例如音频放大器和无线通信设备。
2. 驱动负载:功率放大器能够提供足够的电流和功率,以驱动各种负载,如音响扬声器和电动机。
它可以确保负载得到足够的电力供应,从而正常运行。
3. 信号处理:功率放大器可以对信号进行处理,如滤波、调制和解调。
这能够改变信号的特性和形式,以适应不同的应用需求。
4. 改善信噪比:功率放大器可以提高信号的功率,从而减少信号与噪声之间的比值,提高信噪比。
这对于需要高质量信号的应用,如音频设备和通信系统非常重要。
5. 分配功率:功率放大器能够将输入功率分配给不同的输出通道,以满足多信号源和多负载的要求。
例如,在多通道音频系统中,功率放大器可以确保每个通道获得适当的功率供应。
三、功率放大器的应用领域功率放大器在各种领域都有广泛的应用,包括但不限于以下几个方面:1. 音频设备:功率放大器在音响系统、音乐演奏和放送系统中被广泛使用,以提供足够的声音功率和音质。
功率放大器工作原理功率放大器是一种用于放大电信号的电子设备,可以将低功率输入信号转换为高功率输出信号。
它在各种电子设备中被广泛应用,包括音频放大器、无线通信系统和雷达系统等。
本文将介绍功率放大器的工作原理和其基本分类。
一、功率放大器的基本原理功率放大器的工作原理基于晶体管的放大特性。
晶体管是一种半导体器件,可以通过控制输入信号的电流或电压来放大电流或电压。
功率放大器通常由多个晶体管级联组成,每个晶体管负责放大输入信号的一部分。
下面将详细介绍功率放大器的几个关键组成部分。
1. 输入级功率放大器的输入级通常是一个小信号放大器,用于放大输入信号的幅度。
输入级由一个或多个晶体管组成,输入信号通过这些晶体管进行放大,并传递给下一个级联的放大器。
2. 驱动级驱动级是功率放大器中的中间级,用于信号的进一步放大和处理。
驱动级通常由多个晶体管级联组成,其输入信号来自输入级,并将信号放大到足够的幅度,以供给功率放大级使用。
3. 功率放大级功率放大级是功率放大器的核心部分,用于放大信号的功率。
功率放大级由多个功率晶体管并联或并联放大组成,每个晶体管负责放大输入信号的一部分功率。
通过合理设计功率放大级,可以实现较大的输出功率。
4. 输出级输出级负责将信号的功率放大到所需的水平,并驱动负载。
通常情况下,输出级具有较低的输出阻抗,并能够输出相应的高功率信号。
输出级通常由一个或多个功率晶体管组成,其输出信号可用来驱动扬声器、天线或其他负载。
二、功率放大器的基本分类根据不同的工作原理和应用,功率放大器可以分为各种不同的类型。
下面介绍几种常见的功率放大器分类。
1. A类功率放大器A类功率放大器是最常见的一种功率放大器,适用于音频放大器等应用。
它通过将输入信号与直流电压进行叠加,实现对信号的放大。
A类功率放大器的优势在于放大器的线性度高,但效率相对较低。
2. B类功率放大器B类功率放大器是一种高效率的功率放大器,在音频放大器和激光器等应用中广泛使用。
D类数字功放简介D类功放也叫丁类功放,是指功放管处于开关工作状态的功率放大器。
早先在音响领域里人们一直坚守着A类功放的阵地,认为A类功放声音最为清新透明,具有很高的保真度。
但A类功放的低效率和高损耗却是它无法克服的先天顽疾。
后来效率较高的B类功放得到广泛的应用,然而,虽然效率比A类功放提高很多,但实际效率仍只有50%左右,这在小型便携式音响设备如汽车功放、笔记本电脑音频系统和专业超大功率功放场合,仍感效率偏低不能令人满意。
所以,如今效率极高的D类功放,因其符合绿色革命的潮流正受着各方面的重视,并得到广泛的应用。
一、D类功放的特点与电路组成1.D类功放的特点(1)效率高。
在理想情况下,D类功放的效率为100%(实际效率可达90%左右)。
B类功放的效率为78.5%(实际效率约50%),A类功放的效率才50%或25%(按负载方式而定)。
这是因为D类功放的放大元件是处于开关工作状态的一种放大模式。
无信号输入时放大器处于截止状态,不耗电。
工作时,靠输入信号让晶体管进入饱和状态,晶体管相当于一个接通的开关,把电源与负载直接接通。
理想晶体管因为没有饱和压降而不耗电,实际上晶体管总会有很小的饱和压降而消耗部分电能。
(2)功率大。
在D类功放中,功率管的耗电只与管子的特性有关,而与信号输出的大小无关,所以特别有利于超大功率的场合,输出功率可达数百瓦。
(3)失真低。
D类功放因工作在开关状态,因而功放管的线性已没有太大意义。
在D 类功放中,没有B类功放的交越失真,也不存在功率管放大区的线性问题,更无需电路的负反馈来改善线性,也不需要电路工作点的调试。
(4)体积小、重量轻。
D类功放的管耗很小,小功率时的功放管无需加装体积庞大的散热片,大功率时所用的散热片也要比一般功放小得多。
而且一般的D类功放现在都有多种专用的IC芯片,使得整个D类功放电路的结构很紧凑,外接元器件很少,成本也不高。
2.D类功放的组成与原理D类功放的电路组成可以分为三个部分:PWM调制器、脉冲控制的大电流开关放大器、低通滤波器。
开关电源功放电路原理
开关电源功放电路是一种利用开关管(如MOSFET)进行开关控
制的功率放大器电路。
其原理是通过控制开关管的导通和截止来控
制电源的输出,从而实现对输入信号的放大。
下面我会从几个方面
来详细解释这个原理。
首先,开关电源功放电路的工作原理是利用开关管的开关特性
来控制电源的输出。
当输入信号进入电路时,控制电路会根据输入
信号的变化来控制开关管的导通和截止,使其以一定的频率进行开
关操作。
这样就能够控制电源的输出,实现对输入信号的放大。
其次,开关电源功放电路的工作原理还涉及到脉冲宽度调制(PWM)技术。
通过改变开关管导通的时间比例,即调节脉冲的宽度,可以实现对输出信号的控制。
这种方式可以高效地将电源能量转换
为输出信号,提高功率放大器的效率。
此外,开关电源功放电路还需要配合滤波电路来去除开关操作
产生的高频噪音,以及保护电路来防止过载和短路等情况。
这些辅
助电路的设计也是开关电源功放电路原理的重要组成部分。
总的来说,开关电源功放电路的原理是利用开关管的开关特性和PWM技术来控制电源的输出,实现对输入信号的放大。
配合滤波和保护电路,可以构成一个稳定可靠的功率放大器系统。
希望这些解释能够帮助你理解开关电源功放电路的工作原理。
QSC PLX2,PL2,CX,DCA专业功率放大器技术结构说明PLX2,PL2,CX,DCA系列专业功率放大器的概述:PLX2,PL2,CX,DCA系列功放是QSC音频制品公司基于相同技术和同一平台开发的针对不同市场的多个系列专业功率放大器。
这四个系列均是基于QSC 新一代的功放技术,全部采用QSC的Power Wave开关电源技术,具有大功率、性价比高的特点。
均采用了表面安装技术设计,所有的功放无论功率大小,均为19寸机柜安装,2U高,33cm深,重量也均为9.5Kg。
这四个系列的功放均具有专业广播级别的性能,包括几乎听不到的哼声和噪音(-110dB,20Hz-20KHz)和非常低的失真(0.03% THD 8Ω),同时具有削波限制器和低频滤波器等功能来提升性能和保护扬声器。
PLX2,PL2,CX,DCA的共有特性:1.采用PowerWave开关电源技术提供大功率输出。
2.一致的机箱,可以安装在标准的机柜上。
3.前面板上都有桥接单声道和平行输入LED状态指示灯。
4.都有金属的XLR平衡输入接口5.都有4芯Speakon和接线柱输出6.每个通道单独可选择的削波限制器和低频滤波器7.真正的软开机PowerWave开关电源技术介绍:1.从外观上看,PLX2,PL2,CX,DCA系列功放和市场上的一些功放有些相似,从把手,电源开关,输入和输出,LED指示灯等等。
但是从内部来看,里面却是领先的音频功放技术:PowerWave开关电源技术。
2.开关电源早已存在,比如在个人PC电脑、电视,甚至电动剃须刀中,开关电源具有轻便、整齐等特点。
虽然开关电源技术早已应用在各种电器中,但是这些电器对电源的要求和音频功放设备对电源的要求却有很大区别,在电脑、电视等民用级别的电器上,电源的动态范围要求并不高,而音频功放则不同,功放要放大的音乐、语音等音频信号的动态范围很大,有些时候功放或许根本没有功率输出,但是会突然有大功率的信号输出到扬声器,所以对功放电源的电流输出要求非常大并且满足瞬间大电流的需要。
pwm开关型功率放大器的设计matlab一、PWM开关型功率放大器的基本原理PWM开关型功率放大器是一种非线性功率放大器,它通过将输入信号转换为脉冲宽度调制(PWM)信号,然后将其输入到开关管中进行控制,从而实现对输出信号的控制。
这种功率放大器具有高效、高保真度、低失真等优点,因此在音频、电力电子等领域得到广泛应用。
二、PWM开关型功率放大器的设计步骤1. 确定输出功率和负载阻抗:首先需要确定所需的输出功率和负载阻抗,这将决定所选用的开关管和滤波电路。
2. 选择开关管和驱动电路:根据输出功率和负载阻抗确定所需的开关管类型和驱动电路。
常用的开关管有MOSFET、IGBT等,驱动电路可以采用单极性或双极性驱动。
3. 设计PWM控制电路:根据所选用的开关管类型和驱动电路设计PWM控制电路。
常用的PWM控制方案有单极性PWM控制、双极性PWM控制等。
4. 设计滤波电路:根据负载阻抗和所选用的开关管类型设计滤波电路,以去除PWM信号中的高频成分,得到平滑的输出信号。
5. 进行仿真和优化:对设计好的PWM开关型功率放大器进行仿真和优化,以改善其性能指标。
6. PCB设计和制造:根据最终确定的电路图进行PCB设计和制造,完成PWM开关型功率放大器的制作。
三、MATLAB在PWM开关型功率放大器设计中的应用MATLAB是一种功能强大、易于使用的数学软件,它可以用于信号处理、控制系统设计、数字信号处理等领域。
在PWM开关型功率放大器的设计中,MATLAB可以发挥重要作用。
1. 仿真分析:MATLAB可以进行PWM控制电路和滤波电路的仿真分析,并得到相应的性能指标。
通过调整参数,可以优化功率放大器的性能。
2. 控制系统设计:MATLAB提供了丰富的控制系统工具箱,可以用于PWM控制电路和驱动电路等部分的控制系统设计。
这有助于提高功率放大器系统稳定性和响应速度。
3. 优化算法:MATLAB提供了多种优化算法,如遗传算法、粒子群优化等,在PWM开关型功率放大器的设计中可以用于参数优化和性能改进。
摘要功率放大器(以下简称“功放”)是现代无线通信系统中的关键部件,其功能是把经过调制后的信号放大到一个足够大的功率电平,最后经天线把能量向空间辐射出去。
在现代功放设计中,主要研究集中于如何提高功放的效率和线性度。
功放的效率与线性度是一对矛盾的指标,简单的优化其中一个指标意味着会恶化另一个指标。
AbstractPower amplifier ( hereinafter referred to as" amp" ) is a modern wireless communication system's key component, its function is to pass the modulated signal is amplified to a large enough power level and finally through the energy radiated to space antenna. In modern power amplifier design, main research focus on how to improve the efficiency and linearity of power amplifier. Power amplifier efficiency and linearity is a pair of contradictory indicators, simple optimization in which an indicator means may worsen another indicator综述射频功率放大器是将射频信号放大的功率器件,衡量一个射频放大器性能的主要参数有:最大输出功率、效率、线性度、增益等。
在不同的应用环境中对各项指标的要求不尽相同,比如,对幅度调制的射频信号功放线性度是一个重要的指标,而对于调频调相信号功放效率则是一个重要的指标,针对不同应用场合对指标的不同要求,人们开发出了各种不同类别的功放。
功率放大器原理1. 简介功率放大器是一种可以将输入信号放大到较大幅度的电子设备。
它是电子产品中常见的一种电路,用于放大音频信号、射频信号等。
本文将介绍功率放大器的工作原理、分类和主要应用。
2. 工作原理功率放大器的工作原理基于晶体管或场效应管的放大功能。
晶体管可以根据输入信号的大小,控制电流的放大倍数。
利用该原理,功率放大器能够将微弱的信号放大到需要的输出功率。
功率放大器通常由三个主要部分组成:输入电路、放大电路和输出电路。
输入电路将输入信号提供给放大电路,放大电路通过晶体管或场效应管放大信号,输出电路将放大后的信号提供给负载。
3. 分类根据放大电路的不同工作方式,功率放大器可以分为A类、B类、AB类、C类和D类等几种类型。
3.1 A类功率放大器A类功率放大器是一种线性放大器,它工作在全波通信状态。
它的特点是输入和输出信号波形相同,且无失真。
A类功率放大器适用于对信号质量要求较高的音频放大应用。
3.2 B类功率放大器B类功率放大器是一种分立工作的放大器,它的工作状态在仅限于信号的一个半周期。
它的优点是效率高,但是存在着失真问题,需要使用一个负载才能得到完整的波形。
B类功率放大器常用于音响设备中。
3.3 AB类功率放大器AB类功率放大器是A类和B类的结合,它既有A类功率放大器的线性特点,又有B类功率放大器的高效率。
它是目前应用最广泛的功率放大器类型之一。
3.4 C类功率放大器C类功率放大器是一种谐振放大器,它工作在开关状态。
它的特点是效率高,但存在较大的失真。
C类功率放大器通常用于射频信号放大。
3.5 D类功率放大器D类功率放大器是一种开关型放大器,它的输出波形是由输入信号的调制电流来控制的。
D类功率放大器的效率非常高,但存在一些非线性失真问题。
D类功率放大器常用于音频放大和无线通信等领域。
4. 主要应用功率放大器在多个领域有着广泛的应用。
4.1 音频放大功率放大器常用于音响设备中,将音频信号放大到足够的功率输出到扬声器。
g类功放原理
功放,即功率放大器,是一种将电源信号放大到高功率输出的电子设备。
G类功放,又称开关功放,是一种高效率功放器件,具有优秀的功率放大能力和低能耗特性。
G类功放的原理基于脉冲宽度调制(PWM)技术。
它通过将输入信号进行数字化处理,将其转换为一系列脉冲信号,然后通过开关管驱动电路控制功放器件,在短时间内的“开”和“关”状态间切换,以实现信号的放大。
这种开关式的工作原理使得G类功放在电流和电压几乎没有同时存在的状态下工作,从而大大提高了功放的效率。
相对于传统的AB类功放,G类功放具有以下几个显著的优点。
首先,它的功率效率非常高,可达到90%以上。
这意味着在相同功率输出的情况下,G类功放比AB类功放的能耗更低。
其次,G类功放输出信号的失真较小,频率响应更加平坦。
此外,由于G类功放能够迅速开启和关闭功放器件,它具有较快的响应速度和较小的交叉失真。
然而,G类功放也存在一些缺点。
首先,由于开关式工作原理的不可避免,G 类功放输出信号中会出现高频调制成分,需要通过滤波电路进行处理,以消除这些高频噪声。
其次,在设计和制造过程中,需要精确控制开关时间和脉冲宽度,以避免失真和噪声问题。
综上所述,G类功放作为一种高效率的功放器件,通过脉宽调制实现信号的放大。
它在音频设备、无线通信、电力传输等领域得到了广泛应用。
在不断的技术创新和改进下,G类功放有望进一步提高功率效率和信号质量,满足不同应用场景的需求。
南京航空航天大学硕士学位论文磁轴承开关型功率放大器的研究姓名:臧晓敏申请学位级别:硕士专业:电力电子与电力传动指导教师:邓智泉20040301南京航空航天大学硕士学位论文摘要高速磁轴承的发展需要高性能、高效率的功率放大器与之配套。
开关型功率放大器因其损耗小、效率高、通频带宽等优点,广泛取代了早期低效率的线性功放,成为目前功率放大器研究的重点。
传统的磁轴承开关功放大都采用电流两态调制技术,存在电流纹波大、动态特性受限等缺点。
电流三态调制技术很好地克服了上述缺点,实现了开关功放低电流纹波和良好的动态特性的理想结合。
本文讨论了开关功放设计的一般原则,分析比较了不同的控制策略。
仿真结果验证了电流三态调制技术的优越性能;实验表明本文研制的基于采样一保持策略电流三态调制开关功放具有结构简单、效率高、纹波小、电流动态响应快、频带宽、受负载影响小等优点,能很好地满足高速磁轴承的耍求。
关键词:开关型功率放大器,磁轴承,采样一保持,电流三态调制磁轴承开关型功率放大器的研究AbstractWiththedevelopmentofhigh—speedmagneticbearing,thehigherrequirementsofpoweramplifierareraisedincludinghighperformanceandhighefficiency.Switchingpoweramplifierispopularlyusedbecauseofitsvirtuesoflowpowerlosses,highefficiencyandhi曲frequencybandwidth.Thestandardcurrentcontrolledbi—statePWMswitchingpoweramplifierhasitsintrinsicdeficiencies,suchassignificantharmonicdistortionandrestrictionofthedynamiccharacteristic,whichhaveseriousnegativeeffectsonthemagneticbearingsystem.Toovercomethesedrawbacks,theapplicationofcurrentcontrolledtri—statePWMtechnologytotheswitchingpoweramplifierisproposed,whichcanprovidebeRerdynamicresponsecombinedwithlowerharmonicdistortion.Thispaperdescribesthegeneraldesignrulesofswitchingpoweramplifierandanalysesdifferentcontrolstrategies.Simulationcomparisonsverifythesuperiorperformanceofthetri—statePWMtechnology.Experimentalresultsindicatethatthecurrent-controlledtri—statePWMswitchingpoweramplifierbasedonsample—holdstrategyhashighfrequencybandwidthandfastdynamicresponseinawideloadrange,whichcarlwellmeetthedemandsofhigh・speedmagneticbearing.Keywords:switchingpoweramplifier,magneticbearing,sample・hold,current.controlledtri—statePWM南京航空航天大学硕士学位论文第一章绪论I.I磁悬浮轴承I.I.1磁悬浮轴承概述磁悬浮轴承(以下简称磁轴承,MagneticBearing)是利用磁力作用将转子悬浮于空间,使转子和定子之间没有机械接触的一种高性能轴承。
C类功放的效率1. 什么是C类功放C类功放是指一种特殊的功率放大器,也称为开关放大器。
与传统的AB类功放相比,C类功放具有更高的效率。
C类功放的核心原理是通过将输入信号转化为脉冲信号,然后利用开关管将脉冲信号放大为输出信号。
2. C类功放的工作原理C类功放的工作原理可以简单概括为以下几个步骤:•输入信号经过滤波电路,去除高频噪声和杂散信号。
•经过比较器将输入信号转化为脉冲信号。
•脉冲信号经过开关管的控制,将其放大为输出信号。
•输出信号经过滤波电路,去除开关产生的高频噪声。
•最后输出信号经过放大器输出。
3. C类功放的优点C类功放相比于其他类型的功放具有以下几个优点:•高效率:C类功放的效率通常可以达到90%以上,远高于传统的AB类功放。
•小尺寸:C类功放采用了开关管来放大信号,因此可以使用较小的元件来实现相同的功率输出。
•低功耗:由于高效率的特点,C类功放在输出相同功率的情况下,相比其他类型的功放需要更少的电能供应。
•低发热量:C类功放在工作时,由于开关管的工作方式,不会产生过多的热量,因此散热要求较低。
4. C类功放的应用领域C类功放由于其高效率和小尺寸的特点,被广泛应用于各个领域,包括音频放大、电源放大等。
4.1 音频放大C类功放在音频放大领域得到了广泛应用。
由于其高效率的特点,可以为音响设备提供更大的功率输出,使音乐更加清晰、动态范围更广。
C类功放也常用于车载音响系统,由于其小尺寸和低功耗的特点,可以满足汽车空间和电能供应的限制。
4.2 电源放大C类功放在电源放大领域也有重要的应用。
由于其高效率和低功耗的特点,C类功放可以为电子设备提供稳定的电源放大功能,同时减少电能的浪费和发热量。
这在便携式电子设备中尤为重要,如手机、平板电脑等。
5. C类功放的改进和发展尽管C类功放已经具有高效率和小尺寸的优点,但仍然存在一些改进的空间。
目前,研究人员正在不断努力改进C类功放的性能,以满足不断增长的需求。