高中化学物质的制备和检验大全
- 格式:doc
- 大小:2.34 MB
- 文档页数:13
一、常见气体的制取和检验⑴氧气制取原理:含氧化合物自身分解 制取方程式:MnO 2O 2+2H 2O 22H 2O2Na 2O 2+2H 2O===4NaOH +O 2↑2KClO 3MnO 22KCl +3O 22KMnO 4MnO 2K 2MnO 4+O 2+装置:略微向下倾斜......的大试管,加热 干燥:浓硫酸、硅胶、无水氯化钙、P 2O 5、碱石灰 检验:带火星木条,复燃 收集:排水法或向上排气法⑵氢气制取原理:活泼金属与弱氧化性酸的置换 制取方程式:Zn+H ₂SO ₄ === ZnSO ₄+H ₂↑ 装置:启普发生器干燥:浓硫酸、硅胶、无水氯化钙、P 2O 5、碱石灰 检验:点燃,淡蓝色火焰,在容器壁上有水珠 收集:排水法或向下排气法⑶氯气制取原理:强氧化剂氧化含氧化合物 制取方程式:MnO ₂+4HCl(浓) ====MnCl ₂+Cl ₂↑+2H ₂O装置:分液漏斗,圆底烧瓶,加热 检验:能使湿润的淀粉碘化钾试纸变蓝; 除杂:先通入饱和食盐水(除HCl ),再通入浓H ₂SO ₄ (除水蒸气)。
收集:排饱和食盐水法或向上排气法尾气回收:Cl ₂+2NaOH === NaCl+NaClO+H ₂O⑷硫化氢制取原理:强酸与强碱的复分解反应 制取方程式:FeS+H 2SO 4 === FeSO 4+H ₂S↑ 装置:启普发生器检验:能使湿润的醋酸铅试纸变黑 除杂:先通入饱和NaHS 溶液(除HCl ),再通入固体CaCl ₂ (或P ₂O 5)(除水蒸气)。
收集:向上排气法尾气回收:H ₂S+2NaOH === Na ₂S+H ₂O+16HCl(浓)2KCl +2MnCl 25Cl 28H 2O++2KMnO 4⑸二氧化硫制取原理:稳定性强酸与不稳定性弱酸盐的复分解制取方程式:Na₂SO₃+H₂SO₄ == Na₂SO₄+SO₂↑+H₂O 装置:分液漏斗、圆底烧瓶检验:先通入品红试液,褪色,后加热又恢复原红色;除杂:通入浓H₂SO₄ (除水蒸气)、或盛放无水氯化钙、P2O5的干燥管。
高中化学教材常考实验总结化学实验在高考题的比重就是越来越大,目前高考实验命题的特点有二:一就是突出考查实验的基础知识与基本操作能力,二就是突出考查实验探究能力,这一点在考试大纲中已有明确要求。
课本实验往往成为考查学生实验探究能力命题的载体。
一、配制一定物质的量浓度的溶液以配制100mL1、00mol/L的NaOH溶液为例:1、步骤:(1)计算(2)称量: 4、0g (保留一位小数)(3)溶解(4)转移:待烧杯中溶液冷却至室温后转移(5)洗涤(6)定容:将蒸馏水注入容量瓶,当液面离刻度线1—2cm 时,改用胶头滴管滴加蒸馏水至凹液面最低点与刻度线在同一水平线上(7)摇匀:盖好瓶塞,上下颠倒、摇匀(8)装瓶贴标签:标签上注明药品的名称、浓度。
2、所用仪器:(由步骤写仪器)托盘天平、药匙、烧杯、玻璃棒、(量筒)、100mL容量瓶、胶头滴管3、注意事项:(1) 容量瓶:只有一个刻度线且标有使用温度与量程规格,只能配制瓶上规定容积的溶液。
(另外使用温度与量程规格还有滴定管、量筒)(2) 常见的容量瓶:50 mL、100mL、250mL、500mL、1000mL。
若配制480mL与240mL溶液,应分别用500mL容量瓶与250mL容量瓶。
写所用仪器时,容量瓶必须注明规格,托盘天平不能写成托盘天秤!(3) 容量瓶使用之前必须查漏。
方法:向容量瓶内加少量水,塞好瓶塞,用食指顶住瓶塞,用另一只手的五指托住瓶底,把瓶倒立过来,如不漏水,正立,把瓶塞旋转1800后塞紧,再倒立若不漏水,方可使用。
(分液漏斗与滴定管使用前也要查漏)(4) 误差分析(5) 命题角度:一计算所需的固体与液体的量,二就是仪器的缺失与选择,三就是实验误差分析。
二、Fe(OH)3胶体的制备:1、步骤:向沸水中加入FeCl3的饱与溶液,继续煮沸至溶液呈红褐色,停止加热。
操作要点:四步曲:①先煮沸,②加入饱与的FeCl3溶液,③再煮沸至红褐色,④停止加热2、涉及的化学方程式:Fe3++3H2O =Fe(OH)3(胶体)+3H+ 强调之一就是用等号,强调之二就是标明胶体而不就是沉淀,强调之三就是加热。
完整版)高中化学实验汇总高中化学实验汇总一、《必修一》1、粗盐提纯这个实验的目的是除去粗盐中的泥沙、CaCl2、MgCl2和一些硫酸盐。
试剂的添加顺序应按照规定顺序添加。
实验操作包括:加水搅拌、过滤、再结晶等步骤。
2、溶液中SO42-检验方法这个实验介绍了检验溶液中SO42-的方法。
同时还介绍了检验溶液中Ag+的方法。
3、蒸馏这个实验介绍了蒸馏的仪器和注意事项,如沸石、冷却水流向、弃去开始的馏出液等。
4、萃取分液这个实验介绍了萃取分液的操作方法和注意事项,如查漏和观察溶液颜色。
同时还介绍了溴水、溴的CCl4溶液、液溴、溴蒸气、碘水、碘的CCl4溶液、碘、碘蒸气和玻璃塞上的小孔作用等知识点。
5、电解水这个实验介绍了气体摩尔体积、正氧负氢、氧一氢二等知识点。
同时还解释了实验中正负极气体体积比略小于1:2的原因。
6、一定物质的量浓度溶液的配制这个实验介绍了一定物质的量浓度溶液的配制方法。
7、胶体的性质和制备1) 制备氢氧化铁胶体的方法:将FeCl3加入NaOH溶液中,搅拌并加热,生成氢氧化铁胶体。
2) 丁达尔效应:将NaCl加入AgNO3溶液中,观察到白色沉淀,说明Ag+离子被Cl-离子取代,产生了丁达尔效应。
3) 浊液和胶体过滤后:浊液可以通过滤纸过滤,而胶体则需要使用特殊的过滤器,例如著名的___-赫维法。
补充:利用半透膜实验可以区分浊液、溶液和胶体。
半透膜只允许溶剂通过,而不允许悬浮物通过。
因此,溶液可以通过半透膜,而浊液和胶体则不能。
4) 电泳:带正电的胶粒会向阴极移动,而带负电的胶粒则会向阳极移动。
这种现象可以用于分离胶体中的不同成分。
8、离子反应1) Na2SO4 + KCl → 无明显反应。
2) Na2SO4 + BaCl2 → 生成白色沉淀,表明SO42-离子与Ba2+离子反应生成BaSO4.3) NaOH + HCl → 生成水和氯化钠。
4) CuSO4 + NaOH → 生成蓝色沉淀,表明Cu2+离子与OH-离子反应生成Cu(OH)2.5) NaOH(酚酞)+ HCl → 酚酞指示剂的颜色由粉红色变为无色,表明OH-离子被H+离子取代。
高中化学实验--物质制备、检验归纳化学实验:硫酸铜的制备、检验与归纳实验目的:1. 学习硫酸铜的制备方法;2. 通过实验检验硫酸铜的物理性质;3. 了解硫酸铜的化学性质。
实验原理:硫酸铜(CuSO4)是一种常见的无机盐,常用于电镀、催化剂和化学试剂等领域。
硫酸铜的制备可以通过铜粉与硫酸反应得到。
化学方程式如下:Cu + H2SO4 → CuSO4 + H2↑实验材料与仪器:1. 铜粉;2. 硫酸(浓度为2 mol/L);3. 烧杯;4. 火石;5. 漏斗;6. 试管;7. 醋酸纸。
实验步骤:1. 实验前准备:a. 按照实验室安全规范穿戴实验服、手套和护目镜;b. 将硫酸倒入烧杯中。
2. 制备硫酸铜:a. 在烧杯中加入适量的铜粉;b. 倒入少量的硫酸;c. 用火石加热煮沸。
3. 过滤与冷却:a. 将反应液倒入漏斗中进行过滤,去除其中的杂质;b. 将过滤得到的溶液冷却。
4. 结晶与收集:a. 将冷却后的溶液移至试管中;b. 将试管置于冰水混合物中,并用醋酸纸盖住试管口。
5. 检验硫酸铜:a. 观察试管内溶液的颜色和透明度;b. 用玻璃棒沾取少量溶液,观察其结晶形状;c. 将试管翻转,观察溶液的稳定性。
实验结果与讨论:1. 实验结果:a. 制备得到的硫酸铜溶液为蓝色,透明度较高;b. 硫酸铜溶液中的结晶呈现典型的六方晶系形状;c. 硫酸铜溶液翻转试管后溶液保持稳定。
2. 结论与讨论:a. 通过实验我们成功制备了硫酸铜溶液;b. 硫酸铜溶液具有蓝色的特点,透明度较高;c. 硫酸铜结晶呈现典型的六方晶系形状;d. 硫酸铜溶液在翻转试管后保持稳定,说明其溶解度较高。
实验注意事项:1. 实验过程中要注意安全,避免接触到有毒物质;2. 硫酸铜溶液煮沸时要小心操作,避免溅溢;3. 实验结束后要正确处理废液,不可随意倒入下水道;4. 实验中需佩戴防护设备,注意个人和周围环境的安全。
实验总结:该实验通过铜粉与硫酸的反应制备了硫酸铜溶液,并通过观察其物理性质进行了验证。
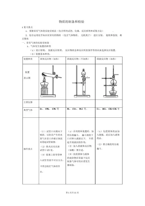
考点57物质的制备和检验1复习重点1.掌握常见气体的实验室制法(包括所用试剂、仪器、反应原理和收集方法). 2.综合运用化学知识对常见的物质(包括气体物质、无机离子)进行分离、提纯和鉴别.难点聚焦一、常见气体的实验室制备1、气体发生装置的类型(1)设计原则:根据反应原理、反应物状态和反应所需条件等因素来选择反应装置。
(2)装置基本类型:几种气体制备的反应原理10余种气体的实验室制法: A 、1、氧气的实验室制法反应原理:KClO3在MnO2作催化剂的作用下制备或者用KMnO4直接加热制取装置类型 固体反应物(加热)固液反应物(不加热)固液反应物(加热)装置 示意图典型气体O 2、NH 3、CH 4等H 2、CO 2、H 2S NO 2 乙炔SO 2等。
Cl 2、HCl 、NO 、CH 2=CH 2 等操作要点(l )试管口应稍向下倾斜,以防止产生的水蒸气在管口冷凝后倒流而引起试管破裂。
(2)铁夹应夹在距试管口 l/3处。
(3)胶塞上的导管伸入试管里面不能太长,否则会妨碍气体的导出。
(1)在用简易装置时,如用长颈漏斗,漏斗颈的下口应伸入液面以下,否则起不到液封的作用; (2)加入的液体反应物(如酸)要适当。
(3)块状固体与液体的混合物在常温下反应制备气体可用启普发生器制备。
如CO 2H 2S H 2 (不可用于C 2H 2)(1)检验装置的气密性(2)加热时要预热,受热均匀(3)加热易暴沸的混合物时要 加碎石,防暴沸(4)制乙烯时浓硫酸与乙醇可先混合,故不必用分液漏斗,换成温度计控制反应温度装置类型:固体+固体(加热)收集方法:排水法或向上排空气法2、氨气的实验室制法反应原理:NH4Cl和Ca(OH)2固体混合加热装置类型:固体+固体(加热)收集方法:向下排空气法B、1、氢气的实验室制法反应原理:Zn和稀H2SO42、装置类型:固体+液体(不加热)收集方法:排水法或向下排空气法2、乙炔的实验室制法反应原理:CaC2(又称电石)与水(或饱和食盐水)装置类型:固体+液体(不加热)(不可用启普发生器)收集方法:排水法3、二氧化碳的实验室制法反应原理:CaCO3和稀HCl反应装置类型:固体+液体(不加热)收集方法:排水法或向上排空气法4、二氧化硫的实验试制法反应原理:NaSO3和稀H2SO4的反应装置类型:固体+液体(不加热)收集方法:排水法或向上排空气法5、一氧化氮的实验室制法:反应原理:Cu和稀HNO3混合装置类型:固体+液体(不加热)收集方法:排水法6、二氧化氮的实验室制法反应原理:Cu和浓HNO3混合装置类型:固体+液体(不加热)收集方法:向上排空气法注意:①检查装置的气密性;②装固体的试管口略向下倾斜;③先均匀加热,然后固定在放药品的地方集中加热;④用排水法收集集体时,停止加热前应先把导气管撤出水面,再熄灭酒精灯;⑤使用长颈漏斗时要把漏斗颈插入液面下C、1、氯气的实验室制法反应原理:MnO2和浓HCl共热装置类型:固体+液体(加热)收集方法:向上排空气法或排饱和食盐水法(尾气用碱液吸收)2、乙烯的实验室制法反应原理:CH3CH2OH和浓H2SO4(体积比1:3)迅速加热到170℃ (温度计插入液面下)装置类型:液体+液体(加热)收集方法:排水法2、收集装置(1)设计原则:根据氧化的溶解性或密度(2)装置基本类型:装置类型排水(液)集气法向上排空气集气法向下排空气集气法装置示意图适用范围不溶于水(液)的气体密度大于空气的气体密度小于空气的气体Cl2、HCl、CO2、SO2、H2S H2、NH3、CH4典型气体H2、O2、NO、CO、CH4、CH2=CH2、CH≡CH3、净化与干燥装置(1)设计原则:根据净化药品的状态及条件(2)装置基本类型:装置类型液体除杂剂(不加热)固体除杂剂(不加热)固体除杂剂(加热)适用范围装置示意图(3)气体的净化剂的选择选择气体吸收剂应根据气体的性质和杂质的性质而确定,所选用的吸收剂只能吸收气体中的杂质,而不能与被提纯的气体反应。
常见气体的制取和检验⑴氧气制取原理——含氧化合物自身分解制取方程式——2KClO3 2KCl+3O2↑装置——略微向下倾斜的大试管,加热检验——带火星木条,复燃收集——排水法或向上排气法⑵氢气制取原理——活泼金属与弱氧化性酸的置换制取方程式——Zn+H2SO4 === H2SO4+H2↑装置——启普发生器检验——点燃,淡蓝色火焰,在容器壁上有水珠收集——排水法或向下排气法⑶氯气制取原理——强氧化剂氧化含氧化合物制取方程式——MnO2+4HCl(浓)MnCl2+Cl2↑+2H2O装置——分液漏斗,圆底烧瓶,加热检验——能使湿润的蓝色石蕊试纸先变红后褪色;除杂质——先通入饱和食盐水(除HCl),再通入浓H2SO4(除水蒸气)收集——排饱和食盐水法或向上排气法尾气回收——Cl2+2NaOH=== NaCl+NaClO+H2O⑷硫化氢①制取原理——强酸与强碱的复分解反应②制取方程式——FeS+2HCl=== FeCl2+H2S↑③装置——启普发生器④检验——能使湿润的醋酸铅试纸变黑⑤除杂质——先通入饱和NaHS溶液(除HCl),再通入固体CaCl2(或P2O5)(除水蒸气)⑥收集——向上排气法⑦尾气回收——H2S+2NaOH=== Na2S+H2O或H2S+NaOH=== NaHS+H2O⑸二氧化硫①制取原理——稳定性强酸与不稳定性弱酸盐的复分解②制取方程式——Na2SO3+H2SO4=== Na2SO4+SO2↑+H2O③装置——分液漏斗,圆底烧瓶④检验——先通入品红试液,褪色,后加热又恢复原红色;⑤除杂质——通入浓H2SO4(除水蒸气)⑥收集——向上排气法⑦尾气回收——SO2+2NaOH=== Na2SO3+H2O⑹二氧化碳①制取原理——稳定性强酸与不稳定性弱酸盐的复分解②制取方程式——CaCO3+2HClCaCl2+CO2↑+H2O③装置——启普发生器④检验——通入澄清石灰水,变浑浊⑤除杂质——通入饱和NaHCO3溶液(除HCl),再通入浓H2SO4(除水蒸气)⑥收集——排水法或向上排气法⑺氨气①制取原理——固体铵盐与固体强碱的复分解②制取方程式——Ca(OH)2+2NH4ClCaCl2+NH3↑+2H2O③装置——略微向下倾斜的大试管,加热④检验——湿润的红色石蕊试纸,变蓝⑤除杂质——通入碱石灰(除水蒸气)收集——向下排气法⑻氯化氢①制取原理——高沸点酸与金属氯化物的复分解②制取方程式——NaCl+H2SO4Na2SO4+2HCl↑③装置——分液漏斗,圆底烧瓶,加热④检验——通入AgNO3溶液,产生白色沉淀,再加稀HNO3沉淀不溶⑤除杂质——通入浓硫酸(除水蒸气)⑥收集——向上排气法⑼二氧化氮①制取原理——不活泼金属与浓硝酸的氧化—还原;②制取方程式——Cu+4HNO3===Cu(NO3)2+2NO2↑+2H2O③装置——分液漏斗,圆底烧瓶(或用大试管,锥形瓶)④检验——红棕色气体,通入AgNO3溶液颜色变浅,但无沉淀生成⑤收集——向上排气法⑥尾气处理——3NO2+H2O===2HNO3+NONO+NO2+2NaOH===2NaNO2+H2O⑩一氧化氮①制取原理——不活泼金属与稀硝酸的氧化—还原;②制取方程式——Cu+8HNO3(稀)===3Cu(NO3)2+2NO↑+4H2O③装置——分液漏斗,圆底烧瓶(或用大试管,锥形瓶)④检验——无色气体,暴露于空气中立即变红棕色⑤收集——排水法⑾一氧化碳①制取原理——浓硫酸对有机物的脱水作用②制取方程式——HCOOHCO↑+H2O③装置——分液漏斗,圆底烧瓶④检验——燃烧,蓝色火焰,无水珠,产生气体能使澄清石灰水变浑浊⑤除杂质——通入浓硫酸(除水蒸气)⑥收集——排水法⑿甲烷①制取方程式——CH3COONa+NaOH CH4↑+Na2CO3②装置——略微向下倾斜的大试管,加热③收集——排水法或向下排空气法⒀乙烯①制取原理——浓硫酸对有机物的脱水作用②制取方程式——CH3CH2OH CH2=CH2↑+H2O③装置——分液漏斗,圆底烧瓶,加热④除杂质——通入NaOH溶液(除SO2,CO2),通入浓硫酸(除水蒸气)收集——排水法⒁乙炔①制取原理——电石强烈吸水作用②制取方程式——CaC2+2H2OCa(OH)2+CH CH↑③装置——分液漏斗,圆底烧瓶(或用大试管,锥形瓶)④检验——无色气体,能燃烧,产生明亮的火焰,并冒出浓的黑烟⑤除杂质——通入硫酸铜溶液(除H2S,PH3),通入浓硫酸(除水蒸气) 收集——排水法或向下排气法。
物质的制备和检验1复习重点1.掌握常有气体的实验室制法(包含所用试剂、仪器、反应原理和采集方法).2.综合运用化学知识对常有的物质(包含气体物质、无机离子)进行分别、提纯和鉴别.难点聚焦一、常有气体的实验室制备1、气体发生装置的种类(1)设计原则:依据反应原理、反应物状态和反应所需条件等因向来选择反应装置。
(2)装置基本种类:装置种类装置表示图主要仪器典型气体操作重点固体反应物(加热)O2、 NH3、 CH4等(l )试管口应稍向下倾斜,以防范产生的水蒸气在管口冷凝后倒流而惹起试管破裂。
(2)铁夹应夹在距试管口 l/3 处。
(3)胶塞上的导管伸入试管里面不可以太长,不然会阻拦气体的导固液反应物(不加热)H2、 CO2、 H2S 等。
(1)在用简单装置时,如用长颈漏斗,漏斗颈的下口应伸入液面以下,不然起不到液封的作用;(2)加入的液体反应物(如酸)要合适。
(3)块状固体与液体的混杂物在常温下反应制备气体可用启普发生器制备。
固液反应物(加热)Cl 2、 HCl、 CH2=CH2等(1)先把固体药品加入烧瓶,此后加入液体药品。
(2)要正确使用分液漏斗。
出。
组合装置1.两通管加热2.固~固加热,制气3.固~液、液~液加热,制气4.固~液不加热,制气铁粉5.启普发生器多孔隔板有孔塑料网多孔隔板多孔隔板6.水浴加热几种气系统备的反应原理1、 O 2 2KClO32KCl+3O ↑424222KMnO K MnO+MnO+O ↑2HO 22HO+O 2↑2、 NH 32NH 4Cl+Ca(OH)2 CaCl 2+2NH 3↑+2HONH3·H 2ONH 3↑+H 2 O3、 CH 4 CH3COONa+NaOH Na 2CO 3+CH 4↑4、H 2 Zn+H 2SO 4( 稀)=ZnSO 4+H 2↑5、 CO 2 CaCO 3+2HCl=CaCl+CO 2↑+H 2 O6、H 2S FeS+H 2SO 4( 稀)=FeSO 4+H 2S ↑7、 SO 2 Na2SO 4+H 2SO 4( 浓)=Na 2SO 4+SO 2↑+H 2O 8、 NO 2 Cu+4HNO 3( 浓 )=Cu(NO 3) 2+2NO ↑+2HO 9、 NO3Cu+8HNO 3( 稀)=3Cu(NO) 2 +2NO ↑+4H 2O10、CHCaC 2+2HO →Ca(OH)+CH ≡ CH ↑2 2211、 Cl2 MnO +4HCl( 浓 )MnCl +Cl ↑ +2H 2O22212、HCl NaCl( 固)+H 2SO 4( 浓)NaHSO 4+HCl ↑ NaCl( 固)+NaHSO 4Na 2SO 4+HCl ↑2NaCl( 固)+H 2SO 4( 浓) N a 2 SO 4+2HCl ↑13、C 2H 4C2H 5OHCH 2=CH 2↑+H 2 O14、N2NaNO2+NH4Cl NaCl+N2↑+2HO2、采集装置(1)设计原则:依据氧化的溶解性或密度(2)装置基本种类:装置种类排水(液)集气法向上排空气集气法向下排空气集气法装置表示图合用范围不溶于水(液)的气体密度大于空气的气体密度小于空气的气体典型气体H2、 O2、 NO、 CO、 CH4、Cl 2、 HCl、 CO、 SO、H S H、 NH、CH CH=CH、 CH≡ CH222234223、净化与干燥装置(1)设计原则:依据净化药品的状态及条件(2)装置基本种类:装置种类液体除杂剂(不加热)固体除杂剂(不加热)固体除杂剂(加热)合用范围装置表示图洗气瓶双球洗气管干燥装置尾气汲取H2OCCl4( 3)气体的净化剂的选择选择气体汲取剂应依据气体的性质和杂质的性质而确立,所采纳的汲取剂只好汲取气体中的杂质,而不可以与被提纯的气体反应。
《物质的制备》知识清单一、气体的制备1、氧气(O₂)的制备(1)实验室制法加热高锰酸钾:2KMnO₄加热 K₂MnO₄+ MnO₂+ O₂↑加热氯酸钾和二氧化锰的混合物:2KClO₃加热 2KCl + 3O₂↑过氧化氢在二氧化锰催化下分解:2H₂O₂二氧化锰 2H₂O +O₂↑实验装置:固体加热型(高锰酸钾、氯酸钾和二氧化锰)和固液不加热型(过氧化氢)。
收集方法:排水法(氧气不易溶于水)或向上排空气法(氧气密度比空气大)。
检验方法:将带火星的木条伸入集气瓶中,如果木条复燃,证明是氧气。
(2)工业制法分离液态空气法:利用液氮和液氧沸点的不同,先将空气加压降温变成液态,然后升温,液氮先蒸发出来,剩下的主要是液氧。
2、氢气(H₂)的制备(1)实验室制法锌和稀硫酸反应:Zn + H₂SO₄= ZnSO₄+ H₂↑实验装置:固液不加热型。
收集方法:排水法(氢气难溶于水)或向下排空气法(氢气密度比空气小)。
检验方法:点燃,罩一个干冷的烧杯,烧杯内壁出现水珠。
(2)工业制法水煤气法:C + H₂O 高温 CO + H₂电解水:2H₂O 通电 2H₂↑ + O₂↑3、二氧化碳(CO₂)的制备(1)实验室制法大理石(或石灰石)与稀盐酸反应:CaCO₃+ 2HCl = CaCl₂+H₂O + CO₂↑实验装置:固液不加热型。
收集方法:向上排空气法(二氧化碳密度比空气大且能溶于水)。
检验方法:将气体通入澄清石灰水,如果石灰水变浑浊,证明是二氧化碳。
(2)工业制法高温煅烧石灰石:CaCO₃高温 CaO + CO₂↑二、液体的制备1、盐酸(HCl)的制备(1)实验室制法氢气在氯气中燃烧:H₂+ Cl₂点燃 2HCl(2)工业制法电解饱和食盐水:2NaCl + 2H₂O 通电 2NaOH + H₂↑ + Cl₂↑,然后将氢气和氯气在一定条件下反应生成氯化氢,氯化氢溶于水得到盐酸。
2、硫酸(H₂SO₄)的制备(1)实验室制法一般不通过实验室制备,因为过程复杂且危险。
一、甲烷的氯代(性质)有机化学基础实验专题一烃实验:取一个100mL 的大量筒(或集气瓶),用排水的方法先后收集20mLCH4和80mLCl2,放在光亮的地方(注意:不要放在阳光直射的地方,以免引起爆炸),等待片刻,观察发生的现象。
现象:大约3min 后,可观察到混合气体颜色变浅,气体体积缩小,量筒壁上出现油状液体,量筒内饱和食盐水液面上升,可能有晶体析出【会生成HCl,增加了饱和食盐水】解释:生成卤代烃二、石油的分馏(重点)(分离提纯)(1)两种或多种沸点相差较大且互溶的液体混合物,要进行分离时,常用蒸馏或分馏的分离方法。
(2)分馏(蒸馏)实验所需的主要仪器:铁架台(铁圈、铁夹)、石棉网、蒸馏烧瓶、带温度计的单孔橡皮塞、冷凝管、牛角管、锥形瓶。
(3)蒸馏烧瓶中加入碎瓷片的作用是:防止爆沸(4)温度计的位置:温度计的水银球应处于支管口(以测量蒸汽温度)(5)冷凝管:蒸气在冷凝管内管中的流动方向与冷水在外管中的流动方向下口进,上口出(6)用明火加热,注意安全三、乙烯的性质实验现象:乙烯使KMnO4酸性溶液褪色(氧化反应)(检验)乙烯使溴的四氯化碳溶液褪色(加成反应)(检验、除杂)乙烯的实验室制法:(1)反应原料:乙醇、浓硫酸(2)反应原理:CH3CH2OH CH2=CH2↑ + H2O副反应:2CH3CH2OH CH3CH2OCH2CH3 + H2OC2H5OH + 6H2SO4(浓)6SO2↑+ 2CO2↑+ 9H2O(3)浓硫酸:催化剂和脱水剂(混合时即将浓硫酸沿容器内壁慢慢倒入已盛在容器内的无水酒精中,并用玻璃棒不断搅拌)(4)碎瓷片,以防液体受热时爆沸;石棉网加热,以防烧瓶炸裂。
(5)实验中要通过加热使无水酒精和浓硫酸混合物的温度迅速上升到并稳定于170℃左右。
(不能用水浴)(6)温度计要选用量程在200℃~300℃之间的为宜。
温度计的水银球要置于反应物的中央位置,因为需要测量的是反应物的温度。
高考化学实验制备知识点高考化学考试中,实验制备是一个重要的考点。
学生需要掌握各种实验制备的原理、步骤以及注意事项。
在这篇文章中,我们将详细讨论一些常见的高考化学实验制备知识点。
1. 分离和提取方法在化学实验中,分离和提取是常见的操作。
例如,通过蒸馏可以分离液体混合物中的挥发性组分。
另一个常用的方法是萃取,通过溶剂与物质的相溶性差异,提取目标物质。
2. 合成和制备化合物合成和制备化合物是高考化学实验的重要内容。
例如,用碳酸氢钠和醋酸反应,可以制备出醋酸钠。
这个实验也可以帮助学生理解酸碱反应和中和反应的原理。
3. 测定物质的质量和纯度在化学实验中,测定物质的质量和纯度是必不可少的。
例如,可以通过酸碱滴定法来测定酸或碱的浓度。
利用重量法可以准确地测定物质的质量。
这些技巧在高考化学实验中经常被用到。
4. 高考实验中的实验条件在高考化学实验中,实验条件是一个重要的考点。
例如,温度、压力、光照等对于实验结果的影响都需要学生了解和掌握。
同时,实验设备的选择和使用也需要注意实验条件。
5. 实验安全和环境保护实验安全和环境保护是化学实验中非常重要的方面。
学生在进行实验制备时需要遵守相关的实验规范,正确使用实验器材,并采取必要的安全措施。
此外,在实验结束后,废弃物的处理也是需要考虑的问题。
6. 实验技巧和注意事项在高考化学实验中,实验技巧和注意事项也是需要掌握的知识点。
例如,学生需要学会使用实验仪器,熟悉实验步骤,并注意实验时间、温度、浓度等因素。
实验时要注意安全,防止意外发生。
7. 实验数据的处理和分析在实验制备过程中,学生需要正确地处理和分析实验数据。
例如,学生可以通过计算摩尔质量和摩尔浓度来计算物质的质量和浓度。
学生还需要学会绘制实验数据的图表,并进行数据的解读和分析。
8. 实验结果的评价高考化学实验中,实验结果的评价是一个重要的环节。
学生需要根据实验目的和预期结果,评价实验结果的准确性和可靠性。
同时,学生还需要掌握实验结果与理论知识的联系,进行实验结果的解读。
高中化学20 个常考实验一、配制一定物质的量浓度的溶液实验仪器:容量瓶、烧杯、玻璃棒、胶头滴管、托盘天平、药匙等。
实验步骤:计算、称量、溶解、冷却、转移、洗涤、定容、摇匀、装瓶贴签。
二、焰色反应实验仪器:铂丝(或光洁无锈的铁丝)、酒精灯、蓝色钴玻璃(检验钾元素时用)。
实验步骤:洗、烧、蘸、烧、观。
三、酸碱中和滴定实验仪器:酸式滴定管、碱式滴定管、锥形瓶、滴定台等。
实验步骤:查漏、洗涤、润洗、装液、调零、取液、滴定、计算。
四、Fe(OH)₂的制备实验仪器:试管、胶头滴管等。
实验要点:使用新制的硫酸亚铁溶液,并将胶头滴管插入液面以下挤出氢氧化钠溶液,以防止氢氧化亚铁被氧化。
五、氯气的实验室制法实验仪器:圆底烧瓶、分液漏斗、酒精灯、集气瓶等。
反应原理:MnO₂ + 4HCl(浓)→₂ MnCl₂ + Cl₂↑ + 2H₂O。
六、氨气的实验室制法实验仪器:大试管、酒精灯、铁架台、集气瓶等。
反应原理:2NH₂Cl + Ca(OH)₂ →₂ CaCl₂ + 2NH₂↑ + 2H₂O。
七、喷泉实验(以NH₃为例)实验仪器:圆底烧瓶、烧杯、玻璃导管、止水夹等。
实验原理:氨气极易溶于水,使烧瓶内压强迅速减小,形成喷泉。
八、铜与浓硫酸的反应实验仪器:试管、酒精灯、铁架台等。
反应原理:Cu + 2H₂SO₂(浓) →₂ CuSO₂ + SO₂↑ + 2H₂O。
九、铝热反应实验仪器:滤纸、漏斗、铁架台、坩埚钳等。
反应原理:2Al + Fe₂O₂ →高温Al₂O₂ + 2Fe。
十、乙醇的催化氧化实验仪器:试管、酒精灯、铜丝等。
反应原理:2CH₂CH₂OH + O₂ →Cu/₂ 2CH₂CHO + 2H₂O。
十一、乙酸乙酯的制备实验仪器:试管、酒精灯、铁架台等。
反应原理:CH₂COOH + CH₂CH₂OH ₂浓硫酸/₂ CH₂COOCH₂CH₂ +H₂O。
十二、葡萄糖的银镜反应实验仪器:试管、水浴锅等。
反应原理:CH₂OH(CHOH)₂CHO + 2Ag(NH₂)₂OH →水浴加热CH₂OH(CHOH)₂COONH₂ + 2Ag↓ + 3NH₂ + H₂O。
高中化学实验大全(修正版)
实验一:化学成分的检定
实验目的
通过本实验,让学生能够掌握一些分析化学基本技能,如溶解、过滤、酸碱滴定等。
实验器材
- 三角瓶、胶头滴管、烧杯、玻璃棒等。
实验步骤
1. 把有机酸或无机酸等化学品依比例放入烧杯中进行溶解。
2. 过滤溶液,得到纯净透明的溶液。
3. 对溶液进行酸碱度滴定,确定其酸碱度值。
4. 完成实验后,做好记录。
实验二:水杨酸的提取和纯化
实验目的
通过本实验,让学生了解有机物的提取、溶解、过滤、干燥以
及其常见分析方法。
实验器材
- 水杨酸、碱性溶液、烧杯、具有隔绝光照功能的玻璃棒等。
实验步骤
1. 将水杨酸溶于碱性溶液中,反应产生出某些物质。
2. 用有机溶剂从反应液中提取水杨酸。
3. 将有机溶剂根据特定条件进行蒸发,得到纯净透明的水杨酸。
4. 对水杨酸进行常见分析方法的检测,例如熔点测定。
5. 完成实验后,做好记录。
实验三:燃烧反应
实验目的
通过本实验,让学生掌握燃烧反应的基本原理和实验方法,了
解燃烧反应的特点和应用。
实验器材
- 灯盏、气球、木条等。
实验步骤
1. 点燃灯盏,观察其内部燃烧过程。
2. 用气球收集灯盏燃烧后产生的气体,并观察气球的变化。
3. 用木条等物品进行简单的燃烧实验,观察不同物品的燃烧现象。
4. 完成实验后,做好记录。
以上三个实验仅供参考,学生在进行实验时应注意操作规范和实验安全,遵守教师的指导进行实验。
高中化学物质的制备检测题及答案1.ICl(氯化碘)红棕色液体,熔点13.9 ℃,沸点97.4 ℃,易水解,接触空气时能形成五氧化二碘,能与许多单质发生作用,溶于乙醇、乙醚等。
某校研究性学习小组的同学拟用下列仪器制备氯化碘。
回答下列问题:(1)检查A装置气密性的方法为_______________________________。
(2)上述装置,按气流方向连接的顺序为______________(装置可重复使用),A中发生反应的离子方程式为________________________________________________________________________________________________________________。
(3)C装置的作用是_______________________________________________________。
(4)E装置的烧瓶反应时需放在水中,控制温度大约40 ℃,其目的是________________________________________________________________________。
(5)按上述连接好的装置进行实验,实验步骤如下:①检查装置气密性后,装入药品②打开分液漏斗活塞③关闭分液漏斗活塞④停止加热E,充分冷却⑤水浴加热E请按正确的顺序填入上述步骤的序号__________________。
(6)在A装置后可连接如图的装置,当反应结束关闭分液漏斗活塞后,关闭K,该装置的作用是___________________。
(7)ICl和水反应的化学方程式为_______________________________________。
解析:(1)利用排水法进行A装置气密性检查,具体方法如下:从A的导管口连接一个导管伸入水中,关闭分液漏斗旋钮,手握圆底烧瓶,若导管口有气泡冒出,手放开烧瓶后,有一段水柱倒吸入导管,说明A 装置气密性良好。
最全高中化学物质的检验、鉴定、除杂特别提醒混合物的分离与提纯,重在理解物质的性质,并根据性质考虑所采取的方法。
一般应注意:①先考虑是否能用物理方法分离与提纯,再考虑用化学方法分离与提纯。
②认真分析被提纯物质的性质,选择的试剂应只和杂质反应,而不与主要物质反应。
③不能改变被提纯物质的性质,若在除杂过程中,主要物质转化为其他物质,则应使其再次转化为原物质。
④含多种杂质的分离与提纯,还要注意所加入试剂的顺序与用量,并遵守不得引入新杂质的原则。
注意事项(1)AgNO3溶液与稀硝酸和BaCl2溶液与稀盐酸(或硝酸),这两组试剂,可以鉴别出若干种阴离子,是阴离子鉴别最常用的试剂组合。
一般说来,若待检的若干种离子中有SO42-(因Ag2SO4微溶于水,当Ag+和SO42-浓度均较大时,可以析出不溶物),最好先用BaCl2和盐酸这组试剂,检出包括SO42-在内的一些离子,其他离子再用AgNO3溶液与稀硝酸等去鉴别。
(2)为了鉴定某盐中含SO32-或CO32-,可以直接加酸(非氧化性酸,如盐酸),根据放出气体的气味及与石灰水作用的现象等,判定气体是CO2或SO2,进而确定物质中含CO32-或SO322-发生氧化还原反应有时会干扰检验,故最好使用盐酸,-。
若加硝酸,因它的氧化性和SO3不用硝酸。
鉴别物质的一般题型和方法。
1.不用任何试剂鉴别多种物质(1)先依据外观特征,鉴别出其中的一种或几种,然后再利用它们去鉴别其他的几种物质。
(2)若均无明显外观特征,可考虑能否用加热或焰色反应区别开来。
(3)若以上两方法都不能鉴别时,可考虑两两混合法,记录混合后的反应现象,分析确定。
(4)若被鉴别物质为两种时,可考虑因加入试剂的顺序不同,而产生不同的现象进行鉴别。
2.只用一种试剂鉴别多种物质(1)先分析被鉴别物质的水溶性、密度、溶液酸碱性,确定能否选用水或指示剂(如石蕊试液等)进行鉴别。
(2)在鉴别多种酸、碱、盐的溶液时,可依据“相反原理”确定试剂进行鉴别。
物质的制备一、常见气体的实验室制备1、气体发生装置的类型(1)设计原则:根据反应原理、反应物状态和反应所需条件等因素来选择反应装置。
(2)装置基本类型:装置类型固体反应物(加热)固液反应物(不加热)固液反应物(加热)装置示意图典型气体O2、3、4等H2、2、H2S等。
2、、22等操作要点(l)试管口应稍向下倾斜,以防止产生的水蒸气在管口冷凝后倒流而引起试管破裂。
(2)铁夹应夹在距试管口3处。
(3)胶塞上的导管伸入试管里面不能太长,否则会妨碍气体的导出。
(1)在用简易装置时,如用长颈漏斗,漏斗颈的下口应伸入液面以下,否则起不到液封的作用;(2)加入的液体反应物(如酸)要适当。
(3)块状固体与液体的混合物在常温下反应制备气体可用启普发生器制备。
(1)先把固体药品加入烧瓶,然后加入液体药品。
(2)要正确使用分液漏斗。
(3)几种气体制备的反应原理1 O223 23O2↑ 24K2422↑2H2O22H22↑2、324()22+23↑+2H2O3·H23↑2O3、23+222↑2O4、22324(浓)242↑2O5、243(浓)(3)2+22↑+2H2O6、383(稀)=3(3)2+2↑+4H2O7、22+4(浓)22↑+2H2O【例1】在浓2溶液中通入3和2,可以制得纳米级碳酸钙(粒子直径在1~100之间)。
下图所示为实验室常见的仪器装置(部分固定夹持装置略去),请根据要求回答问题。
(1)实验室制取、收集干燥的3,需选用上述仪器装置的接口连接顺序是(选填字母):a接,接,接h;(2)用右图所示装置也可以制取3,则圆底烧瓶中的固体可以选用(选填字母编号);A.碱石灰B.生石灰C.无水氯化钙D.无水硫酸铜E.烧碱(3)向浓2溶液中通入3和2气体制纳米级碳酸钙时,应先通入的气体是,试写出制纳米级碳酸钙的化学方程式;(4)试设计简单的实验方案,判断所得碳酸钙样品颗粒是否为纳米级。
答案(1)d;e;g;f;24()22 + 23↑+ H2O(2)(3)3;22+232O=3↓+24(4)取少量样品和水混合形成分散系,用一束光照射,若出现一条光亮的通路,则是纳米级碳酸钙,否则不是2、气体收集装置(1)设计原则:根据氧化的溶解性或密度(2)装置基本类型:装置类型排水(液)集气法向上排空气集气法向下排空气集气法装置示意图适用范围不溶于水(液)的气体密度大于空气的气体密度小于空气的气体典型气体H2、O2、、、4、2=2、≡2、、2、2、H2S H2、3、43、净化与干燥装置(1)设计原则:根据净化药品的状态及条件(2)装置基本类型:装置类型液体除杂剂(不加热)固体除杂剂(不加热)固体除杂剂(加热)适用范围装置示意图使用时应注意使气体从长口进,短口出(即从上图的左导管进气)常见气体的除杂方案(括号内为杂质)如下:①H2 ():溶液/水②2():饱和3溶液③2(2):饱和3溶液/酸性高锰酸钾溶液④(2):溶液⑤2():饱和食盐水(3)气体的净化剂的选择选择气体吸收剂应根据气体的性质和杂质的性质而确定,所选用的吸收剂只能吸收气体中的杂质,而不能与被提纯的气体反应。
考点57物质的制备和检验1复习重点1.掌握常见气体的实验室制法(包括所用试剂、仪器、反应原理和收集方法).2.综合运用化学知识对常见的物质(包括气体物质、无机离子)进行分离、提纯和鉴别.难点聚焦一、常见气体的实验室制备1、气体发生装置的类型(1)设计原则:根据反应原理、反应物状态和反应所需条件等因素来选择反应装置。
(2)装置基本类型:几种气体制备的反应原理10余种气体的实验室制法:A、1、氧气的实验室制法反应原理:KClO3在MnO2作催化剂的作用下制备或者用KMnO4直接加热制取装置类型:固体+固体(加热)收集方法:排水法或向上排空气法2、氨气的实验室制法反应原理:NH4Cl和Ca(OH)2固体混合加热装置类型:固体+固体(加热)收集方法:向下排空气法B、1、氢气的实验室制法反应原理:Zn和稀H2SO42、装置类型:固体+液体(不加热)收集方法:排水法或向下排空气法2、乙炔的实验室制法反应原理:CaC2(又称电石)与水(或饱和食盐水)装置类型:固体+液体(不加热)(不可用启普发生器)收集方法:排水法3、二氧化碳的实验室制法反应原理:CaCO3和稀HCl反应装置类型:固体+液体(不加热)收集方法:排水法或向上排空气法4、二氧化硫的实验试制法反应原理:NaSO3和稀H2SO4的反应装置类型:固体+液体(不加热)收集方法:排水法或向上排空气法5、一氧化氮的实验室制法:反应原理:Cu和稀HNO3混合装置类型:固体+液体(不加热)收集方法:排水法6、二氧化氮的实验室制法反应原理:Cu和浓HNO3混合装置类型:固体+液体(不加热)收集方法:向上排空气法注意:①检查装置的气密性;②装固体的试管口略向下倾斜;③先均匀加热,然后固定在放药品的地方集中加热;④用排水法收集集体时,停止加热前应先把导气管撤出水面,再熄灭酒精灯;⑤使用长颈漏斗时要把漏斗颈插入液面下C、1、氯气的实验室制法反应原理:MnO2和浓HCl共热装置类型:固体+液体(加热)收集方法:向上排空气法或排饱和食盐水法(尾气用碱液吸收)2、乙烯的实验室制法反应原理:CH3CH2OH和浓H2SO4(体积比1:3)迅速加热到170℃ (温度计插入液面下)装置类型:液体+液体(加热)收集方法:排水法2、收集装置(1)设计原则:根据氧化的溶解性或密度(2)装置基本类型:3、净化与干燥装置(1)设计原则:根据净化药品的状态及条件(2)装置基本类型:(3)气体的净化剂的选择选择气体吸收剂应根据气体的性质和杂质的性质而确定,所选用的吸收剂只能吸收气体中的杂质,而不能与被提纯的气体反应。
一般情况下:①易溶于水的气体杂质可用水来吸收;②酸性杂质可用碱性物质吸收;③碱性杂质可用酸性物质吸收;④水分可用干燥剂来吸收;⑤能与杂质反应生成沉淀(或可溶物)的物质也可作为吸收剂。
(4)气体干燥剂的类型及选择常用的气体干燥剂按酸碱性可分为三类:①酸性干燥剂,如浓硫酸、五氧化二磷、硅胶。
酸性干燥剂能够干燥显酸性或中性的气体,如CO2、SO2、NO2、HCI、H2、Cl2、O2、CH4等气体。
②碱性干燥剂,如生石灰、碱石灰、固体NaOH。
碱性干燥剂可以用来干燥显碱性或中性的气体,如NH3、H2、O2、CH4等气体。
③中性干燥剂,如无水氯化钙等,可以干燥中性、酸性、碱性气体,如O2、H2、CH4等。
在选用干燥剂时,显碱性的气体不能选用酸性干燥剂,显酸性的气体不能选用碱性干燥剂。
有还原性的气体不能选用有氧化性的干燥剂。
能与气体反应的物质不能选作干燥剂,如不能用CaCI2来干燥NH3(因生成 CaCl2·8NH3),不能用浓 H2SO4干燥 NH3、H2S、HBr、HI等。
气体净化与干燥注意事项一般情况下,若采用溶液作除杂试剂,则是先除杂后干燥;若采用加热除去杂质,则是先干燥后加热。
对于有毒、有害的气体尾气必须用适当的溶液加以吸收(或点燃),使它们变为无毒、无害、无污染的物质。
如尾气Cl2、SO2、Br2(蒸气)等可用NaOH溶液吸收;尾气H2S可用CuSO4或NaOH溶液吸收;尾气CO可用点燃法,将它转化为CO2气体。
4、气体实验装置的设计(1)装置顺序:制气装置→净化装置→反应或收集装置→除尾气装置(2)安装顺序:由下向上,由左向右(3)操作顺序:装配仪器→检验气密性→加入药品二、常见物质的分离、提纯和鉴别1、化学方法分离和提纯物质对物质的分离可一般先用化学方法对物质进行处理,然后再根据混合物的特点用恰当的分离方法(见化学基本操作)进行分离。
用化学方法分离和提纯物质时要注意:①最好不引入新的杂质;②不能损耗或减少被提纯物质的质量③实验操作要简便,不能繁杂。
用化学方法除去溶液中的杂质时,要使被分离的物质或离子尽可能除净,需要加入过量的分离试剂,在多步分离过程中,后加的试剂应能够把前面所加入的无关物质或离子除去。
对于无机物溶液常用下列方法进行分离和提纯:(1)生成沉淀法例如NaCl溶液里混有少量的MgCl2杂质,可加入过量的NaOH 溶液,使Mg2+离子转化为Mg(OH)2沉淀(但引入新的杂质OH-),过滤除去Mg(OH)2,然后加入适量盐酸,调节pH为中性。
(2)生成气体法例如Na2SO4溶液中混有少量Na2CO3,为了不引入新的杂质并增加SO42-,可加入适量的稀H2SO4,将CO32-转化为CO2气体而除去。
(3)氧化还原法例如在 FeCl3溶液里含有少量 FeCl2杂质,可通入适量的Cl2气将FeCl2氧化为FeCl3。
若在 FeCl2溶液里含有少量 FeCl3,可加入适量的铁粉而将其除去。
(4)正盐和与酸式盐相互转化法例如在Na2CO3固体中含有少量NaHCO3杂质,可将固体加热,使NaHCO3分解生成Na2CO3,而除去杂质。
若在NaHCO3溶液中混有少量Na2CO3杂质,可向溶液里通入足量CO2,使Na2CO3转化为NaHCO3。
(5)利用物质的两性除去杂质例如在Fe2O3里混有少量的Al2O3杂质,可利用Al2O3是两性氧化物,能与强碱溶液反应,往试样里加入足量的 NaOH溶液,使其中 Al2O3转化为可溶性 NaAlO2,然后过滤,洗涤难溶物,即为纯净的Fe2O3。
(6)离子交换法例如用磺化煤(NaR)做阳离子交换剂,与硬水里的Ca2+、Mg2+进行交换,而使硬水软化。
2、物质的鉴别物质的检验通常有鉴定、鉴别和推断三类,它们的共同点是:依据物质的特殊性质和特征反应,选择适当的试剂和方法,准确观察反应中的明显现象,如颜色的变化、沉淀的生成和溶解、气体的产生和气味、火焰的颜色等,进行判断、推理。
鉴定通常是指对于某一种物质的定性检验,根据物质的化学特性,分别检出阳离子、阴离子,鉴别通常是指对分别存放的两种或两种以上的物质进行定性辨认,可根据一种物质的特性区别于另一种,也可根据几种物质的颜色、气味、溶解性、溶解时的热效应等一般性质的不同加以区别。
推断是通过已知实验事实,根据性质分析推求出被检验物质的组成和名称。
我们要综合运用化学知识对常见物质进行鉴别和推断。
2.几种重要阳离子的检验(l)H+能使紫色石蕊试液或橙色的甲基橙试液变为红色。
(2)Na+、K+用焰色反应来检验时,它们的火焰分别呈黄色、浅紫色(通过钴玻片)。
(3)Ba2+能使稀硫酸或可溶性硫酸盐溶液产生白色BaSO4沉淀,且沉淀不溶于稀硝酸。
(4)Mg2+能与NaOH溶液反应生成白色Mg(OH)2沉淀,该沉淀能溶于NH4Cl溶液。
(5)Al3+能与适量的NaOH溶液反应生成白色Al(OH)3絮状沉淀,该沉淀能溶于盐酸或过量的NaOH溶液。
(6)Ag+能与稀盐酸或可溶性盐酸盐反应,生成白色AgCl沉淀,不溶于稀 HNO3,但溶于氨水,生成[Ag(NH3)2]+。
(7)NH4+铵盐(或浓溶液)与NaOH浓溶液反应,并加热,放出使湿润的红色石蓝试纸变蓝的有刺激性气味NH3气体。
(8)Fe2+能与少量NaOH溶液反应,先生成白色Fe(OH)2沉淀,迅速变成灰绿色,最后变成红褐色Fe(OH)3沉淀。
或向亚铁盐的溶液里加入KSCN溶液,不显红色,加入少量新制的氯水后,立即显红色。
2Fe2++Cl2=2Fe3++2Cl-(9)Fe3+能与 KSCN溶液反应,变成血红色 Fe(SCN)3溶液,能与 NaOH溶液反应,生成红褐色Fe(OH)3沉淀。
(10)Cu2+蓝色水溶液(浓的CuCl2溶液显绿色),能与NaOH溶液反应,生成蓝色的Cu(OH)2沉淀,加热后可转变为黑色的 CuO沉淀。
含Cu2+溶液能与Fe、Zn片等反应,在金属片上有红色的铜生成。
3.几种重要的阴离子的检验(1)OH-能使无色酚酞、紫色石蕊、橙色的甲基橙等指示剂分别变为红色、蓝色、黄色。
(2)Cl-能与硝酸银反应,生成白色的AgCl沉淀,沉淀不溶于稀硝酸,能溶于氨水,生成[Ag(NH3)2]+。
(3)Br-能与硝酸银反应,生成淡黄色AgBr沉淀,不溶于稀硝酸。
(4)I-能与硝酸银反应,生成黄色AgI沉淀,不溶于稀硝酸;也能与氯水反应,生成I2,使淀粉溶液变蓝。
(5)SO42-能与含Ba2+溶液反应,生成白色BaSO4沉淀,不溶于硝酸。
(6)SO32-浓溶液能与强酸反应,产生无色有刺激性气味的SO2气体,该气体能使品红溶液褪色。
能与BaCl2溶液反应,生成白色BaSO3沉淀,该沉淀溶于盐酸,生成无色有刺激性气味的SO2气体。
(7)S2-能与Pb(NO3)2溶液反应,生成黑色的PbS沉淀。
(8)CO32-能与BaCl2溶液反应,生成白色的BaCO3沉淀,该沉淀溶于硝酸(或盐酸),生成无色无味、能使澄清石灰水变浑浊的CO2气体。
(9)HCO3-取含HCO3-盐溶液煮沸,放出无色无味CO2气体,气体能使澄清石灰水变浑浊。
或向HCO3-盐酸溶液里加入稀MgSO4溶液,无现象,加热煮沸,有白色沉淀 MgCO3生成,同时放出 CO2气体。
(10)PO43-含磷酸根的中性溶液,能与AgNO3反应,生成黄色Ag3PO4沉淀,该沉淀溶于硝酸。
(11)NO3-浓溶液或晶体中加入铜片、浓硫酸加热,放出红棕色气体。
4.几种重要有机物的检验(1)苯能与纯溴、铁屑反应,产生HBr白雾。
能与浓硫酸、浓硝酸的混合物反应,生成黄色的苦杏仁气味的油状(密度大于1)难溶于水的硝基苯。
(2)乙醇能够与灼热的螺旋状铜丝反应,使其表面上黑色CuO变为光亮的铜,并产生有刺激性气味的乙醛。
乙醇与乙酸、浓硫酸混合物加热反应,将生成的气体通入饱和Na2CO3溶液,有透明油状、水果香味的乙酸乙酯液体浮在水面上。
(3)苯酚能与浓溴水反应生成白色的三溴苯酚沉淀。
能与FeCl3溶液反应,生成紫色溶液。
(4)乙醛能发生银镜反应,或能与新制的蓝色Cu(OH)2加热反应,生成红色的 Cu2O 沉淀。