(完整版)高中化学:物质的制备和检验
- 格式:doc
- 大小:1.93 MB
- 文档页数:11
压轴题02物质的制备、检验、分离与提纯化学实验一直是高考命题的热点,选择题大多以考查实验仪器的选择、基本操作的正误为重点,探究物质的制备、性质、检验、分离和提纯以及实验评价。
应重点关注实验基本操作的规范性,常见仪器的正确使用方法及注意事项,以及气体的制备方法、物质的检验、分离和提纯中试剂的选择及仪器的正确使用,物质的检验、分离和提纯实验方案的设计、现象的描述等。
一、选择题:本题共20小题,每小题只有一个选项符合题意。
1.(2022·河北·高考真题)下列图示装置不能达到实验目的的是A .装置甲用CCl 4萃取溴水中的Br 2B .装置乙除去Cl 2中的HCl 并干燥C .装置丙验证铁的吸氧腐蚀D .装置丁实验室制备少量NH 32.(2022·北京·高考真题)下列实验中,不能..达到实验目的的是由海水制取蒸馏水萃取碘水中的碘分离粗盐中的不溶物由32FeCl 6H O制取无水3FeCl 固体A B C DA .AB .BC .CD .D3.(2022·广东·高考真题)实验室用2MnO 和浓盐酸反应生成2Cl 后,按照净化、收集、性质检验及尾气处理的顺序进行实验。
下列装置(“→”表示气流方向)不能达到实验目的的是A .AB .BC .CD .D4.(2022•山东卷)某同学按图示装置进行实验,欲使瓶中少量固体粉末最终消失并得到澄清溶液。
下列物质组合不符合要求的是()气体液体固体粉末A CO 2饱和Na 2CO 3溶液CaCO 3B Cl 2FeCl 2溶液Fe C HCl Cu (NO 3)2溶液Cu DNH 3H 2OAgCl5.(2021·海南·统考高考真题)用如图装置制取干燥的气体(a 、b 表示加入的试剂),能实现的是选项气体a bA 2H S 稀24H SO FeS B 2O 22H O 溶液2MnO C 2NO 浓3HNO 铁片D3NH 浓氨水CaOA .AB .BC .CD .D6.(2021·江苏·高考真题)下列由废铜屑制取CuSO 4·5H 2O 的实验原理与装置不能..达到实验目的的是A .用装置甲除去废铜屑表面的油污B .用装置乙在加热的条件下溶解废铜屑C .用装置丙过滤得到CuSO 4溶液D .用装置丁蒸干溶液获得CuSO 4·5H 2O7.(2021·北京·高考真题)实验室制备下列气体所选试剂、制备装置及收集方法均正确的是气体试剂制备装置收集方法A O2KMnO4a dB H2Zn+稀H2SO4b ecC NO Cu+稀HNO3bcD CO2CaCO3+稀H2SO4bA.A B.B C.C D.D 8.(2021•全国乙卷)在实验室采用如图装置制备气体,合理的是化学试剂制备的气体A Ca(OH)2+NH4Cl NH3B MnO2+HCl(浓)Cl2C MnO2+KClO3O2D NaCl+H2SO4(浓)HCl9.(2021·全国甲卷·高考真题)实验室制备下列气体的方法可行的是气体方法A氨气加热氯化铵固体B二氧化氮将铝片加到冷浓硝酸中C硫化氢向硫化钠固体滴加浓硫酸D氧气加热氯酸钾和二氧化锰的混合物A.A B.B C.C D.D 10.(2023·湖北武汉·校联考模拟预测)利用如图所示装置及药品完成实验,能达到实验目的的是A.用装置甲制取O2B.用装置乙制备金属镁C.用装置丙作为蒸馏的接收装置D.用装置丁除去Cl2中混有的HCl并干燥11.(2023·全国·模拟预测)下列装置能达到实验目的的是A.实验室可利用装置甲制备SO2B.利用装置乙分离铁粉和I2C.利用装置丙合成氨并检验氨的存在D.实验室利用装置丁分离乙醇和水(部分装置已省略)12.(2023·辽宁丹东·统考一模)下列装置能达到相应实验目的的是A B C D测定KI 溶液的浓度制备乙二酸实验室制取乙酸乙酯检验乙醇发生消去反应的产物A .AB .BC .CD .D13.(2023·湖北武汉·校联考模拟预测)无水FeCl 3是芳香烃取代反应常用的催化剂,它具有易水解、易升华的性质。
高中化学实验--物质制备、检验归纳化学实验:硫酸铜的制备、检验与归纳实验目的:1. 学习硫酸铜的制备方法;2. 通过实验检验硫酸铜的物理性质;3. 了解硫酸铜的化学性质。
实验原理:硫酸铜(CuSO4)是一种常见的无机盐,常用于电镀、催化剂和化学试剂等领域。
硫酸铜的制备可以通过铜粉与硫酸反应得到。
化学方程式如下:Cu + H2SO4 → CuSO4 + H2↑实验材料与仪器:1. 铜粉;2. 硫酸(浓度为2 mol/L);3. 烧杯;4. 火石;5. 漏斗;6. 试管;7. 醋酸纸。
实验步骤:1. 实验前准备:a. 按照实验室安全规范穿戴实验服、手套和护目镜;b. 将硫酸倒入烧杯中。
2. 制备硫酸铜:a. 在烧杯中加入适量的铜粉;b. 倒入少量的硫酸;c. 用火石加热煮沸。
3. 过滤与冷却:a. 将反应液倒入漏斗中进行过滤,去除其中的杂质;b. 将过滤得到的溶液冷却。
4. 结晶与收集:a. 将冷却后的溶液移至试管中;b. 将试管置于冰水混合物中,并用醋酸纸盖住试管口。
5. 检验硫酸铜:a. 观察试管内溶液的颜色和透明度;b. 用玻璃棒沾取少量溶液,观察其结晶形状;c. 将试管翻转,观察溶液的稳定性。
实验结果与讨论:1. 实验结果:a. 制备得到的硫酸铜溶液为蓝色,透明度较高;b. 硫酸铜溶液中的结晶呈现典型的六方晶系形状;c. 硫酸铜溶液翻转试管后溶液保持稳定。
2. 结论与讨论:a. 通过实验我们成功制备了硫酸铜溶液;b. 硫酸铜溶液具有蓝色的特点,透明度较高;c. 硫酸铜结晶呈现典型的六方晶系形状;d. 硫酸铜溶液在翻转试管后保持稳定,说明其溶解度较高。
实验注意事项:1. 实验过程中要注意安全,避免接触到有毒物质;2. 硫酸铜溶液煮沸时要小心操作,避免溅溢;3. 实验结束后要正确处理废液,不可随意倒入下水道;4. 实验中需佩戴防护设备,注意个人和周围环境的安全。
实验总结:该实验通过铜粉与硫酸的反应制备了硫酸铜溶液,并通过观察其物理性质进行了验证。
实验专题二——物质的制备与提纯、鉴别[考点扫描]1.掌握常见气体的实验室制法(包括所用试剂、仪器装置、反应原理和收集方法)。
2.掌握几种重要的无机物和有机物的制取。
3.物质的检验在中学通常有鉴定、鉴别和推断三类,检验物质包括气体、阳离子、阴离子、有机物等。
4.鉴别要求掌握只用一种试剂鉴别、不用试剂鉴别、信息鉴别的思想与方法(从信息迁移角度设置的物质检验题)。
5.物质分离提纯大致分为物理法、化学法、综合法三种。
6.综合运用化学知识对常见的物质(包括气体物质、无机离子)进行分离、提纯和鉴别。
[知识指津]1.中学教材中按反应物的状态和是否加热可将气体制备分为五组:(1)固+固气组:有O2、NH3、CH4等;(2)固+液气组:有H2、CO2、SO2、NO2、C2H2等;(3)固+液气组:有Cl2、HCl、NO等;(4)液+液气组:有C2H4和CO等。
(5)能用启普发生器制取的气体有:H2、CO2等。
要求熟练掌握以上各种气体的制取所需药品、化学原理、装置简图、净化、检验和操作注意事项。
2.实验装置的安装顺序一般可用下图表示:3.几种重要的无机物和有机物的制备:氢氧化铝、硫酸亚铁、溴乙烷、乙酸乙酯、肥皂、脲醛树脂、Fe(OH)3溶胶、AgI胶体等。
4.制备物质的合理方案的选用原则:原理正确、步骤简单、原料易得、节省原料、易于分离提纯、污染少。
如制备CuSO4、Cu(NO3)2、Al(OH)3等有多种方案,但最佳方案只有一种。
5.物质检验题常需对物质的物理性质、化学性质、实验方法、实验现象、实验基本操作等知识的综合运用才能解决,因而这类题是考查学生运用知识的能力的常见题型。
解答物质检验题的方法可归纳为“取试样,加试剂,说操作,由现象,定结论”。
6.物质的鉴别(1)不用任何试剂鉴别多种物质。
①先依据外观特征,鉴别出其中的一种或几种,然后再利用它们去鉴别其他的几种物质。
②若均无明显外观特征,可考虑能否用加热或焰色反应区别开来。
最全高中化学物质的检验、鉴定、除杂1.离子检验的常用方法有三种:检验方法沉淀法显色法焰色反应气体法含义反应中有沉淀产生或溶解反应中有颜色变化常用碱金属元素如:Na、K等离子检验反应中有气体产生2.常见的分离和提纯的方法比较方法适用围装置应用实例注意事项过滤从液体中分离不溶的固体净化食用水①要注意一贴二低三靠②必要时要(在过滤器中)洗涤沉淀物③定量试验防止过滤药物损失蒸发分离溶于溶剂中的固体溶质从食盐的水溶液中提取食盐晶体①溶质不易分解、不易被氧气氧化②蒸发过程要不断搅拌,有大量晶体析出时停止加热,用余热蒸干方法适用围装置应用实例注意事项蒸馏利用互溶液体中各成分沸点的不同进行分离制取蒸馏水①蒸馏烧瓶中放少量碎瓷片,防止暴沸②温度计水银球的位置应在蒸馏烧瓶支管口处③蒸馏烧瓶中所盛放液体不能超过其容积的2/3,也不能少于1/3④冷凝管中冷却水下进上出方法适用围装置应用实例注意事项萃取利用溶质在互不相溶的溶剂里溶解性的不同,用一种溶剂把溶质从它与另一种溶剂所组成的溶液中提取出来的方法用有机溶剂(如四氯化碳)从碘水中萃取碘①萃取剂和溶剂互不相溶、不反应;溶质在萃取剂中溶解度较大,且不反应;萃取剂和原溶剂密度相差较大②酒精易溶于水,一般不能做萃取剂分液把两种互不相溶,密度也不相同的液体分离开的方法把CCl4和NaOH溶液分开①下层液体从下口流出,上层液体从上口倒出②要及时关闭活塞,防止上层液体从下口流出特别提醒混合物的分离与提纯,重在理解物质的性质,并根据性质考虑所采取的方法。
一般应注意:①先考虑是否能用物理方法分离与提纯,再考虑用化学方法分离与提纯。
②认真分析被提纯物质的性质,选择的试剂应只和杂质反应,而不与主要物质反应。
③不能改变被提纯物质的性质,若在除杂过程中,主要物质转化为其他物质,则应使其再次转化为原物质。
④含多种杂质的分离与提纯,还要注意所加入试剂的顺序与用量,并遵守不得引入新杂质的原则。
序号原物(杂质) 除杂质试剂(除杂方法)(1) N2(O2) 灼热的铜丝网(用固体转化气体)(2) CO(CO2) NaOH溶液(洗气)(3) CO2(CO) 灼热的CuO(用固体转化气体)(4) CO2(HCl) 饱和NaHCO3溶液(洗气)(5) SO2(HCl) 饱和NaHSO3溶液(洗气)(6) Cl2(HCl) 饱和食盐水(洗气)(7) CO2(SO2) 饱和NaHCO3溶液(洗气)(8) 炭粉(MnO2) 浓盐酸(需加热)(过滤)(9) 炭粉( CuO) 稀盐酸(过滤)注意事项(1)AgNO3溶液与稀硝酸和BaCl2溶液与稀盐酸(或硝酸),这两组试剂,可以鉴别出若干种阴离子,是阴离子鉴别最常用的试剂组合。
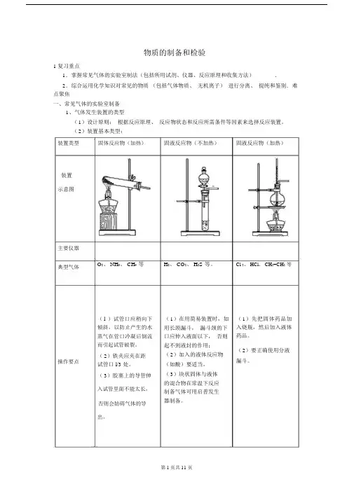
物质的制备和检验1复习重点1.掌握常见气体的实验室制法(包括所用试剂、仪器、反应原理和收集方法).2.综合运用化学知识对常见的物质(包括气体物质、无机离子)进行分离、提纯和鉴别.难点聚焦一、常见气体的实验室制备1、气体发生装置的类型(1)设计原则:根据反应原理、反应物状态和反应所需条件等因素来选择反应装置。
(2)装置基本类型:装置类型装置示意图主要仪器典型气体操作要点固体反应物(加热)O2、 NH3、 CH4等(l )试管口应稍向下倾斜,以防止产生的水蒸气在管口冷凝后倒流而引起试管破裂。
(2)铁夹应夹在距试管口 l/3 处。
(3)胶塞上的导管伸入试管里面不能太长,否则会妨碍气体的导固液反应物(不加热)H2、 CO2、 H2S 等。
(1)在用简易装置时,如用长颈漏斗,漏斗颈的下口应伸入液面以下,否则起不到液封的作用;(2)加入的液体反应物(如酸)要适当。
(3)块状固体与液体的混合物在常温下反应制备气体可用启普发生器制备。
固液反应物(加热)Cl 2、 HCl、 CH2=CH2等(1)先把固体药品加入烧瓶,然后加入液体药品。
(2)要正确使用分液漏斗。
出。
组合装置1.两通管加热2.固~固加热,制气3.固~液、液~液加热,制气4.固~液不加热,制气铁粉5.启普发生器多孔隔板有孔塑料网多孔隔板多孔隔板6.水浴加热几种气体制备的反应原理1、 O 2 2KClO32KCl+3O ↑424222KMnO K MnO+MnO+O ↑2HO 22HO+O 2↑2、 NH 32NH 4Cl+Ca(OH)2 CaCl 2+2NH 3↑+2HONH3·H 2ONH 3↑+H 2 O3、 CH 4 CH3COONa+NaOH Na 2CO 3+CH 4↑4、H 2Zn+H 2SO 4( 稀)=ZnSO 4+H 2↑5、 CO 2 CaCO 3+2HCl=CaCl+CO 2↑+H 2 O6、H 2S FeS+H 2SO 4( 稀)=FeSO 4+H 2S ↑7、 SO 2 Na2SO 4+H 2SO 4( 浓)=Na 2SO 4+SO 2↑+H 2O 8、 NO 2 Cu+4HNO 3( 浓 )=Cu(NO 3) 2+2NO ↑+2HO 9、 NO3Cu+8HNO 3( 稀)=3Cu(NO) 2 +2NO ↑+4H 2O10、CHCaC2 +2HO →Ca(OH)+CH ≡ CH ↑2 2211、 Cl2MnO +4HCl( 浓 )MnCl +Cl ↑ +2H 2O22212、HCl NaCl( 固)+H 2SO 4( 浓)NaHSO 4+HCl ↑ NaCl( 固)+NaHSO 4Na 2SO 4+HCl ↑2NaCl( 固)+H 2SO 4( 浓) N a 2 SO 4+2HCl ↑13、C 2H 4C2H 5OHCH 2=CH 2↑+H 2 O14、N2NaNO2+NH4Cl NaCl+N2↑+2HO2、收集装置(1)设计原则:根据氧化的溶解性或密度(2)装置基本类型:装置类型排水(液)集气法向上排空气集气法向下排空气集气法装置示意图适用范围不溶于水(液)的气体密度大于空气的气体密度小于空气的气体典型气体H2、 O2、 NO、 CO、 CH4、Cl 2、 HCl、 CO、 SO、H S H、 NH、CH CH=CH、 CH≡ CH 2 2 2 2 3 42 23、净化与干燥装置(1)设计原则:根据净化药品的状态及条件(2)装置基本类型:装置类型液体除杂剂(不加热)固体除杂剂(不加热)固体除杂剂(加热)适用范围装置示意图洗气瓶双球洗气管干燥装置尾气吸收H2OCCl4( 3)气体的净化剂的选择选择气体吸收剂应根据气体的性质和杂质的性质而确定,所选用的吸收剂只能吸收气体中的杂质,而不能与被提纯的气体反应。
第一章化学研究的天地1.3物质的制备第1课时物质的制备物质的分离、提纯与检验1.下列实验基本操作(或实验应该注意的事项)中,主要是从实验安全角度考虑的是A.实验剩余的药品不能放回原瓶B.可燃性气体的验纯C.在实验前进行实验装置气密性检查D.胶头滴管不能交叉使用【答案】B【解析】A、D项都是为了防止药品受到污染;C项是防止装置气密性不好,气体漏出;B项是从实验安全角度考虑,防止不纯的可燃性气体点燃时发生爆炸。
2.下列物质与危险化学品标志的对应关系不正确...的是()A B C D乙醇天然气浓硫酸氢氧化钠【答案】D【解析】A.乙醇在常温下是无色液体,容易燃烧,属于易燃性液体,A正确,不符合题意;B.天然气主要成分是CH4,该物质在常温下呈气态,容易燃烧,属于易燃性气体,B正确,不符合题意;C.浓硫酸具有强的腐蚀性,属于腐蚀性药品,C正确,不符合题意;D.NaOH具有强的腐蚀性,属于腐蚀性药品,D错误,符合题意;故合理选项是D。
3.进行过滤操作时应选用的一组仪器及用品是A.玻璃棒、滤纸、烧瓶、漏斗、铁架台B.滤纸、烧杯、试管夹、漏斗、玻璃棒C.漏斗、玻璃棒、烧杯、铁架台、滤纸D.烧杯、酒精灯、试管、铁架台、漏斗【解析】过滤操作所需的仪器及用品主要包括:铁架台、漏斗、滤纸、烧杯、玻璃棒。
4.下列关于过滤和蒸发的说法错误的是A.过滤时漏斗下端须紧靠烧杯内壁B.过滤时滤纸边缘要低于漏斗边缘C.蒸发时要用玻璃棒不断搅拌液体D.蒸发时将液体全部蒸干后停止加热【答案】D【解析】A、过滤时漏斗下端必须紧靠烧杯壁,A项正确;B、用玻璃棒引流不可搅拌并且放在三层滤纸处,滤纸边缘低于漏斗边缘,液面低于滤纸边缘,B项正确;C、蒸发时要一边蒸发一边搅拌防止液体飞溅,C项正确;D、蒸发时不可蒸发至全干,D项错误;答案选D。
5.分离沸点相差较大的液体混合物,可用蒸馏法,下列不是蒸馏实验必须的仪器或材料的是A.温度计B.冷凝管C.沸石(碎瓷片)D.漏斗【答案】D【解析】固、液混合物的分离用到的主要仪器为漏斗,而蒸馏用到的主要仪器或材料有:温度计、冷凝管、沸石(碎瓷片)、蒸馏烧瓶、牛角管、锥形瓶、酒精灯、石棉网等;正确选项D。
物质的制备和检验1复习重点1.掌握常见气体的实验室制法(包括所用试剂、仪器、反应原理和收集方法).2.综合运用化学知识对常见的物质(包括气体物质、无机离子)进行分离、提纯和鉴别.难点聚焦一、常见气体的实验室制备1、气体发生装置的类型(1)设计原则:根据反应原理、反应物状态和反应所需条件等因素来选择反应装置。
组合装置1.两通管加热2.固~固加热,制气3.固~液、液~液加热,制气4.固~液不加热,制气5.启普发生器6.水浴加热几种气体制备的反应原理多孔隔板多孔隔板1、O2 2KClO32KCl+3O2↑2KMnO4K2MnO4+MnO2+O2↑2H2O22H2O+O2↑2、NH3 2NH4Cl+Ca(OH)2CaCl2+2NH3↑+2H2ONH3·H2O NH3↑+H2O3、CH4 CH3COONa+NaOH Na2CO3+CH4↑4、H2 Zn+H2SO4(稀)=ZnSO4+H2↑5、CO2 CaCO3+2HCl=CaCl2+CO2↑+H2O6、H2S FeS+H2SO4(稀)=FeSO4+H2S↑7、SO2 Na2SO4+H2SO4(浓)=Na2SO4+SO2↑+H2O8、NO2 Cu+4HNO3(浓)=Cu(NO3)2+2NO2↑+2H2O9、NO 3Cu+8HNO3(稀)=3Cu(NO3)2+2NO↑+4H2O10、C2H2CaC2+2H2O→Ca(OH)2+CH≡CH↑11、Cl2MnO2+4HCl(浓)MnCl2+Cl2↑+2H2O12、HCl NaCl(固)+H2SO4(浓)NaHSO4+HCl↑NaCl(固)+NaHSO4Na2SO4+HCl↑2NaCl(固)+H2SO4(浓)Na2SO4+2HCl↑13、C2H4C2H5OH CH2=CH2↑+H2O14、N2 NaNO2+NH4Cl NaCl+N2↑+2H2O2、收集装置(1)设计原则:根据氧化的溶解性或密度(2)装置基本类型:装置类型排水(液)集气法向上排空气集气法向下排空气集气法装置示意图适用范围不溶于水(液)的气体密度大于空气的气体密度小于空气的气体典型气体H2、O2、NO、CO、CH4、CH2=CH2、CH≡CHCl2、HCl、CO2、SO2、H2S H2、NH3、CH43、净化与干燥装置(1)设计原则:根据净化药品的状态及条件装置类型液体除杂剂(不加热)固体除杂剂(不加热)固体除杂剂(加热)适用范围装置示意图洗气瓶双球洗气管干燥装置尾气吸收O24(3)气体的净化剂的选择选择气体吸收剂应根据气体的性质和杂质的性质而确定,所选用的吸收剂只能吸收气体中的杂质,而不能与被提纯的气体反应。
一般情况下:①易溶于水的气体杂质可用水来吸收;②酸性杂质可用碱性物质吸收;③碱性杂质可用酸性物质吸收;④水分可用干燥剂来吸收;⑤能与杂质反应生成沉淀(或可溶物)的物质也可作为吸收剂。
(4)气体干燥剂的类型及选择常用的气体干燥剂按酸碱性可分为三类:①酸性干燥剂,如浓硫酸、五氧化二磷、硅胶。
能够干燥显酸性或中性的气体,如CO2、SO2、NO2、HCI、H2、Cl2、O2、CH4等气体。
②碱性干燥剂,如生石灰、碱石灰、固体NaOH。
可以用来干燥显碱性或中性的气体,如NH3、H2、O2、CH4等气体。
③中性干燥剂,如无水氯化钙等可以干燥中性、酸性、碱性气体,如O2、H2、CH4等。
在选用干燥剂时,显碱性的气体不能选用酸性干燥剂,显酸性的气体不能选用碱性干燥剂。
有还原性的气体不能选用有氧化性的干燥剂。
能与气体反应的物质不能选作干燥剂,如不能用CaCI2来干燥NH3(因生成 CaCl2·8NH3),不能用浓 H2SO4干燥 NH3、H2S、HBr、HI等。
气体净化与干燥注意事项一般情况下,若采用溶液作除杂试剂,则是先除杂后干燥;若采用加热除去杂质,则是先干燥后加热。
对于有毒、有害的气体尾气必须用适当的溶液加以吸收(或点燃),使它们变为无毒、无害、无污染的物质。
如尾气Cl2、SO2、Br2(蒸气)等可用NaOH溶液吸收;尾气H2S可用CuSO4或NaOH溶液吸收;尾气CO可用点燃法,将它转化为CO2气体。
4、气体实验装置的设计(1)装置顺序:制气装置→净化装置→反应或收集装置→除尾气装置(2)安装顺序:由下向上,由左向右(3)操作顺序:装配仪器→检验气密性→加入药品二、常见物质的分离、提纯和鉴别1、化学方法分离和提纯物质对物质的分离可一般先用化学方法对物质进行处理,然后再根据混合物的特点用恰当的分离方法(见化学基本操作)进行分离。
用化学方法分离和提纯物质时要注意:①最好不引入新的杂质;②不能损耗或减少被提纯物质的质量③实验操作要简便,不能繁杂。
用化学方法除去溶液中的杂质时,要使被分离的物质或离子尽可能除净,需要加入过量的分离试剂,在多步分离过程中,后加的试剂应能够把前面所加入的无关物质或离子除去。
对于无机物溶液常用下列方法进行分离和提纯:(1)生成沉淀法例如NaCl溶液里混有少量的MgCl2杂质,可加入过量的NaOH 溶液,使Mg2+离子转化为Mg(OH)2沉淀(但引入新的杂质OH-),过滤除去Mg(OH)2,然后加入适量盐酸,调节pH为中性。
(2)生成气体法例如Na2SO4溶液中混有少量Na2CO3,为了不引入新的杂质并增加SO42-,可加入适量的稀H2SO4,将CO32-转化为CO2气体而除去。
(3)氧化还原法例如在 FeCl3溶液里含有少量 FeCl2杂质,可通入适量的Cl2气将FeCl2氧化为FeCl3。
若在 FeCl2溶液里含有少量 FeCl3,可加入适量的铁粉而将其除去。
(4)正盐和与酸式盐相互转化法例如在Na2CO3固体中含有少量NaHCO3杂质,可将固体加热,使NaHCO3分解生成Na2CO3,而除去杂质。
若在NaHCO3溶液中混有少量Na2CO3杂质,可向溶液里通入足量CO2,使Na2CO3转化为NaHCO3。
(5)利用物质的两性除去杂质例如在Fe2O3里混有少量的Al2O3杂质,可利用Al2O3是两性氧化物,能与强碱溶液反应,往试样里加入足量的 NaOH溶液,使其中 Al2O3转化为可溶性 NaAlO2,然后过滤,洗涤难溶物,即为纯净的Fe2O3。
(6)离子交换法例如用磺化煤(NaR)做阳离子交换剂,与硬水里的Ca2+、Mg2+进行交换,而使硬水软化。
2、物质的鉴别物质的检验通常有鉴定、鉴别和推断三类,它们的共同点是:依据物质的特殊性质和特征反应,选择适当的试剂和方法,准确观察反应中的明显现象,如颜色的变化、沉淀的生成和溶解、气体的产生和气味、火焰的颜色等,进行判断、推理。
鉴定通常是指对于某一种物质的定性检验,根据物质的化学特性,分别检出阳离子、阴离子,鉴别通常是指对分别存放的两种或两种以上的物质进行定性辨认,可根据一种物质的特性区别于另一种,也可根据几种物质的颜色、气味、溶解性、溶解时的热效应等一般性质的不同加以区别。
推断是通过已知实验事实,根据性质分析推求出被检验物质的组成和名称。
我们要综合运用化学知识对常见物质进行鉴别和推断。
1.常见气体的检验2.几种重要阳离子的检验(l)H+能使紫色石蕊试液或橙色的甲基橙试液变为红色。
(2)Na+、K+用焰色反应来检验时,它们的火焰分别呈黄色、浅紫色(通过钴玻片)。
(3)Ba2+能使稀硫酸或可溶性硫酸盐溶液产生白色BaSO4沉淀,且沉淀不溶于稀硝酸。
(4)Mg2+能与NaOH溶液反应生成白色Mg(OH)2沉淀,该沉淀能溶于NH4Cl溶液。
(5)Al3+能与适量的NaOH溶液反应生成白色Al(OH)3絮状沉淀,该沉淀能溶于盐酸或过量的NaOH溶液。
(6)Ag+能与稀盐酸或可溶性盐酸盐反应,生成白色AgCl沉淀,不溶于稀 HNO3,但溶于氨水,生成[Ag(NH3)2]+。
(7)NH4+铵盐(或浓溶液)与NaOH浓溶液反应,并加热,放出使湿润的红色石蓝试纸变蓝的有刺激性气味NH3气体。
(8)Fe2+能与少量NaOH溶液反应,先生成白色Fe(OH)2沉淀,迅速变成灰绿色,最后变成红褐色Fe(OH)3沉淀。
或向亚铁盐的溶液里加入KSCN溶液,不显红色,加入少量新制的氯水后,立即显红色。
2Fe2++Cl2=2Fe3++2Cl-(9)Fe3+能与 KSCN溶液反应,变成血红色 Fe(SCN)3溶液,能与 NaOH溶液反应,生成红褐色Fe(OH)3沉淀。
(10)Cu2+蓝色水溶液(浓的CuCl2溶液显绿色),能与NaOH溶液反应,生成蓝色的Cu(OH)2沉淀,加热后可转变为黑色的 CuO沉淀。
含Cu2+溶液能与Fe、Zn片等反应,在金属片上有红色的铜生成。
3.几种重要的阴离子的检验(1)OH-能使无色酚酞、紫色石蕊、橙色的甲基橙等指示剂分别变为红色、蓝色、黄色。
(2)Cl-能与硝酸银反应,生成白色的AgCl沉淀,沉淀不溶于稀硝酸,能溶于氨水,生成[Ag(NH3)2]+。
(3)Br-能与硝酸银反应,生成淡黄色AgBr沉淀,不溶于稀硝酸。
(4)I-能与硝酸银反应,生成黄色AgI沉淀,不溶于稀硝酸;也能与氯水反应,生成I2,使淀粉溶液变蓝。
(5)SO42-能与含Ba2+溶液反应,生成白色BaSO4沉淀,不溶于硝酸。
(6)SO32-浓溶液能与强酸反应,产生无色有刺激性气味的SO2气体,该气体能使品红溶液褪色。
能与BaCl2溶液反应,生成白色BaSO3沉淀,该沉淀溶于盐酸,生成无色有刺激性气味的SO2气体。
(7)S2-能与Pb(NO3)2溶液反应,生成黑色的PbS沉淀。
(8)CO32-能与BaCl2溶液反应,生成白色的BaCO3沉淀,该沉淀溶于硝酸(或盐酸),生成无色无味、能使澄清石灰水变浑浊的CO2气体。
(9)HCO3-取含HCO3-盐溶液煮沸,放出无色无味CO2气体,气体能使澄清石灰水变浑浊。
或向HCO3-盐酸溶液里加入稀MgSO4溶液,无现象,加热煮沸,有白色沉淀 MgCO3生成,同时放出 CO2气体。
(10)PO43-含磷酸根的中性溶液,能与AgNO3反应,生成黄色Ag3PO4沉淀,该沉淀溶于硝酸。
(11)NO3-浓溶液或晶体中加入铜片、浓硫酸加热,放出红棕色气体。
4.几种重要有机物的检验(1)苯能与纯溴、铁屑反应,产生HBr白雾。
能与浓硫酸、浓硝酸的混合物反应,生成黄色的苦杏仁气味的油状(密度大于1)难溶于水的硝基苯。
(2)乙醇能够与灼热的螺旋状铜丝反应,使其表面上黑色CuO变为光亮的铜,并产生有刺激性气味的乙醛。
乙醇与乙酸、浓硫酸混合物加热反应,将生成的气体通入饱和Na2CO3溶液,有透明油状、水果香味的乙酸乙酯液体浮在水面上。
(3)苯酚能与浓溴水反应生成白色的三溴苯酚沉淀。
能与FeCl3溶液反应,生成紫色溶液。
(4)乙醛能发生银镜反应,或能与新制的蓝色Cu(OH)2加热反应,生成红色的 Cu2O 沉淀。