LED电子灯箱电阻表
- 格式:doc
- 大小:38.50 KB
- 文档页数:1
一.电子灯箱电阻配置(可以参考视频教程买一个电子灯箱的测试仪)
电子灯箱内为发光二极管正负极串联,注意每组红色黄色不要超过一百个灯,其余蓝绿白三种颜色电压在3v的不要超过65个灯,串联电阻的大小随灯的多少而改变,单灯电压:红色黄色:1.8--2.0V 一般按照2.0V算,蓝色绿色白色:3.0--3.2V,一般按照3.0V算
电阻大小使用公式计算,例如红灯电压现在为2.0V的总共95个
公式即为:控制器电压减去所有灯用的电压再除以流过二极管的电流(一般为15ma-20ma)得到的就是需要串联的那种电阻的阻值
刚刚的例子所需要串联的阻值为:{220-(2.0*95)}/0.015=2000欧,在串联电阻时取整数数值2K。
E—24系列标准电阻值与代码贴片电阻命名规格精度5%2%电阻值印字代码电阻值印字代码电阻值印字代码电阻值印字代码1.0Ω010J 10 0100 10001011.0K01021。
1Ω011J 11 0110 11001111。
1K01121.2Ω012J 12 0120 12001211。
2K01221。
3Ω013J 13 0130 13001311.3K01321。
5Ω015J 15 0150 15001511。
5K01521。
6Ω016J 16 0160 16001611。
6K01621.8Ω018J 18 0180 18001811。
8K01822.0Ω020J 20 0200 20002012.0K02022.2Ω022J 22 0220 22002212。
2K02222。
4Ω024J 24 0240 24002412.4K02422。
7Ω027J 27 0270 2700271 2。
7K02723.0Ω030J 30 0300 30003013。
0K03023。
3Ω033J 33 0330 33003313。
3K03323。
6Ω036J 36 0360 36003613.6K03623.9Ω039J 39 0390 39003913.9K03924.3Ω043J 43 0430 43004314.3K04324。
7Ω047J 47 0470 47004714。
7K04725.1Ω051J 51 0510 51005115.1K05125.6Ω056J 56 0560 56005615.6K05626。
2Ω062J 62 0620 62006216。
2K06226.8Ω068J 68 0680 68006816.8K06827。
5Ω075J 75 0750 75007517。
5K07528。
2Ω082J 82 0820 8200821 8。
2K08229.1Ω091J 91 0910 91009119.1K091210K 0103 100K01041。
精细电阻阻值表2021-02-1313:12:39|分类:硬件根底|举报|字号订阅精细贴片电阻是用代码来计算的,如01C就是10K。
下面是代码,就像查字典一样。
又例如:10欧的电阻用代码01X表示,仔细看下表你就会明白的。
一点没有数字标注的直观方便,下面就是阻值表,以备自己查验:标准阻值表E-960603F(+1%)StandardResistanceTable标准阻值表1E-96阻值代码阻值代码阻值代码阻值代码阻值代码阻值代码1001X10001A1.00K01B10.0K01C100K01D1M01E10.202X10202A1.02K02B10.2K02C102K02D10.503X10503A1.05K03B10.5K03C105K03D10.704X10704A1.07K04B10.7K04C107K04D1105X11005A1.10K05B11.0K05C110K05D11.306X11306A1.13K06B11.3K06C113K06D11.507X11507A1.15K07B11.5K07C115K07D11.808X11808A1.18K08B11.8K08C118K08D12.109X12109A1.21K09B12.1K09C121K09D12.410X12410A1.24K10B12.4K10C124K10D12.711X12711A1.27K11B12.7K11C127K11D1312X13012A1.30K12B13.0K12C130K12D13.313X13313A1.33K13B13.3K13C133K13D13.714X13714A1.37K14B13.7K14C137K14D1415X14015A1.40K15B14.0K15C140K15D14.316X14316A1.43K16B14.3K16C143K16D14.717X14717A1.47K17B14.7K17C147K17D1518X15018A1.50K18B15.0K18C150K18D15.419X15419A1.54K19B15.4K19C154K19D15.820X15820A1.58K20B15.8K20C158K20D16.221X16221A1.62K21B16.2K21C162K21D16.923X16923A1.69K23B16.9K23C169K23D17.424X17424A1.74K24B17.4K24C174K24D17.825X17825A1.78K25B17.8K25C178K25D18.226X18226A1.82K26B18.2K26C182K26D18.727X18727A1.87K27B18.7K27C187K27D19.128X19128A1.91K28B19.1K28C191K28D19.629X19629A1.96K29B19.6K29C196K29D2030X20030A2.00K30B20.0K30C200K30D20.531X20531A2.05K31B20.5K31C205K31D2132X21032A2.10K32B21.0K32C210K32D21.533X21533A2.15K33B21.5K33C215K33D22.134X22134A2.21K34B22.1K34C221K34D22.635X22635A2.26K35B22.6K35C226K35D23.236X23236A2.32K36B23.2K36C232K36D23.737X23737A2.37K37B23.7K37C237K37D24.338X24338A2.43K38B24.3K38C243K38D24.939X24939A2.49K39B24.9K39C249K39D25.540X25540A2.55K40B25.5K40C255K40D26.141X26141A2.61K41B26.1K41C261K41D26.742X26742A2.67K42B26.7K42C267K42D27.443X27443A2.74K43B27.4K43C274K43D2844X28044A2.80K44B28.0K44C280K44D28.745X28745A2.87K45B28.7K45C287K45D29.446X29446A2.94K46B29.4K46C294K46D30.147X30147A3.01K47B30.1K47C301K47D30.948X30948A3.09K48B30.9K48C309K48D标准阻值表2E-96阻值代码阻值代码阻值代码阻值代码阻值代码31.649X31649A3.16K49B31.6K49C316K49D32.450X32450A3.24K50B32.4K50C324K50D3452X34052A3.40K52B34.0K52C340K52D34.853X34853A3.48K53B34.8K53C348K53D35.754X35754A3.57K54B35.7K54C357K54D36.555X36555A3.65K55B36.5K55C365K55D37.456X37456A3.74K56B37.4K56C374K56D38.357X38357A3.83K57B38.3K57C383K57D39.258X39258A3.92K58B39.2K58C392K58D40.259X40259A4.02K59B40.2K59C402K59D41.260X41260A4.12K60B41.2K60C412K60D42.261X42261A4.22K61B42.2K61C422K61D43.262X43262A4.32K62B43.2K62C432K62D44.263X44263A4.42K63B44.2K63C442K63D45.364X45364A4.53K64B45.3K64C453K64D46.465X46465A4.64K65B46.4K65C464K65D47.566X47566A4.75K66B47.5K66C475K66D48.767X48767A4.87K67B48.7K67C487K67D49.968X49968A4.99K68B49.9K68C499K68D 51.169X51169A5.11K69B51.1K69C511K69D 51.370X52370A5.23K70B52.3K70C523K70D53.671X53671A5.36K71B53.6K71C536K71D54.972X54972A5.49K72B54.9K72C549K72D56.273X56273A5.62K73B56.2K73C562K73D57.674X57674A5.76K74B57.6K74C576K74D 5975X59075A5.90K75B59.0K75C590K75D60.476X60476A6.04K76B60.4K76C604K76D61.977X61977A6.19K77B61.9K77C619K77D63.478X63478A6.34K78B63.4K78C634K78D64.979X64979A6.49K79B64.9K79C649K79D 66.580X66580A6.65K80B66.5K80C665K80D68.181X68181A6.81K81B68.1K81C681K81D69.882X69882A6.98K82B69.8K82C698K82D73.284X73284A7.32K84B73.2K84C732K84D7585X75085A7.50K85B75.0K85C750K85D76.886X76886A7.68K86B76.8K86C768K86D78.787X78787A7.87K87B78.7K87C787K87D80.688X80688A8.06K88B80.6K88C806K88D82.589X82589A8.25K89B82.5K89C825K89D84.590X84590A8.45K90B84.5K90C845K90D86.691X86691A8.66K91B86.6K91C866K91D88.792X88792A8.87K92B88.7K92C887K92D90.993X90893A9.09K93B90.9K93C909K93D93.194X93194A9.31K94B93.1K94C931K94D95.395X95395A9.53K95B95.3K95C953K95D97.696X97696A9.76K96B97.6K96C976K96DPS:贴片电阻阻值标注方法1.E-24标注方法9?'l2A5H+q1a4]'YE-24标注法有两位有效数字,精度在±2%〔-G〕,±5%〔-J〕,±10%〔-K〕〔1〕常用电阻标注XXYXX代表底数,Y代表指数例如470=47Ω:f#q7~'Q,BO0e0mMF'r103=10kΩ224=220kΩ〔2〕小于10欧姆的电阻的标注)V)@"I*?.R5M用R代表单位为欧姆的电阻小数点,用m代表单位为毫欧姆的电阻小数点例如9d8e'B$e4u/D\5H0X+O1R0=1.0Ω3o7\3u:R7k.s$HR20=0.20Ω5R1=5.1Ω.e/H(y"U5w6a0Y2jR007=7.0mΩ&o1w-f+X7_9n$F$U4m7=4.7mΩ2.E-96标注方法E-96标注法有三位有效数字,精度在±1%〔-F〕-T:a)P-n/_3c(1)常用电阻标注XXXYXXX代表底数,Y代表指数(U:J6l1u(x%Z例如4700=470Ω1003=100kΩ2203=220kΩ%b)m0U+]&w8z,@(2)小于10欧姆的电阻的标注用R代表单位为欧姆的电阻小数点,用m代表单位为毫欧姆的电阻小数点4n"O.`+u)BH. @,R-|2x例如#}(\*N:f8}4j.@-b.C1R00=1.00ΩR200=0.200Ω/];\'q8Q;{$y'u(l8Y({5R10=5.10ΩR007=7.00mΩ&W'`#?!k/n4m70=4.70mΩ+V/_.g-C&d9z-G:U%x3n#t(3)E-96MultiplierCode标注法%c(f%h.^FXXY%k1p2J2m#m:}(p&PXX代表底数的代码,具体数值可从MultiplierCode表中查找Y代表指数的代码,具体数值也要从MultiplierCode表中查找例如:18A=150Ω"r4J)s%o"^9|!J+]02C=10.2kΩ。
国家标准规定了电阻的阻值按其精度分为两大系列,分别为E-24系列和E-96系列,E-24系列精度为5%,E-96系列为1%。
精度为5%的碳膜电阻,以欧姆为单位的标称值:1.0 5.6 33 160 820 3.9K 20K 100K 510K2.7M1.1 6.2 36 180 910 4.3K 22K 110K 560K 3M1.2 6.8 39 200 1K 4.7K 24K 120K 620K 3.3M1.3 7.5 43 220 1.1K 5.1K 27K 130K 680K 3.6M1.5 8.2 47 240 1.2K 5.6K 30K 150K 750K 3.9M1.6 9.1 51 270 1.3K 6.2K 33K 160K 820K 4.3M1.8 10 56 300 1.5K 6.6K 36K 180K 910K 4.7M2.0 11 62 330 1.6K 7.5K 39K 200K 1M 5.1M2.2 12 68 360 1.8K 8.2K 43K 220K 1.1M 5.6M2.4 13 75 390 2K 9.1K 47K 240K 1.2M 6.2M2.7 15 82 430 2.2K 10K 51K 270K 1.3M 6.8M3.0 16 91 470 2.4K 11K 56K 300K 1.5M 7.5M3.3 18 100 510 2.7K 12K 62K 330K 1.6M 8.2M3.6 20 110 560 3K 13K 68K 360K 1.8M 9.1M3.9 22 120 620 3.2K 15K 75K 390K 2M 10M4.3 24 130 680 3.3K 16K 82K 430K 2.2M 15M4.7 27 150 750 3.6K 18K 91K 470K 2.4M 22M5.1 30精度为1%的金属膜电阻,以欧姆为单位的标称值:10 33 100 332 1K 3.32K 10.5K 34K 107K 357K10.2 33.2 102 340 1.02K 3.4K 10.7K 34.8K 110K 360K10.5 34 105 348 1.05K 3.48K 11K 35.7K 113K 365K10.7 34.8 107 350 1.07K 3.57K 11.3K 36K 115K 374K11 35.7 110 357 1.1K 3.6K 11.5K 36.5K 118K 383K11.3 36 113 360 1.13K 3.65K 11.8K 37.4K 120K 390K11.5 36.5 115 365 1.15K 3.74K 12K 38.3K 121K 392K11.8 37.4 118 374 1.18K 3.83K 12.1K 39K 124K 402K12 38.3 120 383 1.2K 3.9K 12.4K 39.2K 127K 412K12.1 39 121 390 1.21K 3.92K 12.7K 40.2K 130K 422K12.4 39.2 124 392 1.24K 4.02K 13K 41.2K 133K 430K12.7 40.2 127 402 1.27K 4.12K 13.3K 42.2K 137K 432K13 41.2 130 412 1.3K 4.22K 13.7K 43K 140K 442K13.3 42.2 133 422 1.33K 4.32K 14K 43.2K 143K 453K13.7 43 137 430 1.37K 4.42K 14.3K 44.2K 147K 464K14 43.2 140 432 1.4K 4.53K 14.7K 45.3K 150K 470K14.3 44.2 143 442 1.43K 4.64K 15K 46.4K 154K 475K14.7 45.3 147 453 1.47K 4.7K 15.4K 47K 158K 487K15 46.4 150 464 1.5K 4.75K 15.8K 47.5K 160K 499K15.4 47 154 470 1.54K 4.87K 16K 48.7K 162K 511K15.8 47.5 158 475 1.58K 4.99K 16.2K 49.9K 165K 523K16 48.7 160 487 1.6K 5.1K 16.5K 51K 169K 536K16.2 49.9 162 499 1.62K 5.11K 16.9K 51.1K 174K 549K16.5 51 165 510 1.65K 5.23K 17.4K 52.3K 178K 560K16.9 51.1 169 511 1.69K 5.36K 17.8K 53.6K 180K 562K17.4 52.3 174 523 1.74K 5.49K 18K 54.9K 182K 576K17.8 53.6 178 536 1.78K 5.6K 18.2K 56K 187K 590K18 54.9 180 549 1.8K 5.62K 18.7K 56.2K 191K 604K 18.2 56 182 560 1.82K 5.76K 19.1K 57.6K 196K 619K18.7 56.2 187 562 1.87K 5.9K 19.6K 59K 200K 620K19.1 57.6 191 565 1.91K 6.04K 20K 60.4K 205K 634K19.6 59 196 578 1.96K 6.19K 20.5K 61.9K 210K 649K20 60.4 200 590 2K 6.2K 21K 62K 215K 665K20.5 61.9 205 604 2.05K 6.34K 21.5K 63.4K 220K 680K21 62 210 619 2.1K 6.49K 22K 64.9K 221K 681K21.5 63.4 215 620 2.15K 6.65K 22.1K 66.5K 226K 698K22 64.9 220 634 2.2K 6.8K 22.6K 68K 232K 715K 22.1 66.5 221 649 2.21K 6.81K 23.2K 68.1K 237K 732K22.6 68 226 665 2.26K 6.98K 23.7K 69.8K 240K 750K23.2 68.1 232 680 2.32K 7.15K 24K 71.5K 243K 768K23.7 69.8 237 681 2.37 7.32K 24.3K 73.2K 249K 787K24 71.5 240 698 2.4K 7.5K 24.9K 75K 255K 806K 24.3 73.2 243 715 2.43K 7.68K 25.5K 76.8K 261K 820K 24.7 75 249 732 2.49K 7.87K 26.1K 78.7K 267K 825K24.9 75.5 255 750 2.55K 8.06K 26.7K 80.6K 270K 845K25.5 76.8 261 768 2.61K 8.2K 27K 82K 274K 866K26.1 78.7 267 787 2.67K 8.25K 27.4K 82.5K 280K 887K26.7 80.6 270 806 2.7K 8.45K 28K 84.5K 287K 909K27 82 274 820 2.74K 8.66K 28.7K 86.6K 294K 910K27.4 82.5 280 825 2.8K 8.8K 29.4K 88.7K 300K 931K28 84.5 287 845 2.87K 8.87K 30K 90.9K 301K 953K28.7 86.6 294 866 2.94K 9.09K 30.1K 91K 309K 976K29.4 88.7 300 887 3.0K 9.1K 30.9K 93.1K 316K 1.0M30 90.9 301 909 3.01K 9.31K 31.6K 95.3K 324K 1.5M 30.1 91 309 910 3.09K 9.53K 32.4K 97.6K 330K 2.2M30.9 93.1 316 931 3.16K 9.76K 33K 100K 332K31.6 95.3 324 953 3.24K 10K 33.2K 102K 340K32.4 97.6 330 976 3.3K 10.2K 33.6K 105K 348K常用电阻阻值:1,1.1,1.2,1.3,1.5,1.6,1.82,2.2,2.4,2.7,3,3.3,3.6,3.94.3,4.75.1,5.66.2,6.87.58.29.110,11,12,13,15,16,1820,22,24,2730,33,36,3943,4751,5662,687582,81100,110,120,130,150 ,160,180200,220,240,270300,330,360,390430,470510,560620,6807508209101K,1.1K,1.2K,1.3K,1.5K,1.6K,1.8K2K,2.2K,2.4K,2.7K3K,3.3K,3.6K,3.9K4.3K,4.7K5.1K,5.6K6.2K,6.8K,7.5K8.2K9.1K10K,11K,12K,13K,15K,16K,18K20K,22K,24K,27K30K,33K,36K,39K43K,47K51K,56K62K,68K75K82K91K100K,110K,120K,130K,150K,160K,180K 200K,220K,240K,270K,300K,330K,360K,390K430K,470K510K,560K620K,680K750K,820K910K1M,1.1M,1.2M,1.3M,1.5M,1.6M,1.8M2M,2.2M,2.4M,2.7M3M,3.3M,3.6M,3.9M4.4M,4.7M常用电容值:【单位pF】39 P 43 P 47 P 51 P 56 P 62 P 68 P 75 P 82 P 91 P100 P 120 P 150 P180 P 200 P 220 P 240 P 270 P 300 P 330 P 360 P 390 P470 P 560 P 620 P680 P 750 P【单位nF】1.0 1.2 1.5 1.82.2 2.73.3 3.94.75.6 10 15 18 22 27 3339 56 68 82【单位uF】0.10.15 0.22 0.33 0.47 1.0 (1.5) 2.21、5%精度的命名:RS-05K102JT2、1%精度的命名:RS-05K1002FTR -表示电阻S -表示功率0402是1/16W、0603是1/10W、0805是1/8W、1206是1/4W、 1210是1/3W、1812是1/2W、2010是3/4W、2512是1W。
几种红外发光二极管的参数单位TLN107 TLN104 HG310 HG450 HG520 BT401 向工作电流(I F) mA(A) 50 60 50 200 (3) 40值电流(I P-P) mA 600 600向击穿电压(V E) V >5 >5 ≥5≥5≥5压降(V F) V <1.5 <1.5 ≤1.5≤1.8≤2.0≤1.3向漏电流(I R) μA<10 <10 ≤50≤100≤100功率(P O) mW >1.5 >2.5 1~>2 5~20 100~550 1~2波长(λP) nm 940 940 940 930 930 940大功率(P M) mW(W) 75 360 ≈(6)100L6 BAR17 Sie C - pin diodeL6 BSS69R Zet N - pnp 40V 0.1A 200MHz swL6 MMBC1623L6 Mot N - MPS3904 hfe 200-400M6 BSR58 Phi F SOT23 2N4858 n-ch fetM6 MMBA812M6 Mot N - 2N5086 hfe 200-400 pnpM6 BSS66 Zet N - npn 40V 0.1A sw fT 250MHz三极管2SC1623,丝印:L6,贴片三极管2SC1623技术参数:NPN管,印记:L6,放大倍数:250-400电流:100mA,电压:60V,功率:200MW贴片三极管S9015LT1,丝印:M6,三极管S9015LT1技术参数:PNP管,丝印:M6,放大倍数:300-400电流:100mA,电压:50V,功率:200Mw光敏电阻器种类: 硫化镉(CdS)型号规格(mm)最大电压最大功耗环境工作温度光谱峰值亮电阻10Lux光源暗电阻0 Lux光源响应时间(ms)LXD25537系列+70℃18~ 50 KΩ 5.0 MΩ0.7LXD2554945 ~ 140 KΩ10.0 MΩ0.6三极管价格:85元/K 参数:品牌:国产,型号:M6,应用范围:开关,功率特性:小功率,频率特性:低频,极性:PNP型,结构:点接触型,材料:硅(Si),封装形式:贴片型,封装材料:塑料封装,特征频率:150(MHz),集电极允许电流:0.1(A),集电极最大允许耗散功率:0.2(W),营销方式:厂家直销,产品性质:热销型号/规格:2SD2150 品牌/商标:ROHM封装形式:SOT-89 环保类别:无铅环保型安装方式:贴片式包装方式:卷带编带包装功率特性:频率特性:极性:BCX69-10封装:sot-89。
国家标准规定了电阻的阻值按其精度分为两大系列,分别为E-24系列和E-96系列,E-24系列精度为5%,E-96系列为1%。
精度为5%的碳膜电阻,以欧姆为单位的标称值:1.0 5.6 33 160 820 3.9K 20K 100K 510K2.7M1.1 6.2 36 180 910 4.3K 22K 110K 560K 3M1.2 6.8 39 200 1K 4.7K 24K 120K 620K 3.3M1.3 7.5 43 220 1.1K 5.1K 27K 130K 680K 3.6M1.5 8.2 47 240 1.2K 5.6K 30K 150K 750K 3.9M1.6 9.1 51 270 1.3K 6.2K 33K 160K 820K 4.3M1.8 10 56 300 1.5K 6.6K 36K 180K 910K 4.7M2.0 11 62 330 1.6K 7.5K 39K 200K 1M 5.1M2.2 12 68 360 1.8K 8.2K 43K 220K 1.1M 5.6M2.4 13 75 390 2K 9.1K 47K 240K 1.2M 6.2M2.7 15 82 430 2.2K 10K 51K 270K 1.3M 6.8M3.0 16 91 470 2.4K 11K 56K 300K 1.5M 7.5M3.3 18 100 510 2.7K 12K 62K 330K 1.6M 8.2M3.6 20 110 560 3K 13K 68K 360K 1.8M 9.1M3.9 22 120 620 3.2K 15K 75K 390K 2M 10M4.3 24 130 680 3.3K 16K 82K 430K 2.2M 15M4.7 27 150 750 3.6K 18K 91K 470K 2.4M 22M5.1 30精度为1%的金属膜电阻,以欧姆为单位的标称值:10 33 100 332 1K 3.32K 10.5K 34K 107K 357K10.2 33.2 102 340 1.02K 3.4K 10.7K 34.8K 110K 360K10.5 34 105 348 1.05K 3.48K 11K 35.7K 113K 365K10.7 34.8 107 350 1.07K 3.57K 11.3K 36K 115K 374K11 35.7 110 357 1.1K 3.6K 11.5K 36.5K 118K 383K11.3 36 113 360 1.13K 3.65K 11.8K 37.4K 120K 390K11.5 36.5 115 365 1.15K 3.74K 12K 38.3K 121K 392K11.8 37.4 118 374 1.18K 3.83K 12.1K 39K 124K 402K12 38.3 120 383 1.2K 3.9K 12.4K 39.2K 127K 412K12.1 39 121 390 1.21K 3.92K 12.7K 40.2K 130K 422K12.4 39.2 124 392 1.24K 4.02K 13K 41.2K 133K 430K12.7 40.2 127 402 1.27K 4.12K 13.3K 42.2K 137K 432K13 41.2 130 412 1.3K 4.22K 13.7K 43K 140K 442K13.3 42.2 133 422 1.33K 4.32K 14K 43.2K 143K 453K13.7 43 137 430 1.37K 4.42K 14.3K 44.2K 147K 464K14 43.2 140 432 1.4K 4.53K 14.7K 45.3K 150K 470K14.3 44.2 143 442 1.43K 4.64K 15K 46.4K 154K 475K14.7 45.3 147 453 1.47K 4.7K 15.4K 47K 158K 487K15 46.4 150 464 1.5K 4.75K 15.8K 47.5K 160K 499K15.4 47 154 470 1.54K 4.87K 16K 48.7K 162K 511K15.8 47.5 158 475 1.58K 4.99K 16.2K 49.9K 165K 523K16 48.7 160 487 1.6K 5.1K 16.5K 51K 169K 536K16.2 49.9 162 499 1.62K 5.11K 16.9K 51.1K 174K 549K16.5 51 165 510 1.65K 5.23K 17.4K 52.3K 178K 560K16.9 51.1 169 511 1.69K 5.36K 17.8K 53.6K 180K 562K17.4 52.3 174 523 1.74K 5.49K 18K 54.9K 182K 576K17.8 53.6 178 536 1.78K 5.6K 18.2K 56K 187K 590K18 54.9 180 549 1.8K 5.62K 18.7K 56.2K 191K 604K 18.2 56 182 560 1.82K 5.76K 19.1K 57.6K 196K 619K18.7 56.2 187 562 1.87K 5.9K 19.6K 59K 200K 620K19.1 57.6 191 565 1.91K 6.04K 20K 60.4K 205K 634K19.6 59 196 578 1.96K 6.19K 20.5K 61.9K 210K 649K20 60.4 200 590 2K 6.2K 21K 62K 215K 665K20.5 61.9 205 604 2.05K 6.34K 21.5K 63.4K 220K 680K21 62 210 619 2.1K 6.49K 22K 64.9K 221K 681K21.5 63.4 215 620 2.15K 6.65K 22.1K 66.5K 226K 698K22 64.9 220 634 2.2K 6.8K 22.6K 68K 232K 715K 22.1 66.5 221 649 2.21K 6.81K 23.2K 68.1K 237K 732K22.6 68 226 665 2.26K 6.98K 23.7K 69.8K 240K 750K23.2 68.1 232 680 2.32K 7.15K 24K 71.5K 243K 768K23.7 69.8 237 681 2.37 7.32K 24.3K 73.2K 249K 787K24 71.5 240 698 2.4K 7.5K 24.9K 75K 255K 806K 24.3 73.2 243 715 2.43K 7.68K 25.5K 76.8K 261K 820K 24.7 75 249 732 2.49K 7.87K 26.1K 78.7K 267K 825K24.9 75.5 255 750 2.55K 8.06K 26.7K 80.6K 270K 845K25.5 76.8 261 768 2.61K 8.2K 27K 82K 274K 866K26.1 78.7 267 787 2.67K 8.25K 27.4K 82.5K 280K 887K26.7 80.6 270 806 2.7K 8.45K 28K 84.5K 287K 909K27 82 274 820 2.74K 8.66K 28.7K 86.6K 294K 910K27.4 82.5 280 825 2.8K 8.8K 29.4K 88.7K 300K 931K28 84.5 287 845 2.87K 8.87K 30K 90.9K 301K 953K28.7 86.6 294 866 2.94K 9.09K 30.1K 91K 309K 976K29.4 88.7 300 887 3.0K 9.1K 30.9K 93.1K 316K 1.0M30 90.9 301 909 3.01K 9.31K 31.6K 95.3K 324K 1.5M 30.1 91 309 910 3.09K 9.53K 32.4K 97.6K 330K 2.2M30.9 93.1 316 931 3.16K 9.76K 33K 100K 332K31.6 95.3 324 953 3.24K 10K 33.2K 102K 340K32.4 97.6 330 976 3.3K 10.2K 33.6K 105K 348K常用电阻阻值:1,1.1,1.2,1.3,1.5,1.6,1.82,2.2,2.4,2.7,3,3.3,3.6,3.94.3,4.75.1,5.66.2,6.87.58.29.110,11,12,13,15,16,1820,22,24,2730,33,36,3943,4751,5662,687582,81100,110,120,130,150 ,160,180200,220,240,270300,330,360,390430,470510,560620,6807508209101K,1.1K,1.2K,1.3K,1.5K,1.6K,1.8K2K,2.2K,2.4K,2.7K3K,3.3K,3.6K,3.9K4.3K,4.7K5.1K,5.6K6.2K,6.8K,7.5K8.2K9.1K10K,11K,12K,13K,15K,16K,18K20K,22K,24K,27K30K,33K,36K,39K43K,47K51K,56K62K,68K75K82K91K100K,110K,120K,130K,150K,160K,180K 200K,220K,240K,270K,300K,330K,360K,390K430K,470K510K,560K620K,680K750K,820K910K1M,1.1M,1.2M,1.3M,1.5M,1.6M,1.8M2M,2.2M,2.4M,2.7M3M,3.3M,3.6M,3.9M4.4M,4.7M常用电容值:【单位pF】39 P 43 P 47 P 51 P 56 P 62 P 68 P 75 P 82 P 91 P100 P 120 P 150 P180 P 200 P 220 P 240 P 270 P 300 P 330 P 360 P 390 P470 P 560 P 620 P680 P 750 P【单位nF】1.0 1.2 1.5 1.82.2 2.73.3 3.94.75.6 10 15 18 22 27 3339 56 68 82【单位uF】0.10.15 0.22 0.33 0.47 1.0 (1.5) 2.21、5%精度的命名:RS-05K102JT2、1%精度的命名:RS-05K1002FTR -表示电阻S -表示功率0402是1/16W、0603是1/10W、0805是1/8W、1206是1/4W、 1210是1/3W、1812是1/2W、2010是3/4W、2512是1W。
LED的说明与电阻的计算公式(2013-1-21)
一.如何评价LED的好坏?
1.LED的好坏指标:角度,亮度,颜色(色温)一致性,抗静电能力,抗衰减能力等。
2.LED的封装材是LED好坏的直接因素,也是基本因素,LED灯是由几种主要材组合的,一粒好的LED灯必须是所有封装材与生产技术的组合;LED灯的封装技术一般是全自动设备封装要比手工封装的要好,封装的技术水平也是LED灯封装好坏的因素,同样的材料不同的生产厂家生产出来的产品有很大的差别。
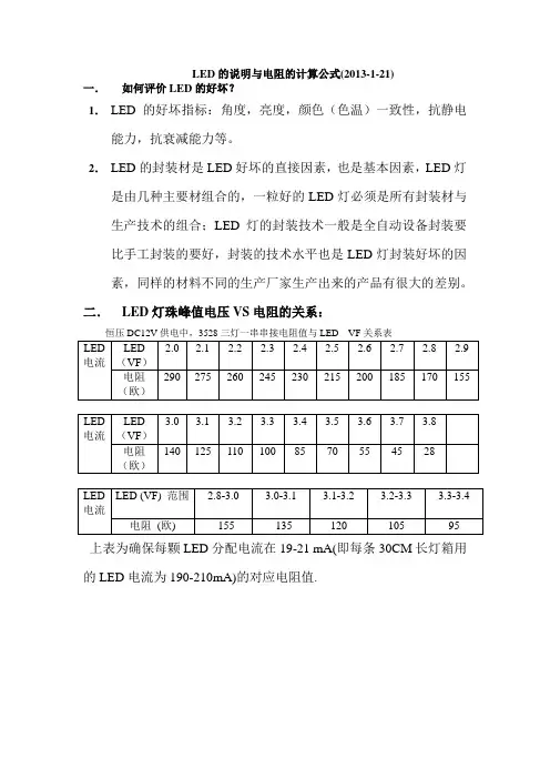
二.LED灯珠峰值电压VS电阻的关系:
恒压DC12V供电中,3528三灯一串串接电阻值与LED VF关系表
上表为确保每颗LED分配电流在19-21 mA(即每条30CM长灯箱用的LED电流为190-210mA)的对应电阻值.。
电子灯箱电阻的计算公式和电阻的选择!不服气请跟帖拍砖!(坛主强烈推荐新手必看)逛论坛也有很久了,看了大家的帖子受益匪浅,很有感触!下面谈谈我个人的一些看法(已经提前带好安全帽!让砖头来的更猛烈些吧!)电阻,对于大家来说是一种非常常见的电子用品,它起着降压限流的作用,对于电子灯箱这一简单的电路来说电阻更是有至关重要的位置一般来讲,电阻在电子灯箱中是一种限流装置。
发光二极管有个非常重要的特性,就是他的流性控制,电流在很大范围波动【1ma-50ma】的时候电压只有【2.8-3.2】很小的波动,而我们采取措施把电流限制在15-20毫安的时候,电压波动将在0.1伏之内,也就是说不管总电压怎么波动,加在led两端的端电压是不变的。
同时也说明端电压的轻微变动【0.1伏】电流就有可能变动10毫安左右!一,公式电阻是起到给电子灯箱的LED灯珠限流的作用,如果不加的话,电流会超过20MA,会烧坏灯。
一般可以用测试仪测算一组灯的电阻,也可以用公式:(输入总电压- 灯珠总电压)÷0.015=电阻实例:我们用红色灯珠60颗为一组作为例子讲解:(红黄一般是2v 白绿蓝一般是3V)那么就是(220-120)÷0.015=6666这个0.015A就是电流,一般LED灯箱的灯珠控制在0.015A--0.020A之间,一般我们取0.015 ,因为还要考虑电压波动的因数。
那么电阻可以串到7K;可以用3个2k2w+1个1k2w 的碳膜电阻串联。
也可以用 3k5w+3k5w+1k5w的水泥电阻串联。
串法可以变化,只是举个例子。
这个是新手最容易,也不容易搞明白的问题!(220-灯的电压*灯的个数)/0.015========所用电阻的阻值我没用的电阻有1k,,,,2k 和5k的,在大就不行了,因为发热太厉害,灯的电压,,,红和黄取2.0伏白蓝绿取3.0伏下面哦说一下公式的由来led是一种电流型器件,,,他的特性就是他两端的电压是不变的,最起码说是变化很小的,,,他两边的电压是3伏,他的电流是正常20毫安,,你两边的电压是3.2,那木他的电流就会是80毫安,他的电压是3.4的话,,,led就烧了,嘿嘿,什么意思呢,就是说led两端的电压是变动很小的,从一个侧面来说他两端的电压一个很小变化他的电流就会是一个很大的变化。
LED电子灯箱电阻查询表
所加电阻数与LED灯个数之间的关系如图红色和黄色超亮LED数串电阻值蓝色超高亮 LED数串电阻值绿色和白色超高亮 LED数串电阻值其他颜色的超高亮发光二极管的个数和串入的电阻值可以自己试验可得主要的是电流必15—20mA。
25--35 10K 27—31 11K 30—35 6K 36—45 9K 32—36 10 36—40 5K 46—55 8K 37—40 9K 41—45 5K 56—65 7K 41—44 8K 46—50 4K 66—75 6K 45—48 8K 51—55 4K 76--85 5K 49—53 7K 56—60 3K 86—95 4K 54—58 7K 61—65 3K 96—105 3K 59—63 6K 66—70 2K 106—115 2K 64—68 6K 71—75 2K 69—73 5K 74以上 2 不建议采用电压波动时影响稳定以上参数仅供参考建议红色分为96—105、蓝色分为59—63、绿色分为66—70 其中的电阻都可以用1K/2W的电阻如5K是用5个1K/2W的电阻5个串联电阻不分正负极1.5K时可以用2个1K/2W 的电阻并联后再和一个1K/2W的电阻串联所以在制作时只需要买1 K/2W的电阻即可。
电阻可以串在该组的任何两个LED之间。
131增强(131)
2路主回路可共同闪动5秒,常亮5秒,也可分别闪动5秒,长亮5秒。
也可交替闪动。
3路循环输出用于形成动态跑动效果(有反向跑动效果)。
1路直亮输出。
注:输出用2W1K电阻降压,每路串联后的电流应控制在15-20mA.两根黄线那端是输入端,三根绿线端是跑马灯负级顺序可以拆开上盖看里面的接线顺序,两根黄线(131是一根)是主闪输出负级,白线是长亮输出负级,红是公共正极.
FH-411
4路主回路输出,特有的4路滚动叠加输出功能,交替闪动输出。
一路闪动输出,用于动态边框等控制,1路直亮输出。
注:输出用2W1K电阻降压,每路串联后的电流应控制在15-20mA.输出端勿短路.输出电压为直流220V。
(共计灯珠数量不要超过1100只)需要大功率需定做.两根黄线那端是输入端.主回路输出依次是黑1.橙2蓝3粉红4.绿色是主闪输出.红是公共正极,.白是长亮
FH-501 5012
5路主回路输出,独有的5路闪动叠加滚动功能,从第一回路开始每个回路闪动5次保持,依次叠加直到5路全部滚动亮起,全部闪动5次,停留5秒,5回路每回路依次闪动5次,停留5秒,1路直亮输出。
注:输出用2W1K电阻降压,每路串联后的电流应控制在15-20mA.输出端勿短路.输出电压为直流220V。
(共计灯珠数量不要超过1100只)需要大功率需定做。
两根黄线那端是输入端.输出顺序依次是.黑.橙.蓝.粉红.绿.白的是长亮.红的是公共正级
FH-831 8312
功能:1,独有的八路闪动叠加滚动功能,从第一回路开始每个回路闪动5次保持,依次叠加直到8路全部滚动亮起,全部闪动5次,停留5秒,8回路每回路依次闪动5次,停留5秒,从第8回路向第1回路依次熄灭.如此反复循环.此功能可用于动态流水字及图形效果.2,三路循环可形成辅助动态效果.3,直亮输出,长亮不闪.注:输出用2W1K电阻降压,每路串联后的电流应控制在15-20mA.输出端勿短路.输出电压为直流220V。
(共计灯珠数量不要超过1400只).两根黄是输入端.下面8根绿是主路输出负级.侧面是三根绿是跑马灯.黄一根是主闪,831也可能不带.白是长亮.红是公共正极
电阻配比简单计算说明
红电阻单位k 蓝电阻单位k 绿电阻单位k
25-35 9 27-31 5.5 30-35 5.5
36-45 8 32-36 5 36-40 5
46-55 7 37-41 4.5 41-45 4.5
56-65 6 42-46 4 46-50 4
66-75 5 47-51 3.5 51-55 3.5
76-85 4 51-55 3 56-60 3
86-95 3 56-59 2.5 61-65 2.5
96-105 2 60-64 2 66-70 2
106-115 1 65-68 1.5 71-75 1.5
在多就要分组并联起来69-73 1 76-80 1
在多就要分组并联起来
黄和红一样,白和蓝一样
电阻计算公式
{220-灯的电压*灯的个数}/15====电阻的个数
灯的电压:红黄是1.8
蓝绿白都是3.0。