LED电子灯箱控制器说明书
- 格式:doc
- 大小:40.50 KB
- 文档页数:1
LED 灯-遥控器操作功能说明LCD 显示屏 一、遥控按键功能定义::二、功能操作:1) 待机状态:遥控装入2节AAA DC3.6V 电池,本遥控进入待机状态,LCD 显示“锁图标闪烁”2) 系统设置状态:在待机状态下,按”开/关”键可进入系统设置状态,LCD 显示“Set ”字母,再次按此键系统将进入待机状态;以此循环切换待机状态与系统设置状态。
3) 自动运行初始日历时钟设置:当遥控在系统设置状态下,按”时钟设置”键进入系统初始运行日历时钟设置功能,LCD 显示“时钟图标1闪烁”,此时再按”定时参数”键,遥控将进入小时设置,此时按遥控”+/-“键调整小时时间,再次按”定时参数”键,遥控将进入分钟设置,此时按遥控”+/-“键调整分钟点时间,再继续按”定时参数”模式键,遥控将进入星期设置,前面小时、分钟、星期都设置好后,此刻如果按”清除”键时,系统将清除当前设置的小时、分钟、星期等数据,所有数据都设置好后,再一次按”时钟设置”键时系统发送初始运行日历时钟数据,系统并退出系统运行初始日历时钟设置进入系统设置状态。
4)系统定时感应亮灯设置:当遥控在系统设置状态下,按”定时设置”键进入系统第1组定时感应开,LCD显示(“1”、“AM”、“时钟图标2闪烁”),此时再按”定时参数”键,遥控将进入小时设置,此时按遥控”+/-“键调整小时时间,再次按”定时参数”键,遥控将进入分钟设置,此时按遥控”+/-“键调整分钟点时间,再继续按”定时参数”键,遥控将进入星期设置,前面小时、分钟、星期都设置好后,此刻如果按”清除”键时,系统将清除当前设置的小时、分钟、星期等数据,所有数据都设置好后,如果按”确认”键,系统将发送定时数据并自动进入第1组定时感应亮灯关设定,LCD显示(“1”、“PM”、“时钟图标2闪烁”),再次按前术操作方式设置,本系统最多可设7组允许定时感应亮灯时间。
当7组允许定时感应亮灯时间设置完成后,此时按”定时设置”键或按”确认”键,系统将退出允许定时感应亮灯设置功能,并自动进入系统设置状态。
LED显示控制器的说明书一、概述本文档为LED显示控制器的说明书。
该控制器适用于LED显示屏和LED标志牌等设备,可实现显示内容的控制和管理。
本文档包含了控制器的功能和使用方法等详细信息。
二、功能1.显示图形和文字:该控制器能够显示各种图形和文字。
2.多种显示模式:该控制器支持多种显示模式,如纯色、动态、渐变等,满足不同场景需求。
3.远程控制:该控制器支持远程控制,可以通过PC端软件或者手机APP来控制显示内容。
4.节能环保:该控制器采用高效能电路设计,功耗低,节能环保。
三、使用方法1.硬件接线:将控制器的输出端口通过网线等连接到LED显示屏,并将控制器的电源接入电源插座。
2.软件设置:在PC端软件或者手机APP中进行相应的设置,包括显示内容、显示模式等。
3.远程控制:通过PC端软件或者手机APP来实现对显示内容的远程控制。
四、注意事项1.请按照说明书中的操作步骤进行操作。
2.请勿将控制器暴露在潮湿或者高温的环境中。
3.请勿私自拆卸或者修改控制器。
4.操作时请注意电源插头的安全接触,避免出现电气安全隐患。
五、技术参数1.输入电压:AC 100-240V2.输出电压:DC 5V3.最大功率:10W4.控制距离:50米5.通信方式:以太网六、售后服务本产品提供两年质保期,如有质量问题请联系售后服务部门。
七、总结以上为本产品的说明书,希望能够帮助您快速熟悉和使用该控制器。
本产品功能强大,使用方便,是您进行LED显示设备控制和管理的理想选择。
如果您在使用过程中遇到任何问题,请随时联系我们的售后服务部门进行咨询和解决。
LED控制器的说明书一、产品介绍LED控制器是一种用于控制和调节LED灯光亮度、颜色和效果的设备。
本产品采用先进的技术和高质量材料制造,具有稳定性强、易安装、兼容性好等优点,适用于各种室内和室外LED照明应用。
二、产品特点1. 技术指标1.1 输入电压:AC 100-240V1.2 输出电压:DC 12V/24V1.3 最大功率:100W1.4 工作温度:-20℃~60℃1.5 尺寸:100mm×50mm×30mm2. 功能特点2.1 亮度调节:支持多级亮度调节,可根据需要调节光线亮度,提供更好的照明效果。
2.2 色温调节:可调节灯光的色温,实现冷暖色光的切换,满足不同环境下的照明需求。
2.3 颜色控制:支持RGB色彩混合,可通过控制器调节灯光的红、绿、蓝三原色,创造出丰富多彩的灯光效果。
2.4 音乐控制:内置音乐控制模式,可根据音乐节奏和声音变化实现灯光的同步变化,增添氛围和趣味性。
2.5 定时功能:支持定时开关灯,可根据需要设置开启和关闭时间,方便节能和管理。
三、安装和操作1. 安装1.1 将LED控制器连接到LED灯带或LED灯泡的电源线上,确保正负极连接正确。
1.2 将LED控制器插头插入对应的电源插座,确保供电正常。
1.3 安装完成后,检查各部件连接是否牢固,避免不必要的故障和安全隐患。
2. 操作2.1 亮度调节:通过旋转控制器上的亮度调节钮,顺时针旋转增加亮度,逆时针旋转减小亮度。
2.2 色温调节:通过旋转控制器上的色温调节钮,选择所需的色温,范围从冷色光到暖色光。
2.3 颜色控制:通过旋转控制器上的颜色控制钮,选择所需的颜色或RGB混合的效果。
2.4 音乐控制:将控制器连接到音源设备上,打开音乐后,控制器会根据音乐的声音变化来实现灯光的同步效果。
2.5 定时功能:按照说明书设置定时开启和关闭时间,控制器将自动按照设定时间进行开关操作。
四、注意事项1. 请严格按照产品说明书正确安装和使用LED控制器,避免不必要的问题和安全风险。
Leviton Manufacturing Co., Inc. Lighting & Controls10385 Avery Street, Tualatin, OR 97062 tel 800-736-6682 tech line (6:00AM-4:00PM PT Mon-Fri) 800-959-6004 ©2022 Leviton Manufacturing Co., Inc. All rights reserved. Subject to change without notice.DescriptionThe Integrated Room Control (IRC) Lighting Controller is a Decora ® devices for controlling non-dimmable and dimmable luminaries connected to the IRC Controller. The IRC Lighting Controller provides a unique control station with multi-function capabilities available in a 4-button configuration. The device come in white with a matching wallplate and color change kit available.OperationThe IRC Lighting Controller works in conjunction with the features of the IRC which offers daylight harvesting, occupancy sensing, time clock inputs and manual-ON and partial-ON capabilities.• RL VSW-4LW provides 4-button ON/OFF and Dim/Brightcontrol as well as a Full Bright optionIntegrated Room Control (IRC) Lighting ControllerFeatures• Function description:• ON—all lights to daylight harvesting level• Bright—raise light levels with press hold or multiple press, temporary override of daylight harvesting level• Dim—lower light levels with press hold or multiple press, temporary override of daylight harvesting level• OFF—turn off lights• Designer Decora styling complements any interior for sleek aesthetics• Entry station utilizes industry standard buttons for room lighting control• Can be used with stand-alone IRC System• Enables Ladderless Commissioning™ of IRC Systems. Modify the daylight harvesting target level with the4-button controller.1,2 & 4 Button Controllers A 1.65” (42.06mm)B4.60” (117.07mm)C 2.75” (69.85mm)D 0.37” (9.55mm)E 1.16” (29.51mm)F2.68” (68.25mm)DimensionsG-9310E/E22-aa REV JAN 2022Leviton Manufacturing Co., Inc. Lighting & Controls10385 Avery Street, Tualatin, OR 97062 tel 800-736-6682 tech line (6:00AM-4:00PM PT Mon-Fri) 800-959-6004Leviton Manufacturing Co., Inc. Global Headquarters201 North Service Road, Melville, NY 11747-3138 tel 800-323-8920 tech line (8:30AM-7:00PM ET Mon-Fri) 800-824-3005Visit our Website at: /irc©2022 Leviton Manufacturing Co., Inc. All rights reserved. Subject to change without notice.Wiring DiagramONOFF+24VDCPilotCommon*Replace x to indicate color: White (W), Ivory (I), Light Almond (T), Gray (G), Black (E) and Red (R).。
AEM -3600RC V3.0 多功能LED控制器使用说明书第1 页共8 页AEM -3600RC多功能LED控制器V3.00版使用说明书使用本控制器前,敬请通读本手册,使用说明,感谢您选择我公司的AEM-3600RC控制器。
在安装使用本产品之前,敬请仔细阅读本手册,确保完全理解本说明书以避免造成不必要的损坏和额外的费用。
在拆开包装使用前,请查实产品有没有存在运输过程所造成的损坏,如果出现损坏,请立即通知你的供应商并不要使用产品。
,售后服务,从购买产品时间起,1年时间内按操作说明正常使用出现质量问题,本公司免费提供维修或更换服务。
由于不遵循此说明书说明和下列条款而致使产品损害的,供应商不负责由此引起的任何问题和缺陷,即使在质保期内,由客户承担维修费用。
本公司最大责任为更换同型号相同数量的产品。
1.误操作造成的损坏,如没按照操作说明的误操作。
2.私自撤除、维修、修改电路、不正确连接以及私自撤换芯片造成的损坏。
3.购买后由于运输、震荡、摔地、进水、不正常电压造成的损坏。
4.地震、火灾、洪灾、雷击自然灾害、环境污染造成的损坏。
5.储存在高温潮湿环境,离有害化学物质附近等不恰当维护造成的损坏。
6.产品已更新换代。
,安全指示,为了保证产品的完好状态和使用安全,请遵守此说明书上的指示和提醒。
本说明书只适用于我司本型号产品,如有改动恕不另行通知。
产品简介AEM- 3600RC多功能LED控制器是一款通用型高性能的整体变色功率型控制器,采用目前最先进的PWM(脉宽调制)控制技术;可控制所有四线三回路(共阳极)LED全彩灯饰产品。
AEM- 3600RC控制器选用RF遥控器控制,不受方向和障碍物限制,在有效距离内都能对控制器发送控制命令。
对RGB的小功率和大功率LED灯具都可以控制,控制小功率LED灯具是按功率计算控制数量,控制大功率LED灯具是提供PWM 信号,一台控制器可以控制无限个大功率LED灯具。
一、性能参数型号AEM- 3600RC电源输入:DC12V-DC24V速度选择:8级输出负载电流:6A/路×3路整体亮度调节:8级输出总功率:1~90W(5V)工作温度:-35℃-55℃1~220W(12V) 1~450W(24V)外形尺寸:L211×W40×H30(mm)变化模式选择:17种包装尺寸:L215×W43×H33(mm)灰度级:最高RGB各256级毛重:210克遥控距离:有障碍物50米,正常100米二、功能特点1、可按键控制和RF无线遥控控制,可靠遥控距离为50米。
JK-PWD12024-4光源控制器技术使用说明书该产品是本公司为驱动机器视觉LED光源而设计的可编程数字控制器。
其具有通过RS232接口远程对LED光源实现256级亮度设置,开关光源的功能,硬件外触发光源开关,手调亮度,数字显示等功能。
尤其适用于复杂高端的机器视觉设备使用。
该控制器设计方案成熟,工艺合理,选用材料质量稳定,保证了产品可靠性程度较高,环境适应性强。
同时该控制器具有体积小、结构简洁的优点。
一、电气参数表输入特性电压范围88~264VAC 频率范围47~63HZ~输出特性输出类型PWM型输出通道数4输出可调范围0~100%最大限制输出直流电压24V输出总功率≤120W单路输出最大功率≤120W亮度调节方式按键调节/上位机远程调节亮度调节级数256级触发特性触发模式正/负触发电平5~24V保护特性过电压保护;过电流保护;过温度保护环境适应性工作温度0~40℃储存温度-10~50℃其他产品尺寸206×150.5×65(单位:mm)表面处理喷塑二、产品界面说明1、界面说明图1前面板各部件功能示意图各部件说明如下:1——电源工作指示灯2——触发极性调整开关3——亮度显示窗口4——通道切换按键5——亮度减小按键6——亮度增加按键图2后面板各部件功能示意图各部件说明如下:1——1通道输出接口2——2通道输出接口3——3通道输出接口4——4通道输出接口5——触发信号输入接口6——RS232通信接口7——交流电源输入接口2、接线说明该控制配置2种输出接口,一种为SMP-03V型接口,建议连接3A以下光源;另一种为航空插头,可以连接更大电流的光源。
电源输出接口接线说明:图3SMP型电源输出接口示意图接插件型号规格:SMP-03V1、接光源正极2、NC3、接光源负极图4SMP型电源输出接口示意图接插件型号规格:AQ16J4Z1、接光源正极2、NC3、接光源负极4、NCRS232连接:RS232线使用直通线(一端是“针型”,另一端是“孔型”,即2-2,3-3,5-5)连接方法,将PC机的串口和控制器RS232插头用延长线连接好。
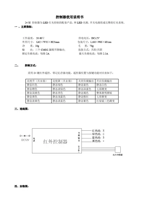
控制器使用说明书
24键控制器为LED灯光控制的配套产品,和LED光源,开关电源组成完整的灯光系统。
一、主要指标:
工作温度:-20-60℃供电电压:DC12V
外形尺寸:L62×W35×H23mm 包装尺寸:L160×W95×H51mm
净重:50g 毛重:70g
输出:三个CMOS漏极开路输出; 连接方式:共阳/共阴
额定负载电流:每路2A 最大负载电流:每路2.5A
二、控制方式:
采用24键红外遥控,带记忆存储功能,遥控器位置与按键功能对应表如下:
亮度升(共8级)亮度降(共8级)关闭负载输出开启负载输出
静态红色静态绿色静态蓝色静态白色
静态橙色静态淡绿色静态深蓝色七彩跳变
静态深黄色静态青色静态褐色整体渐明渐暗
静态黄色静态浅蓝色静态粉红七彩渐变
静态淡黄色静态淡蓝色静态紫色红绿蓝三色跳变
三、连线图:
四、实物图:
五、注意事项:
1、本产品供电电压为DC12V,不得接到其他电压上。
2、不得相互短接,引起短路。
3、引出线应按照接线图提供的颜色,正确接线。
4、本产品的质保期为壹年,质保期内包换包修,但不包括人为损坏或超负荷工作的情形。
机器视觉数字式LED光源控制器使用说明书安全事项1.在第一次安装和使用本产品之前,请您务必先仔细阅读本使用说明书。
2.使用本产品之前,请确认输出规格(电压、电流、端子定义)与所用LED 光源的规格是否匹配。
3.请确保输入交流电源的地线可靠接地,以避免可能导致的财产损失或人身伤害。
4.连接光源线缆时务必断开输入电源。
通电前请仔细检查输入输出线缆是否连接正确,确保本产品可靠工作。
5.请勿在易燃易爆的环境下操作,请保持产品表面的清洁和干燥。
6.如果发现以下任何一种情况,或者对产品的安全有所顾虑,应停止使用本产品并断开它与电源及其他线缆的连接,以减低造成人身伤害和财产损失的风险。
并请及时向供应商获取技术支持和售后服务。
6.1电源线、电源插座、端子、开关、按键等损坏;6.2有过热、烟雾、火花或者起火现象;6.3产品发出爆裂声或者有异味;6.4产品内部进水;6.5产品由高处跌落或者外壳有损伤;6.6按照使用说明书操作时产品不能正常工作。
7.除非得到本公司的许可和技术支持,否则请勿尝试自行维修产品。
产品简介本产品是为驱动机器视觉LED光源而设计的可编程远程数字控制器。
其具有以下几种功能:256级亮度调节功能,计算机通信控制功能(RS232接口),触发功能(软件触发和硬件触发),自动保存亮度设置等级,前面板带有数字显示,可手动调节亮度并设有防止误操作的解锁键。
通过RS232接口将光源控制器与计算机相连,即可通过软件远程对LED光源实现256级亮度调节功能,控制LED 光源的亮灭,也可通过外部触发信号(高、低电平信号)以硬件方式远程控制LED光源的亮灭,这种触发工作方式可极大地延长LED光源的使用寿命,尤其适用于复杂高端的机器视觉设备使用。
1.技术参数1.1 机械参数1.1.1外壳材料:钢板、前面板贴彩色复合材料1.1.2外壳颜色:黑色1.1.3外形尺寸:168*131*90(L*W*H)1.1.4重 量:1.2 电气参数1.2.1通 道 数:41.2.2输入电压:100-240VAC ~50/60Hz1.2.3输出电压:DC24V1.2.4输出电流:四个通道同时满载输出:第一、二通道最大电流1000mA,第三、四通道最大电流500mA。
ledlightingcontroller控制器说明书LED灯光控制器使用说明书一、背景介绍在现代社会中,LED灯光的应用越来越广泛。
为了更好地控制和调节LED灯光的亮度、颜色和效果,LED灯光控制器应运而生。
本篇文章将详细介绍LED灯光控制器的使用方法和注意事项,以帮助用户更好地了解和操作该控制器。
二、控制器概述1. 外观设计:本款LED灯光控制器采用简约而时尚的外观设计,采用高级金属材质制作,手感舒适,增加了产品的质感。
2. 功能特点:本款控制器具备多种功能,包括亮度调节、颜色调节、节能模式等,满足用户对不同场景的需求。
三、控制器使用方法1. 连接:将LED灯光控制器与电源和LED灯进行正确的连接,确保电源正常连接,以及灯珠与控制器连接正确。
2. 打开电源:通电后,控制器的指示灯将亮起。
3. 功能选择:一般来说,使用控制器的按钮或旋钮来选择不同的功能。
具体的操作方法需要参照产品说明书进行操作。
四、亮度调节1. 找到亮度调节功能按钮或旋钮,在控制器上找到相应标记。
2. 轻轻旋转或按压亮度调节按钮,LED灯光的亮度将相应发生变化。
3. 根据需要逐渐调节至合适的亮度。
五、颜色调节1. 根据控制器的说明书,找到颜色选择功能按钮或旋钮。
2. 通过旋转或按压颜色调节按钮,改变LED灯的颜色。
此款控制器支持多种颜色模式选择,具体变换效果请参考说明书。
六、节能模式1. 本控制器设计了节能模式,用以提高对LED灯使用寿命的保护和节约能源。
2. 在控制器功能选项中寻找节能模式,并将其打开。
3. 节能模式的具体功能可参考产品说明书。
七、注意事项1. 在使用控制器前,务必仔细阅读产品说明书,了解使用方法和注意事项。
2. 在操作过程中,注意电源的正负极连接,防止反接现象。
3. 避免将控制器和LED灯暴露在过度潮湿或高温的环境下,以免损坏设备。
4. 定期清洁控制器表面,避免灰尘和污垢积累,影响使用效果。
5. 当长时间不使用控制器时,建议将电源切断,以免造成电源浪费和电器故障。
UNITED EAST ELECTRONIC INDUSTRIAL LIMITED东莞市优易电子设计开发有限公司 JC-3RF DMX LED灯光控制器说明书版本号:1.0标准配件:ColorEdit_DMX软件DC12V电源适配器USB线网线RJ45对JC-3RF连接线选购配件:RJ45转RS485转接器声控器脚分别是水晶头的正面所标使用方法:1. 通过按键改变播放的演示程序1)通过COLOR EDIT软件制作自己需要的演示程序文件(后缀名为DMX格式),并保存在电脑中。
2)通过USB线连接电脑(USB线可以自供电,不需要连接电源),可以在电脑上找到可移动磁盘,此时可以把如上述制作好的后缀名为DMX的文件,粘贴到可移动磁盘中。
注:出厂时已经存入10个文件(文件号为0~9,少于150个像素)演示程序用户可根据需要通过COLOR EDIT 软件制作需要的演示程序文件。
用户制作的演示程序文件,保存时的文件名最后两位必须为数字(如ABC01.DMX),数码管显示对应于文件名的最后两位数字,用户可以很方便的通过按键和数码管找到自己想要播放的演示程序文件。
3)连接DC12V电源,并用一根网线连接控制器的网口2和LED设备,当网口2的绿灯开始闪烁,表示在播放存储的演示程序文件。
在播放演示程序的时候,用户可通过数码管旁边的两个按键选择(+ -)所需要播放的演示程序文件,数码管显示AL时,将循环播放控制器内的所有文件,显示为00时,则停止DMX信号输出。
2. 通过控制口(使用串口通讯协议)改变播放的演示程序1) 串口通讯速率为57600 bps,(串口控制版本,需附件RS232转RS485适配器),最长传输距离500米。
命令格式固定头文件选择命令地址控制文件文件号F0 F0 0F 0F FE 01 2字节00 00 2字节注:a:地址由两个字节组成,其中第一位代表地址的十位(0-9),第二位代表地址的个位(0-9)。
《数字滚动灯箱》(单控)控制器调试说明书控制器功能菜单1 画面初时设置 4 设置时钟7 同步设置2 画面微调 5 开..关.机时间8 其他设置3 停留时间设置 6 装画卸画功能9本糸统的使用与调试方法共分五步即可完成..一系统与画面安装..糸统装好后开始粘贴画面..先接通电源,然后按菜单键,显示装画卸画功能先把画面上端粘贴好后按▲键.让画面往上卷..然后把画面下端粘好,…画面粘好后长按▼键..再按复位键显示系统程序.. 按▼键选定所须系统后按确认键.再按退出键显示徽标.画面会自动向下运行到最上面一幅时暂停..此时可按菜单键进人菜单功能,,开始进行各项子功能设置二. 画面初始设置:输入当前画面的幅数,按确定键后系统开始重启,自动检测画面的原点与终点,并按照画面幅数自动分配画面的停留位置(详细调试方法见下表)三.画面微调:,实际画面若与视窗发生错位时,可通过画面微调功能对画面进行微调.使画面停留到所须位置;(详细调试方法见下表)四.停留时间设置:画面初始设置与微调成功后,再进行画面停留时间设置,该项分为全部画面统一停留时间与单幅画面之间不同的停留时间二项,可按需要设置;(详细调试方法见下表) 五. 开关机时间:系统可设置二个开.关机时间段.可根据需要进行设置(详细调试方法见下表)附;1. 设置时钟:设置当前北京时间;(出厂前已设置好,时钟不准时需重新设置一下);2. 同步设置:糸统增装无线同步器后可实现多机同步运(祥细调试方法见下表)3. 装画卸画:当需要更换画面时可使用此项功能进行手动装画与卸画4. 其他设置。
(详细调试方法见下表)具体操作方法如下;第一步安装画面与装画卸画功能的使用1 所有线路装好后开始安装画面..沿着上卷轴U槽的一侧粘上双面胶粘2-3条为宜,,然后把画面的上端粘贴上去,,2 菜单键显示功能菜单.再按▼至装画卸画功能;;再按设置∕确认键此时功能提示在闪烁3 按▼▲键使画面上卷或下卷4; 画面向上快卷完时松手让画面停下来..用上轴同样的方法把画面下端粘贴到下卷轴上…第二步输入画面的幅数(以安装5幅画面为例)1. 按菜单键显示功能菜单.再按▼至设置画面幅数功能;;再按设置∕确认键此时功能提示在闪烁2. 按数字键输入05后再按设置∕确认….画面幅数设定完成.第三步. 画面视窗位置调整(画面幅数较多,个别画面上.下停留位置有误差时,可用此功能进行画面微调)1假设装有5幅画面,,其中个别画面上下端与实际视窗有误差,可按菜单键,从中找到画面误差微调项,按确定键,画面自动恢复到第一副画面,按▼▲键调整,完毕之后按确定键,画面自动走到二副,再按▼▲键,方法同第一副调法,,依次类推至最后一副.微调完毕即可.第四步设置画面统一停留时间(每幅画面亦可设置不同的停留时间可在此功能项中选择调试)1. 按菜单键显示功能菜单.再按▼至画面停留时间功能;;再按设置∕确认键.显示全部时间00;05. 按数字键输入00.05再按…设置∕确认键..画面停留时间设定完成(00.05代表每幅画面停留5秒钟)第五步. 设置开.关机时间(可设定两组开关机时段..出厂前已设置为7点开机.23点关机. )1.按▼至设置开关机时间再按设置∕确认键.显示开关机时间1再按设置∕确认键.显示开时间1 07: 00. 关时间1 23;002.按▼▲键输入和修改想要的开.关机时间.后按设置∕确认键附二。
第三代L E D电子灯箱控制
器使用说明
参数说明:在工作电压为:220V时,每一路可接150粒红色的LED,接
98粒蓝色的LED灯珠,77粒白色的LED灯珠,98粒绿色灯珠。
1,当红色小于80粒时,需要接一个10K的电阻(产品包里已经配有10K电阻)接上去就行了。
绿色小于50粒时,需要接一个10K的电阻(产品包里已经配有10K电阻),蓝色小于80粒需要接一个10K的电阻(产品包里已经配有10K的电阻),白色小于50粒时需要接一个10K的电阻(产品包里已经配有10K电阻)。
点击这里了解LED灯珠多了解决方法
1 ,整体接线图
(图2)
2 调试方法:
检查变化选择线A和变化选择线B是不是按图1那样插,如不是按图1那样插好。
这时用螺丝刀扭一下控制器上的可调电阻,让LED变
亮(此时的变化为LED亮一下,灭一下,调试后要耐心等待一下,直到LED变亮,最好在调试的路数上加一个电流表,让其电流为5MA左右。
可调电阻如图3
(图3)
LED灯珠与电流表(一般用万用表的电流档就行了)接法如下:
3 变化的调试方法:
① 当[变化选择线A]和[变化选择线B]按下图接的话就会出现打字机效果。
如图:(点击观看实拍效果视频)
(这样
接线)
(效果)。
LED电子灯箱控制器所串电阻说明红黄光管个数串联电阻K 蓝绿白亮管个数串联电阻K 1--5 12K+2K 2--6 K+2K6--15 11K+2K 7--11 K+2K16--25 10K+2K 12--16 K+2K26--35 9K+2K 17--21 K+2K36--45 8K+2K 22--26 K+2K46--55 7K+2K 27--31 5.5K+2K56--65 6K+2K 32--36 5K+2K66--75 5K+2K 37--40 4.5K+2K76--85 4K+2K 41--44 4K+2K86--95 3K+2K 45--48 3.5K+2K96--105 2K+2K 49--53 3K+2K106--115 1K 54--58 2.5K+2K 120 * 59--63 2K+2K建议:1.红黄光管组上限为96—105个2.蓝绿白亮管组上限为59--63个3.电流要控制在15—20毫安4.串联用的电阻用2W\1K 5W\3K5.电阻计算:R(限流电阻值)=(220v--单个二极管的平均电压*该组二极管的数量)÷18mA一般我们使用的发光二极管电压为1.5v-3.8v(注意购买时搞清楚)。
最关键的因素是要使每组的工作电流调整在15-20mA之间,为安全起见,在不影响亮度的情况下,一般取最小值就可以,(绿、蓝、白发光二极管目前质量还不是很稳定,最容易坏掉,最好控制在12mA以内,)过低会影响灯箱的亮度,过高容易造成缩短发光二极管的寿命或直接烧毁。
测量电流的方法是将电流表串入电路进行测量,电流过大要加电阻,反之减少电阻。
每组发光二极管的数量应根据实际情况而定。
6.将适当数量的电阻串入各组串联灯珠中,电阻无正负极,电阻一端接串联灯珠的“负”极,电阻另一端接控制器的负极。
7. 红色光灯珠工作电压 1.8V—2.0V黄色光灯珠工作电压 1.8V—2.0V绿色光灯珠工作电压 3.0V—3.4V蓝色光灯珠工作电压 3.0V—3.6V 工作电流 0.018A—0.03A白色光灯珠工作电压 3.0V—3.4V黄绿色光灯珠工作电压 1.8V—2.0V蓝绿色光灯珠工作电压 3.0V—3.4V8. 打孔用4.8到4.9的钻头限流电阻值的计算公式:R(限流电阻值)=(220v-单个发光二极管的平均电压*该组发光二极管的数量)÷18mA。
Objective:Thank you for choosing our products.We are dedicated to creating professional,quality and cost-effective high-tech products that enable you to enjoy a convenient and high definition digital life.To ensure optimum performance and safety,please read these instructions before operating this product.It’s strongly recommended you keep the manual for future reference.Product Features:1.5V USB Power:Charge it with5V/2A standard charging adapter(such as wall charger,mobile phone charger) to light up the strips lights.2.Different static colors and flashing modes available,you can adjust the brightness and flashing speed,also it has Timer and Music Activated function to meet your different needs.3.Two Ways to Control:Remote Control&APP for IOS&Android mobile phones.The remote control distance is within5M.4.Wide Application:With adhesive tape design,this strip lights can be easily installed and suitable for decorating bedroom jiving room,apartment renovations,hotels,malls,bars,restaurants,parties,weddings,etc.Package Contents:1X5M WS2812Color Changing Led Strips Lights1x Bluetooth App Controller1x Remote Control7x Clips1x User Manual1x Warranty CardProduct Photo:Specification:Color Changing Led Strips Lights30LEDs,5MControl Method 1.APP for Android&IOS,with more functions to choose;2.Remote Control(24keys),remote distance:5MUSB Charging Current DC5V2ARated Load Current 1.5A max currentLamp bead WS2812Timing Function Light up for1,2,3hours after press TIMER buttonBrightness Adjustment Stepless DimmableLighting Mode Flash/strong/fade/smooth lighting modesHow to Install:1.Keep the place where you want to stick the strip lights clean and dry before installation.2.Tear off the back tape from the LED strip lights.3.Put the led strip lights where you want to use it.4.To connect the strip light to the power adapter and controller,just plug the DC plugof the adapter into the controller.5.Finally,connect adapter into any USB port electronic equipment to light up the strip lights.Easy to DIY:You can cut the led strip lights to the length as you like,please cut the LED strip from the marked line.RemoteController:How to Control with APP:1.IOS and Android system mobile phone can download the app by scanning the QR code.Open a browser or other apps with the "SCAN QR Code"function and scan the following QR code to download theapp.2.1).Click the “DuoCol Strip”icon on the desktop to enter the application page.2).After entering the application interface,if Bluetooth is not enabled,then theapplication will enable the Bluetooth function of this device,please click"Allow".3.Click top left icon to display the Bluetoothlist.Turn OffMusic Activation ModeSpeed Increase 9static color options Turn On Auto Timing Off ModeBrightnessDynamic ModeShow status of device connectionLed lightslistUsing Tips:1.Make sure the power supply is turned off before installation.2.Please make sure that the surface is flat,smooth and clean before sticking the light strips on where you use.3.The light strip,USB adapter and controller are non-waterproof,please keep them away from water or rainy day.4.When connect the strip lights to any charger for power supply,please choose the charger which output voltage is5V,otherwise the strip light won’t work properly.。
LED电子灯箱控制器说明书
输入电压:交流220V±10% 输出电压直流:220V
额定输出功率:60W年最大输出功率:100W
制作方法:使用铝塑板、亚克力板或其他的板材,在板上做出需要的字样或者图案,用电钻或者雕刻机打出同LED直径大小一样的孔,然后把LED全部以串联的方式连接,全部连接好后按总个数分组,最好平均分开了,根据LED的数量串入合适的电阻。
电阻可以分开串在该组的任何两个LED之间固定好,由于LED的产品的型号和批次不同,下表中串入电阻的数值供参考,关键的关键是把每组的工作电流调整在18mA,测量电流的方法要将电流表串入电路。
简便的测量方法是只要测量在其中一个电阻(1K/2W)的工作电压是15---18V。