开关电源防雷电路设计1
- 格式:doc
- 大小:58.00 KB
- 文档页数:2
电源口防雷电路的设计需要注意的因素较多,有如下几方面:1、防雷电路的设计应满足规定的防护等级要求,且防雷电路的残压水平应能够保护后级电路免受损坏。
2、在遇到雷电暂态过电压作用时,保护装置应具有足够快的动作响应速度,即能尽早的动作限压和旁路泄流。
3、防雷电路加在馈电线路上,不应影响设备的正常馈电。
例如,采用串联式电源防雷电路时,防雷电路应可通过设备满负荷工作时的电流并有一定的裕量。
4、防护电路在系统的最高工作电压时不应动作。
通常在交流回路中,防护电路的动作电压是交流工作电压有效值的2.2~2.5倍,在直流回路中,防护电路的动作电压是直流额定工作电压的1.8~2倍。
5、防雷电路加在馈电线路上,不应给设备的安全运行带来隐患。
例如,应避免由于电路设计不当而使防雷电路存在着火等安全隐患。
6、在整个馈电通路上存在多级防雷电路时,应注意各级防雷电路间有良好的配合关系,不应出现后级防雷电路遭到雷击损坏而前级防雷电路完好的情况。
7、防雷电路应具有损坏告警、遥信、热容和过流保护功能,并具有可替换性。
下面分别给出交流电源口和直流电源口的防雷电路设计指导。
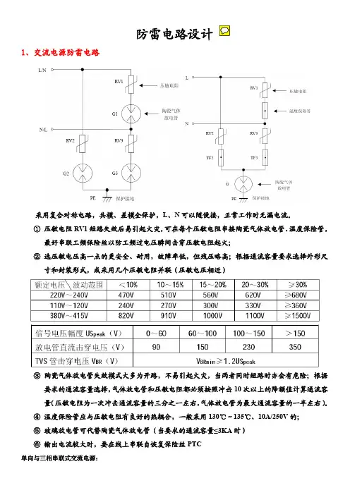
一、交流电源口防雷电路设计1、交流电源口防雷电路交流电源口防雷电路上图是一个两级的交流电源口防护电路:a、G1和G2为气体放电管2、Rvz1~Rvz6为压敏电阻3、F1和F2为空气开关4、F3和F4为保险5、L1和L2是退耦电感。
电路原理简述如下:第1级防雷电路为具有共模和差模保护的电路,差模保护采用的压敏电阻。
共模保护采用压敏电阻和气体放电管串联。
第1级防雷电路的通流能力较高,通常在几十kA(8/20us)。
第1级防雷电路宜选用空气开关做短路过流故障的保护器件。
第2级防雷电路的形式与第1级相同,合理设计第1级电路和第2级电路间的电感值,可以使大部分的雷电流通过第1级防雷电路泄放,第2级电路只泄放少部分雷电流,这样就可以通过第2级电路将防雷器的输出残压进一步降低以达到保护后级设备的目的。
防雷器基本电路图目录一、交流电源防雷器(一)单相并联式防雷器(电路一~电路三) 1~3(二)三相并联式防雷器(电路一~电路三)4~6(三)单相串联式防雷器(通用安全保护电路)7(四)三相串联式防雷器(通用安全保护电路)8二、通信机房用直流电源防雷器(一)并联式防雷器1、正极接地(–48V)直流电源 92、负极接地(+24V)直流电源 103、正负对称(±110V)直流电源 11 (二)串联式防雷器1、正极接地(–48V)直流电源 122、负极接地(+24V)直流电源 133、正负对称(±110V)直流电源 14三、通用二级信号防雷器(一)双绞线型信号电路通用电路一~通用电路五 15~19 (二)同轴线型信号电路(1)外导体接地电路(通用电路一~通用电路三) 20~22 (2)外导体不接地电路(通用电路一~通用电路二) 23~24 (三)提高传输频率/速率的方法25四、小功率电源变压器或开关电源保护电路(电路一~电路三)26~28五、通讯电子设备的保护电路(电路一~电路三)29~31六、直流电源与信号同传的保护电路32七、信号电路的双重二级保护方式33八、检测/控制电路的保护(接地、不接地)34~35九、单级信号防雷器1、只用玻璃放电管的保护电路 362、只用半导体过压保护器的保护电路 373、只用TVS管的保护电路 384、复合单级保护电路 39十、天馈防雷器1、单级电路天馈防雷器 402、二级电路天馈防雷器 413、三级电路天馈防雷器 42 十一、防静电保护器 43(一)单相并联式防雷器电路一:最简单的电路600V。
当要求的通流容量≤3KA时,可以用玻璃放电管代替。
4、压敏电阻和气体放电管都必须按冲击10次以上的降额值计算通流容量(压敏电阻为一次冲击通流容量的三分之一左右,气体放电管为最大通流容量的一半左右)。
(一)单相并联式防雷器电路二:较安全的电路说明:1、优点:采用复合对称电路,共模、差模全保护, L、N可以随便接,正常工作时无漏电流,可延长器件使用寿命,由于陶瓷气体放电管失效模式大多为开路,不易引起火灾。
一种防雷击浪涌的开关电源电路设计防雷击和浪涌是电路设计中必须要考虑的重要因素,它们可以对电气设备和电子元件造成严重的损害。
下面将介绍一种针对防雷击和浪涌的开关电源电路设计。
开关电源是一种将交流电转换为稳定输出直流电的电源。
在设计开关电源时,需要考虑输入端的防雷击和浪涌保护。
防雷击保护主要考虑雷电产生的高压瞬态脉冲对电路带来的损害。
为了降低这种损害,可以采用以下措施:1.使用射频滤波器:在输入端加入适当的射频滤波器可以减少高频噪声和干扰。
这些滤波器可以阻止雷击电流进入电路,保护负载电路免受雷击的影响。
2.使用整流器和大容量电容:在输入端加入整流器和大容量电容可以对电路进行平滑滤波,减少电路中的纹波电流。
这可以保护电路免受雷击电流的影响。
3.使用继电器:在输入端加入一个继电器可以在雷击发生时隔离电路。
当雷击产生时,继电器可以迅速切断电源电路,保护电路免受雷击的影响。
在设计开关电源时,浪涌保护也是一个重要的考虑因素。
浪涌是指短时间内大电流脉冲通过电路。
为了防止浪涌对电路造成的损害,可以采取以下措施:1.使用过电压保护器:过电压保护器可以检测并限制过电压的电流。
当浪涌电流超过设定值时,过电压保护器会迅速切断电路,保护电路免受浪涌的影响。
2.使用过流保护器:过流保护器可以检测并限制过大的电流。
当浪涌电流超过设定值时,过流保护器会迅速切断电路,保护电路免受浪涌的影响。
3.使用TVS二极管:TVS二极管可作为浪涌保护器,可以在系统发生浪涌时迅速反应并引导过电流。
TVS二极管用作浪涌保护器时,在未触发时表现为开路状态,当瞬态电压超过其额定电压时,TVS二极管将变为低阻抗状态,并通过引导大电流来保护电路。
综上所述,防雷击浪涌保护开关电源电路设计需要综合考虑多个因素,包括射频滤波器、整流器和大容量电容、继电器、过电压保护器、过流保护器和TVS二极管等。
这些措施可以有效地保护电路免受雷击和浪涌的影响。
电源防雷设计方案1. 引言随着电子设备的普及和人们对电力质量的要求不断提高,电源系统防雷设计变得至关重要。
雷电活动是一种常见的自然现象,如果不采取必要的防护措施,雷电可能导致电源系统的故障、设备损坏甚至人员伤亡。
因此,本文将介绍电源防雷的基本原理和一些常用的防雷设计方案。
2. 防雷基本原理在开始讨论电源防雷设计方案之前,我们首先需要了解一些基本的防雷原理。
2.1 雷电与电源系统的影响雷电是由云层之间以及云层与地面之间的电荷不平衡所引起的自然现象。
当雷电直接击中地面或附近的物体时,其能量会迅速传递到接地系统。
这种瞬间高能量的传导会对电源系统产生不利的影响,如电压暂降、电流过载、电磁干扰等。
2.2 防雷原理电源系统的防雷设计的基本原理是通过合理的接地和引流设计,将雷电产生的能量引导到地下,从而保护电源系统及其设备免受雷电的损害。
主要的防雷原理如下:•接地保护:通过合理设计和布局地下接地系统,将雷电流通过低阻抗路径引入地下,从而保护电源系统的设备和用户不受雷电伤害。
•引流保护:合理布置可靠的引流设施,如接闪器、避雷针等,在雷电来临时将其带电部分接地,通过引线和引流电阻将雷电能量稳定地导入地下。
3. 电源防雷设计方案根据防雷原理,我们可以采取多种方式来设计电源系统的防雷方案。
以下是几种常用的设计方案:3.1 设备接地设备接地是电源系统防雷设计中的首要步骤。
合理的设备接地可以有效降低雷电冲击电压并将雷电能量引入地下。
以下是设备接地的一些建议:•选择合适的接地点:接地点应远离高压电缆、电源轨道等可能引发雷电的设备。
地下水位较低、土壤湿度适中、导电性好的地方是理想的接地点,如大型金属材料埋入地下。
•接地电阻控制:接地电阻应尽量低,通常要求小于10欧姆,以确保良好的接地效果。
•接地导线选择:接地导线应选用电阻性能好、耐腐蚀的铜排或铜扁线,以减少接地电阻和维护成本。
3.2 引流设计引流设计通过合理布置引流设施,将雷电能量稳定地引入地下。
一、工作原理我们先熟悉一款开关电源的工作原理,该电源可输出5V电压,如图1所示。
1. 抗干扰电路在电网输入端首先设置一个NTC5D-9负温度系数热敏电阻,作用是保护后面的整流桥,刚开机时热敏电阻处于冷态,阻值比较大,可以限制输入电流,正常工作时,电阻比较小。
这样对开机时的浪涌电流起到有效的缓冲作用。
电容CY1、CY2、CY3、CY4用以滤除从工频电网上进入开关稳压电源和从开关稳压电源进入工频电网的不对称杂散信号,电容CX1、CX2用以滤除从工频电网上进入开关稳压电源和从开关稳压电源进入工频电网的对称杂散信号,用电感L1抑制从工频电网上进入开关稳压电源和从开关稳压电源进入工频电网的频率相同、相位相反的杂散干扰电流信号。
采用高频特性好的瓷片电容和铁芯电感,实现开关稳压电源电路中的高频辐射不污染工频电网和工频电网上的杂散电磁波不会窜入开关稳压电源电路中而干扰和影响其工作,对高频分量或工频的谐波分量具有急剧阻止通过功能,而对于几百赫兹以下的低频分量近似一条短路线。
图1 开关电源的工作原理图2. 整流滤波电路在电路中D1、D2、D3、D4组成全桥整流电路,把输入的交流电压进行全波整流,然后用C1进行滤波,最后变成直流输出供电电压,为后级的功率变换器供电,整流滤波后的电压约为300V。
3. UC3842供电与振荡300V的脉动直流电压,此电压经R12降压后给C4充电,供电UC3842的7脚,当C4的电压达到UC3842的启动电压门槛值时,UC3842开始工作并提供驱动脉冲,由6脚输出推动开关管工作。
一旦开关管工作,反馈绕组的能量经过D6整流,C4滤波,又供电到UC3842的7脚,这时可以不需要R12的启动了。
C9、R11接UC3842的定时端,和内部电路构成振荡电路,振荡的工作频率计算为:f=1.8/(Rt*Ct)代入数据可计算工作频率:f=68.18K4. 稳压电路该电路主要由精密稳压源T L 4 3 1 和线性光耦P C 8 1 7 组成,假设输出电压↑→经过R 1 6 、R 1 9 、R20、RES3的取样电压↑→TL431的1脚电压↑,当该脚电压大于TL431的基准电压2.5V时,TL431的2、3脚导通,→通过光电耦合到UC3842的2脚,于是UC3842的6脚驱动脉冲的占空比↓→开关变压器T1绕组上的能量↓→输出电压↓,达到稳压作用;反之,假设输出电压下降,则稳压过程与上相反。
防雷器基本电路图目录一、交流电源防雷器(一)单相并联式防雷器(电路一~电路三) 1~3(二)三相并联式防雷器(电路一~电路三)4~6(三)单相串联式防雷器(通用安全保护电路)7(四)三相串联式防雷器(通用安全保护电路)8二、通信机房用直流电源防雷器(一)并联式防雷器1、正极接地(–48V)直流电源 92、负极接地(+24V)直流电源 103、正负对称(±110V)直流电源 11 (二)串联式防雷器1、正极接地(–48V)直流电源 122、负极接地(+24V)直流电源 133、正负对称(±110V)直流电源 14三、通用二级信号防雷器(一)双绞线型信号电路通用电路一~通用电路五 15~19 (二)同轴线型信号电路(1)外导体接地电路(通用电路一~通用电路三) 20~22 (2)外导体不接地电路(通用电路一~通用电路二) 23~24 (三)提高传输频率/速率的方法25四、小功率电源变压器或开关电源保护电路(电路一~电路三)26~28五、通讯电子设备的保护电路(电路一~电路三)29~31六、直流电源与信号同传的保护电路32七、信号电路的双重二级保护方式33八、检测/控制电路的保护(接地、不接地)34~35九、单级信号防雷器1、只用玻璃放电管的保护电路 362、只用半导体过压保护器的保护电路 373、只用TVS管的保护电路 384、复合单级保护电路 39十、天馈防雷器1、单级电路天馈防雷器 402、二级电路天馈防雷器 413、三级电路天馈防雷器 42 十一、防静电保护器 43(一)单相并联式防雷器电路一:最简单的电路600V。
当要求的通流容量≤3KA时,可以用玻璃放电管代替。
4、压敏电阻和气体放电管都必须按冲击10次以上的降额值计算通流容量(压敏电阻为一次冲击通流容量的三分之一左右,气体放电管为最大通流容量的一半左右)。
(一)单相并联式防雷器电路二:较安全的电路说明:1、优点:采用复合对称电路,共模、差模全保护, L、N可以随便接,正常工作时无漏电流,可延长器件使用寿命,由于陶瓷气体放电管失效模式大多为开路,不易引起火灾。
开关电源安全保护电路原理图解对于开关电源而言, 安全、可靠性历来被视为重要的性能之一. 开关电源在电气技术指标满足电子设备正常使用要求的条件下, 还要满足外界或自身电路或负载电路出现故障的情况下也能安全可靠地工作. 为此, 须有多种保护措施. 对保护电路的特点分析, 对存在不足期待克服, 希望设计出更安全、更可靠的保护电路。
1 浪涌电流电路剖析浪涌电流是由于电压突变所引起. 如电子设备在第一次加电压时, 由于大容量电源电容器充电引起的涌入初始电流开机浪涌电流; 又如直击雷、感应雷沿着电源线进入开关电源的突变电压所产生瞬态电流雷浪涌电流. 浪涌电流上升时间非常快, 持续时间非常短, 破坏作用非常大. 为防止或减轻浪涌电流的破坏, 设置抑制浪涌电流或将浪涌电流转移到地线等方式来保护开关电源避免浪涌电流的损害。
1. 1 启动限流保护开关电源的初级整流电路有大容量滤波电容,开机瞬间整流管向这些大电容充电, 使整流管瞬时电流超过额定值. 为减小开机启动限流( 浪涌电流) ,开关电源通常都设有抗冲击电路. 如图1 电路, 在开机瞬间, 开关电源变压器的3、4 绕组电压为0V, VD5截止, 晶闸管VD6 的G、K 极间电压为0V, VD6 截止.充电电流路径: AC220V→VD1- 4 正极→大电容C1→地→R2→VD1- 4 负极. 由于R2 有阻碍大电流作用( 一般设为3. 3Ω) , 因此能有效限制开机浪涌电流。
开关电源正常工作后, 开关电源变压器的1、2绕组上产生感应电压, 对C2 充电( 充电时间常数约等于R3×C2) , 使VD6 导通, 整流电流不再经R2, 而是经VD6 的A、K 极返回整流桥VD1- 4 的负极. 也就是说, 在正常工作状态, VD6 将R2 短路, 防止R2产生功耗.R2 仅在开机瞬间起作用。
用晶闸管作启动限流保护安全可靠, 但电路比较复杂些, 从电路成本和电路简捷等角度来说用温控电阻作启动限流保护, 它既经济又简单更安全可靠, 如图3。
1、交流电源防雷电路采用复合对称电路,共模、差模全保护,L、N可以随便接,正常工作时无漏电流。
①压敏电阻RV1短路失效后易引起火灾,可在每个压敏电阻串接陶瓷气体放电管、温度保险管,最好串联工频保险丝以防工频过电压瞬间击穿压敏电阻起火;②选压敏电压高一点的更安全、耐用,故障率低,但残压略高;根据通流容量要求选择外形尺寸和封装形式,或采用几个压敏电阻并联(压敏电压相近)③陶瓷气体放电管失效模式大多为开路,不易引起火灾,当两者同时短路时亦会有危险;根据要求的通流容量选择,气体放电管和压敏电阻都必须按照冲击10次以上的降额值计算通流容量(压敏电阻为一次冲击通流容量的三分之一左右,气体放电管为最大通流容量的一半左右)。
④温度保险管应与压敏电阻有良好的热耦合,一般采用130℃~135℃、10A/250V的;⑤玻璃放电管可代替陶瓷气体放电管(当要求的通流容量≤3KA时)⑥输出电流较大时,要在线上串联自恢复保险丝PTC单向与三相串联式交流电源:2、直流电源防雷电路(-48V、24V、110V)3、信号线路防雷电路①、R2金属氧化膜电阻(2W-4.3~5.1Ω),也可以用冷态电阻相当的正温度系数热敏电阻(如:R1自恢复保险丝:LP60-010/030,LB180(U));②陶瓷气体放电管、TVS 管、半导体过压保护器(只适用于电路中没有连续直流电压的场合)的直流击穿电压根据信号电压幅度选择;③本电路适用于传输高频/高速信号(最高频率可达20MHZ)。
采用低电容TVS 管或半导体过压保护器。
传输频率/速率≥10MHz,Cj≤60pF;传输频率/速率≥100MHz,Cj≤20pF;4、天溃防雷①保护效果很好,残压低,可以同时传送电源,适用于天线带放大器或不带放大器的场合。
②腔体和输入、输出接头是根据系统所用接头类型、传输信号频率范围专门设计加工的。
在户外使用时,腔体、接头和盖板都必须设计成防水的。
③陶瓷气体放电管一般选用通流容量20kA、直流击穿电压90V的,压敏电阻一般选用20D100K型;TVS管击穿电压根据传输直流电压或交流电压峰值选取(VBRmin≥1.2UDC或VBRmin≥1.2Up)。
防雷电路开关电源防雷电路设计方案雷击浪涌分析最常见旳电子设备危害不是由于直接雷击引起旳,而是由于雷击发生时在电源和通讯线路中感应旳电流浪涌引起旳。
首先由于电子设备内部构造高度集成化(VLSI芯片),从而导致设备耐压、耐过电流旳水平下降,对雷电(包括感应雷及操作过电压浪涌)旳承受能力下降,另首先由于信号来源途径增多,系统较此前更轻易遭受雷电波侵入。
浪涌电压可以从电源线或信号线等途径窜入电脑设备,我们就这两方面分别讨论:1)电源浪涌电源浪涌并不仅源于雷击,当电力系统出现短路故障、投切大负荷时都会产生电源浪涌,电网绵延千里,不管是雷击还是线路浪涌发生旳几率都很高。
当距你几百公里旳远方发生了雷击时,雷击浪涌通过电网光速传播,通过变电站等衰减,到你旳电脑时也许仍然有上千伏,这个高压很短,只有几十到几百个微秒,或者局限性以烧毁电脑,不过对于电脑内部旳半导体元件却有很大旳损害,正象旧音响旳杂音比新旳要大是由于内部元件受到损害同样,伴随这些损害旳加深,电脑也逐渐变旳越来越不稳定,或有也许导致您重要数据旳丢失。
美国GE企业测定一般家庭、饭店、公寓等低压配电线(110V)在10000小时(约一年零两个月)内在线间发生旳超过原工作电压一倍以上旳浪涌电压次数到达800余次,其中超过1000V旳就有300余次。
这样旳浪涌电压完全有也许一次性将电子设备损坏。
2)信号系统浪涌信号系统浪涌电压旳重要来源是感应雷击、电磁干扰、无线电干扰和静电干扰。
金属物体(如电话线)受到这些干扰信号旳影响,会使传播中旳数据产生误码,影响传播旳精确性和传播速率。
排除这些干扰将会改善网络旳传播状况。
基于以上旳技术缺陷和状况,本文根据实际使用设计了一种基于压敏电阻和陶瓷气体放电管旳单相并联式抗雷击浪涌旳开关电源电路。
防雷击浪涌电路旳设计本文所设计旳是一种基于压敏电阻和陶瓷气体放电管旳单相并联式抗雷击浪涌电路,并将其应用到仪表旳开关电源上。
整个电路包括防雷电路和开关电源电路,其中防雷电路采用3个压敏电阻和一种陶瓷气体放电管构成复合式对称电路,共模、差摸全保护。
@直流开关电源系统防雷原理与维护直流开关电源系统防雷原理与维护按照通信⽤⾼频开关整流器规范,直流开关电源配置C级防雷器。
有经验的电源⼯程师了解防雷器接线⽅法,也熟知防雷器告警的原因及处理⽅法,但对其中的细节可能不甚清楚。
业界认为艾默⽣电源重视防雷设计,系统防雷做得很好,但防雷问题是系统⼯程,不是只要有配置了防雷器的电源就可以完全解决的。
如果能全⾯了解电源系统防雷思想,不但有助于分析设备故障,并有助于建设⾼可靠的通信动⼒系统,为通信⽹络提供有⼒保障。
⼀、雷击过电流产⽣的原理雷电流的⼊侵⾸先表现为过电压,当存在泄放通道时,产⽣雷电流。
不论是由于直击雷产⽣的线路来波,抑或电磁感应的过电压均是如此。
过电压有共模过电压和差模过电压两种类型,如图1所⽰。
图1 共模与差模过电压、过电流由于寄⽣电容的⼴泛存在,雷电过电压击穿空⽓或在常压下绝缘的器件,形成强⼤的雷电流,造成设备损坏。
为了抑制雷电的影响,应在雷电能量进⼊设备前将能量泄放⾄⼤地。
对于共模过电压,应在输⼊电缆与防雷地之间安装防雷器件(或称防雷⽚);对于差模过电压,应在输⼊电缆⽕线和零线之间安装防雷器件。
由于雷电流是属于浪涌电流,防雷器件是⼀种浪涌抑制保护器件(Surge Protection Device),简称SPD。
⼆、常⽤放雷器件的特性直流开关电源中常⽤的防雷器件是压敏电阻和⽓体放电管。
1、压敏电阻压敏电阻为限压型器件,当两端施加⼯作电压时阻值很⾼,漏电流为µA级。
随着端电压升⾼,压敏电阻阻值降低,端电压超过⼀定值后阻值急剧降低,漏电流可⾼达20~40KA,形成雷电泄放通道。
当电压降低⾄⼯作电压后,压敏电阻的漏电流迅速减⼩,恢复原来状态。
直流开关电源常⽤的压敏电阻主要参数如下,关键参数含义如图2所⽰。
Uc:最⼤持续⼯作交流电压,⼀般为385V。
U1mA:标称电压,指漏电流达到1mA时施加的端电压,⼀般为630V。
UP:残压,指通过压敏电阻泄放限压后两端最⾼电压,⼀般为1500V。
一、开关电源的电路组成开关电源的主要电路是由输入电磁干扰滤波器<EMI)、整流滤波电路、功率变换电路、PWM控制器电路、输出整流滤波电路组成。
辅助电路有输入过欠压保护电路、输出过欠压保护电路、输出过流保护电路、输出短路保护电路等。
开关电源的电路组成方框图如下:二、输入电路的原理及常见电路1、AC 输入整流滤波电路原理:①防雷电路:当有雷击,产生高压经电网导入电源时,由MOV1、MOV2、MOV3:F1、F2、F3、FDG1组成的电路进行保护。
当加在压敏电阻两端的电压超过其工作电压时,其阻值降低,使高压能量消耗在压敏电阻上,若电流过大,F1、F2、F3 会烧毁保护后级电路。
②输入滤波电路:C1、L1、C2、C3组成的双π型滤波网络主要是对输入电源的电磁噪声及杂波信号进行抑制,防止对电源干扰,同时也防止电源本身产生的高频杂波对电网干扰。
当电源开启瞬间,要对C5充电,由于瞬间电流大,加RT1<热敏电阻)就能有效的防止浪涌电流。
因瞬时能量全消耗在RT1电阻上,一定时间后温度升高后RT1阻值减小<RT1是负温系数元件),这时它消耗的能量非常小,后级电路可正常工作。
③整流滤波电路:交流电压经BRG1整流后,经C5滤波后得到较为纯净的直流电压。
若C5容量变小,输出的交流纹波将增大。
2、DC 输入滤波电路原理:①输入滤波电路:C1、L1、C2组成的双π型滤波网络主要是对输入电源的电磁噪声及杂波信号进行抑制,防止对电源干扰,同时也防止电源本身产生的高频杂波对电网干扰。
C3、C4为安规电容,L2、L3为差模电感。
② R1、R2、R3、Z1、C6、Q1、Z2、R4、R5、Q2、RT1、C7组成抗浪涌电路。
在起机的瞬间,由于C6的存在Q2不导通,电流经RT1构成回路。
当C6上的电压充至Z1的稳压值时Q2导通。
如果C8漏电或后级电路短路现象,在起机的瞬间电流在RT1上产生的压降增大,Q1导通使Q2没有栅极电压不导通,RT1将会在很短的时间烧毁,以保护后级电路。
LED路灯电源之防雷攻略与防雷击电路设计方案电源防雷是在LED路灯的使用中面临的一个重要问题。
由于灯杆顶端高出地面,很容易遭受雷电的攻击,因此LED路灯电源必须具有防雷击的能力,以确保其正常运行。
本文将介绍一些LED路灯电源防雷攻略,并提出一些防雷击电路设计方案。
LED路灯电源的防雷攻略第一步:合理的灵敏度级别防雷击技术通常分为几个灵敏度级别。
在选择LED路灯电源时,应优先选择符合具体需求的最低灵敏度级别,以避免因性能过高导致成本居高不下。
第二步:采用双继电器串联的设计在LED路灯电源电路内,继电器的作用是控制灯的开关。
通过使用两个继电器,可以大大提高防雷击能力。
这种设计不仅能减少雷电冲击的压力,还能防止瞬间断电时灯芯损坏等问题。
第三步:选用合适的封装材料LED路灯电源的封装材料应具备良好的防水和防尘能力,这样才能保证电源在运行期间的稳定性。
而且,如果在电路板的制作过程中采用了防静电材料,还可以极大地提高电路板的抗雷击能力。
第四步:选择有保护电路的LED电源现在市场上的LED路灯电源基本都配备了保护电路,能够在遭受雷击时自动保护路灯电源,从而减少损失。
在选择LED路灯电源时,应优先选择具有此类保护电路的产品。
第五步:消除地间电压在LED路灯的使用中,地间电压会导致灯泡频繁损坏,因此要想有效的防止雷击,就必须采取消除地间电压的措施,例如连接防雷带等。
防雷击电路设计方案方案一:三重保障此方案包括三方面的保障措施:•采用单个电源之外还增加一个备用电源,当单个电源遭受雷击时,能够及时切换至备用电源。
•在电源的整体布局上,增加屏蔽隔离设计,试图将供电整个流程与其他因素切断接触。
•增加并联电容,使得光电转换以及治理电流顺利通过,从而一定程度上防止雷击。
方案二:GIS变压器的实现由于GIS变压器具备防雷击的能力,因此采用变压器的过程,也被认为是一种高效的防雷攻略。
在LED路灯的电源设计中,也可以考虑是否使用GIS变压器。
防雷器电路设计双线不接地的传输电路和有接地线的双线或多线传输电路中,采用不同的防雷元器件构成的各种不同的两级信号防雷器和单级信号防雷器的电路形式与元器件选型原则。
一、防雷元器件的性能特点开关元件类正常工作时,开关元件是断开的;当雷击浪涌来的时候,开关元件导通,将浪涌电流泄放到大地,从而保护了电子设备免受浪涌冲击损坏。
开关元件类有陶瓷气体放电管、玻璃放电管(强效放电管)、半导体过压保护器(半导体放电管、固体放电管)三种类型。
它们的优点是:①击穿(导通)前相当于开路,电阻很大,几乎没有漏电流;②击穿(导通)后相当于短路,可通过很大的电流,压降很小;③脉冲通流容量(峰值电流)大:陶瓷气体放电管的8/20μs波峰值电流常用的有5kA、10kA、20kA等几种(当然还有更大的,达100kA以上),10/1000μs波峰值电流在几十至几百A之间;玻璃放电管的8/20μs波峰值电流现有500A、1kA、3kA三种;半导体过压保护器的10/1000μs波峰值电流在几十至上百A之间。
④除了个别半导体过压保护器外,它们都具有双向对称特性。
⑤陶瓷气体放电管和玻璃放电管的电容都很小,在3pF以下。
⑥玻璃放电管和半导体过压保护器的响应速度都很快,在ns量级。
⑦玻璃放电管的击穿电压可以做得很高,最高的达5kV。
⑧半导体过压保护器的击穿电压可以做得很准确。
它们的缺点分别是:陶瓷气体放电管:①由于气体电离需要一定的时间,所以响应速度较慢,反应时间一般为0.2~0.3μs(200~300ns),最快也就是0.1μs(100ns)左右,在它未导通前,会有一个幅度较大的尖脉冲漏过去。
②击穿电压一致性较差,分散性较大,一般为±20%。
③击穿电压只有几个特定值。
玻璃放电管和半导体过压保护器:①通流容量较陶瓷气体放电管小得多。
②击穿电压尚未形成系列值。
③玻璃放电管击穿电压分散性较大,为±20%。
④半导体过压保护器电容较大,有几十至几百pF。
电源防雷设计方案1. 引言在现代社会中,电力设备已经成为我们生活中不可或缺的一部分。
然而,随着雷电活动变得越来越频繁,电力设备也面临着越来越大的雷击风险。
为了确保电力设备的安全运行,电源防雷设计方案变得非常重要。
本文将介绍一种有效的电源防雷设计方案,并提供实施细节和建议。
2. 防雷设计原则2.1 接地系统设计电源设备的接地系统是防止雷击和其他电气故障的关键部分。
接地系统的设计应符合以下原则:•良好接地:确保接地系统具有低阻抗,以迅速将雷电能量引导到地下。
•低电阻:减少接地系统的电阻,以降低雷电流通过设备的概率。
•统一接地:确保所有电源设备都与统一的接地系统相连,以避免形成接地回路,导致设备损坏。
2.2 避雷针和避雷带在电源设备附近安装避雷针和避雷带可以有效地减少雷击风险。
避雷针和避雷带应符合以下原则:•避雷针:安装一个高于电源设备的金属尖顶,用于吸引并释放雷击能量。
•避雷带:将导电材料绕绕在建筑物的边缘,以便将雷电能量引导到地下。
2.3 浪涌保护器和避雷器为了防止雷击过电源设备进入电源线路,应在电源设备输入端使用浪涌保护器和避雷器。
这些设备应符合以下原则:•浪涌保护器:根据设备的额定电压和电流选择合适的浪涌保护器,用于吸收来自雷击的瞬态电压,并保护设备不受损害。
•避雷器:在电源线路输入端安装避雷器,用于将过大的电压引导到地下。
3. 设计方案实施细节3.1 设备选择在设计防雷电源时,选择合适的电源设备非常重要。
应选择具有以下特点的设备:•良好的绝缘性能:确保设备的绝缘能力可以承受雷击过电压,防止设备受损。
•高可靠性:选择经过严格测试和认证的设备,以确保其在雷电活动中的可靠性。
•适当的额定电压和电流:根据实际需求选择设备的额定电压和电流。
3.2 线路布置在设计电源线路时,应遵循以下原则:•分离线路:将雷击风险较高的电源线路与其他线路分离,以减少雷击传导的可能性。
•使用屏蔽电缆:在雷击风险较高的地方使用屏蔽电缆,以减少对信号的干扰和电磁辐射。
电源系统防雷设计A、外来导体的布置:外来导体包括:金属水管、通讯电缆线及电力电缆铠装外皮或电缆金属管等。
所有的水管和电缆应埋地进入机房,水管和电缆铠装外皮和保护金属管应在进入机房时接地,电缆应选用铠装电缆或穿金属管埋地进入机房电缆相线和中线应通过电涌保护器接地。
B、外电源线的电涌保护器的布置和选择:1)、电涌保护器的布置原理如下图所示:a)该布置是依据GB 50057-94(2000版)和IEC 61312的标准布置。
在LPZ0和LPZ1区交界:U2 =U1-I2R2可以看出:U2<U1 I2<I1这样就可以通过多级钳位使残压逐步降低,以有效地抑制外来雷电波入侵和雷电电磁脉冲的危害。
b)通过电涌保护器的雷电流逐级减少,还为安装电涌保护器提供了方便如(图3)所示,我们在安装电涌保护器时总会使用导线进行连接,而导线电感在雷电波的频率下不能忽略,于是有:Uc=UL1+Us+UL2 Uc=Is(ZL1+ZL2)+Us这样的残压将会附加上一个额外的Is(ZL1+ZL2),如果只有一级电涌保护器,雷电流的大部将从这一级电涌保护器泄放入地则Is非常大,这样要保证U额外Is(ZL1+ZL2),否则则ZL1+ZL2要非常地小,也即导线要非常短,在安装时往往很难做至,安装条件就会非常苛刻。
多级布置使这个部题得至解决。
c)分区多级布置使电涌保护器由于自身放电的电磁脉冲的干扰减弱,我们知道当在导体中有高频信号流过,就会向空间发射电磁波及发射功率。
可频率、电流和电压有关当电流和电压降低时其发射功率也就减弱,这样不会因为电涌保护器的放电而影响微电子设备的正常运行。
d)SPD4必须尽量靠近设备,这是因为GB 50057-94(2000版)和IEC 61312表明电涌保护器距被保护设备的距离过大会由于雷电波的反射效应而在被保护设备上引起高频振荡,使得设备上的电压超过电涌保护器上的残压而损坏设备。
这个距离应小于10米。
建筑物电源系统防雷防雷工程设计方案设计:设计单位:防雷设计资质证号:日期:目录第一部分防雷工程概述1、企业简介2、雷电及防护概述3、雷害和电涌侵入途径的分析第二部分建筑物电源系统防雷防雷工程概述1.设计说明2.工程范围3.依据标准、规范第三部分建筑物电源系统防雷防雷工程设计方案1.建筑物电源系统防雷现场情况简介2.防雷类别的划分3.防雷设计方案3.1电源防护部分1、企业简介南京捷雷科技有限公司公司简介南京捷雷科技有限公司是由南京信息工程大学(原南京气象学院)遥感学院雷电防护科学与技术系、防雷工程技术中心的防雷专家团队组织成立的具有防雷专业独立法人的实体,引领着防雷发展方向,承担着防雷教学、科学与技术研究,在防雷工程设计与施工方面具有乙级资质的机构。
南京气象学院防雷工程技术中心成立于1999年,技术中心专家们一直从事防雷科学研究和雷电防护教学工作,为国家培养防雷专门人才,承担防雷行业的技术支持任务。
公司主营业务:防雷工程专业设计、施工、咨询、防雷技术研发和技术服务。
2004年3月由防雷专家组团正式成立南京捷雷科技有限公司,当年注册资金为人民币50万元,于2005年补充注册资金为人民币80万元。
2004年10月经中国气象局审批获得防雷工程设计、施工双乙级资质。
《防雷工程专业设计资质证》证书编号:21102006014,总第21286;《防雷工程专业施工资质证》证书编号:21102006014总第22319。
公司主营业务:防雷工程专业设计、施工、咨询、防雷技术研究、防雷产品开发和技术服务。
2006年3月成立南京捷雷科技有限公司杭州办事处,并通过浙江省备案。
2006年7月成立南京捷雷科技有限公司呼和浩特市金山分公司,通过内蒙古自治区备案。
2006年9月成立南京捷雷科技有限公司山东分公司,通过山东省备案。
2006年11月成立南京捷雷科技有限公司天津分公司。
2007年3月成立南京捷雷科技有限公司张家港办事处。
防雷电路开关电源防雷电路设计方案上网时间: 2010-08-30防雷电路开关电源防雷电路设计方案
雷击浪涌分析
最常见的电子设备危害不是由于直接雷击引起的,而是由于雷击发生时在电源和通讯线路中感应的电流浪涌引起的。
一方面由于电子设备内部结构高度集成化(VLSI芯片),从而造成设备耐压、耐过电流的水平下降,对雷电(包括感应雷及操作过电压浪涌)的承受能力下降,另一方面由于信号来源路径增多,系统较以前更容易遭受雷电波侵入。
浪涌电压可以从电源线或信号线等途径窜入电脑设备,我们就这两方面分别讨论:
1)电源浪涌
电源浪涌并不仅源于雷击,当电力系统出现短路故障、投切大负荷时都会产生电源浪涌,电网绵延千里,不论是雷击还是线路浪涌发生的几率都很高。
当距你几百公里的远方发生了雷击时,雷击浪涌通过电网光速传输,经过变电站等衰减,到你的电脑时可能仍然有上千伏,这个高压很短,只有几十到几百个微秒,或者不足以烧毁电脑,但是对于电脑内部的半导体元件却有很大的损害,正象旧音响的杂音比新的要大是因为内部元件受到损害一样,随着这些损害的加深,电脑也逐渐变的越来越不稳定,或有可能造成您重要数据的丢失。
美国GE公司测定一般家庭、饭店、公寓等低压配电线(110V)在10000小时(约一年零两个月)内在线间发生的超出原工作电压一倍以上的浪涌电压次数达到800余次,其中超过1000V 的就有300余次。
这样的浪涌电压完全有可能一次性将电子设备损坏。
2)信号系统浪涌
信号系统浪涌电压的主要来源是感应雷击、电磁干扰、无线电干扰和静电干扰。
金属物体(如电话线)受到这些干扰信号的影响,会使传输中的数据产生误码,影响传输的准确性和传输速率。
排除这些干扰将会改善网络的传输状况。
基于以上的技术缺陷和状况,本文根据实际使用设计了一种基于压敏电阻和陶瓷气体放电管的单相并联式抗雷击浪涌的开关电源电路。
防雷击浪涌电路的设计
本文所设计的是一种基于压敏电阻和陶瓷气体放电管的单相并联式抗雷击浪涌电路,并将其应用到仪表的开关电源上。
整个电路包括防雷电路和开关电源电路,其中防雷电路采用3个压敏电阻和一个陶瓷气体放电管组成复合式对称电路,共模、差摸全保护。
与经典的开关电源电路组成防雷仪表的电源电路,采用压敏电阻并联,延长使用寿命,在压敏电阻短路失效后与开关电源电路分离,不会引起失火。
为了实现上述目的所采取的设计方案是:将压敏电阻和陶瓷气体放电管的单相并联式抗雷击浪涌电路应用到仪表的电源上。
主要分为防雷电路部分和开关电源电路部分,电路简单,采用复合式对称电路,共模、差摸全保护,可以不分L、N端连接。
使压敏电阻RV1位于贴片整流模块前端分别与电源L、N并联,主要来钳位L、N线间电压,压敏电阻RV0、RV2与陶瓷气体放电管FD1串联后接地,RV0与FD1串联主要是泄放L线上感应雷击浪涌电流,RV2与FD1串联主要是泄放由信号口串人24V参考电位上的能量,RV0、RV2短路失效后,FD1可将其与电源电路分离,不会导致失火现象。
RV1前端线路上串联了一个线绕电阻,当此RV1短路失效时,线绕电阻可起到保险丝的作用,将短路电路断开,压敏电阻属电压钳位型保护器件,其钳位电压点即压敏电阻参数选择相对比较重要(选压敏电压高一点的,通流量大一些的更安全、耐用,故障率低);根据通流容量要求选择外形尺寸和封装形式,本电路中采用561k-10D的压敏电阻与陶瓷气体放电
管串联来延长使用寿命和确保安全。
陶瓷气体放电管的通流容量根据要求的通流容量选择,电路采用3RM470L-7.5-L,通流量为5000A。
线绕电阻R1起限流分压作用;贴片整流模块为开关电源电路前端整流作用,C1为高压滤波电容,Y1为去耦电容,电阻R2和电容C2及VD2组成开关电源芯片MOS 管的吸收钳位电路,保护芯片,开关电源芯片采用PI公司的TNY27系列,TR1为高频变压器,VD3、C3构成高频变压器次级滤波,U2、VD4、R3、R4、R5构成开关电源电路的反馈电路,可将变压器次级输出电压稳定在设计值,此防雷抗浪涌电路在实际使用中取得了较好的效果。
基于压敏电阻和陶瓷气体放电管的单项并联式防雷电路在近年的太阳能控制仪表开发中逐渐被广大设计人员所青睐,本文所设计的电路就其严谨性,完全符合国标GB/T17626.5的试验标准。
在实际使用中可以空出PCB板的空间来为开发者提供随心所欲的设计舞台。
瞬间高电压的雷击浪涌以及信号系统浪涌是引起仪表稳定性差的重要原因,信号系统浪涌电压的主要来源是感应雷击、电磁干扰(EMI)、无线电干扰和静电干扰。
金属物体(如电话线)受到这些干扰信号的影响,会使传输中的数据产生误码,影响传输的准确性和传输速率。
如何设计防雷电路成为仪表研发的关键问题
原创文章:"/public/tool/kbview/kid/456/cid/1"
【请保留版权,谢谢!】文章出自电子元件技术网。