农民工工资支付情况专项检查表
- 格式:doc
- 大小:33.00 KB
- 文档页数:2
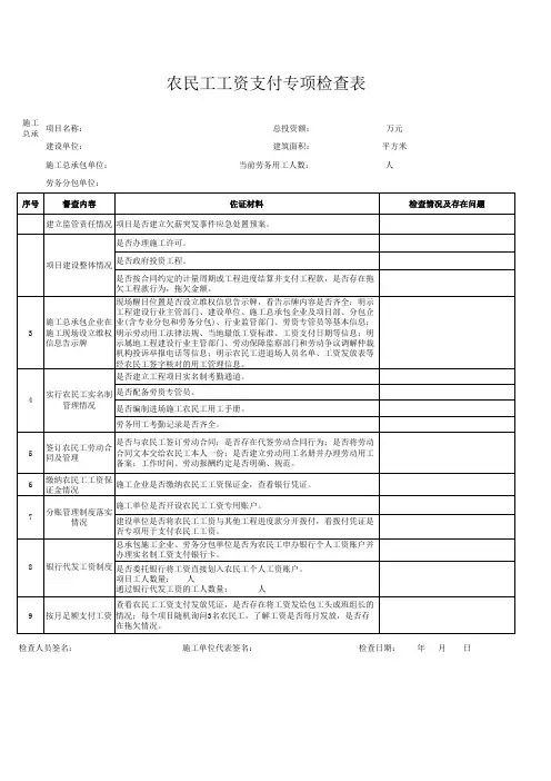
在建工程项目落实保障农民工工资支付制度情况日常巡查表巡查日期:年月日巡查工程项目名称:项目地址:建设单位名称:总承包单位名称:分包单位名称:一、落实“一金七制”等制度情况(一)落实农民工工资保证金制度情况1.总承包单位缴□或存□工资保证金数额万元(或出具保函□) (二)落实劳动用工实名制管理制度情况2.是否设立并使用考勤专用通道□,录入实名制管理系统人数人3.当月是否办理劳动用工增减备案□4.当月是否更新农民工名册□(三)落实劳动合同制度情况5.使用农民工人数人已签订劳动合同人(签订率% )(四)落实施工全过程结算制度情况6.施工合同是否专门约定人工费用进度款由建设单位按月拨付□7. 总承包单位是否按月□或按施工合同约定节点□向建设单位报量报价请款□8. 分包单位□或总承包单位□是否按月对农民工个人进行考勤、班组考核计酬、应发工资确认□分包单位是否按月向总承包单位报量报价请款□(五)落实农民工工资专用账户管理制度情况9.总承包单位是否在本市开设农民工工资专用账户□10. 是否在项目部保存开设及使用农民工工资专用账户有关资料备查□11. 建设单位是否按月□或按合同约定节点□将人工费用及时拨付至总承包单位的农民工工资专用账户□12. 是否执行人工费用拨付周期不得超过1个月的规定□(六)落实总承包单位通过银行代发农民工工资制度情况13. 分包单位与总承包单位是否签订委托代发农民工工资协议□并每月明确委托代发工资的明细□(七)落实按月足额发放工资制度情况14. 总承包单位□或分包单位□是否按月编制农民工工资支付表□并由农民工本人签字确认□15. 总承包单位□或分包单位□是否按月向农民工提供其本人的工资清单□16. 本月发放上月人工资万元,人均发放元17. 总承包单位是否按月编制书面工资支付台账□项目部是否保存代发工资银行流水账□18. 上月建设单位拨付至总承包企业工资专户的人工费用进度款万元本月建设单位拨付至总承包企业工资专户的人工费用进度款万元本年度累计建设单位拨付至总承包企业工资专户的人工费用进度款万元19. 建设单位是否监督总承包单位按时足额支付农民工工资□(八)落实维权信息公示制度情况20. 总承包单位是否在施工现场设立维权信息告示牌□并按月公示农民工考勤汇总表、应发放工资确认表□(九)落实工程款支付担保制度情况21. 建设单位与总承包单位是否签订有工程款担保协议□以及第三方针对本项目工程款□或其中的人工费用□的担保手续□22.是否签订按《条例》规定按月拨付人工费用进度款的补充协议□(十)其他相关情况23. 项目管理台账资料是否按月整理齐全备查□24.总承包单位或分包单位或其他人员有无扣押或者变相扣押农民工本人社会保障卡或者银行卡□25. 是否存在由包工头或班组长自行管理农民工□26. 劳动合同是否存在代签、冒签□农民工本人是否保存1份□27. 是否存在只发放基本工资□或基本生活费□28. 是否存在跨月发放工资□29. 是否拖欠农民工工资□累计拖欠人个月工资万元30.拖欠农民工工资原因:二、主要存在问题:三、责令整改要求:对存在问题,责令总承包单位、分包单位、建设单位分别自本次巡查之日起7日内全面整改到位,并将整改情况书面材料报送当地本行业主管部门(联系人:联系电话:)。
序号被查单位1项目主管单位是否在施工现场醒目位置设立维权公示牌,是否按月公示农民工工资按月支付情况等。
是否督促施工总承包企业、用人单位落实农民工实名制、专用账户制度、施工总承包企业代发工资制度。
是否将三项制度列入招投标文件及施工合同专用条款。
是否与施工总承包企业和开户银行签订农民工工资专用账户三方监管协议是否严禁企业带资承包施工是否对建设项目农民工工资支付进行有效管理,包括农民工工资保证金缴纳情况、工资专户设立情况、工资代发协议、工资专户三方监管协议、农民工实名制及工资支付等信息资料的管理情况是否畅通农民工举报渠道,并落实恶意欠薪案件分级督办制度是否对在建项目农民工工资支付情况开展检查是否建立政府投资项目欠款、欠薪台账,并动态更新是否实现政府投资项目按月足额支付农民工工资表2: 水利工程建设领域农民工工资支付情况专项检查表检查项目是否符合要求(√/×)检查发现问题是否落实监管责任,规范工程建设领域市场秩序,依法查处转包、违法分包等违法违规行为项目法人监理单位23是否与项目法人和开户银行签订农民工工资专用账户三方监管协议,并向水行政主管部门报备有关情况是否与用人单位(劳务公司、分包企业)签订农民工工资代发协议是否及时向项目主管部门报告施工总承包企业审核、提报农民工工资支付表的情况是否提交《水利施工企业农民工工资承诺书》是否缴纳农民工工资保证金是否落实欠薪清偿责任是否将农民工工资支付情况纳入监理日志是否及时审核施工总承包企业已完成施工产值中的人工费,督促用工企业按时完成农民工工资表编制、审核、公示及提报工作是否按要求收取施工企业农民工工资保证金,并按规定减免、返还保证金是否按合同约定及合同进度,及时计量支付企业工程款是否按月足额将人工费拨入农民工工资专用账户是否按要求向项目主管单位报送农民工工资保证金缴纳、工资专户设立情况、工资代发协议、工资专户三方监管协议等材料,是否报送农民工实名制及工资支付等信息资料是否定期对农民工工资支付情况进行抽查和检查施工总承包企业分包企业对于不足30天零散用工,是否及时足额发放农民工工资并留存相关资料是否落实欠薪清偿责任45是否与施工总承包企业签订了委托代发农民工工资协议是否按规定统计农民工实名制信息并及时报送是否按规定考核农民工工作量并提报编制的工资支付表是否落实欠薪清偿责任是否与每位农民工签订了劳动合同,先签订合同后进场施工是否通过银行卡向农民工发放工资是否按规定及时向代发银行提报已完成施工产值中的人工费用是否按规定汇总农民工实名制信息,并及时向项目法人、项目主管部门报送。