膨胀螺栓规格性能及设计参考
- 格式:doc
- 大小:47.50 KB
- 文档页数:6
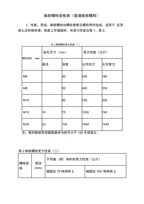
膨胀螺栓(胀锚螺栓)1.普通膨胀螺栓(1)性能、用途:膨胀螺栓由膨胀螺栓套管及螺栓两件组成,适用于在混凝土及砖砌体墙、地基上作锚固体。
其受力性能见表48~49。
膨胀螺栓受力性能(一)表48螺栓规格(毫米)钻孔尺寸(毫米)受力性能(公斤)直径深度允许拉力允许剪力M6M8M10M12M16 10.512.514.5192340506075100240440700103019401803305207401440注:表列数据系按铺固基体为标号大于150号混凝土。
膨胀螺栓受力性能(二)表49螺栓规格(毫米)埋深(毫米)不同基(砌)体时的受力性能(公斤)锚固在75#砖砌体上锚固在150#混凝土上拉力剪力拉力剪力允许值极限值允许值极限值允许值极限值允许值极限值M6×55M8×70M10×85M12×105M16×1403545556590100225390440675117513251500701051652454602003195007341380245540940106012506101350235026503100801502353456502003755888631625(2)规格见图26、表50~51。
膨胀螺栓规格(一)表50 型号规格(毫米)各部尺寸尺寸(毫米)安装后尺寸(毫米) LL1φHab重量(公斤/100件)Ⅰ型M6×65M6×75M6×85M8×80M8×90M8×100M10×95M10×110M10×125M12×110M12×130M16×150M16×175 65 758580901009511012511013015015017535353545454555555565656590901010101212121414141818182222 3 333333334444488899912121214.514.514.519192.772.933.156.146.426.721010.911.616.918.319.637.240.4Ⅱ型M10×150 M10×175M10×200M12×150M12×200M12×250M16×200M16×250M16×300150 17520015020025020025030055555565656590909014141418181822222288810101013131333344444412121214.514.51919191314.215.42023.727.44460.567膨胀螺栓规格(二)表51 规格(毫米)埋深(毫米)钻孔直径(毫米)规格(毫米)埋深(毫米)钻孔直径(毫米)M5×45M6×55M8×70M10×85M12×105M14×12525354555657581012141618M16×140M18×155M20×170M22×185M24×200M27×2159015512013515026 28 32 35 38。
膨胀螺栓(胀锚螺栓)1.普通膨胀螺栓(1)性能、用途:膨胀螺栓由膨胀螺栓套管及螺栓两件组成,适用于在混凝土及砖砌体墙、地基上作锚固体。
其受力性能见表48〜49。
膨胀螺栓受力性能(一)表48注膨胀螺栓受力性能(二)表49(2)规格见图26、表50〜51。
膨胀螺栓规格(一)表50膨胀螺栓规格(二)膨胀螺栓设计参考:一、膨胀螺丝之固定原理膨胀螺丝之固定乃是利用挈形斜度来促使膨胀产生摩擦握裹力,达到锚定效果。
二、膨胀螺丝之埋入深度一般膨胀螺丝之埋入深度以其固定用螺栓径之4倍为计算基准,当然埋入越深其所能承受之拉力、剪力也越大,但因厂家设计时需要考虑因素含材质及锚定等问题。
三、膨胀螺丝使用之参考依据(一)混凝土之强度(二)固定螺丝之强度(依材质计算之)(三)膨胀螺丝之强度(厂家设计)四、膨胀螺丝的强度膨胀螺丝的强度测试,以往均以油压器加压,在拉出膨胀螺丝的最大力量为其抗拉强度,这种测试方法的缺点就是未能测知螺丝离开水泥的变位情况,也就是说,我们无法知道膨胀本身材料的弹性应力是在几牛顿之内,因此新型的测试仪器,是把拉力与变位以坐标图画出,Y轴为拉力,X轴为变位(如图)当拉力上升时,变位随之增大,直到水泥破裂或膨胀螺丝,拔出或拉断。
此一曲线的最高点,即为极限抗拉力,另外当拉力上升到某一点,如去除拉力后,变位仍能回到原处者,这一点正是膨胀螺丝本身材料的降伏点,也正是我们设计上所要的比例荷重。
常用膨胀螺丝的变位曲线,约可分为5钟。
1、化学锚栓,SB高拉力膨胀螺丝2、NC型锤钉式.H型.DR型3、SH型套管式SHF型4、尼龙套5、木塞M t■剧―*五、安全率之采用一般安全采用方向有二:(一)极限强度法:此法乃是将膨胀打入混凝土内拉出,以其破坏点为基准,再以4-5倍之安全率为可用强度。
此法于国外之采用已有数十年之历史。
(二)比例强度法:此法测试方法用(一),但重点为求出变形点(即为比例荷重),以此为采用基准,再考虑以安全率2倍为可用强度,因其可为路德线(Luder'sLine)观知“应力一应变”情形,故较为精确及便捷,但因其欲求出变点(比例荷重),较极限强度法复难,且须使用而较精准之仪器,故一般为研究上采用,此法亦符合ASTME488-88规定。
膨胀螺栓规格及性能文稿归稿存档编号:[KKUY-KKIO69-OTM243-OLUI129-G00I-FDQS58-膨胀螺栓(胀锚螺栓)1.普通膨胀螺栓(1)性能、用途:膨胀螺栓由膨胀螺栓套管及螺栓两件组成,适用于在混凝土及砖砌体墙、地基上作锚固体。
其受力性能见表48~49。
膨胀螺栓受力性能(一)表48注:表列数据系按铺固基体为标号大于150号混凝土。
膨胀螺栓受力性能(二)表49(2)规格见图26、表50~51。
膨胀螺栓规格(一)表50膨胀螺栓规格(二)表51YG型膨胀螺栓的抗拉抗剪力设计值(混凝土构造手册)(锚固于≥C15混凝土中)规格型号;净截面(mm2);抗拉力设计值(KN);抗剪力设计值(KN)YG1-M10 ; 42.2 ; 7.17 ; 4.94YG1-M12 ; 64.6 ; 10.98 ; 7.56YG1-M16 ; 123.6 ; 21.01 ; 14.46YG1-M20 ; 201.2 ; 34.20 ; 23.54YG2,3-M16 ;144.1(201); 24.50 ; 16.86(23.52)YG2,3-M20 ;225.2(314); 38.28 ; 26.35(36.74)YG3-M12 ; 76.3 ; 12.97 ; 8.93YG3-M24 ; 324.3 ; 55.13 ; 37.94YG3-M30 ; 518.9 ; 88.21 ; 60.71YG3-M36 ; 759.5 ; 129.12 ; 88.86注:1.括号内为YG2型2.锚固于C10混凝土中的膨胀螺栓,应按表中值再乘以0.75折减系数3.主要承重结构、重要管道以及高速运转、承受冲击荷载和振动较大的设备应加大一级规格型号。
4.YG0型未列入。
用途:YG1型:锚固承受静荷载的支承件,如安装电缆支架等;YG2型:锚固承受动荷载和受力较大的设备部件,如用作管道支架和设备基础的地脚螺栓;YG3型:锚固承受动荷载和受力较大的设备部件,如用作管道支架和设备基础的地脚螺栓;(与YG2型的安装方式不同)分单胀管式和双胀管式。
膨胀螺栓(胀锚螺栓)1.普通膨胀螺栓(1)性能、用途:膨胀螺栓由膨胀螺栓套管及螺栓两件组成,适用于在混凝土及砖砌体墙、地基上作锚固体。
其受力性能见表48~49。
膨胀螺栓受力性能(一)表48注:表列数据系按铺固基体为标号大于150号混凝土。
膨胀螺栓受力性能(二)表49(2)规格见图26、表50~51。
膨胀螺栓规格(一)表50M10×125M12×110M12×130M12×150M16×150M16×1751251101301501501755565656590901418181822223444441214.514.514.5191911.616.918.319.637.240.4Ⅱ型M10×150M10×175M10×200M12×150M12×200M12×250M16×200M16×250M16×30015017520015020025020025030055555565656590909014141418181822222288810101013131333344444412121214.514.514.51919191314.215.42023.727.44460.567膨胀螺栓规格(二)表51规格(毫米)埋深(毫米)钻孔直径(毫米)规格(毫米)埋深(毫米)钻孔直径(毫米)M5×45M6×55M8×70M10×85M12×105M14×12525354555657581012141618M16×140M18×155M20×170M22×185M24×200M27×21590155120135150155222628323538 YG型膨胀螺栓的抗拉抗剪力设计值(混凝土构造手册)(锚固于≥C15混凝土中)规格型号;净截面(mm2);抗拉力设计值(KN);抗剪力设计值(KN)YG1-M10 ;42.2 ;7.17 ; 4.94YG1-M12 ;64.6 ;10.98 ;7.56YG1-M16 ;123.6 ;21.01 ;14.46YG1-M20 ;201.2 ;34.20 ;23.54YG2,3-M16 ;144.1(201);24.50 ;16.86(23.52)YG2,3-M20 ;225.2(314);38.28 ;26.35(36.74)YG3-M12 ;76.3 ;12.97 ;8.93YG3-M24 ;324.3 ;55.13 ;37.94YG3-M30 ;518.9 ;88.21 ;60.71YG3-M36 ;759.5 ;129.12 ;88.86注:1.括号内为YG2型2.锚固于C10混凝土中的膨胀螺栓,应按表中值再乘以0.75折减系数3.主要承重结构、重要管道以及高速运转、承受冲击荷载和振动较大的设备应加大一级规格型号。
膨胀螺栓规格及性能 Document serial number【UU89WT-UU98YT-UU8CB-UUUT-UUT108】
膨胀螺栓(胀锚螺栓)1.普通膨胀螺栓
(1)性能、用途:膨胀螺栓由膨胀螺栓套管及螺栓两件组成,适用于在混凝土及砖砌体墙、地基上作锚固体。
其受力性能见表48~49。
膨胀螺栓受力性能(一)表48
注:表列数据系按铺固基体为标号大于150号混凝土。
膨胀螺栓受力性能(二)表49
(2)规格见图26、表50~51。
膨胀螺栓规格(一)表50
膨胀螺栓规格(二)
YG型膨胀螺栓的抗拉抗剪力设计值(混凝土构造手册)(锚固于≥C15混凝土中)
规格型号;净截面(mm2);抗拉力设计值(KN);抗剪力设计值(KN)
YG1-M10 ;;;
YG1-M12 ;;;
YG1-M16 ;;;
YG1-M20 ;;;
YG2,3-M16 ;(201);;()
YG2,3-M20 ;(314);;()
YG3-M12 ;;;
YG3-M24 ;;;
YG3-M30 ;;;
YG3-M36 ;;;
注:
1.括号内为YG2型
2.锚固于C10混凝土中的膨胀螺栓,应按表中值再乘以折减系数
3.主要承重结构、重要管道以及高速运转、承受冲击荷载和振动较大的设备应加大一级规格型号。
型未列入。
用途:
YG1型:锚固承受静荷载的支承件,如安装电缆支架等;
YG2型:锚固承受动荷载和受力较大的设备部件,如用作管道支架和设备基础的地脚螺栓;
YG3型:锚固承受动荷载和受力较大的设备部件,如用作管道支架和设备基础的地脚螺栓;(与YG2型的安装方式不同)分单胀管式和双胀管式。
膨胀螺栓〔胀锚螺栓〕普通膨胀螺栓性能、用途:膨胀螺栓由膨胀螺栓套管及螺栓两件组成,适用于在混凝土及砖砌体墙、地基上作锚固体。
其受力性能见表48~49。
膨胀螺栓受力性能〔一〕表48螺栓规格钻孔尺寸〔毫米〕受力性能〔公斤〕〔毫米〕直径深度允许拉力允许剪力M640240180M850440330M1060700520M1219751030740M162310019401440注:表列数据系按铺固基体为标号大于150号混凝土。
膨胀螺栓受力性能〔二〕表49不同基〔砌〕体时的受力性能〔公斤〕螺栓规格埋深锚固在75#砖砌体上锚固在150#混凝土上〔毫米〕〔毫米〕拉力剪力拉力剪力允许值极限值允许值极限值允许值极限值允许值极限值M6×55351003057020024561080200 M8×70452256751053195401350150375 M10×855539011751655009402350235588 M12×10565440132524573410602650345863 M16×1409050015004601380125031006501625〔2〕规格见图26、表50~51。
膨胀螺栓规格〔一〕表50安装后尺寸各部尺寸尺寸〔毫米〕规格〔毫米〕型号重量〔毫米〕L L1φH a b〔公斤/100件〕M6×6565351038M6×7575351038M6×8585351038M8×8080451239M8×9090451239M8×100100451239M10×9595551431210Ⅰ型M10×1101105514312M10×1251255514312M12×11011065184M12×130********M12×150********M16×1501509022419M16×1751759022419M10×1501505514831213M10×17517555148312M10×20020055148312M12×150150651810420Ⅱ型M12×2002006518104M12×2502506518104M16×20020090221341944M16×250250902213419M16×30030090221341967膨胀螺栓规格〔二〕规格埋深钻孔直径规格埋深钻孔直径〔毫米〕〔毫米〕〔毫米〕〔毫米〕〔毫米〕〔毫米〕M5×45258M16×1409022M6×553510M18×15515526M8×704512M20×17012028 M10×855514M22×18513532 M12×1056516M24×20015035 M14×1257518M27×21515538YG型膨胀螺栓的抗拉抗剪力设计值〔混凝土构造手册〕〔锚固于≥C15混凝土中〕规格型号;净截面〔mm2〕;抗拉力设计值〔KN〕;抗剪力设计值〔KN〕YG1-M10;;;YG1-M12;;;YG1-M16;;;YG1-M20;;;YG2,3-M16;〔201〕;;〔〕YG2,3-M20;〔314〕;;〔〕YG3-M12;;;YG3-M24;;;YG3-M30;;;YG3-M36;;;注:括号内为YG2型锚固于C10混凝土中的膨胀螺栓,应按表中值再乘以折减系数主要承重结构、重要管道以及高速运转、承受冲击荷载和振动较大的设备应加大一级规格型号。
膨胀螺栓(胀锚螺栓)1.普通膨胀螺栓(1)性能、用途:膨胀螺栓由膨胀螺栓套管及螺栓两件组成,适用于在混凝土及砖砌体墙、地基上作锚固体。
其受力性能见表48~49。
膨胀螺栓受力性能(一)表48注:表列数据系按铺固基体为标号大于150号混凝土。
膨胀螺栓受力性能(二)表49(2)规格见图26、表50~51。
膨胀螺栓规格(一)表50M10×95 M10×110 M10×125 M12×110 M12×130 M12×150 M16×150 M16×17595110125110130150150175555555656565909014141418181822223334444412121214.514.514.519191010.911.616.918.319.637.240.4Ⅱ型M10×150M10×175M10×200M12×150M12×200M12×250M16×200M16×250M16×30015017520015020025020025030055555565656590909014141418181822222288810101013131333344444412121214.514.514.51919191314.215.42023.727.44460.567膨胀螺栓规格(二)表51规格(毫米)埋深(毫米)钻孔直径(毫米)规格(毫米)埋深(毫米)钻孔直径(毫米)M5×45 M6×55 M8×70 M10×85 M12×105 M14×125 25354555657581012141618M16×140M18×155M20×170M22×185M24×200M27×21590155120135150155222628323538YG型膨胀螺栓的抗拉抗剪力设计值(混凝土构造手册)(锚固于≥C15混凝土中)规格型号;净截面(mm2);抗拉力设计值(KN);抗剪力设计值(KN)YG1-M10 ; 42.2 ; 7.17 ; 4.94YG1-M12 ; 64.6 ; 10.98 ; 7.56YG1-M16 ; 123.6 ; 21.01 ; 14.46YG1-M20 ; 201.2 ; 34.20 ; 23.54YG2,3-M16 ;144.1(201); 24.50 ; 16.86(23.52)YG2,3-M20 ;225.2(314); 38.28 ; 26.35(36.74)YG3-M12 ; 76.3 ; 12.97 ; 8.93YG3-M24 ; 324.3 ; 55.13 ; 37.94YG3-M30 ; 518.9 ; 88.21 ; 60.71YG3-M36 ; 759.5 ; 129.12 ; 88.86注:1.括号内为YG2型2.锚固于C10混凝土中的膨胀螺栓,应按表中值再乘以0.75折减系数3.主要承重结构、重要管道以及高速运转、承受冲击荷载和振动较大的设备应加大一级规格型号。
膨胀螺栓(胀锚螺栓)1.普通膨胀螺栓(1)性能、用途:膨胀螺栓由膨胀螺栓套管及螺栓两件组成,适用于在混凝土及砖砌体墙、地基上作锚固体。
其受力性能见表48~49。
膨胀螺栓受力性能(一)表48注:表列数据系按铺固基体为标号大于150号混凝土。
膨胀螺栓受力性能(二)表49(2)规格见图26、表50~51。
膨胀螺栓规格(一)表50膨胀螺栓规格(二)表51Re:化学螺栓化学螺栓化学螺栓是靠与混凝土之间的握裹力和机械咬合力共同作用来抗拔和螺栓本身来抗剪,主要用在新旧结构的连接处,各项力学指标你可以找厂家是产品介绍, 计算时要根据厂家提供的资料来进行,因为各种厂家生产的化学粘接剂都不同,所以粘接能力也不同,最常用的是德国惠鱼锚具、喜得利、台湾固特优、安徽淮南锚具等厂家生产的化学螺栓,化学螺栓是后埋件的一种,在预埋件漏埋或后建工程中使用。
化学螺栓锚固技术属于后加固技术。
近几年来,在建筑翻新,建筑用途的改变,或现有建筑的改扩建等方面,化学螺栓锚固施工作为一种新型的、简便有效的后固定方法,在施工中得到了较为广泛的运用。
一、1、化学螺栓的组成:化学螺栓由化学胶管、螺杆、垫圈及螺母组成。
螺杆、垫圈、螺母(六角)一般有镀锌钢和不锈钢两种(也可按要求热镀锌)。
化学胶管(或用塑料包装的药剂管)含有反应树脂、固化剂和石英颗粒。
2、化学螺栓的有关参数钻孔深度:由锚栓类型及尺寸来决定需要的钻孔深度,除少数例外情况,它一般总大于锚固深度。
在打孔时,钻孔深度的控制尤为重要。
如果使用与相应的厂家锚栓就有与之相匹配的自动保障孔深的钻机(例如德国慧鱼牌锚栓就有与之相匹配的高科技柱锥式万能钻头FZU钻孔,钻孔就很方便。
锚固深度:从锚固基础结构表面到螺杆底端的距离,是影响其承载力的重要参数。
锚固厚度:锚固厚度等于被锚固物体的厚度。
如果锚固基础至少有抹灰或瓷砖、绝缘层覆盖,则锚固的锚固厚度至少等于抹灰或瓷砖、绝缘层厚度加上被锚固物体的厚度。
边距:是指锚栓轴线至构件自由边缘的距离。
膨胀螺栓(胀锚螺栓)1.普通膨胀螺栓(1)性能、用途:膨胀螺栓由膨胀螺栓套管及螺栓两件组成,适用于在混凝土及砖砌体墙、地基上作锚固体。
其受力性能见表48~49。
注:表列数据系按铺固基体为标号大于150号混凝土。
(2)规格见图26、表50~51。
表51您好:喜利得化学锚栓化学锚栓M12*160 镀锌15元/套化学锚栓M16*190 镀锌35元/套备注:喜利得没有M14这种规格的。
普通化学锚栓化学锚栓M12*160 镀锌2.5元/套化学锚栓M14*175 镀锌3元/套化学锚栓M16*190 镀锌5元/套南京曼卡特科技有限公司感谢您的使用,祝您工作顺利!2011-04-25根据墙体实际情况选用不同膨胀螺丝。
一般有以下几种6*60、6*80、6*120、6*150。
6*60:总长60 mm,套管长45 mm、直径8 mm、壁厚0.7 mm、表面是镀彩锌;螺杆长60 mm、直径6 mm、螺纹的部分35 mm、底部杆锤8mm的圆锥形,表面是镀彩锌;螺母外径10 mm的八角形、厚度5 mm、表面是镀白锌;垫片外径13 mm、厚度1mm、内径6 mm、表面镀白锌;弹片是外径9 mm、内径6 mm、厚度1.6 mm 圆环。
6*80:总长80 mm,套管长65 mm、直径8 mm、壁厚0.7 mm、表面是镀彩锌;螺杆长、螺母、垫片、弹片同上。
6*120:总长120mm,套管长105mm、直径8 mm、壁厚0.7 mm、表面是镀彩锌;螺杆长、螺母、垫片、弹片同上。
6*150:总长150mm,套管长135mm、直径8 mm、壁厚0.7 mm、表面是镀彩锌;螺杆长、螺母、垫片、弹片同上。
膨胀螺栓(胀锚螺栓)1.普通膨胀螺栓(1)性能、用途:膨胀螺栓由膨胀螺栓套管及螺栓两件组成,适用于在混凝土及砖砌体墙、地基上作锚固体。
其受力性能见表48~49。
膨胀螺栓受力性能(一)表48注:表列数据系按铺固基体为标号大于150号混凝土。
膨胀螺栓受力性能(二)表49(2)规格见图26、表50~51。
膨胀螺栓规格(一)表50膨胀螺栓规格(二)表51膨胀螺栓设计参考:一、膨胀螺丝之固定原理膨胀螺丝之固定乃是利用挈形斜度来促使膨胀产生摩擦握裹力,达到锚定效果。
二、膨胀螺丝之埋入深度一般膨胀螺丝之埋入深度以其固定用螺栓径之4倍为计算基准,当然埋入越深其所能承受之拉力、剪力也越大,但因厂家设计时需要考虑因素含材质及锚定等问题。
三、膨胀螺丝使用之参考依据(一)混凝土之强度(二)固定螺丝之强度(依材质计算之)(三)膨胀螺丝之强度(厂家设计)四、膨胀螺丝的强度膨胀螺丝的强度测试,以往均以油压器加压,在拉出膨胀螺丝的最大力量为其抗拉强度,这种测试方法的缺点就是未能测知螺丝离开水泥的变位情况,也就是说,我们无法知道膨胀本身材料的弹性应力是在几牛顿之内,因此新型的测试仪器,是把拉力与变位以坐标图画出,Y轴为拉力,X轴为变位(如图)当拉力上升时,变位随之增大,直到水泥破裂或膨胀螺丝,拔出或拉断。
此一曲线的最高点,即为极限抗拉力,另外当拉力上升到某一点,如去除拉力后,变位仍能回到原处者,这一点正是膨胀螺丝本身材料的降伏点,也正是我们设计上所要的比例荷重。
常用膨胀螺丝的变位曲线,约可分为5钟。
1、化学锚栓,SB高拉力膨胀螺丝2、NC型锤钉式.H型.DR型3、SH型套管式SHF型4、尼龙套5、木塞五、安全率之采用一般安全采用方向有二:(一)极限强度法:此法乃是将膨胀打入混凝土内拉出,以其破坏点为基准,再以4-5倍之安全率为可用强度。
此法于国外之采用已有数十年之历史。
(二)比例强度法:此法测试方法用(一),但重点为求出变形点(即为比例荷重),以此为采用基准,再考虑以安全率2倍为可用强度,因其可为路德线(Luder's Line)观知“应力一应变”情形,故较为精确及便捷,但因其欲求出变点(比例荷重),较极限强度法复难,且须使用而较精准之仪器,故一般为研究上采用,此法亦符合ASTME488-88规定。
膨胀螺栓(胀锚螺栓)1.普通膨胀螺栓(1)性能、用途:膨胀螺栓由膨胀螺栓套管及螺栓两件组成,适用于在混凝土及砖砌体墙、地基上作锚固体。
其受力性能见表48~49。
膨胀螺栓受力性能(一)表48注:表列数据系按铺固基体为标号大于150号混凝土。
膨胀螺栓受力性能(二)表49(2)规格见图26、表50~51。
膨胀螺栓规格(一)表50膨胀螺栓规格(二)表51YG型膨胀螺栓的抗拉抗剪力设计值(混凝土构造手册)(锚固于≥C15混凝土中)规格型号;净截面(mm2);抗拉力设计值(KN);抗剪力设计值(KN)YG1-M10 ; 42.2 ; 7.17 ; 4.94YG1-M12 ; 64.6 ; 10.98 ; 7.56YG1-M16 ; 123.6 ; 21.01 ; 14.46YG1-M20 ; 201.2 ; 34.20 ; 23.54YG2,3-M16 ;144.1(201); 24.50 ; 16.86(23.52)YG2,3-M20 ;225.2(314); 38.28 ; 26.35(36.74)YG3-M12 ; 76.3 ; 12.97 ; 8.93YG3-M24 ; 324.3 ; 55.13 ; 37.94YG3-M30 ; 518.9 ; 88.21 ; 60.71YG3-M36 ; 759.5 ; 129.12 ; 88.86注:1.括号内为YG2型2.锚固于C10混凝土中的膨胀螺栓,应按表中值再乘以0.75折减系数3.主要承重结构、重要管道以及高速运转、承受冲击荷载和振动较大的设备应加大一级规格型号。
4.YG0型未列入。
用途:YG1型:锚固承受静荷载的支承件,如安装电缆支架等;YG2型:锚固承受动荷载和受力较大的设备部件,如用作管道支架和设备基础的地脚螺栓;YG3型:锚固承受动荷载和受力较大的设备部件,如用作管道支架和设备基础的地脚螺栓;(与YG2型的安装方式不同)分单胀管式和双胀管式。
膨胀螺栓(胀锚螺栓)1.普通膨胀螺栓(1)性能、用途:膨胀螺栓由膨胀螺栓套管及螺栓两件组成,适用于在混凝土及砖砌体墙、地基上作锚固体。
其受力性能见表48~49。
膨胀螺栓受力性能(一)表48螺栓规格 (毫米)钻孔尺寸(毫米) 受力性能(公斤)直径 深度 允许拉力 允许剪力M6 M8 M10 M12 M16 10.512.514.5192340506075100240440700103019401803305207401440注:表列数据系按铺固基体为标号大于150号混凝土。
膨胀螺栓受力性能(二)表49螺栓规格 (毫米)埋深(毫米)不同基(砌)体时的受力性能(公斤)锚固在75#砖砌体上 锚固在150#混凝土上拉力 剪力 拉力 剪力 允许值极限值允许值极限值允许值极限值允许值极限值M6×55 M8×70 M10×85 M12×105 M16×140 3545556590100225390440500305675117513251500701051652454602003195007341380245540940106012506101350235026503100801502353456502003755888631625(2)规格见图26、表50~51。
膨胀螺栓规格(一)表50型号规格(毫米)各部尺寸尺寸(毫米)安装后尺寸(毫米)L L1 φH a b重量(公斤/100件)Ⅰ型 M6×65M6×75M6×85M8×80657585803535354510101012333388892.772.933.156.14M8×90 M8×100 M10×95 M10×110 M10×125 M12×110 M12×130 M12×150 M16×150 M16×1759010095110125110130150150175454555555565656590901212141414181818222233333444449912121214.514.514.519196.426.721010.911.616.918.319.637.240.4Ⅱ型 M10×150M10×175M10×200M12×150M12×200M12×250M16×200M16×250M16×30015017520015020025020025030055555565656590909014141418181822222288810101013131333344444412121214.514.514.51919191314.215.42023.727.44460.567膨胀螺栓规格(二)表51规格 (毫米)埋深(毫米)钻孔直径(毫米)规格(毫米)埋深(毫米)钻孔直径(毫米)M5×45 M6×55 M8×70 M10×85 M12×105 M14×125 25354555657581012141618M16×140M18×155M20×170M22×185M24×200M27×21590155120135150155222628323538。
膨胀螺栓(胀锚螺栓)
1.普通膨胀螺栓
(1)性能、用途:膨胀螺栓由膨胀螺栓套管及螺栓两件组成,适用于在混凝土及砖砌体墙、地基上作锚固体。
其受力性能见表48~49。
膨胀螺栓受力性能(一)表48
注:表列数据系按铺固基体为标号大于150号混凝土。
膨胀螺栓受力性能(二)表49
(2)规格见图26、表50~51。
膨胀螺栓规格(一)表50
膨胀螺栓规格(二)
膨胀螺栓设计参考:
一、膨胀螺丝之固定原理
膨胀螺丝之固定乃是利用挈形斜度来促使膨胀产生摩擦握裹力,达到锚定效果。
二、膨胀螺丝之埋入深度
一般膨胀螺丝之埋入深度以其固定用螺栓径之4倍为计算基准,
当然埋入越深其所能承受之拉力、剪力也越大,但因厂家设计时需要考虑因素含材质及锚定等问题。
三、膨胀螺丝使用之参考依据
(一)混凝土之强度
(二)固定螺丝之强度(依材质计算之)
(三)膨胀螺丝之强度(厂家设计)
四、膨胀螺丝的强度
膨胀螺丝的强度测试,以往均以油压器加压,在拉出膨胀螺丝的最大力量为其抗拉强度,这种测试方法的缺点就是未能测知螺丝离开水泥的变位情况,也就是说,我们无法知道膨胀本身材料的弹性应力是在几牛顿之内,因此新型的测试仪器,是把拉力与变位以坐标图画出,Y轴为拉力,X轴为变位(如图)当拉力上升时,变位随之增大,直到水泥破裂或膨胀螺丝,拔出或拉断。
此一曲线的最高点,即为极限抗拉力,另外当拉力上升到某一点,如去除拉力后,变位仍能回到原处者,这一点正是膨胀螺丝本身材料的降伏点,也正是我们设计上所要的比例荷重。
常用膨胀螺丝的变位曲线,约可分为5钟。
1、化学锚栓,SB高拉力膨胀螺丝
2、NC型锤钉式.H型.DR型
3、SH型套管式SHF型
4、尼龙套
5、木塞
五、安全率之采用
一般安全采用方向有二:
(一)极限强度法:此法乃是将膨胀打入混凝土内拉出,以其破坏点为基准,再以4-5倍之安全率为可用强度。
此法于国外之采用已有数十年之历史。
(二)比例强度法:此法测试方法用(一),但重点为求出变形点(即为比例荷重),以此为采用基准,再考虑以安全率2倍为可用强度,因其可为路德线(Luder's Line)观知“应力一应变”情形,故较为精确及便捷,但因其欲求出变点(比例荷重),较极限强度法复难,且须使用而较精准之仪器,故一般为研究上采用,此法亦符合ASTME488-88规定。
极限强度安全法之安全率,以目前国内大都采用4倍为主(依建筑技术规则之规定,吊装件重量四倍强度)但因考虑地震等因素,对于较重要之工程或建物,需顾及其安全性、生命性等因素时,应考虑5倍以上。
而动荷重因其加力于物体上之动力条件使材料产生棒内阻力(resiting force of bar)最大为逐渐返加外力之两倍,故动荷重之安全率考虑为8倍以上,若已考虑突发加力或
震动力时,当可按一般之安全率考虑使用4-5倍,上述棒内应力系限定于比例限度之内。
事实上,安全率之考虑,应由设计者或工程师依据设计实际需要加以研判考虑。
比例强度法之安全率较为单纯,因其已求出比例荷重,故一般以比例荷重之40%-60%为安全率,本公司建议采用之一般长期荷重为比例强度之50%。
六、水泥强度之考虑
水泥在灌浆过程中,由于沉沙或出水问题,往往造成水泥本身上下强度不均的事实现象,这也是必需现场测试的主要原因,另外也就是要把实验室中所测试的结果加以修正以应用到实际的工程位置上,因此修正系数如下:
●天花板及墙壁之施工修正系数为—
●地面施工,修正系数为—
(1)长期静荷重一般长期荷重为比例荷重之修正值的1/2 长期荷重=比例荷重×K/2
(K:修正系数; 2:安全率)
(2)短期静荷重一般短期荷重为比例荷重之修正值
短期荷重=比例荷重×修正系数
设计者或工程师应多方考虑研判应用之安全率
七、两支间距及边距之考虑
两支间距标准间距最小边距(最靠边距离)
金属膨胀螺丝埋入深度倍以上埋入深度倍以上埋入深度倍以上
(拉力会减低)
化学锚栓 2倍倍倍(拉力会减低)
八、其它
膨胀螺丝之使用常因其它配合因素(如混凝土强度,施工偏差等)影响品质,故能于现场以仪器测试取得数据,当更以正确。
本公司备有测试仪器可供现场以破坏或非破坏性两种方式之测试,取得应力—应力数据,以供设计及使用参考。