生产过程质量管理考核程序表格模板
- 格式:doc
- 大小:27.50 KB
- 文档页数:2
绩效考核体系目录一、某某公司考核规则 (3)二、某某公司各类人员的考核表1.定性指标考核表——考核表11.1.甲类人员定性指标评分表——考核表1-1 (7)1.2.乙类人员定性指标评分表——考核表1-2 (8)1.3.丙类人员定性指标评分表——考核表1-3 (9)2.定量(效果)指标考核表——考核表22.1.总经理对直接下属定量(效果)指标考核表——考核表2-1 (10)2.2.常务副总对直接下属定量(效果)指标考核表——考核表2-2 (12)2.3.微机室主任接下属定量(效果)指标考核表——考核表2-3 (13)2.4.工程服务部经理对直接下属定量(效果)指标考核表——考核表2-4 (14)2.5.办公室主任对直接下属定量(效果)指标考核表——考核表2-5 (15)2.6.营销副总对直接下属定量(效果)指标考核表——考核表2-6 (16)2.7.内贸部经理对直接下属定量(效果)指标考核表——考核表2-7 (17)2.8.外贸部经理对直接下属定量(效果)指标考核表——考核表2-8 (18)2.9.技术副总对直接下属定量(效果)指标考核表——考核表2-9 (19)2.10.技术部经理对直接下属定量(效果)指标考核表——考核表2-10 (20)2.11.质管部经理对直接下属定量(效果)指标考核表——考核表2-11 (21)2.12.生产副总对直接下属定量(效果)指标考核表——考核表2-12 (22)2.13.物流副总对直接下属定量(效果)指标考核表——考核表2-13 (24)2.14.外协部经理对直接下属定量(效果)指标考核表——考核表2-14 (25)2.15.外购部经理对直接下属定量(效果)指标考核表——考核表2-15 (26)2.16.仓务部经理对直接下属定量(效果)指标考核表——考核表2-16 (27)2.17.金工车间主任对直接下属定量(效果)指标考核表——考核表2-17 (28)2.18.装配车间主任对直接下属定量(效果)指标考核表——考核表2-18 (29)2.19.调试车间主任对直接下属定量(效果)指标考核表——考核表2-19 (30)2.20.设备动力科科长对直接下属定量(效果)指标考核表——考核表2-20 (32)2.21.财务总监对直接下属定量(效果)指标考核表——考核表2-21 (33)2.22.财务部经理对直接下属定量(效果)指标考核表——考核表2-22 (34)三、考核评分计算表——考核表31.甲类人员考核分计算表——考核表3-1 (35)2.乙类人员考核分计算表——考核表3-2 (36)3.丙类人员考核分计算表——考核表3-3 (37)四、考核分汇总表——考核表41.月度(季度、半年度)各岗位考核分汇总表——考核表4-1 (38)2.年终各岗位考核分汇总——表考核表4-2 (39)五、各岗位考核主体对照表——考核表5 (40)六、考核指标、考核权重对照表1.定性指标权重对照表——考核表61.1.甲类人员定性指标权重对照表——考核表6-1 (44)1.2.乙类人员定性指标权重对照表——考核表6-2 (45)1.3.丙类人员定性指标权重对照表——考核表6-3 (46)2.定量指标与计算标准对照表——考核表72.1.营销人员定量指标与计算标准对照表——考核表7-1 (47)2.2.物流部门定量指标与计算标准对照表——考核表7-2 (49)2.3.生产人员定量指标与计算标准对照表——考核表7-3 (51)2.4.技术人员定量指标与计算标准对照表——考核表7-4 (56)2.5.质量管理部门定量指标与计算标准对照表——考核表7-5 (58)3.效果指标对照表——考核表8 (59)XX公司考核规则第一章总则第一条公司员工考核目的1.对员工在一定时期内担当职务工作所表现出来的能力、努力程度以及工作实绩进行分析,做出客观评价,把握员工工作执行和适应情况,确定人才开发的方针政策及教育培训方向,合理配置人员,明确员工工作的导向;2.保障组织有效运行;3.给予员工与其贡献相应的激励以及公正合理的待遇,以促进科技管理的公正和民主,激发员工工作热情和提高工作效率。
制程质量管理表格(一)制程作业检查表
注:使用记号:“√”妥善“×”故障“△”需改进
(二)生产条件通知单
编号:填写日期:
(三)生产事前检查表
(四)生产过程记录卡批号:规格:工令:用途:编号:
经办:审核:
(五)过程控制标准表
(六)产品质量标准表
(七)产品质量检验表
审核:质量检验:
(八)质量因素变动表编号:填写日期:
(九)操作标准变更通知单编号:填写日期:
审批:复核:
(十)生产过程检验标准表产品名称:部门:页次:
(十一)产品质量抽查记录机器名称:班别:
抽查员:主管:
(十二)制程质量管理工作流程
(十三)质量分析统计工作流程
(十四)质量指标报告工作流程
(十五)制程质量异常处理工作流程
(十六)工序质量分析表
(十七)工序质量评定表
(十八)工序质量跟踪卡
工程名称:编号:
质检员签字:年月日
(十九)工序控制点明细表
(二十)工序质量审核记录表
(二十一)检验工序作业指导书
(二十二)工序质量检验评定表
(二十三)工序操作标准通知单
审核:填单人:
(七)质量目标管理工作流程。
2023年质量管理责任制量化考核表
1. 背景和目的
本考核表的设计旨在对质量管理责任制进行量化考核,促进组织内部质量管理责任的明确和有效落实。
3. 考核方法和指标评分
- 每个指标按照优、良、中、差四个等级进行评分,分别对应4、3、2、1分。
- 每个指标的评分应基于实际情况,综合考虑相关数据和证据。
- 每个指标的评分加权求和,得到总分。
- 总分越高,代表组织的质量管理责任制落实情况越好。
4. 考核结果和反馈
- 考核结果将以报告形式呈现,并通知相关负责人。
- 针对评分较低的指标,需要进行深入分析和改进,并制定相
应的改进计划。
- 考核结果和改进计划应被纳入组织的质量管理体系,作为持
续改进的依据。
以上是2023年质量管理责任制量化考核表的内容和设计思路,请按照实际情况进行实施和操作。
如有任何疑问,请及时联系相关
负责人。
生产管理制度表格个doc以下是一个生产管理制度表格,包括生产计划、生产过程管理、质量管理、安全管理等几个方面的重要内容。
生产管理制度表格生产计划1.生产计划编制1.1 生产计划由生产部门负责编制,具体分配生产任务根据销售订单、库存情况及需求预测等1.2 生产部门应将生产计划提交至总经理办公室审核1.3 生产计划每月更新一次,可根据实际情况灵活调整2.生产进度监控2.1 生产部门应及时掌握各项目生产进度,跟踪巡检生产过程,及时反馈生产进度2.2 生产进度超过计划时间30%以上,应及时上报总经理办公室,协商解决措施3.库存管理3.1 生产部门应及时更新库存信息,确保库存充足但不过多,避免成品储存过久3.2 成品库管人员应定期盘点库存生产过程管理1. 设备维修保养1.1 设备维修保养由生产部门负责,应按照设备使用、保养及维修流程操作1.2 生产人员应对设备进行日常巡检,并及时上报设备异常情况2. 员工培训2.1 生产部门应定期对生产人员进行岗位培训,提升员工技能及工作安全意识2.2 生产部门应记录员工培训情况,并监督培训成果质量管理1. 生产前检查1.1 生产部门应在生产前进行零部件及设备的检查,确保设备安全可靠1.2 应落实检查记录,记录检查结果及处理情况2. 中控检查2.1 生产部门应定期对生产过程进行中控检查,确保生产过程正常有序2.2 应落实检查记录,记录检查结果及处理情况3. 成品检查3.1 生产部门应对成品进行检查,确保成品质量符合标准3.2 应落实检查记录,记录检查结果及处理情况安全管理1. 安全培训1.1 生产部门应定期对员工进行安全培训,提高员工安全意识1.2 应记录员工安全培训情况,并监督培训成果2. 应急预案2.1 生产部门应制定应急预案,包括火灾、爆炸、漏电、物品落地等应急情况的处理流程2.2 生产部门应定期培训员工应急预案,确保员工知晓应急处理流程及方法总评以上是一个生产管理制度表格,包括生产计划、生产过程管理、质量管理、安全管理等几个方面的重要内容。
生产部门绩效考核表格
一、生产效率
项目目标值实际完成值完成率
生产计划完成率100%
生产效率提升年度提升XX%
设备故障停机时间小于XX小时/月
二、产品质量
项目标准要求实际达成情况产品合格率≥XX%
客户投诉率≤XX%
退货率≤XX%
一次交验合格率≥XX%
三、生产成本
项目目标值实际发生值差异额原材料消耗成本
人工成本
制造成本降低率年度降低
XX%
四、安全生产
项目标准要求实际执行情况安全培训参与率100%
安全事故发生率≤XX次/年
安全整改完成率100%
五、生产周期
项目目标值实际完成周期达成率产品生产周期XX天/批
订单交付准时率≥XX%。
生产过程管理表格一、生产过程控制标准表
二、生产过程控制表
三、生产过程管理图示
编号:
四、生产过程记录表
批号:规格:工令:用途:编号:
379
经办:审核:
五、重工返修日报表
填写日期:
六、生产过程记录卡
批号:色号:规格:工令:用途:编号:380
经办:
七、装配不良记录表
组成数量:
成品数量:年月日
线长:检查员:
八、生产事前检核表
生产批号:产品名称:数量:页次:
381
九、各部门合格率控制表
十、作业检查表
班别:检查员:月份:382
注√—妥善×—故障△—需改善
十一、零件不合格处理单
十二、质量管理因素变动表
编号:填写日期:
383
十三、生产工序质量评定表
十四、质量控制小组会议报告表
384
385。
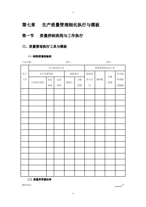
第七章生产质量管理细化执行与模板第一节质量控制流程与工作执行三、质量管理执行工具与模板(一)制程质量检验表产品名称:部门: 页次:(二)质量异常通知单通知单位: 年月日(三)质量异常报告单编号:(四)产品返修记录单(五)不良项目调查表(六)质量不良率分析表编号:年月日操作工: 经办人:主管:(七)质量管理小组活动表(八)不合格品管理办法模板第1章总则第1条目的为适当处理不合格品,判断不合格品是否可以返修,是否可以转用或必须报废,使物料能够物尽其用,并节省不合格品的管理费用及储存空间,特制定本办法。
第2条适用范围本办法适用于质量不符合规格的原材料、半成品及成品且认为不可返修的物料,但不包括以下两项内容。
1.对进料检验时判定的不合格进料,应退货或特采.2.对进料检验后发现的不合格进料,且责任属于进料供应商的,应退货或交换合格品。
第3条职责划分生产部负责召集工程、生产、物料等专项负责人成立监审小组进行监审工作。
第2章不合格品产生原因分析与记录第4条不合格品产生的原因不合格品产生的原因集中在产品设计、工序管制、原材料采购等环节,具体表现如下表所示。
不合格品原因分析表第5条不合格品的记录对不合格品进行记录是为了方便以后的品质追溯,以及为品质改善提供原始资料,不合格品的记录应包括以下内容。
1.不合格品的名称、规格、颜色和编号。
2.不合格品产生的订(工)单号、生产日期和部门。
3.不合格品数量占总产量比率。
4。
不合格品的缺陷描述.5。
相关部门对不合格品的评审结论。
6.不合格品的处置意见和实施结果的详细情况。
7.针对不合格现象的纠正与预防措施及实施效果。
第3章不合格品的处理第6条不合格品处理的基本要求1。
及时发现不合格品,做出标记并隔离存放。
2.确定不合格品的范围,如型号、时间和产品批次等。
3.评定不合格品的严重程度.4.按规定进行不合格品的鉴别、记录、标识、隔离、控制、审查与处理,并加以记录。
5.通知受不合格品影响的部门做好预防措施。
1.0目的对生产过程质量管理实施严格考核,确保有关部门和人员都严格执行生产过程质量管理制度。
2.0适用范围适用于生产过程质量管理的检查考核。
3.0职责办公室负责生产过程质量管理的检查考核。
4.0 程序4.1生产过程质量管理基本要求严格工艺纪律是加强生产过程质量管理的重要内容,是建立正常生产秩序、确保产品质量、进行安全生产、降低消耗、提高效益的保证。
本厂全体人员都应严格执行工艺纪律。
4.2 工艺纪律的主要内容4.2.1厂领导及职能部门的工艺职责:a) 建立和健全统一、有效的工艺管理体系,制定完整、有效的工艺管理制度及岗位责任制;b)工艺文件必须正确、完整、统一、清晰;c)生产安排必须以工艺文件为依据,做到均衡生产;d)凡投入生产的水源水、包装材料必须符合设计和工艺要求;e)设备必须能正常运转、安全、可靠;f)工艺装备应经常保持良好的技术状态,计量仪器应周期检定,确保量值准确、统一;g)工人初次上岗前必须经过专业培训,做到定人、定机、定工种。
4.2.2生产现场工艺纪律:a)操作者要认真做好生产前的准备工作,严格按工艺文件和有关标准进行生产。
严格执行工艺参数并予以记录,存档备查;b)大型设备的操作者和电工等必须经过培训考核合格后持证上岗;c)新工艺、新技术、新配方和新装备必须经验证、鉴定合格后纳入工艺文件方可正式使用;d)生产现场应做好定置管理和文明生产。
4.3 工艺纪律的考核4.3.1办公室对生产现场工艺纪律进行检查考核,一般每月检查考核一次。
4.3.2工艺纪律主要考核内容:a)工艺文件的贯彻情况;b)设备和工艺装备的完好情况;c)计量仪器的周期检定情况;d)定人、定机、定工种的符合情况;e)定置管理和文明卫生生产情况等。
4.3.3工艺纪律检查考核记录由生产部归档保管。
5.0 质量记录工艺纪律检查考核记录。
1.0目的
对生产过程质量管理实施严格考核,确保有关部门和人员都严格执行生产过程质量管理制度。
2.0适用范围
适用于生产过程质量管理的检查考核。
3.0职责
办公室负责生产过程质量管理的检查考核。
4.0 程序
4.1生产过程质量管理基本要求
严格工艺纪律是加强生产过程质量管理的重要内容,是建立正常生产秩序、确保产品质量、进行安全生产、降低消耗、提高效益的保证。
本厂全体人员都应严格执行工艺纪律。
4.2 工艺纪律的主要内容
4.2.1厂领导及职能部门的工艺职责:
a) 建立和健全统一、有效的工艺管理体系,制定完整、有效的工艺管理制度及岗位责任制;
b)工艺文件必须正确、完整、统一、清晰;
c)生产安排必须以工艺文件为依据,做到均衡生产;
d)凡投入生产的水源水、包装材料必须符合设计和工艺要求;
e)设备必须能正常运转、安全、可靠;
f)工艺装备应经常保持良好的技术状态,计量仪器应周期检定,确保量值准确、统一;
g)工人初次上岗前必须经过专业培训,做到定人、定机、定工种。
4.2.2生产现场工艺纪律:
a)操作者要认真做好生产前的准备工作,严格按工艺文件和有关标准进行生产。
严格执行工艺参数并予以记录,存档备查;
b)大型设备的操作者和电工等必须经过培训考核合格后持证上岗;
c)新工艺、新技术、新配方和新装备必须经验证、鉴定合格后纳入工艺文件方可正式使用;
d)生产现场应做好定置管理和文明生产。
4.3 工艺纪律的考核
4.3.1办公室对生产现场工艺纪律进行检查考核,一般每月检查考核一次。
4.3.2工艺纪律主要考核内容:
a)工艺文件的贯彻情况;
b)设备和工艺装备的完好情况;
c)计量仪器的周期检定情况;
d)定人、定机、定工种的符合情况;
e)定置管理和文明卫生生产情况等。
4.3.3工艺纪律检查考核记录由生产部归档保管。
5.0 质量记录
工艺纪律检查考核记录。