各种拉伸试样尺寸
- 格式:doc
- 大小:15.00 KB
- 文档页数:2
金属拉伸试验标准试样
类型及尺寸
WEIHUA system office room 【WEIHUA 16H-WEIHUA WEIHUA8Q8-
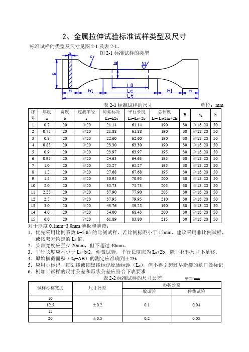
2、金属拉伸试验标准试样类型及尺寸
标准试样的类型及尺寸见图2-1及表2-1。
表2-1标准试样的尺寸单位:mm
对于厚度~薄板和薄带:
1.优先采用比例系数k=的比例试样,若比例标距小于15mm,建议采用非比例试样,或按双方约定的L0值。
2.头部宽度应至少20mm,但不超过40mm。
3.平行长度应不少于L0+b/2,仲裁试验,平行长度应为L0+2b,除非材料尺寸不足够。
4.原始横截面积(S0=AB)的测定应准确到±2%
5.应用小标记、细划线或细黑线标记原始标距(L0),但不得引起过早断裂的缺口做标记6.机加工试样的尺寸公差和形状公差应符合下表要求
表2-2标准试样的尺寸公差单位:mm。
金属拉伸试验标准试样类型及尺寸
标准试样的类型及尺寸见图2-1及表2-1。
表2-1标准试样的尺寸单位:mm
对于厚度0.1mm~3.0mm薄板和薄带:
1.优先采用比例系数k=5.65的比例试样,若比例标距小于15mm,建议采用非比例试样,
或按双方约定的L0值。
2.头部宽度应至少20mm,但不超过40mm。
3.平行长度应不少于L0+b/2,仲裁试验,平行长度应为L0+2b,除非材料尺寸不足够。
4.原始横截面积(S0=AB)的测定应准确到±2%
5.应用小标记、细划线或细黑线标记原始标距(L0),但不得引起过早断裂的缺口做标记
机加工试样的尺寸公差和形状公差应符合下表要求
表2-2标准试样的尺寸公
差单位:mm。
2、金属拉伸试验标准试样类型及尺寸
表2-1标准试样的尺寸单位:mm
对于厚度0.1mm~3.0mm薄板和薄带:
1 •优先采用比例系数k=5.65的比例试样,若比例标距小于15mm,建议采用非比例试样, 或
按双方约定的L o值。
2. 头部宽度应至少20mm,但不超过40mm。
3. 平行长度应不少于L°+b/2,仲裁试验,平行长度应为L°+2b,除非材料尺寸不足够。
4. 原始横截面积(S0=AB )的测定应准确到土2%
5. 应用小标记、细划线或细黑线标记原始标距(L0),但不得引起过早断裂的缺口做标记
6. 机加工试样的尺寸公差和形状公差应符合下表要求
表2-2标准试样的尺寸公差单位:mm。
1.拉伸试验的作用及试样的形状及尺寸答:作用:测定材料的弹性,强度,塑性,应变硬化和韧性等许多重要力学性能指标;形状:光滑圆柱试件,板状试件;尺寸:①圆柱形拉伸试件:试件的标距长度Lo应比Do要大得多,通常Lo>5Do;板状拉伸试件:标距长度Lo应满足下列关系式:Lo﹦5.65Ao或11.3Ao;其中Ao为试件的初始面积。
2.应力状态柔度系数的物理意义及应用?答:应力状态柔度系数:在各种加载条件下,最大切应力τmax与最大正应力σmax之比,记为α,α=τmax/σmax.。
α(拉伸)﹤α(扭转)﹤α(压缩)3.金属材料的弹性不完善性包括那几个方面?答:弹性不完善性是指收到应力作用是,没有立即发生相应的弹性应变去除应力时应变也不是随即消失,包括弹性后效,弹性滞后,包申效应三个方面。
4.金属材料使用过程和生产过程对材料有什么要求?(强度和塑性)答:在进行材料选择时,设计师必须首先考虑强度,导电性或导热性,密度及其他性能。
然后,在考虑材料的加工性能和使用行为(其中材料的可成塑性,机械加工性,电稳定性,化学持久性及辐照行为是重要的。
)以及成本和材料来源。
所谓强度是指金属材料在静载荷作用下,材料抵抗变形和破坏(断裂)的能力成为强度。
根据外力的作用方式,有多种强度指标,如抗拉强度,抗弯强度,抗剪强度等。
一般情况下多以抗拉强度作为判别金属强度高低的招标。
机械零件在使用时,一般不允许发生塑性变形,所以屈服强度是大多数机械零件设计时选材的主要依据也是评定金属材料承载能力的重要机械性能指标。
材料的屈服强度越高,允许的工作应力越高,零件所需的截面尺寸和自身重量就可以较小。
材料发生屈服后,到最高点应力达最大值σb。
在这以后,试样产生“缩颈”,迅速伸长,应力明显下降,最后断裂。
试样裂前能够承受的最大应力值σb称为抗拉强度或强度极限。
如果单从保证零件不产生断裂的安全角度考虑,可用作为设计依据,但所取的安全系数应该大一些。
附铸试样尺寸附铸试样,是指在铸造过程中为了检测铸件质量而制备的小件。
试样的形状和尺寸应符合规定,以便进行各种力学性能、化学成分、金相组织等方面的检测。
试样的尺寸因材料、检测标准、铸造工艺等因素而异,下面简单介绍几种常见的附铸试样尺寸。
1. 铸铁试样尺寸铸铁试样的尺寸大小与样品的用途和检测标准有关,常见的附铸试样尺寸有以下几种:(1) 压力球试样:直径为12.5mm,高度为20mm。
(2) 拉伸试样:标准试样的横截面积为10mm×10mm,长度为50mm。
(3) 冲击试样:标准试样长度为55mm,宽度为10mm,厚度为10mm。
(4) 金相试样:标准试样的直径为30mm,厚度为10mm。
2. 铝合金试样尺寸铝合金试样的尺寸大小取决于不同的检测标准和应用领域,常见的附铸试样尺寸有以下几种:(1) 拉伸试样:标准试样的横截面积为10mm×5mm,长度为50mm。
(2) 冲击试样:标准试样长度为55mm,宽度为10mm,厚度为10mm。
(3) 金相试样:标准试样的直径为30mm,厚度为10mm。
3. 镁合金试样尺寸镁合金试样的尺寸大小也因不同的检测标准和应用领域而异,常见的附铸试样尺寸有以下几种:(1) 拉伸试样:标准试样的横截面积为10mm×5mm,长度为50mm。
(2) 冲击试样:标准试样长度为55mm,宽度为10mm,厚度为10mm。
(3) 金相试样:标准试样的直径为30mm,厚度为10mm。
总结附铸试样在铸造生产中具有重要的作用,能够检测铸件的力学性能、化学成分、金相组织等方面的质量,保证铸件的质量稳定。
不同材料的试样尺寸大小不同,需要根据不同的检测标准和应用领域进行选择。
在实际生产中,应严格按照标准制备试样,确保检测结果的准确性和可靠性。
板材和管材的拉伸试样棒材试样对棒材(包括方和六方形等),一般采用圆形试样,其平行部分直径通常为3~25mm。
而各部分尺寸之允许偏差及表面加工粗糙度符合图1的和表2的规定。
对钢、铜材通常采用do=10mm,lo=5do的比例试样,但有时为了考核产品的整体性能,也可取制do>25mm或尽可能大的圆形试样进行试验。
通常铝材尺寸偏小,试样可按有关标准或双方协议规定执行。
对软金属,经双方同意,可采用较低表面粗糙度,但对高强材料,则要求高的加工表面粗糙度,直至抛光。
试样分为带头不带头的两种,仲裁试验时应采用前者,后者一般用于不宜或不经机加工而整拉的棒材。
板材试样对厚、薄板材,一般采用矩形试样,其宽度根据产品厚度(通常为0.10~25mm),采用10、12.5、15、20、25和30mm六种比例试样,尽可能采用lo=5.65而的短比例试样。
试样厚度一般应为原轧制厚度,但在特殊情况下也允许多号用四面机加工的试样。
通常试样宽度与厚度之比不大于421或821,其试样按表10规定散制,对铝钱材则一般可采用较小宽度。
对厚度小于0.5mm的薄板(带),亦可采用定标距试样。
试样各部分允许机加工偏差及侧边加工粗糙度应符合图2和表3的规定,对四面机加工的矩形试样,其机加工偏差应用于圆形试样,如表2所示。
根据有关标准要求,对厚钢板亦可取制垂直轧制面(Z向)的拉伸试样,此时应按钢板厚度及表2的规定,采用带头圆形试样为宜。
必要时,可焊钢板于两端,以利夹持。
对中、薄高强度板材,亦可采用头部带销孔的试样,以免其在拉伸过程中的卷曲现象。
金属薄板的试样尺寸如下图所示矩形试样分为带头和不带头的两种,带头试样两头部轴线与平行部分轴线间的偏差不得大于0.5mm。
仲裁试验时应采用带头试样。
管材试样管材试样一般为自管材切取的全截面管段或从管材切取的全壁厚纵向或横向条状试样。
根据管材外径Do和壁厚ao,可为弧形、矩形或圆形截面。
如条件许可,应优先采用全截面管段试样。
拉力试验标准试件尺寸
拉力试验标准试件尺寸依据不同的材料和试验标准会有所差异。
以下是一些常用的拉力试验标准试件尺寸:
1. 金属拉伸试样:
ASTM E8/E8M-11标准试件尺寸为
长度:250mm
夹口长度:50mm
试样截面尺寸:25.4mm×6.35mm
2. 纤维材料拉伸试样:
ASTM D3039/D3039M-17a 标准试件尺寸为
长度:250mm
夹口长度:100mm
试样截面尺寸:10mm×5mm
3. 橡胶试样:
ASTM D412/D412M-16a 标准试件尺寸为
长度:75mm
夹口长度:25mm
试样截面尺寸:12.5mm×6.4mm
4. 塑料试样:
ASTM D638-14 标准试件尺寸为
长度:125mm
夹口长度:25mm
试样截面尺寸:12.7mm×6.35mm
5. 木材试样:
ASTM D143-14 标准试件尺寸为
长度:305mm
夹口长度:76mm
试样截面尺寸:25.4mm×25.4mm
需要根据具体试验标准选择合适的试样尺寸,以保证测试结果的精确性和可比性。
拉伸试验标准尺寸
拉伸试验的标准尺寸主要取决于试样的类型和实验的要求。
以下是一些常见的拉伸试样尺寸:
热轧板材和钢板试样:长度为200mm,宽度为50mm,厚度应尽量大,不小于3mm。
热轧板材和钢板试样(小厚度):长度为100mm,宽度为25mm,厚度应尽量大,不小于0.5mm。
热轧钢材试样:长度为50mm,厚度为不小于6mm,宽度为试样厚度的2倍。
焊缝纵向拉伸试样尺寸:用于测试焊缝纵向拉伸性能,厚度可根据实验情况改动,标距为15mm(适用于一楼检测中心的拉伸实验机)。
焊区接头大拉伸试样尺寸:用于测试焊区横向宏观拉伸性能,标距为30mm(适用于一楼检测中心的拉伸实验机)。
搅拌区横向拉伸试样尺寸:用于测试搅拌区内材料的拉伸性能,标距为2mm(适用于本实验室的微型拉伸实验机)。
镍铝青铜母材室温拉伸样品尺寸:需要根据具体的材料性质和实验要求来确定。
一般来说,拉伸试样的尺寸会根据材料的类型、厚度以及实验的要求进行选择和调整。
如有需要,建议咨询专业人士获取具体信息。
金属拉伸试验标准试样类型及尺寸
标准试样的类型及尺寸见图2-1及表2-1
表2-1标准试样的尺寸单位:mm
对于厚度0.1mm~3.0mm薄板和薄带:
1 •优先采用比例系数k=5.65的比例试样,若比例标距小于15mm,建议采用非比例试样,
或按双方约定的L o值。
2•头部宽度应至少20mm,但不超过40mm。
3.平行长度应不少于L°+b/2,仲裁试验,平行长度应为L°+2b,除非材料尺寸不
足够。
4 .原始横截面积(S0=AB )的测定应准确到土2%
5.应用小标记、细划线或细黑线标记原始标距(L0),但不得引起过早断裂的
缺口做标记
机加工试样的尺寸公差和形状公差应符合下表要求
表2-2标准试样的尺寸公
差单位:mm。
2、金属拉伸试验标准试样类型及尺寸
标准试样的类型及尺寸见图2-1及表2-1。
表2-1标准试样的尺寸单位:mm
对于厚度0.1mm~3.0mm薄板和薄带:
1.优先采用比例系数k=5.65的比例试样,若比例标距小于15mm,建议采用非比例试样,或按双方约定的L0值。
2.头部宽度应至少20mm,但不超过40mm。
3.平行长度应不少于L0+b/2,仲裁试验,平行长度应为L0+2b,除非材料尺寸不足够。
4.原始横截面积(S0=AB)的测定应准确到±2%
5.应用小标记、细划线或细黑线标记原始标距(L0),但不得引起过早断裂的缺口做标记6.机加工试样的尺寸公差和形状公差应符合下表要求
表2-2标准试样的尺寸公差单位:mm
如有侵权请联系告知删除,感谢你们的配合!。
课题组常用的几种拉伸试样形状与尺寸
图1焊缝纵向拉伸试样尺寸,用于测试焊缝纵向拉伸性能,厚度可
根据实验情况改动,标距15mm
适用于一楼检测中心的拉伸实验机,
图2焊区接头大拉伸试样尺寸,用于测试焊区横向宏观拉伸性能,标距30, 适用于一楼检测中心的拉伸实验机1.5mm/min
图3搅拌区横向拉伸试样尺寸,用于测试搅拌区内材料的拉伸性能,标距2mm,适用于本实验室的微型拉伸实验机
图4焊缝纵向拉伸试样尺寸,用于测试焊缝纵向拉伸性能,标距为7mm, 适用于本实验室的微型拉伸试验机
注:对于微型拉伸实验机来说,所列试样尺寸只是相对于卡头而言,其具体厚度要结合材料的力学性能和实验机的量程灵活制定.
图5镍铝青铜母材室温拉伸样品尺寸
二、关于室温拉伸应变速度的确定
对于要求伸长率大于5%的材料,当只要求测试抗拉强度时,试验机的速度应设定在每分钟缩减部分长度0.05到0.5m/m之间,换句话说可用引伸计或应变速度仪设定在0.05-0.5m/m/min之间。
三、对于实验结果的修约:
(1)小于500MPa的修约至1MPa;
(2)500-1000MPa之间的修约到5MPa;
(3)大于1000MPa的修约到10MPa;
四、关于面积收缩的修约
(1)没有特殊规定的,建议0-10%范围内修至0.5%;
(2)大于10%的修至1%;
五、伸长率的测试
(1)对于标距小于50mm时,精确到0.25mm,大于50mm时,精确到0.5mm,精确度0.5%
(2)对于要求小于3%的,试验之前后标距精确到0.05mm,以0.2%报
镍铝青铜室温拉伸试样
倪丁瑞,
镍铝青铜搭接区域拉伸试样尺寸,以黑线部分为平行段纵向中线。
倪丁瑞
北航Al-Mg-Er材料, 4mm厚
母材与焊接试样均采用该尺寸试样
2009-9-29。