金属材料拉伸试验标准试样类型及尺寸
- 格式:docx
- 大小:82.31 KB
- 文档页数:8
金属拉伸试验标准试样类型及尺寸标准试样的类型及尺寸见图2-1及表2-1。
表2-1标准试样的尺寸单位:mm序号厚度a宽度b过渡半径r原始标距L0=kS0平行长度L c=L0+2b总长度L t= L c+2h1+2hB h1h10.720≥2021.1461.1419030≥13.235020.7520≥2021.8861.8819030≥13.235030.820≥2022.6062.6019030≥13.235040.8520≥2023.3063.3019030≥13.235050.920≥2023.9763.9719530≥13.235060.9520≥2024.6364.6319530≥13.23507 1.020≥2025.2765.2719530≥13.23508 1.220≥2027.6867.6819530≥13.50对于厚度0.1mm~3.0mm薄板和薄带:1.优先采用比例系数k=5.65的比例试样,若比例标距小于15mm,建议采用非比例试样,或按双方约定的L0值。
2.头部宽度应至少20mm,但不超过40mm。
3.平行长度应不少于L0+b/2,仲裁试验,平行长度应为L0+2b,除非材料尺寸不足够。
4.原始横截面积(S0=AB)的测定应准确到±2%5.应用小标记、细划线或细黑线标记原始标距(L0),但不得引起过早断裂的缺口做标记机加工试样的尺寸公差和形状公差应符合下表要求表2-2标准试样的尺寸公差单位:mm。
2、金属拉伸试验标准试样类型及尺寸
表2-1标准试样的尺寸单位:mm
对于厚度0.1mm~3.0mm薄板和薄带:
1 •优先采用比例系数k=5.65的比例试样,若比例标距小于15mm,建议采用非比例试样, 或
按双方约定的L o值。
2. 头部宽度应至少20mm,但不超过40mm。
3. 平行长度应不少于L°+b/2,仲裁试验,平行长度应为L°+2b,除非材料尺寸不足够。
4. 原始横截面积(S0=AB )的测定应准确到土2%
5. 应用小标记、细划线或细黑线标记原始标距(L0),但不得引起过早断裂的缺口做标记
6. 机加工试样的尺寸公差和形状公差应符合下表要求
表2-2标准试样的尺寸公差单位:mm。
金属材料拉伸试验标准试样类型及尺寸The pony was revised in January 2021金属材料拉伸试验标准试样类型及尺寸编制:审核:批准:生效日期:受控标识处:分发号:发布日期:2016年9月27日实施日期:2016年9月27日制/修订记录目的本文件规定了常温下金属材料拉伸试验标准试样的类型,形状及其尺寸测量。
范围适用于本公司常温下金属材料的拉伸试验所需的比例试样制备。
规范性应用文件下列文件对于本文件的作用是必不可少的。
凡是注日期的应用文件,仅注日期的版本适用于本文件。
凡是不注日期的应用文件,其最新版本(包括所有的修改单)适用于本文件。
GB/T 2975 钢及钢产品力学性能试验取样位置和试样制备GB/T 8170 数值修约规则与极限数值的表示和判定GB/T 10623 金属材料力学性能试验术语术语和定义试件/试样test piece/specimen通常按照一定形状和尺寸加工制备的用于试样的材料或部分材料。
标距gauge length用于测量试样尺寸变化部分的长度。
原始标距original gauge length在施加试验力之前的标距长度。
断后标距final gauge length after fracture试样断裂后的标距长度。
平行长度parallel length试样两头部或加持部分(不带头试样)之间平行部分的长度。
断面收缩率percentage reduction of area断裂后试样横截面积的最大缩减量(S 0-S u )与原始横截面积(S 0)之比的百分率。
0U 00S -S =100%Z X S 符号和说明与试样相关的符号及说明如下:表1 符合和说明试样形状和尺寸一般要求试样的形状与尺寸取决于要被试验的金属产品的形状和尺寸。
通常从产品,压制坯或铸件切取样坯经机械加工制成试样。
但具有恒定横截面的产品(型材,棒材,线材等)和铸造试样(铸铁和铸造非铁合金)可以不经机加工而进行试验。
金属材料拉伸试验标准试样类型及尺寸编制:审核:批准:生效日期:受控标识处:分发号:发布日期:2016年9月27日实施日期:2016年9月27日制/修订记录1.0 目的本文件规定了常温下金属材料拉伸试验标准试样的类型,形状及其尺寸测量。
2.0 范围适用于本公司常温下金属材料的拉伸试验所需的比例试样制备。
3.0 规范性应用文件下列文件对于本文件的作用是必不可少的。
凡是注日期的应用文件,仅注日期的版本适用于本文件。
凡是不注日期的应用文件,其最新版本(包括所有的修改单)适用于本文件。
3.1 GB/T 2975 钢及钢产品 力学性能试验取样位置和试样制备 3.2 GB/T 8170 数值修约规则与极限数值的表示和判定 3.3 GB/T 10623 金属材料 力学性能试验术语4.0 术语和定义4.1 试件/试样test piece/specimen通常按照一定形状和尺寸加工制备的用于试样的材料或部分材料。
4.2 标距gauge length用于测量试样尺寸变化部分的长度。
4.3 原始标距original gauge length在施加试验力之前的标距长度。
4.4 断后标距final gauge length after fracture试样断裂后的标距长度。
4.5 平行长度parallel length试样两头部或加持部分(不带头试样)之间平行部分的长度。
4.6 断面收缩率percentage reduction of area断裂后试样横截面积的最大缩减量(S 0-S u )与原始横截面积(S 0)之比的百分率。
0U00S -S =100%Z X S5.0 符号和说明与试样相关的符号及说明如下:6.0 试样6.1 形状和尺寸6.1.1 一般要求试样的形状与尺寸取决于要被试验的金属产品的形状和尺寸。
通常从产品,压制坯或铸件切取样坯经机械加工制成试样。
但具有恒定横截面的产品(型材,棒材,线材等)和铸造试样(铸铁和铸造非铁合金)可以不经机加工而进行试验。
金属材料拉伸试验标准试样类型及尺寸编制:审核:批准:生效日期:受控标识处:分发号:发布日期:2016年9月27日实施日期:2016年9月27日1、0 目得本文件规定了常温下金属材料拉伸试验标准试样得类型,形状及其尺寸测量。
2、0 范围适用于本公司常温下金属材料得拉伸试验所需得比例试样制备。
3、0 规范性应用文件下列文件对于本文件得作用就是必不可少得。
凡就是注日期得应用文件,仅注日期得版本适用于本文件.凡就是不注日期得应用文件,其最新版本(包括所有得修改单)适用于本文件。
3、1GB/T 2975 钢及钢产品力学性能试验取样位置与试样制备3、2 GB/T 8170数值修约规则与极限数值得表示与判定3、3 GB/T 10623 金属材料力学性能试验术语4、0 术语与定义4、1试件/试样testpiece/specimen通常按照一定形状与尺寸加工制备得用于试样得材料或部分材料。
4、2 标距gauge length用于测量试样尺寸变化部分得长度。
4、3 原始标距original gaugelength在施加试验力之前得标距长度。
4、4 断后标距final gauge lengthafter fracture试样断裂后得标距长度。
4、5 平行长度parallel length试样两头部或加持部分(不带头试样)之间平行部分得长度.4、6 断面收缩率percentage reduction of area断裂后试样横截面积得最大缩减量(S0—Su)与原始横截面积(S0)之比得百分率。
5、0 符号与说明与试样相关得符号及说明如下:6、0 试样6、1 形状与尺寸6、1、1一般要求试样得形状与尺寸取决于要被试验得金属产品得形状与尺寸.通常从产品,压制坯或铸件切取样坯经机械加工制成试样.但具有恒定横截面得产品(型材,棒材,线材等)与铸造试样(铸铁与铸造非铁合金)可以不经机加工而进行试验。
试样横截面可以为圆形,矩形,多边形,环形等.原始标距与横截面有L0=k X关系得试样称为比例试样,国际上使用得比例系数k值为5、65.原始标距应不小于15mm。
金属材料拉伸试验标准试样类型及尺寸【1】编制:审核:批准:生效日期:受控标识处:分发号:发布日期:2016年9月27日实施日期:2016年9月27日1.0 目的本文件规定了常温下金属材料拉伸试验标准试样的类型,形状及其尺寸测量。
2.0 范围适用于本公司常温下金属材料的拉伸试验所需的比例试样制备。
3.0 规范性应用文件下列文件对于本文件的作用是必不可少的。
凡是注日期的应用文件,仅注日期的版本适用于本文件。
凡是不注日期的应用文件,其最新版本(包括所有的修改单)适用于本文件。
3.1 GB/T 2975 钢及钢产品 力学性能试验取样位置和试样制备 3.2 GB/T 8170 数值修约规则与极限数值的表示和判定 3.3 GB/T 10623金属材料力学性能试验术语 4.0 术语和定义4.1 试件/试样test piece/specimen通常按照一定形状和尺寸加工制备的用于试样的材料或部分材料。
4.2 标距gauge length用于测量试样尺寸变化部分的长度。
4.3 原始标距original gauge length在施加试验力之前的标距长度。
4.4 断后标距final gauge length after fracture试样断裂后的标距长度。
4.5 平行长度parallel length试样两头部或加持部分(不带头试样)之间平行部分的长度。
4.6 断面收缩率percentage reduction of area断裂后试样横截面积的最大缩减量(S0-Su )与原始横截面积(S0)之比的百分率。
0U00S -S =100%Z X S 5.0 符号和说明与试样相关的符号及说明如下:LC mm 平行长度Le mm 引伸计标距Lt mm 试样总长度du mm 圆形横截面试样断裂后缩颈处最小直径Lu mm 断后标距L′u mm 测定Awn(无缩颈塑性伸长率)的断后标距S0mm2 原始横截面积Su mm2 断后最小横截面积k_ 比例系数(原始标距与横截面有L0=kX0S关系的试样称为比例试样,国际上使用的比例系数k值为5.65)Z%断后收缩率6.0 试样6.1 形状和尺寸6.1.1 一般要求试样的形状与尺寸取决于要被试验的金属产品的形状和尺寸。
金属拉伸试验标准试样类型及
尺寸(总1页)
-CAL-FENGHAI.-(YICAI)-Company One1
-CAL-本页仅作为文档封面,使用请直接删除
2、金属拉伸试验标准试样类型及尺寸
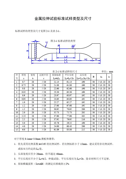
标准试样的类型及尺寸见图2-1及表2-1。
对于厚度0.1mm~3.0mm薄板和薄带:
1.优先采用比例系数k=5.65的比例试样,若比例标距小于15mm,建议采用非比例试样,或按双方约定的L0值。
2.头部宽度应至少20mm,但不超过40mm。
3.平行长度应不少于L0+b/2,仲裁试验,平行长度应为L0+2b,除非材料尺寸不足够。
4.原始横截面积(S0=AB)的测定应准确到±2%
5.应用小标记、细划线或细黑线标记原始标距(L0),但不得引起过早断裂的缺口做标记6.机加工试样的尺寸公差和形状公差应符合下表要求
表2-2标准试样的尺寸公差单位:mm。
金属材料拉伸试验标准试样类型及尺寸编制:审核:批准:生效日期:受控标识处:分发号:发布日期:2016年9月27日实施日期:2016年9月27日制/修订记录1.0 目的本文件规定了常温下金属材料拉伸试验标准试样的类型,形状及其尺寸测量。
2.0 范围适用于本公司常温下金属材料的拉伸试验所需的比例试样制备。
3.0 规范性应用文件下列文件对于本文件的作用是必不可少的。
凡是注日期的应用文件,仅注日期的版本适用于本文件。
凡是不注日期的应用文件,其最新版本(包括所有的修改单)适用于本文件。
3.1 GB/T 2975 钢及钢产品 力学性能试验取样位置和试样制备 3.2 GB/T 8170 数值修约规则与极限数值的表示和判定 3.3 GB/T 10623 金属材料 力学性能试验术语4.0 术语和定义4.1 试件/试样test piece/specimen通常按照一定形状和尺寸加工制备的用于试样的材料或部分材料。
4.2 标距gauge length用于测量试样尺寸变化部分的长度。
4.3 原始标距original gauge length在施加试验力之前的标距长度。
4.4 断后标距final gauge length after fracture试样断裂后的标距长度。
4.5 平行长度parallel length试样两头部或加持部分(不带头试样)之间平行部分的长度。
4.6 断面收缩率percentage reduction of area断裂后试样横截面积的最大缩减量(S 0-S u )与原始横截面积(S 0)之比的百分率。
0U00S -S =100%Z X S5.0 符号和说明与试样相关的符号及说明如下:6.0 试样6.1 形状和尺寸6.1.1 一般要求试样的形状与尺寸取决于要被试验的金属产品的形状和尺寸。
通常从产品,压制坯或铸件切取样坯经机械加工制成试样。
但具有恒定横截面的产品(型材,棒材,线材等)和铸造试样(铸铁和铸造非铁合金)可以不经机加工而进行试验。
文件编号:金属材料拉伸试验标准试样类型及尺寸金属材料拉伸试验标准试样类型及尺寸编制:审核:文件编号:批准:生效日期:受控标识处:分发号:发布日期:2016年9月27日实施日期:2016年9月27日制/修订记录文件编号:1.0目的本文件规定了常温下金属材料拉伸试验标准试样的类型,形状及其尺寸测量2.0范围适用于本公司常温下金属材料的拉伸试验所需的比例试样制备。
3.0规范性应用文件下列文件对于本文件的作用是必不可少的。
凡是注日期的应用文件,仅注日期的版本适用于本文件凡是不注日期的应用文件,其最新版本(包括所有的修改单)适用于本文件。
3.1GB/T2975钢及钢产品力学性能试验取样位置和试样制备 3.2GB/T8170数值修约规则与极限数值的表示和判定 3.3GB/T10623金属材料力学性能试验术语4.0术语和定义4.1 试件/试样testpiece/specimen 通常按照一定形状和尺寸加工制备的用于试样的材料或部分材料 4.2 标距gaugelength 用于测量试样尺寸变化部分的长度。
4.3 原始标距originalgaugelength 在施加试验力之前的标距长度。
4.4 断后标距finalgaugelengthafterfracture 试样断裂后的标距长度。
4.5 平行长度parallellength 试样两头部或加持部分(不带头试样)之间平行部分的长度。
4.6 断面收缩率percentagereductionofarea断裂后试样横截面积的最大缩减量(S 0-S u )与原始横截面积(S 0)之比的百分率。
S-SZ =』_U X100% 0S…作业指导文件金属材料拉伸试验标准试样类型及尺寸5.0符号和说明与试样相关的符号及说明如下:作业指导文件6.0试样6.1形状和尺寸6.1.1一般要求试样的形状与尺寸取决于要被试验的金属产品的形状和尺寸。
通常从产品,压制坯或铸件切取样坯经机械加工制成试样。
金属拉伸试验标准试样类型及尺寸
标准试样的类型及尺寸见图2-1及表2-1。
对于厚度0.1mm~3.0mm薄板和薄带:
1.优先采用比例系数k=5.65的比例试样,若比例标距小于15mm,建议采用非比例试样,或按双方约定的L0值。
2.头部宽度应至少20mm,但不超过40mm。
3.平行长度应不少于L0+b/2,仲裁试验,平行长度应为L0+2b,除非材料尺寸不足够。
4.原始横截面积(S0=AB)的测定应准确到±2%
5.应用小标记、细划线或细黑线标记原始标距(L0),但不得引起过早断裂的缺口做标记6.机加工试样的尺寸公差和形状公差应符合下表要求。
拉伸试验试样标准尺寸拉伸试验是一种常用的材料力学性能测试方法,它可以通过施加拉伸力来测试材料的抗拉强度、屈服强度、断裂伸长率等指标,对于材料的质量评定和工程设计具有重要意义。
而在进行拉伸试验时,试样的尺寸标准化是非常关键的,只有严格按照标准尺寸制备试样,才能确保测试结果的准确性和可比性。
根据国际标准ISO 6892和国家标准GB/T 228.1的规定,金属材料的拉伸试样应采用标准尺寸。
一般情况下,金属材料的拉伸试样为圆柱形,其标准尺寸为直径12.5mm,长度为50mm。
在进行试样制备时,需要注意以下几点:首先,选择合适的材料。
根据实际使用情况和标准要求,选择合适的金属材料进行试验。
材料的选择应符合标准规定,并且要保证试样的制备和测试过程中不会出现异常情况。
其次,制备试样。
按照标准要求,将选定的金属材料加工成直径为12.5mm,长度为50mm的圆柱形试样。
在加工过程中,要注意保持试样的表面光洁度和尺寸精度,避免出现表面粗糙或尺寸不准确的情况。
然后,进行试验。
将制备好的试样放入拉伸试验机中,施加拉伸力进行试验。
在试验过程中,要确保试样处于良好的状态,避免出现试样损坏或试验数据不准确的情况。
最后,分析数据。
根据试验结果,计算材料的抗拉强度、屈服强度、断裂伸长率等指标,并对数据进行分析和比较。
通过分析数据,可以评估材料的力学性能,为材料的选用和工程设计提供参考依据。
总之,拉伸试验试样的标准尺寸对于测试结果的准确性和可比性具有重要影响。
在进行拉伸试验时,务必严格按照标准要求制备试样,保证试验过程的可靠性和结果的准确性。
只有如此,才能真实反映材料的力学性能,为工程应用提供可靠的数据支持。
⾦属材料拉伸试验标准试样类型及尺⼨⾦属材料拉伸试验标准试样类型及尺⼨编制:审核:批准:⽣效⽇期:受控标识处:分发号:发布⽇期:2016年9⽉27⽇实施⽇期:2016年9⽉27⽇制/修订记录1.0 ⽬的本⽂件规定了常温下⾦属材料拉伸试验标准试样的类型,形状及其尺⼨测量。
2.0 范围适⽤于本公司常温下⾦属材料的拉伸试验所需的⽐例试样制备。
3.0 规范性应⽤⽂件下列⽂件对于本⽂件的作⽤是必不可少的。
凡是注⽇期的应⽤⽂件,仅注⽇期的版本适⽤于本⽂件。
凡是不注⽇期的应⽤⽂件,其最新版本(包括所有的修改单)适⽤于本⽂件。
3.1 GB/T 2975 钢及钢产品⼒学性能试验取样位置和试样制备3.2 GB/T 8170 数值修约规则与极限数值的表⽰和判定3.3 GB/T 10623 ⾦属材料⼒学性能试验术语4.0 术语和定义4.1 试件/试样test piece/specimen通常按照⼀定形状和尺⼨加⼯制备的⽤于试样的材料或部分材料。
4.2 标距gauge length⽤于测量试样尺⼨变化部分的长度。
4.3 原始标距original gauge length在施加试验⼒之前的标距长度。
4.4 断后标距final gauge length after fracture试样断裂后的标距长度。
4.5 平⾏长度parallel length试样两头部或加持部分(不带头试样)之间平⾏部分的长度。
4.6 断⾯收缩率percentage reduction of area断裂后试样横截⾯积的最⼤缩减量(S 0-S u )与原始横截⾯积(S 0)之⽐的百分率。
0U00S -S =100%Z X S5.0 符号和说明与试样相关的符号及说明如下:6.0 试样6.1 形状和尺⼨6.1.1 ⼀般要求试样的形状与尺⼨取决于要被试验的⾦属产品的形状和尺⼨。
通常从产品,压制坯或铸件切取样坯经机械加⼯制成试样。
但具有恒定横截⾯的产品(型材,棒材,线材等)和铸造试样(铸铁和铸造⾮铁合⾦)可以不经机加⼯⽽进⾏试验。
金属板材拉伸试样尺寸
金属板材的拉伸试样尺寸可以根据所需的实验要求和标准来确定。
一些常见的拉伸试样尺寸包括:
1. 标准拉伸试样(ASTM E8):试样宽度25.4mm,长度约
200mm。
2. 短拉伸试样:试样宽度10mm,长度约50mm,适用于厚度
较薄的金属板材。
3. 横向拉伸试样:试样宽度为板材宽度,长度根据需要,一般在100mm以上。
4. 横向和纵向拉伸试样:试样宽度为板材宽度,长度根据需要,一般在100mm以上。
需要注意的是,试样的尺寸也会受到金属板材厚度的限制,一般要求试样长度至少为宽度的5倍以上,以保证在拉伸过程中试样不会出现出轨现象。
另外,试样的尺寸和形状也会根据所需测试的金属板材性能进行调整,以确保测试结果的准确性和可靠性。
因此,在进行拉伸试验之前,最好参考所采用的标准或者咨询专业人士来确定合适的试样尺寸。
金属拉伸试验标准试样
类型及尺寸
The manuscript was revised on the evening of 2021
2、金属拉伸试验标准试样类型及尺寸
标准试样的类型及尺寸见图2-1及表2-1。
表2-1标准试样的尺寸单位:mm
对于厚度~薄板和薄带:
1.优先采用比例系数k=的比例试样,若比例标距小于15mm,建议采用非比例试样,或按双方约定的L0值。
2.头部宽度应至少20mm,但不超过40mm。
3.平行长度应不少于L0+b/2,仲裁试验,平行长度应为L0+2b,除非材料尺寸不足够。
4.原始横截面积(S0=AB)的测定应准确到±2%
5.应用小标记、细划线或细黑线标记原始标距(L0),但不得引起过早断裂的缺口做标记6.机加工试样的尺寸公差和形状公差应符合下表要求
表2-2标准试样的尺寸公差单位:mm。
金属材料-拉伸试验-标准试样类型及尺寸
————————————————————————————————作者: ————————————————————————————————日期:
金属材料拉伸试验标准试样类型及尺寸
编制:
审核:
批准:
生效日期:
受控标识处:
分发号:
发布日期:2016年9月27日实施日期:2016年9月27日
制/修订记录
序号更改原因更改内容简述更改日期版本号备注1 新增程序2016-9-27 A.0
1.0 目的
本文件规定了常温下金属材料拉伸试验标准试样的类型,形状及其尺寸测量。
2.0 范围
适用于本公司常温下金属材料的拉伸试验所需的比例试样制备。
3.0 规范性应用文件
下列文件对于本文件的作用是必不可少的。
凡是注日期的应用文件,仅注日期的版本适用于本文件。
凡是不注日期的应用文件,其最新版本(包括所有的修改单)适用于本文件。
3.1 G B/T 2975 钢及钢产品 力学性能试验取样位置和试样制备 3.2 GB /T 8170 数值修约规则与极限数值的表示和判定 3.3 GB/T 10623 金属材料 力学性能试验术语
4.0 术语和定义
4.1 试件/试样test p iec e/s pecime n
通常按照一定形状和尺寸加工制备的用于试样的材料或部分材料。
4.2 标距g auge leng th
用于测量试样尺寸变化部分的长度。
4.3 原始标距ori gin al gau ge length
在施加试验力之前的标距长度。
4.4 断后标距final gau ge len gth a fter f racture
试样断裂后的标距长度。
4.5 平行长度parall el l eng th
试样两头部或加持部分(不带头试样)之间平行部分的长度。
4.6 断面收缩率per ce ntage redu ctio n of a rea
断裂后试样横截面积的最大缩减量(S 0-S u)与原始横截面积(S0)之比的百分率。
0U
00
S -S =
100%Z X S
5.0 符号和说明
与试样相关的符号及说明如下:
表1 符合和说明
符号
单位 说明
a o,T a mm 矩形横截面试样原始厚度或原始管壁厚度
b 0 mm 矩形横截面试样平行长度的原始宽度或管的纵条宽度或扁丝原始宽度 d 0 mm 圆形横截面试样平行长度的原始直径或圆丝原始直径或管的原内径 D0 m m 管原始外直径 L 0 mm 原始标距
L′0 m m 测定Awn(无缩颈塑性伸长率)的原始标距 LC mm 平行长度 L e mm 引伸计标距 L t mm 试样总长度
d u mm 圆形横截面试样断裂后缩颈处最小直径 L u mm 断后标距
L ′u mm 测定Awn(无缩颈塑性伸长率)的断后标距 S 0 mm 2 原始横截面积 S u m m2 断后最小横截面积
k _ 比例系数(原始标距与横截面有L0=k X 0S 关系的试样称为比例试样,国际上使用的比例系数k 值为5.65) Z
%
断后收缩率
6.0 试样
6.1 形状和尺寸 6.1.1 一般要求
试样的形状与尺寸取决于要被试验的金属产品的形状和尺寸。
通常从产品,压制坯或铸件切取样坯经机械加工制成试样。
但具有恒定横截面的产品(型材,棒材,线材等)和铸造试样(铸铁和铸造非铁合金)可以不经机加工而进行试验。
试样横截面可以为圆形,矩形,多边形,环形等。
原始标距与横截面有L 0=k X0S 关系的试样称为比例试样,国际上使用的比例系数k 值为
5.65。
原始标距应不小于15mm。
但试样横截面积太小时,以致采用比例系数k为5.65的值不能符合这一最小标距要求时,可以采用值为11.3的比例系数或采用非比例样件。
非比例试样原始标距L0与原始横截面积S0无关。
6.1.2试样制取
大规模生产可用冲床粗冲,然后特殊磨床磨去硬化部分,小规模生产采用机械加工,用皂液冷却防止过热或冷作硬化(例如线切割、铣床)。
6.2试样类型
附录A至附录D中按产品形状规定了试样的主要类型,见表2。
6.3 试样的制备
应按照相关产品标准或GB/T 2975的要求切取样坯和制备试样。
7.0 原始横截面积的测定
在试样平行长度中心区域以足够的点数测量试样的相关尺寸。
表2 试样的主要类型(单位:mm)
产品类型相应的附录
薄板——板材——扁材
厚度a
线材——棒材——型材
直径或边长
0.1≤a<3 ——附录A ——<4附录B
a≥3 ≥4 附录C
管材附录D 原始横截面积S0是平均横截面积。
原始横截面积的计算准确度依赖于试样本身特性和类型。
附录A∽附录D给出了不同类型试样原始横截面积S0的评估方法,并提供了准确度的详细说明。
8.0 原始标距的标记
应用小标记,细划线或细墨线标记原始标记,但不得用引起过早断裂的缺口做标记。
对于比例试样,如果原始标记的计算值与其标记值之差小于10%L0,可将原始标距的计算值按GB/T 8170修约至最接近5mm的倍数。
原始标距的标记应准确到±1%。
如果平行长度LC比原始标距长许多,例如不经过机加工的试样,可以标记一系列套叠的原始标距。
有时,可以在试样表面划一条平行
于试样纵轴的线,并在此线上标记原始标距。
9.0试样设备的准确度
试验机的测力系统应按照GB/T 16825.1进行校准,并且准确度应为1级或优于1级。