拉伸试样尺寸
- 格式:doc
- 大小:32.50 KB
- 文档页数:1
金属拉伸试验标准试样
类型及尺寸
WEIHUA system office room 【WEIHUA 16H-WEIHUA WEIHUA8Q8-
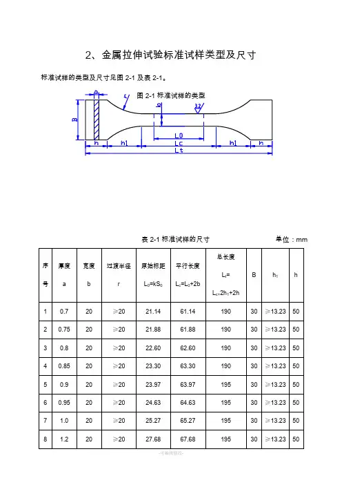
2、金属拉伸试验标准试样类型及尺寸
标准试样的类型及尺寸见图2-1及表2-1。
表2-1标准试样的尺寸单位:mm
对于厚度~薄板和薄带:
1.优先采用比例系数k=的比例试样,若比例标距小于15mm,建议采用非比例试样,或按双方约定的L0值。
2.头部宽度应至少20mm,但不超过40mm。
3.平行长度应不少于L0+b/2,仲裁试验,平行长度应为L0+2b,除非材料尺寸不足够。
4.原始横截面积(S0=AB)的测定应准确到±2%
5.应用小标记、细划线或细黑线标记原始标距(L0),但不得引起过早断裂的缺口做标记6.机加工试样的尺寸公差和形状公差应符合下表要求
表2-2标准试样的尺寸公差单位:mm。
课题组常用的几种拉伸试样形状与尺寸图1焊缝纵向拉伸试样尺寸,用于测试焊缝纵向拉伸性能,厚度可根据实验情况改动,标距15mm适用于一楼检测中心的拉伸实验机,图2焊区接头大拉伸试样尺寸,用于测试焊区横向宏观拉伸性能,标距30, 适用于一楼检测中心的拉伸实验机1.5mm/min图3搅拌区横向拉伸试样尺寸,用于测试搅拌区内材料的拉伸性能,标距2mm,适用于本实验室的微型拉伸实验机图4焊缝纵向拉伸试样尺寸,用于测试焊缝纵向拉伸性能,标距为7mm, 适用于本实验室的微型拉伸试验机注:对于微型拉伸实验机来说,所列试样尺寸只是相对于卡头而言,其具体厚度要结合材料的力学性能和实验机的量程灵活制定.图5镍铝青铜母材室温拉伸样品尺寸二、关于室温拉伸应变速度的确定对于要求伸长率大于5%的材料,当只要求测试抗拉强度时,试验机的速度应设定在每分钟缩减部分长度0.05到0.5m/m之间,换句话说可用引伸计或应变速度仪设定在0.05-0.5m/m/min之间。
三、对于实验结果的修约:(1)小于500MPa的修约至1MPa;(2)500-1000MPa之间的修约到5MPa;(3)大于1000MPa的修约到10MPa;四、关于面积收缩的修约(1)没有特殊规定的,建议0-10%范围内修至0.5%;(2)大于10%的修至1%;五、伸长率的测试(1)对于标距小于50mm时,精确到0.25mm,大于50mm时,精确到0.5mm,精确度0.5%(2)对于要求小于3%的,试验之前后标距精确到0.05mm,以0.2%报镍铝青铜室温拉伸试样倪丁瑞,镍铝青铜搭接区域拉伸试样尺寸,以黑线部分为平行段纵向中线。
倪丁瑞北航Al-Mg-Er材料, 4mm厚母材与焊接试样均采用该尺寸试样2009-9-29。
1.拉伸试验的作用及试样的形状及尺寸答:作用:测定材料的弹性,强度,塑性,应变硬化和韧性等许多重要力学性能指标;形状:光滑圆柱试件,板状试件;尺寸:①圆柱形拉伸试件:试件的标距长度Lo应比Do要大得多,通常Lo>5Do;板状拉伸试件:标距长度Lo应满足下列关系式:Lo﹦5.65Ao或11.3Ao;其中Ao为试件的初始面积。
2.应力状态柔度系数的物理意义及应用?答:应力状态柔度系数:在各种加载条件下,最大切应力τmax与最大正应力σmax之比,记为α,α=τmax/σmax.。
α(拉伸)﹤α(扭转)﹤α(压缩)3.金属材料的弹性不完善性包括那几个方面?答:弹性不完善性是指收到应力作用是,没有立即发生相应的弹性应变去除应力时应变也不是随即消失,包括弹性后效,弹性滞后,包申效应三个方面。
4.金属材料使用过程和生产过程对材料有什么要求?(强度和塑性)答:在进行材料选择时,设计师必须首先考虑强度,导电性或导热性,密度及其他性能。
然后,在考虑材料的加工性能和使用行为(其中材料的可成塑性,机械加工性,电稳定性,化学持久性及辐照行为是重要的。
)以及成本和材料来源。
所谓强度是指金属材料在静载荷作用下,材料抵抗变形和破坏(断裂)的能力成为强度。
根据外力的作用方式,有多种强度指标,如抗拉强度,抗弯强度,抗剪强度等。
一般情况下多以抗拉强度作为判别金属强度高低的招标。
机械零件在使用时,一般不允许发生塑性变形,所以屈服强度是大多数机械零件设计时选材的主要依据也是评定金属材料承载能力的重要机械性能指标。
材料的屈服强度越高,允许的工作应力越高,零件所需的截面尺寸和自身重量就可以较小。
材料发生屈服后,到最高点应力达最大值σb。
在这以后,试样产生“缩颈”,迅速伸长,应力明显下降,最后断裂。
试样裂前能够承受的最大应力值σb称为抗拉强度或强度极限。
如果单从保证零件不产生断裂的安全角度考虑,可用作为设计依据,但所取的安全系数应该大一些。
木材拉伸强度尺寸标准
木材拉伸强度的尺寸标准因不同的标准和测试方法而异。
一般来说,木材拉伸试样的尺寸需要根据具体的测试标准和要求进行选择。
以ASTM D638M-19标准为例,该标准规定了塑料材料拉伸性能的测试方法,其试样尺寸如下:
1. 长度:250mm
2. 宽度:25mm
3. 厚度:根据具体的材料厚度而定,但应适当大于实际厚度
制作和测试拉伸试样时,需要遵循一些注意事项,如保证试样形状规整、表面光滑、无车削痕迹和划痕等,以及不同材质的板材拉伸试样的制作方法不同,应根据测试要求选取合适的方法。
此外,测试拉伸试样时要根据测试标准进行,尽可能减小测试误差。
每批试样应在同一测试设备条件下进行测试,结果应取平均值。
以上内容仅供参考,如需获取更准确的信息,建议查阅相关标准或咨询专业人士。
金属拉伸试样标准尺寸
金属拉伸试样是用于测试金属材料拉伸性能的一种常见试验方法。
而试样的尺寸标准对于测试结果的准确性和可比性具有重要影响。
因此,金属拉伸试样的标准尺寸是非常重要的。
根据国际标准化组织(ISO)和美国材料和试验协会(ASTM)的相关标准,金属拉伸试样的标准尺寸通常包括试样的长度、宽度和厚度。
这些尺寸的选择需要考虑到金属材料的特性和试验的要求。
首先,试样的长度是一个重要的参数。
一般来说,拉伸试样的长度应足够长,以确保在试验过程中不会发生试样断裂。
同时,长度也需要符合标准,以确保在试验中施加的载荷能够均匀地作用于试样上。
通常情况下,试样的长度应为标准宽度的5倍至8倍。
其次,试样的宽度也是需要考虑的重要参数。
宽度的选择需要根据金属材料的特性和试验要求来确定。
宽度过大或过小都会对试验结果产生影响,因此需要严格按照标准尺寸进行选择。
最后,试样的厚度也是一个关键的参数。
厚度的选择需要考虑金属材料的强度和塑性等特性,以及试验的要求。
厚度过大会导致试验过程中的应力集中,而厚度过小则可能导致试样在试验中出现变形或断裂。
因此,厚度的选择需要在满足标准要求的前提下,尽可能地减小试样对试验结果的影响。
综上所述,金属拉伸试样的标准尺寸是非常重要的。
正确选择试样的长度、宽度和厚度,可以确保试验结果的准确性和可比性。
因此,在进行金属拉伸试验时,务必严格按照相关标准来选择试样的尺寸,以确保测试结果的可靠性和有效性。
2、金属拉伸试验标准试样类型及尺寸
标准试样的类型及尺寸见图2-1及表2-1。
表2-1标准试样的尺寸单位:mm
对于厚度0.1mm~3.0mm薄板和薄带:
1.优先采用比例系数k=5.65的比例试样,若比例标距小于15mm,建议采用非比例试样,或按双方约定的L0值。
2.头部宽度应至少20mm,但不超过40mm。
3.平行长度应不少于L0+b/2,仲裁试验,平行长度应为L0+2b,除非材料尺寸不足够。
4.原始横截面积(S0=AB)的测定应准确到±2%
5.应用小标记、细划线或细黑线标记原始标距(L0),但不得引起过早断裂的缺口做标记6.机加工试样的尺寸公差和形状公差应符合下表要求
表2-2标准试样的尺寸公差单位:
mm
THANKS !!!
致力为企业和个人提供合同协议,策划案计划书,学习课件等等
打造全网一站式需求
欢迎您的下载,资料仅供参考。
拉伸试验试样尺寸标准
拉伸试验试样的尺寸标准是由ISO6892-1:2019《金属材料拉伸试验第1部分:试样尺寸和形状》规定的。
常见的试样尺寸包括:
1. 热轧板材和钢板试样:长度为200mm,宽度为50mm。
厚度应尽量大,不小于3mm。
2. 热轧板材和钢板试样(小厚度):长度为100mm,宽度为
25mm。
厚度应尽量大,不小于0.5mm。
3. 热轧钢材试样:长度为50mm,厚度为不小于6mm。
宽度为试样厚度的2倍。
4. 冷轧板、带和钢丝试样:长度为100mm,宽度为25mm。
厚度应尽量大,不小于0.5mm。
需要注意的是,在实际使用中,试样的尺寸应按照实际情况进行确定。
根据材料的不同,试样的尺寸也会略有变化。
金属拉伸试棒标准尺寸
标准金属拉伸试棒是一种用于测试金属材料拉伸性能的试验工具。
它通常由一个长方
形棒材制成,具有标准化的尺寸和几何形状,能够一致地在大多数拉伸试验机上进行测试。
本文将介绍常见的金属拉伸试棒标准尺寸。
1. 标准工程材料拉伸试样
标准工程材料拉伸试样是最常见的金属拉伸试棒。
其尺寸如下:
长度:200mm
直径:12.7mm
标准工程材料拉伸试样通常由铝、铜、钢等材料制成,用于测量拉伸强度、屈服点、
延性等材料性能。
2. 圆形拉伸试样
圆形拉伸试样的几何形状为圆柱形,有以下尺寸:
圆形拉伸试样通常用于测量金属材料的延性和断裂韧性。
V形拉伸试样通常用于测量薄板材料的强度和塑性性能,例如薄铝板和薄钢板。
总之,金属拉伸试棒的标准尺寸取决于材料的性质和测试的目的。
在实际应用中,为
了获得准确的测试结果,选择合适的试样形状和尺寸非常重要。
2、金属拉伸试验标准试样类型及尺寸标准试样的类型及尺寸见图2-1及表2-1。
对于厚度~薄板和薄带:
1.优先采用比例系数k=的比例试样,若比例标距小于15mm,建议采用非比例试样,
或按双方约定的L0值。
2.头部宽度应至少20mm,但不超过40mm。
3.平行长度应不少于L0+b/2,仲裁试验,平行长度应为L0+2b,除非材料尺寸不足够。
4.原始横截面积(S0=AB)的测定应准确到±2%
5.应用小标记、细划线或细黑线标记原始标距(L0),但不得引起过早断裂的缺口做标记
6.机加工试样的尺寸公差和形状公差应符合下表要求
表2-2标准试样的尺寸公差
单位:mm。
金属拉伸试验试样 GB 6397-86金属拉伸试验试样 GB 6397-86本标准规定了各种金属产品常温拉伸试验用试样的一般要求,试样应按有关标准或双方协议的规定选用。
本标准适用于钢铁和有色金属材料的通用拉伸试样。
如无特殊规定,棒、型、板(带)、管:线(丝)、铸件、压铸件和锻压件的试样,均按本标准规定执行。
1 样坯的切取、试样的制备及标志1.1样坯从制品上切取的部位和方向应按GB2975—82《钢材力学及工艺性能试验取样规定》、有关标准或双方协议的规定执行。
1.2切取样坯和机加工试样,均应严防因冷加工或受热而影响金属的力学性能,通常以在切削机床上进行为宜。
因烧割或冷剪法切取样坯时,边缘应留有足够的机加工余量,一般不小于制品的厚度,最低不小于20mm。
但对薄板(带)等则为例外,详见GB2975—82。
机加工试样时,切削、磨削深度及润滑(冷却)剂应适当,最后一道切、磨削深度不宜过大,以免影响性能。
建议保留机加工中心孔,以便必要时重新修整。
1.3从外观检查合格的板材、扁材或带材上切取的矩形样坯,一般应保留其原表面层,不予损伤。
试样毛刺须清除,尖锐棱边应倒圆,圆弧半径不宜过大。
由盘卷上切取的线和薄板、(带)试样,允许校直或校平,但矫正不得对试样的力学性能有显著影响。
对不测定伸长率的试样,则可不经矫正进行试验。
1.4不经机加工单铸试样表面上的夹砂、夹渣、毛刺、飞边等,必须加以清除。
1.5凡不符合本标准所规定的各项要求,表面有显著横向刀、磨痕或机械损伤,有明显淬火变形或裂纹以及肉眼可见冶金缺陷的试样,均不允许用于试验。
1.6试样标志一般应标在头部端面或侧边上(对小截面试样,可挂标志牌),以便试验时易于辨识。
2 试样的符号、名称及单位(见表1)表1符号 名称单位试样平行长度 mm试样原始标距d 0 圆形试样平行长度部分原始直径或圆管试样原始内径 D 0 圆管试样原始外径a 0 矩形、弧形试样或管壁的原始厚度b 0 矩形或弧形试样平行部分原始宽度 F 0 试样平行部分原始横截面积mm2 r带头试样从头部到平行部分过渡圆弧半径mm3 试样形状及尺寸的一般规定3.1拉伸试样分为比例和定标距两种,一般为经机加工试样和不经机加工的全截面试样,其横截面通常为圆形、矩形、异形以及不经机加工的全截面形状。
板材拉伸试样标准尺寸板材拉伸试样是用于测试材料在受力作用下的拉伸性能,是工程材料力学性能测试的重要手段之一。
为了保证测试结果的准确性和可比性,板材拉伸试样的尺寸需要符合一定的标准。
本文将介绍板材拉伸试样的标准尺寸,以便广大工程技术人员在进行材料性能测试时能够按照标准进行。
首先,板材拉伸试样的长度应符合标准要求。
一般来说,试样的长度应符合材料的厚度和宽度的比例,一般为2:1。
在实际测试过程中,应根据不同材料的特性和要求进行具体的长度确定。
其次,板材拉伸试样的宽度也需要符合标准。
试样的宽度应该足够大,以保证在拉伸过程中不会因为宽度过小而导致试样的破坏。
一般来说,试样的宽度应为材料厚度的5倍左右。
另外,板材拉伸试样的厚度也是非常重要的。
试样的厚度应该能够满足拉伸试验的要求,并且能够代表材料的整体性能。
一般来说,试样的厚度应为材料的厚度的2倍左右。
此外,在进行板材拉伸试样的标准尺寸确定时,还需要考虑试样两端的加工。
试样两端的加工应该保证试样的两端平行,并且与试样的长度方向垂直。
加工的质量直接影响试样的拉伸性能测试结果,因此必须严格按照标准要求进行加工。
最后,需要注意的是,在进行板材拉伸试样的标准尺寸确定时,应该根据不同材料的特性和使用要求进行具体的尺寸确定。
在实际工程中,可能会出现一些特殊情况,需要根据具体情况进行调整。
综上所述,板材拉伸试样的标准尺寸对于材料性能测试至关重要。
只有严格按照标准要求确定试样的尺寸,才能保证测试结果的准确性和可比性。
希望广大工程技术人员在进行材料性能测试时能够严格按照标准要求进行,以保证测试结果的准确性和可靠性。
塑料片材拉伸测试标准1.GB/T 1040.3—2005及ISO 527-3本部分规定了小于1mm塑料薄膜及薄片的拉伸性能测试的实验条件;1.1测试要求和标准规范1.1.1试样尺寸和形状应优先选用宽为10mm-25 mm、长度不小于150 mm 的长条试样(即2型试样,如图1所示),试样中部应该有间隔50mm的两条平行标线。
b ——宽度:10 mm~25 mm;h ——厚度:≦1 mm;L0 ——标距长度:50 mm士0.5mm;L——夹具间的初始距离:100 mm士5 mmm;L3——总长度:≧150 mm。
图 1 2型试样当受试材料规范或常规质量控制试验有规定时,可使用如图2、图3和图4中所示形状和尺寸的5型1B型和4型哑铃型试样。
5 型试样(见图2)推荐用于断裂应变很高的薄膜和薄片。
4 型试样(见图4)推荐用于其他类型的软质热塑性片材1B 型试样(见图3)推荐用于硬质片材。
图 2 5型试样图 3 1B型试样图 4 4型试样1.1.2 试样制备1.1.2.1应使用切制或冲切方法制备1.1.1中所述试样,以使试样边缘光滑且无缺口。
推荐使用低倍数放大镜检查有无缺陷。
应使用剃刀刀片、适宜的切纸刀、手术刀或其他工具切割试样,使其宽度合适、边缘平整、两边平行且无可见缺陷。
应通过定期打磨以保持冲刀锋利,并应使用适当的衬垫材料,以确保刀刃边缘平整。
1.1.2.2应使用冲刀冲切制备1.1.1中所述试样,并应使用适合的村垫材料,以确保冲切的试样边缘整齐。
应通过定期打磨保持冲刀锋利,并使用低倍数放大镜检查试样边缘,以确保无缺口。
1.1.3试验速度根据有关材料的相关标准确定试样速度,如果缺少这方面的资料,试样速度应根据表1确定或与相关方商定。
测定拉伸模量时,选择的试样速度应尽可能使应变速率接近每分钟1%标距。
本部分与受试材料相关的部分给出了适用于不同类型试样的试样速度。
测定拉伸模量、屈服点前的应力/应变曲线及屈服后的性能时,可能需要采用不同的速度。