热轧圆钢和方钢尺寸规格(GB 702-2008)
- 格式:xls
- 大小:43.50 KB
- 文档页数:4
钢坯及型钢标准精选(最新)G702《GB/T 702-2008 热轧钢棒尺寸、外形、重量及允许偏差》G706《GB/T 706-2008 热轧型钢》G905《GB/T905-1994 冷拉圆钢、方钢、六角钢尺寸、外形、重量及允差》 G908《GB/T 908-2008 锻制钢棒尺寸、外形、重量及允许偏差》G911《GB/T911-2004 热轧工具钢扁钢尺寸、外形、重量及允许偏差》G1220《GB/T 1220-2007 不锈钢棒》G1221《GB/T 1221-2007 耐热钢棒》G1301《GB/T 1301-2008 凿岩钎杆用中空钢》G2101《GB/T 2101-2008 型钢验收、包装、标志及质量证明书的一般规定》 G2585《GB 2585-2007 铁路用热轧钢轨》G4226《GB/T 4226-2009 不锈钢冷加工钢棒》G4697《GB/T 4697-2008 矿山巷道支护用热轧u型钢》G6478《GB6478-2001 冷镦钢和冷挤压用钢》G6481《GB/T6481-2002 凿岩用锥体连接中空六角形钎杆》G6482《GB/T 6482-2007 凿岩用螺纹连接钎杆》G6723《GB/T 6723-2008 通用冷弯开口型钢尺寸、外形、重量及允许偏差》 G6725《GB/T 6725-2008 冷弯型钢》G6728《GB6728-2002 结构用冷弯空心型钢尺寸、外形、重量及允许偏差》 G9945《GB/T 9945-2012 热轧球扁钢》G11263《GB/T 11263-2010 热轧H型钢和剖分T型钢》G11264《GB/T 11264-2012 热轧轻轨》G12773《GB/T 12773-2008 内燃机气阀用钢及合金棒材》G13447《GB 13447-2008 无缝气瓶用钢坯》G14993《GB/T 14993-2008 转动部件用高温合金热轧棒材》G14994《GB/T 14994-2008 高温合金冷拉棒材》G15008《GB/T 15008-2008 耐蚀合金棒》G15547《GB/T 15547-2012 锻钢冷轧辊辊坯》G15712《GB/T 15712-2008 非调质机械结构钢》G20410《GB/T 20410-2006 涡轮机高温螺栓用钢》G24595《GB/T 24595-2009 调质汽车曲轴用钢棒》G25830《GB/T 25830-2010 高温合金盘(环)件通用技术条件》G26075《GB/T 26075-2010 抽油杆用圆钢》G28414《GB/T 28414-2012 抗震结构用型钢》G31303《GB/T 31303-2014 奥氏体-铁素体型双相不锈钢棒》GJ30A《GJB 30A-2006 K 装甲车辆用合金结构钢钢棒规范》GJ931A《GJB931A-2005 K 装甲车辆柴油发动机曲轴用方钢规范》GJ1220A《GJB1220A-2008 K 火炮零件用合金结构钢棒规范》GJ1492A《GJB1492A-2005 K 高破片率弹体用钢棒规范》GJ1951《GJB1951-1994 航空用优质结构钢棒规范》GJ1953A《GJB1953A-2008 K 航空发动机转动件用高温合金热轧棒材规范》 GJ2611A《GJB 2611A-2006 K 航空用高温合金冷拉棒材规范》GJ2721A《GJB2721A-2005 武器和车辆用热轧环件规范》GJ3020A《GJB3020A-2005 K 航空用高温合金环坯规范》GJ3165A《GJB3165A-2008 K 航空承力件用高温合金热轧锻制棒材规范》 GJ3316《GJB 3316-1998 航空用结构钢异型材规范》GJ5062《GJB 5062-2001 高强度弹性合金3J33棒材规范》GJ5063《GJB5063-2001 航空航天用超高强度钢钢棒规范》GJ5261《GJB5261-2003 低膨胀高温合金棒材规范》GJ5724《GJB 5724-2006 抗氢钢棒规范》GJ6055Z《GJB6055-2007 Z 舰艇用907A型钢规范》GJ6487K《GJB6487-2008 K 航空用高洁度合金结构钢棒规范》GJ7960《GJB7960-2012 火箭用不锈钢热轧(锻)棒材规范》H5155《HB5155-1996 K403合金锭》HB6702《HB 6702-1993 WZ8系列用GH4169合金棒材》H7240《HB7240-1995 DZ22B合金锭》H7241《HB7241-1995 K423A合金锭》H7569《HB7569-1997 DZ4合金锭》H7570《HB7570-1997 DZ22合金锭》H7682《HB 7682-2000 低膨胀GH907合金环坯和环形件》HB20196《HB 20196-2014 航空用高温弹性合金3J68棒材、带材规范》 WJ2571《WJ 2571-2002 22siMnTiB轧制均质钢装甲件规范》WJ2672《WJ 2672-2005 旋转稳定脱壳穿甲弹用钨合金棒材规范》YB037《YB/T 037-2005 优质结构钢冷拉扁钢》YB039《YB/T 039-2005 汽车车轮挡圈、锁圈用热轧型钢》YB094《YB/T094-1997 塑料模具用扁钢》YB154《YB/T154-1999 优质碳素和合金结构钢连铸方坯和矩形坯》 YB155《YB/T155-1999 电渣熔铸合金工具钢模块》YB157《YB/T157-1999 电梯导轨用热轧型钢》YB158《YB/T158-1999 汽轮机用合金结构钢棒》YB168《YB/T168-2000 优质碳素钢和合金钢连铸板坯》YB2008《YB/T2008-2007 不锈钢无缝钢管圆管坯》YB2010《YB/T2010-2003 铁路轨距挡板用热轧型钢》YB2011《YB/T2011-2004 连续铸钢方坯和矩形坯》YB2012《YB/T2012-2004 连续铸钢板坯》YB3301《YB 3301-2005 焊接H型钢》YB4081《YB/T4081-2007 护栏波形梁用冷弯型钢》YB4163《YB/T4163-2007 铁塔用热轧角钢》YB4169《YB/T 4169-2007 钎杆寿命试验方法》YB4206《YB/T 4206-2009 输电铁塔用冷弯型钢》YB4237《YB/T 4237-2010 叉车用热轧门架型钢》YB4238《YB/T 4238-2010 电气化铁路接触网支柱用热轧H型钢》YB4261《YB/T 4261-2011 耐火热轧 H 型钢》YB4273《YB/T 4273-2012 无磁石油钻具用钢棒》YB4274《YB/T 4274-2012 海洋石油平台用热轧H型钢》YB4366《YB/T 4366-2014 凿岩用橡胶钎肩中空六角形钎杆》YB5034《YB/T 5034-2005 履带用热轧型钢》YB5047《YB/T5047-2000 矿用热轧型钢》YB5048《YB/T 5048-2006 拖拉机大梁用槽钢》YB5089《YB/T5089-2007 锻制用不锈钢坯》YB5182《YB/T 5182-2006 热轧310乙字型钢》YB5222《YB/T5222-2004 优质碳素结构钢圆管坯》YB5227《YB/T 5227-2005 汽车车轮轮辋用热轧型钢》JG73《JG/T 73-1999 不锈钢建筑型材》JG137《JG/T137-2007 结构用高频焊接薄壁H型钢》JC1091《JC/T 1091-2008 预应力钢筒混凝土管接头用型钢》 TB3109《TB/T 3109-2005 AT钢轨》TB3110《TB/T 3110-2005 33kg/m护轨用槽型钢》。
钢坯及型钢标准精选(最新)钢坯及型钢标准精选(最新)G702《GB/T 702-2008 热轧钢棒尺寸、外形、重量及允许偏差》G706《GB/T 706-2008 热轧型钢》G905《GB/T905-1994 冷拉圆钢、方钢、六角钢尺寸、外形、重量及允差》G908《GB/T 908-2008 锻制钢棒尺寸、外形、重量及允许偏差》G911《GB/T911-2004 热轧工具钢扁钢尺寸、外形、重量及允许偏差》G1220《GB/T 1220-2007 不锈钢棒》G1221《GB/T 1221-2007 耐热钢棒》G1301《GB/T 1301-2008 凿岩钎杆用中空钢》G2101《GB/T 2101-2008 型钢验收、包装、标志及质量证明书的一般规定》 G2585《GB 2585-2007 铁路用热轧钢轨》G4226《GB/T 4226-2009 不锈钢冷加工钢棒》G4697《GB/T 4697-2008 矿山巷道支护用热轧u型钢》G6478《GB6478-2001 冷镦钢和冷挤压用钢》G6481《GB/T6481-2002 凿岩用锥体连接中空六角形钎杆》G6482《GB/T 6482-2007 凿岩用螺纹连接钎杆》G6723《GB/T 6723-2008 通用冷弯开口型钢尺寸、外形、重量及允许偏差》 G6725《GB/T 6725-2008 冷弯型钢》G6728《GB6728-2002 结构用冷弯空心型钢尺寸、外形、重量及允许偏差》 G9945《GB/T 9945-2012 热轧球扁钢》G11263《GB/T 11263-2010 热轧H型钢和剖分T型钢》G11264《GB/T 11264-2012 热轧轻轨》G12773《GB/T 12773-2008 内燃机气阀用钢及合金棒材》G13447《GB 13447-2008 无缝气瓶用钢坯》G14993《GB/T 14993-2008 转动部件用高温合金热轧棒材》G14994《GB/T 14994-2008 高温合金冷拉棒材》G15008《GB/T 15008-2008 耐蚀合金棒》G15547《GB/T 15547-2012 锻钢冷轧辊辊坯》G15712《GB/T 15712-2008 非调质机械结构钢》G20410《GB/T 20410-2006 涡轮机高温螺栓用钢》G24595《GB/T 24595-2009 调质汽车曲轴用钢棒》G25830《GB/T 25830-2010 高温合金盘(环)件通用技术条件》G26075《GB/T 26075-2010 抽油杆用圆钢》G28414《GB/T 28414-2012 抗震结构用型钢》G31303《GB/T 31303-2014 奥氏体-铁素体型双相不锈钢棒》GJ30A《GJB 30A-2006 K 装甲车辆用合金结构钢钢棒规范》GJ931A《GJB931A-2005 K 装甲车辆柴油发动机曲轴用方钢规范》GJ1220A《GJB1220A-2008 K 火炮零件用合金结构钢棒规范》GJ1492A《GJB1492A-2005 K 高破片率弹体用钢棒规范》GJ1951《GJB1951-1994 航空用优质结构钢棒规范》GJ1953A《GJB1953A-2008 K 航空发动机转动件用高温合金热轧棒材规范》 GJ2611A《GJB 2611A-2006 K 航空用高温合金冷拉棒材规范》GJ2721A《GJB2721A-2005 武器和车辆用热轧环件规范》GJ3020A《GJB3020A-2005 K 航空用高温合金环坯规范》GJ3165A《GJB3165A-2008 K 航空承力件用高温合金热轧锻制棒材规范》 GJ3316《GJB 3316-1998 航空用结构钢异型材规范》GJ5062《GJB 5062-2001 高强度弹性合金3J33棒材规范》GJ5063《GJB5063-2001 航空航天用超高强度钢钢棒规范》GJ5261《GJB5261-2003 低膨胀高温合金棒材规范》GJ5724《GJB 5724-2006 抗氢钢棒规范》GJ6055Z《GJB6055-2007 Z 舰艇用907A型钢规范》GJ6487K《GJB6487-2008 K 航空用高洁度合金结构钢棒规范》GJ7960《GJB7960-2012 火箭用不锈钢热轧(锻)棒材规范》H5155《HB5155-1996 K403合金锭》HB6702《HB 6702-1993 WZ8系列用GH4169合金棒材》H7240《HB7240-1995 DZ22B合金锭》H7241《HB7241-1995 K423A合金锭》H7569《HB7569-1997 DZ4合金锭》H7570《HB7570-1997 DZ22合金锭》H7682《HB 7682-2000 低膨胀GH907合金环坯和环形件》HB20196《HB 20196-2014 航空用高温弹性合金3J68棒材、带材规范》 WJ2571《WJ 2571-2002 22siMnTiB轧制均质钢装甲件规范》WJ2672《WJ 2672-2005 旋转稳定脱壳穿甲弹用钨合金棒材规范》YB037《YB/T 037-2005 优质结构钢冷拉扁钢》YB039《YB/T 039-2005 汽车车轮挡圈、锁圈用热轧型钢》YB094《YB/T094-1997 塑料模具用扁钢》YB154《YB/T154-1999 优质碳素和合金结构钢连铸方坯和矩形坯》 YB155《YB/T155-1999 电渣熔铸合金工具钢模块》YB157《YB/T157-1999 电梯导轨用热轧型钢》YB158《YB/T158-1999 汽轮机用合金结构钢棒》YB168《YB/T168-2000 优质碳素钢和合金钢连铸板坯》YB2008《YB/T2008-2007 不锈钢无缝钢管圆管坯》YB2010《YB/T2010-2003 铁路轨距挡板用热轧型钢》YB2011《YB/T2011-2004 连续铸钢方坯和矩形坯》YB2012《YB/T2012-2004 连续铸钢板坯》YB3301《YB 3301-2005 焊接H型钢》YB4081《YB/T4081-2007 护栏波形梁用冷弯型钢》YB4163《YB/T4163-2007 铁塔用热轧角钢》YB4169《YB/T 4169-2007 钎杆寿命试验方法》YB4206《YB/T 4206-2009 输电铁塔用冷弯型钢》YB4237《YB/T 4237-2010 叉车用热轧门架型钢》YB4238《YB/T 4238-2010 电气化铁路接触网支柱用热轧H型钢》YB4261《YB/T 4261-2011 耐火热轧 H 型钢》YB4273《YB/T 4273-2012 无磁石油钻具用钢棒》YB4274《YB/T 4274-2012 海洋石油平台用热轧H型钢》YB4366《YB/T 4366-2014 凿岩用橡胶钎肩中空六角形钎杆》YB5034《YB/T 5034-2005 履带用热轧型钢》YB5047《YB/T5047-2000 矿用热轧型钢》YB5048《YB/T 5048-2006 拖拉机大梁用槽钢》YB5089《YB/T5089-2007 锻制用不锈钢坯》YB5182《YB/T 5182-2006 热轧310乙字型钢》YB5222《YB/T5222-2004 优质碳素结构钢圆管坯》YB5227《YB/T 5227-2005 汽车车轮轮辋用热轧型钢》JG73《JG/T 73-1999 不锈钢建筑型材》JG137《JG/T137-2007 结构用高频焊接薄壁H型钢》JC1091《JC/T 1091-2008 预应力钢筒混凝土管接头用型钢》TB3109《TB/T 3109-2005 AT钢轨》TB3110《TB/T 3110-2005 33kg/m护轨用槽型钢》。
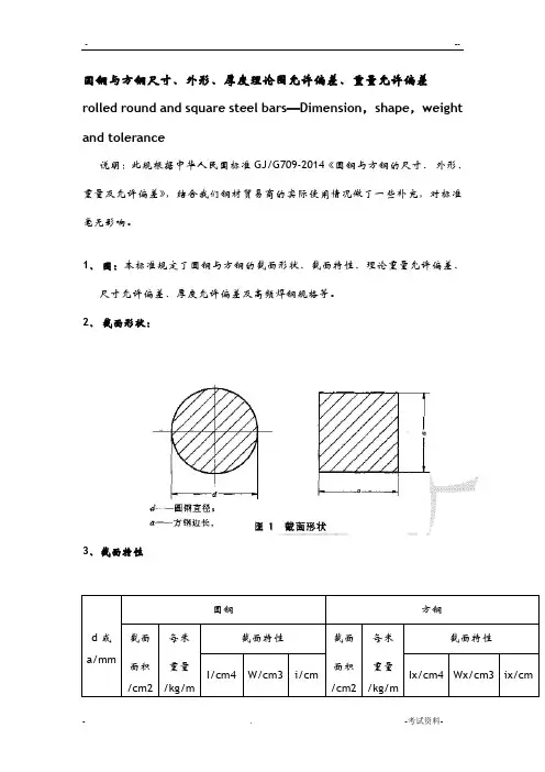
圆钢与方钢尺寸、外形、厚度理论围允许偏差、重量允许偏差rolled round and square steel bars—Dimension,shape,weight and tolerance说明:此规根据中华人民国标准GJ/G709-2021"圆钢与方钢的尺寸、外形、重量及允许偏差",结合我们钢材贸易商的实际使用情况做了一些补充,对标准毫无影响。
1、围:本标准规定了圆钢与方钢的截面形状、截面特性、理论重量允许偏差、尺寸允许偏差、厚度允许偏差及高频焊钢规格等。
2、截面形状:3、截面特性d或a/mm圆钢方钢截面面积/cm2每米重量/kg/m截面特性截面面积/cm2每米重量/kg/m截面特性I/cm4 W/cm3 i/cm Ix/cm4 Wx/cm3 ix/cm5.5 0.238 0.187 0.0045 0.0163 0. 0.303 0.237 0.0076 0.0277 0.1596 0.283 0.222 0.0063 0.0212 0.15 0.36 0.283 0.0108 0.036 0.1734、理论重量与允许偏差5、热轧圆钢和方钢的尺寸允许偏差单位为毫米6、圆钢与方钢〔包括连轧钢板〕厚度允许偏差GJ/G709-2021规定1、材质的牌号和化学成分应符合GB/T700(普碳〕、GB/T1591〔低合金〕的规定。
2、圆钢与方钢的尺寸、外形、重量及允许偏差应符合GJ/G709-2021的规定。
3、合同未明确时,按如下规定:A)、单轧钢板通常切四边交货;钢带通常不切边交货。
B)、单轧钢板厚度偏差种类按对称偏差。
C)、钢带和连轧钢板厚度精度按普通精度。
7、圆钢与方钢高频焊钢规格。
热轧方钢规格
热轧方钢规格是指热轧生产工艺下所生产的方形截面钢材的规格尺寸。
热轧方钢具有较高的强度和韧性,广泛应用于建筑、桥梁、机械制造等领域。
下面将介绍几种常见的热轧方钢规格。
一、20mm×20mm的热轧方钢
这种规格的热轧方钢主要用于制造机械零件、建筑结构和桥梁等。
其截面形状为正方形,边长为20mm,具有较高的强度和刚性,适用于承受较大荷载的场合。
二、50mm×50mm的热轧方钢
这种规格的热轧方钢常用于制造建筑结构、机械零件和轴承等。
其截面形状为正方形,边长为50mm,具有较高的强度和耐磨性,适用于承受冲击和挤压等工作条件的场合。
三、100mm×100mm的热轧方钢
这种规格的热轧方钢常用于制造大型机械设备、建筑结构和桥梁等。
其截面形状为正方形,边长为100mm,具有较高的承载能力和抗压能力,适用于承受大荷载和剪切力的场合。
四、150mm×150mm的热轧方钢
这种规格的热轧方钢常用于制造重型机械设备、大型建筑结构和桥梁等。
其截面形状为正方形,边长为150mm,具有较高的强度和耐腐蚀性,适用于承受极大荷载和恶劣工作环境的场合。
五、200mm×200mm的热轧方钢
这种规格的热轧方钢常用于制造超大型机械设备、重型建筑结构和桥梁等。
其截面形状为正方形,边长为200mm,具有极高的承载能力和抗震能力,适用于承受极大荷载和地震力的场合。
热轧方钢规格多种多样,根据不同的使用需求选择合适的规格尺寸非常重要。
在使用热轧方钢时,还需注意其表面质量、化学成分和机械性能等指标,确保其满足工程要求。
各类型钢的技术标准
1、圆钢和方钢:GB/T702-2008
2、冷轧圆钢、方钢、六角钢:GB/T905-1994
3、锻制圆钢和方钢:GB/T908-2008
4、银亮钢:GB/T3207-2008
5、热轧六角钢和八角钢:GB/T702-2008
6、热轧扁钢:GB/T702-2008
7、热轧工具钢扁钢:GB/T702-2008
8、优质结构冷拉扁钢:YB/T037-2005
9、锻制扁钢:GB/T908-2008
10、热轧盘条:GB/T14981-2009
11、低碳钢热轧盘条:GB/T701-2008
12、优质碳素钢热轧盘条:GB/T4354-2008
13、焊接用钢盘条:GB/T3429-2002
14、不锈钢盘条:GB/T4356-2002
15、焊接用不锈钢盘条:GB/T4241-2006
16、热轧角钢:GB/T706-2008
17、热轧L型钢:GB/T706-2008
18、热轧槽钢:GB/T706-2008
19、热轧工字钢:GB/T706-2008
20、热轧H型钢:GB/T11263-2010
21、热轧钢板和钢带:GB/T709-2006
22、冷轧钢板和钢带:GB/T708-2006
23、花纹钢板:GB/T3277-1991
24、无缝钢管:GB/T17395-2008
25、焊接钢管:GB/T21835-2008
26、低压流体输送用焊接钢管:GB/T3091-2008
27、螺旋焊管:SY/T5037-2012
2015.06.5。
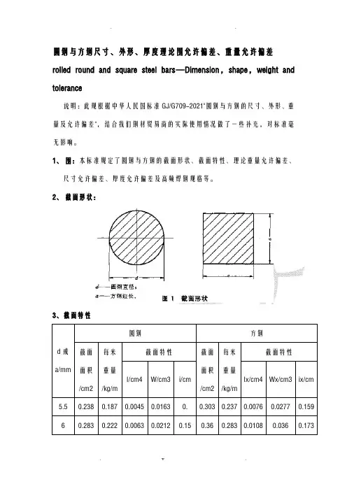
圆钢与方钢尺寸、外形、厚度理论围允许偏差、重量允许偏差
rolled round and square steel bars—Dimension,shape,weight
and tolerance
说明:此规根据中华人民国标准GJ/G709-2014《圆钢与方钢的尺寸、外形、
重量及允许偏差》,结合我们钢材贸易商的实际使用情况做了一些补充,对标准
毫无影响。
1、围:本标准规定了圆钢与方钢的截面形状、截面特性、理论重量允许偏差、
尺寸允许偏差、厚度允许偏差及高频焊钢规格等。
2、截面形状:
3、截面特性
d或
a/mm
圆钢方钢
截面
面积
/cm2
每米
重量
/kg/m
截面特性截面
面积
/cm2
每米
重量
/kg/m
截面特性
I/cm4 W/cm3 i/cm Ix/cm4 Wx/cm3 ix/cm
4、理论重量与允许偏差
5、热轧圆钢和方钢的尺寸允许偏差单位为毫米
6、圆钢与方钢(包括连轧钢板)厚度允许偏差
圆钢与方钢(包括连轧钢板)厚度允许偏差表
GJ/G709-2014规定
1、材质的牌号和化学成分应符合GB/T700(普碳)、GB/T1591(低合金)的规定。
2、圆钢与方钢的尺寸、外形、重量及允许偏差应符合GJ/G709-2014的规定。
3、合同未明确时,按如下规定:
A)、单轧钢板通常切四边交货;钢带通常不切边交货。
B)、单轧钢板厚度偏差种类按对称偏差。
C)、钢带和连轧钢板厚度精度按普通精度。
7、圆钢与方钢高频焊钢规格。