代表法兰连接的密封形式:M-凸面;RF-突面;FM-凹凸面;
- 格式:docx
- 大小:14.86 KB
- 文档页数:1
法兰密封面有全平面FF、突面RF、凸面M、凹面F、榫面T、槽面G、环连接面RJ 一般凹凸面MF、榫槽面TG都是配对使用。
1、平面法兰密封面具有结构简单、加工方便、且便于进行防腐衬里的优点,由于这种密封面和垫片接触面积较大,如预紧不当,垫片易被挤出密封面。
也不易压紧,密封性能较差,适用于压力不高的场合,一般使用在PN≤2.5Mpa的压力下。
2、突面法兰的密封面是平面,与垫片接触面积较大,预紧后,垫片易向两侧伸展或移动,密封性较差,只适合低压场合。
3、凹凸面法兰密封面相配的两个法兰接合面一个是凹面一个是凸面。
安装时易于对中,能有效地防止垫片被挤出密封面,密封性能比平面密封为好。
4、榫槽面法兰密封面由一个榫面一个槽面相配而成,因此,密封面更窄。
由于受槽面的阻挡,垫片不会被挤出压紧面,且少受介质的冲刷和腐蚀。
适用于压力范围在1.6—
10Mpa,使用的垫片为缠绕垫片中的A型,即基本型。
安装时易于对中,垫片受力均匀,密封可靠,适用于易燃、易爆和有毒介质的运用。
只是由于垫片很窄,更换时较为困难。
榫槽面法兰和凹凸面法兰一样需要配合使用。
5、环连接面,环连接面的槽是梯形的槽,需要八角垫片来密封。
两个环接面法兰是完全一致的。
密封面是环槽结构,适用于压力范围在2.5—16.0Mpa,使用的垫片是金属环垫,按结构可分为八角形金属环垫和椭圆形金属环垫。
环连接面的法兰是不需要配合成对使用,只是使用的垫圈不同,环连接面法兰在石化部门又叫环槽面法兰,密封面是梯形槽面,这两种法兰比之凹凸面法兰更为优越,适用于高温高压的工况。
法兰类型与密封面型式表一:法兰类型与密封面型式法兰类型及类型代号法兰类型法兰类型代号标准号板式平焊法兰PL HG 20593 带颈平焊法兰SO HG 20594 带颈对焊法兰WN HG 20595 整体法兰IF HG 20596 承插焊法兰SW HG 20597 螺纹法兰Th HG 20598 对焊环松套法兰PJ/SE HG 20599 平焊环松套法兰PJ/PR HG 20600 法兰盖BL HG 20601 衬里法兰盖BL(S) HG 20602法兰密封面型式选用表钢制法兰用材料法兰、垫片、紧固件选配表钢制管法兰推荐用材料一、碳刚、低合金钢1. 工作压力(Mpa)≤1.0、工作温度(℃)≤0~+350,选用Q235-A(GB 3274); -钢板2. 工作压力(Mpa)≤1.6、工作温度(℃)≤0~+350,选用Q235-B(GB 3274) -钢板;3. 工作压力(Mpa)≤4.0、工作温度(℃)≤0~+350,选用20(GB 711) -钢板;4. 工作压力(Mpa)≤25.0、工作温度(℃)≤-20~+475,选用20(JB 4726) -锻件;5. 工作压力(Mpa)≤25.0、工作温度(℃)≤-20~+475,选用16MnR(GB 6654) -钢板;6. 工作压力(Mpa)≤25.0、工作温度(℃)≤-20~+475,选用16Mn(JB 4726) -锻件;二、不锈钢7. 工作压力(Mpa)≤25.0、工作温度(℃)≤-196~+700,选用304(0Cr18Ni9)(GB 4237、JB 4728)-钢板、锻件;8. 工作压力(Mpa)≤25.0、工作温度(℃)≤-196~+700,选用321(0Cr18Ni10Ti)(GB 4237、JB 4728) -钢板、锻件;9. 工作压力(Mpa)≤25.0、工作温度(℃)≤-196~+425,选用316L (00Cr17Ni14Mo2)(GB4237、JB4728) -钢板、锻件。
法兰连接型式及密封面形式代公司标准化编码 [QQX96QT-XQQB89Q8-NQQJ6Q8-MQM9N]法兰标准体系管道法兰按与管子的连接方式可分为五种基本类型:平焊法兰、对焊法兰、螺纹法兰、承插焊法兰、松套法兰。
法兰的密封面型式有有多种,一般常用有凸面(RF)、凹面(FM)、凹凸面(MFM)、榫槽面(TG)、全平面(FF)、环连接面(RJ)。
相应材质:20#、A105、Q235A、12Cr1MoV、16MnR、15CrMo、18-8、321、304、304L、316、316L等。
一、美标ANSIBI605、WN、SO、SW、PL、BL、TH、LJ。
二、日标JIS、B2220。
三、德标DIN、2527-2635四、欧洲系列、国行标准。
HG20615-97<-->HG20614-97五、美洲系列、国行标准。
HG20615-97<-->HG20635-97六、国家标准。
GB9122-GB9123-88七、石化、机械部标准。
JI81-86-59-94、JB2555-79八、电力部标准。
GD-87 DG-78九、化工部标准。
HGJ44-76-91 HG5010-5028-58阀门磅级对照表平面法兰,突面法兰,凹凸面法兰该如何选用压紧面(密封面) 型式a、平面型压紧面压紧面的表面为平面。
优点:结构简单,加工方便。
缺点:是接触面积大,需要的预紧比压大,螺栓承载大,故等零件要求高、笨重,垫片易挤出,密封性能较差。
使用压力P≤,有毒、易燃、易爆介质中不能使用。
b、凹凸型由一个凹面和一个凸面配合组成。
垫片放凹面中。
优点:便于对中,能防垫片挤出。
可用在P≤,DN≤800mm的选用全平面密封面:常与型式配合以适用于操作条件比较缓和的工况下;常用于铸铁法兰或与铸铁连接的钢法兰;突台面密封面:是应用最广的一种型式,它常与对焊和承插焊型式配合使用,在"美式法兰"中,常用在、和部分压力等级中;在"欧式法兰"中则常用在、压力等级;()凹凸面密封面:常与对焊和承插型式配合使用,在"美式法兰中不常采用,在"欧式法兰"中常用在、等级中。
法兰密封面型式及适用范围本标准提出单位,主编单位和主要起草人:提出单位:化工部设备设计技术中心站化工部化工工艺配管设计技术中心站主编单位:化工部设备设计技术中心站主要起草人:应道宴虞军本标准法兰技术按HG20603的规定;法兰的公称压力和不同温度的最高无冲击工作压力按HG20604的规定;焊接接头和坡口按HG20605的规定;紧固件长度按HG20613附录A的规定;垫片,紧固件的选配按HG20614的规定;标记按HG20592的规定。
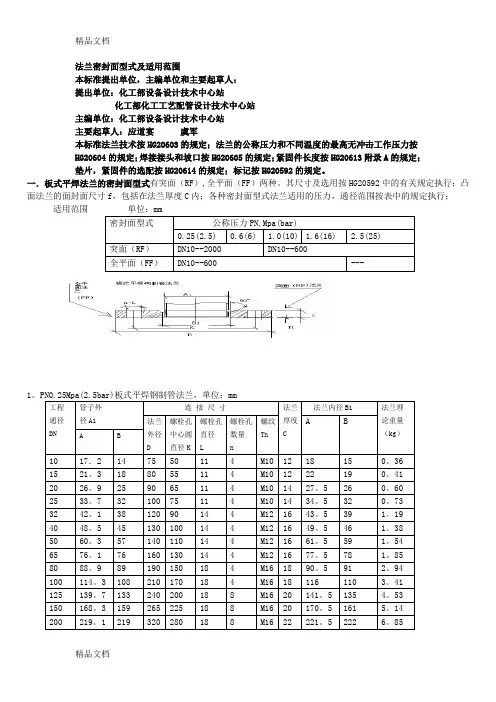
一.板式平焊法兰的密封面型式有突面(RF),全平面(FF)两种。
其尺寸及选用按HG20592中的有关规定执行;凸面法兰的面封面尺寸f,包括在法兰厚度C内;各种密封面型式法兰适用的压力,通径范围按表中的规定执行;适用范围1。
PN0.25Mpa(2.5bar)板式平焊钢制管法兰,单位:mm2。
PN0.6Mpa(6bar)板式平焊钢制管法兰,单位:(mm)3。
5法兰密封面型式及适用范围:密封面型式有突面(RF),凹凸面(MFM),榫槽面(TG),全平面(FF)四种。
1。
5。
PN4.0Mpa(40bar)带景平焊钢制管法兰,单位:mm三.带颈对焊钢制管法兰(欧洲体系)HG20595-97,本标准主题内容与适用范围:本标准规定了带颈对焊钢制管法兰(欧洲体系)的形式尺寸技术要求和有关使用规定,本标准适用于公称压力PN1.0Mpa(10bar)—25Mpa(250bar)的戴镜对焊钢制管法兰,适用于HG20592所规定的A,B两个钢管外径系列。
引用标准执行以上标准。
法兰的密封面型式有突面(RF),凹凸面(MFM),榫槽面(TG),全平面(FF),环连接(RJ)五种。
凸面,凹凸面,榫槽面法兰的密封面尺寸f1f2,以包括在内法兰厚度C内;环连接面法兰的突台高度E未包括在法兰厚度C内。
各种密封面型式法兰使用的压力,通径范围按下表内的规定:1.PN1.0Mpa(10bar)带颈对焊钢制管2。
法兰密封面类型介绍
FF-全平面
Flat Face Full Face类型密封面表面为全平,适用于压力不高、介质无毒的场合。
RF-突面
Raised Face类型密封面应用在几种类型中最为广泛,最为常用的一种。
适用于突面密封面法兰的垫片有各种非金属平垫片、包覆垫片;金属包垫;缠绕式垫片(含带外环或带内外环)等。
M-凸面和FM-凹面
Male Face与Female Face这两种密封面类型是一对,一雌一雄,必须配套使用,安装时便于对中,还能防止垫片被挤出。
使用于压力较高的场合。
凹凸面密封面适用的密封垫片有:各种非金属平垫、包覆垫;金属包垫;基本型或带内环型缠绕垫片等。
RTJ(RJ)-环连接面
Ring Joint Face环连接面密封的法兰,也属于窄面法兰,并在法兰的突面上开出一环状梯形槽作为法兰密封面,和榫槽面法兰一样,这种法兰在安装和拆卸时必须在轴向将法兰分开,因此,在管线设计时要考虑到将法兰在轴向分开的可能。
这种密封面专用来与金属材料加工成形状为八角形或椭圆形的
实体金属垫片配合,实现密封连接。
由于金属环垫可以依据各种金属的固有特性,因而这种密封面的密封性能好,对安装要求也不太严格,适合于高温、高压工况,但密封面的加工精度较高。
12种法兰及密封面形式介绍法兰基本介绍管法兰及其垫片、紧固件统称为法兰接头。
应用:法兰接头是工程设计中使用极为普遍、涉及面非常广泛的一种零部件。
它是配管设计、管件阀门必不可少的零件,而且也是设备、设备零部件(如人孔、视镜液面计等)中必备的构件。
此外,其它专业如工业炉、热工、给排水、采暖通风、自控等,也经常使用法兰接头。
材质:锻钢、WCB碳钢、不锈钢、316L、316、304L、304、321、铬钼钢、铬钼钒钢、钼二钛、衬胶、衬氟材质。
分类:平焊法兰、带颈法兰、对焊法兰、环连接法兰、承插法兰、及盲板等。
执行标准:有GB系列(国家标准)、JB系列(机械部)、HG系列(化工部)、ASME B16.5(美标)、BS4504(英标)、DIN(德标)、JIS(日标)。
国际管法兰标准体系:国际上管法兰标准主要有两个体系,即以德国DIN(包括原苏联)为代表的欧洲管法兰体系和以美国ANSI管法兰为代表的美洲管法兰体系。
12种法兰类型及密封面形式>>>>1.板式平焊法兰板式平焊法兰(化工标准HG20592、国家标准GB/T9119、机械JB/T81)。
优点:取材方便,制造简单,成本低,使用广泛缺点:刚性较差,因此不得用于有供需、易燃、易爆和较高真空度要求的化工工艺配管系统和高度、极度危害的场合。
密封面型式有平面和突面。
>>>>2.带颈平焊法兰带颈平焊法兰属于国标法兰标准体系。
是国标法兰(又称GB法兰)的其中一种表现形式,是设备或管道上常用的法兰之一。
优点:现场安装较方便,可省略焊缝拍揉伤的工序缺点:带颈平焊法兰颈部高度较低,对法兰的刚度、承载能力有所提高。
与对焊法兰相比,焊接工作量大,焊条耗量高,经不起高温高压及反复弯曲和温度波动。
>>>>3.带颈对焊法兰带颈对焊法兰的密封面形式有突面(RF)、凹面(FM),凸面(M)、榫面(T),槽面(G),全平面(FF)。
法兰基本介绍管法兰及其垫片、紧固件统称为法兰接头。
应用:法兰接头是工程设计中使用极为普遍、涉及面非常广泛的一种零部件。
它是配管设计、管件阀门必不成少的零件,而且也是设备、设备零部件(如人孔、视镜液面计等)中必备的构件。
此外,其它专业如工业炉、热工、给排水、采暖通风、自控等,也经常使用法兰接头。
材质:锻钢、WCB碳钢、不锈钢、316L、316、304L、304、321、铬钼钢、铬钼钒钢、钼二钛、衬胶、衬氟材质。
分类:平焊法兰、带颈法兰、对焊法兰、环连接法兰、承插法兰、及盲板等。
执行尺度:有GB系列(国家尺度)、JB系列(机械部)、HG系列(化工部)、ASME B16.5(美标)、BS4504(英标)、DIN(德标)、JIS(日标)。
国际管法兰尺度体系:国际上管法兰尺度主要有两个体系,即以德国DIN(包含原苏联)为代表的欧洲管法兰体系和以美国ANSI管法兰为代表的美洲管法兰体系。
12种法兰类型及密封面形式>>>>1.板式平焊法兰板式平焊法兰(化工尺度HG20592、国家尺度GB/T9119、机械JB/T81)。
优点:取材方便,制造简单,成本低,使用广泛缺点:刚性较差,因此不得用于有供需、易燃、易爆和较高真空度要求的化工工艺配管系统和高度、极度危害的场合。
密封面型式有平面和突面。
>>>>2.带颈平焊法兰带颈平焊法兰属于国标法兰尺度体系。
是国标法兰(又称GB法兰)的其中一种表示形式,是设备或管道上经常使用的法兰之一。
优点:现场装置较方便,可省略焊缝拍揉伤的工序缺点:带颈平焊法兰颈部高度较低,对法兰的刚度、承载能力有所提高。
与对焊法兰相比,焊接工作量大,焊条耗量高,经不起高温高压及反复弯曲和温度动摇。
>>>>3.带颈对焊法兰带颈对焊法兰的密封面形式有突面(RF)、凹面(FM),凸面(M)、榫面(T),槽面(G),全平面(FF)。
优点:连接不容易变形,密封效果好,应用广泛,适用于温度或压力大幅度动摇的管道或高温、高压及低温的管道,也用于输送价格昂贵介质、易燃易爆介质、有毒气体的管道上缺点:带颈对焊法兰的体积庞大,重量粗笨,价格昂贵,装置定位很困难。
SO、WN、PL——管法兰类型代号SO——带颈平焊法兰WN——带颈对焊法兰PL——板式平焊法兰RF——密封面形式代号,密封面形式为“突面”。
法兰密封面型式的选择,主要考虑压力、温度、介质。
压力容器和管道中常用的法兰密封面型式和特点如下:1.突面RF:表面是一个光滑的平面,也可车制密纹水线。
密封面结构简单,加工方便,且便于进行防腐衬里。
但是,这种密封面垫片接触面积较大,预紧时垫片容易往两边挤,不易压紧。
用在压力PN≤2.5MPa;2.凹凸面(M F M):密封面是由一个凸面和一个凹面相配合组成,在凹面上放置垫片,能够防止垫片被挤出,故可适用于压力较高的场合。
用在压力PN>2.5MPa;仪表的M F M法兰最好不要用,因为垫子不好密封;3.榫槽面TG:密封面是由榫和槽所组成的,垫片置于槽中,不会被挤动。
垫片可以较窄,因而压紧垫片所需的螺栓力也就相应较小。
即使用于压力较高之处,螺栓尺寸也不致过大。
因而,它比以上两种密封面均易获得良好的密封效果。
密封面的缺点是结构与制造比较复杂,更换挤在槽中的垫片比较困难。
榫槽密封面适于易燃、易爆、有毒的介质以及较高压力的场合。
当压力不大时,即使直径较大,也能很好地密封4.全平面(FF):与环连接面(RJ)全平面密封适合于压力较小的场合PN≤1.6MPa;环连接面:主要用在带颈对焊法兰与整体法兰上,适用压力范围为 6.3MPa≤PN≤25.0MPa。
考虑的因素首先是压力,要满足压力要求,再才是温度、介质,有毒有害介质按压力选择都要上升等级才行,重要的还要进行密封计算。
SO、WN、PL——管法兰类型代号
SO——带颈平焊法兰
WN——带颈对焊法兰
PL——板式平焊法兰
RF——密封面形式代号,密封面形式为“突面”。
法兰密封面型式的选择,主要考虑压力、温度、介质。
压力容器和管道
中常用的法兰密封面型式和特点如下:
1.突面RF:表面是一个光滑的平面,也可车制密纹水线。
密封面结构简单,加工方便,且便于进行防腐衬里。
但是,这种密封面垫片接触面积较大,预紧时垫片容易往两边挤,不易压紧。
用在压力PN≤;
2.凹凸面(M F M):密封面是由一个凸面和一个凹面相配合组成,在凹面上放置垫片,能够防止垫片被挤出,故可适用于压力较高的场合。
用在压力PN>;仪表的M F M法兰最好不要用,因为垫子不好密封;
3.榫槽面TG:密封面是由榫和槽所组成的,垫片置于槽中,不会被挤动。
垫片可以较窄,因而压紧垫片所需的螺栓力也就相应较小。
即使用于压力较高之处,螺栓尺寸也不致过大。
因而,它比以上两种密封面均易获得良好的密封效果。
密封面的缺点是结构与制造比较复杂,更换挤在槽中的垫片比较困难。
榫槽密封面适于易燃、易爆、有毒的介质以及较高压力的场合。
当压力不大时,即使直径较大,也能很好地密封
4.全平面(FF):与环连接面(RJ)全平面密封适合于压力较小的场合PN≤;
环连接面:主要用在带颈对焊
法兰与整体法兰上,适用压力
范围为≤PN≤。
考虑的因素首先是压力,要满足压力要求,再才是温度、介质,有毒有害介质按压力选择都要上升等级才行,重要的还要进行密封计算。
法兰密封面形式及代号名称特点说明突面(RF ) 表面是一个光滑的平面,也可车制密纹水线。
密封面结构简单,加工方便,且便于进行防腐衬里。
但是,这种密封面垫片接触面积较大,预紧时垫片容易往两边挤,不易压紧。
凹凸面(MFM ) 密封面是由一个凸面和一个凹面相配合组成,在凹面上放置垫片,能够防止垫片被挤出,故可适用于压力较高的场合。
榫槽面(TG ) 密封面是由榫和槽所组成的,垫片置于槽中,不会被挤动。
垫片可以较窄,因而压紧垫片所需的螺栓力也就相应较小。
即使用于压力较高之处,螺栓尺寸也不致过大。
因而,它比以上两种密封面均易获得良好的密封效果。
密封面的缺点是结构与制造比较复杂,更换挤在槽中的垫片比较困难。
此外,榫面部分容易损坏,在拆装或运输过程中应加以注意。
榫槽密封面适于易燃、易爆、有毒的介质以及较高压力的场合。
当压力不大时,即使直径较大,也能很好地密封。
全平面(FF )与环连接面(RJ ) 全平面密封适合于压力较小的场合(PN ≤1.6MP a );环连接面主要用在带颈对焊法兰与整体法兰上,适用压力范围为(6.3MP a≤PN ≤25.0MP a )。
其它类型密封面 对于高压容器和高压管道的密封,密封面可采用锥形密封面或梯形槽密封面,它们分别与球面金属垫片(透镜垫片)和椭圆形或八角形截面的金属垫片配合。
密封面可适用于压力较高的场合,但需要的尺寸精度和表面光洁度高,不易加工。
1 平面法兰密封面平面密封面主要用于宽面法兰及低压管道系统中,与相配密封垫片接触面分布于法兰螺栓中心圆的内外两侧。
对应的垫片材质多为石棉橡胶等非金属软质材料,垫片预紧比压较低,无论是平焊法兰还是对焊法兰或者是承插法兰都有用到。
2 突面突面密封面主要用于窄面法兰,即垫片的接触面位于法长螺栓孔所包围的冈周范围内,也就是突面密封面对的垫片外径正好与法兰连接螺栓内切圆直径相当,安装时可借助螺栓使垫片位置固定在法兰面中央。
这种密封面在法兰上应用最为广泛。