住宅核心筒设计指引
- 格式:pdf
- 大小:481.48 KB
- 文档页数:12
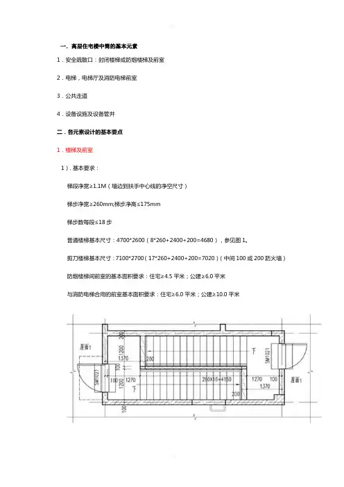
一.高层住宅楼中筒的基本元素1.安全疏散口:封闭楼梯或防烟楼梯及前室2.电梯,电梯厅及消防电梯前室3.公共走道4.设备设施及设备管井二.各元素设计的基本要点1.楼梯及前室1). 基本要求:梯段净宽≥1.1M(墙边到扶手中心线的净空尺寸)梯步净宽≥260mm;梯步净高≤175mm梯步数每段≤18步普通楼梯基本尺寸:4700*2600(8*260+2400+200=4680),参见图1。
剪刀楼梯基本尺寸:7100*2700(17*260+2400+200=7020)(中间100或200防火墙)防烟楼梯间前室的基本面积要求:住宅≥4.5平米;公建≥6.0平米与消防电梯合用的前室基本面积要求:住宅≥6.0平米;公建≥10.0平米2). 设计要点:a.如地下地上共用一个楼梯,应在首层出口处将地下地上楼梯用防火墙及防火门分隔开,并且地下地上的楼梯对外疏散门均应向疏散方向开启,且门开启后相互不能影响疏散宽度。
b.楼梯间的门均为乙级防火门,标准层其开门宽度可以是1000mm,但在首层楼梯间对外开启的防火门应满足大于1100mm(等同楼梯间梯段最小宽度)。
c.楼梯间及其前室的外窗和其他部分的外窗的距离应满足水平大于1.0米,转角及正对时应大于4.0米的防火要求。
d.两个放烟楼梯间与消防电梯不能同时共用一个前室(三合一前室)(高规p128页:“特别要提出的是,有少数设计在剪刀楼梯梯段之间不加任何分隔,也不设防烟楼梯间,还有一种与消防电梯合用的前室,两个楼梯口均开在一个合用前室之内,这种设计都不利于疏散,不能采用,更不能推广。
“e.楼梯应出屋顶.f.楼梯段不能设扇步。
g.当楼梯梯段井净宽大于500mm时,楼梯栏杆应按临空栏杆设计,其高度应大于1100mm。
住宅楼梯间及出入口的设置有如下几个要求:设置开敞楼梯间的条件:11层及11层以下的单元式住宅可不设封闭楼梯间,但开向楼梯间的户门应为乙级防火门,且楼梯间应靠外墙,并应直接天然采光和自然通风。
住宅楼核心筒设计要点一个住宅楼的核心筒是其结构的重要组成部分,它提供了建筑物的稳定性和安全性。
因此,在设计住宅楼核心筒时需要注意以下要点:1.结构稳定性:核心筒应能够提供足够的稳定性,以抵抗各种外部力的作用,如地震、风力和荷载等。
设计师应使用合适的结构材料和设计原理来确保核心筒的稳定性。
2.结构强度:核心筒应具备足够的强度,能够承受负载并分配负载到周围的结构中,以保证建筑物的整体结构安全。
设计师应在核心筒的布置和尺寸上考虑到负载的分布和传递。
3.防火安全:住宅楼作为居住场所,对防火要求较高。
核心筒应采用防火材料来提供隔热和耐火性能,以确保在火灾情况下能够提供有效的防护,阻止火势蔓延。
4.电气、水管、通风道的布置:核心筒内通常包含电气、水管和通风道等设备和管线。
设计师应合理布置这些设备和管线,以确保其使用效果和维护方便。
通风道应设计合理,以保证室内空气质量和排除有害气体。
5.空间利用效率:在设计核心筒空间时,应尽可能提高空间的利用效率。
可以考虑采用室内楼梯、电梯和电梯间、垃圾处理间等功能区域的布置,以最大程度地减少核心筒空间的浪费。
6.抗震设计:住宅楼核心筒需要具备较好的抗震性能,以应对地震引起的水平力和垂直力。
设计师应选取适当的抗震设计参数,采用适宜的抗震构造和配筋方式,确保核心筒在地震情况下能够提供足够的稳定性。
7.能效设计:住宅楼核心筒的设计应考虑能源效率。
可以通过合理的建筑布局和节能措施,如采用隔热材料、优化通风设计和太阳能利用等,减少能源消耗和碳排放。
8.美学设计:住宅楼核心筒的外观设计也应考虑美观性。
设计师可以运用适当的造型、材料和色彩搭配,使核心筒与整个建筑物相协调,增加建筑的视觉效果。
综上所述,住宅楼核心筒的设计要点包括结构稳定性、结构强度、防火安全、设备和管线布置、空间利用效率、抗震设计、能效设计和美学设计。
设计师在设计核心筒时应综合考虑以上要点,确保核心筒能够满足建筑物的功能和安全要求,并提升建筑的整体品质。
一、电梯:1、电梯选型(日立):2、电梯候梯厅的深度:(1)多台双侧排列(民用建筑设计通则:住宅侯梯厅≥相对电梯轿厢深度之和并<3.5m)(2)多台单侧排列:二、楼梯、走道、前室:1、楼梯尺寸说明:上表尺寸适用于层高3米的普通住宅。
2、前室面积3、a、疏散楼梯间及其前室的门的净宽≥900mm;门洞尺寸:单开门1000mm,双开门1200mmb、住宅公共区域走廊通道:轴线宽度≥1500mm。
4、高层住宅楼梯消火栓明设在楼梯休息平台处时,楼梯休息平台宽度应比正常宽度加宽200,同时设计时应注意消火栓上皮与框架梁的关系。
5、a.防火门:楼梯间,楼梯前室及消防电梯前室的门均为乙级防火门。
防火门宜与入户门统一色系。
b.直接开向前室的户门均应为乙级防火门,但不允许一个标准单元中所有的户门全开向前室,不超过1/2。
三、消火栓、报警铃、应急灯1、总则:必须同时有两股水柱到达任意一处着火点,每个消火栓保护半径按25m 计(不能用圆来表示,应考虑龙带拉到位置,龙带至少应能拉到最不利房间的门口)四、设备设施及管井(一)电气专业:1、电井尺寸经验值参考2、高层建筑电气竖井在利用通道作为检修面积时,竖井的净宽度不宜小于0.80m;(二)暖通专业:1、加压送风风井要求:窄边净空≥500mm;内壁抹灰密封;各标准层安装正压风口的墙体尽量避免是剪力墙。
(风井的面积需通过计算所得)2、楼梯间及前室的防火门是双扇开启时,对风压损失较大,相应的风井也会增大。
3、剪刀楼梯应分别加压送风,但可以共用一个风井。
4、设备管井门(除为楼梯间加压送风口外)只能开在走道及各前室中,严禁将设备管井门设在防烟楼梯间内。
注:以上尺寸并非定数,具体平面具体项目,具体分析。
住宅核心筒设计要点一.住宅核心筒的基本元素1.楼梯及前室:2.电梯,电梯厅及消防电梯前室3.公共走道4.设备设施及管井二.各元素设计的基本要点1.楼梯1)楼梯形式:H≤21m,敞开楼梯21m<H≤33m,封闭楼梯,敞开楼梯(户门为乙级防火门)33m<H,防烟楼梯2)楼梯数量:H≤27m,可设一部楼梯(要求每层面积≤650m²,户门距离安全出口≤10m);27m<H≤54m,可设一部楼梯(要求每层面积≤650m²,户门距离安全出口≤10m)H>54m,设2部楼梯。
3)梯段净宽≥1.1m(高度18米以下一边栏杆的可1.0m)(墙边到扶手中心线的净空尺寸)梯步净宽≥260mm;梯步净高≤175mm梯步数每段≤18步4)普通楼梯基本尺寸:轴线尺寸4500*2600(7*260 2400 200=4420 80抹灰及扶手尺寸=4500)。
(2800层高,每跑8步,共计16步)剪刀楼梯基本尺寸:轴线尺寸6800*2700(15*260 2600 200 100=6700 100抹灰及扶手尺寸=6800)(中间100防火墙)(2800层高,每跑16步)5)楼梯间的门均为乙级防火门,标准层其开门宽度可以是1000mm,首层楼梯间对外开启的防火门应大于1200mm。
6)楼梯间及其前室的外窗和其他部分的外窗的距离应满足水平大于1.0米,转角及正对时最近距离应大于1.0米的防火要求。
7)可采用剪刀楼梯间,具体要求详见《建筑设计防火规范》5.5.28.8)防烟楼梯间前室面积:≥4.5平米;与消防电梯合用的前室面积:≥6.0平米;2.电梯,电梯厅及消防电梯前室1). 7层及以上的住宅楼需设电梯,12层及以上每栋需设2台电梯,其中一台可容纳担架(轿厢尺寸宜为1500*1600,或长短边>3100)2). H>33m住宅楼需设消防电梯3).电梯厅的深度:大于1500mm,12层及以上≥1800mm,剪刀梯共用前室与消防电梯前室合用时>2.4m。
高层住宅核心筒设计要点【第一篇】高层住宅核心筒设计要点一:概述高层住宅核心筒设计是保障楼体结构安全和居住质量的重要环节。
本文详细介绍了高层住宅核心筒设计的要点。
二:核心筒设计的目的1. 确保高层住宅的抗震性能。
2. 保证住宅内部结构的空间布置。
3. 提供良好的垂直交通通道。
三:核心筒设计的基本原则1. 抗震性能优先。
核心筒应具备良好的抗震性能,以保护住宅内的居民。
2. 结构合理。
核心筒的结构设计应合理,以优化空间布置和增加使用效率。
3. 通风与照明充分。
核心筒内部应设置合适数量的通风口和光井,以保证居住环境的舒适性。
四:核心筒设计的详细要点1. 核心筒的形式选择。
可以选择单核筒、双核筒或多核筒的形式,根据建筑设计及使用需求进行选择。
2. 核心筒的材料选择。
应选择具备良好的抗震性能和耐久性的材料,如钢筋混凝土等。
3. 核心筒的结构设计。
应根据楼层高度、使用功能及抗震要求等设计合适的结构形式,如筒壳结构、柱框结构等。
4. 核心筒的布置位置。
应考虑建筑整体结构和功能布局,合理确定核心筒的位置,以减小地震作用对核心筒的影响。
5. 核心筒的防火设计。
应采用防火材料进行包围,确保核心筒在火灾发生时具备阻燃性能。
6. 核心筒的绝缘设计。
应设置绝缘层,降低核心筒传热损失,提高能源利用效率。
7. 核心筒的通风与照明设计。
应根据居住人数和使用功能等确定合适的通风和照明设备,以保证居住环境的舒适性。
五:附件本所涉及的附件如下:1. 核心筒设计图纸2. 核心筒结构计算书3. 核心筒安全设施清单六:法律名词及注释本所涉及的法律名词及注释如下:1. 高层住宅:指建筑高度超过一定限制的住宅建筑物。
2. 抗震性能:指建筑结构抵抗地震力破坏的能力。
3. 防火材料:指具备阻燃性能的材料,可在一定时间内阻止火势蔓延。
【第二篇】高层住宅核心筒设计要点一:概述高层住宅核心筒设计是确保建筑结构安全和居住质量的重要环节。
本文将详细介绍高层住宅核心筒设计的要点。
核心筒结构设计要点[优质文档首发]1、核心筒宜贯通建筑物全高。
核心筒的宽度不宜小于筒体总高的1/12,当筒体结构设置角筒、剪力墙或增强结构整体刚度的构件时,核心筒的宽度可适当减小。
2、核心筒应具有良好的整体性,并满足下列要求:(1)墙肢宜均匀、对称布置;(2)筒体角部附近不宜开洞,当不可避免时,筒角内壁至洞口的距离不应小于500mm和开洞墙的截面厚度;(3)核心筒外墙的截面厚度不应小于层高的1/20及200mm,对一、二级抗震设计的底部加强部位不宜小于层高的1/16及200mm,不满足时,应按本规程附录D计算墙体稳定,必要时可增设扶壁柱或扶壁墙;在满足承载力要求以及轴压比限值(仅对抗震设计)时,核心筒内墙可适当减薄,但不应小于160mm;(4)筒体墙的水平、竖向配筋不应少于两排;(5)抗震设计时,核心筒的连梁,宜通过配置交叉暗撑、设水平缝或减小梁截面的高宽比等措施来提高连梁的延性。
3、抗震设计时,各层框架柱的地震剪力应参照本规程第8.1.4条的规定予以调整。
4、框架/核心筒结构的周边柱间必须设置框架梁。
5、核心筒连梁的受剪截面应符合本规程第9.3.6条的要求,其构造设计应符合本规程第9.3.7~9.3.8条的规定。
结语:任何一个人,都要必须养成自学的习惯,即使是今天在学校的学生,也要养成自学的习惯,因为迟早总要离开学校的!自学,就是一种独立学习,独立思考的能力。
行路,还是要靠行路人自己。
事实表明,习惯左右了成败,习惯改变人的一生。
在现实生活中,大多数的人,对学习很难做到学而不厌,学习不是一朝一夕的事,需要坚持。
希望大家坚持到底,现在需要沉淀下来,相信将来会有更多更大的发展前景。
本文由王敏老师编辑整理,感谢大家的支持!。
建筑框架-核心筒结构设计要点及其应用分析建筑框架是指建筑物的结构骨架,是建筑物承受重力荷载和抗侧向荷载的主要构件。
在建筑设计中,核心筒结构是一种常见的设计形式,它具有很多优点,在高层建筑中得到了广泛的应用。
核心筒结构是指在建筑物内部设置一个或多个具有一定刚度和强度的筒形结构,将地震或风荷载引入核心筒内,并通过核心筒将荷载传递到建筑的基础上。
核心筒结构的设计要点及其应用分析如下:一、设计要点:1.核心筒的位置:核心筒应在建筑物的中心位置,以便将荷载均匀传递到整个建筑物上,提高建筑物的整体稳定性;2.核心筒的类型:核心筒可以采用混凝土结构、钢结构或混凝土与钢结构的组合形式,选择合适的材料和结构形式是关键;3.核心筒的形状:核心筒的形状可以选择圆形、方形、多边形等,不同形状的核心筒在抗侧向荷载方面的性能有所差异,需要根据具体情况选择合适的形状;4.核心筒的尺寸:核心筒的尺寸要根据建筑物的高度和功能需求来确定,尺寸过小会影响核心筒的抗侧向刚度,尺寸过大则会浪费空间和材料。
二、应用分析:1.提高建筑物的整体稳定性:核心筒作为建筑物的主要结构,能够将侧向荷载集中引入地基,提高建筑物的整体稳定性,降低倾覆风险;2.增加建筑物的使用空间:核心筒可以作为建筑物内部空间的结构支撑,减少柱子的设置,提高空间的利用率,为建筑物内部布局提供更多的灵活性;3.提高建筑物的抗震性能:核心筒能够有效抵抗地震引起的侧向力,降低建筑物的震动幅度,增加建筑物的抗震性能;4.简化建筑物的结构形式:核心筒能够承担建筑物大部分的荷载,减少其他结构构件的数量和复杂性,简化了建筑物的结构形式,降低了施工难度和成本。
核心筒结构设计要点及其应用分析是建筑设计中的重要内容,它在提高建筑物的整体稳定性、增加使用空间、提高抗震性能和简化结构形式等方面具有重要的作用。
在实际设计中,需要根据具体的项目需求和工程条件,合理选择核心筒的位置、类型、形状和尺寸,以达到设计要求并确保建筑物的安全可靠。
高层建造核心筒设计高层建造核心筒设计一、引言高层建造的核心筒设计是保证建造结构稳定性和安全性的一个关键环节。
本详细介绍了高层建造核心筒的设计原理、计算方法、材料选用、施工要点等相关内容,以指导工程师在高层建造设计中合理使用核心筒,确保建造的安全性和可靠性。
二、核心筒设计原理1. 概述高层建造核心筒是指建造物中心区域的垂直结构,通常由混凝土墙、钢结构或者钢筋混凝土组成。
核心筒的作用是承担建造物重力荷载、抗侧向力和地震力,并提供垂直交通等功能。
2. 建造物承载体系建造物的承载体系包括核心筒、框架结构和外墙结构。
核心筒作为建造物的主要承载元素,承担着冲击荷载、风荷载和地震力的传递,起到保护框架结构的作用。
3. 核心筒的抗侧向力设计核心筒的抗侧向力设计是核心筒设计的关键要素之一。
通过合理的结构形式和优化的布局,提高核心筒的刚度和抗倾覆能力,使其能够承受侧向力引起的变形和位移。
三、核心筒设计计算方法1. 弹性静力分析法弹性静力分析法是核心筒设计中常用的一种计算方法。
通过对核心筒结构进行静力分析,计算其受力和变形,以确定合理的结构尺寸和材料选用。
2. 有限元分析法有限元分析法是一种基于数值计算方法的核心筒设计计算方法。
通过将核心筒结构划分为多个离散单元,利用有限元软件进行力学分析,得到结构的应力、应变和变形等参数。
3. 受力计算核心筒的受力计算包括重力荷载、风荷载和地震力的计算。
根据国家相关规范和标准,采用合适的计算模型和荷载参数,对核心筒的受力进行准确计算。
四、核心筒设计材料选用1. 混凝土在核心筒设计中,混凝土是常用的构造材料之一。
根据强度等级和耐久性要求,选用适当的混凝土配合比和控制浇筑质量,确保混凝土结构的强度和稳定性。
2. 钢结构在某些高层建造核心筒设计中,钢结构也常被采用。
根据设计要求和施工条件,选用合适的钢材和连接方式,确保核心筒结构的刚度和稳定性。
五、核心筒施工要点1. 施工组织设计在核心筒施工前,需制定详细的施工组织设计方案,包括施工方法、施工工艺和施工顺序等。
高层住宅核心筒部位设计一般做法建筑:1、走道处净宽应大于1200,土建值应不小于1250,考虑石材贴面装修的应不小于1300;2、候梯厅深度应大于1800,土建值应不小于1850,考虑石材贴面装修的应不小于1900;注意担架电梯井道宽*深要2200*2150或1960*26003、非剪刀楼梯开间轴线不小于2600,剪刀楼梯开间轴线不小于2800;4、楼梯净长度按260×平步数+休息平台宽(一般取1350)×2,规范休息平台净宽一般楼梯最小为1200(要注意扶手不可占用平台宽度,做夹缝扶手或鹤颈形转弯),剪刀楼梯13005、如果采用剪刀楼梯双前室设计时,两个前室出口距离小于5米时(有时无走道,前室直接相邻),则需要做喷淋。
给排水:1、水管井宜宽度800,深度800,如消火栓立管也立在管井内(消火栓立管有时独立裸露立在楼梯间转角),深需1000。
(顶部6层考虑太阳能)2、消火栓(每个前室都要有):留孔宽750,需要考虑两边都有墙垛,以及立管位置。
嵌入墙内时不能影响墙体耐火极限,一般墙厚需要300。
电气:1、电表箱:每层核心筒需要一段墙面安装。
一般在前室墙上(供电局要求该墙面不可位于井道内)。
一户表箱宽910,二~四户表箱宽1180,五~六户表箱宽1400。
留孔宜加大至少50。
需要考虑两边都有墙垛。
嵌入墙内时不能影响墙体耐火极限,一般墙厚需要300。
最近消防支队要求表箱要在按装防火门,不能直接开在前室内。
2、电气井道(按强弱电合用):一般一字型比较合理(长边开大门,人站在门外操作):16层及以下净尺寸2600×800,其中强电长约1400,弱电长约1200。
16层以上净尺寸2800×800。
其中强电长约1600,弱电长约1200。
现在供电局要求强弱电井分设,中间加小墙隔开。
*注: 9层及以下住宅当地电业局允许底层设集中表箱的,只需要井道不需要检修门,强电可只做一个约100*400的井,弱电做一个约800*800的井。
核心筒的布置原则-回复“核心筒的布置原则”核心筒的布置原则是指在建筑中合理、科学地设置核心筒的准则和方法。
核心筒是高层建筑中起到负责承载重力和抗侧向风荷载作用的结构元素,也是连接各楼层、提供垂直交通功能的重要部分。
合理的核心筒布置可以提高建筑的稳定性、安全性和舒适性,因此在设计过程中需要遵循一系列原则。
第一原则,结构合理性核心筒的布置首先要考虑结构合理性。
要根据建筑的用途、高度、地理位置等因素来确定核心筒的形式和位置。
一般来说,核心筒的位置应尽量靠近建筑的重心,以确保楼层的平衡分布,减小结构受力的不均匀现象。
此外,还要考虑核心筒的尺寸和形状,以满足结构的强度和稳定性要求。
第二原则,功能协调性核心筒的布置也要考虑功能协调性。
核心筒在建筑中不仅承担结构的作用,还要提供垂直交通和服务设备的通道。
因此,在核心筒的布置过程中,要合理安排电梯、楼梯、管道等设施的位置,以确保功能的顺畅运行。
同时,还要考虑人员疏散和消防通道的设置,以确保安全。
第三原则,空间利用效率核心筒的布置还要考虑空间利用效率。
核心筒占据一定的面积,因此要减少核心筒对建筑内部空间的占用。
在设计中,可以采用合理的核心筒形式、合适的尺寸和位置,以最大限度地减少对室内空间的影响,并提高室内空间的利用效率。
第四原则,经济可行性核心筒的布置还要考虑经济可行性。
核心筒的建造和维护都需要投入一定的成本,因此要在设计中综合考虑建筑的造价和经济效益。
在布置过程中,要选择合适的材料和结构形式,以满足建筑的需求并控制成本。
第五原则,美观性核心筒的布置也要考虑美观性。
核心筒作为建筑的重要部分,其形式和外观要与整体建筑风格相协调。
在设计过程中,可以考虑采用造型良好、轮廓清晰的核心筒形式,以增加建筑的视觉效果和美感。
总结起来,核心筒的布置原则包括结构合理性、功能协调性、空间利用效率、经济可行性和美观性。
这些原则在核心筒的设计和施工中起到指导和规范的作用,能够使建筑在满足功能和安全要求的同时,具备良好的空间效果和外观效果,提高建筑的整体品质和竞争力。
住宅楼核心筒设计要点,设计师必知一.高层住宅楼中筒的基本元素1.安全疏散口:封闭楼梯或防烟楼梯及前室2.电梯,电梯厅及消防电梯前室3.公共走道4.设备设施及设备管井二.各元素设计的基本要点1.楼梯及前室1). 基本要求:梯段净宽≥1.1M(墙边到扶手中心线的净空尺寸)梯步净宽≥260mm;梯步净高≤175mm梯步数每段≤18步普通楼梯基本尺寸:4700*2600(8*260+2400+200=4680),参见图1。
剪刀楼梯基本尺寸:7100*2700(17*260+2400+200=7020)(中间100或200防火墙)防烟楼梯间前室的基本面积要求:住宅≥4.5平米;公建≥6.0平米与消防电梯合用的前室基本面积要求:住宅≥6.0平米;公建≥10.0平米2). 设计要点:a.如地下地上共用一个楼梯,应在首层出口处将地下地上楼梯用防火墙及防火门分隔开,并且地下地上的楼梯对外疏散门均应向疏散方向开启,且门开启后相互不能影响疏散宽度。
b.楼梯间的门均为乙级防火门,标准层其开门宽度可以是1000mm,但在首层楼梯间对外开启的防火门应满足大于1100mm(等同楼梯间梯段最小宽度)。
c.楼梯间及其前室的外窗和其他部分的外窗的距离应满足水平大于1.0米,转角及正对时应大于4.0米的防火要求。
d.两个放烟楼梯间与消防电梯不能同时共用一个前室(三合一前室)(高规p128页:“特别要提出的是,有少数设计在剪刀楼梯梯段之间不加任何分隔,也不设防烟楼梯间,还有一种与消防电梯合用的前室,两个楼梯口均开在一个合用前室之内,这种设计都不利于疏散,不能采用,更不能推广。
“e.楼梯应出屋顶.f.楼梯段不能设扇步。
g.当楼梯梯段井净宽大于500mm时,楼梯栏杆应按临空栏杆设计,其高度应大于1100mm。
住宅楼梯间及出入口的设置有如下几个要求:设置开敞楼梯间的条件:11层及11层以下的单元式住宅可不设封闭楼梯间,但开向楼梯间的户门应为乙级防火门,且楼梯间应靠外墙,并应直接天然采光和自然通风。
高层住宅核心筒部位设计一般做法建筑:1、走道处净宽应大于1200,土建值应不小于1250,考虑石材贴面装修的应不小于1300;2、候梯厅深度应大于1800,土建值应不小于1850,考虑石材贴面装修的应不小于1900;注意担架电梯井道宽*深要2200*2150或1960*26003、非剪刀楼梯开间轴线不小于2600,剪刀楼梯开间轴线不小于2800;4、楼梯净长度按260×平步数+休息平台宽(一般取1350)×2,规范休息平台净宽一般楼梯最小为1200(要注意扶手不可占用平台宽度,做夹缝扶手或鹤颈形转弯),剪刀楼梯13005、如果采用剪刀楼梯双前室设计时,两个前室出口距离小于5米时(有时无走道,前室直接相邻),则需要做喷淋。
给排水:1、水管井宜宽度800,深度800,如消火栓立管也立在管井内(消火栓立管有时独立裸露立在楼梯间转角),深需1000。
(顶部6层考虑太阳能)2、消火栓(每个前室都要有):留孔宽750,需要考虑两边都有墙垛,以及立管位置。
嵌入墙内时不能影响墙体耐火极限,一般墙厚需要300。
电气:1、电表箱:每层核心筒需要一段墙面安装。
一般在前室墙上(供电局要求该墙面不可位于井道内)。
一户表箱宽910,二~四户表箱宽1180,五~六户表箱宽1400。
留孔宜加大至少50。
需要考虑两边都有墙垛。
嵌入墙内时不能影响墙体耐火极限,一般墙厚需要300。
最近消防支队要求表箱要在按装防火门,不能直接开在前室内。
2、电气井道(按强弱电合用):一般一字型比较合理(长边开大门,人站在门外操作):16层及以下净尺寸2600×800,其中强电长约1400,弱电长约1200。
16层以上净尺寸2800×800。
其中强电长约1600,弱电长约1200。
现在供电局要求强弱电井分设,中间加小墙隔开。
*注: 9层及以下住宅当地电业局允许底层设集中表箱的,只需要井道不需要检修门,强电可只做一个约100*400的井,弱电做一个约800*800的井。
《住宅核心筒设计要点》一.高层住宅楼中筒的基本元素1.安全疏散口:封闭楼梯或防烟楼梯及前室2.电梯,电梯厅及消防电梯前室3.公共走道4.设备设施及设备管井二.各元素设计的基本要点1.楼梯及前室1). 基本要求:梯段净宽≥1.1M(墙边到扶手中心线的净空尺寸)梯步净宽≥260mm;梯步净高≤175mm梯步数每段≤18步普通楼梯基本尺寸:4700*2600(8*260+2400+200=4680),参见图1。
剪刀楼梯基本尺寸:7100*2700(17*260+2400+200=7020)(中间100或200防火墙)防烟楼梯间前室的基本面积要求:住宅≥4.5平米;公建≥6.0平米与消防电梯合用的前室基本面积要求:住宅≥6.0平米;公建≥10.0平米专业学习参考资料专业学习参考资料专业学习参考资料专业学习参考资料2). 设计要点:a.如地下地上共用一个楼梯,应在首层出口处将地下地上楼梯用防火墙及防火门分隔开,并且地下地上的楼梯对外疏散门均应向疏散方向开启,且门开启后相互不能影响疏散宽度。
b.楼梯间的门均为乙级防火门,标准层其开门宽度可以是1000mm,但在首层楼梯间对外开启的防火门应满足大于1100mm(等同楼梯间梯段最小宽度)。
专业学习参考资料c.楼梯间及其前室的外窗和其他部分的外窗的距离应满足水平大于1.0米,转角及正对时应大于4.0米的防火要求。
d.两个放烟楼梯间与消防电梯不能同时共用一个前室(三合一前室)(高规p128页:“特别要提出的是,有少数设计在剪刀楼梯梯段之间不加任何分隔,也不设防烟楼梯间,还有一种与消防电梯合用的前室,两个楼梯口均开在一个合用前室之内,这种设计都不利于疏散,不能采用,更不能推广。
“e.楼梯应出屋顶.f.楼梯段不能设扇步。
g.当楼梯梯段井净宽大于500mm时,楼梯栏杆应按临空栏杆设计,其高度应大于1100mm。
住宅楼梯间及出入口的设置有如下几个要求:设置开敞楼梯间的条件:11层及11层以下的单元式住宅可不设封闭楼梯间,但开向楼梯间的户门应为乙级防火门,且楼梯间应靠外墙,并应直接天然采光和自然通风。
今年毕业生普遍抱怨到公司后,技术对接有问题,对于单位的新人或实习生感到的技术疑问,现收集了一下住宅相关的技术参数,其他完成以后陆续推出,希望对那些不喜欢提问题的童鞋有帮助!仅供参考,还有其他建筑疑问的可以进群376458908,都是一帮迷途小羔羊。
住宅核心筒1,目的你不问,我先答,免犯错2,术语解释(1)单元式高层住宅:由多个住宅单元组合而成,每单元均设有楼梯、电梯的高层住宅。
(2)塔式高层住宅:以共用楼梯、电梯为核心布置多套住房的高层住宅。
(3)安全出口:供人员安全疏散用的楼梯间、室外楼梯的出入口或直通室内外安全区域的出口。
(4)封闭楼梯间:用建筑构配件分隔,能防止烟和热气进入的楼梯间。
(5)防烟楼梯间:在楼梯间入口处设有防烟前室,或设有专供排烟用的阳台、凹廊等,且通向前室和楼梯间的门均为乙级防火门的楼梯间。
(6)防火分区:在建筑内部采用防火墙、耐火楼板及其它防火分隔设施分隔而成,能在一定时间内防止火灾向同一建筑的其余部分蔓延的局部空间。
3,设计标准3.1平面要求3.1.1楼梯(1)每个梯段的踏步不应超过18级,亦不应少于3级。
(2)每个梯段不应小于1.10m(建议1.20以上);六层及以下住宅,一边设有栏杆的梯段净宽不应小于1.00m。
(3)楼梯平台净宽不应小于楼梯梯段净宽;且不得小于1.20m;楼梯为剪刀梯时,楼梯平台的净宽不得小于1.30m。
(4)楼梯踏步不应小于0.26m;踏步高度不应大于0.175m(建议小于0.165m)。
(5)楼梯梯井净宽大于0.11m时,必须采用采取防止儿童攀爬措施。
(6)高层住宅建筑:疏散楼梯和走道上的阶梯不应采用螺旋楼梯和扇形踏步,但踏步上下两级所形成的平面角不超过10°,且每级离扶手0.25m处的踏步宽度超过0.22m时,可不受此限。
(7)高层住宅建筑,通向屋顶的疏散楼梯不宜少于两座,且不应穿越其他房间,通向屋顶的门应向屋顶方向开启;(8)高层建筑,每层疏散楼梯宽度应按其通过人数每100人不小于1.00m计算,各层人数不等时,其宽度可分段计算,下层疏散楼梯总宽度应按其上层人数最多一层计算。
今年毕业生普遍抱怨到公司后,技术对接有问题,对于单位的新人或实习生感到的技术疑问,现收集了一下住宅相关的技术参数,其他完成以后陆续推出,希望对那些不喜欢提问题的童鞋有帮助!仅供参考,还有其他建筑疑问的可以进群376458908,都是一帮迷途小羔羊。
住宅核心筒1,目的你不问,我先答,免犯错2,术语解释(1)单元式高层住宅:由多个住宅单元组合而成,每单元均设有楼梯、电梯的高层住宅。
(2)塔式高层住宅:以共用楼梯、电梯为核心布置多套住房的高层住宅。
(3)安全出口:供人员安全疏散用的楼梯间、室外楼梯的出入口或直通室内外安全区域的出口。
(4)封闭楼梯间:用建筑构配件分隔,能防止烟和热气进入的楼梯间。
(5)防烟楼梯间:在楼梯间入口处设有防烟前室,或设有专供排烟用的阳台、凹廊等,且通向前室和楼梯间的门均为乙级防火门的楼梯间。
(6)防火分区:在建筑内部采用防火墙、耐火楼板及其它防火分隔设施分隔而成,能在一定时间内防止火灾向同一建筑的其余部分蔓延的局部空间。
3,设计标准3.1平面要求3.1.1楼梯(1)每个梯段的踏步不应超过18级,亦不应少于3级。
(2)每个梯段不应小于1.10m(建议1.20以上);六层及以下住宅,一边设有栏杆的梯段净宽不应小于1.00m。
(3)楼梯平台净宽不应小于楼梯梯段净宽;且不得小于1.20m;楼梯为剪刀梯时,楼梯平台的净宽不得小于1.30m。
(4)楼梯踏步不应小于0.26m;踏步高度不应大于0.175m(建议小于0.165m)。
(5)楼梯梯井净宽大于0.11m时,必须采用采取防止儿童攀爬措施。
(6)高层住宅建筑:疏散楼梯和走道上的阶梯不应采用螺旋楼梯和扇形踏步,但踏步上下两级所形成的平面角不超过10°,且每级离扶手0.25m处的踏步宽度超过0.22m时,可不受此限。
(7)高层住宅建筑,通向屋顶的疏散楼梯不宜少于两座,且不应穿越其他房间,通向屋顶的门应向屋顶方向开启;(8)高层建筑,每层疏散楼梯宽度应按其通过人数每100人不小于1.00m计算,各层人数不等时,其宽度可分段计算,下层疏散楼梯总宽度应按其上层人数最多一层计算。
居住建筑疏散楼梯最小净宽度不应小于1.10m;(9)室外楼梯可作为辅助的防烟楼梯,其最小净宽不应小于0.90m。
当倾斜角度不大于45°,栏杆扶手的高度不小于1.10m,室外楼梯宽度可计入疏散楼梯总宽度内;3.1.2电梯(1)电梯设置要求:①七层及以上住宅或住宅入口层数楼地面高度距室外设计地面的高度超过16m;②十二层及以上住宅,每栋楼设置电梯不应少于两台;其中,应设置一台可容纳担架电梯。
(2)电梯候梯厅的深度要求候梯厅宽度注:(1)B为轿厢深度,B*为电梯群中最大轿厢深度。
(2)供轮椅使用的候梯厅深度不应小于1.8m。
(3)本表按规定的深度不包括穿越候梯厅的走道宽度。
(4)住宅设计规范6.4.6规定候梯厅深度不应小于多台电梯中最大轿箱的深度,且不应小于1.50m。
基于国标要求,若采用担架电梯,其候梯厅宽度≥2100mm。
(3)日立电梯参数日立1050Kg普通电梯和担架电梯井道参数对比;3.2高度要求3.2.1栏杆(1)楼梯水平段长度大于0.5m时,其扶手高度不应小于1.05m,楼梯栏杆垂直杆件间隙净距不应大于0.11m。
(2)楼梯平台的结构下缘至人行通道高度不应低于 2.00m,入口处地坪与室外地面应有高差,并不应小于0.10m。
3.2.2高度界定(1)楼梯平台的结构下缘至人行通道高度不应低于 2.00m,梯段净高不宜小于2.20m。
(2)高度净高,包括以下两种情况①梯段踏步前缘量至上方突出物下缘的铅垂高度;②梯段最高和最低一级踏步前缘线“以外300m范围内”量至上方突出物下缘间的铅垂高度;③楼梯剖面设计细节要求A,净高设计时,应最少预留100mm施工误差;B,当层高为2800mm;首层为层楼梯进入梯内时;仔细符合结构梯梁高,必要时候取消梯梁采取厚板设计;C,当户门处于休息平台净宽度在1200-1350mm之间时,此处楼梯应取消,要求结构为厚板设计;3.3设计附图3.3防火设计要求3.3.1低规(1)居住建筑单元任一层建筑面积大于650㎡;或任一户的户门至安全出口的距离大于15m时,该建筑单元每层出入口不应少于2个;(2)封闭楼梯间应符合下列要求:①楼梯间的首层将走道和门厅等包括在楼梯间内,形成扩大的封闭楼梯间,当应采用乙级防火门等措施与其他走道和房间隔开;②除楼梯间的门,楼梯间的内墙上不应开设其他的门窗洞口。
(3)防烟楼梯间设计要求:①前室使用面积:居住建筑不应小于4.5㎡;合用前室使用面积:居住建筑不应小于6.0㎡;②疏散走道通向前室以及前室通向楼梯间的门应采用乙级防火门;③楼梯间的首层将走道或门厅等包括在楼梯间前室内,形成扩大的防烟前室,但应采用乙级防火门等措施与其他走道和房间隔开;(4)设置自然排烟设施的场所,其自然排烟口的净面积应符合下列规定:①防烟楼梯间前室、消防电梯前室,不应小于2.0㎡;合用前室,不应小于3.0㎡;②靠外墙的防烟楼梯间,每5层内开启排烟窗的面积不应低于2.0㎡;③作为自然排烟的窗口宜设置在房间的外墙上方或屋顶上,并应有方便开启的装置。
自然排烟口距该防烟分区最远点的水平距离不应超过30m。
3.3.2高规(1)高层建筑每个防火分区安全出口不应少于两个,但十八层及十八层以下、每层不超过8户、建筑面积不超过650㎡,且设有一座防烟楼梯间和消防电梯的塔式建筑,可设一个安全出口;(2)塔式高层建筑,两座疏散楼梯宜独立设置,当确有困难时,可设置剪刀楼梯,并应符合下列规定:①剪刀楼梯间应为防烟楼梯间;②剪刀楼梯应分别设置前室。
塔式住宅却又困难时可设置一个前室,但两座楼梯应分别设加压送风系统;③高层居住建筑的户门不应直接开向前室,当确有困难,部分开向前室的户门均应为乙级防火门;④商住楼中的住宅的疏散楼梯应独立设置;⑤高层建筑的安全出口应分散布置,两个安全出口之间的距离不应小于5.00m;⑥跃廊式住宅的安全疏散距离,应从户门算起,小楼梯的一段距离按其1.50倍的水平投影计算;⑦高层建筑内走道的净宽,应按通过人数每100人不小于1.0m计算;高层建筑首层疏散外门的总宽度,应按人数最多的一层每100人不小于1.00m计算。
首层疏散外门和走道净宽不应小于表1的规定表1 首层疏散外门或走道的净宽(m)注:建议施工图设计门洞应在外门净宽的基础上增加100-150的门套尺寸;因此,首层疏散外门设计门洞宽应在1200-1250mm;⑧疏散楼梯间及其前室的门的净宽应按每100人不小于1.00m计算,但最小净宽不应小于0.90m。
单面布置房间的住宅,其走道出垛处的最小净宽不应小于0.90m。
(3)防烟楼梯间、疏散楼梯间设置要求①前室的面积:居住建筑不应小于4.50㎡;②前室和楼梯间的门均应为乙级防火门,并应向疏散方向开启;③楼梯间的首层紧接主要出口时,可将走道和门厅等包括在楼梯间内,形成扩大的封闭楼梯间,当应采用乙级防火门等防火措施与其他走道和房间隔开;④楼梯间及防烟楼梯间前室的内墙上,出开设通向公共走道的疏散门和规定的户门外,不应开设其他门、窗、洞口;⑤除通向避难层错位楼梯外,疏散楼梯间在各层的位置不应改变,首层应有直通室外的出口。
(4)单元式住宅的疏散楼梯均应通至屋顶,其疏散楼梯间的设置应符合下列规定:①十一层及十一层一下的单元式住宅可不设封闭楼梯间,但开向楼梯间的户门应为乙级防火门,且楼梯间外墙,并应直接天然采光和自然通风;②十二层及十八层的单元式住宅应设封闭楼梯间;③十九层及十九层以上的单元式住宅应设防烟楼梯间;④十一层及十一层一下的通廊式住宅应设封闭楼梯间;超过十一层的通廊式住宅应设防烟楼梯间;(5)消防电梯①建筑需设置消防电梯的要求A,塔式建筑B,十二层及十二层以上的单元式住宅和通廊式住宅;②消防电梯可与客梯或工作电梯兼用,但应符合消防电梯要求。
③消防电梯设置要求A,消防电梯间应设前室,其面积:居住建筑不应小于4.50㎡;当与防烟楼梯间合用前室时,其面积:居住建筑不应小于6.00㎡;B,消防电梯间前室宜靠外墙设置,在首层应设置直通室外的出口或长度不超过30m的通道通向室外。
C,消防电梯间前室的门,应采用乙级防火门或具有停滞功能的防火卷帘;D,消防电梯的行驶速度,应按从首层到顶层的运行时间不超过60S计算确定;E,消防电梯间前室门口宜设挡水设施;(6)采取自然排烟的开窗面积应符合下列规定:A,防烟楼梯间前室、消防电梯间前室可开启外窗面积不应小于2.00㎡,合用前室不应小于3.00㎡;B,靠外墙的防烟楼梯间每5层内可开启外窗总面积之和不应小于2.00㎡;C,长度不超过60m的内走道可开启外窗面积不应小于走道面积的2%;D,需要排烟的房间可开启外窗面积不应小于该房面积面积的2%;3.4各专业技术要点3.4.1电气专业(1)电井①电井宜上下对齐,且尽量远离潮湿、易积水场所;②电井最小净深600mm,且应该开1000mm以上的门(利用门外走道作为操作空间),当不能利用门外走道作为操作空间时,净深不小于1000mm;3.4.2给排水专业(1)消防栓①消防栓设置要求:塔楼室内消火栓位置: 消防电梯前室或合用前室至少有一个消火栓,防火门隔开时另外增加消火栓规范。
原则上要求均采用单栓,但允许某些条件(没有一定距离设两个单栓)18层及以下住宅可采用一个双栓。
实际工程中,18层以上商住楼也可采用双栓,但应采用DN100双立管。
②各类型消防栓留洞尺寸与离地高度(2)水管井注:A,表中注①表示可进水井内井内进行安装检修操作;②表示水井全开门、井外操作。
B,表中只是概括,具体项目可能稍有不同C,表中H指水泵房到屋顶的高度。
3.4.3暖通专业(1)加压送风井面积要求(2)其他注意事项①风井设置:加压送风井最小宽度不小于400mm,但加压送风口应设置在长边,尤其是合用前室送风口。
②送风口设置:不要被门遮挡。
③风机接管设置:加压送风机接管处风井宽度不应小于1000mm,尤其是高层。