围岩类别
- 格式:doc
- 大小:484.50 KB
- 文档页数:18
围岩的定义和分类围岩是指围绕着矿井或隧道等地下工程的岩石体。
在地下工程中,围岩的稳定性和强度是保证工程安全的重要因素之一。
对围岩的定义和分类有助于工程师们更好地评估和处理地下工程中的围岩问题。
围岩的定义:围岩是指地下工程中与工程岩体相接触的岩石体,包括直接接触工程岩体的邻近岩石体以及与工程岩体之间存在一定间隙的岩石体。
围岩是地下工程中与工程岩体共同组成的整体,其稳定性和强度直接影响着地下工程的安全性。
围岩的分类:根据围岩的不同特性和性质,可以将其分为以下几类:1. 岩石类别:根据围岩所属的岩石类别进行分类,如花岗岩、片麻岩、石灰岩、页岩等。
不同类型的岩石具有不同的物理力学性质,对地下工程的影响也不同。
2. 岩性特征:根据围岩的结构、组成和质地等特征进行分类,如坚硬岩石、软弱岩石、节理发育的岩石等。
坚硬的围岩具有较高的强度和稳定性,而软弱的围岩则容易发生变形和破坏。
3. 岩体结构:根据围岩的结构特征进行分类,如均质结构、节理结构、褶皱结构等。
不同结构类型的围岩在受力和变形过程中表现出不同的力学行为。
4. 岩体裂隙:根据围岩中裂隙的密度、宽度和走向等特征进行分类,如无裂隙、少裂隙、多裂隙等。
裂隙对围岩的稳定性和强度有着重要影响,多裂隙的围岩容易发生塌方和滑坡等地质灾害。
5. 岩体应力:根据围岩所受到的应力状态进行分类,如单向应力、多向应力、应力集中区等。
不同应力状态下的围岩表现出不同的变形和破坏特征,对地下工程的安全性产生不同影响。
6. 岩体含水量:根据围岩中含水量的大小和分布进行分类,如干燥围岩、湿润围岩、饱水围岩等。
含水量对围岩的强度和稳定性有着重要影响,饱水围岩容易发生涌水和溶洞等地质问题。
以上是对围岩的一般定义和分类,实际工程中还需要根据具体情况进行详细分析和评估。
通过对围岩的定义和分类,可以更好地了解和处理地下工程中可能遇到的围岩问题,从而确保工程的安全性和可靠性。
公路隧道围岩分级标准隧道围岩是隧道工程中一个非常重要的参数,对隧道的设计、施工和运营都有着至关重要的影响。
因此,对隧道围岩的分级标准是非常必要的。
本文将对公路隧道围岩分级标准进行详细介绍,以便工程师和相关人员在实际工作中能够更好地应用和理解。
一、围岩的分类。
根据围岩的稳定性和坚固程度,可以将围岩分为五个等级,优良、良好、一般、较差和差。
其中,优良围岩指的是岩石质地坚硬、稳定性好,几乎没有裂隙和变形的围岩;良好围岩指的是岩石质地较硬,稳定性较好,裂隙较少,变形较小;一般围岩指的是岩石质地一般,稳定性一般,有一定的裂隙和变形;较差围岩指的是岩石质地较软,稳定性较差,有较多的裂隙和变形;差围岩指的是岩石质地很软,稳定性很差,有大量的裂隙和变形。
二、分级标准。
1. 优良围岩,对于优良围岩的隧道,可以采用开挖支护一体化的施工方法,如全断面法、局部断面法等,施工难度较小,支护成本相对较低。
2. 良好围岩,对于良好围岩的隧道,可以采用局部开挖、局部支护的方法,如局部爆破法、喷射混凝土支护法等,能够有效控制开挖面的稳定性,减少支护结构的使用量。
3. 一般围岩,对于一般围岩的隧道,需要采用全面支护的方法,如锚杆喷射混凝土支护法、钢架木护法等,以确保隧道的稳定和安全。
4. 较差围岩,对于较差围岩的隧道,需要采用全面支护和加固的方法,如预应力锚杆喷射混凝土支护法、岩锚网加固法等,以应对围岩的不稳定性和变形。
5. 差围岩,对于差围岩的隧道,需要采用全面支护和大规模加固的方法,如大规模爆破法、悬臂法等,以确保隧道的安全施工和运营。
三、结论。
通过对公路隧道围岩分级标准的介绍,我们可以看出,隧道围岩的稳定性对隧道工程有着重要的影响。
在实际工程中,需要根据围岩的不同等级,采取相应的支护和加固措施,以确保隧道的施工质量和运营安全。
希望本文能够对相关人员有所帮助,谢谢阅读!。
围岩分类地峡工程围岩分类是依据地下工程围岩稳定的主要影响因素,将围岩的稳定性及主要的支护措施分成若干级序,便于地下岩土工程勘察,设计、施工及监测部门之间有关参数的互相对接,为地下工程的综合处理提供简要的方法。
由于影响围岩的因素较多,尤其是在时间和空间上表现出的非线性,使得围岩分类难于确定统一标准,因此在我国的不同行业、根据长期实线经验的总结,出现了不同的分类方法,他们既互相区别,又相互关联,但本质上是一致的。
下面列出几个主要的分类。
1.《岩土工程勘察规范》(GB50021—2001)地下洞室围岩分类地下洞室围岩的质量分级应与洞室设计采用的标准一致,无特殊要求时可根据现行国家标准《工程岩体分级标准》(GB50218)执行。
1)洞室围岩应根据岩体基本质量的定性特征和岩体基本质量指标BQ两者相结合,按表14.2-1确定其基本质量级别。
a、岩体基本质量分级应符合表14.2-1的规定。
岩体基本质量分级表14.2-1注:1、岩石坚硬程度可按表14.2-2划分2、岩体完整程度定量指标应采用实测的岩体完整性系数Kv值按表14.2-3划分;当无条件取得实测值时,也可用岩体体积节理数Jv按表14.2-4确定Kv值。
b、岩石按饱和单轴抗压强度ƒr划分其坚硬程度应符合表14.2-2的规定。
c、岩体按完整性系数Kv划分其完整程度应符合表14.2-3的规定。
d、Jv与Kv对照应符合表14.2-4的规定。
岩石坚硬程度表14.2-2a、有地下水;b、围岩稳定性受软弱结构面影响,且由一组起控制作用;c、存在表14.2-5所列高初始应力现象。
应对岩体基本质量指标值BQ修正,并以修正后的[BQ]值按表14.2-1确定围岩质量级别。
3)高初始应力地区岩体在开挖过程中出现的主要现象,可按表14.2-5的规定,判定其应力情况。
高初始应力区岩体开挖时主要现象表14.2-5铁路隧道围岩分类,见表14.2-10和表14.2-11。
铁路隧道围岩分类表14.2-10注:1、层状岩层的层厚划分;厚层:大于0.5m;中厚层:0.1~0.5m;薄层:小于0.1m;2、风化作用对围岩分类的影响可从以下两方面考虑:结构完整状态方面:当风化作用使岩体结构松散、破碎、软硬不一时,应结合因风化作用造成的各种状况,综合考虑确定围岩的结构完整状态;岩石类别方面;当风化作用使岩石成分改变,强度降低时,应按风化后之强度确定岩石类别;3、遇有地下水时,可按下列原则调整围岩类别:在Ⅵ类围岩或属于V类的硬质岩中,一般地下水对其稳定影响不大,可不考虑降低;在Ⅳ类围岩或属于V类的软质岩石,应根据地下水的类型、水量大小和危害程度调整围岩类别,当地下水影响围岩稳定产生局部坍塌或软化软弱面时,可酌情降低1级;Ⅲ类、Ⅱ类围岩已成碎石状松散结构,裂隙中并有黏性土充填物。
(1)公路隧道围岩分类
围岩级别划分:
围岩等级划分是根据围岩的坚硬程度和完整性来划分的,支护衬砌等级是按照围岩的完整性,稳定性来划分的。
444,地下水的侵蚀程度,以及原岩的构造影响。
坚硬程度,可分为
1.坚硬岩,锤击清脆,回弹,振手,可溶性差,放入水中不易产生水解反应。
(当然不包括灰岩以及盐岩,可溶性较强的岩类)
2. 较坚硬岩,锤击声清脆,轻微回弹,稍震手,浸水后有轻微吸水反应。
3.较软岩,锤击声不清脆,无回弹,较易击碎,浸水后指甲可刻出印痕。
4. 软岩,锤击声哑,无回弹,易击碎,浸水后可掰开。
5. 极软岩,锤击声哑,无回弹,有较深凹痕,浸水后可捏成团。
完整性是根据围岩受风化剥蚀程度来判定的:
1.完整:节理裂隙不发育
2.较完整:节理裂隙略微发育—稍发育
3.较破碎:节理裂隙较发育
4.破碎:节理裂隙发育
5.极破碎:节理裂隙极发育
稳定性受岩石的坚硬程度,完整性,以及地下水状况影响。
围岩完整性越好,坚硬程度越高,地下水发育程度越低,稳定性越好。
节理的密集程度,节理面的张度,受风化作用的影响,观察节理面的张度、密度,判定围岩的完整性。
张度分为:
紧闭、微张、张开、宽张
在做超前预报的时候,需要详细的描述掌子面破碎带的位置时,可按照掌子面周边位置来划分如:
拱腰左侧,拱腰右侧
拱脚左右侧
拱顶处,拱腰处,拱脚处。
拱顶至拱腰处,拱腰至拱脚处。
掌子面右侧约3分之一处,掌子面拱腰左侧约3分之一处…
学习TSP的操作方法需要看,TSP使用手册。
TSP结合地勘报告才能把超前预报做好,多看地勘报告。
(1)公路隧道围岩分类
围岩级别划分:
围岩等级划分是根据围岩的坚硬程度和完整性来划分的,支护衬砌等级是按照围岩的完整性,稳定性来划分的。
444,地下水的侵蚀程度,以及原岩的构造影响。
坚硬程度,可分为
1.坚硬岩,锤击清脆,回弹,振手,可溶性差,放入水中不易产生水解反应。
(当然不包括灰岩以及盐岩,可溶性较强的岩类)
2. 较坚硬岩,锤击声清脆,轻微回弹,稍震手,浸水后有轻微吸水反应。
3. 较软岩,锤击声不清脆,无回弹,较易击碎,浸水后指甲可刻出印痕。
4. 软岩,锤击声哑,无回弹,易击碎,浸水后可掰开。
5. 极软岩,锤击声哑,无回弹,有较深凹痕,浸水后可捏成团。
完整性是根据围岩受风化剥蚀程度来判定的:
1.完整:节理裂隙不发育
2.较完整:节理裂隙略微发育—稍发育
3.较破碎:节理裂隙较发育
4.破碎:节理裂隙发育
5.极破碎:节理裂隙极发育
稳定性受岩石的坚硬程度,完整性,以及地下水状况影响。
围岩完整性越好,坚硬程度越高,地下水发育程度越低,稳定性越好。
节理的密集程度,节理面的张度,受风化作用的影响,观察节理面的张度、密度,判定围岩的完整性。
张度分为:
紧闭、微张、张开、宽张
在做超前预报的时候,需要详细的描述掌子面破碎带的位置时,可按照掌子面周边位置来划分如:
拱腰左侧,拱腰右侧
拱脚左右侧
拱顶处,拱腰处,拱脚处。
拱顶至拱腰处,拱腰至拱脚处。
掌子面右侧约3分之一处,掌子面拱腰左侧约3分之一处…
学习TSP的操作方法需要看,TSP使用手册。
TSP结合地勘报告才能把超前预报做好,多看地勘报告。
围岩分类classification of rock mass围岩分类的目的是为了对隧道及地下建筑工程周围的地层进行工程地质的客观评价,判断坑道或洞室的稳定性,确定支护的荷载和设计参数,确定施工方法,选择钻孔和开挖等施工机械,以及确定施工定额和预算等。
发展概况隧道及地下工程围岩分类是在长期实践的基础上发展起来的,并与地质科学、岩土工程和量测技术的发展密切相关。
初期的围岩分类多以单一的岩石强度作为分类指标。
例如1949年前中国采用的坚石、次坚石、软石、硬土、普通土和松软土的分类法,以及中华人民共和国成立后广泛应用的“”值分类法(即普罗托季亚科诺夫分类法,1907年)。
这类方法在评价坑道或洞体稳定性方面是不充分的;但在选择钻孔机械,确定掘进机类型,尤其是确定松散围岩的地压值等方面仍有一定意义。
1970年后,以岩体为对象的分类方法获得了迅速发展。
如泰尔扎吉分类法(1974年)、巴顿分类法(1974年)、别尼亚夫斯基分类法(1974年)、法国隧道协会(AFTES)分类法(1975年),以及中国铁路隧道围岩分类(1975年)和水工隧洞围岩分类(1983年)等。
这些分类法多数是根据经验的定性分类,但由于反映了围岩的地质构造特征、围岩的结构面状态、风化状况、地下水情况以及洞室埋深等,因此在评价坑道或洞体稳定性、确定支护结构参数和选择施工方法等方面得到了广泛的应用。
近期的围岩分类中,引进了岩体力学的基本概念和数理统计方法,如考虑初始应力场、坑道周边位移值,以及量测信息等,使围岩分类逐渐从定性分类向定量分类方向发展。
如拉布采维茨-帕赫分类(1974年)、日本地质学会的新奥法围岩分类(1979年)、奥地利阿尔贝格隧道的围岩分类(1979年)、苏联顿巴斯矿区的围岩分类(1979年)等。
围岩分类的重要发展是把量测信息引进到分类之中,即根据量测的初期位移速度,拱顶下沉和洞体水平向的收敛、变形等进行分类。
这也为隧道及地下工程的信息设计和施工打下了基础。
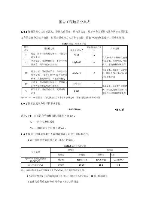
围岩工程地质分类表H.0.1隧洞围岩可以岩石强度、岩体完整程度、结构面状态、地下水和主要结构面产状等五项因素之和的总评分为基本依据,以围岩强度应力比为参考依据,按表HOl的规定进行工程地质分类。
注:II、III、IV类围岩,当其强度应力比小于本表规定时,围岩类别宜相应降低一级。
H.0.2围岩强度应力比可按下式求得:S=KYRbKm (H.0.2)式中:Rb—岩石饱和单轴极限抗压强度(MPa);K v——岩体完整性系数;σm——围岩最大主应力(MPa)。
H.0.3围岩工程地质分类中五项因素的评分可按下列标准进行:1岩石强度的评分应符合表H.0.3-1的规定。
注:1当岩石饱和单轴抗压强度大于IOoMPa时岩石强度的评分为30。
2当岩体完整程度与结构面状态评分之和小于5时岩石强度评分大于20的,按20评分。
2岩体完整程度的评分应符合表H.0.3-2的规定;注:1当60MPaNRb>30Mpa,岩体完整性程度与结构而状态评分之和大于65时,按65评分;2当30MPaNRb>15MPa,岩体完整性程度与结构而状态评分之和大于55时,按55评分: 3当15MPaNRb>5MPa,岩体完整性程度与结构面状态评分之和大于40时,按40评分;4当RbW5MPa,屈特软岩,岩体完整性程度与结构而状态不参与评分。
3结构面状态的评分应符合表H.0.3-3的规定;伸长度大于IOm时,硬质岩、较软岩减3分,软岩减2分:2当结构面张开度大于IOmm无充填时,结构面状态的评分为零。
4地下水状态的评分应符合表H.0.3-4的规定;5主要结构面产状的评分应符合表H.0.3-5的规定;H.0.4大跨度和重要地下洞室围岩还应根据围岩等级划分再进行综合评定。
H.0.5本附录第Hol条〜第H.0.4条宜用于埋深小于2倍洞径或跨度的地下洞室和特殊土、喀斯特洞穴发育地段的地下洞室围岩分类。
公路隧道洞口围岩类别公路隧道洞口围岩类别是指洞口附近的岩石类型和特征。
对公路隧道来说,洞口附近的围岩类别对于隧道的稳定性、施工和运营都有重要影响。
本文将详细介绍公路隧道洞口围岩的几种常见类别。
一、片岩类:片岩是由页岩经过变质作用形成的一种岩石。
公路隧道洞口围岩中常出现的片岩类有云片岩、石英云片岩等。
优点是岩体坚硬、破碎性小,缺点是片岩类岩体针片结构较密集,破碎时产生的碎屑较细,易导致隧道稳定性问题。
二、页岩类:页岩是一种由粘土、石英等组成的细粒状沉积岩。
公路隧道洞口围岩中常出现的页岩类有沉积页岩、变质页岩等。
页岩类围岩特点是岩体坚硬,但含有大量水分,易变形和塌落,容易引起隧道坍塌。
三、灰岩类:灰岩是一种由碳酸钙主要成分组成的岩石。
公路隧道洞口围岩中常出现的灰岩类有生灰岩、杂砂灰岩等。
灰岩类围岩通常质地坚硬,但在水的侵蚀下容易溶解,容易形成溶洞和岩溶隧道。
四、花岗岩类:花岗岩是一种成分为酸性石英、长石和黑云母等的岩石。
公路隧道洞口围岩中常出现的花岗岩类有细粒花岗岩、中等粒度花岗岩等。
花岗岩类围岩具有良好的抗压和抗剪性能,强度高,耐久性好,是理想的隧道围岩。
五、安山岩类:安山岩是一种含有较多角闪石和黑云母的酸性岩石。
公路隧道洞口围岩中常出现的安山岩类有粗晶安山岩、玄武岩等。
安山岩类围岩具有较高的强度,但对水的渗透性较强,容易引起隧道水涌问题。
六、凝灰岩类:凝灰岩是一种火山碎屑岩石,由火山喷发产生的火山灰和碎屑物质固化而成。
公路隧道洞口围岩中常出现的凝灰岩类有安山凝灰岩、流纹凝灰岩等。
凝灰岩类围岩因质地疏松,结构不均匀,强度较低,易发生崩落和滑坡。
总结起来,公路隧道洞口围岩类别有片岩类、页岩类、灰岩类、花岗岩类、安山岩类和凝灰岩类。
在隧道洞口围岩的选择和设计中,应结合具体地质条件和工程要求,选用合适的围岩类别,以保证隧道的稳定性和安全性。
围岩的名词解释围岩是指围绕地下工程或岩体周边的岩石体。
在地质学和地下工程中,围岩是一个重要的概念,它对于工程稳定性和安全性起着至关重要的作用。
本文将对围岩进行详细的解释,涵盖其定义、特征、分类以及与地下工程相关的重要性。
【引言】作为地下工程的基础和后期建设的基石,围岩的稳定性和质量直接关系到工程的可行性和安全性。
因此,对围岩的研究和分析至关重要。
本文将通过对围岩的定义、特征及分类的介绍,帮助读者更好地了解和掌握这一概念。
【定义】围岩是指环绕地下工程或岩体周边的岩石体,包括覆盖岩、基岩或与地下工程相交叠的岩体。
它是地下工程的天然建筑材料,其物理力学性质直接关系到工程的承载能力和稳定性。
【特征】围岩的特征主要包括以下几个方面:1. 组成成分:围岩的组成成分多种多样,包括矿物质、岩石碎屑、胶结物和溶解物等。
不同的成分会对围岩的性质和稳定性产生影响。
2. 结构特征:围岩的结构是指岩石体内部的岩层、节理、隐伏面和褶皱等形态特征。
这些结构特征对围岩的强度和变形性能有重要影响。
3. 物理性质:围岩的物理性质包括密度、孔隙度、饱和度、压缩性等。
这些性质对围岩的坚硬程度、渗透性和承载能力等方面有着重要影响。
4. 力学性质:围岩的力学性质是指其受力后的响应和变形性能。
弹性模量、抗拉强度、抗压强度、抗剪强度等参数是评价围岩力学性质的重要指标。
【围岩的分类】根据不同的分类标准,围岩可以分为多个类别。
这里我们将围岩分为以下几种常见的类型:1. 岩性分类:按照围岩的岩石类型进行分类,包括花岗岩、砂岩、页岩、粉质黏土等。
不同岩性的围岩具有不同的物理和力学性质。
2. 形态分类:按照围岩在岩层中的形态特征进行分类。
例如,裂隙岩、滩石层、岩床等。
3. 结构分类:按照围岩的结构特征进行分类,包括节理型、褶皱型和岩层型等。
不同结构类型的围岩具有不同的力学特点。
【地下工程中的围岩重要性】在地下工程中,围岩的稳定性和质量直接关系到工程的安全性和经济性,具有以下重要性:1. 工程可行性:围岩的稳定性是进行地下工程可行性评价的重要依据。
3-1-1隧道围岩级别划分与判定隧道围岩分级就是评定围岩性质、判断隧道围岩稳定性,作为选择隧道位置、支护类型的依据和指导安全施工。
国内外现在的围岩分级方法有定性、定量、定性与定量相结合3种方法,且多以前两种方法为主。
定性分级的做法是,在现场对影响岩体质量的诸因素进行定性描述、鉴别、判断,或对主要因素作出评判、打分,有的还引入分量化指标进行综合分级。
以定性为主的分级方法,如现行的公路、铁路隧道围岩分级等方法经验的成分较大,有一定人为因素和不确定性,在使用中,往往存在不一,Array(工节理用岩体完整性系数K表示,K可按下式计算:Kv=(Vpm /Vpr)2(1.2-1)式中:V pm——岩体弹性纵波速度(km/s)Vpr——岩石弹性纵波速度(km/s)当无条件进行声波实测时也可用岩体体积节理数J按表1.2定K值。
1当有地应力实测数据时S m=K v f r/σ(1.2-2)式中:S--岩体强度应力比;f--岩石单轴饱和抗压强度(MPa);K--岩体完整性系数;σ--垂直洞轴线的较大主应力(kN/m)。
(3.2-3)各级围岩的物理力学指标标准值应按试验资料确定,无试验资料时可按表2.2选用。
注:1.本表数值不包括黄土地层;2.选用计算摩擦角时,不再计内摩擦角和黏聚力。
2.3围岩分级的主要因素注:①围岩岩体为较破碎的极硬岩、较完整的硬岩时定为Ⅲ级;围岩岩体为完整的较软岩、较完整的软硬互层时定为Ⅳ级;②围岩岩体为有些地方的极硬岩、较破碎及破碎的硬岩时定为Ⅳ级;围攻岩岩体为完整及较完整软岩、较完整及较破碎的较软(BQ)当或工程类比方法进行围岩级别划分。
2岩石坚硬程度定量指标用岩石单轴饱和抗压强度(Rc)表达。
Rc一般采用实测值,若无实测值时,可采用实测的岩石点荷载强度指数Is(50)0.75Rc=Is(50)3开挖壁面进行节理(结构面)统计。
除成组节理外,对延伸长度大于1m的分散节理亦应予以统计。
已为硅质、铁质、钙质充填再胶结的节理不予统计。
围岩类别对应的岩石级别岩石是地球上的一种自然物质,主要由矿物质组成。
围岩则是指包围在岩石周围的岩石或土壤,是岩层中不可或缺的一部分。
在地质勘查和矿产开发中,了解围岩的类型和特征非常重要,因为不同的围岩类型对矿产的形成和开采有着不同的影响。
在矿产勘探和开采中,围岩类别对应的岩石级别也非常关键。
一、围岩的类型围岩可以分为两大类型:一类是地层岩体形成之前、覆盖层形成之后未遭受较大变形的围岩,称之为稳定围岩;另一类是遭受了扰动和破碎的变形围岩。
通过围岩的两种类型,可以对地层的年代和环境进行判断。
二、岩石级别的定义岩石级别反映了岩石的岩相类型和岩石质量。
在工程岩石力学和地质学研究中,岩石级别是非常重要的参数,岩石级别的不同,会直接影响到工程实际中各种岩土工程的安全性、经济性和可行性。
岩体稳定性也与岩石级别密切相关。
岩石级别的划分是根据不同的标准来进行的。
三、围岩类别对应的岩石级别在矿产开发中,应及时知道围岩类型,并根据围岩类型,对应选择适合的岩石级别。
通常情况下,围岩的厚度和质量对选取的岩石级别影响较大,选择岩石级别时应根据围岩厚度和质量进行合理选择。
稳定围岩中的粘土、砂岩、泥岩等软岩,所使用的岩石级别主要是Ⅰ级和Ⅱ级岩石级别。
而在不稳定的围岩中,需要考虑岩石的强度、稳定性等因素,一般使用级别为Ⅱ~Ⅳ的岩石级别。
需要注意的是,不同类型的矿产开采所使用的岩石级别也不同,如在井巷开采中,应采用较高级别的岩石级别。
在金属采矿中,不同的金属矿物的围岩类型也不同,因此对应的岩石级别也会有所差别。
综上所述,岩石级别是围岩类别对应的一种重要选择参数。
它不仅是矿产开采中的关键因素,也是工程岩石力学和地质学研究中的必备参数。
在进行岩石级别的选择时,应该根据特定的围岩类型、厚度、质量等因素,综合考虑选用适合的岩石级别。
围岩类别与围岩级别1. 引言在工程施工和地下工程建设中,对于围岩的类别和级别的划分至关重要。
围岩是指地下工程中与其接触并通过工程手段进行处理的岩石或岩土体。
围岩的类别和级别是评估其物理力学性质、稳定性和工程处理方法的重要依据。
本文将详细介绍围岩的类别与围岩级别的概念、划分标准以及其在工程中的应用。
2. 围岩类别围岩的类别是根据岩石或岩土体的物质组成和成岩历史来进行划分的。
主要的围岩类别包括岩屑岩、结晶岩、碎屑岩、沉积岩和变质岩等。
2.1 岩屑岩岩屑岩是由颗粒状的岩石碎屑经过物理力学作用形成的,具有明显的碎屑结构。
根据碎屑粒度的不同,岩屑岩又可分为砂岩、砾岩和泥岩等。
岩屑岩的物理力学性质与其颗粒组合和胶结等因素密切相关,对于施工中的爆破、挖掘和支护都有重要影响。
2.2 结晶岩结晶岩是由矿物晶体通过岩浆结晶过程形成的。
结晶岩的稳定性和强度通常较高,但其物理性质受到岩石中矿物成分和岩浆结晶形成条件的影响。
常见的结晶岩有花岗岩、安山岩和辉绿岩等。
2.3 碎屑岩碎屑岩是由碎屑颗粒通过堆积作用、水流或风力等沉积过程形成的。
根据颗粒大小,碎屑岩可分为砾石、砂砾岩、砾岩和砂岩等。
碎屑岩的物理力学特性和工程行为与颗粒大小、颗粒的形状和胶结等因素密切相关,对于工程中的挖掘、填筑和支护等工作有重要影响。
2.4 沉积岩沉积岩是由流水、湖泊、海洋等环境中的沉积物经过物理和化学变化作用形成的。
根据沉积物的成分和沉积环境的不同,沉积岩可分为粉砂岩、灰岩、泥岩和砂岩等。
沉积岩的物理性质和工程行为与成分、结构和生成环境密切相关,对于地质工程和地下工程的设计和施工都具有重要意义。
2.5 变质岩变质岩是在高温、高压和化学变质作用下形成的岩石。
变质岩的物质组成和结构发生了明显的变化,原有岩石的矿物组成和岩石结构被改变为新的矿物组成和岩石结构。
变质岩的物理力学性质和工程行为与原始岩石的性质、变质程度和变质作用的性质有关,在地下工程中需要特别关注其稳定性和强度。
围岩等级划分标准
围岩等级划分为Ⅵ、Ⅴ、Ⅳ、Ⅲ、Ⅱ、Ⅰ六个等级。
1、性质:规范将隧道围岩分成六级,分别是Ⅰ、Ⅱ、Ⅲ、Ⅳ、Ⅴ、Ⅵ,数字越小的围岩性质越好。
2、Ⅰ类:岩石新鲜完整、构造影响轻微、节理裂隙不发育或稍发育,闭合且延伸不长,无或很少软弱结构面、断层带宽<0.1米,与洞向近正交、岩体呈整体或块状砌体结构。
3、Ⅱ类:岩石新鲜或微风化,受构造影响一般。
节理裂隙稍发育或发育。
有少量软弱结构面、层间结合差。
断层破碎带宽<0.5米、与洞向斜交或正交、岩体呈块状砌体或层状砌体结构。
4、Ⅲ类:岩石微风化或弱风化,受地质构造影响裂隙发育、部分张开充泥。
软弱结构面分布较多、断层破碎带<1米,与洞线斜交或平行、岩石呈碎石状镶嵌结构。
5、Ⅳ类:与III类同。
断裂及软弱结构面较多,断层破碎带<2米,与洞平行,岩体呈碎石状镶嵌结构,局部呈碎石状压碎结构。
6、Ⅴ类:散体:砂层滑坡堆积及碎、卵、砾质土。
7、围岩分级是指根据岩体完整程度和岩石强度等指标将无限的岩体序列划分为具有不同稳定程度的有限个类别,即将稳定性相似的一些围岩划归为一类,将全部的围岩划分为若干类。
在围岩分类的基础上再依照每一类围岩的稳定程度给出最佳的施工方法和支护结构设计。
8、围岩分类是选择施工方法的依据、是进行科学管理及正确评价经济效益、确定结构上的荷载(松散荷载)、确定衬砌结构的类型及尺寸、制定劳动定额、材料消耗标准等的基础。
围岩分类classification of rock mass围岩分类的目的是为了对隧道及地下建筑工程周围的地层进行工程地质的客观评价,判断坑道或洞室的稳定性,确定支护的荷载和设计参数,确定施工方法,选择钻孔和开挖等施工机械,以及确定施工定额和预算等。
发展概况隧道及地下工程围岩分类是在长期实践的基础上发展起来的,并与地质科学、岩土工程和量测技术的发展密切相关。
初期的围岩分类多以单一的岩石强度作为分类指标。
例如1949年前中国采用的坚石、次坚石、软石、硬土、普通土和松软土的分类法,以及中华人民共和国成立后广泛应用的“”值分类法(即普罗托季亚科诺夫分类法,1907年)。
这类方法在评价坑道或洞体稳定性方面是不充分的;但在选择钻孔机械,确定掘进机类型,尤其是确定松散围岩的地压值等方面仍有一定意义。
1970年后,以岩体为对象的分类方法获得了迅速发展。
如泰尔扎吉分类法(1974年)、巴顿分类法(1974年)、别尼亚夫斯基分类法(1974年)、法国隧道协会(AFTES)分类法(1975年),以及中国铁路隧道围岩分类(1975年)和水工隧洞围岩分类(1983年)等。
这些分类法多数是根据经验的定性分类,但由于反映了围岩的地质构造特征、围岩的结构面状态、风化状况、地下水情况以及洞室埋深等,因此在评价坑道或洞体稳定性、确定支护结构参数和选择施工方法等方面得到了广泛的应用。
近期的围岩分类中,引进了岩体力学的基本概念和数理统计方法,如考虑初始应力场、坑道周边位移值,以及量测信息等,使围岩分类逐渐从定性分类向定量分类方向发展。
如拉布采维茨-帕赫分类(1974年)、日本地质学会的新奥法围岩分类(1979年)、奥地利阿尔贝格隧道的围岩分类(1979年)、苏联顿巴斯矿区的围岩分类(1979年)等。
围岩分类的重要发展是把量测信息引进到分类之中,即根据量测的初期位移速度,拱顶下沉和洞体水平向的收敛、变形等进行分类。
这也为隧道及地下工程的信息设计和施工打下了基础。
到目前为止,已经提出的和正在应用的围岩分类约有50多种,但其中绝大多数仍处于定性描述或经验判别的阶段,尚需进一步研究和完善。
分类要素在围岩分类中,最有影响的要素有:①围岩的构造。
指围岩被各种地质结构面切割的程度以及被切割的岩块的尺寸和组合形态,在分类中它是一个起主导作用的因素。
视裂缝间距,即被结构面切割的岩块的大小,可将围岩分成如表[围岩类型]所示的几种类型。
②原岩或岩体的物理力学性质。
包括单轴或三轴强度和变形特性,如抗压强度、抗剪强度以及弹性模量或变形模量等。
一般说,在完整岩体中,原岩的指标是基本的;在非完整(裂隙)岩体中,岩体的指标是主要的。
③地下水。
地下水的水量和水压等对分类有重大影响,尤其是对软岩和破碎、松散围岩,它们导致岩质软化、降低强度。
在有软弱结构面的围岩中,地下水会冲走充填物或使夹层液化等。
因而在一些分类法中,都考虑了它的定性的或定量的影响。
④围岩的初应力场。
在现代围岩分类中,尤其是对于深埋隧道和软弱围岩而言,这一要素占有重要的地位。
初应力场通常以上覆岩(土)体的重力来决定,并视为静水应力场;也可通过实地量测大致判定原岩应力场的大小及其方向。
分类依据①单一岩性指标。
如岩石抗压强度和弹性模量等物性指标,以及诸如抗钻性、抗爆性、开挖难易度等工艺指标。
在为某些特定目的的分类中,如确定钻孔工效、炸药消耗量等,可采用相应的工艺指标(钻孔速度等)进行分类。
②综合岩性指标。
指标是单一的,但反映的因素是综合的。
如岩体弹性波速度,既可反映围岩的软硬程度,又可反映围岩的破碎程度。
岩芯复原率是在反映岩体破碎程度的同时,还表示围岩软、硬分级的一个指标。
这类指标,还有修正后的普氏系数、坑道自稳时间、围岩强度等。
③复合岩性指标。
是用两个或两个以上的单一岩性指标或综合岩性指标表示。
例如,已确定分类要素为、、,则复合岩性指标可用下述方法之一来确定:和差法=±±积商法[606-01]然后用进行分类。
目前,许多分类都采用了这个方法。
④量测数据。
是用量测到的位移(坑道周边收敛值、拱顶下沉值、初始位移速度等),或荷载信息作为分类的指标,如苏联顿巴斯矿区、日本的新奥法设计和施工细则中所采用的。
这类指标可以避免许多不确定的因素和影响,并能较好地反映坑道围岩的力学状态的变化。
关宝树水利水电地下工程围岩综合分类(2)岩体的工程分类工程应用分类是以岩体稳定性或岩体质量评价为基础的分类,为综合性分类。
目前主要考虑三方面因素的指标:即与岩石工程性质有关的指标(力学性质)、岩体后期改造有关的指标(岩体结构)和岩体赋存条件方面的指标(如地下水或地应力等)。
通常有:RMR(宾尼亚斯基分类,Bieniawski);巴顿的Q分类;谷德振的岩体质量指标Z系统分类(1979)。
不同工程目的岩体稳定性评价中的一些基本问题见表1-3。
(3)分类标准的定量化—岩体质量指标70 年代以来岩体分类中采用了“岩体质量指标”或“综合特征指标”来判别岩体性能的优劣,因而含有这类指标的分类又被称为岩体质量分级,如上所述的RMR、Q和Z系统。
分类中有了定量指标作为依据,更便于将做过详细勘探测试研究的场地的经验和成果应用于研究程度较差或处于勘探初级阶段的工地,从而达到简化或减少勘探程序和工作量的目的。
分类中,为了探讨不同分类方案之间的相关性,鲁弗里奇等根据新西兰多个工程的经验,对RMR、RSR和Q系统三者得出如下关系式:RMR=1.35lgQ+43RSR=0.77RMR+12.4RSR=13.3lgQ+46.5表1-3 岩体质量分类代表性方案第四节地下工程的围岩分类围岩分类是为解决地下洞室的围岩稳定和支护问题而建立的。
因而围岩分类是围绕地下洞室的稳定性和支护的影响因素而作为分类原则,这些因素主要有:岩体的结构特征和完整状态;岩体强度;岩石的风化程度;地下水的影响;区域构造影响和地震影响等。
在实际制定围岩分类时,一般主要考虑岩体强度、岩体结构特征和完整程度以及地下水活动等方面的因素。
国内外的围岩分类所选取的基本因素大致都是这样,但在综合反映基本因素的指标上是不同的。
一、“普氏”分类普氏分类在我国曾应用较广。
主要是考虑岩性,而未考虑岩体构造和围岩完整性。
围岩压力公式是把坚硬地层视作松散介质,形式上套用了松散地层中的压力拱理论和公式,即垂直压力为:P=γ0h1 (8-26)式中P——垂直压力;h1——压力拱拱高,h1=a1/fkp ;a1——压力拱半跨;fkp——岩石坚硬系数;γ0——围岩的重度。
工程地质勘测工作基本上是根据地质条件和经验确定fkp值。
见表8-16。
或按下面的经验公式确定fkp值:fkp=Rc/10(8-27)式中Rc——岩石的单轴抗压强度(MPa)。
普氏岩石分类表8-16这种方法曾在我国较长时期内得到广泛的应用。
目前有些单位仍应用此分类。
但在长期工程实践中,发现这种分类与其计算方法存在严重的缺陷。
1.它主要是为估计土石工程的工作量、确定施工开挖定额服务的。
因此它只能说明岩石开挖的难易程度,不能全面反映岩体的稳定性。
2.fkp值以岩石强度为基础,大量工程实践证明,决定岩体稳定性的主要因素是岩体结构特性,即它的完整性,在分类中虽然也规定要根据岩石的物理状态(风化的、破碎的)划归于较低一类去,这样给确定fkp值带来了很大的主观臆断性。
我国各部门由于工程特点不同,确定fkp值标准也不同。
甚至在同一地点对同一洞室的岩石,不同的人可以得出相差很大的fkp值。
3.分类等级较多,给使用上带来不便。
由于选用的fkp值不同,相应计算得到的围岩压力也相差很大。
当fkp=2和fkp=4时,则压力可相差近一倍。
4.普氏压力计算公式根据松散体理论而得,而地下洞室多位于坚硬及中等坚硬以上较完整的岩体中,理论假设前提与客观实际相差太大。
一般来说,在坚硬地层中围岩压力公式计算结果偏大,而在松散地层中计算结果偏小。
二、泰沙基分类泰沙基于1946年提出使用钢拱支撑的隧道围岩分类方法。
他考虑了岩体的构造、岩性以及影响建筑物稳定的其他一些性质(如受化学侵蚀、膨胀性等),推荐了不同岩性的支撑与衬砌上的荷载计算公式(表8-17)。
泰沙基分类在英美等国应用较广。
我国有关单位在订规范时也参考了这种分类。
K·泰沙基分类(1946年)表8-17据我国水电有关部门在一些塌方地段曾用泰沙基分类表所订的土荷载高度进行核算后认为,凡符合泰沙基分类所指的地质条件,一般还较接近于实际情况。
但是,这种分类也是建立在岩体塌脱成自然平衡拱的概念基础上。
三、按岩体质量等级的围岩分类岩体质量是受岩石质量、岩体完整程度、地应力的大小、地下水的作用、软弱结构面产状等因素所影响,因而岩体质量等级也以此为标准。
近年国际上在进行围岩分类时,普遍采用岩体质量等级作为围岩分类的标准。
如岩体质量评分的地质力学围岩分类(RMR)、岩体结构评价的RSR围岩分类,以及岩体基本质量分级(BQ)的围岩分类。
(一)RMR分类本分类是比尼奥斯基(1973)根据矿山开采掘进的经验提出的岩体质量评分的地质力学围岩分类。
该分类考虑了六个方面的影响因素作为衡量岩体质量的评分标准。
这六个因素为:岩石强度、岩体质量指标RQD、不连续面的间距、状态和方向条件、地下水等。
其中岩体质量指标RQD是用来表示岩石的完整性、RQD的确定方法是:采用直径为75mm的双层岩心管金刚石钻进,提取直径为54mm的岩心,将长度小于10cm的破碎岩心及软弱物质剔除,然后测量大于或等于10cm长柱状若心的总长度(Lp)。
用这一有效的岩心长度与采集岩心段的钻孔总进尺(L)之比,取其百分数就是RQD。
其表示式如下:RQD=(Lp/L)×100%(8-28)RQD值按其大小可分为五个质量等级,如表8-18所示。
岩石质量等级表8-18RQD的岩石质量等级只是考虑了岩块的大小,也就是岩体的完整性,但它并没有考虑岩石的质量和其他地质因素的影响,因而RMR分类中将RQD作为一项的影响因素来对待。
RMR分类是将上述各因素单项分数后累加起来,得到岩体质量总评分。
根据这个评分划分岩体质量等级。
如表8-19和表8-20所示。
上述二种按岩体质量分类的结果,它们之间的关系已由茹夫莱泽(T.C.Rufledgc)根据新西兰的经验作了对比求得下式:RSR=0.77RMR+22.4RMR分数计算表表8-19按RMR值划分的质量等级表8-20(评分与5个因素间能否用函数表示)(二)RSR分类本分类也称岩体结构评价的分类,它是1974年威克霍姆提出的以岩体结构特征作为围岩分类的主要影响因素。
此法考虑了地质(参数A)、节理(参数B)和地下水(参数C)三个因素,并按表8-21所列的标准进行评分。
RSR值为该三项评分之和,其变化范围在25~100之间。