隧道围岩类别划分与判定
- 格式:docx
- 大小:54.25 KB
- 文档页数:25
3-1-1隧道围岩级别划分与判定隧道围岩分级就是评定围岩性质、判断隧道围岩稳定性,作为选择隧道位置、支护类型的依据和指导安全施工。
国内外现在的围岩分级方法有定性、定量、定性与定量相结合3种方法,且多以前两种方法为主。
定性分级的做法是,在现场对影响岩体质量的诸因素进行定性描述、鉴别、判断,或对主要因素作出评判、打分,有的还引入分量化指标进行综合分级。
以定性为主的分级方法,如现行的公路、铁路隧道围岩分级等方法经验的成分较大,有一定人为因素和不确定性,在使用中,往往存在不一致,随勘察人员的认识和经验的差别,对同一围岩作出级别不同的判断。
采用定性分级的围岩级别,常常出现与实际差别1~2级的情况。
定量分级的做法是根据对岩体性质进行测试的数据或对各参数打分,经计算获得岩体质量指标,并以该指标值进行分级。
如国外N.Barton 的Q分级,Z.T.Bieniawsks 的地质力学(MRM)分级、Dree的RQD值分级等方法。
但由于岩体性质和赋存条件十分复杂,分级时仅用少数参数和某个数学公式难以全面准确地概括所有情况,而且参数测试数量有限,数据的代表性和抽样的代表性均存在一定的局限,实施时难度较大。
影响围岩稳定的因素多种多样,主要是岩石的物理力学性质、构造发育情况、承受的荷载(工程荷载和初始应力)、应力变形状态、几何边界条件、水的赋存状态等。
这些因素中,岩体的物理力学性质和构造发育情况是独立于各种工作类型的,反映出了岩体的基本特性,在岩体的各项物理力学性质中,对稳定性关系最大的是岩石坚硬程度,岩体的构造发育状态、岩体的不连续性、节理化程度所反映的岩体完整性是地质体的又一基本属性。
国内外多数围岩分级都将岩石坚硬程度和岩体的完整程度作为岩体基本质量分级的两个基本因素。
1 国标《锚杆喷射混凝土支护技术规范》围岩分级1.1围岩分级围岩级别的划分应根据岩石坚硬性岩体完整性结构面特征地下水和地应力状况等因素综合确定并应符合表1.1规定。
隧道施工过程中的围岩分类与处理方法引言隧道是现代交通建设中不可缺少的一部分,无论是地铁、公路还是铁路,都离不开对隧道的建设。
隧道施工中,围岩是一个非常重要的因素,直接影响着隧道的稳定性和安全性。
本文将对隧道施工过程中的围岩进行分类和处理方法的讨论。
第一节:围岩的分类围岩是指隧道周围的岩石,根据其物理特性和力学性质可以将其分为几个常见的类型。
1. 岩层围岩:岩层围岩指的是由不同岩层组成的围岩,这种围岩的特点是岩石层次明显,各层之间具有明显的界限。
在施工过程中,对于岩层围岩,可以根据其岩性进行相应的处理方法。
2. 互层夹砂土:这种类型的围岩主要由夹杂着砂土的岩石组成,其特点是具有较高的含水量和较低的强度。
对于互层夹砂土,需要采取相应的加固措施,例如注浆加固和锚杆支护等。
同时,还需要进行合理的排水,以降低水分对隧道结构的影响。
3. 破碎围岩:破碎围岩指的是具有明显的裂隙和破碎的岩石。
这种围岩的稳定性较差,对于施工来说是一个较大的挑战。
在处理破碎围岩时,可以采取减振爆破等方法,以降低破碎岩石对施工的影响。
4. 膨胀岩:膨胀岩是指隧道周围的岩石在潮湿环境或受到水分浸泡后发生体积膨胀的现象。
膨胀岩的特点是含水量较高,且具有较大的膨胀性。
在处理膨胀岩时,需要注重降低其含水量,以减少膨胀对隧道结构的影响。
第二节:围岩处理方法在隧道施工过程中,不同类型的围岩需要采取不同的处理方法,以下将介绍几种常见的处理方法。
1. 预支护:对于较差的围岩,预支护是一个常用的方法。
预支护的目的是在施工过程中加固围岩,提高隧道的稳定性和安全性。
常用的预支护方法包括喷射混凝土支护、岩锚加固和挂网加固等。
2. 注浆加固:对于互层夹砂土和破碎围岩,注浆加固是一个有效的方法。
注浆加固的原理是通过注入特定的固化材料,填充和加固围岩中的裂隙和空隙,提高围岩的强度和稳定性。
3. 围岩处理与排水:在处理含水量较高的围岩时,需要注重排水工作。
通过合理的排水措施,可以降低围岩中的水分含量,减少水分对围岩稳定性的影响。
岩爆是高应力地区地下洞室中围岩脆性破坏时,应变能突然释放造成的一种动力失稳现象,属于高应力地区洞室开挖中常见的一种地质问题。
在隧洞开挖过程中,围岩突然破坏,并把破坏后的岩石弹射出来,有时伴发出响声,轻微的呈片状弹射,严重的可将巨石猛烈抛出,甚至抛出数以吨计的岩片和岩块,威胁人身和设备安全,影响施工进度。
岩爆多呈两种破坏形态:一是劈裂破坏,二是剪切破坏。
劈裂破坏属于低应力时围岩的脆性破坏, 其断裂面与孔口边界平行,断裂面呈劈裂状.由于围岩出现断裂时只有断裂面释放能量,断裂面产生的能量在裂缝开展中消耗一部分,有一部分将转移到附近的岩体上,因此转化成喷射岩石的动能不多,劈裂破坏的岩爆较弱。
剪切破坏是高应力条件下岩石的极限强度破坏。
洞口岩石破坏呈两条相交的对数螺旋线形,直壁孔口的极限破坏呈楔形(这与实际发生岩爆后的岩爆坑相符),反映发生这种破坏时的围岩应力已经达到了极限状态,当岩石达到极限强度造成不稳定状态时,不仅破坏区岩石释放能量比破裂时多,而且破坏区以外也有一部分岩石发生应力降,也要释放能量,因而有较大能量转化为动能,造成岩石出现强烈的弹射现象。
岩爆的防治措施:针对可能发生岩爆的强度和规模,采用加强施工监测和预报分析,调整施工方法,进行喷锚支护和安全防护等措施,减轻岩爆的烈度,避免人员和设备的损伤,保证施工进度。
隧道围岩级别划分与判定隧道围岩分级就是评定围岩性质、判断隧道围岩稳定性,作为选择隧道位置、支护类型的依据和指导安全施工。
国内外现在的围岩分级方法有定性、定量、定性与定量相结合3种方法,且多以前两种方法为主。
定性分级的做法是,在现场对影响岩体质量的诸因素进行定性描述、鉴别、判断,或对主要因素作出评判、打分,有的还引入分量化指标进行综合分级。
以定性为主的分级方法,如现行的公路、铁路隧道围岩分级等方法经验的成分较大,有一定人为因素和不确定性,在使用中,往往存在不一致,随勘察人员的认识和经验的差别,对同一围岩作出级别不同的判断。
采用定性分级的围岩级别,常常出现与实际差别1~2级的情况。
定量分级的做法是根据对岩体性质进行测试的数据或对各参数打分,经计算获得岩体质量指标,并以该指标值进行分级。
如国外N.Barton 的Q分级,Z.T.Bieniawsks 的地质力学(MRM)分级、Dree的RQD值分级等方法。
但由于岩体性质和赋存条件十分复杂,分级时仅用少数参数和某个数学公式难以全面准确地概括所有情况,而且参数测试数量有限,数据的代表性和抽样的代表性均存在一定的局限,实施时难度较大。
影响围岩稳定的因素多种多样,主要是岩石的物理力学性质、构造发育情况、承受的荷载(工程荷载和初始应力)、应力变形状态、几何边界条件、水的赋存状态等。
这些因素中,岩体的物理力学性质和构造发育情况是独立于各种工作类型的,反映出了岩体的基本特性,在岩体的各项物理力学性质中,对稳定性关系最大的是岩石坚硬程度,岩体的构造发育状态、岩体的不连续性、节理化程度所反映的岩体完整性是地质体的又一基本属性。
国内外多数围岩分级都将岩石坚硬程度和岩体的完整程度作为岩体基本质量分级的两个基本因素。
1 国标《锚杆喷射混凝土支护技术规范》围岩分级1.1围岩分级围岩级别的划分应根据岩石坚硬性岩体完整性结构面特征地下水和地应力状况等因素综合确定并应符合表1.1规定。
隧道围岩类别划分与判定Company Document number:WTUT-WT88Y-W8BBGB-BWYTT-19998隧道围岩级别划分与判定隧道围岩分级就是评定围岩性质、判断隧道围岩稳定性,作为选择隧道位置、支护类型的依据和指导安全施工。
国内外现在的围岩分级方法有定性、定量、定性与定量相结合3种方法,且多以前两种方法为主。
定性分级的做法是,在现场对影响岩体质量的诸因素进行定性描述、鉴别、判断,或对主要因素作出评判、打分,有的还引入分量化指标进行综合分级。
以定性为主的分级方法,如现行的公路、铁路隧道围岩分级等方法经验的成分较大,有一定人为因素和不确定性,在使用中,往往存在不一致,随勘察人员的认识和经验的差别,对同一围岩作出级别不同的判断。
采用定性分级的围岩级别,常常出现与实际差别1~影响围岩稳定的因素多种多样,主要是岩石的物理力学性质、构造发育情况、承受的荷载(工程荷载和初始应力)、应力变形状态、几何边界条件、水的赋存状态等。
这些因素中,岩体的物理力学性质和构造发育情况是独立于各种工作类型的,反映出了岩体的基本特性,在岩体的各项物理力学性质中,对稳定性关系最大的是岩石坚硬程度,岩体的构造发育状态、岩体的不连续性、节理化程度所反映的岩体完整性是地质体的又一基本属性。
国内外多数围岩分级都将岩石坚硬程度和岩体的完整程度作为岩体基本质量分级的两个基本因素。
1 国标《锚杆喷射混凝土支护技术规范》围岩分级围岩分级围岩级别的划分应根据岩石坚硬性岩体完整性结构面特征地下水和地应力状况等因素综合确定并应符合表规定。
表围岩分级注1 围岩按定性分级与定量指标分级有差别时一般应以低者为准。
2 本表声波指标以孔测法测试值为准如果用其他方法测试时可通过对比试验进行换算。
3 层状岩体按单层厚度可划分为厚层大于0 5m中厚层0 1~0 5m薄层小于0 1m4 一般条件下确定围岩级别时应以岩石单轴湿饱和抗压强度为准当洞跨小于5m,服务年限小于10 年的工程确定围岩级别时可采用点荷载强度指标代替岩块单轴饱和抗压强度指标可不做岩体声波指标测试5 测定岩石强度做单轴抗压强度测定后可不做点荷载强度测定。
3-1-1隧道围岩级别划分与判定隧道围岩分级就是评定围岩性质、判断隧道围岩稳定性,作为选择隧道位置、支护类型的依据和指导安全施工。
国内外现在的围岩分级方法有定性、定量、定性与定量相结合3种方法,且多以前两种方法为主。
定性分级的做法是,在现场对影响岩体质量的诸因素进行定性描述、鉴别、判断,或对主要因素作出评判、打分,有的还引入分量化指标进行综合分级。
以定性为主的分级方法,如现行的公路、铁路隧道围岩分级等方法经验的成分较大,有一定人为因素和不确定性,在使用中,往往存在不一致,随勘察人员的认识和经验的差别,对同一围岩作出级别不同的判断。
采用定性分级的围岩级别,常常出现与实际差别1~2级的情况。
定量分级的做法是根据对岩体性质进行测试的数据或对各参数打分,经计算获得岩体质量指标,并以该指标值进行分级。
如国外N.Barton 的Q分级,Z.T.Bieniawsks 的地质力学(MRM)分级、Dree的RQD值分级等方法。
但由于岩体性质和赋存条件十分复杂,分级时仅用少数参数和某个数学公式难以全面准确地概括所有情况,而且参数测试数量有限,数据的代表性和抽样的代表性均存在一定的局限,实施时难度较大。
影响围岩稳定的因素多种多样,主要是岩石的物理力学性质、构造发育情况、承受的荷载(工程荷载和初始应力)、应力变形状态、几何边界条件、水的赋存状态等。
这些因素中,岩体的物理力学性质和构造发育情况是独立于各种工作类型的,反映出了岩体的基本特性,在岩体的各项物理力学性质中,对稳定性关系最大的是岩石坚硬程度,岩体的构造发育状态、岩体的不连续性、节理化程度所反映的岩体完整性是地质体的又一基本属性。
国内外多数围岩分级都将岩石坚硬程度和岩体的完整程度作为岩体基本质量分级的两个基本因素。
1 国标《锚杆喷射混凝土支护技术规范》围岩分级1.1围岩分级围岩级别的划分应根据岩石坚硬性岩体完整性结构面特征地下水和地应力状况等因素综合确定并应符合表1.1规定。
隧道围岩分级方法
隧道围岩分级方法可以根据围岩的强度、稳定性和透水性等特征进行划分。
常见的隧道围岩分级方法有以下几种:
1. 国际地铁隧道分类法:按照地质特征将围岩分为Ⅰ至Ⅵ级,1级围岩为最好的围岩,6级围岩为最差的围岩。
2. 日本高速公路隧道工程协会围岩分级法:按照围岩的岩性、颗粒级配、岩石坚度、块度、岩体结构和褶皱、断层等因素进行评价,将围岩划分为4个等级。
3. 美国地质勘探员协会(Rock Mass Rating)围岩分级法:按照地质结构和岩石机械特性等因素,将围岩划分为6个等级,从R0到R6,R0围岩为最差的围岩,R6围岩为最好的围岩。
4. 中国国内常用的围岩分级标准:根据地质特征和工程要求,将围岩分为I至V级,I级围岩为最好的围岩,V级围岩为最差的围岩。
以上只是隧道围岩分级的一些常用方法,在具体工程中可以根据实际情况选取适合的分类方法。
高速公路、铁路隧道围岩等级判定(文/萧整勇)一、前言随着我国高等级公路、铁路建设的迅猛发展,高速公路、铁路的隧道比也不断的增加,由于现阶段探测方法的不准确性,隧道围岩情况又复杂多变,隧道围岩判定、分类工作对指导隧道施工、调整工法和支护参数尤为重要。
在围岩分类的基础上再依照每一类围岩的稳定程度给出最佳的施工方法和支护结构设计。
围岩分类是选择施工方法的依据、是进行科学管理及正确评价经济效益、确定结构上的荷载(松散荷载)、确定衬砌结构的类型及尺寸、制定劳动定额、材料消耗标准等的基础,同时也是安全指导施工的有力保障。
汶马高速公路工程起于汶川县凤坪坝,止于马尔康市卓克基,是典型的第二阶梯(四川盆地)向第三阶梯(青藏高原)的过渡段。
公路沿线穿越了龙门山断裂带、米亚罗断裂带、松岗断裂带;汶马高速C14合同段的狮子坪1号隧道全长13.4公里,穿越了米亚罗断裂带,所穿越的主要岩性有变质砂岩、板岩、千枚岩等,地形地貌、水文地质条件极其复杂。
所以对狮子坪1号隧道掌子面围岩判定指导施工尤为重要。
二、隧道围岩级别判定工作流程隧道工程施工过程中需要进行隧道围岩级别判定的情况较多,这里指可能发生隧道围岩支护参数设计变更时进行的围岩级别判定工作。
由于其特殊性,隧道围岩级别判定一般采用五方现场会审制度(地质咨询、施工、监理、设计、业主)。
五方现场会审一般由业主组织,进行隧道围岩级别判定时由地质咨询方牵头会审,其他各方共同确认;进行支护参数确认时由设计方提出并经业主确认。
隧道围岩级别判定工作流程:预判-组织现场会审-审查工作-判定围岩级别-支护参数确认-签字确认。
三、隧道围岩级别判定工作方法隧道围岩判定一般采用定性和定量相结合的方法,按两步判定围岩分级:第一步通过测量或观察隧道围岩状况得到岩石硬度和岩体完整度的定量数值或定性结论,然后计算得到岩体基本质量指标BQ值或利用矩阵法查得围岩基本分级判定结论;第二步综合考虑其它影响岩体质量和稳定性的因素,选取地下水状况、软弱结构面、地应力三个因素进行围岩级别修正,同时结合隧道设计支护参数分等级的做法,以半级为单位进行修正。
3-1-1隧道围岩级别划分与判定隧道围岩分级就是评定围岩性质、判断隧道围岩稳定性,作为选择隧道位置、支护类型的依据和指导安全施工。
国内外现在的围岩分级方法有定性、定量、定性与定量相结合3种方法,且多以前两种方法为主。
定性分级的做法是,在现场对影响岩体质量的诸因素进行定性描述、鉴别、判断,或对主要因素作出评判、打分,有的还引入分量化指标进行综合分级。
以定性为主的分级方法,如现行的公路、铁路隧道围岩分级等方法经验的成分较大,有一定人为因素和不确定性,在使用中,往往存在不一致,随勘察人员的认识和经验的差别,对同一围岩作出级别不同的判断。
采用定性分级的围岩级别,常常出现与实际差别1~2级的情况。
定量分级的做法是根据对岩体性质进行测试的数据或对各参数打分,经计算获得岩体质量指标,并以该指标值进行分级。
如国外N.Barton 的Q分级,Z.T.Bieniawsks 的地质力学(MRM)分级、Dree的RQD值分级等方法。
但由于岩体性质和赋存条件十分复杂,分级时仅用少数参数和某个数学公式难以全面准确地概括所有情况,而且参数测试数量有限,数据的代表性和抽样的代表性均存在一定的局限,实施时难度较大。
影响围岩稳定的因素多种多样,主要是岩石的物理力学性质、构造发育情况、承受的荷载(工程荷载和初始应力)、应力变形状态、几何边界条件、水的赋存状态等。
这些因素中,岩体的物理力学性质和构造发育情况是独立于各种工作类型的,反映出了岩体的基本特性,在岩体的各项物理力学性质中,对稳定性关系最大的是岩石坚硬程度,岩体的构造发育状态、岩体的不连续性、节理化程度所反映的岩体完整性是地质体的又一基本属性。
国内外多数围岩分级都将岩石坚硬程度和岩体的完整程度作为岩体基本质量分级的两个基本因素。
1 国标《锚杆喷射混凝土支护技术规范》围岩分级1.1围岩分级围岩级别的划分应根据岩石坚硬性岩体完整性结构面特征地下水和地应力状况等因素综合确定并应符合表1.1规定。
第一节围岩类型的划分一、划分依据隧道分级类别划分依据《公路隧道设计规范》(JTGD70-2004,)结合岩性 1 状态、物理力学性质、岩石饱和抗压强度、岩体的结构特征及完整性、弹性模量、泊松比、风化程度、地质构造、洞室埋藏深度、波速测试资料、水文地质条件及地层的透水性、不良地质现象、施工中存在的问题等综合分析确定隧道围岩类别。
二、围岩类型的划分原则1、隧道围岩分级的综合评判方法采用两步分级,并按以下顺序进行:1)、根据岩石的坚硬程度和岩体完整程度两个基本因素的定性特征和定量的岩体基本质量指标BQ,综合进行初步分级。
2)、对围岩进行详细定级时,应在岩体基本质量分级的基础上考虑修正因素的影响,修正岩体基本质量指标值。
3)、按修正后的岩体质量指标]BQ],结合岩体的定性特征综合评判、确定围岩的详细分级。
2、围岩基本质量指标BQ应根据分级因素的定量指标RC值和KV值按下式计算:BQ=90+3RC+250KV式中:BQ――围岩基本质量指标;RC――岩石单轴饱和抗压强度,MPa;KV——岩体完整性系数,采用弹性波速探测值。
使用以上公式时应遵守下列限制条件:① 、当RC> 90 KV 时,应以RC=90KV+30 和KV代入计算BQ值;②、当KV> 0.04RC+0.4时,应以KV=0.04RC+0.4禾口RC代入计算BQ值。
3、围岩详细定级时,如遇下列情况之一,应对岩体基本质量指标BQ 进行修正:1)、有地下水;2)、围岩稳定性受软弱结构面影响,且由一组起控制作用;3)、存在高应力。
围岩基本质量指标修正值]BQ]可按下式计算:[BQ]= BQ-00 (K 1+ K2+ K2)式中:[BQ]——围岩基本质量指标修正值;K1 ——地下水影响修正系数;K2——主要软弱结构面产状影响修正系数。
3——初始应力状态影响修正系数。
K1、K2、K3按《公路隧道设计规范》(JTG D70-2004附录A确定。
根据本次隧道的调查、勘探、试验资料,岩石隧道的围岩定性特征,围岩基本质量修正值]BQ], 土体隧道中的土体类型、密实状态等定性特征,按下表4-1 确定围岩级别。
公路隧道洞口围岩类别公路隧道洞口围岩类别是指洞口附近的岩石类型和特征。
对公路隧道来说,洞口附近的围岩类别对于隧道的稳定性、施工和运营都有重要影响。
本文将详细介绍公路隧道洞口围岩的几种常见类别。
一、片岩类:片岩是由页岩经过变质作用形成的一种岩石。
公路隧道洞口围岩中常出现的片岩类有云片岩、石英云片岩等。
优点是岩体坚硬、破碎性小,缺点是片岩类岩体针片结构较密集,破碎时产生的碎屑较细,易导致隧道稳定性问题。
二、页岩类:页岩是一种由粘土、石英等组成的细粒状沉积岩。
公路隧道洞口围岩中常出现的页岩类有沉积页岩、变质页岩等。
页岩类围岩特点是岩体坚硬,但含有大量水分,易变形和塌落,容易引起隧道坍塌。
三、灰岩类:灰岩是一种由碳酸钙主要成分组成的岩石。
公路隧道洞口围岩中常出现的灰岩类有生灰岩、杂砂灰岩等。
灰岩类围岩通常质地坚硬,但在水的侵蚀下容易溶解,容易形成溶洞和岩溶隧道。
四、花岗岩类:花岗岩是一种成分为酸性石英、长石和黑云母等的岩石。
公路隧道洞口围岩中常出现的花岗岩类有细粒花岗岩、中等粒度花岗岩等。
花岗岩类围岩具有良好的抗压和抗剪性能,强度高,耐久性好,是理想的隧道围岩。
五、安山岩类:安山岩是一种含有较多角闪石和黑云母的酸性岩石。
公路隧道洞口围岩中常出现的安山岩类有粗晶安山岩、玄武岩等。
安山岩类围岩具有较高的强度,但对水的渗透性较强,容易引起隧道水涌问题。
六、凝灰岩类:凝灰岩是一种火山碎屑岩石,由火山喷发产生的火山灰和碎屑物质固化而成。
公路隧道洞口围岩中常出现的凝灰岩类有安山凝灰岩、流纹凝灰岩等。
凝灰岩类围岩因质地疏松,结构不均匀,强度较低,易发生崩落和滑坡。
总结起来,公路隧道洞口围岩类别有片岩类、页岩类、灰岩类、花岗岩类、安山岩类和凝灰岩类。
在隧道洞口围岩的选择和设计中,应结合具体地质条件和工程要求,选用合适的围岩类别,以保证隧道的稳定性和安全性。
隧道围岩等级划分标准隧道围岩等级划分标准需要考虑多种因素,主要包括地质条件、钻探和勘探数据、构造划分、岩层厚度、地应力状态、岩石物理力学参数等。
下面是隧道围岩等级划分标准的具体介绍。
一、围岩等级划分标准依据勘探数据以及地质条件,一般将隧道围岩划分为优良、中等、较差、差等四种等级。
一般情况下,优良围岩是指坚硬的岩石、岩层连续、不易涌水,岩石物理力学参数优良且地应力状态相对均衡、稳定的围岩;中等围岩是指岩石较软或略有地层变形的围岩;较差围岩是指岩层变形较严重、围岩有较大的变形性和稳定性问题;差围岩则指存在重大地层变形,有较大的流水量和高的水压等问题的岩体。
二、围岩等级划分依据1. 地质条件地质条件是围岩等级划分的最重要依据。
隧道地质条件通常由以下几个方面来评估:地表形态、地质构造类型、岩石单元特征、岩体结构、岩层厚度、地下水位、围岩结构等。
2. 钻探和勘探数据钻探和勘探数据是围岩等级划分的重要参考。
一般情况下,岩芯分析能够对岩石的物理力学参数和地应力状态进行评估。
3. 构造划分隧道建设过程中,通常把构造特征也作为岩石工程判别的重要因素之一。
对于不同的围岩等级,区域构造的作用是不同的。
一般而言,优良围岩区的构造作用较小或较单一,较劣围岩区则往往是构造变形较多的地区。
4. 岩层厚度岩层厚度也是围岩等级判别的重要依据。
岩土工程中,层间断裂对整体稳定性影响较大,通常厚度较薄的围岩具有较好的稳定性和承载能力。
5. 地应力状态地应力状态是影响围岩稳定性的重要因素之一。
地应力状态成为围岩等级划分的重要因素之一,可以通过测量和分析而得出。
6. 岩石物理力学参数岩石物理力学参数也是划分围岩等级的参考指标。
塑性岩土或岩石在约束条件下表现的刚塑性行为,可以通过我们对岩石物理力学参数的评估来判断。
隧道建设过程中,隧道围岩等级的划分标准十分重要。
准确的划分可以识别不同的工程环节对隧道围岩的影响,有助于制定合理的隧道工程设计和建设方案,从而提高隧道工程的建设质量和运行安全性。
3-1-1隧道围岩级别划分与判定隧道围岩分级就是评定围岩性质、判断隧道围岩稳定性,作为选择隧道位置、支护类型的依据和指导安全施工。
国内外现在的围岩分级方法有定性、定量、定性与定量相结合3种方法,且多以前两种方法为主。
定性分级的做法是,在现场对影响岩体质量的诸因素进行定性描述、鉴别、判断,或对主要因素作出评判、打分,有的还引入分量化指标进行综合分级。
以定性为主的分级方法,如现行的公路、铁路隧道围岩分级等方法经验的成分较大,有一定人为因素和不确定性,在使用中,往往存在不一致,随勘察人员的认识和经验的差别,对同一围岩作出级别不同的判断。
采用定性分级的围岩级别,常常出现与实际差别1~2级的情况。
定量分级影响围岩稳定的因素多种多样,主要是岩石的物理力学性质、构造发育情况、承受的荷载(工程荷载和初始应力)、应力变形状态、几何边界条件、水的赋存状态等。
这些因素中,岩体的物理力学性质和构造发育情况是独立于各种工作类型的,反映出了岩体的基本特性,在岩体的各项物理力学性质中,对稳定性关系最大的是岩石坚硬程度,岩体的构造发育状态、岩体的不连续性、节理化程度所反映的岩体完整性是地质体的又一基本属性。
国内外多数围岩分级都将岩石坚硬程度和岩体的完整程度作为岩体基本质量分级的两个基本因素。
1国标《锚杆喷射混凝土支护技术规范》围岩分级1.1围岩分级围岩级别的划分应根据岩石坚硬性岩体完整性结构面特征地下水和地应力状况等因素综合确定并应符合表1.1规定。
注1围岩按定性分级与定量指标分级有差别时一般应以低者为准。
2本表声波指标以孔测法测试值为准如果用其他方法测试时可通过对比试验进行换算。
3层状岩体按单层厚度可划分为厚层大于05m中厚层01~05m薄层小于01m4一般条件下确定围岩级别时应以岩石单轴湿饱和抗压强度为准当洞跨小于5m,服务年限小于10年的工程确定围岩级别时可采用点荷载强度指标代替岩块单轴饱和抗压强度指标可不做岩体声波指标测试5测定岩石强度做单轴抗压强度测定后可不做点荷载强度测定。
隧道围岩判定等级划分方法一、岩体的力学性质判定等级划分1.岩石的强度:将岩体按照抗压强度划分,通常可分为极强、强、中、弱四个等级。
-极强:抗压强度>250MPa;-强:抗压强度150-250MPa;-中:抗压强度90-150MPa;-弱:抗压强度<90MPa。
2.岩体的稳定性:根据岩体的不稳定倾向进行划分,通常可分为稳定、潜在不稳定、不稳定三个等级。
-稳定:岩体稳定,无明显不稳定倾向;-潜在不稳定:岩体具有一定的不稳定倾向,但在一定的加固措施下可以满足隧道施工要求;-不稳定:岩体具有明显的不稳定倾向,需要采取较为复杂的加固措施或者选择合适的施工方法。
3.岩体的变形性:根据岩体的变形特征划分等级,通常可分为稳定、弹性、节理降伏、蠕变四个等级。
-稳定:岩体无明显变形;-弹性:岩体有一定程度的弹性变形,恢复性好;-节理降伏:岩体有节理产生降伏,变形后节理不可完全恢复;-蠕变:岩体存在蠕变现象,变形较大且变形恢复较差。
二、岩体的断裂性质判定等级划分1.岩层的连通性:根据岩层的连通性进行划分,通常可分为完全连通、基本连通、不连通三个等级。
-完全连通:岩层间没有明显的断裂面或夹层,连续性良好;-基本连通:岩层间出现少量的断裂面或夹层,其影响不大;-不连通:岩层间有明显且较多的断裂面或夹层,连续性较差。
2.岩层的岩性相似性:根据岩层的岩性相似程度进行划分,通常可以分为相似、部分相似、不相似三个等级。
-相似:岩层的岩性相似,岩层之间过渡较好,便于隧道的施工;-部分相似:岩层的岩性略有差异,但对隧道施工的影响较小;-不相似:岩层的岩性差异较大,施工条件较为复杂。
三、岩体的破坏性质判定等级划分1.岩体的自然裂隙性:根据岩体的自然裂隙性进行划分,通常可以分为开裂性、固体性、紧密性三个等级。
-开裂性:岩体存在较多的裂隙或节理,并具有明显的裂隙扩展趋势;-固体性:岩体具有较少或较小的裂隙或节理,岩体整体性较好;-紧密性:岩体几乎没有明显的裂隙或节理,岩体结构紧密。
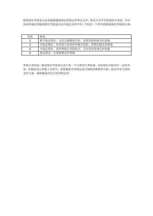
围岩等级划分标准
围岩等级划分为Ⅵ、Ⅴ、Ⅳ、Ⅲ、Ⅱ、Ⅰ六个等级。
1、性质:规范将隧道围岩分成六级,分别是Ⅰ、Ⅱ、Ⅲ、Ⅳ、Ⅴ、Ⅵ,数字越小的围岩性质越好。
2、Ⅰ类:岩石新鲜完整、构造影响轻微、节理裂隙不发育或稍发育,闭合且延伸不长,无或很少软弱结构面、断层带宽<0.1米,与洞向近正交、岩体呈整体或块状砌体结构。
3、Ⅱ类:岩石新鲜或微风化,受构造影响一般。
节理裂隙稍发育或发育。
有少量软弱结构面、层间结合差。
断层破碎带宽<0.5米、与洞向斜交或正交、岩体呈块状砌体或层状砌体结构。
4、Ⅲ类:岩石微风化或弱风化,受地质构造影响裂隙发育、部分张开充泥。
软弱结构面分布较多、断层破碎带<1米,与洞线斜交或平行、岩石呈碎石状镶嵌结构。
5、Ⅳ类:与III类同。
断裂及软弱结构面较多,断层破碎带<2米,与洞平行,岩体呈碎石状镶嵌结构,局部呈碎石状压碎结构。
6、Ⅴ类:散体:砂层滑坡堆积及碎、卵、砾质土。
7、围岩分级是指根据岩体完整程度和岩石强度等指标将无限的岩体序列划分为具有不同稳定程度的有限个类别,即将稳定性相似的一些围岩划归为一类,将全部的围岩划分为若干类。
在围岩分类的基础上再依照每一类围岩的稳定程度给出最佳的施工方法和支护结构设计。
8、围岩分类是选择施工方法的依据、是进行科学管理及正确评价经济效益、确定结构上的荷载(松散荷载)、确定衬砌结构的类型及尺寸、制定劳动定额、材料消耗标准等的基础。
3—1-1隧道围岩级别划分与判定隧道围岩分级就是评定围岩性质、判断隧道围岩稳定性,作为选择隧道位置、支护类型的依据和指导安全施工。
国内外现在的围岩分级方法有定性、定量、定性与定量相结合3种方法,且多以前两种方法为主。
定性分级的做法是,在现场对影响岩体质量的诸因素进行定性描述、鉴别、判断,或对主要因素作出评判、打分,有的还引入分量化指标进行综合分级.以定性为主的分级方法,如现行的公路、铁路隧道围岩分级等方法经验的成分较大,有一定人为因素和不确定性,在使用中,往往存在不一致,随勘察人员的认识和经验的差别,对同一围岩作出级别不同的判断。
采用定性分级的围岩级别,常常出现与实际差别1~2级的情况。
定量分级的做法是根据对岩体性质进行测试的数据或对各参数打分,经计算获得岩体质量指标,并以该指标值进行分级。
如国外N.Barton 的Q分级,Z。
T。
Bieniawsks 的地质力学(MRM)分级、Dree的RQD值分级等方法。
但由于岩体性质和赋存条件十分复杂,分级时仅用少数参数和某个数学公式难以全面准确地概括所有情况,而且参数测试数量有限,数据的代表性和抽样的代表性均存在一定的局限,实施时难度较大。
影响围岩稳定的因素多种多样,主要是岩石的物理力学性质、构造发育情况、承受的荷载(工程荷载和初始应力)、应力变形状态、几何边界条件、水的赋存状态等.这些因素中,岩体的物理力学性质和构造发育情况是独立于各种工作类型的,反映出了岩体的基本特性,在岩体的各项物理力学性质中,对稳定性关系最大的是岩石坚硬程度,岩体的构造发育状态、岩体的不连续性、节理化程度所反映的岩体完整性是地质体的又一基本属性.国内外多数围岩分级都将岩石坚硬程度和岩体的完整程度作为岩体基本质量分级的两个基本因素。
1 国标《锚杆喷射混凝土支护技术规范》围岩分级1.1围岩分级围岩级别的划分应根据岩石坚硬性岩体完整性结构面特征地下水和地应力状况等因素综合确定并应符合表1。
隧道围岩级别划分与判定隧道围岩分级就是评定围岩性质、判断隧道围岩稳定性,作为选择隧道位置、支护类型的依据和指导安全施工。
国内外现在的围岩分级方法有定性、定量、定性与定量相结合3种方法,且多以前两种方法为主。
定性分级的做法是,在现场对影响岩体质量的诸因素进行定性描述、鉴别、判断,或对主要因素作出评判、打分,有的还引入分量化指标进行综合分级。
以定性为主的分级方法,如现行的公路、铁路隧道围岩分级等方法经验的成分较大,有一定人为因素和不确定性,在使用中,往往存在不一致,随勘察人员的认识和经验的差别,对同一围岩作出级别不同的判断。
采用定性分级的围岩级别,常常出现与实际差别1~影响围岩稳定的因素多种多样,主要是岩石的物理力学性质、构造发育情况、承受的荷载(工程荷载和初始应力)、应力变形状态、几何边界条件、水的赋存状态等。
这些因素中,岩体的物理力学性质和构造发育情况是独立于各种工作类型的,反映出了岩体的基本特性,在岩体的各项物理力学性质中,对稳定性关系最大的是岩石坚硬程度,岩体的构造发育状态、岩体的不连续性、节理化程度所反映的岩体完整性是地质体的又一基本属性。
国内外多数围岩分级都将岩石坚硬程度和岩体的完整程度作为岩体基本质量分级的两个基本因素。
1 国标《锚杆喷射混凝土支护技术规范》围岩分级围岩分级围岩级别的划分应根据岩石坚硬性岩体完整性结构面特征地下水和地应力状况等因素综合确定并应符合表规定。
表围岩分级注1 围岩按定性分级与定量指标分级有差别时一般应以低者为准。
2 本表声波指标以孔测法测试值为准如果用其他方法测试时可通过对比试验进行换算。
3 层状岩体按单层厚度可划分为厚层大于0 5m中厚层0 1~0 5m薄层小于0 1m4 一般条件下确定围岩级别时应以岩石单轴湿饱和抗压强度为准当洞跨小于5m,服务年限小于10 年的工程确定围岩级别时可采用点荷载强度指标代替岩块单轴饱和抗压强度指标可不做岩体声波指标测试5 测定岩石强度做单轴抗压强度测定后可不做点荷载强度测定。
围岩分级的主要影响因素用岩体完整性系数K表示,K可按下式计算:Kv=(V pm/V pr)2()式中:V pm——岩体弹性纵波速度(km/s)V pr——岩石弹性纵波速度(km/s)当无条件进行声波实测时也可用岩体体积节理数J按表定K值。
表 J v与K v对照表岩体强度应力比的计算应符合下列规定:1 当有地应力实测数据时S m= K v f r/σ()式中:S--岩体强度应力比;f--岩石单轴饱和抗压强度(MPa);K--岩体完整性系数;σ--垂直洞轴线的较大主应力(kN/m)。
2 当无地应力实测数据时σ= γH 式中:γ--岩体重力密度(kN/m);H--隧洞顶覆盖层厚度(m)。
地下水对Ⅲ、Ⅳ级围岩当地下水发育时应根据地下水类型水量大小软弱结构面多少及其危害程度适当降级。
断层带对Ⅱ、Ⅲ、Ⅳ级围岩当洞轴线与主要断层或软弱夹层的夹角小于30时应降一级。
2 铁路隧道围岩分级铁路隧道围岩分级及其适用条件目前,我国铁路隧道采用的围岩分级如表所示。
当用物探法测有弹性纵波速度时,可参照围岩弹性纵波速度测定值确定围岩级别。
本分级适用于一般地质情况的隧道,对特殊地质条件的围岩,如膨胀岩、盐岩、多年冻土等需另行考虑。
关于隧道围岩分级的基本因素和围岩基本分级及其修正,可参照内容确定。
表铁路隧道围岩分级注:层状岩层的层厚划分:巨厚层:厚度大于;厚层:厚度大于,且小于等于;中厚层:厚度大于,且小于等于 m;薄层:厚度小于或等于。
各级围岩的物理力学指标各级围岩的物理力学指标标准值应按试验资料确定,无试验资料时可按表选用。
表各级围岩的物理力学指标注:1.本表数值不包括黄土地层;2.选用计算摩擦角时,不再计内摩擦角和黏聚力。
围岩分级的主要因素围岩基本分级应由岩石坚硬程度和岩体完整程度两个因素确定;隧道围岩级别应在围岩基本分级的基础上,结合隧道工程的特点,考虑地下水状态、初始地应力状态等必要的因素进行修正。
注:①围岩岩体为较破碎的极硬岩、较完整的硬岩时定为Ⅲ级;围岩岩体为完整的较软岩、较完整的软硬互层时定为Ⅳ级;②围岩岩体为有些地方的极硬岩、较破碎及破碎的硬岩时定为Ⅳ级;围攻岩岩体为完整及较完整软岩、较完整及3公路隧道围岩分级公路隧道围岩分级围岩级别可根据调查、勘探、试验等资料、岩石隧道的围岩定性特征、围岩基本质量指标(BQ)或修正的围岩质量指标[BQ]值、土体隧道中的土体类型、密实状态等定性特征,按表确定。
当根据岩体基本质量定性划分与(BQ)值确定的级别不一致时,应重新审查定性特征和定量指标计算参数的可靠性,并对它们重新观察、测试。
在工程可行性研究和初勘阶段,可采用定性划分的方法或工程类比方法进行围岩级别划分。
注:本表不适用于特殊条件的围岩分级,如膨胀性围岩、多年冻土等。
围岩分级的主要因素公路隧道围岩分级的综合评判方法采用两步分级,并按以下顺序进行: (1)根据岩石的坚硬程度和岩体完整程度两个基本因素的定性特征和定量的岩体基本质量指标(BQ),综合进行初步分级。
(2)对围岩进行详细定级时,应在岩体基本质量分级基础上,考虑修正因素的影响修正岩体基本质量指标值。
(3)按修正后的岩体基本质量指标[BQ],结合岩体的定性特征综合评判,确定围岩的详细分级。
12岩石坚硬程度定量指标用岩石单轴饱和抗压强度(Rc)表达。
Rc一般采用实测值,若无实测值时,可采用实测的岩石点荷载强度指数Is(50)(50)1注:平均间距指主要结构面(1~2组)间距的平均值。
234岩体完整程度的定量指标Kv、Jv的测试和计算方法岩体完整性指标Kv,应针对不同的工程地质岩组或岩性段,选择有体表性的点、段,测试岩体弹性纵波速度,度应在同一岩体取样测定岩石纵波速度。
按下式计算:Kv=(V pm/V pr)2式中:V pm——岩体弹性纵波速度(km/s)V pr——岩石弹性纵波速度(km/s)岩体体积节理数Jv(条/m3),应针对不同的工程地质岩组或岩性段,选择有代表性的露头或开挖壁面进行节理(结构面)统计。
除成组节理外,对延伸长度大于1m的分散节理亦应予以统计。
已为硅质、铁质、钙质充填再胶结的节理不予统计。
每一测点的统计面积不应小于2m×5m。
岩体值Jv应根据节理统计结果按下式计算Jv=S1+s2+……+Sn+Sk式中:Sn——第n组节理每米长测线上的条数;Sk——每立方米岩体非成组节理条数(条/m3)。
——围岩基本质量指标修正值;BQ——围岩基本质量指标;K1——地下水影响修正系数;K2——主要软弱结构面产状影响修正系数;K3——初始应力状态影响修正系数。
注:σmax为垂直洞轴线方向的最大初始应力。
宜通过室内或现场试验获取,无试验数据和初步分级时,可按表选用(同铁路隧道);表 隧道各级围岩自稳能力判断注:①小塌方:塌方高度<3m ,或塌方体积<30m 3。
②中塌方:塌方高度3~6m ,或塌方体积30~100m 3。
③大塌方:塌方高度>6m ,或塌方体积>100m 3。
4水工隧洞围岩分级 围岩工程地质总评分表围岩工程地质分类表注:1. Ⅱ、Ⅲ、Ⅳ类围岩,当其强度应力比S小于本表规定时,围岩类别宜相应降低一级。
2. 表中:Rb—岩石饱和单轴抗压强度(MPa),Kv—岩体完整性系数,σm—围岩最大主应力(MPa)。
围岩工程地质分类各项因素的评分标准(1)岩石强度评分,见下表。
表岩石强度评分注:1.岩石饱和单轴抗压强度大于100Mpa时,岩石强度评分为30;2.当岩体完整程度与结构面状态评分之和小于5时,岩石强度评分大于20的,按20评分。
(2)岩体完整程度评分,见下表)。
表岩体完整程度评分注:1.当60MPa≥Rb>30MPa,岩体完整程度与结构面状态评分之和大于65时,按65评分;2.当30 MPa≥Rb>15MPa,岩体完整程度与结构面状态评分之和大于55时,按55评分;3.当15MPa≥Rb>5MPa,岩体完整程度与结构面状态评分之和大于40时,按40评分;4.当Rb≤5MPa,属特软岩,岩体完整程度与结构面状态不参加评分;(3)结构面状态评分,见下表。
表结构面状态评分注:1.结构面的延伸长度小于3m时,硬质岩、较软岩的结构面状态评分增加3分,软岩增加2分;结构面的延伸长度大于10m时,硬质岩、较软岩的结构面状态评分减3分,软岩减2分;2.当结构面张开宽度10mm,无充填时,结构面状态评分为0。
(4)地下水状态评分,见下表。
表地下水状态评分注:基本因素评分T'系前述岩石强度评分A、岩体完整性评分B和结构面状态评分C之和。
(5)要结构面产状评分,见下表。
表主要结构面产状评分注:按岩体完整程度分级为完整性差、较破碎和破碎的围岩不进行主要结构面产状评分的修正。
5 Q系统分类(挪威法)Q系统发展历程Q系统是挪威岩土所Barton等人在1971~1974年根据249条隧道工程的实践总结,研究得出的一种将围岩分类与支护设计集于一体的方法。
迄今为止已有3个版本的Q分类与支护建议的图表问世,其中的第三个版本(2004版)是总结世界上2000多条隧道工程实践并以此经验将1992年版本不断完善而得到的,这种方法可以应用于隧道工程的勘察、规划和设计阶段,也可用于隧道施工阶段,它可以通过现场观测,也可以通过对地质岩芯取样的描述计算得到对应的Q值,借此来评价围岩质量的指标。
1974年,挪威地质所等人在249条隧道工程实践的基础上第一次提出隧道围岩分类与支护关系的图表,该表内容相对较少,结构也较为简单,当时的支护手段主要采用网喷混凝土,如图1。
图1 Q 系统围岩分类与支护综合表(1974)1992年,等人根据近1500个永久地下结构物的施工记录整理结果结出了经验设计方法该方法是通过一张综合考虑因素的图来选择隧道支护参数的。
由于在20世纪70年代末,纤维增强喷射混凝土得到大量的应用,并基于这些工程支护的经验,等人对分类与支护图表也作了大量的修改和细化,此时的主要支护手段为纤维增强喷射混凝土。
如图2。
图1 Q 系统围岩分类与支护综合表(1992)2004年出版的《挪威隧道和地下2004年度报告》中给出了第三张分类与支护图表(基于2000条隧道统计结果),如图3所示,该表比1992年的图表更加细化了支护的内容。
图3 Q 系统围岩分类与支护综合表(2004)Q 系统简要用法介绍Q 分类法主要考察围岩结构、完整性和应力情况及其对应的6个参数,通过公式()计算得到Q 值,每一个Q 值都反映所在掌子面处的围岩情况,为了更具有代表性,Q 值可以是一个范围。
但Q 分类法中参数取值也是通过给定性描述赋权值的方法进行,所以在实施中也难免带有人为因素,同时Q 系统建议的比较经济的隧道支护方法,由于种种原因在我国还没有得到有效和推广应用。