工程材料计划申请表(详尽)
- 格式:xlsx
- 大小:10.65 KB
- 文档页数:116
工程类采购项目需求表一、项目概括仁寿县禄加镇撤并建制村畅通工程二、项目内容详见工程量清单及图纸。
三、技术、服务要求1.安全要求:成交供应商应对派往现场的工作人员进行各项安全教育,若因操作不当或人为因素发生安全事故,一切责任概由成交供应商承担。
2.工程质量要求:按采购人提供的有关设计说明相关要求进行施工,符合现行施工质量验收规范中的合格标准。
3.材料质量要求:按要求供应施工材料,所有材料及设备选用满足设计和国家现行相关质量标准要求。
4.施工要求:满足当地政府和建设行政主管部门在招标基准日前发布的安全文明及施工相关要求的规定,并按批准的施工组织设计设施,且符合施工规范及验收标准的相关要求,确保文明施工、安全施工。
5.其他要求:按合同约定进行质保及后续服务。
6.谈判文件未尽事宜由采购人和成交供应商在采购合同中另行协商约定。
7.缺陷责任期:12个月。
四、商务要求1.施工工期:合同签定后70日历天内完成(后续服务、售后服务时间除外)。
2.付款方式:本项目支持预付款,预付款为合同总金额的30%,其余款项按合同约定执行。
工程竣工验收合格后成交供应商需向采购人缴纳合同总金额的3%作为工程质保金(以支票、汇票、本票、转账或者金融机构、担保机构出具的保函等非现金形式提交),在缺陷责任期满后无质量问题一次性无息退还供应商,缺陷责任期满后有质量问题,质保金不予退还。
3.资料要求:验收合格后提供完整的《竣工验收资料》给予采购人备案,若有图纸资料还须提供纸质及电子版。
4.验收标准:成交供应商与采购人应按照《财政部关于进一步加强政府采购需求和履约验收管理的指导意见》(财库[2016]205号)的要求、谈判文件规定的要求和响应文件及合同承诺的内容进行验收。
建筑工程材料采购申请流程随着社会的进步和建筑行业的快速发展,建筑工程材料的采购成为一个非常重要的环节。
为了确保工程质量和进度的顺利进行,建筑企业需要建立一套完善的材料采购申请流程。
下面将介绍建筑工程材料采购申请的详细流程及其各个环节的职责和注意事项。
一、材料需求确认在开始材料采购申请流程之前,首先需要进行材料需求确认。
这一环节由项目经理或工程师负责。
他们需仔细分析和计划所需的材料种类、数量、规格及质量要求,并根据工程进度确定所需材料的采购时间节点。
二、材料商询价确认了材料需求后,建筑企业需要与不同的材料供应商进行询价。
询价环节由采购人员或项目经理执行。
他们需向多家可靠的供应商询问所需材料的价格和供货能力,并详细记录各家供应商的报价、交货时间和质量保证等信息。
三、报价评审和供应商选择在材料商询价完成后,需要进行报价评审和供应商选择。
这一环节由专人或采购团队负责。
他们需要对各家供应商的报价进行综合评估,考虑价格、交货时间、供货能力、质量保证等因素,最终选择一家或多家供应商。
四、编制采购计划和合同在选择供应商后,建筑企业需编制采购计划和合同。
这一环节由采购人员或法务部门负责。
采购计划需要详细列出所需材料的名称、规格、数量、单价等信息,并确定采购时间表。
合同则包括供应商名称、双方权益保障、付款方式、质量标准、违约责任等内容。
五、采购执行与监控采购计划和合同编制完成后,进入采购执行与监控阶段。
这一环节由采购人员和项目经理共同监督执行。
他们需确保按合同要求按时采购所需材料,并对供应商的交货质量进行把控和验收。
如有任何问题或纠纷,要及时与供应商进行沟通并解决。
六、材料变更申请和审核在施工过程中,由于工程变更或设计调整等原因,可能需要对已采购的材料进行变更。
这时,施工单位需要提出材料变更申请,由项目经理进行审核。
审核通过后,再与供应商进行协商并签署变更合同。
七、材料验收与入库当所需材料运抵施工现场时,施工单位需要进行材料验收与入库。
工程项目施工承建方常用申请表开工申请工程名称:XX项目编号:说明:本表用于承建单位进行开始项目实施的申请,一式三份,监理单位、承建单位、业主单位各一份。
表A—2 进度计划报审表总体进度计划报审表工程名称:XX项目编号:说明:1.本表用于承建单位报审项目进度计划,一式二份,监理单位、承建单位各一份。
2.本表应附有报审的进度计划一份。
监理工程师的评审意见以表B—4的形式反馈给业主单位和承建单位。
表A—3分包单位资格审查申请表分包单位资格审查申请表工程名称:XX项目编号:说明:1、表一式三份,监理单位、承建单位、业主单位各一份。
2、本表应附有报审的分包单位的资质、业绩等证明材料,资质要求审查原件。
表A—4方案/计划报审表深化设计方案及施工图纸报审表工程名称:XX项目编号:说明:1、本表用于承建单位报批项目设计、实施等技术、组织方案。
本表一式三份,监理单位、承建单位、业主单位单位各一份。
如果项目有独立的设计单位,此表一式四份,增加设计单位意见。
2、本表应附有报审的方案/计划。
3、监理工程师评审意见以监理专报反馈给业主单位。
表A—5项目设备和材料进场报验单工程报验单工程名称:XX项目编号:说明:1.一式三份,监理单位、承建单位、业主单位各一份。
2.本申请表应附工程环境报告一份。
设备到货/材料进场验收报审表工程名称:XX项目编号:注:本表一式三份,监理单位、承建单位、业主单位各一份。
设备到货清单工程名称:XX项目编号:注:1.本表随设备到货/材料进场验收报审表一并提交;2.如果同一型号设备有多台,序列号栏应列出所有设备序列号;带有显示器的计算机要列出主机和显示器的序列号,其他类同处理;3.进口设备科用海关报关单代替设备合格证明文件,说明书在到货验收是经监理核查后由供货单位保存,待设备移交是一起移交。
供货单位:监理单位:业主单位:交付人:(签字)监理工程师(签字):负责人(签字)日期:日期:日期:材料进场清单工程名称:XX项目编号:注:1.本表随设备到货/材料进场验收报审表一并提交;2.同一批次的材料可用同一个检测报告。
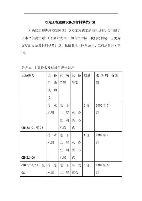
机电工程主要设备及材料供货计划
为确保工程进度控制网络计划及工程施工的顺利进行,我们拟定了本“供货计划”(下页附表8),如有幸中标,我们将制定一份更为详尽的设备及材料供货计划,报请业主(顾问公司、工料测量师)审批。
附表8:主要设备及材料供货计划表
附表8:主要设备及材料供货计划表(续)
附表8:主要设备及材料供货计划表(续)
附表8:主要设备及材料供货计划表(续)
附表8:主要设备及材料供货计划表(续)
附表8:主要设备及材料供货计划表(续)
附表8:设备及主要材料供货计划表(续)
表8:设备及主要材料供货计划表(续)
附表8:主要设备及材料供货计划表(续)
附表8:主要设备及材料供货计划表(续)
附表8:主要设备及材料供货计划表(续)
附表8:主要设备及材料供货计划表(续)
附表8:主要设备及材料供货计划表(续)
附表8:主要设备及材料供货计划表(续)
附表8:主要设备及材料供货计划表(续)
附表8:主要设备及材料供货计划表(续)。
基础工程施工资质申请表一、基本信息1. 企业名称:2. 企业类型:(国有/集体/私营/外资等)3. 注册资本:4. 法定代表人:5. 企业注册地址:6. 联系人:7. 联系电话:8. 营业执照注册号:二、企业资质情况1. 营业执照副本(加盖公章):2. 组织机构代码证副本:3. 企业法人代表身份证件复印件:4. 企业章程或组织机构设置证明文件:5. 税务登记证副本:6. 安全生产许可证(如有):7. 质量管理体系认证证书(如有):8. 人员持证情况表:9. 企业资信证明文件:三、施工项目情况1. 项目名称:2. 项目工程量:3. 工程地点:4. 施工单位名称:5. 项目负责人:6. 联系电话:7. 所属行业资质:8. 项目施工计划:9. 施工合同签订情况:10. 施工队伍及配备情况:11. 施工方案及技术指导文件:四、施工设备及材料1. 施工设备清单:2. 设备购置发票:3. 设备使用及维护记录:4. 施工材料清单:5. 材料购置发票:6. 材料质量检测报告:7. 材料购置合同:五、安全生产及质量管理情况1. 安全管理制度:2. 安全生产责任人:3. 安全生产记录:4. 质量管理制度:5. 质量检测记录:6. 客户投诉处理记录:7. 安全生产及质量管理奖惩情况:六、申请资质理由及说明在此部分,申请单位需要提供基础工程施工资质申请的理由及详细说明,包括企业实力、施工经验、技术能力、安全管理及质量管理情况等方面的资料证明,并说明自己的优势以及对该项目的承诺和信心。
七、其他需要提交的材料1. 申请表格上未列明但具有证明资质的其他相关材料2. 其他需要补充的材料八、申请人签字及日期在此部分,申请单位负责人或授权代表需在申请表的最后签字,并注明日期。
以上是基础工程施工资质申请表的内容范例,申请单位可根据具体情况进行填写和完善。
希望申请单位能够按照规定提交相关资料,真实准确地了解和提供相关资质信息,以便获得基础工程施工资质认证。
《建设工程监理规范》相关表式填写要求《工程建设监理规范》(GB50319-2000)的颁布规范、统一了施工阶段的监理审核和行文工作。
现对施工阶段监理工作的基本表式并结合《建设工程施工合同(示范文本)》(G F-1999-0201)、《建设工程监理委托合同(示范文本)》(GF-2000-0202)提出相关表式填写和审核的建议,供现场监理人员参考。
一、A类表(承包单位用表)(一) A1 工程开工/复工报审表1、表用于开工时,将表头中的“/复工”划掉。
如整个项目一次开工,可只填一次。
一般当一个项目有多个单位工程组成,应分别填写“工程开工报审表”,应当与建设工程质量报监的单位工程个数相呼应,有多少报监子项,就填多少张“工程开工报审表”;2、证明文件应能说明具备开工条件的相关资料,主要应有:①“三通一平” 条件;②施工组织设计(方案)或施工项目管理规划已获得批准;③主要施工机具的到位率和完好率满足开工需要;④主要施工材料的进场和检验已完成,符合施工需要;⑤已建立施工质量保证体系和安全生产管理体系;⑥施工许可证已获政府主管部门批准。
3、本表也用于因各种原因导致的工程暂定的复工申请,此时应将“开工/ ”划掉。
附1的“开工报告”应改为“复工报告”,附1的证明材料应有详尽的具备复工条件的相关资料,首先应列举工程暂停指令的编号及签发单位,当导致暂停的原因是危及结构安全或使用功能的话,整改完成后,应有建设单位、设计单位、监理单位各方共同认可的整改完成文件,其中“建设工程鉴定意见”必须由有资质的监测单位出具;4、审核注意事项:项目经理应当按照协议书约定的开工日期开工。
项目经理不能按时开工,应当不迟于协议书约定的开工日期前7天,以书面形式向工程师提出延期开工的理由和要求。
工程师应当在接到延期开工申请后的48小时内以书面形式答复项目经理。
工程师在接到延期开工申请后48小时内不答复,视为同意项目经理要求,工期相应顺延。
工程师不同意延期要求或项目经理未在规定时间内提出延期开工要求,工期不予顺延。
工程进度款申请表
作为一个工程领域的学者,我深知工程进度款申请表的重要性。
在工程建设中,进度款的申请是一个关键的环节,它不仅直接关系到工程项目的顺利进行,还涉及到各方利益的平衡,需要认真对待。
在编写工程进度款申请表前,我们首先要了解申请进度款的相关规定和流程。
根据国家相关法律法规要求,申请进度款需要提交有关材料,并根据合同约定的进度和质量要求进行审核和评估。
同时,在申请进度款的过程中,我们还需注意合同方的权益以及政府部门的监管。
在编写工程进度款申请表时,我们需要结合实际情况,按照合同约定的进度和质量要求进行评估。
具体而言,我们需要列出工程项目实施的各个阶段,详细说明各个阶段的进度、完成情况、质量等问题,并按照约定好的比例计算出应申请的进度款金额。
同时,在列出申请进度款的详细过程中,我们还需注明各阶段实际耗费的成本和所需要的资金。
除了以上内容,我们还需在进度款申请表中注明各方权益。
比如,我们需要在申请表中注明完成该阶段工作的质量验收情况和结算情况,以及甲方和乙方的权益和出现纠纷的处理方式。
这样可以避免在后期工程建设过程中出现纠纷,保障各方的合法权益。
综上所述,工程进度款申请表是一个十分重要的文书,需要我们掌握相关法律法规和流程,并结合实际情况进行详尽的说明和解释,从而保证工程项目的顺利进行,保障各方的权
益。
在编写申请表时,我们还需注意突出质量问题和合同约定,确保按照约定的质量和进度进行工程建设,防止出现风险和纠纷。
承建单位通用表格目录1、方案/计划报审表2、总体进度计划报审表3、分包单位资格审查申请表4、开工申请5、工程环境报验单6、工程材料/设备/配件报审表7、工程阶段性测试验收(初验/终验)报审表8、复工申请9、质量问题报告单10、阶段支付汇总表11、工程款支付申请表12、工程变更费用申请表13、承建单位申请表(通用)14、设备/材料抽样试验的方法15、设备拷机测试报告16、磁盘或可装载计算机软件的媒介测试报告17、工程变更单18、阶段施工申请表19、分项/分部工程验收报验表20、工程延期申请表21、监理通知回复单22、设备附件资料明细单23、设备开箱检验报告24、合同设备配置及附件核查表25、项目进展定期报告26、设备(软件)安装报验申请表27、设备(软件)安装记录28、设备(软件)调试报验申请表29、设备(软件)调试记录30、系统集成记录31、系统联调报审表32、系统联调记录监理单位通用表格目录1、监理业务联系(通知)单2、不合格工程项目通知3、分项工程检验认可书4、项目进度计划审批表5、延长工期审批表6、索赔审批表7、工程竣工移交证书8、工程部分暂停指令9、复工指令10、工程款支付证书11、开工令12、监理服务款支付申请表13、总监理工程师巡检记录14、变更、洽谈记录15、工程情况说明表16、合同审核表17、设备附件资料明细单18、设备开箱检验表19、批复单20、客户意见反馈表21、集中培训调查问卷22、集中培训效果评估意见表23、工程验收评估意见表24、监理抽检记录25、隐蔽工程验收记录26、监理联系函承建单位通用表格表A-1方案/计划报审表方案/计划报审表说明:1、本表用于承建单位报批项目设计、实施等技术、组织方案。
本表一式三份,监理单位、承建单位、建设单位各一份。
如果项目有独立的设计单位,此表一式四份,增加设计单位意见。
2、本表应附有报审的方案/计划。
监理工程师评审意见可以以附件形式提供。
保温工程施工申请单甲方:(建设单位)乙方:(承担保温工程的承包商)根据《中华人民共和国建筑法》、《建筑工程施工安全生产管理条例》等有关法律法规,为确保建筑工程的质量和安全,甲、乙双方在平等自愿、友好协商的基础上,达成以下协议:一、保温工程的基本情况1.1 建筑名称:1.2 项目地点:1.3 建筑面积:1.4 建筑总高度:1.5 建筑结构形式:1.6 保温材料:1.7 施工计划:1.8 施工费用:(具体金额)二、施工方案及要求2.1 乙方需提供详细的保温工程施工方案,包括保温材料的选择、施工工艺、进度计划等内容,并经甲方审核确认后方可施工。
2.2 乙方需严格按照施工方案进行施工,保证施工质量符合国家相关标准和规定。
2.3 乙方需确保施工过程中的安全,做好施工现场的安全防护措施,避免发生安全事故。
2.4 乙方需按照合同约定的时间节点完成施工任务,保证工程按时交付。
三、施工条件3.1 甲方需提供施工所需的场地、电力、水源等基础设施条件,保障施工的正常进行。
3.2 乙方需遵守当地相关法律法规,取得必要的施工资质和证书。
3.3 甲方需为乙方提供必要的施工图纸和资料,协助乙方开展施工工作。
四、承诺与保证4.1 甲、乙双方保证遵守本协议的约定,诚实守信,共同完成保温工程施工任务。
4.2 如因不可抗力等原因导致工程延期或发生质量问题,应及时协商解决,确保工程顺利进行。
4.3 如有违约行为,责任方需承担相应的法律责任和经济赔偿。
五、合同变更与解释5.1 如需对本协议进行变更,需经双方书面确认后方可生效。
5.2 本协议的解释权归甲、乙双方所有。
六、其他事项6.1 本协议自双方签字盖章之日起生效,至保温工程竣工验收结束之日止。
6.2 本协议一式两份,甲、乙双方各持一份,具有同等法律效力。
甲方(盖章):乙方(盖章):签字:签字:日期:日期:以上内容确认无误,特此申请施工。
保温工程施工单位:(盖章)签字:日期:。
工程材料采购申请报告篇一:工程材料采购申请表工程材料采购申请表合同名称:合同编号: 工程名称:系统名称:篇二:材料申请报告项目名称: 计划编号: 申请人: 审核人: 批准人: 年月日材料采购计划表申请人: 审核人: 批准人: 年月日申请人: 审核人: 批准人: 年月日篇二:关于申请调整材料价差的报告关于申请调整材料价差的报告致:××有限公司事由:要求调整八五多孔砖投标价与市场价之价差××工程是由贵公司投资,我公司承建的一项重要工程。
凭借贵公司的大力支持和密切配合,监理公司的精心指导以及我公司员工的共同努力,我公司现已完成主体结构65%的工程量。
自该工程中标后,我公司立即按照施工组织设计中的要求组建项目班子,把该工程列为我公司在海门地区的重点施工项目,无论在人力资源还是在项目资金的运作上,都给予了全力的保障。
在贵公司与我公司签订的建筑施工合同中,八五多孔砖的预算单价定为0.30元/块。
从2009年11月起,受气候条件和土地资源日趋紧张等因素的共同影响,粘土砖的价格一路飞涨。
截止目前,该材料单价由2009年11月底的0.35元/块上涨到0.42元/块(数次上涨的单价分别为:0.35元、0.37元、0.39元、0.42元/块)。
根据目前市场状况特别是粘土砖存量不断减少的趋势来分析,今后一个时间段该材料价格仍呈上涨趋势已成定局,其价格的飞涨对我公司在本项目施工成本的增加是可想而知的。
面临这个严竣的挑战,我公司没有畏缩,仍然按计划努力组织货源,以确保项目正常施工来让工程早日竣工。
根据本工程投标时的工程量清单分析,八五多孔砖使用量为1766249块。
按照该材料的目前市场价格与合同中的单价进行对比,平均价差为,0.083元/块,今后此差价可能还要增加,就目前测算我公司在本工程中仅此一项就需增加施工成本14.66万元。
我公司虽然理解合约的严肃性,但也恳请贵公司充分考虑市场的真实性和该材料价格的持续上涨给我公司带来的经营压力,从实事求是的角度出发,酌情考虑,合理调整粘土砖的价格。
建筑工程施工许可申请表范本一、申请单位信息申请单位名称:_________________________法定代表人/负责人姓名:_________________联系地址:____________________________联系电话:____________________________电子邮件:____________________________工程名称:____________________________建设地址:____________________________二、工程概况1. 建筑物用途:_________________________2. 建筑规模:_________________________3. 建筑面积:_________________________4. 建筑高度:_________________________5. 建筑层数:_________________________6. 主要结构形式:______________________7. 施工起止日期:______________________8. 施工面积:_________________________9. 施工内容:_________________________三、施工单位信息施工单位名称:_________________________法定代表人/负责人姓名:_________________联系地址:____________________________联系电话:____________________________电子邮件:____________________________施工资质证书编号:_____________________四、设计单位信息设计单位名称:_________________________法定代表人/负责人姓名:_________________联系地址:____________________________联系电话:____________________________电子邮件:____________________________设计资质证书编号:_____________________五、施工人员组织机构与管理1. 施工人员配备情况:___________________2. 安全生产管理措施:___________________3. 质量验收管理措施:___________________六、安全生产及环境保护措施1. 安全生产责任制度:___________________2. 安全技术措施:______________________3. 劳动防护设施:______________________4. 施工现场环境保护措施:_______________七、施工资金及资金来源1. 施工总投资:_______________________2. 资金来源及金额:____________________八、其他需要说明的事项:_____________________以上是建筑工程施工许可申请表的范本,申请人在填写时,应详尽、真实地提供所需信息,并保证申请书内容的合法性和准确性。
建筑材料调价申请书范文(精选4篇)工程材料采购申请报告篇一:工程材料采购申请表工程材料采购申请表合同名称:合同编号:工程名称:系统名称:篇二:材料申请报告项目名称:计划编号:申请人:审核人:批准人:年月日材料采购计划表申请人:审核人:批准人:年月日申请人:审核人:批准人:年月日篇二:关于申请调整材料价差的报告关于申请调整材料价差的报告致:××有限公司事由:要求调整八五多孔砖投标价与市场价之价差××工程是由贵公司投资,我公司承建的一项重要工程。
凭借贵公司的大力支持和密切配合,监理公司的精心指导以及我公司员工的共同努力,我公司现已完成主体结构65%的工程量。
自该工程中标后,我公司立即按照施工组织设计中的要求组建项目班子,把该工程列为我公司在海门地区的重点施工项目,无论在人力资源还是在项目资金的运作上,都给予了全力的保障。
在贵公司与我公司签订的建筑施工合同中,八五多孔砖的预算单价定为0。
30元/块。
从2023年11月起,受气候条件和土地资源日趋紧张等因素的共同影响,粘土砖的价格一路飞涨。
截止目前,该材料单价由2023年11月底的0。
35元/块上涨到0。
42元/块(数次上涨的单价分别为:0。
35元、0。
37元、0。
39元、0。
42元/块)。
根据目前市场状况特别是粘土砖存量不断减少的趋势来分析,今后一个时间段该材料价格仍呈上涨趋势已成定局,其价格的飞涨对我公司在本项目施工成本的增加是可想而知的。
面临这个严竣的挑战,我公司没有畏缩仍然按计划努力组织货源,以确保项目正常施工来让工程早日竣工。
根据本工程投标时的工程量清单分析,八五多孔砖使用量为1766249块。
按照该材料的目前市场价格与合同中的单价进行对比,平均价差为,0。
083元/块,今后此差价可能还要增加,就目前测算我公司在本工程中仅此一项就需增加施工成本14、66万元。
我公司虽然理解合约的严肃*,但也恳请贵公司充分考虑市场的真实*和该材料价格的持续上涨给我公司带来的经营压力,从实事求是的角度出发,酌情考虑,合理调整粘土砖的价格。
A类表(承包单位用表)A1 工程开工/复工报审表A2 施工组织设计(方案)报审表A3 分包单位资格报审表A4 报验申请表A5 工程款支付申请表A6 监理工程师通知回复单A7 工程临时延期申请表A8 费用索赔申请表A9 工程材料/构配件/设备报审表A10 工程竣工报验单B类表(监理单位用表)B1 监理工程师通知单B2 工程暂停令B3 工程款支付证书B4 工程临时延期审批表B5 工程最终延期审批表B6 费用索赔审批表C类表(各方通用表)C1 监理工作联系单C2 工程变更单工程开/复工报审表工程名称:合肥地税大厦工程编号:施工组织设计(方案)报审表工程名称:合肥地税大厦工程编号:002分包单位资格报审表工程名称:合肥地税大厦工程编号:001工程款支付申请表工程名称:合肥地税大厦工程编号:HS0503-01监理工程师通知回复单工程名称:合肥地税大厦工程编号: HFDS02-04工程临时延期申请表工程名称:合肥地税大厦工程编号:费用索赔申请表工程名称:合肥地税大厦工程编号:工程材料/构配件/设备报审表工程名称:编号:工程竣工报告单工程名称:编号:B1监理工程师通知单工程名称:编号:B2工程暂停令工程名称:编号:B3工程款支付证书工程名称:合肥地税大厦工程编号:B4B6费用索赔审批表工程名称:编号:工作联系单工程名称:合肥市地税大厦幕墙工程编号:工程变更联系单工程名称:合肥地税大厦工程编号:HFDS05-0401--------下面红色部分是赠送的工作总结,不需要的朋友可以编辑删除!谢谢行政管理干部个人总结20XX年上半年,在公司的正确领导下,在各科室部门的大力支持下,我按照公司的工作部署和工作要求,严格执行公司的工作方针,围绕中心,突出重点,狠抓落实,注重实效,在自身工作岗位上认真履行职责,做好各项行政管理工作,较好地完成了工作任务,取得了一定的成绩。
现将20XX年上半年个人工作情况总结如下:一、抓好自身建设,全面提高素质我作为一名负责公司行政管理的干部,肩负着公司赋予的重要工作职责,知道自己责任重大,努力按照政治强、业务精、善管理的复合型高素质的要求对待自己,加强政治理论与业务知识学习,把它学深学透,领会在心里,运用到具体实际工作中,以此全面提高自己的政治、业务和管理素质。