初三物理电路图专题
- 格式:docx
- 大小:198.66 KB
- 文档页数:4
初三物理电路图练习题讲解电路图练习题是初中物理学习中的重要内容之一,通过解析电路图练习题可以帮助学生更好地理解电路中的电流、电压和电阻等基本概念。
以下是几道常见的初三物理电路图练习题及其讲解。
一、电路图练习题一如图所示,一个由电源和三个电阻组成的电路,电源的电动势为U,电源内阻为 r,三个电阻的阻值分别为 R1、R2、R3。
求电源两端的总电阻。
解析:根据串联电阻的计算公式,电路的总电阻等于各个电阻的阻值之和,即 RT = R1 + R2 + R3。
二、电路图练习题二如图所示,一个由电源、电阻和灯泡组成的电路,电源的电动势为U,电源内阻为r,电阻的阻值为R。
当灯泡亮时,流过它的电流为I1,当灯泡坏掉熄灭时,流过的电流为 I2。
求灯泡的电阻值。
解析:首先,我们可以根据欧姆定律得到亮时的电阻值为 R1 = U / I1,由于电流 I1 随着电阻的变化不会改变,所以我们可以根据此关系求得电阻R 的大小。
然后,我们可以利用熄灭时的电流 I2 计算出整个电路的总电阻 RT = U / I2。
最后,利用电路的总电阻 RT 和灯泡的电阻值 R1,可以用串联电阻的计算公式计算出灯泡的电阻值 R2 = RT - R1。
三、电路图练习题三如图所示,一个由电源、电阻和电流表组成的电路,电源的电动势为 U,电源内阻为 r,电路的总电流为 I,电流表的内阻为 Rm。
求电流表的示数。
解析:根据电路的总电流和电流表的内阻,可以使用欧姆定律得到电流表的示数 Im = I × (Rm / (Rm + r))。
由于电流表的内阻相对电源的内阻来说很大,在计算过程中可以简化为空载电压。
综上所述,以上是初三物理电路图练习题的讲解。
通过解析这些练习题,可以帮助学生更好地理解电路中的基本概念和计算方法。
希望同学们能够多加练习,提高自己的物理学习能力。
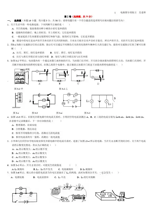
第Ⅰ卷(选择题,共30分)一、选择题(本题10小题.每小题3分,共30分;请将每题只有一个符合题意的选项填写在相应题后的括号内)1.关于生活中的一些电路连接,下列判断不正确的是()A.节日的夜晚,装扮秦淮河畔小树的小彩灯是串联的B.道路两旁的路灯,晚上同时亮,早上同时灭,它们是串联的C.一般家庭的卫生间都要安装照明灯和换气扇,使用时互不影响,它们是并联的D.楼道中的电灯是由声控开关和光控开关共同控制的,只有在天暗并且有声音时才能亮,所以声控开关、光控开关及灯是串联的2.图3-1为路口交通指示灯的示意图。
指示灯可以通过不同颜色灯光的变化指挥车辆和行人的交通行为。
据你对交通指示灯的了解可以推断()A.红灯、黄灯、绿灯是串联的B.红灯、黄灯、绿灯是并联的C.红灯与黄灯并联后再与绿灯串联D.绿灯与黄灯并联后再与红灯串联3.如图3-2甲所示,电冰箱内有一个通过冰箱门来控制的开关,当冰箱门打开时,开关闭合使冰箱内的照明灯点亮;当冰箱门关闭时,开关断开使冰箱内的照明灯熄灭. 在图乙的四个电路中,能正确表示冰箱开门状态下冰箱内照明电路的是()。
图3-2甲图3-2乙图3-1 图3-3 图3-4 图3-54.如图13-3所示,在探究并联电路中的电流关系时,小明同学用电流表测出A、B、C三处的电流分别为I A=0.4A、I B=0.2A、I C=0.2A,在表格中记录数据后,下一步应该做的是()A.整理器材,结束实验B.分析数据,得出结论C.换用不同规格的小灯泡,再测出几组电流值D.换用电流表的另一量程,再测出一组电流值5.小华和几位同学在学校实验室探究并联电路中的电流关系时,连接了如图13-4所示的电路。
当开关S由断开到闭合时,关于两个电流表的示数变化情况,你认为正确的是()A、A1的示数变大,A2的示数不变B、A1的示数变小,A2的示数变大C、A1的示数变大,A2的示数变小D、A1的示数不变,A2的示数变大6.如图3-5所示,开关S闭合时,可能发生的现象是()A. L1被烧坏B. L1、L2均不发光C. 电池被烧坏D. L2被烧坏7.如图3-6所示,粗心的小强把电流表当作电压表接在了L1的两端。
电路图画法专题练习一、根据电路图连接实物图连接实物图注意:①分清用电器的连接方式②明确元件是在干路上还是支路上—③从电源的正极开始,沿电流的方向连,确定好电流分支点和汇合点.......④导线要画在接线柱上,导线绝不能交叉....,<二、根据实物图,画出相应的电路图%<,三、根据要求设计出电路图,并用笔画线代替导线,将各题中的实物连接起来。
进行电路设计时,重点考虑两个问题:一是用电器的连接方式....,根据用电器是否实现独立工作........来确定是串联还是并联;二是看开关的控制作用,确定开关的位置.....。
开关可和用电器串联,也可和用电器并联。
与用电器串联时开关闭合用电器工作,断开不工作,而与用电器并联时是开关闭合用电器不工作(被开关短路),断开工作。
~1、图1中灯泡L1和L2串联,开关控制两灯的通、断。
在虚框内画出电路图、并连接实物图2、图2中灯泡L1和L2并联,开关同时控制两灯的通、断。
在虚框内画出电路图、并连接实物图。
3、图3中灯泡L1和L2并联,开关S1同时控制两灯,开关S2只控制灯泡L2。
在虚框内画出电路图并连接实物图。
|4、图4中灯泡L1和L2并联,S是总开关,S1只控制灯泡L1,S2只控制灯泡L2。
虚框内画出电路图连接实物图。
5、图5中灯泡L1和L2并联,S是总开关,S1只控制灯泡L1,S2只控制灯泡L2。
虚框内画出电路图连接实物图。
6、在图14中灯泡L1和L2并联,S是总开关,S1只控制灯泡L1,S2只控制灯泡L2。
并画出电路图。
|,7、图6中三个灯泡并联,S是总开关,S1只控制灯泡L1,S2只控制灯泡L2。
画出电路图、并连接实物图。
,8、在图13中只接通开关S时,两灯都亮,同时接通S和S1时,L1亮,L2不亮。
并画出电路图)9、图7、图8、图9、图10、图11、图12中两灯并联,S是总开关,S1只控制灯泡L1,请画出电路图,并将所缺的导线补上。
":四、电路设计3、一商品库,后门进货,前门取货.现有红、绿两只灯泡和一个电铃装在一块木板上,另有一个电池组、两个开关(如图),还有若干条导线.利用这些材料,请你为仓库值班人员设计一个电路:电铃响同时红灯亮,表示取货人在前门按开关;电铃响同时绿灯亮,表示送货人在后门按开关.画出你所设计的电路图,并按电路图将图中的元件用笔画线作导线连接起来.。
九年物理第十五章电流和电路专题训练单专题一电路、电路图画法专题训练一、依据电路图连结实物图连结实物图注意:①分清用电器的连结方式②明确元件是在干路上仍是支路上③从电源的正极开始,沿电流的方向连,确立好电流分支点和会合点.......④导线要画在接线柱上,导线绝不可以交错....L1 S2S1 AL2L21SS2L1二、依据实物图,画出相应的电路图画电路图注意:①电路元件符号用一致规定的符号;在拐角处;④、线路要连结到位,不可以断点SL1--++-+L22S-A-++-+②、画的线应横平竖直,呈长方形;③、元件符号不要画L2A3A1L1A2A1三、电路设计进行电路设计时,要点考虑两个问题:一是用电器的连结方式,依据用电器能否实现独立工作来确立是串连仍是并联;............二是看开关的控制作用,确立开关的地点。
开关可和用电器串连,也可和用电器并联。
与用电器串连时开关.....闭适用电器工作,断开不工作,而与用电器并联时是开封闭适用电器不工作〔被开关短路〕,断动工作。
1、图 1 中灯泡 L1和 L2串连,开关控制两灯的通、断。
在虚框内画出电路图、并连结实物图2、图 2 中灯泡 L1和 L2并联,开关同时控制两灯的通、断。
在虚框内画出电路图、并连结实物图。
3、图 3 中灯泡 L1和 L2并联,开关S1同时控制两灯,开关S2只控制灯泡L2。
在虚框内画出电路图并连结实物图。
4、图 4 中灯泡 L1和 L2并联, S 是总开关, S1只控制灯泡L1, S2只控制灯泡L2。
虚框内画出电路图连结实物图。
5、图 5 中灯泡 L1和 L2并联, S 是总开关, S1只控制灯泡L1, S2只控制灯泡L2。
虚框内画出电路图连结实物图。
6、在图 14 中灯泡 L1和 L2并联, S 是总开关,S 1只控制灯泡L1, S 2只控制灯泡L2。
并画出电路图。
7、图 7、图 8、图 9、图 10、图 11、图 12 中两灯并联, S 是总开关, S1只控制灯泡 L1,请画出电路图,并将所缺的导线补上。
一、有关电流表的电路连接专题
1、根据右边的实物连接图,在左边的虚线框内画出对应的电路图。
2、根据右边的实物连接图,在左边的虚线框内画出对应的电路图。
3、根据右边的实物连接图,在左边的虚线框内画出对应的电路图。
4、根据左边的电路图,连接好右边的实物图。
(导线不允许交叉)
5、为探究并联电路中电流的特点(或规律),小明同学设计了如下图左边所示的电路(干路中的电流约为1.2A,支路中的电流约为0.5A)。
请你帮他把下图右边的实物用笔画线代替导线连接起来。
L1
L1
L1
6、画出电路图,并将右边的实物连接好。
要求:L1和L2并联,电流表A1
测通过L2的电流,电流表A2测量通过L1的电流。
(已知A1的示数约为0.8A,A2的示数约为0.9A)
7、画出电路图,并将右边的实物连接好。
要求:L1和L2并联,电流表A1
测通过L1的电流,电流表A2测量通过L2的电流。
8、对照下列电路图(图11)用笔画线代替导线画实物连线图或由实物图(图12)画成对应的电路图.。
九年级物理上册电路专题练习1、在图中所示的电路中,开关S是用来控制_________,开关S1是用来控制_________,开关S2是用来控制_________.2、下面图中两灯连接的电路中不属于并联的是()A、B、C、D、3、用一个电源、一个开关、两个电流表、两个灯泡组成了如图所示的四个电路.其中电流A1能正确测量灯L1的电流的是()A、B、C、D、4、在下图中请你以笔代线将根据甲图中的电路图连接好电路.(其中A1的量程为0~0.6A,A2的量程为0~3A)5、有三盏灯,想把它们连接在一个电路中,要求用与不用每盏电灯都不影响别的电灯,每盏灯都有开关控制,请你计制出这个电路,在下边空白处画出电路图.6、如图所示,当S1、S2断开时,能亮的灯是_________,它们是_________联的;当S1、S2闭合时,能亮的灯是_________,它们是 _________ 联的;当S 1闭合,S 2断开时,能亮的灯是 _________ . 7、某同学照图所示的电路图将实物连接起来,闭合开关S 后,观察电流表读数如下的示数,A1的示数是0.5A ,经过L 2的电流是另一条支路中的两倍. 求:(1)L 2中的电流是多少安培? (2)干路中电流表的读数是多少? (3)两表的量程分别应取多大的量程.8、根据图所示电路,闭合S 后,请回答下列问题. (1)电压表V 1和V 2分别测量的是哪些电灯或哪个电灯的电压?(2)若V 1的读数是2.0V ,V 2的读数是5V ,则L 2两端的电压是多少伏?(3)在图中标出两个电压表的正、负接线柱.图中两电压表的量程是否相同?为什么?9、如图1所示电路,要使灯L 1、L 2组成串联电路,应闭合开关 ;要使L 1、L 2组成并联电路应闭合开关 ,同时闭合 是绝对不允许的。
10、如图3所示,设电压表 、 、 的示数分别为U 1、U 2、U 3,当U 1=3V ,U 2=4.6V ,则U 3= V ,当U 1=30V ,U 3=46V 时,U 2= 。
第Ⅰ卷(选择题,共30分)一、选择题(本题10小题.每小题3分,共30分;请将每题只有一个符合题意的选项填写在相应题后的括号内)1.关于生活中的一些电路连接,下列判断不正确的是()A.节日的夜晚,装扮秦淮河畔小树的小彩灯是串联的B.道路两旁的路灯,晚上同时亮,早上同时灭,它们是串联的C.一般家庭的卫生间都要安装照明灯和换气扇,使用时互不影响,它们是并联的D.楼道中的电灯是由声控开关和光控开关共同控制的,只有在天暗并且有声音时才能亮,所以声控开关、光控开关及灯是串联的2.图3-1为路口交通指示灯的示意图。
指示灯可以通过不同颜色灯光的变化指挥车辆和行人的交通行为。
据你对交通指示灯的了解可以推断();A.红灯、黄灯、绿灯是串联的B.红灯、黄灯、绿灯是并联的C.红灯与黄灯并联后再与绿灯串联D.绿灯与黄灯并联后再与红灯串联3.如图3-2甲所示,电冰箱内有一个通过冰箱门来控制的开关,当冰箱门打开时,开关闭合使冰箱内的照明灯点亮;当冰箱门关闭时,开关断开使冰箱内的照明灯熄灭. 在图乙的四个电路中,能正确表示冰箱开门状态下冰箱内照明电路的是()。
-图3-2甲图3-2乙图3-1 图3-3 图3-4 图3-54.如图13-3所示,在探究并联电路中的电流关系时,小明同学用电流表测出A、B、C三处的电流分别为I A=、I B=、I C=,在表格中记录数据后,下一步应该做的是()~A.整理器材,结束实验B.分析数据,得出结论C.换用不同规格的小灯泡,再测出几组电流值D.换用电流表的另一量程,再测出一组电流值5.小华和几位同学在学校实验室探究并联电路中的电流关系时,连接了如图13-4所示的电路。
当开关S由断开到闭合时,关于两个电流表的示数变化情况,你认为正确的是()A、A1的示数变大,A2的示数不变B、A1的示数变小,A2的示数变大C、A1的示数变大,A2的示数变小…D、A1的示数不变,A2的示数变大6.如图3-5所示,开关S闭合时,可能发生的现象是()A. L1被烧坏B. L1、L2均不发光C. 电池被烧坏D. L2被烧坏7.如图3-6所示,粗心的小强把电流表当作电压表接在了L1的两端。
九年级物理上册电路专题练习1、在图中所示的电路中,开关S是用来控制_________,开关S1是用来控制_________,开关S2是用来控制_________.2、下面图中两灯连接的电路中不属于并联的是()A、B、C、D、3、用一个电源、一个开关、两个电流表、两个灯泡组成了如图所示的四个电路.其中电流A1能正确测量灯L1的电流的是()A、B、C、D、4、在下图中请你以笔代线将根据甲图中的电路图连接好电路.(其中A1的量程为0~0.6A,A2的量程为0~3A)5、有三盏灯,想把它们连接在一个电路中,要求用与不用每盏电灯都不影响别的电灯,每盏灯都有开关控制,请你计制出这个电路,在下边空白处画出电路图.6、如图所示,当S 1、S 2断开时,能亮的灯是 _________ ,它们是 _________ 联的;当S 1、S 2闭合时,能亮的灯是 _________ ,它们是_________ 联的;当S 1闭合,S 2断开时,能亮的灯是_________ .7、某同学照图所示的电路图将实物连接起来,闭合开关S 后,观察电流表读数如下的示数,A 1的示数是0.5A ,经过L 2的电流是另一条支路中的两倍.求:(1)L 2中的电流是多少安培?(2)干路中电流表的读数是多少?(3)两表的量程分别应取多大的量程.8、根据图所示电路,闭合S 后,请回答下列问题.(1)电压表V 1和V 2分别测量的是哪些电灯或哪个电灯的电压?(2)若V 1的读数是2.0V ,V 2的读数是5V ,则L 2两端的电压是多少伏?(3)在图中标出两个电压表的正、负接线柱.图中两电压表的量程是否相同?为什么?9、如图1所示电路,要使灯L 1、L 2组成串联电路,应闭合开关 ;要使L 1、L 2组成并联电路应闭合开关 ,同时闭合 是绝对不允许的。
10、如图3所示,设电压表 、 、 的示数分别为U 1、U 2、U 3,当U 1=3V ,U 2=4.6V ,则U 3= V ,当U 1=30V ,U 3=46V 时,U 2= 。
初三物理电路图专项练习题1. 问题描述及分析在初三物理学习中,电路图是一个重要的概念,通过掌握电路图的基本原理和解题方法,能够帮助学生更好地理解电路中的各个元件及其工作原理。
本文将介绍一些初三物理电路图专项练习题,帮助学生加深对电路图的理解。
2. 串联电路题目2.1 串联电路简介串联电路是指多个电阻、电源等元件依次连接在一起的电路。
在串联电路中,电流将依次通过各个元件,而电阻则按照一定规律相加。
2.2 串联电路题目一题目:如图1所示,一个电阻为R1的电源与电阻为R2的灯泡依次串联连接,请回答以下问题:1) 串联电路中的电流情况如何?2) 如果R1=10欧姆,R2=20欧姆,请计算电路中的总电阻值和通过电路的电流强度。
2.3 串联电路题目二题目:如图2所示,一个电阻为R1的电源与电阻为R2的电阻器依次串联连接,请回答以下问题:1) 串联电路中的电流情况如何?2) 如果R1=5欧姆,R2=15欧姆,请计算电路中的总电阻值和通过电路的电流强度。
3. 并联电路题目3.1 并联电路简介并联电路是指多个电阻、电源等元件同时连接在一起的电路。
在并联电路中,电流将分流通过各个元件,而电阻则按照一定规律进行倒数相加。
3.2 并联电路题目一题目:如图3所示,一个电阻为R1的电源与电阻为R2的灯泡同时与电源相连,请回答以下问题:1) 并联电路中的电流情况如何?2) 如果R1=10欧姆,R2=20欧姆,请计算电路中的总电阻值和通过电路的电流强度。
3.3 并联电路题目二题目:如图4所示,一个电阻为R1的电源与电阻为R2的电阻器同时与电源相连,请回答以下问题:1) 并联电路中的电流情况如何?2) 如果R1=5欧姆,R2=15欧姆,请计算电路中的总电阻值和通过电路的电流强度。
4. 串并联结合电路题目4.1 串并联结合电路简介串并联结合电路是指同时具备串联与并联元件的电路。
在此类电路中,需要根据具体情况综合运用串联和并联的求解方法。
初中物理
一.作图题(共10小题)
1.(2015秋•白银校级期中)19利用如图所示的元件组成电路,要求,①开关S控制两灯;
②开关S1只控制灯L1;③电流表只测通过灯L2的电流.
在方框内按要求画出电路图;(以方框直接当电路的不得分)
用笔画线代替导线连接图中的元件.
2.(2015秋•西秀区校级月考)学校有前门和后门,在前门和后门各有一个开关,在学校保卫科有红、绿两盏灯和电源.要求:前门来人红灯亮,后门来人绿灯亮.
(1)请设计这个电路,在方框内画出电路图,并连接图中的实物电路.
(2)请指出此电路中需改进的地方.
3.(2016•新化县一模)在虚线方框中画出如图实物电路连接的电路图.
5.(2016•兰州校级三模)请在虚线框中画出图所示电路的电路图.
6.(2016•南雄市校级一模)在图甲中,闭合开关后,通过灯泡L l的电流为0.5A,通过灯泡L2的电流为0。
4A.试根据图甲将图乙中的实物用铅笔线表示导线连接起来.
7.(2016•青羊区模拟)如图甲所示的电路中,用电流表测通过L2的电流(约500mA).请用笔画线代替导线按电路图把图乙所示的实物连接起来,连线不要交叉.
8.(2016春•高要市校级期中)根据图甲所示的电路图,用笔画线代替导线,把图乙的实物连接成电路.(要求导线不能交叉)
10.(2016•吉首市校级模拟)按照图1的电路图连接图2的实物.。
九年级物理电路图部分专项练习1.下列器材中属于电源的是()A.电灯B.电饭锅C.发电机D.电视机2.学习了电路的知识后,几位同学在议论电路的知识,下列说法中不正确的是()A.一般的电路是由电源、用电器、开关和导线组成的B.只要能使用电器工作的电路就是一个完整的电路C.在电路中,电源是把其他形式的能转化为电能的装置D.电源的作用是给用电器供电,提供持续的电流3.如图所示,闭合开关后,灯泡能发光的电路是()A.B.C.D.4.关于组成电路的基本元件的作用,下列说法中错误的是()A.电源提供电能B.用电器是将其他形式的能转化为电能C.开关控制电路的通、断D.导线连接各电路元件,是电流的通道5.下列说法不正确的是()A.蓄电池放电时,将化学能转化为电能,是电源B.蓄电池充电时,将电能转化为化学能,相当于用电器C.简单电路中电流方向是从电源的正极流向电源的负极D.电动机是将电能主要转化为机械能的用电器6.如图所示,电路元件及导线连接均完好,闭合开关S 1、S 2,则()A.L 1不发光,L 2能发光B.L 1与L 2都能发光C.L 1能发光,L 2不发光D.L 1与L 2都不发光7.小明在使用手电筒时发现小灯泡不亮,进行检修前,他对造成该现象的直接原因进行了以下几种判断,其中不可能的是()A.开关处出现短路B.小灯泡灯丝断了C.小灯泡接触不良D.电池电能耗尽8.把铜片和铁片分别插入几个水果,并用导线与发光二极管一起连接起来,二极管便发出了光,如图所示,其中插入金属片的水果相当于电路中的()A.电源B.导线C.用电器D.开关9.如图所示电路,开关闭合后,电路处于哪一种状态()A.通路B.短路C.断路D.无法判定10.将两盏灯接在同一电源上,当闭合开关时,它们同时亮;断开开关时,同时熄灭。
则这两盏灯()A.一定串联在电路中B.一定并联在电路中C.串联或并联都有可能D.以上说法都错误11.如图所示电路中,开关能够同时控制两盏灯,且两灯发光情况互不影响的电路是()A.B.C.D.12.一个电路中有两盏电灯L1和L2,则下列判断正确的是()A.若开关断开,两灯同时熄灭,则两灯连接方式一定为串联B.若一盏灯暗,另一盏灯亮,则能判断是串联还是并联C.若测得通过每盏电灯的电流不相等,则两灯的连接方式一定为并联D.若测得通过每盏灯的电流都相等,则两灯的连接方式一定为串联13.老师展示了四个电路图,当开关S 闭合后,灯L 与电阻R 串联的电路图是()A.B.C.D.14.电加热眼罩可以缓解眼睛疲劳,它的工作电路主要由电源、开关S 1、S 2和发热电阻R 1、R 2组成。
初三电路图练习题初三电路图练习题电路图是初中物理学习中的重要内容,它通过图形的方式展示了电路中各个元件之间的连接关系。
掌握电路图的绘制和分析对于学生来说至关重要,因此,本文将为大家提供一些初三电路图练习题,帮助大家巩固和加深对电路图的理解。
1. 单电池单灯泡电路绘制一个单电池单灯泡电路图,并回答以下问题:a) 当电池的正极与灯泡的一端相连时,灯泡是否亮起?为什么?b) 当电池的负极与灯泡的一端相连时,灯泡是否亮起?为什么?c) 当电池的正负极分别与灯泡的两端相连时,灯泡是否亮起?为什么?2. 并联电路绘制一个并联电路图,并回答以下问题:a) 在并联电路中,每个电器的电压是否相同?为什么?b) 在并联电路中,每个电器的电流是否相同?为什么?c) 在并联电路中,如果一个电器损坏,其他电器是否还能正常工作?为什么?3. 串联电路绘制一个串联电路图,并回答以下问题:a) 在串联电路中,每个电器的电压是否相同?为什么?b) 在串联电路中,每个电器的电流是否相同?为什么?c) 在串联电路中,如果一个电器损坏,其他电器是否还能正常工作?为什么?4. 电流的方向绘制一个电池、灯泡和开关的电路图,并回答以下问题:a) 当开关打开时,电流的方向是怎样的?b) 当开关关闭时,电流的方向是怎样的?c) 为什么在电路图中,电流的方向通常从正极流向负极?5. 电阻和电流的关系绘制一个电池、电阻和电流表的电路图,并回答以下问题:a) 当电阻增大时,电流的大小会发生什么变化?b) 当电阻减小时,电流的大小会发生什么变化?c) 为什么电流在电阻中会发生变化?通过以上练习题,我们可以更好地理解和掌握电路图的绘制和分析。
电路图是物理学习中的基础,也是我们日常生活中电器工作原理的重要组成部分。
希望大家能够认真练习,加深对电路图的理解,为今后的学习打下坚实的基础。
初三物理电路图专题 Company Document number:WTUT-WT88Y-W8BBGB-
电路图练习题
1、如图所示的电路中,正确的是 ( )
2、分析右下图所示的实物连接电路,下列说法中正确的是()
A、L1、L2是串联
B、L1、L3是串联
C、L1、L2 、 L3是串联
D、L1、L2 、 L3是并联
3、如图所示的电路中,若要使两灯串联,应闭合开关;若要使两灯并联,就要
闭合开关________。
第3题第2题
4、关于电源短路及其危害,下列说法中正确的是( )
A.短路就是连接电路用的导线很短B.短路没有危害,并且节省导线
C.短路就是电路中没有开关 D.短路时,电源会发热而烧坏
5、如图所示,下列电路中,开关同时控制电灯和电铃的是()
6、请根据左边实物连接的电路图,画出其电路图。
7、如图(7)所示电路,以下说法正确的是 ( )
A.只接通S1灯亮,电铃响 B.只接通S2灯亮,电铃响
C.只断开S3灯亮,电铃响 D.只断开S1灯亮,电铃响
8、如上右图所示,若要A灯亮,B灯不亮,应将开关闭合,若要B灯亮A灯不亮,应将开关闭合,若S2、S3闭合,S1断开,则A灯,B.灯.
9、如图所示的电路中,属于两灯串联的电路是
_______,属于两灯并联的电路是。
10、L1和L2并联,请在图中错误之处打上“×”,加以改正,并在空白处画出正确的电路图。
11、如上右图所示,按电路图用笔画线作导线,将元件连接起来.
12、用线条代替导线,将图20中的电器元件连成电路,并在右边画出电路图。
要求:(1)开关K1只控制电灯L1,开关K2只控制电灯L2;(2)共用一个电池组
13、用线条代替导线,将两节干电池、两个相同规格的电灯泡,一只开关(如图21所示)连成电路,要求使开关同时控制两盏灯,并在右边画出电路图。
14、根据图11—15(a)的电路图,在图11—15 (b)中画出对应的实物连接图.
15、在下左图中,根据实物图,画出相应的电路图.
16、根据右上图所示的实物图,画出电路图.
17、根据图所示,要求Ll、L2并联,S1控制L1,S2控制L2,S3在干路,连线不要交叉,请将图中元件连成电路.
18、将图11—19中的电路元件按电路图连接成实物图. (要求导线不交叉)
19、请把图4-9中的电路元件连成电路图。
要求:S 只控制L1,S2控制干路。
1.首先从正极出发,然后回到负极.
2.2.遇到复杂的电路图,
先按照简单的串联或并联的画法一点一点分解.
3.3.要注意画的导线不能够交叉.
4.4.注意电流表和电路表的区别.
5.5,画完电路图后,自己按照正极出发的方向,走一遍,看看行不行.
6.6.重点注意电表要从正接线柱到负接线柱
7.7.注意电路是否会短路.
1、看实物画出电路图。
2、看图连元件作图。
3、根据要求设计电路。
4、识别错误电路,并画出正确的图。
一般考试就以上四种作图,下面就它们的作图方法详细说明。
(一)看实物画电路图,关键是在看图,图看不明白,就无法作好图,中考有个内部规定,混联作图是不要求的,那么你心里应该明白实物图实际上只有两种电路,一种串联,另一种是并联,串联电路非常容易识别,先找电源正极,用铅笔尖沿电流方向顺序前进直到电源负极为止。
明确每个元件的位置,然后作图。
顺序是:先画电池组,按元件排列顺序规范作图,横平竖直,转弯处不得有元件若有电压表要准确判断它测的是哪能一段电路的电压,在检查电路无误的情况下,将电压表并在被测电路两端。
对并联电路,判断方法如下,从电源正极出发,沿电流方向找到分叉点,并标出中文“分”字,(遇到电压表不理它,当断开没有处理)用两支铅笔从分点开始沿电流方向前进,直至两支笔尖汇合,这个点就是汇合点。
并标出中文“合”字。
首先要清楚有几条支路,每条支路中有几个元件,分别是什么。
特别要注意分点到电源正极之间为干路,分点到电源负极之间也是干路,看一看干路中分别有哪些元件,在都明确的基础上开始作电路图,具体步骤如下:先画电池组,分别画出两段干路,干路中有什么画什么。
在分点和合点之间分别画支路,有几条画几条(多数情况下只有两条支路),并准确将每条支路中的元件按顺序画规范,作图要求横平竖直,铅笔作图检查无误后,将电压表画到被测电路的两端。
(二)看电路图连元件作图
方法:先看图识电路:混联不让考,只有串,并联两种,串联容易识别重点是并联。
若是并联电路,在电路较长上找出分点和合点并标出。
并明确每个元件所处位置。
(首先弄清楚干路中有无开并和电流表)连实物图,先连好电池组,找出电源正极,从正极出发,连干路元件,找到分点后,分支路连线,千万不能乱画,顺序作图。
直到合点,然后再画另一条支路[注意导线不得交叉,导线必须画到接线柱上(开关,电流表,电压表等)接电流表,电压表的要注意正负接线柱]遇到滑动变阻器,必须一上,一下作图,检查电路无误后,最后将电压表接在被测电路两端。
(三)设计电路方法如下:
首先读题、审题、明电路,(混联不要求)一般只有两种电路,串联和并联,串联比较容易,关键在并联要注意干路中的开关和电流表管全部电路,支路中的电流表和开关只管本支路的用电器,明确后分支路作图,最后电压表并在被测用电器两端。
完毕检查电路,电路作图必须用铅笔,横平竖直,转弯处不得画元件,作图应规范。
(四)识别错误电路一般错误发生有下列几种情况:
1、是否产生电源短路,也就是电流不经过用电器直接回到电源负极;
2、是否产生局部短接,被局部短路的用电器不能工作;
3、是否电压表、电流表和正负接线柱错接了,或者量程选的不合适(过大或过小了);
4、滑动变阻器错接了(全上或全下了).。