6.3.15、单位工程坐标定位测量记录
- 格式:xls
- 大小:32.50 KB
- 文档页数:1
工程定位测量记录范本工程定位测量是指在施工前进行的一项关键步骤,主要目的是确保建筑物、设施等在施工过程中能够准确定位和正确定位,最终满足设计要求。
下面是工程定位测量记录范本。
第一部分:项目信息这一部分包括项目名称、委托方、施工单位、项目开始和结束日期等相关信息。
项目名称:_______________委托方:_______________施工单位:_______________项目开始日期:_______________项目结束日期:_______________第二部分:定位测量信息这一部分列出了定位测量的每个步骤和结果,以便后续查询和验证。
1. 建筑位置及它的标高建筑位置:北纬:东经:建筑标高:________m2. 标识点的坐标所有标识点(如墙角)应进行定位并记录其坐标。
在此处精确地标记该点以便在日后建设阶段重复使用。
3. 原始数据测量人员在采用电子仪器和三角测量等技术完成后,在表格中记录数据。
4. 所有检查人员的姓名和签名。
在每行或页尾下方空白处,应列出每个测量人员的姓名和签名、日期进行认证。
5. 特殊说明如果存在任何问题或特定的注意事项,即应进行记录。
第三部分:辅助信息此部分可包含以下条目:1. 测量设备信息列出用于工程定位测量的设备名称、制造商、型号和编号,以便检查其准确性。
2. 精度与误差列出使用的精度和测量仪器,并在表格中记录误差。
3. 参考资料列出使用的参考资料,如建筑图纸或地形图等。
这些资料需要记录其来源、日期和版本。
4. 图像和照片为了方便记录,可以添加现场拍摄的相应照片和图像。
这些照片可以帮助复查、检测、审计验的正确性。
第四部分:结论以上是工程定位测量记录范本。
根据具体情况可以进行必要的调整和更改,以便满足具体项目的测量需求。
在实际操作中,应严格按照现有测量规程进行操作,并进行详细的记录和保存。
这些文件可以作为后期施工的管理依据,确保建筑物、设施的稳定性与安全性。
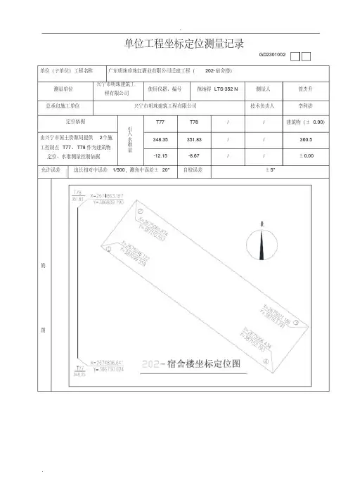
单位工程坐标定位测量记录
GD2301002
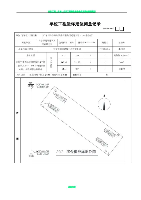
单位工程坐标定位测量记录
GD2301002
单位工程坐标定位测量记录
GD2301002
单位工程坐标定位测量记录
GD2301002
单位工程坐标定位测量记录
GD2301002
单位工程坐标定位测量记录
单位工程、分部、分项工程验收必备条件及验收组织程序
单位工程坐标定位测量记录
GD2301002
单位工程坐标定位测量记录
GD2301002
单位工程坐标定位测量记录
GD2301002
单位工程坐标定位测量记录
GD2301002
单位工程坐标定位测量记录
GD2301002
单位工程坐标定位测量记录
GD2301002
单位工程坐标定位测量记录
GD2301002
单位工程坐标定位测量记录
GD2301002
单位工程坐标定位测量记录
GD2301002。