ZD6型转辙机故障分析及处理
- 格式:doc
- 大小:40.50 KB
- 文档页数:4
ZD6 型电动转辙机学习资料八通线项目部技术组ZD6系列电动转辙机以直流电动机为动力,机械传动方式,利用圆弧锁闭结构,靠挤切销和移位接触器实现挤岔断表示功能。
接点系统采用具有中间位置功能的自动开闭器,电机的过载保护采用带式摩擦联接器。
在多机牵引道岔的第一牵引点使用时,应将挤切销改为连接销,取消移位接触器,并把表示杆改为锁闭表杆,实现双锁闭。
锁闭表示杆的结构有2 种,一种主副表示杆上均有矩形缺口,另一种是呈方棒形,其插入机内部分设有可调的副表示杆。
1—减速器;2—移位接触器;3—挤切器;4—动作杆;5—自动开闭器;6—表示杆;7—端子座;8—电动机电路原理四线制道岔控制电路分为启动电路和表示电路。
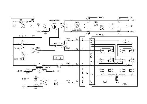
一、启动电路启动电路分三级动作:1DQJ↑→2DQJ转极→接通电动机电路(1)第一级:第一道岔启动继电器1DQJ电路定位向反位单操时励磁电路:KZ →YCJ52-51 →DGJ B2_B1 →1DQJ3-4线圈→2DQJ141_142 →FCJ51-52 →KF 反位向定位单操时励磁电路:KZ →YCJ52-51 →DGJ B2-B1 →1DQJ3-4线圈→2DQJ141-143 →DCJ51-52 →KF (2)第二级:第二道岔启动继电器2DQJ电路定位向反位单操时定位吸起电路:KZ →1DQJ41-42 →2DQJ2-1线圈→FCJ51-52 →KF反位向定位单操时反位打落电路:KZ →1DQJ31_32 →2DQJ3-4线圈→DCJ51-52 →KF(3)第三级:电动机电路定位向反位扳动时电路:DZ220→RD3→1DQJ1-2线圈→YCJF11-12→1DQJ12-11→2DQJ111-113→分线柜F →X2 →自动开闭器11-12→电动机2→电动机3-4→安全接点05-06→X4→分线柜F →YCJF21-22→1DQJ21-22→2DQJ121-123→RD2→DF220反位向定位扳动时电路:DZ220→RD3→1DQJ1-2线圈→YCJF11-12→1DQJ12-11→2DQJ111-113→分线柜F →X1 →自动开闭器41-42→电动机2→电动机3-4→安全接点05-06→X4→分线柜F →YCJF21-22→1DQJ21-22→2DQJ121-122→RD1→DF220二、表示电路定位表示电路:DJZ220→RD4→BB1-2→DJF220BB3→R1-2 →分线柜F →X3→移位接触器04-03 →自动开闭器14-13→自动开闭器34-33→整流二极管Z1-2 →自动开闭器32-31→自动开闭器41→X1→分线柜F →2DQJ112-111→1DQJ11-13→2DQJ131-132→DBJ1-4→BB4反位表示电路:DJZ220→RD4→BB1-2→DJF220BB3→R1-2 →分线柜F →X3→自动开闭器44-43→移位接触器02-01→自动开闭器24-23→整流二极管Z2-1 →自动开闭器22-21→自动开闭器11→X2→分线柜F →2DQJ113-111→1DQJ11-13→2DQJ131-133→FBJ1-4→BB4X1,X2启动和表示共用线X3表示专用线X4启动专用线理论知识1、电动转辙机有哪些基本功能?答:电动转辙机须能可靠地转换道岔,在尖轨与基本轨密贴后,将道岔锁在规定位置,并给出道岔表示。
ZD6转辙设备故障分析及处理ZD6系列电动转辙机ZD6系列电动转辙机供铁路电气集中站场用电力改变道岔开通方向,锁闭道岔,反映道岔的位置状态。
环境温度:-40℃~+70℃;相对湿度:不大于90%(+25℃)振动加速度:不大于10.5g周围环境中无发生爆炸危险,足以腐蚀金属以及破坏绝缘的有害气体和导电尘埃故障1:ZD6系列一、故障现象:转辙机电动机小齿轮与减速器大齿轮咬合过紧,并发出“嘎嘎”的别劲响声1、原因分析(1)直流电机小齿轮在其轴上安装不正。
(2)直流电机与减速器盖安装紧固时,四个紧固螺栓施力不平衡,一侧或一角螺栓紧固过紧,齿轮啮合偏斜。
(3)直流电机前端盖与减速器盖安装配合不平,或止口不好,没有完全下入减速器盖止口槽内。
(4)直流电机小齿轮配键前端长出端头,顶刮减速器盖中间板。
2、处理方法(1)重新找正安装直流电机小齿轮,压装小齿轮时加力适度,安装后的小齿轮平、正良好。
如轴头弯曲过大,应返回检修车间处理。
(2)在直流电机前端盖与减速器盖止口安装平顺的条件下,应对角紧固螺栓,不要一次紧固过紧,在摇动试验良好的情况下,再紧固好四个安装螺栓。
(3)找出直流电机前端盖与减速器盖安装配合面不平处,在简易处理不灵的情况下适当在直流电机前端盖与减速器盖安装配合间加垫一小薄垫片,帮助找正,达到止口配合紧密,齿轮啮合良好为止。
(4)检查直流电机小齿轮固定键,锯或锉出过长部分,使其与轴端面一平。
二、故障现象:调整摩擦电流时,紧固调整弹簧螺栓,但摩擦电流不上升,或将内齿轮伸出端抱死1、故障分析(1)减速器、摩擦联结器、摩擦带与内齿轮伸出端摩擦面有油、造成摩擦力下降。
(2)摩擦带安装螺钉帽高出摩擦带表面,顶住内齿轮伸出端。
(3)摩擦带与内齿轮伸出端接触面上,积留摩擦带金属粉末过多以及内齿轮伸出端摩擦面生锈或摩擦带断钉或折断。
2、处理方法(1)拆下摩擦联结器左右夹板,彻底消除油垢,摩擦带表面也不能有油,以免降低摩擦力。
ZD-6道岔常见故障现象分析一、启动故障①电流表几秒后出现2.0~2.5A →一台转辙机未到位或未动作动:室外故障②电流表开始就出现2.5A 以上→一台转辙机未解锁,原因一般为密贴过紧或工务改道影响1DQJ未吸:3-4有电,更换1DQJ。
3-4无电,按步骤查BHJF接点及配线观察控制台电流表室内故障1DQJ吸起,2DQJ未吸:1-2或3-4有电,更换2DQJ。
无电按步骤查配线不动:室内故障或电缆断线③1线断:反→定前机不动作、无定位表示,回操后恢复反位表示,电流表如①分线盘测1、4;2、4线④2线断:定→反前机不动作、无反位表示,回操后恢复定位表示,电流表如①若无直流220电压则室内电缆断线⑤4线断:定→反、反→定均不能动作,电流表不动,一侧表示回操后恢复故障,有电则电缆故障⑥5线断:反→定后机不动作、无定位表示,回操后恢复反位表示,电流表如①列出电缆断线的故障现象⑦6线断:定→反后机不动作、无反位表示,回操后恢复定位表示,电流表如①二、表示故障1、室外3线断或二极管开路,定反位均无表示,分线盘测得表示电压为:交流>100,无直流电压。
2、室外二极管短路或击穿,定反位均无表示,分线盘测得表示电压为:交流<5V ,无直流电压。
分线盘区分室内外3、电容开路,定反位均无表示,分线盘测得表示电压为:交流10V左右,直流8V左右。
4、电容短路,定反位均无表示,分线盘测得表示电压为:交流55V左右,直流48V左右。
5、DBJ或FBJ开路,定位或反位无表示,分线盘测得表示电压为:交流160V左右,直流150V左右。
6、室内断线(不包括与动作的共用部分),定反位均无表示,分线盘测得表示电压为:交流0V,直流0V。
注:以上所标注的电压由于万用表频率响应的问题均只能使用值班点的FLUKE-187型数字表测试,MF500型及7040均不能作为测试依据。
目录引言 (2)道岔控制电路故障分析及处理 (3)1 区分室内外故障 (3)(1)道岔启动电路的区分 (3)(2)道岔表示电路的区分 (4)2 混线故障分析 (4)(1)X1与X2相混 (4)(2)x1与x2相混 (4)(3)X2与X3相混 (5)(4)X1与X4相混 (5)(5)X2与X4相混 (6)(6)X3与X4相混 (6)结论 (7)参考文献 (7)引言电动转辙机是信号的主要基础设备之一。
由于安装使用条件的原因容易受各种因素的影响,所以发生故障的机会也就相应增多,如何运用科学的维修方法减少使用电动道岔故障成了电务部门压缩设备、缩短故障延时的关键。
此材料包括故障的分析及处理方法和故障分析。
道岔控制电路故障分析及处理————ZD6型转辙机故障分析及处理ZD6型转辙机故障,从结构上可分为电路故障和机械故障;从电路动作程序上可分为启动电路故障和表示电路故障;从设备位置上可分为室内设备故障和室外设备故障;从故障现象上还可分为道岔不能启动、空转和无表示故障三种故障。
按照道岔电路的动作程序,结合控制台上电流指针摆动、挤岔电流鸣响及道岔位置表示灯的变化进行综合分析,逐步缩小故障范围,稳、准、快地处理好故障。
1 区分室内外故障道岔控制电路发生故障时,最关键的就是要区分故障点是在室内还是室外,避免来回跑动,耽误处理故障时间。
(1)道岔启动电路的区分道岔不能启动时,应首先看清控制台现象,必要时还应在分线盘处测回路电阻,以准确区分在室内还是在室外。
当道岔启动电路故障时,可单独操纵道岔,道岔原来位置表示灯不灭,说明1DQJ未励磁;道岔原来位置表示灯熄灭,但是松开单操纵按钮时,单操原来位置表示灯油点亮,说明2DQJ不转极。
上述两种故障现象,可判断故障在室内。
当道岔定、反位表示灯均无表示,且发生挤岔报警时,不能单独操纵道岔,应在分线盘有关端子上册启动电路回路电阻,以区分室内、外故障。
对于四线制道岔来说,X1为定位的启动和表示公用线,X2为反位的启动和表示公用线,X3问哦定、反位表示公用线,X4为定、反位启动公用线。
zd6型电动转辙机道岔控制电路的故障处理一、引言•问题描述•研究目的二、zd6型电动转辙机道岔控制电路概述•电动转辙机道岔控制电路的作用•zd6型电动转辙机道岔控制电路的组成•控制电路工作原理三、故障排除方法1. 检查电源电压•使用电压表测量电源电压•判断电源电压是否正常•若电压不正常,检查电源线路是否受损,修复或更换2. 检查电动转辙机电机•检查电机是否有异响、发热等异常情况•检查电机接线是否正确,排除接线错误的可能性•使用万用表检测电机绕组是否正常,修复或更换受损部分3. 检查控制电路元件•检查电容器、电阻、电感等元件是否正常工作•使用万用表检测元件的阻值、电容等参数•依据检测结果,修复或更换故障元件4. 检查控制信号线路•检查控制信号线路是否受损,修复或更换受损部分•检查信号线路的连接是否正确,排除接线错误的可能性•检测信号线路是否存在短路、开路等问题,修复或更换故障部分四、常见故障案例分析与解决方案1. 故障案例一:道岔无法转换•分析原因:可能是电源电压异常或者控制信号线路断开•解决方案:检查电源电压,修复或更换受损部分,检查并修复控制信号线路2. 故障案例二:电动转辙机电机不工作•分析原因:可能是电机损坏或者接线错误•解决方案:检查电机是否正常工作,修复或更换受损部分,检查并修复接线错误3. 故障案例三:控制电路元件损坏•分析原因:可能是元件老化或者受到外界因素损坏•解决方案:检查元件是否正常工作,修复或更换受损部分,保护电路免受外界因素损坏4. 故障案例四:控制信号线路短路或开路•分析原因:可能是信号线路受到损坏或者接线错误•解决方案:检查信号线路是否断开或短路,修复或更换受损部分,检查并修复接线错误五、结论•zd6型电动转辙机道岔控制电路的故障处理过程•故障排除方法的有效性•对于常见故障案例的解决方案的总结参考文献•文献1•文献2•文献3。
ZD6转辙设备道岔故障处理程序一、ZD6转辙设备道岔机械故障的判断及处理方法(1)不解锁空转不解锁空转最明显的特征是齿条块不动。
道岔有32.9°的锁闭量,即齿轮要转动32.9°才能带动齿条块动作。
齿轮转动小于这个数值而发生的空转称之为不解锁空转。
这个现象又分为两个过程,当齿轮转动10.2°时,先动的动接点要变位。
先动的动接点变位之前发生的空转原因有:①摩擦电流偏小;②动接点轴锈蚀;③检查柱与表示杆缺口相卡;④主轴轴套锈蚀后“燃轴”;⑤锁闭圆弧与齿条块缺油。
(2)解锁空转解锁空转指齿轮转动32.9°后发生的空转。
①齿条块不动。
原因是齿轮与齿条块不吻合或它们之间有异物卡阻。
②齿条块能动,密贴杆空动距离未完成(《铁路信号维护规则》规定:密贴杆空动距离小于5mm)。
原因之一是道岔不方正,密贴杆轴套的中心线与挡架的中心线不在一条直线上而卡住;原因之二是箱内卡阻。
③齿条块带动密贴杆能完成空动距离,但尖轨不动。
其原因一般为密贴压力过大或基本轨有“肥边”。
当发生尖轨能动,道岔转换不到底故障,其原因有三:一是摩擦电流偏小,二是摩擦阻力偏大,三是有异物卡阻。
前两种原因可通过适当加大摩擦电流处理(注意,防止过大烧熔断器,其值应在《铁路信号维护规则》规定的技术标准范围之内)。
摩擦阻力过大一般为滑床板清扫不良,尖轨“吊板”或短尖轨的尾部轨端无缝及接头螺栓过紧等。
如果存在异物卡阻,又不能直观发现,就要区分是箱内还是箱外。
这里介绍三种方法:其一,手摇转辙机直至空转,突然松开手摇把,手摇把有明的反转,外部卡阻的可能性大,因为尖轨卡阻后受力变形,松开摇把,尖轨有“复原”的过程而带动摇把反转。
如果手摇把无明显反转,则尖轨尖端部位与箱内卡阻的可能性大。
而尖轨尖端部位有卡阻一般比较直观。
其二,调整密贴杆动程,道岔空转时尖轨与基本轨的密贴程度随调整变化,属箱内卡阻;密贴程度不随调整变化,属箱外卡阻。
一)ZD6系列电动转辙机简单故障分析处理与日常维护(以ZD6-D型为例)一.概述1.1 用途:是用于铁路电气集中站场用来改变道岔开通方向,琐闭道岔尖轨,反映道岔尖轨位置状态的设备。
1.2 主要技术指标1.2.1 工作环境:1.2.2 型号及分类ZD6-**/*:其中Z代表转辙机D代表电动6代表设计顺序号第一个*代表派生顺序号第二个*代表动作杆动程第三个*代表额定转换力1.2.3 主要技术参数型号ZD6-D165/350,额定转换力3430N,动作杆动程165mm,表示杆动程135-185 mm,转换时间≤5、5秒,工作电流≤2A,主副销抗挤力均为29420±1961N,表示杆抗挤力14700-17600 二.整机结构及传动原理2.1 结构ZD系列电动转辙机,由电动机、减速器、自动开闭器、主轴、动作杆、表示杆、底壳、机盖、移位接触器等组成。
(厂家不带配线,E型机无移位接触器)2.2ZD-6系列电动转辙机传动原理(动作杆在拉入状态,1、3闭合动作杆向右移动)来自道岔控制电路的电流经由自动开闭器第一排接点接至电动机(启动电路)使电动机按逆时针方向旋转,输出轴与主轴通过启动片连在一起由输出轴带动主轴一起旋转在主轴旋转过程中可完成电路的转接及机械的解锁、转换、锁闭等动作。
2.3转辙机主要部分的技术特点2.3.1转辙机的电机、减速器、自动开闭器、主轴等部分可以单独拆卸互不影响以便维修2.3.2其中减速器和自动开闭器的底脚都开有限位槽,以保证它们固定在底壳内与主轴的中心线同心,安装后不需调整其左右位置2.3.3整机安装尺寸为360×610毫米,四底脚安装孔直径为422毫米,动作杆及表示杆中心距底脚基面高为50毫米2.3.4所有道岔安装装置与拉杆都是根据这些尺寸来确定的,在现场实地安装有正装(右开)和反装(左开)两种装法,出厂时均为正装状态。
如需反装可将动作杆、表示杆倒换方向。
所谓左开、右开均为从电机处看其两杆伸出方向而定。
ZD6转辙设备故障分析及处理ZD6系列电动转辙机ZD6系列电动转辙机供铁路电气集中站场用电力改变道岔开通方向,锁闭道岔,反映道岔的位置状态。
环境温度:-40℃~+70℃;相对湿度:不大于90%(+25℃)振动加速度:不大于10.5g周围环境中无发生爆炸危险,足以故障1:ZD6系列一、故障现象:转辙机电动机小齿轮与减速器大齿轮咬合过紧,并发出“嘎嘎”的别劲响声1、原因分析(1)直流电机小齿轮在其轴上安装不正。
(2)直流电机与减速器盖安装紧固时,四个紧固螺栓施力不平衡,一侧或一角螺栓紧固过紧,齿轮啮合偏斜。
(3)直流电机前端盖与减速器盖安装配合不平,或止口不好,没有完全下入减速器盖止口槽内。
(4)直流电机小齿轮配键前端长出端头,顶刮减速器盖中间板。
2、处理方法(1)重新找正安装直流电机小齿轮,压装小齿轮时加力适度,安装后的小齿轮平、正良好。
如轴头弯曲过大,应返回检修车间处理。
(2)在直流电机前端盖与减速器盖止口安装平顺的条件下,应对角紧固螺栓,不要一次紧固过紧,在摇动试验良好的情况下,再紧固好四个安装螺栓。
(3)找出直流电机前端盖与减速器盖安装配合面不平处,在简易处理不灵的情况下适当在直流电机前端盖与减速器盖安装配合间加垫一小薄垫片,帮助找正,达到止口配合紧密,齿轮啮合良好为止。
(4)检查直流电机小齿轮固定键,锯或锉出过长部分,使其与轴端面一平。
二、故障现象:调整摩擦电流时,紧固调整弹簧螺栓,但摩擦电流不上升,或将内齿轮伸出端抱死1、故障分析(1)减速器、摩擦联结器、摩擦带与内齿轮伸出端摩擦面有油、造成摩擦力下降。
(2)摩擦带安装螺钉帽高出摩擦带表面,顶住内齿轮伸出端。
(3)摩擦带与内齿轮伸出端接触面上,积留摩擦带金属粉末过多以及内齿轮伸出端摩擦面生锈或摩擦带断钉或折断。
2、处理方法(1)拆下摩擦联结器左右夹板,彻底消除油垢,摩擦带表面也不能有油,以免降低摩擦力。
(2)拆下摩擦联结器左右夹板,重新紧固摩擦带安装螺钉,使螺帽低于摩擦带表面2mm左右。
ZD6转辙机常见故障处理方法
一、启动部分故障
1、道岔不落锁,(通过控制台或检测曲线可以判断)故障在室外。
检查尖轨与基本轨间是否有异物,滑床板是否摩卡,各种杆类与螺栓间是否松动及摩卡。
2、电机空转,道岔不转换。
检查转辙机内部齿条是否有异物、消尖齿与锁闭圆弧间缺油造成转辙机不解锁。
故障电流低摩擦带进油。
3、分线盘启动瞬间有电,电机不转。
检查室外开闭器、启动接点、电机线及电缆是否断线。
4、室内启动电路不动。
检查启动铅丝是否熔断及控制台道岔操纵按钮常闭接点是否断开。
5、1DQJ保持不住2DQJ不转极,换1DQJ、2DQJ。
二、道岔表示故障
1、在分线盘测表示电压,定位(X1、X3)反位(X
2、X3)有110V交流,去室外查找。
检查开闭器接点是否打落,不落调锁口;接点落下正常检查接点及移位接触器接触是否良好。
2、分线盘无表示电压,检查表示铅丝及变压器插接是否良好。
3、雷雨季节道岔突然断表示重点检查整流匣。
三、相关测试标准道岔表示继电器电压:27-37V。
轨道交通ZD6型电动转辙机的故障分析与处理在我国城市轨道交通车辆段/停车场都广泛使用了ZD6型电动转辙机,而其故障的频发一直困扰着广大信号维护人员。
本文分析了造成ZD6型电动转辙机故障的影响因素,提出了相应的预防处理措施;为应对突发紧急事件,提炼出了ZD6型电动转辙机室外机械故障的应急查找方案。
标签:ZD6型电动转辙机;减速器;摩擦联结器1 引言随着近年来城市轨道交通的迅猛发展,在其车辆段/停车场均大量使用着ZD6型电动转辙机。
在历年的信号故障统计表明,ZD6型电动转辙机的故障率居高不下[1],影响了行车安全以及运输效率的提高。
2 常见故障的影响因素分析2.1 直流电动机常见故障的影响因素分析(1)电动机不转动。
原因:①电动机转子或定子断线,引线端子假焊;②碳刷与转向器接触不良。
(2)电动机火花过火。
原因:①碳刷与换向器接触不良;②刷握松动,或碳刷与刷握配合不良;③碳刷压力不达标;④换向器偏心或刷握角度不达标;⑤换向器里面有油垢,碳粉过多或云母片凸出;⑥碳刷腐蚀或磨损程度不一致,受到压力不均匀。
(3)绝缘电阻下降。
原因:①受环境影响;②绝缘材料在长期使用下,造成绝缘下降;③碳粉过多,清扫不良,造成绝缘下降。
2.2 减速器常见故障的影响因素分析(1)更换减速器后不能转动。
原因:安装电动机后左上角8mm螺丝过长顶住大齿轮。
(2)减速器安装后噪音过大。
原因:减速器大齿轮损伤或有杂质,更换时不注意,造成电机齿轮损伤。
(3)减速器抱死。
原因:①轴承损坏;②内齿轮锈蚀严重,与减速壳抱死,摩擦连接器不起作用,易造成电动机烧毁。
2.3 摩擦联结器的影响因素分析(1)在不同的温度条件下,摩擦制动板、摩擦带、转轴的膨胀系数不同,导致摩擦电流产生偏差。
(2)在不同的湿度条件下,摩擦带的受潮、转轴的生锈均能导致摩擦系数产生变化[2]。
(3)注油不当,使摩擦带有油,使摩擦联结作用减小甚至失效。
(4)弹簧外端的调整螺母松动,导致摩擦电流下降。
第五章 ZD6型道岔故障应急处理程序及标准一、ZD6型道岔常见设备故障现象1、ZD6电动转辙机故障,从动作层次上可分为:启动故障和表示故障。
2、ZD6电动转辙机故障,从结构上可分为:电气故障和机械故障。
二、ZD6型道岔发生故障时,应急处理基本程序1、登记停用,请求车站改变进路。
2、迅速判断地点(室内外)和故障性质(空转、不转或断表示),室外人员出动。
⑴、分线盘测试和判断①启动电路a测试启动电压是否送出。
②表示电路a交流0V,直流0V,室内断线无表示电源输出(注意与室外混线的区别)。
b交流110V左右,直流0V,室外表示电路断线。
⑵、室内故障处理a测试变压器有无电压输出。
b观察1DQJ、2DQJ动作是否正常。
c检查熔丝、断路器。
⑶、室外故障处理①道岔不转或转不到位a测试电机端子是否有电。
若无电,检查安全接点和启动接点,利用尖嘴钳等工具夹住接点作操纵试验;若有电,拨动电机转子,拧紧电机炭刷作操纵试验。
b更换电机。
c检查减速器、自动开闭器等部件。
②道岔空转a检查机械部分是否卡阻、启动接点是否断开。
b适当敲击尖轨或动作杆,滑床板注油。
c调整密贴。
③道岔断表示a检查是否卡缺口。
b检查二极管。
c检查移位接触器,若移位接触器有问题则必须检查挤切销。
d测试表示电路电压,检查各组表示接点。
④如果确定是启动电路故障,迅速向调度申请手摇把命令,使用手摇把把道岔摇至行车所需位置,注意:此时不得人为沟通道岔表示。
3、采取临时措施恢复设备使用后,必须尽快查找原因、更换不良器材,按标准彻底修复设备。
三、造成ZD6型道岔故障的原因(以计算机联锁为例)1、ZD6道岔启动故障应急处理作业程序(室内部分)2、ZD6道岔启动故障应急处理作业程序(室外部分)3、ZD6道岔表示故障应急处理作业程序(室内部分)4、ZD6道岔表示故障应急处理作业程序(室外部分)。
浅谈ZD6 型转辙机的故障检测与故障处理在铁路及城市轨道交通线路中,道岔是使车辆从一股道进入到另一股道的线路设备。
道岔区段设备相对比较复杂,轨距相对标准较宽,且存在死区,是轨道中的薄弱环节之一。
转辙机是负责完成道岔定位、反位转换的重要机电设备。
对转辙机的检测与故障处理铁路或城市轨道交通中运营维护部门重要的工作内容,及时的故障排除为安全运营提供了保障。
1 ZD6 转辙机概述1.1 结构ZD6 型转辙机主要由电动机、减速器、自动开闭器、表示杆、主轴、齿条块、齿轮、动作杆、移位接触器、安全触点及相应的接线端子与电路组成。
电动机是转辙机的核心组成部分,直接为道岔转换提供动能。
直流电动机采用的是DZG 系列,额定电压160V,额定电流2A,转速2400r/min。
在转辙机中,电机是提供动能的核心设备。
要求其要有较大的起动转矩,以克服尖轨与滑床板之间的静摩擦。
通常采用直流可逆、串激电动机。
通过室外转辙机控制电路,将道岔控制电源DZ220V、DF220V 电压经过自动开闭器的接点系统送至电动机,定子线圈串激励磁,转子线圈带动机轴旋转,电路方向不同,旋转方向不同。
电动机通过传动系统,带动道岔转换位置,锁闭后通过自动开闭器接点系统切断控制电源。
减速器分为两级,一级是行星传动式减速,一级是小齿轮带动大齿轮。
其作用主要是降低转速,提高转矩。
摩擦连结器的主要作用是调整摩擦电流。
摩擦电流 2.3-2.9A,其值过小会造成转辙机无法正常转换或锁闭,其值过大失去对电机的保护作用。
通过调整摩擦带上的弹簧螺母的松或紧即可调整摩擦电流的大小,紧时摩擦电流增大,松时减小。
自动开闭器的动接点随机件动作,与静接点配合自动实现开关作用,随着道岔的转换,正确地接通与断开电动机电路及表示电路。
转换锁闭装置主要由所闭齿轮和齿条块组成,其作用是将转动转变成平动,通过挤切削连接动作杆,构成机械内部锁闭。
表示杆与尖轨连接,通过调整缺口位置,使得道岔到达锁闭位置时,缺口正好运行至自动开闭器检查柱的下方,使检查柱落入其缺口内,从而带动接点转换,接通道岔表示电路。
ZD6型转辙机易发生故障点分析及处理方法摘要:ZD6型电动转辙机广泛应用于国家铁路、城市轨道交通、地方铁路,它的用途是改变道岔开通方向,锁闭道岔,反映道岔的位置状态。
神朔铁路公司是我国西煤东运第二条大通道,全长260余公里,神朔铁路全线共有1469台转辙机,随着公司运量逐年增加,使转辙机动作次数大幅增多,相应的对设备检维修提出了更高的要求,本文就对于ZD6型电动转辙机内部已发生故障点,以及发生故障时使用的处理方法,作出具体分析,以供参考。
关键字:ZD6型转辙机;故障点分析;故障处理方法引言:ZD6电动转辙机维修和故障处理方法是现场维修人员必须掌握的基本技能。
因此掌握电动转辙机的内部构造及部件特性,便于对故障进行及时卡控,不断缩小故障的范围,确定故障原因和位置,快速准确的处理利好故障。
1 ZD6电动转辙机的工作原理转辙机是道岔的重要组成部分,通过减速器将电动机输出的高转速、低转矩的机械能,转变成低转速、大转矩的机械能,以适应转辙机末级转换道岔的需要。
它提供动力可靠地转换道岔位置,改变道岔开通方向,锁闭道岔尖轨,反映道岔位置。
1.1、ZD6型型电动转辙机结构组成整机主要有9大部件组成,分别是:机壳、齿条块、动作杆、主轴、移位接触器、开闭器、减速器、电机、表示杆。
2 ZD6型电动转辙机易发生故障点及常见故障分析2.1减速器更换主要原因及分析如下:2.1.1摩擦电流调整不到位;摩擦电流调整不到位在减速器故障更换中占比最高,通过近几年数据分析约为80%,主要表现在摩擦电流调整时单边或定反位电流均达不到工作技术参数。
故障减速器原因分析:经对故障减速器的摩擦联结器拆解,多为摩擦带油污严重,造成摩擦联结器失效;少数为摩擦联结器受潮,造成摩擦联结器失效。
故障减速器处理办法:更换新的摩擦联结器摩擦带,目前摩擦带主要有两种,分别是石棉摩擦带和合金摩擦带。
更换后95%的减速器可重复使用。
摩擦联结器失效的预防措施:1)减少对速动片、启动片的注油量。
ZD6电动转辙机的维修和故障处理分析摘要:zd6电动转辙机是应用最多的一种转辙机,常见于国家铁路、地方铁路和城市轨道交通上,对我国铁路事业的发展具有重要意义。
但在实际应用过程中,受各种因素的影响,zd6电动转辙机存在许多故障问题,这些问题的出现,给zd6电动转辙机的应用质量带来不良影响,因此,必须找出故障问题,并制定解决措施进行处理,进而延长使用寿命。
文章主要分析了zd6电动转辙机的维修和故障问题,制定相应的处理方法。
关键词:zd6电动转辙机;维修;故障处理zd6电动转辙机主要用途是改变道岔开通的方向、反映道岔位置状态及锁闭道岔等,是当前用途最广的转辙机,常见于国家铁路、地方铁路和城市轨道交通上。
一般zd6电动转辙机适合应用在时速为120km/h的复式交分道岔与普通单开道岔,它能够单机牵引道岔,也可以利用型号不同的转辙机互相配合完成双机牵引道岔,进而实现达到道岔效果的目的。
一、zd6电动转辙机的工作检查(一)定期巡视1、定期检查设备是否受到外界影响与异状干扰,基本轨和斥离尖轨两者之间是否存在异物和破损情况。
然后,巡查道岔密贴的状态,确保尖轨、翼轨、基本轨和心轨的竖切没有肥边,保证尖轨运行时没有发出异常响声,需要注意的是,密贴调整杆、表示拉杆和枕木、道岔之间的间隙应控制在10mm内。
2、检查道床是否平整,保证列车过道时转辙机的起伏在规定范围范围之内,控制在10mm最为适宜。
同时,确定安装的紧固件、开口销、动作杆防松螺母、连接销及表示杆没有脱落与松动的迹象。
3、使用润滑油润滑转辙机动作杆、安装装置的各个连接销和表示杆之间的摩擦面,同时,对车务人员进行询问,全面了解掌握设备使用的情况。
除此之外,转辙机在工作期间,适当增加检查转辙机次数,确保转辙机内部工作正常运行。
(二)季检查首先,根据相关标准要求对各项内容进行巡视,检查每个连接头和销轴之间的旷量,确保两者之间的距离控制在1mm以内;然后,检查电动操作转辙机中尖轨第一牵引点与心轨第一牵引点中的铁板,确保锁闭齿轮和齿条块没有锁闭,并且没有连接转辙机内表示的接点;最后,对钢轨、尖轨固定螺栓和杆件的绝缘性能进行检查测试,可每季度进行一次检查。
ZD6型电动转辙机故障处理摘要:电动转辙机是重要的信号基础设备,目前,我国使用的较多的电动转辙机是ZD6型。
ZD6型电动转辙机工作性质对运输能力有着直接影响。
因此,一定要保证ZD6型电动转辙机正常工作。
但是在实际工作中,ZD6型电动转辙机会出现很多故障,从而影响了ZD6型电动转辙机的正常运行以及工作效率,为此,本文提出了几点ZD6型电动转辙机故障处理方法。
关键词:ZD6型电动转辙机;故障;处理方法1.引言在我国电动转辙机中,ZD6型是主要的一种,在全路连锁道岔中装备率达95%以上,促进了我国铁路运输的发展。
ZD6型电动转辙机与世界先进的比,区别主要表现在:(1)对于重型道岔发展的需要是不能满足的,这是由于其驱动功率较小。
(2)ZD6型电动转辙机缺少交流系列,主要采用直流电动机,从而导致故障较容易发生。
(3)摩擦联结器摩擦力不稳定,也会导致故障发生,例如道岔转换不到位等。
(4)锁闭机件强度弱,动作杆疲劳断裂故障容易发生,这样使得高速行车安全不能得以保证。
2. ZD6型电动转辙机故障分析(1)电动机出现的故障。
转子发生断格故障,例如,电动机在炭刷位置上就无法工作;炭刷在刷握中适度不合适,过松或者过紧,从而使电动机就会产生很大的火花或者根本无法启动。
(2)减速器出现的故障。
摩擦电流受温度和湿度的影响。
据经验得出,在冬季时,摩擦电流增大;在夏季时,摩擦电流减小。
摩擦带有油质或内齿轮伸出端锈蚀比较严重,从而使得摩擦电流发生变化。
由摩擦带连接的自身结构导致摩擦电流偏差超限。
(3)自动开闭器出现的故障。
首先,对于第二次变位,开闭器是无法实现的。
检查柱和开闭器座孔缺油而产生干摩擦,使检查柱不落槽。
工务在转辙机在锁闭位置时没有通知电务人员配合,拐轴在道岔结合部作业时由于外力作用而发生变形。
其次,动接点受到列车震动等原因的影响而使得螺钉上的紧固螺母松动,从而使调整螺钉也跟着松动,造成连接销脱出,在接点座平面上卡死。
Z D6型转辙机故障分析及处理摘要一、ZD6转辙机是用以转换道岔的设备,每一道岔设一台转辙机,安装在道岔尖轨处。
它的基本功能是:1.改变道岔的位置,即根据操纵人员意图转于定位或反位;2.正确的反映道岔的位置,即道岔尖轨密贴于基本轨后,才能有相对应的表示;3.道岔转到正确位置后,实行机械锁闭,防止外力转动道岔。
4.道岔被挤或因故在四开位置时,也应及时有报警表示。
5.ZD6型采用内锁闭方式。
ZD6型的道岔附件主要有密贴调整杆、表示连接杆、连接尖轨的方钢和尖端杆以及放松卡、象鼻铁等。
二、主要组成是由:电动机、减速器、摩擦联结器、自动开闭器、主轴、动作杆、表示杆、移位接触器(用于挤岔电路中)、底壳及机盖等部分组成。
关键词:ZD6、转撤机、相混参考文献:车站自动控制:王永信、喻喜平铁道论坛网道岔控制电路故障分析及处理————ZD6型转辙机故障分析及处理ZD6型转辙机故障,从结构上可分为电路故障和机械故障;从电路动作程序上可分为启动电路故障和表示电路故障;从设备位置上可分为室内设备故障和室外设备故障;从故障现象上还可分为道岔不能启动、空转和无表示故障三种故障。
按照道岔电路的动作程序,结合控制台上电流指针摆动、挤岔电流鸣响及道岔位置表示灯的变化进行综合分析,逐步缩小故障范围,稳、准、快地处理好故障。
1. 区分室内外故障道岔控制电路发生故障时,最关键的就是要区分故障点是在室内还是室外,避免来回跑动,耽误处理故障时间。
(1)道岔启动电路的区分道岔不能启动时,应首先看清控制台现象,必要时还应在分线盘处测回路电阻,以准确区分在室内还是在室外。
当道岔启动电路故障时,可单独操纵道岔,道岔原来位置表示灯不灭,说明1DQJ未励磁;道岔原来位置表示灯熄灭,但是松开单操纵按钮时,单操原来位置表示灯油点亮,说明2DQJ不转极。
上述两种故障现象,可判断故障在室内。
当道岔定、反位表示灯均无表示,且发生挤岔报警时,不能单独操纵道岔,应在分线盘有关端子上册启动电路回路电阻,以区分室内、外故障。
ZD6电动转辙机的维修和故障处理转辙机是电气集中联锁的主要设备之一,其中ZD6较为普遍。
原因就是结构简单,动作快捷。
那么ZD6电动转辙机是怎么维护的呢?又是怎么提高使用寿命的呢?它主要是通过我们信号工对它的结构和技术标准了解来维护使用寿命的。
下面我介绍一下ZD6的结构是由那些部分组成的及技术标准是什么。
ZD6电动转辙机主要由电动机,减速器,摩擦连接器,自动开闭器,主轴,动作杆,移位接触器,底壳及机盖组成。
电动机是在额定电压160V,额定电流2A.并通过接线端子从而产生转动。
减速器是把电动机的高转速降低以提高转矩,便于转换道岔。
摩擦连接器是依靠摩擦力使内齿轮给以外齿轮一个反作用力,使外齿轮在摆动式运动中旋转,带动输出轴,主轴,锁闭齿轮转动,从而带动道岔转换。
摩擦连接器在道岔正常转动时摩擦连接器不空转,道岔转换终了时,电动机应稍有空转。
道岔因故不能转换到位时,摩擦连接器应空转。
摩擦连接器弹簧应调在规定电流条件下,相邻弹簧圈最小间隙不小于1.5mm,弹簧不得与夹板接触。
平时应经常保持清洁,不得锈蚀或沾油。
自动开闭器在转辙机内随机件动作,能自动完成开关作用。
随着道岔的转换正确地接通与断开电动机电路及表示电路。
它本身绝缘座安装牢固,完整,无裂纹,动接点不松动。
静接点须长短一致,相互对称,接点片不弯曲,不扭斜,辅助片作用良好。
动接点在静接点片内的接触深度不小于4mm,用手扳动动接点,其摆动量不大于3.5mm,动接点与静接点座间隙不小于3mm;接点接触压力不小于4.0N;速动爪落下前,动接点在静接点内有窜动时,应保证接点接触深度不少于2mm.速动爪与速动片的间隙在解锁时不小于0.2mm,锁闭时为1-3mm.速动片的轴向窜动,应保证速动爪滚轮与滑面的接触不少于2mm,转辙机在转动中速动片不得提前转动。
速动爪的滚轮在传动中应在速动片上滚动,落下后不得与起动片缺口底部相碰。
在动作杆,表示杆正常伸出或拉入过程中,拉簧的弹力适当,作用良好,保证动接点迅速转接,并带动检查柱上升和下落。
摘要
一、ZD6转辙机是用以转换道岔的设备,每一道岔设一台转辙机,安装在道岔尖轨处。
它的基本功能是:
1.改变道岔的位置,即根据操纵人员意图转于定位或反位;
2.正确的反映道岔的位置,即道岔尖轨密贴于基本轨后,才能有相对应的表示;
3.道岔转到正确位置后,实行机械锁闭,防止外力转动道岔。
4.道岔被挤或因故在四开位置时,也应及时有报警表示。
5.ZD6型采用内锁闭方式。
ZD6型的道岔附件主要有密贴调整杆、表示连接杆、连接尖轨的方钢和尖端杆以及放松卡、象鼻铁等。
二、主要组成是由:
电动机、减速器、摩擦联结器、自动开闭器、主轴、动作杆、表示杆、移位接触器(用于挤岔电路中)、底壳及机盖等部分组成。
关键词:ZD6、转撤机、相混
参考文献:
车站自动控制:王永信、喻喜平铁道论坛网
道岔控制电路故障分析及处理
————ZD6型转辙机故障分析及处理
ZD6型转辙机故障,从结构上可分为电路故障和机械故障;从电路动作程序上可分为启动电路故障和表示电路故障;从设备位置上可分为室内设备故障和室外设备故障;从故障现象上还可分为道岔不能启动、空转和无表示故障三种故障。
按照道岔电路的动作程序,结合控制台上电流指针摆动、挤岔电流鸣响及道岔位置表示灯的变化进行综合分析,逐步缩小故障范围,稳、准、快地处理好故障。
1. 区分室内外故障
道岔控制电路发生故障时,最关键的就是要区分故障点是在室内还是室外,避免来回跑动,耽误处理故障时间。
(1)道岔启动电路的区分
道岔不能启动时,应首先看清控制台现象,必要时还应在分线盘处测回路电阻,以准确区分在室内还是在室外。
当道岔启动电路故障时,可单独操纵道岔,道岔原来位置表示灯不灭,说明1DQJ未励磁;道岔原来位置表示灯熄灭,但是松开单操纵按钮时,单操原来位置表示灯油点亮,说明2DQJ不转极。
上述两种故障现象,可判断故障在室内。
当道岔定、反位表示灯均无表示,且发生挤岔报警时,不能单独操纵道岔,应在分线盘有关端子上册启动电路回路电阻,以区分室内、外故障。
对于四线制道岔来说,X1为定位的启动和表示公用线,X2为反位的启动和表示公用线,X3问哦定、反位表示公用线,X4为定、反位启动公用线。
因此,道岔在定位,X2与X4之间应该是通的;道岔在反位,X1与X4之间应该是通的。
以道岔在定位为例,X2与
X4之间不通,说明故障在室外,如果X2与X4之间有电阻,一般可确定为室内电路开路。
为可靠起见,可单独操纵道岔,用万用表直流250V电压挡在分线盘处测X2和X4有无直流电压,如果无电压,肯定故障在室内,如
果有电压,故障在室外。
当判断在室内时,应当先查看室内道岔启动电路的熔断器,如果熔丝熔断,应换上熔丝试验一次,再熔断,则为混线故障。
曲分混线故障在室内还是在室外,应再次在分线盘处测试。
拆下分线盘处故障道岔的X2或X4的电缆芯线,测启动电路室内侧的电阻,如果电阻无穷大(开路),则为室外故障;如果有电阻则为室内故障。
对于双动道岔,单独操纵后电流表指针摆动一次为室外故障。
(2)道岔表示电路的区分
对于四线制道岔控制电路,定位无表示时,在分线盘处测X1与X3的交流电压;反位无表示时,在分线盘处测X2与X3的交流电压。
若测得交流电压有110V左右,说明室外开路。
若测得电压为0V时,应断开X3电缆芯线再测电压,有110V左右为室外短路;仍为0V则室内开路。
室外短路时,在室内测750?电阻上应有交流电压,但无直流电压,不必断X3。
2混线故障分析
四线制道岔发生电缆混线的故障较为常见,下面对可能发生的混线故障进行分析。
(1)X1与X2相混
道岔原在定位向反位,向反位操纵时,道岔启动后熔断反位熔断器RD2不能转换到底,无位置表示。
当道岔向反位启动后,接通自动开闭器第2、4排接点,由于X1与X2相混,使反位启动的DZ电源从室内经X2送出后又窜到X1,经自动开闭器41-42接点送到定子线圈的1端子上,使道岔又有往回转的趋势。
这样,两定子线圈的自感电势相互抵消,导致回路电流过大,熔断反位的熔断器,使道岔停止转换。
道岔原在反位,向定位操纵时,道岔启动后熔断定位的熔断器RD1,使道岔不能转换彻底无位置表示。
原因分析同上述。
(2)x1与x2相混
原因分析同上,同理可分析道岔从定位操向反位时的故障现象,结合控制台上电流表指针摆动、挤岔电铃鸣响及道岔位置表示灯的变化进行综合分析,逐步缩小故障范围,稳、准、快的处理好故障,密贴处来回窜动,控制台上电流指针往返摆动,一直无位置表示。
由于X1与X3相混,当道岔向反位转换完毕后,断开自动开闭器第1排接点,接通第2排接点,虽然反位启动电路被断开,但因1DQJ有缓放作用,在接点转换过程中能一直保持吸起
密贴处来回窜动,控制台上电流指针往返摆动,一直无位置表示。
由于X1与X3相混,当道岔向反位转换完毕后,断开自动开闭器第1排接点,接通第2排接点,虽然反位启动电路被断开,但因1DQJ有缓放作用,在接点转换过程中能一直保持吸起,启动电源没有断开。
于是DZ经自动开闭器11-44—21 —22—Z1-2—自动开闭器23-24—移位接触器01-01—自动开闭器43-44—X3—X1自动开闭器41-42—电动机1-3—电动机3-4—遮断开关05-06—X4—DF,接通定位启动电路,使道岔向定位转换。
但只要道岔向定位启动,自动开闭器接点立即变位,断开第2排接点又接通第1排接点,即断开刚接通的定位启动电路,重新接通了反位启动电路,又使道岔向反位转换。
反位刚转换完毕,自动开闭器动接点又迅速打向第2排接点,于是定位启动电路又被接通。
就这样,循环往复出现道岔在定位密贴处来回窜动现象。
道岔原在反位,有反位表示;操纵至定位,能转换完毕,但无定位表示;再操反位出现道岔在反位密贴处来回窜动的现象,原因分析同上。
(3)X2与X3相混
道岔原在定位,有定位表示,操纵至反位,道岔能转换到底,无反位表示。
因为X2
与X3混线,将反位表示电源短路造成道岔无反位表示。
道岔在定位,反位无表示,操纵至定位后,有定位表示。
系X1与X3混线所至。
(4)X1与X4相混
道岔原在定位,有定位表示操纵至反位时,先后熔断定为、反位的熔RD1和RD2,道岔不能转换到底,一直位置表示。
由于X1与X4混线,道岔由定位操至反位时,在1DQJ刚一吸起,2DQJ 未转级的瞬间,直接将DZ、DF电源短路,熔断定位的熔断器RD1;当2DQJ转极后,DZ和反位DF 可正常供出,使道岔启动,但当自动开闭器动接点变位
接通第4排静接点时,X4的DF经X1和自动开闭器41-42接点,直接接到定子绕组1端子上,将转子线圈短路,导致熔断反位的熔断器RD3,道岔将停止转换,定位和反位均无表示。
同理可分析道岔从定位操向反位时的故障现象。
(5)X2与X4相混
道岔原在定位,操向反位时,只要2DQJ转极,直接熔断反位的熔断器RD2,道不能自动,无道岔位置表示。
道岔原在反位,操向定位时,1DQJ吸起,直接熔断反位的熔断器RD2,2DQJ转极后,道岔刚一启动,烧断定位的熔断器RD1,无道岔位置表示。
(6)X3与X4相混
道岔原在定位,操纵至反位时,道岔转换到底,且有反位表示,但反位的熔断器RD2熔断。
由于X3与X4混线,当道岔向反位转换完毕,虽然反位启动电路被断开,但1DQJ有缓放作用,缓放过程还可能送出DZ和DF 电源,于是X2上的DZ经自动开闭器
11-21-22-Z1-2自动开闭器23-24-43-44-X4-DF,从而将DZ于DF短路,熔断反位熔断器RD2。
道岔原在反位,能正常转换至定位,当在次向反位操纵时也会出现上述现象。
操至定位时,不会熔断器RD1,这是因为DZ与DF被二极管反向阻隔了。
结束语
按照道岔控制电路的动作程序,结合控制台上电流表指针摆动、挤岔电铃鸣响及道岔位置表示灯的变化进行综合分析,逐步缩小故障范围,稳、准、快的处理好故障。