轧辊材质选择及特性
- 格式:doc
- 大小:378.50 KB
- 文档页数:12
轧辊技术方案引言轧辊是重要的轧制工具,广泛应用于金属加工行业中,用于将原材料压制成所需的形状和尺寸。
轧辊的技术方案对轧制过程的稳定性和产品质量具有重要影响。
本文将介绍一种轧辊技术方案,包括轧辊材料、设计和制造等方面。
轧辊材料轧辊材料的选择是轧辊技术方案的核心之一。
常用的轧辊材料有铸铁、钢和合金钢等。
铸铁轧辊具有良好的耐磨性和耐热性,但韧性较差,容易发生裂纹。
钢轧辊具有较好的韧性和强度,但耐热性和耐磨性较差。
合金钢轧辊综合了铸铁轧辊和钢轧辊的优点,具有良好的耐磨性、耐热性和韧性。
轧辊的选择需要根据具体的工作条件和轧制要求来决定。
对于高温、高压或高速轧制,通常选择合金钢轧辊。
对于普通轧制,钢轧辊或铸铁轧辊可以满足要求。
轧辊设计轧辊的设计是确保轧制过程稳定和产品质量的关键。
轧辊的设计考虑了以下几个方面:1.尺寸和形状:轧辊的尺寸和形状应根据轧制要求来确定,包括轧制厚度、宽度和形状等。
较大的轧辊可以增加轧制的稳定性,但会增加轧制力和能耗。
2.线速度:轧辊的线速度是轧制过程中的关键参数,影响轧制力和产品质量。
过高的线速度可能导致轧辊磨损和产品变形,过低的线速度则影响生产效率。
3.精度和表面质量:轧辊的设计应确保所需的精度和表面质量。
轧辊的表面必须光滑,以便获得良好的产品表面。
4.热处理:轧辊经过适当的热处理可以增强其硬度和韧性,提高耐磨性和耐热性。
轧辊制造轧辊的制造包括轧辊的加工和装配。
主要步骤包括以下几个方面:1.材料准备:根据轧辊的材料要求,选择适当的铸锭或钢材进行加工。
2.加工工艺:根据轧辊的尺寸和形状要求,采用适当的加工工艺进行加工,包括铸造、锻造、热处理、精密加工等。
3.表面处理:根据轧辊的表面质量要求,进行适当的表面处理,如研磨、抛光等。
4.装配:将轧辊的各部件进行装配,在此过程中确保轧辊的尺寸和精度要求。
轧辊维护轧辊的维护非常重要,可以延长轧辊的使用寿命和保持产品质量。
轧辊维护的主要内容包括:1.轧辊清洁:定期清洗轧辊,去除尘土和其他杂质,防止轧辊表面磨损。
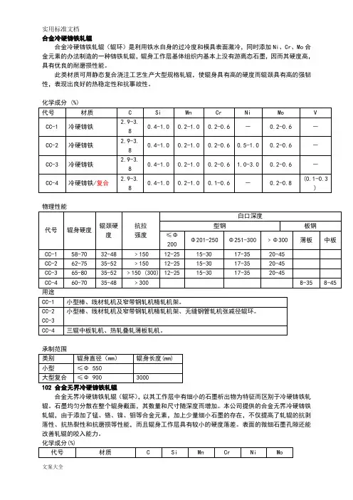
101合金冷硬铸铁轧辊合金冷硬铸铁轧辊(辊环)是利用铁水自身的过冷度和模具表面激冷,同时添加Ni、Cr、Mo合金元素的办法制造的一种铸铁轧辊,辊身工作层基体组织内基本上没有游离态石墨,因而其硬度高,具有优良的耐磨损性能。
此类材质可用静态复合浇注工艺生产大型规格轧辊,使辊身具有高的硬度而辊颈具有高的强韧性,表现出良好的热稳定性和抗事故性。
102 合金无界冷硬铸铁轧辊合金无界冷硬铸铁轧辊(辊环),以其工作层中有细小的石墨析出物为特征而区别于冷硬铸铁轧辊。
石墨均匀分散在整个辊身截面,其数量和尺寸随深度而增加。
本公司提供的合金无界冷硬铸铁轧辊,由于添加了锰、铬、镍、钼等合金元素,加上少量细小石墨的存在,不仅提高了轧辊的抗剥落性、抗热裂性和抗磨损等性能,而且辊身工作层具有较小的硬度落差。
表面的微细石墨孔隙还能改善轧辊的咬入能力。
103合金球铁轧辊合金球墨铸铁轧辊(辊环),以基体组织中的石墨呈球状为特征,通过调整镍、铬、钼合金元素和特定的热处理制度,可以制成普通球墨铸铁、大型合金球墨铸铁、珠光体球墨铸铁和针状球墨铸铁不同系列的轧辊(辊环)。
这些产品具有良好的强度、高温性能和抗事故性能,工作层硬度落差极小。
化学成分(%)SGAC型钢连轧机中轧、精轧机架,无缝钢管轧机轧辊及辊环,棒、线材,螺纹钢轧机中轧、预精轧、精轧机架轧辊及辊环承制范围类别辊身直径(mm)辊身长度(mm)轧辊适用于各种规格轧辊的制造辊环Φ190-1500900(max.)104 高镍铬无界冷硬铸铁轧辊高镍铬无界冷硬复合铸铁轧辊是采用离心或全冲洗方法制造的高性能轧辊,通过提高镍、铬、钼等合金元素的含量,获得高的组织、碳化物显微硬度;配合特殊热处理得到组织均匀、致密及硬度落差小的工作层;同时含有少量游离石墨,从而具有良好的耐磨损性、抗热裂、抗剥落及抗压痕性能。
外层厚度可适应需要而调整,芯部采用韧性灰口铸铁或高强度球墨铸铁,使芯部及辊颈具有满意的强韧性。
轧辊知识简介一、铸铁系轧辊铸铁系轧辊的含碳量在2.5%—3.5%左右,按主要材质可分为普通铸铁轧辊、高镍铬无限冷硬复合铸铁轧辊、高铬复合铸铁轧辊和合金球墨铸铁轧辊四大类。
铸铁轧辊中常见的组织可分为基体、渗碳体、石墨三大类,基体组织主要氏体、铁素体、珠光体、贝氏体和马氏体,石墨在铸铁中的形态一般有片状和球状两种.1、普通铸铁轧辊普通铸铁轧辊可分为冷硬铸铁轧辊,中、低合金无限冷硬铸铁轧辊,中低合金球墨铸铁轧辊,冷硬铸铁是利用铁水自身过冷度和模具表面激冷的办法获得的一种铸铁其辊身表面激冷而生成白口层,硬度高、耐磨性好。
冷硬铸铁轧辊按制造工艺和芯部材质可分为非球铁、球墨复合、和球芯三大类。
无限冷硬铸铁轧辊是介于冷硬铸铁和灰口铸铁之间的一种材质,其辊身工作层基体组织中存在着石墨,并且辊身工作层与芯部没有明显的分界线。
普通铸铁轧辊主要用于叠轧薄板轧机、三辊劳特式中板轧机、线材轧机、棒材轧机及型钢轧机用辊。
2、高镍铬无限冷硬铸复合铁轧辊无限冷硬铸铁是界于冷硬铸铁和灰口铸铁之间的一种材质,无限冷硬铸铁轧辊辊身工作层集基体组织中存在着均匀分布的石墨,石墨的含量从辊身表面往里随深度的增加而提高,硬度随之降低,因此,辊身工作层与芯部没有明显的分界线,也称无界冷硬铸铁轧辊无限冷硬铸铁轧辊材质中含有较高的铬、镍、钼合金元素时为高镍铬无限冷硬铸铁轧辊,采用全冲洗(溢流法)或离心复合浇注工艺生产。
高镍铬无限冷硬铸铁轧辊辊身工作层基体组织中存在较大数量的碳化物,因此有较高的耐磨性,基体组织中石墨的存在,使其具有良好的抗热烈性,被广泛应用做宽、中、厚板轧机和带钢轧机精轧用辊。
3、高铬复合铸铁轧辊高铬复合铸铁轧辊是以含铬12-22%的高铬白口耐磨铸铁为轧辊辊身外层材质,一般以球墨铸铁为轧辊芯部和辊颈材质,采用离心复合浇注工艺而生产的高合金复合铸铁轧。
由于基体中存在板条状的Cr7C3型共晶碳化物、菊花状的Mo2C型共晶碳化物和颗粒状的Cr23C6型二次碳化物,高铬铸铁轧辊具有优异的抗耐磨性能,被广泛应用做热轧带钢连轧机粗轧和精轧前段工作辊、宽中厚板轧机粗轧和精轧工作辊及小型型钢和板材轧机精轧4、合金球墨铸铁轧辊合金球墨铸铁轧辊由于石墨从辊身到芯部呈球状均匀分布,所以抗拉强度大,可经受重载荷,耐磨损性很好。
合金冷硬铸铁轧辊合金冷硬铸铁轧辊(辊环)是利用铁水自身的过冷度和模具表面激冷,同时添加Ni、Cr、Mo合金元素的办法制造的一种铸铁轧辊,辊身工作层基体组织内基本上没有游离态石墨,因而其硬度高,具有优良的耐磨损性能。
此类材质可用静态复合浇注工艺生产大型规格轧辊,使辊身具有高的硬度而辊颈具有高的强韧性,表现出良好的热稳定性和抗事故性。
102 合金无界冷硬铸铁轧辊合金无界冷硬铸铁轧辊(辊环),以其工作层中有细小的石墨析出物为特征而区别于冷硬铸铁轧辊。
石墨均匀分散在整个辊身截面,其数量和尺寸随深度而增加。
本公司提供的合金无界冷硬铸铁轧辊,由于添加了锰、铬、镍、钼等合金元素,加上少量细小石墨的存在,不仅提高了轧辊的抗剥落性、抗热裂性和抗磨损等性能,而且辊身工作层具有较小的硬度落差。
表面的微细石墨孔隙还能改善轧辊的咬入能力。
用途103 合金球铁轧辊合金球墨铸铁轧辊(辊环),以基体组织中的石墨呈球状为特征,通过调整镍、铬、钼合金元素和特定的热处理制度,可以制成普通球墨铸铁、大型合金球墨铸铁、珠光体球墨铸铁和针状球墨铸铁不同系列的轧辊(辊环)。
这些产品具有良好的强度、高温性能和抗事故性能,工作层硬度落差极小。
化学成分(%)物理性能高镍铬无界冷硬复合铸铁轧辊是采用离心或全冲洗方法制造的高性能轧辊,通过提高镍、铬、钼等合金元素的含量,获得高的组织、碳化物显微硬度;配合特殊热处理得到组织均匀、致密及硬度落差小的工作层;同时含有少量游离石墨,从而具有良好的耐磨损性、抗热裂、抗剥落及抗压痕性能。
外层厚度可适应需要而调整,芯部采用韧性灰口铸铁或高强度球墨铸铁,使芯部及辊颈具有满意的强韧性。
使用中充分水冷是必要的。
化学成分(%)硬度分布曲线示例:距表面距离(m m )用途:热带连轧精轧后段工作辊宽、中厚板轧机粗轧、精轧机架工作辊 热带(板)四辊平整机工作辊、支撑辊,横切平整辊 炉卷轧机工作辊高速线材轧机预精轧辊环 有色金属板材轧机工作辊105 高铬复合铸造轧辊高铬复合轧辊工作层含有6~22%的铬合金,芯部为高强度球墨铸铁。
线材轧辊材质的选择及管理特点
轧辊材质好,轧辊使用周期就长,轧辊消耗数量就越少,反之则越多。
线材厂根据所用轧机特点,对轧辊材质进行了比较。
线材厂轧机分为粗轧机列、中轧机列、精轧机列,每个机列在轧钢时的轧制任务不同,对轧辊的性能要求也不同,粗轧一般要考虑轧辊强度,多选用锻钢和铸钢轧辊,或选用球墨半冷硬和球墨冷硬轧辊。
锻钢和铸钢轧辊的强度大,不易发生断辊,但其硬度低、耐磨性差、使用周期短、更换轧辊频繁;因球墨铸铁轧辊的辊身工作层中有石墨,使轧辊耐磨性、抗热裂性能得到提高,优于锻钢、铸钢轧辊,所以线材厂粗、中轧在满足强度要求的前提下,选用了中镍、铬、钼球墨无限冷硬铸铁轧辊;精轧机列主要对轧辊的耐磨性有要求,故选用中镍、铬、钼无限冷硬铸铁轧辊,又由于复合离心辊的性能在满足生产技术要求方面优于常法辊。
所以线材厂轧辊都采用复合离心辊。
轧辊按材质可分为锻钢、铸钢和铸铁轧辊、特种轧辊,根据浇注方法不同可分为常法浇注轧辊和复合离心浇注轧辊;为提高轧辊的耐磨性,也可以适当添加一定比例的合金元素,如中镍、铬、钼等。
轧辊管理是指从选择轧辊材质、轧辊采购计划的制定、轧辊孔型样板的加工和管理、轧辊孔型的加工及检查、轧辊加工车削量和车削次数的确定等一系列工作,具有系统性。
对轧辊实施精细管理的工作。
其特点是:(1) 具有系统性、连续性;(2) 理论性和实践性强;(3) 必须环环相扣,精细合理。
轧辊按照材质该如何分类?轧辊是金属材料加工中的关键部件之一。
它的作用是将金属材料压制成所需的厚度和形状。
为了满足不同的加工需求,轧辊会根据其材质进行分类。
在本文中,我们将探讨轧辊按照材质分类的原因和方法。
为什么需要按照材质分类?轧辊的制造材料会直接影响到其使用寿命、耐磨性、抗腐蚀能力等性能指标。
因此,轧辊的材料选择必须要考虑到其所用的加工材料和工作环境。
按照材质分类有利于对不同性能要求的轧辊加以区分,从而更好地适应不同的加工环境、加工材料及加工工艺。
轧辊按照材质分类的方法1. 铸铁轧辊铸铁轧辊是应用最为广泛的轧辊。
其材质主要包括灰铸铁和球墨铸铁两种。
灰铸铁的铸造件组织为灰色,呈片状石墨和铁素体交替排列,具有较高的硬度和耐磨性能,适用于中低强度材料的加工。
球墨铸铁的组织为球状石墨和铁素体交替排列,硬度较低,但韧性更好,适用于高强度材料的加工。
2. 表面硬化轧辊表面硬化轧辊是将较硬的表面层与轧辊较软的内部区分开来。
其制造方法包括渗碳、喷焊、氮化等。
硬化表面的轧辊抗磨性能较好,但韧性降低,容易产生裂纹。
3. 板材专用轧辊板材专用轧辊是用来加工冷轧、热轧板材及其它较薄材料的轧辊。
其主要材质为铸铁或轴承钢,具有较高的硬度和耐磨性。
4. 高速轧辊高速轧辊材料的选择主要考虑到其机械性能和高温强度。
其制造材料包括高速度钢和硬质合金等。
5. 计算机控制轧辊计算机控制轧辊适用于需要更高的精度和更长的运行寿命的加工生产线。
其制造材料包括合金灰铸铁和高速钢等。
小结轧辊按照材质分类的原因主要是为了满足不同的加工需求,并且可以优化加工环境和工艺。
轧辊的种类是多种多样的,其具体材料的选择将受到加工材料和工作环境的影响。
在制作轧辊时,应根据具体情况进行综合考虑,选择适合的材质进行制造。
长材生产中轧辊的选择50~65kg/mm2。
在一些小型材厂,合金铸钢辊也用于中间机架和精轧机架。
★高速钢铸辊:在高速钢铸辊中有铁-碳-铬-钨-钼-钒合金。
这些轧辊是通过离心铸造方式生产的,它有很高的合金化外壳和球墨核心,因而具有很好的抗磨性和机械性能,其韧性相当于合金无限冷硬铸铁辊。
这些轧辊显示出良好的抗磨损、抗热疲劳和剥落性能。
高速钢铸辊主要应用于精轧机架,并显示出令人满意的结果。
它也可以用于轧机速度低于7m/s的精轧道次——这一速度对离心碳化辊工作是非常困难的。
与离心碳化辊在相同的应用场合相比,高速钢铸辊的屈服强度要更好,且抗拉强度达到108kg/mm2。
然而,这些轧辊要求有很强的冷却以确保轧辊的温度不会高于60℃。
线材轧机线材轧机对轧辊的要求是:①在轧辊厚度上硬度均匀一致;②较高的耐磨性;③较高的抗烧裂。
线材轧机所用轧辊非常广,主要取决于生产过程、轧机布局和设计等。
★球墨铸铁辊:钼合金化的球墨铸铁辊主要用于粗轧机架,有很好的抗烧裂和耐磨性。
由于线材轧机生产的线材直径非常小,最小仅有5.5mm,表面光洁度是非常重要的一个指标,因此,球墨铸铁辊不能用于中间机架和精轧机架。
★合金无限冷硬铸铁辊:这些轧辊可以用于中间机架,它展示出良好的耐磨性和提高了咬入性能。
为了对轧辊的硬度进行调整,通过添加合金化元素如铬来控制轧辊硬度,采用该类轧辊后产品的表面光洁度非常好。
在许多棒材厂和小型材厂,这类轧辊用于精轧机架。
轧辊的抗拉强度范围是20~30kg/mm2。
★离心铸造碳化钨轧辊:目前,许多线材轧机的精轧速度已超过120m/s,因此离心铸造碳化钨轧辊用于预精轧机架和精轧机架。
该类轧辊是在较软的金属基体中(通常是钴、镍或者是这些金属的合金)包含有嵌入的较硬的碳化钨晶粒。
当轧制速度超过一定值时要对轧辊给与特别关注,因为此时轧辊的冷却可能不足以阻碍热裂的产生。
对于一定的轧制速度,轧辊必须通过有较高的断裂韧性和较低的刚性呈现出良好的抗热裂性能,这一性能可以通过选择粘合元素(这些元素是钴、镍或者是这些金属与铬结合的合金)超过25%的离心铸造碳化钨轧辊实现。
轧辊型号分类轧辊型号及其分类•按材质分类–铁质轧辊:由铸铁、合金钢等铁质材料制成的轧辊。
具有较高的硬度和强度,适用于对硬材料进行轧制。
–合金轧辊:由钢材与其他合金元素(如钴、铬等)合金化制成的轧辊。
具有耐磨性、耐蚀性等优点,适用于对高硬度材料进行轧制。
–陶瓷轧辊:由陶瓷材料制成的轧辊。
具有耐高温、耐磨性好等特点,适用于对高温、脆性材料进行轧制。
•按结构分类–平辊轧辊:由平面辊筒组成的轧辊。
平辊轧辊适用于对宽度较大的材料进行轧制,轧制效果均匀。
–斜辊轧辊:由斜辊筒组成的轧辊。
斜辊轧辊适用于轧制较薄的材料,可实现较好的轧制效果。
–异型辊轧辊:由具有特定形状的辊筒组成的轧辊。
异型辊轧辊通常用于对特殊形状的材料进行轧制,可以定制不同的辊筒形状以满足轧制需求。
•按用途分类–冷轧辊:用于对冷态材料进行轧制的轧辊。
冷轧辊可实现材料的塑性变形和表面质量的提升。
–热轧辊:用于对热态材料进行轧制的轧辊。
热轧辊主要用于大型轧机,能够实现高速、高温下的轧制。
–中间辊:位于轧机两辊之间,起支撑、传递轧制力等作用。
中间辊一般采用合金材料制成,具有较高的硬度和耐磨性。
–支承辊:位于轧机两辊之外,起支撑作用,使轧机稳定运行。
支承辊通常采用铁质材料制成,具有良好的强度和稳定性。
–导入辊:用于将材料导入轧机的轧辊。
导入辊通常采用平辊结构,以保证材料的均匀进入轧机。
–导出辊:位于轧机出料端,用于将轧制后的材料导出。
导出辊的结构通常根据轧制需求进行设计。
以上是对轧辊型号的常见分类及相关说明。
不同的轧辊型号适用于不同的材料和轧制工艺,能够满足不同的生产需求。
如需具体了解某一型号的轧辊,请联系相关专业人员或生产商。
常用的轧辊材料有合金锻钢、合金铸钢和铸铁等:(1)合金锻钢。
用于轧辊的合金锻钢,在我国国家标准中已有规定,GB/T 13314-1991标准中列出了热轧轧辊和冷轧轧辊用钢。
热轧轧辊用钢有55Mn2、55Cr、60CrMnMo、60SiMnMo等。
冷轧轧辊用钢有9Cr、9Cr2、9CrV、9Cr2W、9Cr2Mo、60CrMoV、80CrN13W、8CrMoV等。
(2)合金铸钢。
用于轧辊的合金铸钢种类尚不多,也没有统一标准。
随着电渣重熔技术的发展,合金铸钢的质量正逐步提高,今后合会铸钢轧辊将会得到广泛应用。
(3)铸铁。
铸铁可分普通铸铁、合金铸铁和球墨铸铁。
铸造轧辊时,采用不同的铸型,可以得到不同硬度的铸铁轧辊。
因此,有半冷硬轧辊、冷硬轧辊和无限冷硬轧辊之分:1)半冷硬轧辊。
轧辊表面没有明显的白口层,辊面硬度HS≥50。
2)冷硬轧辊。
表面有明显白口层,心部为灰口层,中间为麻口层,辊面硬度HS≥60。
3)无限冷硬轧辊。
表面是白口层,但白口层与灰口层之间没有明显界限,辊面硬度HS≥65。
铸铁轧辊硬度高,表面光滑、耐磨,制造过程简单且价格便宜。
其缺点是强度低于钢轧辊。
只有球墨铸铁轧辊的强度较好。
无限冷硬铸铁轧辊的发展无限冷硬铸铁轧辊是一种应用已久的轧辊材质,早在20世纪初,普通无限冷硬铸铁轧辊就在热轧带钢轧机上广泛应用。
无限冷硬铸铁轧辊的材质介于冷硬铸铁和灰口铸铁之间。
与冷硬铸铁相比,其铁水中硅含量较高(含0.7%~1.6%Si),因此无限冷硬铸铁轧辊辊身工作层基体组织内除含有与白口铸铁中相近似数量的碳化物和莱氏体外,还存在均匀分布的石墨。
无限冷硬铸铁轧辊中还常常加入不同含量的Cr、Ni、Mo等合金元素,随着Cr、Ni、Mo含量的增加,其硬化层深度大大增加。
无限冷硬铸铁轧辊辊身基体组织中含有较多的碳化物,具有较好的耐磨性;此外,在基体组织中均匀分布的少量细小石墨,起到了松弛机械应力的作用,有利于减轻辊身表层的剥落缺陷;同时,石墨本身具有良好的导热性能,在轧钢过程中,轧辊表面受热冲击时,石墨起缓冲热应力的作用,有利于防止热裂纹的产生。
工作辊材质的选择要考虑以下几个方面:(1)板坯厚度大,轧辊必须具有较好的咬入性。
(2)板坯温度高,轧制速度较慢,轧件和轧辊接触时间较长。
轧辊必须具有较好的抗热裂性、抗热疲劳性。
(3)工作辊直径大(Φ1210/1110mm)、辊身长度大(5050mm),承受的轧制力高,主电机带动工作辊传动。
要求轧辊有较高的抗断裂性,轧辊辊身和辊颈必须有较高的强度。
(4)高的轧制温度也要求轧辊具有高温耐磨性。
(5)由于粗轧和精轧在同一机架完成,所以既要考虑到粗轧时轧件厚度大,宽度小,轧辊所受冲击大,轧辊使用面积少,轧件与轧辊间易出现打滑等。
也要考虑精轧时,轧件宽而长,轧辊使用面积大。
同时,单机架四辊轧机,在轧制低合金专用钢和高强度品种钢时,要采用控制轧制和控制冷却技术,通常进行交叉轧制,轧制温度低,轧制力大。
要求轧辊具有耐磨性好、抗热裂性好、耐表面粗糙能力好、强度高、对热的敏感低等性能。
传统的四辊精轧机,往往是前面有一架粗轧机(二辊、三辊或四辊)。
粗轧用四辊轧机工作辊通常采用高镍铬无限冷硬铸铁轧辊。
近年来,开始使用高铬铸铁轧辊,这种轧辊组织中碳化物含量较高,摩擦系数小,硬度高,耐磨性能优良。
但对热的影响十分敏感,易打滑,而且出现卡钢等事故时形成的热裂纹较深。
而精轧机轧辊工作条件相对较好,热影响及机械冲击也小,选择材质时主要考虑耐磨性和耐表面粗糙能力,保证钢板表面质量。
5m宽厚板四辊轧机的粗轧和精轧都是同样的轧辊来完成。
经过多年的实践,同时考虑到其他新开发新品种如高速钢轧辊等价格昂贵等因素,5m宽厚板轧机的工作辊采用高镍铬无限冷硬铸铁轧辊。
这种轧辊多采用立式离心复合铸造而成。
由于外层镍、铬、钼等合金元素的作用,珠光体转变推迟,因而铸态下的组织为贝氏体+马氏体残奥+碳化物+短片状石墨。
经过热处理后的组织为贝氏体+少量马氏体残奥+碳化物+短片状石墨。
轧辊心部组织为贝氏体+片状石墨或珠光体+少量碳化物(+牛眼状铁素体)+团球状石墨。
合金冷硬铸铁轧辊合金冷硬铸铁轧辊(辊环)是利用铁水自身的过冷度和模具表面激冷,同时添加Ni、Cr、Mo合金元素的办法制造的一种铸铁轧辊,辊身工作层基体组织内基本上没有游离态石墨,因而其硬度高,具有优良的耐磨损性能。
此类材质可用静态复合浇注工艺生产大型规格轧辊,使辊身具有高的硬度而辊颈具有高的强韧性,表现出良好的热稳定性和抗事故性。
102 合金无界冷硬铸铁轧辊合金无界冷硬铸铁轧辊(辊环),以其工作层中有细小的石墨析出物为特征而区别于冷硬铸铁轧辊。
石墨均匀分散在整个辊身截面,其数量和尺寸随深度而增加。
本公司提供的合金无界冷硬铸铁轧辊,由于添加了锰、铬、镍、钼等合金元素,加上少量细小石墨的存在,不仅提高了轧辊的抗剥落性、抗热裂性和抗磨损等性能,而且辊身工作层具有较小的硬度落差。
表面的微细石墨孔隙还能改善轧辊的咬入能力。
用途103 合金球铁轧辊合金球墨铸铁轧辊(辊环),以基体组织中的石墨呈球状为特征,通过调整镍、铬、钼合金元素和特定的热处理制度,可以制成普通球墨铸铁、大型合金球墨铸铁、珠光体球墨铸铁和针状球墨铸铁不同系列的轧辊(辊环)。
这些产品具有良好的强度、高温性能和抗事故性能,工作层硬度落差极小。
化学成分(%)物理性能SGP-3 大型初轧机。
SGP-4 型钢连轧机粗轧、中轧机架,棒、线材轧机粗轧、中轧机及钢管轧机张减径辊环。
SGAC 型钢连轧机中轧、精轧机架,无缝钢管轧机轧辊及辊环,棒、线材,螺纹钢轧机中轧、预精轧、精轧机架轧辊及辊环承制范围类别辊身直径(mm)辊身长度(mm)轧辊适用于各种规格轧辊的制造辊环Φ190-1500 900(max.)104 高镍铬无界冷硬铸铁轧辊高镍铬无界冷硬复合铸铁轧辊是采用离心或全冲洗方法制造的高性能轧辊,通过提高镍、铬、钼等合金元素的含量,获得高的组织、碳化物显微硬度;配合特殊热处理得到组织均匀、致密及硬度落差小的工作层;同时含有少量游离石墨,从而具有良好的耐磨损性、抗热裂、抗剥落及抗压痕性能。
101合金冷硬铸铁轧辊合金冷硬铸铁轧辊(辊环)是利用铁水自身的过冷度和模具表面激冷,同时添加Ni、Cr、Mo合金元素的办法制造的一种铸铁轧辊,辊身工作层基体组织内基本上没有游离态石墨,因而其硬度高,具有优良的耐磨损性能。
此类材质可用静态复合浇注工艺生产大型规格轧辊,使辊身具有高的硬度而辊颈具有高的强韧性,表现出良好的热稳定性和抗事故性。
化学成分(%)物理性能用途承制范围102 合金无界冷硬铸铁轧辊合金无界冷硬铸铁轧辊(辊环),以其工作层中有细小的石墨析出物为特征而区别于冷硬铸铁轧辊。
石墨均匀分散在整个辊身截面,其数量和尺寸随深度而增加。
本公司提供的合金无界冷硬铸铁轧辊,由于添加了锰、铬、镍、钼等合金元素,加上少量细小石墨的存在,不仅提高了轧辊的抗剥落性、抗热裂性和抗磨损等性能,而且辊身工作层具有较小的硬度落差。
表面的微细石墨孔隙还能改善轧辊的咬入能力。
化学成分(%)物理性能用途承制范围103合金球铁轧辊合金球墨铸铁轧辊(辊环),以基体组织中的石墨呈球状为特征,通过调整镍、铬、钼合金元素和特定的热处理制度,可以制成普通球墨铸铁、大型合金球墨铸铁、珠光体球墨铸铁和针状球墨铸铁不同系列的轧辊(辊环)。
这些产品具有良好的强度、高温性能和抗事故性能,工作层硬度落差极小。
化学成分(%)物理性能用途承制范围104 高镍铬无界冷硬铸铁轧辊高镍铬无界冷硬复合铸铁轧辊是采用离心或全冲洗方法制造的高性能轧辊,通过提高镍、铬、钼等合金元素的含量,获得高的组织、碳化物显微硬度;配合特殊热处理得到组织均匀、致密及硬度落差小的工作层;同时含有少量游离石墨,从而具有良好的耐磨损性、抗热裂、抗剥落及抗压痕性能。
外层厚度可适应需要而调整,芯部采用韧性灰口铸铁或高强度球墨铸铁,使芯部及辊颈具有满意的强韧性。
使用中充分水冷是必要的。
化学成分(%)物理性能代号硬度HS 抗拉强度MPa抗弯强度HS冲击韧性×104J/m2弹性模量kMPaHNiCr-1 70-85 350-450 450-650 3-7 150-190 HNiCr-2 60-75 350-450 450-650 2-6 150-190灰芯35-50 ﹥190 350 3-7 110-150 球芯35-50 ﹥350 550 4-7 160-190 硬度分布曲线示例:距表面距离(m m)用途:热带连轧精轧后段工作辊宽、中厚板轧机粗轧、精轧机架工作辊热带(板)四辊平整机工作辊、支撑辊,横切平整辊炉卷轧机工作辊高速线材轧机预精轧辊环有色金属板材轧机工作辊承制范围制造方法辊身直径(mm) 辊身长度(mm) 净重(t)离心法Φ280-1350 400-4300 45全冲洗法Φ800-1300 ≤5500105高铬复合铸造轧辊高铬复合轧辊工作层含有6~22%的铬合金,芯部为高强度球墨铸铁。
轧辊材料D2轧辊材料D2轧辊是钢铁工业中不可或缺的重要设备,它的质量直接影响到钢材的质量和生产效率。
而轧辊材料D2,作为一种高性能的工具钢,被广泛应用于轧辊的制造中。
下面将从材料特性、制造工艺和应用领域三个方面来介绍轧辊材料D2。
一、材料特性轧辊材料D2是一种高碳、高铬、高钼的工具钢,具有优异的耐磨性、耐冲击性和耐热性。
其中,高碳含量使得D2钢具有较高的硬度和耐磨性,高铬含量可以提高其耐腐蚀性和耐热性,高钼含量则可以提高其耐冲击性和韧性。
此外,D2钢还具有良好的加工性能和热处理性能,可以通过淬火和回火等工艺来调节其硬度和韧性。
二、制造工艺轧辊材料D2的制造工艺主要包括熔炼、锻造、热处理和加工等环节。
首先,通过电弧炉或感应炉等设备将原材料熔化,然后进行精炼和调节成分,最终得到符合要求的D2钢坯。
接下来,将D2钢坯进行锻造,可以提高其密度和韧性,同时也可以消除内部缺陷和应力。
然后,通过淬火和回火等热处理工艺,可以调节D2钢的硬度和韧性,使其达到最佳的使用性能。
最后,进行加工和精加工,制成符合要求的轧辊。
三、应用领域轧辊材料D2广泛应用于钢铁、有色金属、建筑材料等行业的轧制生产中。
其中,钢铁行业是D2钢的主要应用领域,它可以用于生产各种钢材,如冷轧板、热轧板、无缝钢管等。
此外,D2钢还可以用于生产模具、切削工具、冲压模具等领域,具有广泛的应用前景。
总之,轧辊材料D2是一种高性能的工具钢,具有优异的耐磨性、耐冲击性和耐热性,被广泛应用于轧辊的制造中。
通过优良的制造工艺和精湛的加工技术,可以制成符合要求的轧辊,为钢铁等行业的生产提供有力的保障。
常用的轧辊材料有合金锻钢、合金铸钢和铸铁等:(1)合金锻钢。
用于轧辊的合金锻钢,在我国国家标准中已有规定,GB/T 13314-1991标准中列出了热轧轧辊和冷轧轧辊用钢。
热轧轧辊用钢有55Mn2、55Cr、60CrMnMo、60SiMnMo等。
冷轧轧辊用钢有9Cr、9Cr2、9CrV、9Cr2W、9Cr2Mo、60CrMoV、80CrN13W、8CrMoV等。
(2)合金铸钢。
用于轧辊的合金铸钢种类尚不多,也没有统一标准。
随着电渣重熔技术的发展,合金铸钢的质量正逐步提高,今后合会铸钢轧辊将会得到广泛应用。
(3)铸铁。
铸铁可分普通铸铁、合金铸铁和球墨铸铁。
铸造轧辊时,采用不同的铸型,可以得到不同硬度的铸铁轧辊。
因此,有半冷硬轧辊、冷硬轧辊和无限冷硬轧辊之分:1)半冷硬轧辊。
轧辊表面没有明显的白口层,辊面硬度HS≥50。
2)冷硬轧辊。
表面有明显白口层,心部为灰口层,中间为麻口层,辊面硬度HS≥60。
3)无限冷硬轧辊。
表面是白口层,但白口层与灰口层之间没有明显界限,辊面硬度HS≥65。
铸铁轧辊硬度高,表面光滑、耐磨,制造过程简单且价格便宜。
其缺点是强度低于钢轧辊。
只有球墨铸铁轧辊的强度较好。
无限冷硬铸铁轧辊的发展无限冷硬铸铁轧辊是一种应用已久的轧辊材质,早在20世纪初,普通无限冷硬铸铁轧辊就在热轧带钢轧机上广泛应用。
无限冷硬铸铁轧辊的材质介于冷硬铸铁和灰口铸铁之间。
与冷硬铸铁相比,其铁水中硅含量较高(含0.7%~1.6%Si),因此无限冷硬铸铁轧辊辊身工作层基体组织内除含有与白口铸铁中相近似数量的碳化物和莱氏体外,还存在均匀分布的石墨。
无限冷硬铸铁轧辊中还常常加入不同含量的Cr、Ni、Mo等合金元素,随着Cr、Ni、Mo含量的增加,其硬化层深度大大增加。
无限冷硬铸铁轧辊辊身基体组织中含有较多的碳化物,具有较好的耐磨性;此外,在基体组织中均匀分布的少量细小石墨,起到了松弛机械应力的作用,有利于减轻辊身表层的剥落缺陷;同时,石墨本身具有良好的导热性能,在轧钢过程中,轧辊表面受热冲击时,石墨起缓冲热应力的作用,有利于防止热裂纹的产生。
合金冷硬铸铁轧辊
合金冷硬铸铁轧辊(辊环)是利用铁水自身的过冷度和模具表面激冷,同时添加Ni、Cr、Mo合金元素的办法制造的一种铸铁轧辊,辊身工作层基体组织内基本上没有游离态石墨,因而其硬度高,具有优良的耐磨损性能。
此类材质可用静态复合浇注工艺生产大型规格轧辊,使辊身具有高的硬度而辊颈具有高的强韧性,表现出良好的热稳定性和抗事故性。
102 合金无界冷硬铸铁轧辊
合金无界冷硬铸铁轧辊(辊环),以其工作层中有细小的石墨析出物为特征而区别于冷硬铸铁轧辊。
石墨均匀分散在整个辊身截面,其数量和尺寸随深度而增加。
本公司提供的合金无界冷硬铸铁轧辊,由于添加了锰、铬、镍、钼等合金元素,加上少量细小石墨的存在,不仅提高了轧辊的抗剥落性、抗热裂性和抗磨损等性能,而且辊身工作层具有较小的硬度落差。
表面的微细石墨孔隙还能改善轧辊的咬入能力。
用途
103 合金球铁轧辊
合金球墨铸铁轧辊(辊环),以基体组织中的石墨呈球状为特征,通过调整镍、铬、钼合金元素和特定的热处理制度,可以制成普通球墨铸铁、大型合金球墨铸铁、珠光体球墨铸铁和针状球墨铸铁不同系列的轧辊(辊环)。
这些产品具有良好的强度、高温性能和抗事故性能,工作层硬度落差极小。
化学成分(%)
物理性能
高镍铬无界冷硬复合铸铁轧辊是采用离心或全冲洗方法制造的高性能轧辊,通过提高镍、铬、钼等合金元素的含量,获得高的组织、碳化物显微硬度;配合特殊热处理得到组织均匀、致密及硬度落差小的工作层;同时含有少量游离石墨,从而具有良好的耐磨损性、抗热裂、抗剥落及抗压痕性能。
外层厚度可适应需要而调整,芯部采用韧性灰口铸铁或高强度球墨铸铁,使芯部及辊颈具有满意的强韧性。
使用中充分水冷是必要的。
化学成分(%)
硬度分布曲线示例:
距表面距离(m m )
用途:
热带连轧精轧后段工作辊
宽、中厚板轧机粗轧、精轧机架工作辊 热带(板)四辊平整机工作辊、支撑辊,横切平整辊 炉卷轧机工作辊
高速线材轧机预精轧辊环 有色金属板材轧机工作辊
105 高铬复合铸造轧辊
高铬复合轧辊工作层含有6~22%的铬合金,芯部为高强度球墨铸铁。
根据含碳量的不同,分为高铬铸钢轧辊和各个铸铁轧辊。
由于大量铬元素的作用,组织中碳化物呈M7C3型,硬度高、韧性和耐磨性好,且基体组织中合金含量高,并经特殊热处理,具有良好的高温综合机械性能。
用于带钢热轧时,可根据使用架次、水冷条件选用高铬铸钢、高铬铸铁轧辊。
高铬复合轧辊可用于冷轧机,平整机工作辊,并可制作辊环类产品。
化学成分 (%)
硬度分布曲线示例:
距表面距离(mm)
合金铸钢轧辊是采用电炉和精炼炉冶炼优质钢水,加上先进的铸造、热处理工艺技术制造,具有很高的强度、良好的抗热裂性、韧性和耐磨性。
物理性能
用途:
方、板坯初轧机,型钢粗、中轧机,带钢热连轧机,破鳞大立辊及二辊粗轧机,中板二辊粗轧机,热轧窄带钢支撑辊等。
半钢轧辊包括整体、复合和辊套等轧辊产品,它是在高含碳量的钢水中添加Mo、Cr、Ni等合金元素及其它微量合金,并采用特殊的热处理工艺进行制造,具有高的耐磨性、强的韧性和好的抗热裂性,在工作层中几乎没有硬度降落。
物理性能
硬度分布曲线示例:
距表面距离(mm)
用途:
带钢热连轧机粗轧、精轧前段、立辊;型钢、轨梁轧机、棒材轧机的粗轧、中轧、预精轧机架;万能轧机、悬臂轧机辊环、辊套。
203 石墨铸钢轧辊
石墨钢轧辊的性能类似半钢轧辊,但以在组织中存在有少量石墨为其特征,少量石墨的存在可以提高轧辊的抗热裂性能和抗氧化铁皮粘附性能,因而适用于初轧或粗轧作业。
硬度分布曲线示例:
距表面距离(mm)
用途
用于带钢热轧连轧机、中宽厚板二辊可逆轧机粗轧机架。
用于初轧机、钢坯连轧机及型钢和轨梁等轧机,尤为适用于深孔型的轧辊及带钢热连轧机粗轧机架。
204 复合铸钢支撑辊
采用复合浇注工艺制造的铸钢支撑辊,由于外层添加又镍、铬、钼等合金元素,再经过特殊的热处理,其金相组织为:回火索氏体、贝氏体和少量分布均匀的细小碳化物。
复合铸钢支撑辊的芯部和辊颈采用优质低碳钢或低合金钢,因此这种轧辊具有高的耐磨性、良好的抗剥落性和强韧性。
化学成分 (%)
硬度 (HS)
硬度分布曲线示例:
距表面距离(mm)
用途
用于各种冷热带钢轧机的粗轧和精轧机架,也可用于各种中厚板和宽厚板轧机及炉卷轧机。
高速钢复合轧辊采用立式离心份额和铸造工艺制造,外层为具有高硬度和极好高温耐磨性的高速钢材质,芯部为高强韧性的球墨铸铁。
综合性能达到高耐磨性和强韧性的良好结合。
此类轧辊采用高含量合金元素和特殊的热处理工艺制造。
轧辊外层显微组织为马氏体基体上分布适量的显微硬度极高的MC、M2C和M6C型弥散碳化物,硬度落差极小。
高含量合金元素和二次硬化作用使高速钢轧辊具有良好的高温耐磨性。
表面硬度在550℃高温下无明显降落,其耐磨性比传统的高镍铬无限冷硬和高铬铸铁轧辊高3-5倍。
化学成分 (%)
物理性能
硬度分布曲线示例:
距表面距离(mm)
用途
带钢热连轧机精轧机架工作辊、带钢冷轧机工作辊、棒线材、万能H型钢轧机辊环、辊套。
锻钢冷轧辊包括冷轧工作辊和支撑辊,这类轧辊采用先进的冶炼设备(电弧炉)、精炼设备(电渣重熔和钢包精炼)及锻压设备(3150t水压机)制造冶金质量优良的合金锻钢辊坯,在热处理方面,应用计算机控制技术保证轧辊硬度和辊身淬硬层深度具有很好的重现性能。
在热处理工艺方面,采用充分的预备热处理及特定的感应淬火(连续和整体)、深冷处理和回火,使轧辊获得硬度高而均匀的工作层,其淬硬层深度可达30mm以上,具有足够的耐磨性能、强韧性和抗事故性能。
国内外现代化宽带冷连轧机使用本公司提供的此类优质工作辊,均获得了满意的效果。
化学成分(%)
.
辊身淬硬层深度:
本公司优质锻钢冷轧辊的典型产品 —— 冷连轧工作辊:
冷连轧机是现代化的新型轧机,带钢产品的质量要求很高,因此,对工作辊提出了很严的要求。
本公司制造的这类产品,具有一次轧制量高、能耗低、使用寿命长等有点。
辊身淬硬层深度 距辊身表面距离
302 锻钢热轧辊
锻钢热轧辊选用优质合金锻钢辊坯制作,通过特殊的热处理,具有满意的辊身硬度和淬硬层深度,在获得良好的耐磨性的同时,又具有较好的强韧性和咬入性等综合性能。
这类轧辊用于板带材热轧及型材轧机,其中本公司提供的棺材轧辊冶金质量高、品种多、牌号全、适用性强,按代号FSH-10生产的焊管轧机用辊技术性能满足用户的使用要求。
双曲线矫直辊的质量在国内处于领先水平,目前又开发了有色金属铸轧机轧辊及辊套。
锻钢热轧辊应用一览表。