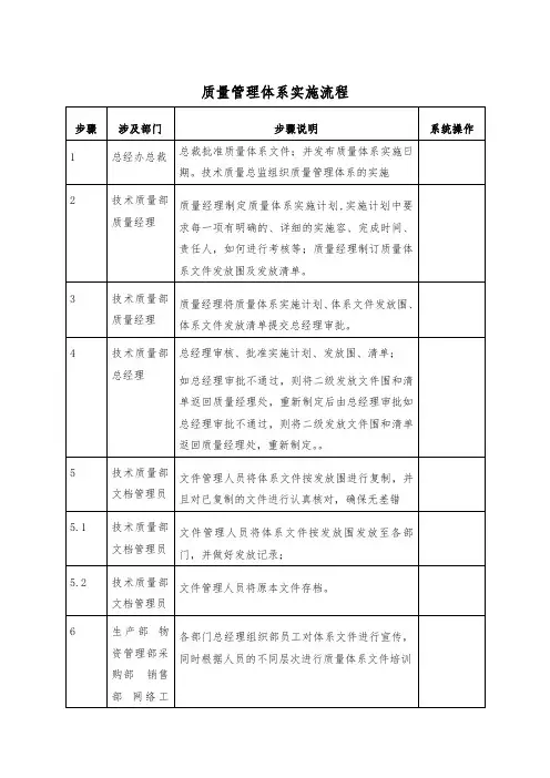
质量管理体系流程图
- 格式:doc
- 大小:36.50 KB
- 文档页数:2
质量管理体系总流程图质量管理体系总流程图1、引言1.1 目的1.2 适用范围1.3 参考文件2、质量政策与目标2.1 确立质量政策2.2 设定质量目标2.3 沟通和推广质量政策与目标3、质量管理组织和职责3.1 设立质量管理组织3.2 划定质量管理职责3.3 建立和维护质量手册4、质量计划与目标4.1 制定质量计划4.2 制定质量目标4.3 分配资源和责任5、质量控制5.1 进行质量控制5.2 确保产品和服务符合质量标准5.3 实施质量检查和测试6、质量改进6.1 收集和分析质量数据6.2 确定质量问题和不符合项6.3 制定和实施纠正和预防措施6.4 进行质量审查和持续改进7、内部审核7.1 设定内部审核计划7.2 进行内部审核7.3 提出内部审核报告8、管理评审8.1 设定管理评审计划8.2 进行管理评审8.3 提出管理评审报告9、市场反馈和客户满意度9.1 收集市场反馈信息9.2 分析和处理市场反馈9.3 进行客户满意度调查10、培训和培训10.1 制定培训计划10.2 实施培训10.3 评估培训效果11、文档和记录控制11.1 确定文档和记录控制要求 11.2 管理和维护文档和记录 11.3 存储和保护文档和记录附件:1、质量手册2、质量计划3、内部审核报告4、管理评审报告5、市场反馈信息报告6、客户满意度调查报告7、培训计划和培训记录8、文档和记录控制表法律名词及注释:1、质量管理体系(QMS):是指组织在实现质量目标和要求过程中,为制定和实施质量管理活动而建立的、可以自查、自我评价和改进的系统。
2、质量手册:详细描述组织的质量管理体系,并包括质量政策、质量目标和相关程序的文档。
3、质量计划:按照组织质量策略和目标,规划质量目标并确定实现这些目标所需的资源和操作方法的文件。
4、内部审核:由组织内部人员对质量管理体系进行定期检查和评估,以确保其有效性和符合要求。
5、管理评审:高层管理人员对质量管理体系进行定期评审和决策,以确保其持续适用和改进。
质量管理体系控制流程图质量管理体系控制流程图是一种图形化的工具,用于描述和展示质量管理体系中的各个环节和流程。
它能够清晰地展示质量管理体系的运作方式,帮助组织和管理人员了解和掌握质量管理体系的运行流程,从而更好地进行质量管理和控制。
以下是一个示例的质量管理体系控制流程图,用于说明质量管理体系的各个环节和流程:1. 质量策划阶段:- 制定质量方针和目标:根据组织的战略目标和市场需求,制定质量方针和目标,明确质量管理的重点和要求。
- 制定质量计划:制定质量计划,包括质量目标、质量标准、质量控制措施等,确保产品或服务的质量符合要求。
2. 质量控制阶段:- 进行质量检查:对产品或服务进行质量检查,包括外观检查、功能检查、性能测试等,确保产品或服务的质量符合标准。
- 进行质量记录和分析:记录质量检查结果,进行质量数据分析,发现问题和改进机会,为质量改进提供依据。
3. 质量改进阶段:- 制定质量改进计划:根据质量检查结果和数据分析,制定质量改进计划,明确改进目标和措施。
- 实施质量改进措施:根据质量改进计划,实施各项质量改进措施,包括流程优化、技术改进、培训提升等,提高产品或服务的质量水平。
4. 质量审核阶段:- 进行内部质量审核:定期进行内部质量审核,评估质量管理体系的有效性和符合性,发现问题和风险,提出改进意见。
- 进行外部质量审核:定期邀请外部质量审核机构对质量管理体系进行审核,评估其符合性和有效性,确保质量管理体系的稳定和可持续发展。
5. 持续改进阶段:- 进行质量管理体系的持续改进:根据质量审核结果和改进意见,持续改进质量管理体系,提高质量管理的效能和效果。
- 进行质量培训和教育:定期组织质量培训和教育活动,提高员工的质量意识和质量管理能力,营造良好的质量文化。
以上是一个简单的质量管理体系控制流程图示例,实际的质量管理体系控制流程图可能会更加复杂和详细,具体的流程和环节可以根据组织的实际情况进行调整和完善。
质量管理体系控制流程图质量管理体系控制流程图是指用图形化的方式展示质量管理体系中的各个环节和流程,以便于全面了解和掌握质量管理体系的运作流程和关键要素。
该流程图可以帮助组织建立和改进质量管理体系,确保产品或服务的质量符合标准和客户要求,提高组织的竞争力和持续发展能力。
以下是一个示例的质量管理体系控制流程图,用于说明质量管理体系的主要流程和控制要点:1. 质量目标设定阶段:- 确定质量目标和指标;- 制定质量政策和质量目标;- 分析和评估现有质量管理体系的有效性。
2. 质量计划制定阶段:- 制定质量计划,包括质量控制计划、质量检查计划等;- 确定质量控制点和检测点。
3. 质量控制执行阶段:- 进行质量控制活动,包括质量检查、测试、验证等;- 记录和汇总质量数据。
4. 质量控制结果分析阶段:- 对质量控制结果进行分析和评估;- 发现问题和风险,并制定相应的改进措施。
5. 质量改进阶段:- 制定质量改进计划;- 实施质量改进活动,包括过程优化、技术创新等;- 持续改进质量管理体系。
6. 质量审核和评估阶段:- 进行内部和外部质量审核;- 对质量管理体系进行评估和认证。
7. 绩效监控和持续改进阶段:- 监控质量绩效指标,包括产品质量、客户满意度等;- 持续改进质量管理体系,提高质量管理水平。
以上流程图仅为示例,实际的质量管理体系控制流程图会根据组织的具体情况和要求进行调整和完善。
在实际应用中,还可以根据需要添加更多的环节和流程,以确保质量管理体系的全面性和有效性。
质量管理体系控制流程图的编制和使用需要注意以下几点:1. 确保流程图的准确性和清晰性,以便于人员理解和操作;2. 标注每个环节和流程的具体要求和关键控制点;3. 确保流程图与实际操作相符,避免流程图与实际操作不一致的情况发生;4. 定期审查和更新流程图,以适应组织的变化和改进需求。
质量管理体系控制流程图是质量管理体系的重要工具之一,通过使用该流程图,组织可以更好地把握质量管理体系的运作情况,及时发现和解决问题,提高质量管理水平,实现持续改进和卓越品质。
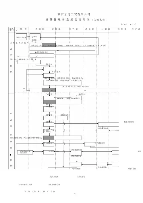
浙江永达工贸有限公司质量管理体系策划流程图(关键流程)共2 页第1 页流程顾客营销部研发部工艺部品质部计划部采购部生产部协作厂新品开发需求营销情报资料接收开发能力评估产开发进度、技术能力、品质保证、作业环境、材料供应、生产能力、生产/检测设备、成本之可行性品NG总经理例会决定策NG OK签订协议、确定进度、报价划OK设计方案阶段开发计划书确定--设计目标、可靠性和质量目标、初始材料清单、初始过程流程图、初始特性清单、产品保证计划策划评价会(成立项目小组)NGOK OK产品设计品质策划DFMEA 、可制造性和装配设计设计评审设计验证产图样定稿试制组装夹具品部件清单加工单位确定试部件开发协议专用部件确定开发协议制试制品控制计划、产品/过程特殊特性确定(段发出试制订单下零件试制订单确试验基准交换试验基准交换试验基准制定零件加工制作)试验方法决定阶段初物品送验初物品检验初物品检验试制品组装试制品检验试制品输出、反馈不良内容研讨会试制(段确)评审会NGOK浙江永达工贸有限公司质量管理体系策划流程图(关键流程)关键流程图共2 页第2 页流程顾客营销部研发部工艺部品质部计划部采购部生产部协作厂制订过程流程图、制订过程流程图、车间平面布置图、特性矩阵图、PFMEA、试生产控制计划、MSA 计划、Ppk 计划设备、工装试验设备、承认样品取得试制品修正设计制作专用量具提出量包装设计重要工序指定检验基准产量产图样承认图样修订改进标准化作业标准制订制订准量产样品制作指示备量产组织发出生产指示零部件加工确检验基准交换认(受入检验入库量组装、检查过程检验确MSA SPC )阶样品提供交货检验试验报告提供确认试验段量产承认批准量产控制计划、包装评价NG量确评审会OK量产订单量产批准书量订单评审生产/采购计划零部件加工产受入检验入库销售组装/包装/检查过程检验阶成品检验入库段出货检查制品交付外部设计变更设计变更交变更协调会付变更信息联系变更通知单变更安排变更日期指示服组装、检查变更确认初物管理初物管理务进料、过程、品质不良信息最终检验阶不良信息段不良处理、查明原因、防止再发生、内部质量检查、改进内容标准化持续改进(质量、成本、交付等)。
生产管理体系分解图如下(图一):
生产管理组
工艺
技术组
安全环保
质检组
设备能源
计量组
物流储运
采购组
装配式基
地工厂
移动
工厂
图一
图纸
会审
图纸
拆解
订单图
纸接收
制订生
产指令
下发生
产指令
接收生
产指令
生产技
术文件
接收生
产指令
接收生
产指令
原料采
购计划
接收生
产指令
基地加
工制造
接收生
产指令
安全质检设备
动力
物流
采购
接收生产指令
原料需求计划产品质
量标准
设备能
源计划
加工
制造生产支持生产支持
合
格
产
品
合格产
品入库
发货
影响交货周期意见反馈
影响交货周期意见反馈
图二
图三。
质量管理体系审核流程图质量管理体系审核流程图1、介绍本文档旨在指导质量管理体系审核流程,并确保质量管理体系的有效性和持续改进。
通过审核流程,可以评估和确定组织的质量管理体系是否符合相关法律法规和标准要求,以及是否能够达到所设定的质量目标。
2、审核计划2.1 制定审核计划- 确定审核的目标和范围- 确定审核的时间和地点- 制定审核团队的构成和职责分工2.2 通知审核相关方- 向被审核方发出审核通知- 与被审核方协商确定审核日程安排2.3 编制审核日程- 确定每个审核环节的时间和顺序- 确定参与审核的相关方3、材料准备3.1 收集和审核文件- 收集被审核方提交的相关文件和记录- 审核并核实这些文件的准确性和完整性3.2 准备审核工具和检查清单- 根据审核标准和要求准备审核工具和检查清单- 用于评估被审核方是否符合相关法律法规和标准要求4、审核活动4.1 召开开会并进行审核介绍- 召开会议,介绍审核目的和程序- 解释审核流程和要求4.2 进行现场审核- 对被审核方的实际操作进行现场观察- 检查相关记录和文件的准确性和合规性- 与相关人员进行面谈,了解他们对质量管理体系的理解和实践情况4.3 记录审核结果- 实时记录审核发现的问题和不符合项- 确定存在的风险和机会4.4 编写审核报告- 根据审核结果编写审核报告- 报告包括对不符合项的描述和建议改进措施5、审核结果5.1 与被审核方进行沟通- 将审核报告和发现的问题和建议与被审核方进行沟通 - 澄清和解释不符合项和改进措施5.2 提出改进建议- 基于审核结果提出改进建议- 确定改进目标和时间表5.3 追踪和评估改进措施的实施情况- 监督和评估改进措施的实施情况和效果- 确定是否达到改进目标和预期效果附件:1、审核计划示例3、审核工具和检查清单范例法律名词及注释:1、质量管理体系:指整个组织在完成质量管理活动过程中,按照计划与验证的要求,基于风险管理,完成质量政策与质量目标的制定,质量系统的设计与运行,制定、验证过程,以及验证结果的追踪闭环与验证结果的采集分析的活动的总称。
ISO9001:2000质量管理体系流程图建立和实施质量管理体系工作流程:第一阶段:策划与准备一、体系策划准备1、顾客需求和期望分析2、质量管理体系/业务流程诊断3、推行工作准备二、体系策划4、质量方针和目标的策划5、业务流程/过程的设计策划6、职能分配/职责/组织结构的策划7、体系文件的策划第二阶段:体系建立三、基础培训8、ISO9000族标准理解与实施培训9、体系文件编写培训10、审员培训四、文件编写11、体系文件编写12、体系文件审批和发布第三阶段:体系运行五、体系运行13、体系运行动员与宣布实施14、确定和提供必需的资源15、体系实施运行第四阶段:体系评价和完善六体系评价和完善16、部质量审核17、管理评审18、体系纠正及改进应用过程方法是实施ISO9001:2000标准的关键《ISO/TC176/SC2/N474R2》明确指出,"在经过广泛咨询1994版ISO9000标准的使用者的意见后,数项重要变化已被引入到2000版标准中,尤其是标准所依据的概念与标准的结构……这些变化将要求使用者把质量管理体系作为一系列的过程来看,而不只是橡ISO9001:1994安20个不连续的要素建立质量管理体系结构。
过程管理方法已被广泛用于当今世界的工商业界,这个事实引导开发了一个以过程为基础的结构用于修订标准。
"该指南的3.1.5条款还明确指出,"所有标准与咨询机构应意识到过程管理方法是应用ISO9001:2000的关键。
"可见,,应用过程方法ISO9001:2000标准结构改变、管理思路改变、管理方法改变的基本因素。
ISO9001:2000标准的0.2条款用较大篇幅阐明了过程方法在质量管理体系中的应用,强调了过程方法的重要性,并提出了具体要求。
4.1"总要求"的"注"指出,"质量管理体系所需的过程应当包括与管理活动、资源提供、产品实现和测量有关的过程。
TZQP-PG-004 产品鉴别与追溯管理程序
TZQP-PG-003 采购产品品质管理程序TZQP-CG-001 采购管理程序
TZQP-PG-003 采购产品品质管理程序TZQP-PG-012 品质异常处理程序TZQP-SJ-006 模治具管理程序TZQP-GL-004 6S 管理程序TZQP-ZZ-001 制程管制程序TZQP-PG-009 检验与测试管理程序TZQP-GL-013 资料分析与持续改进管理程序TZQP-PG-013 纠正与预防措施管理程序TZQP-PG-010 信赖性试验管理程序
TZQP-SG-003 紧急应变管理程序
TZQP-GL-013 资料分析与持续改进管理程序
TZQP-GL-011 客户财产控制程序
TZQP-SJ-004工程变更管理程序
TZQP-PG-008 统计技术管理程序
TZQP-GL-005 员工激励与满意度调查管理程TZQP-SJ-001合理化管理程序TZQP-GL-001 记录管理程序TZQP-SG-001 交货管理程序TZQP-PG-014 客户抱怨管理程序TZQP-PG-011不合格品管理程序
TZQP-PG-005 量测系统分析管理程序TZQP-GL-006 训练管理程序TZQP-GL-010 经营计划管理程序TZQP-GL-012 内部质量审核管理程序TZQP-GL-007 产品审核管理程序
TZQP-YY-002 服务管理程序TZQP-SG-002搬运储存包装管理程序TZQP-PG-007 实验室管理程序
TZQP-PG-006 检验、测量与测试设备管理程序
TZQP-PG-004 产品鉴别与追溯性管理程序
TZQP-PG-001 品质会议管理程序。
质量管理体系控制流程图一、概述质量管理体系控制流程图是指企业为确保产品或服务质量达到一定标准而采取的一系列控制措施的图示化表达。
该流程图能够清晰地展示质量管理体系的各个环节和流程,帮助企业全面了解和掌握质量管理的要点,从而提高产品或服务的质量水平。
二、流程图示例以下是一个质量管理体系控制流程图的示例,以便更好地理解:1. 制定质量目标和策略- 确定企业的质量目标和策略- 设定质量指标和标准2. 质量计划编制- 制定质量计划,包括质量目标、质量管理措施和质量检测方法等- 制定质量责任和权限3. 质量控制- 实施质量控制措施,包括质量检测、质量监控和质量纠正等- 确保生产过程符合质量标准和要求4. 质量评估和改进- 进行质量评估,包括内部评估和外部评估- 根据评估结果进行质量改进和优化5. 培训和沟通- 进行员工培训,提高员工的质量意识和技能- 加强内部沟通,确保质量管理体系的有效运行6. 客户满意度调查- 定期进行客户满意度调查,了解客户对产品或服务的评价和需求- 根据调查结果进行改进和优化7. 管理评审- 定期召开管理评审会议,对质量管理体系进行评估和审查- 确保质量管理体系的持续改进和有效运行三、流程图解析1. 制定质量目标和策略在这一步骤中,企业需要明确自己的质量目标和策略,例如提高产品质量、降低产品缺陷率等。
同时,还需要设定质量指标和标准,以便后续的质量控制和评估。
2. 质量计划编制在质量计划编制阶段,企业需要制定详细的质量计划,包括质量目标、质量管理措施和质量检测方法等。
此外,还需要明确质量责任和权限,确保质量管理体系的有效实施。
3. 质量控制质量控制是质量管理体系的核心环节。
在这一阶段,企业需要实施一系列质量控制措施,包括质量检测、质量监控和质量纠正等,以确保生产过程符合质量标准和要求。
4. 质量评估和改进质量评估是对质量管理体系的有效性进行检查和评价的过程。
企业需要进行内部评估和外部评估,根据评估结果进行质量改进和优化,以不断提升产品或服务的质量水平。
质量管理体系审核流程图质量管理体系审核流程图1. 引言本文档旨在详细描述质量管理体系审核流程,以确保组织的质量管理体系符合相关标准和法规的要求。
2. 审核计划阶段2.1 制定审核计划审核计划由审核小组根据组织的需求和要求制定。
计划包括审核范围、目标、时间表、审核方法等内容。
2.2 指派审核团队由相关部门指派具有适当经验和专业知识的审核员组成审核团队。
2.3 准备审核文件审核文档包括质量管理体系文件、标准和法规文件等,审核团队应对这些文件进行评估和准备。
3. 准备阶段3.1 通知被审核方审核团队应提前通知被审核方,明确审核的目的、范围和时间表。
3.2 进行文件过程审核审核团队对质量管理体系文件进行审核,确保其符合相关标准和法规的要求。
3.3 制定审核计划审核团队根据文件审核的结果制定具体的审核计划。
4. 实施阶段4.1 与被审核方沟通审核团队与被审核方进行沟通,了解其质量管理体系的运行情况和相关文件的实施情况。
4.2 进行现场审核审核团队对被审核方的实际工作现场进行审核,包括观察、访谈、记录等方式,以评估质量管理体系的有效性和执行情况。
4.3 收集证据审核团队收集和记录相关证据,以支持审核结论的形成。
5. 审核结果评估阶段5.1 分析收集的证据审核团队对收集的证据进行综合分析,以评估质量管理体系的符合性和有效性。
5.2 编写审核报告审核团队根据评估结果编写审核报告,包括审核结论、发现的问题和建议等内容。
5.3 审核报告的复核审核报告需经过相关部门进行复核,确保审核结论的准确性和可靠性。
6. 整改和跟踪阶段6.1 提出整改措施根据审核报告的结论和建议,被审核方需提出相应的整改措施和时间表。
6.2 实施整改被审核方按照整改计划进行实施,并记录整改过程和结果。
6.3 跟踪整改情况审核团队对被审核方的整改情况进行跟踪和评估,以确保问题的整改和质量管理体系的持续改进。
7. 审核结束阶段7.1 编制审核结论审核团队根据整改情况和跟踪结果编制最终的审核结论。