敏捷开发测试要求规范V0.1
- 格式:doc
- 大小:5.33 MB
- 文档页数:23
如何在敏捷开发中进行测试敏捷开发是一种广泛应用于软件开发领域的方法论,其特点是迭代、快速响应变化和强调团队协作。
在敏捷开发中,测试是一个至关重要的环节,旨在确保软件质量和用户满意度。
本文将讨论如何在敏捷开发中进行测试,并提供一些实用的方法和建议。
1. 敏捷测试的原则在敏捷开发中,测试的核心原则是早期和频繁地进行测试。
以下是一些与敏捷测试相关的原则:快速反馈:测试应该及时提供开发团队关于软件质量的反馈。
这有助于发现和解决问题,以确保产品质量。
持续集成:测试应与开发过程紧密结合,通过自动化测试的方式来持续集成代码,并及时进行回归测试。
自组织团队:测试人员应与开发人员和产品所有者合作,形成一个自组织的团队,共同努力实现卓越的软件质量。
2. 测试策略在敏捷开发中,测试策略应该基于需求、优先级和时间限制而制定。
以下是一些测试策略的示例:需求分析:测试团队应与产品所有者共同参与需求分析,以确保对需求的理解一致并可测试。
冒烟测试:为了尽早发现关键问题,可以进行冒烟测试,对新功能或修复的问题进行基本验证。
单元测试:开发人员应编写单元测试用例,在代码变更之前运行这些测试用例,以确保代码质量和功能一致性。
集成测试:测试团队应进行集成测试,以验证不同模块之间的交互和协作是否正常。
回归测试:随着需求的变化和新功能的添加,回归测试非常重要,以确保已有功能和系统的稳定性。
用户验收测试:用户验收测试是在每个迭代周期结束时进行的,以确保软件满足用户需求和期望。
3. 自动化测试自动化测试在敏捷开发中起到了至关重要的作用。
以下是一些可以自动化的测试类型:单元测试:开发人员可以使用单元测试框架,如JUnit或Python的unittest模块,编写和运行单元测试。
集成测试:使用自动化工具,如Selenium或Appium,可以编写和执行集成测试脚本,验证不同系统之间的交互。
持续集成测试:使用持续集成工具,例如Jenkins,可以设置自动构建和测试流程,确保每次代码提交都能进行自动化测试。
敏捷开发测试规(试行)2012年9月目录1 概述 (3)1.1 编写目的 (3)1.2 读者对象 (3)1.3 术语定义 (3)2 敏捷测试流程 (3)2.1 需求验证 (3)2.2 用例设计 (3)2.3 用例审核与维护 (3)2.4 测试计划 (3)2.5 测试实施运行 (4)2.6 版本控制 (4)2.7 需求变更 (5)2.8 迭代末期“bug大扫除” (5)3 敏捷测试方法与策略 (5)3.1 持续测试、持续反馈 (5)3.2 单元测试方法策略 (5)3.3 功能测试方法策略 (5)3.4 性能测试方法 (6)3.5 系统测试策略 (6)3.6 测试驱动研发 (7)3.7 持续集成测试 (7)4 终端移动互联网测试 (7)4.1 用户体验测试 (7)4.2 平台兼容性测试 (7)4.3 不同网络环境下测试 (8)4.4 多事务并发测试 (8)4.5 安装、卸载测试 (8)5 测试工具和环境 (8)5.1 单元测试工具 (8)5.2 功能回归测试工具 (8)5.3 性能测试工具 (9)5.4 持续集成测试环境 (9)6 测试人员要求 (9)6.1 人力需求 (9)6.2 测试人员能力要求 (9)7 附录 (11)1 概述1.1 编写目的ICT自主开发产品拟采用敏捷开发模式,为规ICT支撑中心项目敏捷测试流程,明确敏捷开发模式下的术语定义,明确敏捷测试方法与策略,明确移动互联网测试特有的测试容,确定敏捷开发模式下用到的测试工具以及测试环境,以及初步确定敏捷测试人力需求计算方式与对人员能力要求,特制定本规。
本规适用于采用敏捷开发模式下的所有自主开发移动互联网产品。
1.2 读者对象本规读者对象为软件开发项目管理者、项目经理、测试经理、开发经理、开发组、测试组所有人员。
1.3 术语定义敏捷开发模式下的几种重要角色、产品文档及过程会议术语如表1-1:表1-12 敏捷测试流程2.1 验证需求和设计敏捷测试强调问题暴露越早越好。
敏捷开发流程详解byyangdl1敏捷开发流程✓敏捷软件开发核心是迭代式开发,增量交付。
✓每一次迭代都建立在稳定的质量基础上,并作为下一轮迭代的基线,整个系统的功能随着迭代稳定地增长和不断完善。
每次迭代要邀请用户代表(外部或内部)验收,提供需求是否满足的反馈。
✓迭代型的方法就是将整个软件生命周期分成多个小的迭代,每一次迭代都由需求分析、设计、实现和测试在内的多个活动组成,每一次迭代都可以生成一个稳定和被验证过的软件版本。
✓迭代建议采用固定的周期(1-4)周,可以每个迭代周期不一定要相同,但迭代内工作不能完成,应该缩减交付范围而不是延长周期。
1.1敏捷流程详解图-敏捷流程图1.2敏捷流程三种角色及其职责1.3敏捷开发流程详解1.3.1流程图详解步骤1.制定产品需求列表✓PO收集来自客户、市场、领导等渠道的信息,从业务角度和市场价值编制一份按优先级排序的、明确的、可度量的、合理的产品需求列表;2.召开计划会议✓PO召集TM和SM(也可邀请其他利益相关者参加)召开计划会议(发布计划会议和冲刺会议一块开),发布计划主要是说明产品完整交付给客户的计划时间和交付物,✓冲刺计划就是确定该冲刺阶的长度(建议冲刺长度1-4周)、目标和冲刺任务单及其工作量估算(以理想人天manday=7.5h 估算,单位为小时计算),会议时间建议不要超过6h时间;✓在计划会议上就需要进行确认,是否需要使用持续集成;若使用持续集成,团队需要每天下班前至少提交一次私有构建成功的代码到服务器,并且要求写详细的日志信息;若不使用持续集成,团队每天有完成任务单的情况,都需要在svn 上以增量形式发包并通知到相关人员;✓项目计划会议上可以确定每天站立会时间及其规则要求(建议会议时间在15-20分钟左右),每个人回答3个问题:昨天做了什么,遇到什么问题,今天要做什么。
具体问题讨论及其解决,在私下进行沟通,不要在会议上讨论。
站立会上只有TM人员有发言权,其他人员不要干预,SM主要是维护秩序、规则及其引导作用。
敏捷开发是一种以人为核心、迭代、循序渐进的软件开发方法。
它强调团队合作、客户需求和适应变化,通过持续交付小而实用的功能,快速验证和满足客户需求,并灵活应对变化。
敏捷开发标准通常包括以下几个关键要素:1. 价值观:敏捷开发强调团队合作、快速交付、持续改进和适应变化。
这些价值观贯穿整个开发过程,指导团队成员的行为和决策。
2. 原则和方法:敏捷开发基于一系列原则和方法,包括快速交付、小而实用的功能、频繁交付可工作的软件、持续改进、关注客户需求和灵活应对变化等。
这些原则和方法为团队提供了明确的指导,确保开发过程的敏捷性和有效性。
3. 迭代式开发:敏捷开发采用迭代式开发模式,将软件项目分解为一系列小型、迭代式的工作单元。
这些工作单元通常称为“冲刺”或“迭代”,每个迭代都专注于完成一部分功能,并尽早验证和满足客户需求。
4. 沟通与协作:敏捷开发强调沟通与协作,鼓励团队成员之间建立开放、透明和信任的关系。
通过定期的面对面交流、简报和评审,确保信息的及时传递和问题的及时解决。
5. 反馈驱动:敏捷开发强调持续反馈的重要性,通过收集客户、团队成员和其他利益相关者的反馈,不断改进和优化软件产品。
这些反馈用于指导开发过程中的决策和调整,以确保交付高质量的产品。
6. 技术选择:敏捷开发不强调特定的技术或工具,团队可以根据项目需求和技术环境选择适合的技术栈。
然而,技术选择应该能够支持敏捷开发的价值观、原则和方法,并具备可扩展性和灵活性。
总的来说,敏捷开发标准提供了一套适用于软件开发的方法和框架,旨在提高软件开发的效率和产品质量。
它强调团队合作、客户需求和适应变化,通过持续交付小而实用的功能,快速验证和满足客户需求,并灵活应对变化。
这些标准有助于建立高效、协作的软件开发环境,提高客户满意度和降低项目风险。
软件评测敏捷开发中的测试软件评测:敏捷开发中的测试敏捷开发是一种迭代、循序渐进的软件开发方法,逐渐成为了当今软件行业的主要趋势。
在敏捷开发过程中,测试是一个至关重要的环节,它确保了软件的质量和稳定性。
本文将对敏捷开发中的测试进行评测,并探讨如何在敏捷开发环境下高效地进行测试。
一、敏捷开发中测试的重要性在敏捷开发中,软件项目被分割成多个迭代周期,每个周期通常为两到四周。
由于迭代周期相对较短,测试必须紧密结合开发工作进行,以确保软件质量。
敏捷开发的核心是“快速反馈”,测试正是在项目周期内提供及时反馈的关键部分。
二、敏捷开发中的测试策略在敏捷开发中,测试策略应具备以下特点:1. 自动化测试:敏捷开发周期短,需要频繁地进行回归测试。
为了保证效率和质量,自动化测试是必不可少的。
通过使用自动化测试工具,可以快速执行测试用例,并及时发现潜在的问题。
2. 单元测试优先:在敏捷开发中,代码的质量和稳定性对整个项目至关重要。
因此,在编写代码的同时,开发团队应该编写相应的单元测试,并在每个迭代周期中执行。
这有助于及早发现和解决问题。
3. 集成测试:敏捷开发中,不同开发人员负责不同的模块或功能。
因此,在每个迭代周期结束后,需要进行集成测试,以确保各个模块之间的良好交互和功能的完整性。
4. 持续集成和持续交付:敏捷开发注重频繁的交付高质量的软件,因此需要建立持续集成和持续交付的机制。
通过使用自动化工具和相应的测试流程,可以确保每个迭代周期都能够交付可工作的软件。
三、敏捷开发中的测试挑战与传统开发相比,敏捷开发中的测试存在一些独特的挑战:1. 时间压力:敏捷开发的迭代周期较短,测试人员需要在有限的时间内完成测试工作。
因此,测试团队需要高效地组织和执行测试,以保证产品质量。
2. 需求变更:敏捷开发中,需求常常发生变化。
这就要求测试人员对需求的变更有敏锐的洞察力,并及时适应变化,调整测试策略。
3. 团队协作:敏捷开发注重团队合作和协同工作。
敏捷开发测试规范(试行)2012年9月版本记录目录1 概述 (3)1.1 编写目的 (3)1.2 读者对象 (3)1.3 术语定义 (3)2 敏捷测试流程 (3)2.1 验证需求和设计 (3)2.2 用例设计与审核 (4)2.3 测试计划 (4)2.4 测试实施运行 (4)2.6 版本控制 (5)2.7 需求变更 (6)2.8 迭代末期“bug大扫除” (6)3 敏捷测试方法与策略 (7)3.1 持续测试、持续反馈 (7)3.2 单元测试方法策略 (7)3.3 功能测试方法策略 (7)3.4 性能测试方法 (8)3.5 系统测试策略 (9)3.6 测试驱动研发 (9)3.7 持续集成测试 (10)4 移动互联网终端测试 (11)4.1 用户体验测试 (11)4.2 平台兼容性测试 (12)4.3 不同网络环境下测试 (12)4.4 多事务并发测试 (12)4.5 安装、卸载测试 (12)4.6 安全性、接口测试 (13)5 测试工具和环境 (13)5.1 单元测试工具 (13)5.2 功能回归测试工具 (13)5.3 性能测试工具 (14)5.4 持续集成测试环境 (14)6 测试人员要求 (14)6.1 人力需求 (14)6.2 测试人员能力要求 (14)7 附录 (16)1 概述1.1 编写目的I CT自主开发产品拟采用敏捷开发模式,为规范ICT支撑中心项目敏捷测试流程,明确敏捷开发模式下的术语定义,明确敏捷测试方法与策略,明确移动互联网测试特有的测试内容,确定敏捷开发模式下用到的测试工具以及测试环境,以及初步确定敏捷测试人力需求计算方式与对人员能力要求,特制定本规范。
本规范适用于采用敏捷开发模式下的所有自主开发移动互联网产品。
1.2 读者对象本规范读者对象为软件开发项目管理者、项目经理、测试经理、开发经理、开发组、测试组所有人员。
1.3 术语定义敏捷开发模式下的几种重要角色、产品文档及过程会议术语如表1-1:表1-12 敏捷测试流程2.1 验证需求和设计敏捷测试强调问题暴露越早越好。
敏捷开发规范1 概述1.1 编写目的该文档的主要目的是为了在团队中实施敏捷开发,加速产品交付周期,为敏捷开发提供相应的规范流程指导而产生的流程设计。
1.1 主要读者本文将适用于所有的开发、测试、产品、运维人员及管理者。
2 敏捷开发团队中的角色及名词解释2.1 product ownerproduct owner也叫产品经理,负责整理user story(用户故事),定义商业价值,对其进行排序,制定发布计划,对产品负责。
2.2 scrum masterscrum master也叫敏捷专家或者敏捷大师,因涉及到工作量评估和分派任务等工作,一般由敏捷团队中的开发负责人担任该角色。
主要负责的工作有召开各种会议,协调项目以及部分研发工作。
需要时刻关注燃尽图发现与计划的偏差2.3 scrum teamscrum team即敏捷开发团队,由不同技能的成员组成,通过紧密协同,完成每一次迭代的目标,交付产品。
2.4 sprintsprint及敏捷中的每一次迭代冲刺。
3 敏捷开发的基本流程3.1 项目管理流程图在整个项目管理中,核心的角色有产品经理、项目经理、研发团队和测试团队四种角色,这四种角色对应于敏捷开发中的product owner、scrum master、scrum team(DEV 和QA)。
这几种角色之间紧紧围绕产品的需求展开协作,取得成果。
3.2敏捷流程【流程解释】:1.product owner负责整理user story,形成左侧的product backlog。
2.发布计划会议:product owner负责讲解user story,对其进行估算和排序,发布计划会议的产出就是制订出这一迭代要完成的story列表,sprint backlog。
3.迭代计划会议:scrum team对每一个story进行分解,分解的标准是完成该story的所有任务中都有明确的任务负责人及完成工时的估计。
评估工时打分很重要,需要整个团队使用估算扑克进行打分。
敏捷开发的相关简介敏捷定义Scrum是一个轻量级的软件开发方法Scrum是一个敏捷开发框架,是一个增量的、迭代的开发过程。
在这个框架中,整个开发周期包括若干个小的迭代周期,每个小的迭代周期称为一个Sprint,每个Sprint的建议长度2到4周。
在Scrum中,使用产品Backlog来管理产品或项目的需求,产品backlog是一个按照商业价值排序的需求列表,列表条目的体现形式通常为用户故事。
Scrum的开发团队总是先开发的是对客户具有较高价值的需求。
在每个Sprint中,Scrum开发团队从产品Backlog中挑选最有价值的需求进行开发。
2.5.11.最好的架构、需求和设计产生于自我组织的团队。
12.团队定期地对运作如何更加有效进行反思,并相应地调整、校正自己的行为。
敏捷的角色1产品负责人产品负责人(ProductOwner)的职责如下:?确定产品的功能。
?决定发布的日期和发布内容。
?为产品的ROI负责。
?根据市场价值确定功能优先级。
?每个Sprint,根据需要调整功能和优先级(每个Sprint开始前调整)。
?接受或拒绝接受开发团队的工作成果。
2ScrumMaster作为TeamLeader和Productowner紧密地工作在一起,他可以及时地为团队成员提供帮助。
他必须:?保证团队资源完全可被利用并且全部是高产出的。
?保证各个角色及职责的良好协作。
?解决团队开发中的障碍。
?做为团队和外部的接口,屏蔽外界对团队成员的干扰。
?保证开发过程按计划进行,组织DailyScrum,SprintReviewandSprintPlanningmeetings。
3Team负责产品的开发?一般情况人数在5-9个左右?团队要跨职能?团队展示Sprint中完成的功能?一般是通过现场演示的方式展现功能和架构?不要太正式?不需要PPT?一般控制在2个小时?团队成员都要参加?可以邀请所有人参加4、Sprint回顾会议Sprint回顾会议上,全体成员讨论有哪些好的做法可以启动,哪些不好的做法不能再继续下去了,哪些好的做法要继续发扬。
敏捷开发测试流程敏捷开发是一种迭代、循序渐进的软件开发方法,它强调快速响应需求变化、灵活应对客户要求、高度的合作和自组织团队。
在敏捷开发中,测试流程是非常重要的一环,它有助于保证软件质量和项目进度。
本文将介绍敏捷开发测试流程的一般步骤和注意事项。
首先,敏捷开发测试流程的第一步是需求分析和测试计划制定。
在这一阶段,测试团队需要与产品经理、开发团队和客户充分沟通,了解需求和功能特点,明确测试范围和测试目标,制定测试计划和测试用例。
其次,是测试环境的搭建和测试数据的准备。
测试环境的搭建包括硬件环境和软件环境的准备,确保测试环境与生产环境一致。
同时,测试数据的准备也是非常重要的,测试数据应该具有代表性,覆盖各种情况和边界条件。
接下来,是测试用例的执行和缺陷管理。
测试用例的执行是测试团队的核心工作之一,通过执行测试用例来验证软件的功能和性能。
同时,测试团队还需要及时记录和跟踪缺陷,确保缺陷能够及时修复和验证。
最后,是测试报告的编写和测试总结。
测试报告是测试团队向项目组和客户交付的成果之一,它应该清晰、准确地反映测试结果和测试覆盖情况。
同时,测试团队还需要对测试过程和测试结果进行总结,发现问题和不足之处,为下一轮测试提供经验和教训。
在敏捷开发测试流程中,还有一些注意事项需要特别关注。
首先是持续集成和自动化测试。
持续集成可以帮助测试团队及时发现集成问题,自动化测试可以提高测试效率和覆盖范围。
其次是与开发团队的紧密合作。
测试团队需要与开发团队保持密切的沟通和合作,及时交流问题和解决方案。
最后是灵活应对变化。
在敏捷开发中,需求和功能可能会频繁变化,测试团队需要灵活应对,及时调整测试计划和测试用例。
总之,敏捷开发测试流程是一个灵活、高效的测试过程,它要求测试团队具有较强的沟通能力、团队合作精神和快速响应能力。
通过严格执行测试流程和注意事项,可以保证软件质量和项目进度,满足客户的需求和期望。
敏捷测试的原则和实践敏捷开发是一种迭代、递增的软件开发方法,它强调团队协作、迅速响应变化以及持续交付可用软件。
在敏捷开发中,测试不再是一个独立的阶段,而是贯穿整个开发流程的核心活动之一。
本文将介绍敏捷测试的原则和实践,以帮助团队更好地实施敏捷开发和测试。
一、敏捷测试原则1. 早期测试:敏捷开发注重快速交付可用软件,因此测试活动应该尽早开始。
测试人员应该与开发人员密切合作,在需求分析和设计阶段就开始参与,以便及早发现和纠正问题。
2. 频繁测试:敏捷开发通过迭代开发周期来快速交付软件,因此测试活动也应该跟随迭代周期进行。
每个迭代结束后都应进行测试,并及时修复和验证问题,以确保软件的质量和稳定性。
3. 自动化测试:敏捷开发的节奏较快,传统的手工测试方式很难满足需求。
因此,推荐采用自动化测试工具和框架,以提高效率和准确性。
自动化测试可以快速运行测试用例,并及时生成测试报告,便于问题的追踪和解决。
4. 持续集成:敏捷开发要求团队成员频繁提交代码,因此需要进行持续集成。
持续集成需要测试团队编写和维护测试脚本,并将其集成到持续集成系统中,以便在每次提交代码后自动运行测试。
这有助于快速发现和解决集成引入的问题。
5. 面向团队:敏捷团队中的测试人员应该具备多技能,能够充分参与到开发和需求分析中。
他们需要与团队成员紧密合作,共同制定测试策略、编写测试用例以及解决问题。
团队成员之间应该保持良好的沟通和协作,以促进高效的测试活动。
二、敏捷测试实践1. 用户故事测试:在敏捷开发中,需求以用户故事的形式表达。
测试人员应该与业务代表一起参与用户故事的编写,并根据用户故事编写测试用例。
测试用例应该覆盖用户故事的功能、边界条件和异常情况,以保证系统的正常运行。
2. 面向团队的测试计划:敏捷团队的测试计划应该是团队共同制定的,而不是由测试人员单独编写。
测试计划应该包括测试范围、测试目标、测试策略、测试资源等内容。
团队成员应该协商确定测试计划,并在每次迭代开始前进行评审和更新。
敏捷开发中的测试策略敏捷开发是一种迭代、增量式的软件开发方法,注重快速响应变化、持续交付和客户参与。
在敏捷开发的过程中,测试策略扮演着至关重要的角色,能够确保软件质量,提高开发效率和项目成功率。
1. 敏捷开发中的测试策略概述在敏捷开发中,测试策略应该贯穿整个开发周期,从需求分析、设计、编码到部署、维护,保证软件达到预期的质量标准。
敏捷开发的测试策略主要包括以下几个关键方面:1.1 需求分析阶段在需求分析阶段,测试策略应该注重对需求的准确理解和澄清。
开发团队和测试团队需充分沟通,确保对需求有一致的认识,以便后续测试工作的顺利进行。
1.2 规划和设计阶段在规划和设计阶段,测试策略应该包括测试目标和范围的确定,测试用例的设计和编写,以及测试环境的搭建等。
测试团队需要与开发团队紧密合作,确保测试工作与开发工作同步进行。
1.3 开发和测试并行在敏捷开发中,开发和测试是并行进行的。
测试团队应当尽早介入到开发工作中,利用自动化测试工具进行自动化测试,并与开发团队进行频繁的交流和反馈,及时发现和修复问题。
1.4 持续集成和交付在敏捷开发中,持续集成和持续交付是核心原则之一。
测试团队应该通过自动化测试和持续集成工具,确保每一次代码提交都能够自动进行测试,并及时反馈测试结果。
这样可以快速发现问题,随时做出调整和修复。
1.5 小步快跑原则敏捷开发强调快速迭代和快速交付,提倡采用小步快跑的方式进行开发和测试。
测试团队应该根据项目要求,按照短期目标制定测试计划,每次迭代都进行测试,并及时反馈测试结果。
2. 敏捷开发中的测试工具为了提高敏捷开发中的测试效率,测试团队可以利用一些自动化测试工具,如:2.1 单元测试工具单元测试是敏捷开发中的重要环节,可以通过使用单元测试工具如JUnit、NUnit等,对代码进行快速、准确的测试,并快速发现和解决问题。
2.2 集成测试工具在敏捷开发中,集成测试也是必不可少的一步。
集成测试工具如Selenium、Jenkins等,可以帮助测试团队进行自动化集成测试,并提供丰富的测试报告和反馈。
敏捷测试的基本原则敏捷测试是一种在敏捷开发过程中应用的测试方法,旨在提高产品质量和开发效率。
敏捷测试的目标是在快速迭代的开发环境中及时发现和解决问题,确保软件交付具备高质量和稳定性。
敏捷测试依据一些基本原则来指导测试团队的工作,本文将探讨敏捷测试的基本原则。
一、持续测试与反馈敏捷测试注重持续测试和持续反馈。
持续测试意味着测试团队与开发团队紧密合作,及时对代码进行测试。
测试人员应当参与到整个开发过程中,包括需求讨论、功能设计、编码等。
通过持续测试,可以及早发现潜在问题,减少在后期修复问题的成本。
持续测试需要持续反馈。
测试团队应当及时将测试结果反馈给开发团队,让他们知道问题存在的地方,并及时修复。
同时,测试团队还应当向项目负责人和其他利益相关者提供测试结果报告,确保整个团队明确了解产品的质量状况。
二、自动化测试自动化测试是敏捷测试的核心手段之一。
通过使用适当的工具和框架,测试团队可以编写自动化测试脚本,用于执行重复性较强的测试任务。
自动化测试的优势在于提高测试效率和准确性,可以在每次代码变更后快速运行测试,及时发现问题。
自动化测试需要根据项目的具体需求选择适当的工具和框架,并进行合理的规划和设计。
同时,测试团队还应当注意自动化测试脚本的可维护性和可扩展性,确保其能够适应项目的变化和演进。
三、以用户为中心的测试敏捷开发过程中,用户需求的变更常常是不可避免的。
因此,敏捷测试应当以用户为中心,聚焦于验证产品是否满足用户需求和期望。
测试团队应当与产品经理和用户紧密合作,确保测试用例能够涵盖用户的关注点和实际业务场景。
以用户为中心的测试需要关注产品的功能、易用性、性能等方面。
测试团队应当通过不同的测试方法和技术,保证产品在各个方面的质量能够满足用户的期望。
四、小步快跑敏捷测试追求小步快跑的节奏。
测试团队应当根据项目的进展和需求变更,在每个迭代周期内进行相应的测试活动。
在每次迭代中,测试团队需要及时对增量功能进行测试,并验证其与系统其他部分之间的兼容性。
敏捷开发的相关简介敏捷定义Scrum是一个轻量级的软件开发方法Scrum是一个敏捷开发框架,是一个增量的、迭代的开发过程。
在这个框架中,整个开发周期包括若干个小的迭代周期,每个小的迭代周期称为一个Sprint,每个Sprint的建议长度2到4周。
在Scrum中,使用产品Backlog来管理产品或项目的需求,产品backlog是一个按照商业价值排序的需求列表,列表条目的体现形式通常为用户故事。
Scrum的开发团队总是先开发的是对客户具有较高价值的需求。
在每个Sprint中,Scrum开发团队从产品Backlog中挑选最有价值的需求进行开发。
2.5.11.最好的架构、需求和设计产生于自我组织的团队。
12.团队定期地对运作如何更加有效进行反思,并相应地调整、校正自己的行为。
敏捷的角色1产品负责人产品负责人(ProductOwner)的职责如下:?确定产品的功能。
?决定发布的日期和发布内容。
?为产品的ROI负责。
?根据市场价值确定功能优先级。
?每个Sprint,根据需要调整功能和优先级(每个Sprint开始前调整)。
?接受或拒绝接受开发团队的工作成果。
2ScrumMaster作为TeamLeader和Productowner紧密地工作在一起,他可以及时地为团队成员提供帮助。
他必须:?保证团队资源完全可被利用并且全部是高产出的。
?保证各个角色及职责的良好协作。
?解决团队开发中的障碍。
?做为团队和外部的接口,屏蔽外界对团队成员的干扰。
?保证开发过程按计划进行,组织DailyScrum,SprintReviewandSprintPlanningmeetings。
3Team负责产品的开发?一般情况人数在5-9个左右?团队要跨职能?团队展示Sprint中完成的功能?一般是通过现场演示的方式展现功能和架构?不要太正式?不需要PPT?一般控制在2个小时?团队成员都要参加?可以邀请所有人参加4、Sprint回顾会议Sprint回顾会议上,全体成员讨论有哪些好的做法可以启动,哪些不好的做法不能再继续下去了,哪些好的做法要继续发扬。
敏捷开发中的敏捷测试与质量保障敏捷开发是一种快速且灵活的软件开发方法,旨在缩短开发周期、增加交付频率和提高客户满意度。
在敏捷开发的过程中,敏捷测试和质量保障发挥着至关重要的作用。
本文将探讨敏捷开发中的敏捷测试实践和质量保障方法,以及它们对软件开发项目的意义和影响。
1. 敏捷测试的概念与原则敏捷测试是指将测试作为敏捷开发过程的一部分,旨在快速、高效地检测和纠正软件中的缺陷。
敏捷测试的原则包括:测试与开发同步进行、持续集成测试、自动化测试、团队合作等。
这些原则确保了敏捷测试的有效性和可行性。
2. 敏捷测试的实践在敏捷开发的过程中,敏捷测试的实践主要包括以下几个方面:2.1. 包含测试团队的交叉功能团队在敏捷开发团队中,测试团队成员应当与开发人员、产品经理和用户代表等其他角色密切合作。
这种交叉功能团队可以加快信息交流和问题解决的速度,从而实现更高效的软件开发。
2.2. 提前做测试计划在敏捷项目启动之前,测试团队应当与开发团队一起制定详细的测试计划。
测试计划应当明确测试的范围、目标、方法和排期,并与开发计划相协调。
2.3. 进行持续集成测试持续集成测试是敏捷测试的重要实践之一。
开发人员在提交代码到版本控制系统之后,测试团队立即进行集成测试,以尽早发现和解决潜在的缺陷。
通过自动化测试工具和频繁的集成测试,可以有效地提高软件的质量。
2.4. 存在多种测试级别敏捷测试通常包括单元测试、集成测试、系统测试和验收测试等多个级别。
每个级别的测试都有不同的目标和侧重点,可以全面地检测和验证软件的各个方面。
3. 敏捷测试的优势和挑战敏捷测试相比传统的瀑布模型测试具有以下优势:3.1. 更早地发现缺陷敏捷测试强调持续测试和快速反馈,可以在软件开发的早期阶段就发现和修复缺陷,避免其在后续阶段的扩大和累积。
3.2. 更高效地测试工作敏捷测试通过自动化测试、持续集成和交叉功能团队的协作,可以减少测试工作的重复性和手动性,提高测试效率和质量。
敏捷软件测试原则与实践在当今快速发展的软件行业中,敏捷开发方法已经成为了主流。
与之相适应,敏捷软件测试也应运而生,并且在保障软件质量方面发挥着至关重要的作用。
敏捷软件测试并非是对传统测试方法的简单否定,而是在其基础上进行了优化和创新,以更好地适应敏捷开发的节奏和需求。
敏捷软件测试的原则强调了测试的及时性、持续集成、协作以及对变化的快速响应。
首先,及时性是敏捷测试的核心原则之一。
这意味着测试活动需要尽早地介入到软件开发的过程中,从需求分析阶段就开始参与,以便能够更早地发现问题,降低修复成本。
在传统的开发模式中,测试往往在开发的后期才进行,此时发现的问题可能需要耗费大量的时间和资源去修复。
而在敏捷中,测试人员与开发人员紧密合作,从项目的一开始就共同努力,确保软件的质量。
持续集成也是敏捷测试的重要原则。
在敏捷开发中,代码的频繁提交和集成是常态。
为了保证每次集成后的代码质量,测试需要自动化并且能够快速执行。
通过持续集成工具,每次代码的提交都会触发自动化测试脚本的运行,及时反馈代码的质量状况。
这样可以在开发过程中快速发现并解决问题,避免问题的积累和放大。
协作是敏捷开发的灵魂,在敏捷测试中同样如此。
测试人员不再是孤立的个体,而是与开发人员、产品经理、业务分析师等组成一个紧密的团队。
大家共同为实现项目的目标而努力,共享信息,互相支持。
通过频繁的沟通和协作,能够更好地理解项目的需求和目标,提高测试的效率和效果。
对变化的快速响应是敏捷测试的另一个关键原则。
在敏捷项目中,需求的变更和调整是常见的。
测试人员需要能够快速适应这些变化,及时调整测试策略和测试用例。
这要求测试人员具备灵活的思维和快速的学习能力,能够在变化中迅速找到新的测试重点和方向。
在实践方面,敏捷软件测试采用了一系列独特的方法和技术。
首先是测试驱动开发(TDD),这是一种在编写代码之前先编写测试用例的方法。
开发人员根据测试用例来编写代码,只有当测试通过时,代码才算完成。
敏捷开发测试规范(试行)2012年9月版本记录目录1 概述 (4)1.1 编写目的 (4)1.2 读者对象 (4)1.3 术语定义 (5)2 敏捷测试流程 (5)2.1 需求验证 (6)2.2 用例设计 (6)2.3 用例审核与维护 ................................................................................... 错误!未定义书签。
2.5 测试实施运行 (7)2.6 版本控制 (8)2.7 需求变更 (9)2.8 迭代末期“bug大扫除” (9)3 敏捷测试方法与策略 (10)3.1 持续测试、持续反馈 (10)3.2 单元测试方法策略 (10)3.3 功能测试方法策略 (11)3.4 性能测试方法 (12)3.5 系统测试策略 (12)3.6 测试驱动研发 (13)3.7 持续集成测试 (14)4 终端移动互联网测试 (15)4.1 用户体验测试 (15)4.2 平台兼容性测试 (16)4.3 不同网络环境下测试 (16)4.4 多事务并发测试 (17)4.5 安装、卸载测试 (17)5 测试工具和环境 (18)5.1 单元测试工具 (18)5.2 功能回归测试工具 (19)5.4 持续集成测试环境 (19)6 测试人员要求 (19)6.1 人力需求 (19)6.2 测试人员能力要求 (20)7 附录 (21)1 概述1.1 编写目的ICT自主开发产品拟采用敏捷开发模式,为规范ICT支撑中心项目敏捷测试流程,明确敏捷开发模式下的术语定义,明确敏捷测试方法与策略,明确移动互联网测试特有的测试内容,确定敏捷开发模式下用到的测试工具以及测试环境,以及初步确定敏捷测试人力需求计算方式与对人员能力要求,特制定本规范。
本规范适用于采用敏捷开发模式下的所有自主开发移动互联网产品。
1.2 读者对象本规范读者对象为软件开发项目管理者、项目经理、测试经理、开发经理、开发组、测试组所有人员。
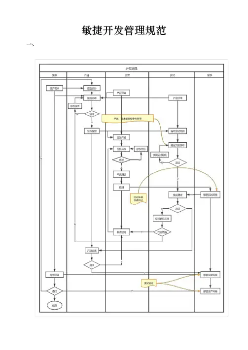
1.3 术语定义敏捷开发模式下的几种重要角色、产品文档及过程会议术语如表1-1:表1-12 敏捷测试流程2.1 验证需求和设计敏捷测试强调问题暴露越早越好。
需求和设计具体来说一般包括:(1)由项目经理根据需求文本而编写的产品用户故事或者是产品软件需求规格说明书;(2)由开发人员根据产品用户故事而编写的迭代用户故事,或者是详细设计、数据库设计、系统方案设计、概要设计(可裁剪,根据开发系统规模决定是否裁剪。
)。
作为测试人员,审核重点是检查产品用户故事、迭代用户故事对用户需求定义的完整性、严密性和功能设计的可测性。
在测试初期,测试人员要学会做静态测试,做好需求分析,做好对设计逻辑的分析。
测试人员要更多的思考需求的可实现性,将自身作为第一用户积极参与项目和系统的需求分析,设计和开发。
更多的参与DB Design(数据库设计),框架的评审中来。
积极地参与前期工作,尽早的开始测试,并迅速反馈给设计和开发其静态测试结果。
需求和设计验证产出物:测试需要提交评审结果。
2.2 用例设计与审核开发人员根据产品用户故事、迭代用户故事,设计测试用例,测试人员负责测试用例审核。
为保证测试用例的质量和可行性,确保测试工作的顺利进行,让开发人员、测试人员迅速地了解测试的重点并给出相应的意见和建议,用例设计人员在出输出测试用例的同时,应出一份用户故事与用例跟踪表(见附件:产品故事-燃尽图跟踪表),其中注明测试用例已覆盖了哪些用户故事,具体每个用户故事对应的测试用例编号,这样其他项目组成员对测试用例进行查看的时候,能够对测试用例的覆盖率一目了然,对覆盖率不足(如某个重点用户故事的测试用例覆盖不够)的地方能够及时给出意见。
测试人员负责用例审核。
2.3 测试计划敏捷测试的测试计划不需要复杂的计划文档,写出一页纸的测试计划,将测试要点(包括策略、特定方法、重点范围等)列出来即可,模板见附件。
2.4 测试实施运行敏捷开发模式中,测试与研发紧密结合在一起。
测试主要有两种:单元测试和验证/接收测试。
单元测试一般是由开发人员来完成的,接收测试是由客户代表来完成。
由于客户通常无法在现场,一般由测试人员做验证测试,最后由客户进行接收测试。
在每个版本发布给客户之前必须由测试人员进行测试,发布版本之后由客户做接收测试,提出需要修改的地方。
需要修改的地方将在下后面的迭代中完成。
·单元测试在每日构件版本给测试前,开发首先要做单元测试,提前告知软件中的薄弱环节,帮助测试人员调整测试重点。
做单元测试的好处是可以提高版本质量,减轻测试的工作量,减少浅层次的bug的发生率,使测试人员能够将更多的精力投入到寻找深层次的bug上面。
·验证测试测试人员的验证测试从总体上说就是将测试用例按计划付诸实施的过程,以及验证故障修复是否会引入新的故障。
这一阶段的测试必须在周密的计划下进行。
这种计划性首先体现在开发和测试的相互协调配合,根据产品的架构和功能模块的依赖关系,按照项目的总体计划共同推进。
从测试的过程来看,测试执行的一开始可以是针对部分用户故事的,之后可以逐步扩展。
接着开始采用迭代的过程完成测试任务,即将测试任务划分为多个周期,一开始可以做些关键的功能性/用户故事测试,可以对代码中的可复用部分(组件,构件)做完整的测试。
接着的迭代周期可以做边缘化的功能测试和其他测试,最后的几个迭代应该用于完整的回归测试,和关键的性能和稳定性测试。
·每日构件版本测试敏捷开发过程中除每个迭代中持续集成版本以外,还会有每日构件版本,每日构件版本测试用以验证前天修复的故障,以及测试故障修复是否会引入新的故障。
2.6 版本控制敏捷开发强调快速开发,持续集成。
版本包括每日构件版本、持续集成版本、验收测试版本三种类型。
1)版本号约定每日构件版本号约定:PXXV0.0.0D0823 (D后面是日期)持续集成测试版本号约定:PXXV0.1.0B01(从B01开始递增)验收测试版本号约定:PXXV1.0.0B01(从B01开始递增)说明:PXX为项目名,V0.0.0为每日构件版本,V0.1.0为集成阶段,V1.0.0为系统测试阶段。
2)版本发布规则每日构件版本。
每日发布每日构件版本,用于验证当天解决的故障,验证故障修改是否会引入新的故障。
持续集成测试版本。
每个迭代周期发布一个持续集成测试版本,如迭代周期为二周的,每个迭代周期可发布二个版本,由项目经理、测试经理协商决定。
验收测试版本。
项目开发后期迭代发布验收测试版本,每个迭代发布一个验收测试版本(项目经理和测试经理协商决定)。
3)版本发布说明版本每次发布必须提供发布说明(Release Note)使客户对发布的版本情况一目了然。
Release Note中主要包括三方面的内容:Fixed,New Features,Known Problems。
其中,Fixed部分写明此版本修复了上个版本中存在的的哪些比较大的bug;New Features 部分写明此版本新增加了哪些功能;Known Problems部分写明此版本尚存在哪些比较大的问题,有待下个版本改善;或者列出需求不太明确的地方,有待客户给出明确答复意见,在下个版本中完成。
2.7 需求变更采用敏捷开发模式的项目中,客户对于需求的变更很频繁。
因此,需求管理是十分必要和重要的工作。
整个项目进行过程中,对不断变化的需求,一定要作跟踪,每次的需求变更都要有相应的历史记录,方便后期的管理和维护工作。
可将每次的变更整理记录到产品故事-燃尽图跟踪表(见附件),并使该文档始终保持最新更新的状态,与需求的变化保持同步。
同时更新项目管理系统上面的产品用户故事与测试用例。
2.8 迭代末期“bug大扫除”在项目开发的迭代末期,可以开展“bug大扫除”活动。
划出一个专门的时间段,在这期间所有参与项目的人员,集中全部精力,搜寻项目的Bug。
注意以下要点:(1)尽管这是一个测试活动,但参与者并不仅限于测试人员。
项目经理,开发人员甚至于高层管理人员都应参加,如同全民动员。
目的是要集思广益;(2)要鼓励各部门,领域交叉搜索,因为新的思路和视角通常有助于发现更多的Bug;(3)为调动积极性,增强趣味性,可以适当引入竞争机制,比如当活动结束时,评出发现Bug最多,发现最严重Bug的个人,给以物质和精神奖励。
(4)可以分专题展开,比如安全性、用户界面可用性、国际化和本地化等等。
3 敏捷测试方法与策略3.1 持续测试、持续反馈敏捷测试是持续测试、持续反馈的过程,测试人员扮演“用户代表”角色,确保产品满足客户的需求。
测试报表,测试日志都能及时得到反馈。
3.2 单元测试方法策略单元测试是对功能模块进行正确检验的测试工作,也是后续测试的基础。
目的是在于发现各模块内部可能存在的各种差错,因此需要从程序的内部结构出发设计测试用例,着重考虑以下五个方面:1)模块接口:对所测模块的数据流进行测试。
2)局部数据结构:检查不正确或不一致的数据类型说明、使用尚未附值或尚未初始化的变量、错误的初始值或缺省值。
3)路径:虽然不可能做到穷举测试,但要设计测试用例查找由于不正确的计算(包括算法错、表达式符号表示不正确、运算精度不够等)、不正确的比较或不正常的控制流(包括不同数据类型量的相互比较、不适当地修改了循环变量、错误的或不可能的循环终止条件等)而导致的错误。
4)错误处理:检查模块有没有对预见错误的条件设计比较完善的错误处理功能,保证其逻辑上的正确性。
5)边界:注意设计数据流、控制流中刚好等于、大于或小于确定的比较值的用例。
单元测试除代码走查外,敏捷团队成员要能熟练单元测试工具开展单元测试,确保代码质量。
3.3 功能测试方法策略功能测试的目标主要包括:✓是否有遗漏需求;✓是否正确的实现所有功能/用户故事;✓隐示需求在系统是否实现;✓输入、输出是否正确;移动互联网应用的功能测试侧重于所有可直接追踪到用例(用户故事)、业务功能和业务规则的测试需求,这种测试的目标是核实数据的接受、处理和检索是否正确,以及业务规则的实施是否恰当。
功能测试基于黑盒技术,通过图形用户界面(GUI)与应用程序进行交互,并对交到的输出或结果进行分析,以此来核实实用程序及其内部进程正确与否。
敏捷模式下的功能测试方法策略:已经实现功能的自动化测试。
对前期迭代中已经实现的功能,采用工具进行自动化测试,即功能回归自动化测试。
新实现功能的手工测试。
主要验证用户故事是否正确实现,与用例是否相符。
新实现功能的探索性测试。
针对新实现的功能,除验证用户故事是否实现以外,还需要拓展测试内容。
测试系统是否会有其他意想不到的异常或者缺陷。
探索性测试说明:探索性测试是一种测试风格,不是具体的某种测试技术,强调个人自由与职责,将测试相关学习、测试设计、测试执行与结果分析三者相互支持和并行执行。