五金编码规则
- 格式:doc
- 大小:53.27 KB
- 文档页数:11
五 金 备 件 编 码 规 则五金备件编码规则分为14位:流水号 规格代号货品名称(附表四) 五金中类(附表三) 五金大类(附表二) 库别代号(附表一)第一级表示库别代号 (详见附表一) 附表一第二级表示五金大类 (详见附表二)第三级表示五金中类(详见附表三)第四级表示五金货品名称 (详见附表四) 附表四第五级表示规格代号五金编码的规格代号应根据具体的情况来定义,通常为三位,位数不够的应在前面加“0”补齐三位。
标准件类的货品名称一般为其的外径;刃具中的一般刃具通常取它的规格代码,例如YT15 C303的合金刀头,它的规格代号为015,4*18*200的白钢车刀规格代号就是004;钻头铣刀铰刀类的通常是刀具的直径,例如φ20超硬立铣刀规格代号为020,但40-2铣刀套的规格代号就是040,取它前面的数字作为规格代号。
计量具类的规格代号通常为能测范围的起始范围,如0-100游标卡尺规格代号是000,但钢直尺、钢卷尺圆规类的通常为它的测量范围,如300mm圆规的规格代号300。
工具类和焊材类都是根据各种不同的型号来确定的。
钳工工具的通常是他的规格号,2#漆刷规格代号002.4.0mmD212焊条的规格代号就是004.轴承类的型号有的超过三位数的,通常取前三位,例如6214的轴承规格代号就是621,前面带有字母的也去其数字作为规格代号,NNF5038PP圆柱滚子轴承的规格代号就是503.套管、有色金属、非金属和配件类的,通常取他的型号或者外径来确定。
第六级表示五金批号,通常也是三位数字,向规格型号只有直径的通常批号为000,如φ160定向轮的批号就是000,规格型号多于三位的轴承类的,他的批号就是轴承规格型号的后几位,从第四位开始,如6214的轴承批号就是400;量具类的就是可测范围的终止长度,如0-100游标卡尺的批号就是100.第五级为规格代号,需要根据具体的情况来确定:钢板类通常取板材的厚度,圆钢类、钢丝绳和链条则取直径,钢管类则是它的外径,规格代号通常为三位,如果位数不够,可以在前面加“0”。
零件编码规则
6.0 零件编码规则
零件编码以字母和数字共8位来表示:
6.1第1、2位表示零件类型,以两位字母组成
6.2第3至6位表示零件流水号,以四位数字组成表示
6.3第7、8位表示零件的颜色代码,以用两位字母表示
以上零件编码方式适用于品种少,无统一性规格的零件。
如遥控器、电线保护套等等。
客户/厂商编码规则
8.0 客户/厂商编码规则
以五位码构成,第一位以字母作区分
1.客户/厂商代码由一位字母表示,具体区分:客户代号统一用“A”字母开头,
如:The PVH-A0001;采购厂商代号统一用“B”字母开头;委外厂代号商统一用“C”字母,其它杂类厂商代号用“U”字母开头。
2.流水号以四位数字组成
部门编码规则9.0 部门编码规则
库位编码规则
10.0 库位编码规则
库位编码由6位码组成
第1位为数字代表第几厂房
第2位为数字代表第几楼层
第3位为字母代表大区
第4位为字母代表小区
第5位为数字代表第几排
第6位为序列号。
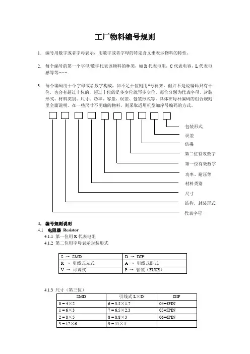
工厂物料编号规则1. 编号用数字或者字母表示,用数字或者字母的特定含义来表示物料的特性。
2. 每个编号的第一个字母/数字代表该物料的种类,如R 代表电阻,C 代表电容,L 代表电感等等……3. 每个编码用十个字母或者数字构成,如不足十位则用*号补齐。
但并不是说编码只有十位,也会有超过十位的,超过十位的是多少位就写多少位。
每位分别为代表字母、封装形式、材料类别、尺寸、功率、容量、误差、包装形式等。
具体在每种编码的组合规则里全面说明。
在一些尺寸不明确的物料,则采取适用机型加序号编码的方式。
4. 编号规则说明 4.1 电阻器 Resistor4.1.1 第一位用R 代表电阻4.1.2 第二位用字母表示封装形式4.1.3 包装形式 误差倍乘 第二位有效数字 第一位有效数字 功率、耐压等材料类别 尺寸结构、封装形式 代表字母4.1.6 第六~八位代表阻值(用数字)换算方法:a.先将阻值换算成以Ω为单位,如1kΩ=1000Ω;b.再将阻值写成科学计算方式,如1000Ω=10×102Ω;c.然后取前两位有效数与10的指数,如1kΩ表示为102;d.再如3.3Ω=33×10-1Ω 3.3Ω表示为33A (A表示-1,B表示-2,……)如有电阻阻值为49.9K,则其表示方法为:4992,比前面多出一位.如是保险丝则第三位:如尺寸不明,则用X代替第五—七位:电压:250V=250第八—九位:电流:1.5A=15第十位:包装4.2电容器Capacitor4.2.1 第一位用C代表电容器4.2.4 第四位代表电介质4.2.54.2.6 第六~八位代表容量换算方法:a.先将容量换算成以pF为单位,如:0.47μF=470000pF;b.再将容量换算成科学计算方式,如:470000pF=47×104pF;c.然后取前两位有效数与10的指数,如0.47μF表示为474;d.再如3.3p=3×10-1pF 3.3pF表示为33A (A表示-1,B表示-2,……)4.2.74.2.8可调式电容:第四位:耐压,同上.第五—十位:容量如1.3-2.3PF→13A23A然后为误差与包装形式,均同上.4.3 电感器Inductor4.3.1 第一位用L字母表示电感4.3.2 第二位表示封装形式4.3.3 第三位表示尺寸同电容,如不适用时则用X表示。
五金备件编码规则
五金备件编码规则分为14位:
第一级表示库别代号(详见附表一)附表
库别名称五金备件库
代号02
第二级表示五金大类(详见附表二)
附表二
五金种类标准件刃具计量具工具焊材轴承套管有色金属非金属配件代号01 02 03 04 05 06 07 08 09 10
第三级表示五金中类(详见附表三)
附表三
名称标准件螺栓
螺钉
螺柱
螺母垫圈销键弹簧
代号01 01 02 03 04 05 06
名称刃具一般
刃具
钻头铳刀铰刀
代号02 01 02 03 04
名称计量具尺类
量具
表类
量具
其他
量具
秤重
具
丿、
仪器
代号03 01 02 03 04 05
名称工具手工
工具
钳工
工具
电动
工具
焊割
工具
减压
器
磨料其它
工具
代号04 01 02 03 04 05 06 07 名
称
焊材焊材
代号05 01 02 03
名
称
轴承轴承
代号06 01 流水号
规格代号
货品名称(附表四)五金中类(附表三)五金大类(附表二)库别代号(附表一)
第四级表示五金货品名称(详见附表四)附表四。
五金产品编码原则版五金产品编码原则是对五金产品进行分类和标识的基本准则,是五金行业中管理和交流的重要工具。
通过合理的编码原则,可以方便快捷地了解和识别各类五金产品,提高管理和运营的效率。
下面是五金产品编码原则的几个方面:一、统一性原则五金产品编码原则首先要求统一性,即在整个五金行业中,对五金产品的编码方式和标识要求基本一致。
这样可以避免不同企业之间的混乱和冲突,方便各方之间的交流和合作。
统一性原则还可以加强五金行业的标准化管理,提高整个行业的竞争力。
二、层次性原则五金产品编码原则还要求层次性,即将五金产品按照一定的层次进行编码和分类,以便更好地识别和管理。
通常可以将五金产品按照产品类别、规格型号、材料等进行划分。
这样既方便了对五金产品的分类和标识,也方便了后续的查询和管理。
三、规范性原则五金产品编码原则还要求规范性,即编码和标识的规则要明确、简单易懂,并且能够覆盖五金产品的各个方面。
规范性原则的好处是可以减少误读和误解,提高工作效率和准确度。
同时,规范性原则还可以为新加入五金行业的企业提供参考和指导,减少他们的学习和摸索成本。
四、可拓展性原则五金产品编码原则还要求可拓展性,即编码体系应该能够适应五金行业不断发展和变化的需求。
随着科技的进步和新产品的不断推出,五金产品的种类和数量都会不断增加。
编码体系要有足够的扩展性,可以容纳新的产品和新的编码需求。
五、唯一性原则五金产品编码原则还要求唯一性,即每个五金产品应该有一个唯一的编码,不同的产品之间不能有重复的编码。
这样可以避免因编码冲突而导致的混淆和误判。
唯一性原则还可以方便对五金产品的追溯和管理,减少产品管理上的纠纷和风险。
六、简洁性原则五金产品编码原则还要求简洁性,即编码应该尽量简洁明了,能够用最少的码位表示最多的信息。
这样不仅可以提高编码的速度和效率,还可以减少编码错误的可能性。
简洁性原则还可以方便对五金产品进行手工标识,节省人力和成本。
综上所述,五金产品编码原则是五金行业管理和交流的重要准则,通过统一性、层次性、规范性、可拓展性、唯一性和简洁性等原则的约束,可以方便快捷地识别和管理五金产品,提高工作效率和准确度。
五 金 备 件 编 码 规 则五金备件编码规则分为14位:流水号 规格代号货品名称(附表四) 五金中类(附表三) 五金大类(附表二) 库别代号(附表一)第一级表示库别代号 (详见附表一) 附表一第二级表示五金大类 (详见附表二) 附表二第三级表示五金中类(详见附表三) 附表三第四级表示五金货品名称 (详见附表四) 附表四第五级表示规格代号五金编码的规格代号应根据具体的情况来定义,通常为三位,位数不够的应在前面加“0”补齐三位。
标准件类的货品名称一般为其的外径;刃具中的一般刃具通常取它的规格代码,例如YT15 C303的合金刀头,它的规格代号为015,4*18*200的白钢车刀规格代号就是004;钻头铣刀铰刀类的通常是刀具的直径,例如φ20超硬立铣刀规格代号为020,但40-2铣刀套的规格代号就是040,取它前面的数字作为规格代号。
计量具类的规格代号通常为能测范围的起始范围,如0-100游标卡尺规格代号是000,但钢直尺、钢卷尺圆规类的通常为它的测量范围,如300mm圆规的规格代号300。
工具类和焊材类都是根据各种不同的型号来确定的。
钳工工具的通常是他的规格号,2#漆刷规格代号002.4.0mmD212焊条的规格代号就是004.轴承类的型号有的超过三位数的,通常取前三位,例如6214的轴承规格代号就是621,前面带有字母的也去其数字作为规格代号,NNF5038PP圆柱滚子轴承的规格代号就是503.套管、有色金属、非金属和配件类的,通常取他的型号或者外径来确定。
第六级表示五金批号,通常也是三位数字,向规格型号只有直径的通常批号为000,如φ160定向轮的批号就是000,规格型号多于三位的轴承类的,他的批号就是轴承规格型号的后几位,从第四位开始,如6214的轴承批号就是400;量具类的就是可测范围的终止长度,如0-100游标卡尺的批号就是100.第五级为规格代号,需要根据具体的情况来确定:钢板类通常取板材的厚度,圆钢类、钢丝绳和链条则取直径,钢管类则是它的外径,规格代号通常为三位,如果位数不够,可以在前面加“0”。
产品物料编码规则本规则规定物料编码的编制方法,可为本厂的物料检索提供方便。
它具有相关性、精确管理性、方便性、唯一性。
一、物料料号编码原则分为10大类:分别以数字开头第一个数区分:二、10大类里面又分类,视其特性不同,分类方法也不同,具体如下:1)、成品在第2-6位数按产品现有编号编写,不足5位以0补足,如CA905写为190500××××;第7位是材质编码,代表产品主结构的材质;1为铁质、2为铝质、3不锈钢、4为塑胶;5为木质,以后有其他材质往下编,如CA905写为1905001×××;第8-10位是流水号;如CA905写为1905001001;(手写也可写成1-90500-1-001);说明:如果主结构件有改变时,要变产品型号,如CA905B后轮套管改了,应写成1905101001,在型号第4位按顺序编,如果只是配置不同,就在流水号中按顺序编号;2)、半成品第2-6位数按现有产品编号分类,不足5位以0补足。
第7位数为材质编码;代表产品结构的材质;1为铁质;2为铝质、3不锈钢、4为塑胶;5为木质,以后有其他材质往下编至8;9为组装好的半成品,第8-10位为流水号,如CA905左边主架,应写成2905001001,右边为2905001002CA912左拆脚总成写为2912009001;3)、毛坯半成品在第一位数字后2-6位数按产品现有编号编写,不足5位以0补足。
第7位数为材质编码;代表产品主结构的材质;1为铁质;2为铝质、3不锈钢、4为塑胶;以后有其他材质往下编;第8位数区分,0-2为焊接好的部件,3-5为待焊接成部件的支零件,6-9为不用焊接的零件,如CA882L的前支承架,编号应写为38820020××,如果是前支承管编号应写成38820023××;CA882L的靠背管应写成38820026××第9-10位为流水号;4)、塑胶件第2位为型号类别;9代表手动轮椅、8代表助行器、7待定、6代表马桶椅、5代表电动轮椅、4待定、3代表浴室类、2代表产品附件、1代表病床;第5-7位代表颜色;颜色按颜色编号编写;第8-10位流水号5)、小五金件第2位为类别代码:9代表手动轮椅、8代表助行器、7待定、6代表马桶椅、5代表电动轮椅、4待定、3代表浴室类、2代表产品附件、1代表病床;第5-7位代表颜色;颜色按颜色编号编写;00代表毛坯第8-10位流水号6)、标准件第4位代表表面处理方式;0为本色、1为镀白锌、2为镀黑锌、3为镀彩锌、4为镀铬、5为发黑、6为电解、7为酸洗。
苏州益而益光电有限公司文件编号文件名称编写张小平原材料编码规则文件版次A/0 审核文件页数1/20 核准: 会签品保部工程部修改记录日期版次页次条文修订内容变更人备注1目的为了对原材料统一管理,更方便的实现信息化和系统化,特对公司所有原材料进行分类编码,达到一物一号的管理。
2 适用范围适用于益而益(集团)光电有限公司所有原材料的编码。
3 职责1、技术部负责产品的编码;2、技术部负责物料编码的编制与发放。
4 定义物料编码是计算机系统对物料的唯一识别代码。
它用一组代码来代表一种物料。
物料编码必须是唯一的,也就是,一种物料不能有多个物料编码,一个物料编码不能有多种物料;5内容1、本物料编码系统基本定位10位;2、第一位、第二位:为原材料大小类,将原材料分为较细的组别,具体参照《原材料分类表》;3、第三位到第十位为物料的具体属性规格,请参照相应编码原则;4、原材料分类表大类小类A-原材料1电阻2电容3电感&磁珠&变压器&保险丝4半导体 5 PCB 6 LEDC-板金类1五金类 2 压铸类G-塑料橡胶 1 套管类E-电子电器1连接器2端子F-电缆1漆包线2引线H-包装印刷1纸类2塑料类3标贴类 4 铁皮类I-辅助材料1胶类2劳保类 3 焊接材料类4化学类O-工具类 1 电动类2量具类3手动类A.1、电阻系统结构说明:A 1 X XXXXXXX电阻规格属性电阻分类A.1.0、电阻分类说明0 碳膜电阻(CR)1 金属皮膜电阻(MF)2 金属氧化膜电阻(MO)3 热敏电阻(PTC\NTC)4 压敏电阻(RV)5 精密电阻6 预留7 预留8 预留9 其他电阻A.1.1、碳膜电阻(CR)&金属皮膜电阻(MF)&金属氧化膜电阻(MO)1位物料类型2位物料名称3位电阻种类4、5、6位阻值大小7位封装8位功率大小9、10位流水号A原材料 1 电阻0=碳膜电阻(CR)1=金属皮膜电阻(MF)2=金属氧化膜电阻(MO) 阻值所有换算为Ω,所有阻值都必须换算为XX*10的N次方;前二位表示电阻值,后一位表示幂次方,各种幂次方表示方法:0=100 1=101 2=1023=1034=104 5=1056=1067=1078=10-2 9=10-1如104代表100KΩ0=DIP1=SMD 04022=SMD 06033=SMD 08054=SMD 12065=预留6=预留7=预留8=预留9=预留0=1/16W1=1/10W2=1/8W3=1/4W4=1/2W5=1W6=2W7=预留8=预留9=预留厂家从01开始A.1.2、热敏电阻(PTC\NTC)1位物料类型2位物料名称3位电阻种类4位热敏电阻分类5、6、7位阻值大小8、9、10位流水号A原材料1电阻3=热敏电阻0=PTC1=NTC2=预留3=预留4=预留5=预留6=预留阻值所有换算为Ω,所有阻值都必须换算为XX*10的N次方;前二位表示电阻值,后一位表示幂次方,各种幂次方表示方法:0=100 1=101 2=102 3=1034=1045=105 6=106 7=107 8=10-29=10-1厂家、功率、封装、开关温度从001开始9=预留A.1.3、压敏电阻(RV)1位物料类型2位物料名称3位电阻种类4、5、6位压敏电压7、8位芯片直径9、10位流水号A原材料 1 电阻4=压敏电阻(RV) 压敏电压所有换算为V,所有压敏电压都必须换算为XX*10的N次方,前二位表示电压值,后一位表示幂次方;各种幂次方表示方法:0=100 1=101 2=1023=1034=104 5=1056=106 7=1078=10-2 9=10-1如102代表1KV 05=5mm(05D)07=7mm(07D)10=10mm(10D)14=14mm(14D)20=20mm(20D)25=25mm(25D)32=32mm(32D)40=40mm(40D)电流、电阻值、厂家从01开始A.1.4、精密电阻1位物料类型2位物料名称3位电阻种类4、5、6、7位阻值大小8位封装9、10位流水号A原材料 1 电阻5=精密电阻阻值所有换算为Ω,所有阻值都必须换算为XXX*10的N次方;前三位表示电阻值,后一位表示幂次方,各种幂次方表示方法:0=100 1=101 2=102 3=1034=104 5=105 6=10-47=10-38=10-2 9=10-1如1001代表1KΩ0=DIP1=SMD 04022=SMD 06033=SMD 08054=SMD 12065=预留6=预留7=预留8=预留9=预留厂家、功率从01开始A.1.5 、其他电阻1位物料类型2位物料名称3位电阻种类4位其他电阻分类5、6、7位阻值大小8、9、10位流水号2=排阻3=预留4=预留5=预留6=预留7=预留8=预留9=预留阻值,后一位表示幂次方,各种幂次方表示方法:0=100 1=101 2=102 3=1034=104 5=105 6=1067=1078=10-2 9=10-1如104代表100KΩA.2、电容系统结构说明:A 2 X XXXXXXX电容规格属性电容分类电容原材料A.2.0、电容分类说明0 安规电容1 陶瓷电容2 电解电容3 钽电容4 独石电容5 塑胶型电容6 预留7 预留8 预留9 预留A.2.1、安规电容1位物料类型2位物料名称3位电容种类4位安规电容分类5、6、7位容值大小8、9 、10位流水号1=Y电容2=X2电容3=Y2电容4=预留5=预留6=预留7=预留8=预留9=预留须换算为XX * 10的N次方, 前二位为容值,后一位表示幂次方.各种幂次方表示方法:0=100 1=101 2=102 3=1034=104 5=105 6=1067=1078=10-2 9=10-1如:4.7uF记为475从001开始A.2.2、陶瓷电容1位物料类型2位物料名称3位电容种类4 、5、6位容值大小7位封装8位精度9 、10位流水号A原材料 2 电容1=陶瓷电容容值所有换算为pf, 所有电容值都必须换算为XX * 10的N次方, 前二位为容值,后一位表示幂次方.各种幂次方表示方法:0=100 1=101 2=1023=1034=104 5=1056=1067=107 8=10-29=10-1如:4.7uF记为475 0=DIP1=SMD 04022=SMD 06033=SMD 08054=预留5=预留6=预留7=预留8=预留9=预留0=NPO1=X7R2=X5R3=Y5V4=预留5=预留6=预留7=预留8=预留9=预留厂家、功率、耐压从01开始A.2.3、电解电容1位物料类型2位物料名称3位电容种类4 、5、6位容值大小7位厂家8、9 、10位流水号A原材料 2 电容2=电解电容容值所有换算为pf, 所有电容值都必须换算为XX * 10的N次方, 前二位为容值,后一位表示幂次方.各种幂次方表示方法:0=100 1=101 2=1023=1034=104 5=1056=1067=107 8=10-29=10-1如:4.7uF记为475 0=NICHICON1=预留2=预留3=预留4=预留5=预留6=预留7=预留8=预留9=预留封装、耐压、耐温从001开始A.2.4、钽电容1位物料类型2位物料名称3位电容种类4 、5、6位容值大小7位封装8位厂家9 、10位流水号A原材料 2 电容3=钽电容容值所有换算为pf, 所有电容值都必须换算为XX * 10的N次方, 前二位为容值,后一位表示幂次方.各种幂次方表示方法:0=100 1=101 2=1023=1034=104 5=1056=1067=107 8=10-29=10-1如:4.7uF记为475 0=DIP1=SMD 32162=SMD 35283=SMD 60324=SMD 73435=预留6=预留7=预留8=预留9=预留0= NICHICON1=预留2=预留3=预留4=预留5=预留6=预留7=预留8=预留9=预留功率、耐压、误差从01开始A.2.5、独石电容1位物料类型2位物料名称3位电容种类4 、5、6位容值大小7位封装8位精度9 、10位流水号A原材料 2 电容4=独石电容容值所有换算为pf, 所有电容值都必须换算为XX * 10的N次方, 前二位为容值,后一位表示幂次方.各种幂次方表示方法:0=100 1=101 2=1023=1034=104 5=1056=1067=107 8=10-29=10-1如:4.7uF记为475 0=DIP1=SMD 04022=SMD 06033=SMD 08054=预留5=预留6=预留7=预留8=预留9=预留0=NPO1=X7R2=X5R3=Y5V4=预留5=预留6=预留7=预留8=预留9=预留功率、耐压、耐温、厂家从01开始A.2.6 、塑胶型电容1位物料类型2位物料名称3位电容种类4位安规电容分类5、6、7位容值大小8、9 、10位流水号A原材料 2 电容5=塑胶型电容0=CBB电容1=CBO电容2=涤纶电容3=预留4=预留5=预留6=预留7=预留8=预留9=预留容值所有换算为pf, 所有电容值都必须换算为XX * 10的N次方, 前二位为容值,后一位表示幂次方.各种幂次方表示方法:0=100 1=101 2=102 3=1034=104 5=105 6=1067=1078=10-2 9=10-1如:4.7uF记为475厂家、封装、耐压从001开始A.3、电感&磁珠&变压器&保险丝说明:A 3 X XXXXXXX规格属性分类电感&磁珠&变压器&保险丝原材料A.3.0、分类说明0 电感1 磁珠2 变压器3 保险丝4 预留预留6 预留7 预留8 预留9 预留A.3.1、电感1位2位3位 4 、5、6位7位8、9、10位A原材料3、电感磁珠变压器保险丝0=电感电感值统一换算为uH, 所有电感值都必须换算为XX * 10的N次方, 前二位为容值,后一位表示幂次方.各种幂次方表示方法:0=100 1=101 2=102 3=1034=104 5=105 6=1067=1078=10-2 9=10-1.如:3mH记为3020=DIP1=SMD 04022=SMD 06033=SMD 08054=预留5=预留6=预留7=预留8=预留9=预留厂家、额定电流、误差从001开始A.3.2、磁珠1位物料类型2位物料名称3位物料分类4 、5、6位频率值7位封装8、9、10位流水号A原材料3、电感磁珠变压器保险丝1=磁珠频率值统一换算为kHz, 所有频率值都必须换算为XX * 10的N次方, 前二位为频率值,后一位表示幂次方.各种幂次方表示方法:0=100 1=101 2=102 3=1034=104 5=105 6=1067=1078=10-2 9=10-1如: 16MHz记为1630=DIP1=SMD 04022=SMD 06033=SMD 08054=预留5=预留6=预留7=预留8=预留9=预留厂家、额定电流、误差从001开始A.3.3、变压器1位物料类型2位物料名称3位物料分类4 、5、6位电感值7、8、9、10位流水号A原材料3、电感磁珠变压器保险丝2=变压器电感值统一换算为uH, 所有电感值都必须换算为XX * 10的N次方, 前二位为容值,后一位表示幂次方.各种幂次方表示方法:厂家、额定频率、功率、电压、封装从0001开始8=10-2 9=10-1 .如:3mH记为302A.3.4、保险丝1位物料类型2位物料名称3位物料分类4 、5、6位额定电流7位封装8、9、10位流水号A原材料3、电感磁珠变压器保险丝3=保险丝额定电流统一换算为mA, 所有额定电流都必须换算为XX * 10的N次方, 前二位为电流值,后一位表示幂次方.各种幂次方表示方法:0=100 1=1012=1023=1034=1045=1056=106 7=1078=10-2 9=10-1如:1A记为1020=DIP1=SMD 04022=SMD 06033=SMD 08054=预留5=预留6=预留7=预留8=预留9=预留厂家、电压、颜色从001开始A.4、半导体系统结构说明:A 3 X XXXXXXX规格属性半导体分类半导体原材料A.4.0、半导体分类说明0 晶振1 二极管2 三极管3 MOS管4 IC6 桥堆7 预留8 预留9 预留A.4.1、晶振1位物料类型2位物料名称3位物料分类4 、5、6位震荡频率7位精度8、9、10位流水号A原材料4、晶振二极管三极管MOS管IC光耦桥堆0=晶振震荡频率统一换算为kHz, 所有震荡频率都必须换算为XX * 10的N次方, 前二位为频率值,后一位表示幂次方.各种幂次方表示方法:0=100 1=1012=1023=1034=1045=1056=106 7=1078=10-2 9=10-1如:1A记为1020= +/-5ppm1=+/-10ppm2=+/-20ppm3=+/-30ppm4=+/-40ppm5=+/-50ppm6=预留7=预留8=预留9=预留厂家、负载电容、频差、封装从001开始A.4.1、二极管1位物料类型2位物料名称3位物料分4 、5、6位极限电压值7位封装8、9、10位流水号A原材料4、晶振二极管三极管MOS管IC光耦桥堆1=二极管极限电压值统一换算为mV, 所有极限电压都必须换算为XX * 10的N次方,前二位为极限电压值,后一位表示幂次方.各种幂次方表示方法:0=100 1=1012=1023=1034=1045=1056=106 7=1078=10-2 9=10-1如:1A记为1020=DIP1=SMD 04022=SMD 06033=SMD 08054=预留5=预留6=预留7=预留8=预留9=预留厂家、极限电流、误差、功率从001开始A.4.2、三极管1位物料类型2位物料名称3位物料分类4 、5、6位极限电压值7、8位极限电流9、10位流水号A原材料4、晶振2=三极管极限电压值统一换算为mV, 所有极限00=1A 厂家、误差、封装二极管三极管MOS管IC 光耦桥堆电压都必须换算为XX * 10的N次方,前二位为极限电压值,后一位表示幂次方.各种幂次方表示方法:0=100 1=1012=1023=1034=1045=1056=106 7=1078=10-2 9=10-1如:1A记为10201=2A从01开始A.4.3、MOS管1位物料类型2位物料名称3位物料分类4 、5、6位极限电压值7、8位极限电流9、10位流水号A原材料4、晶振二极管三极管MOS管IC光耦桥堆3=MOS管极限电压值统一换算为mV, 所有极限电压都必须换算为XX * 10的N次方,前二位为极限电压值,后一位表示幂次方.各种幂次方表示方法:0=100 1=1012=1023=1034=1045=1056=106 7=1078=10-2 9=10-1如:1A记为10200=1A01=2A厂家、误差、封装从01开始A.4.4、IC1位物料类型2位物料名称3位物料分类4 、5、6位7、8位9、10位流水号A原材料4、晶振二极管三极管MOS管IC光耦桥堆4=IC 厂家、误差、封装从01开始A.4.5、光耦1位物料类型2位物料名称3位物料分类4 、5、6位正向电流7、8位正向电压9、10位流水号A原材料4、晶振二极管三极管MOS管IC光耦桥堆5=光耦厂家、误差、封装从01开始规格大小★当分类=0(晶振)时,该位表示 (基础单位:kHz)★当分类=1,2,3(二极管,三极管,MOS管),该位表示极限电压值(基础单位:mV)★当分类=5(光耦)时,该位表示正向电流(基础单位:mA)★当分类=6(桥堆)时,该位表示峰值反向电压(基础单位:V)以上必须都换算为XXX * 10的N次方, 前三位为基数,后一位表示幂次方.各种幂次方表示方法: 0=100 1=101 2=102 3=103 4=104 5=105 6=106 7=107 8=10-2 9=10-1特例(PIN脚数)★当分类=4(IC)时,前三位表示PIN脚数:如008=8PIN 056=56PIN 556=556PIN A12=1012PIN B56=1156PIN 后一位表示空位即补充码(从0开始)A5、PCB系统结构如下:A 5 X X XXXX XXPCB版本层数材料PCB原材料材料层数0 玻纤板0 单层1 FPCB 1 双层2 铝基板 2 预留3 纸基板预留4 预留 4 预留5 预留 5 预留6 预留 6 预留7 预留7 预留8 预留8 预留9 预留9 预留PCB版本具体请参照PCB图纸上的版本注:当为灯板时前面五位表示PCB版本,后一位为补充码(从1开始)。
深圳市***科技有限公司物料编码规则文件编号:WI-PD-003修订日期:2018年10月21日生效日期:2018年10月24日版本版次/修订履历核准:审核:制作:深圳市XXX科技有限公司1. 概述:为推行企业ER系统,对物料编码的规则重新定义,规范编码申请流程,标准化,顺畅化2. 范围:适用于富诚达科技有限公司内所有的原材料、包材、辅料、半成品、成品等物料的编号。
3. 内容3.1成品编码原则为:C**—***** — **W**3.1.1第一段中的“ C**”代表成品类别,如下表中“ C01”代表通讯类成品:3.1.2第二段中“ ***** ”:共五码,为物料流水码,按接单顺序生成流程码,如现有的260,编码就是“ 00260”。
3.1.3第三段“ **W**”为五码,前二码代表工序,成品工序均以“ 00” ;中间“ W固定,没有含义,分割料号和版次。
后二码为成品版次,样品阶段版次升级以AX BX CX…NX表示;量产阶段版次用A1、B1、C1…N1依次升级、量产中版次规避“ R,“|”“Q“Z”“ W五个字母。
如样品阶段第一个版本为“ AX',下一个版本为“ BX',量产版本现为“ B1” , 那么工程变更后升级版本到“ C1”。
3.1.4 完整的成品编码示例为:C01-00284-00WA1 C03-00283-00WB13.2 半成品编码原则为:B** — ***** — **W**3.2.1第一段中“ B**”代表半成品工序,如下表中“ B20'代表锻压加工后的半成品:3.2.2第二段中“ ***** ”,共五码,为物料流水码,按3.1.3同样编排。
如成品编码C01-00260-00WA1它对应半成品的物料流水码就是“ 00260”。
3.2.3第三段“**W** ”为五码,前二码代表半成品加工工序代码,半成品加工工序代码按。
实用标准文案五金备件编码规则五金备件编码规则分为14位:第一级表示库别代号(详见附表一)附表库别名称五金备件库代号02第二级表示五金大类(详见附表二)附表二五金种类标准件刃具计量具工具焊材轴承套管有色金属非金属配件代号01020304050607080910第三级表示五金中类(详见附表三)附表三名称标准件螺栓螺钉螺柱螺母垫圈销键弹簧代号01010203040506名称刃具一般刃具钻头铳刀铰刀代号020*******名称计量具尺类量具表类量具其他量具秤重具/、仪器代号030102030405名称工具手工工具钳工工具电动工具焊割工具减压器磨料其它工具代号0401020304050607名称焊材焊材代号05010203名称轴承轴承代号0601流水号规格代号货品名称(附表四)五金中类(附表三)五金大类(附表二)库别代号(附表一)第四级表示五金货品名称(详见附表四)附表四第五级表示规格代号五金编码的规格代号应根据具体的情况来定义,通常为三位,位数不够的应在前面加“0”补齐三位。
标准件类的货品名称一般为其的外径;刃具中的一般刃具通常取它的规格代码,例如YT15 C303的合金刀头,它的规格代号为015,4*18*200的白钢车刀规格代号就是004;钻头铳刀铰刀类的通常是刀具的直径,例如φ 20超硬立铳刀规格代号为020,但40-2铳刀套的规格代号就是040,取它前面的数字作为规格代号。
计量具类的规格代号通常为能测范围的起始范围,如0-100游标卡尺规格代号是000,但钢直尺、钢卷尺圆规类的通常为它的测量范围,如300mm圆规的规格代号300。
工具类和焊材类都是根据各种不同的型号来确定的。
钳工工具的通常是他的规格号,2#漆刷规格代号002. 4.0mmD212焊条的规格代号就是004.轴承类的型号有的超过三位数的,通常取前三位,例如6214的轴承规格代号就是621 ,前面带有字母的也去其数字作为规格代号,NNF5038PF圆柱滚子轴承的规格代号就是503.套管、有色金属、非金属和配件类的,通常取他的型号或者外径来确定。
五 金 备 件 编 码 规 则五金备件编码规则分为14位:流水号 规格代号货品名称(附表四) 五金中类(附表三) 五金大类(附表二) 库别代号(附表一)第一级表示库别代号 (详见附表一)第二级表示五金大类 (详见附表二) 附表二第三级表示五金中类(详见附表三)第四级表示五金货品名称 (详见附表四) 附表四第五级表示规格代号五金编码的规格代号应根据具体的情况来定义,通常为三位,位数不够的应在前面加“0”补齐三位。
标准件类的货品名称一般为其的外径;刃具中的一般刃具通常取它的规格代码,例如YT15 C303的合金刀头,它的规格代号为015,4*18*200的白钢车刀规格代号就是004;钻头铣刀铰刀类的通常是刀具的直径,例如φ20超硬立铣刀规格代号为020,但40-2铣刀套的规格代号就是040,取它前面的数字作为规格代号。
计量具类的规格代号通常为能测范围的起始范围,如0-100游标卡尺规格代号是000,但钢直尺、钢卷尺圆规类的通常为它的测量范围,如300mm圆规的规格代号300。
工具类和焊材类都是根据各种不同的型号来确定的。
钳工工具的通常是他的规格号,2#漆刷规格代号002.4.0mmD212焊条的规格代号就是004.轴承类的型号有的超过三位数的,通常取前三位,例如6214的轴承规格代号就是621,前面带有字母的也去其数字作为规格代号,NNF5038PP圆柱滚子轴承的规格代号就是503.套管、有色金属、非金属和配件类的,通常取他的型号或者外径来确定。
第六级表示五金批号,通常也是三位数字,向规格型号只有直径的通常批号为000,如φ160定向轮的批号就是000,规格型号多于三位的轴承类的,他的批号就是轴承规格型号的后几位,从第四位开始,如6214的轴承批号就是400;量具类的就是可测范围的终止长度,如0-100游标卡尺的批号就是100.第五级为规格代号,需要根据具体的情况来确定:钢板类通常取板材的厚度,圆钢类、钢丝绳和链条则取直径,钢管类则是它的外径,规格代号通常为三位,如果位数不够,可以在前面加“0”。
五 金 备 件 编 码 规 则
五金备件编码规则分为14位:
流水号 规格代号
货品名称(附表四) 五金中类(附表三) 五金大类(附表二) 库别代号(附表一)
第一级表示库别代号 (详见附表一)
第二级表示五金大类 (详见附表二) 附表二
第三级表示五金中类(详见附表三)
第四级表示五金货品名称 (详见附表四) 附表四
第五级表示规格代号
五金编码的规格代号应根据具体的情况来定义,通常为三位,位数不够的应在前面加“0”补齐三位。
标准件类的货品名称一般为其的外径;
刃具中的一般刃具通常取它的规格代码,例如YT15 C303的合金刀头,它的规格代号为015,4*18*200的白钢车刀规格代号就是004;钻头铣刀铰刀类的通常是刀具的直径,例如φ20超硬立铣刀规格代号为020,但40-2铣刀套的规格代号就是040,取它前面的数字作为规格代号。
计量具类的规格代号通常为能测范围的起始范围,如0-100游标卡尺规格代号是000,但钢直尺、钢卷尺圆规类的通常为它的测量范围,如300mm圆规的规格代号300。
工具类和焊材类都是根据各种不同的型号来确定的。
钳工工具的通常是他的规格号,2#漆刷规格代号002.
4.0mmD212焊条的规格代号就是004.
轴承类的型号有的超过三位数的,通常取前三位,例如6214的轴承规格代号就是621,前面带有字母的也去其数字作为规格代号,NNF5038PP圆柱滚子轴承的规格代号就是503.
套管、有色金属、非金属和配件类的,通常取他的型号或者外径来确定。
第六级表示五金批号,通常也是三位数字,向规格型号只有直径的通常批号为000,如φ160定向轮的批号就是000,规格型号多于三位的轴承类的,他的批号就是轴承规格型号的后几位,从第四位开始,如6214的轴承批号就是400;量具类的就是可测范围的终止长度,如0-100游标卡尺的批号就是100.
第五级为规格代号,需要根据具体的情况来确定:钢板类通常取板材的厚度,圆钢类、钢丝绳和链条则取直径,钢管类则是它的外径,规格代号通常为三位,如果位数不够,可以在前面加“0”。
例如,板材的厚度为2mm,则它的规格代号为002; 圆钢的直径φ40,则其规格代号为040;φ60/8的钢管,规格代号为060.
第六级为材料批号,也由三位数字构成,通常为000,如有相同规格的材料,材料批号可以按流水号增加依次排列,如原有一种φ28*7M的35CrMo 的圆钢,则材料批号为000,现又有φ28*6M的35CrMo的圆钢,则批号为001;对于方坯、钢管类的材料要特别注意,钢管类通常为其壁厚。
例如φ60/8的钢管,批号为008,350*250方坯,其批号为250 .。
Welcome !!!
欢迎您的下载,
资料仅供参考!
精选资料,欢迎下载。