新产品导入流程PPT
- 格式:ppt
- 大小:343.00 KB
- 文档页数:13
1.目的:此流程定义了如何将客户新产品需求转化为公司批量生产的过程。
通过对新产品导入整个流程有效的控制,从而确保全面并充分的理解客户需求,并能客户提供高质量的产品。
2.范围:公司所有产品。
3.定义:新产品:客户导入的新设计一件或一类产品,此产品在公司内部从未生产过或从未生产过与客户要求相近或相似产品。
新产品导入分样品阶段和批量生产阶段。
设计输入:与产品和过程设计相关的标准、技术要求、客户要求、资料等。
设计输出:符合设计输入要求的设计结果,如技术文件、工艺图纸、BOM等;4.职责:业务部:负责与客户接洽,向技术部门提供产品开发、工艺设计及产品变更的相关资料;跟踪新产品进程;协助其它部门与客户建立沟通渠道。
技术部:主导新品导入全过程;负责组织新产品工艺设计和变更实施,负责组织相关部门新产品技术分析,技术资料转换;组织产品的工艺设计、评审、验证、确认及样品的验收工作;批量生产前后的技术支持;工夹和检具设计。
采购部:负责采购样品试制过程中所需的物料,如原材料,加工设备,工装以及外协加工等。
计划部:样品生产讲度计划跟进及控制。
生产部:参与并协调打样,并负责依技术要求落实、管控样品生产过程中所需的参数和方法,同时向技术和质量反馈生产过程中的问题点。
质量部:协助打样过程中的相关质量特性检查;客户样品检查确认;收集并整理送样文件;协助生产部进行批量生产释放。
文控中心:负责新产品相关资料、技术规范、标准化受控管理。
5.新品导入过程:5.1设计输入及评审5.1.1技术部应根据业务部提供的资料、及产品和过程的相关要求,组织相关人员对相关信息进行评审,并将评审结果记录于《技术评审表》中;如客户对技术评审有特殊要求时,按客户要求进行评审。
5.1.2经技术部设计输入评审,客户需求资料不清晰,或我司不能满足客户需求时,将信息反馈给业务部,由业务部于客户处获取必要的资料及协助。
5.1.3经技术部设计输入评审,客户需求资料完整,我司可以满足客户需求,由技术部门展开新产品BOM、生产工艺图等技术资料的设计与策划。
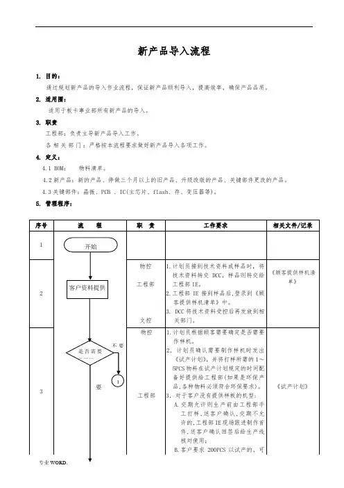
新产品导入流程
1. 目的:
通过规划新产品的导入作业流程,保证新产品顺利导入,提高效率,确保产品品质。
2. 适用围:
适用于板卡事业部所有新产品的导入。
3. 职责
工程部:负责主导新产品导入工作。
各相关部门:严格按本流程要求做好新产品导入各项工作。
4. 定义:
4.1 BOM:物料清单。
4.2新产品:新的产品、停做三个月以上的旧产品、升级改版的产品、关键部件更改的产品。
4.3关键部件:晶振、PCB 、IC(主芯片、flash、存、变压器等)。
5. 管理程序:
6. 相关文件及表单:
6.1 相关文件
6.1.1《制程控制管理流程》 YDF-QP-111
6.2 相关表单:
6.2.1《试产评审报告》 YDF-FR-1055
6.2.2《试产总结报告》 YDF-FR-1056
6.2.3《技改登记及改善对策表》
6.2.4《试产计划》 YDF-FR-1057
6.2.5《顾客提供样机清单》 YDF-FR-1058
6.2.6《样品确认意见书》 YDF-FR-1059
6.2.7《关键部件确认报告》 YDF-FR-1060
6.2.8《FQC首件记录表》 YDF-FR-1096
6.2.9《文件发放与回收记录》 YDF-FR-0006
6.2.10《首检记录表》 YDF-FR-1095
6.2.11《高低温试验报告》 YDF-FR-1018 6.2.12《合同订单状况评审表》 YDF-FR-1043。
新产品导入量产作业流程一目的。
为了规X新产品试产工作管理,增强新产品导入工作的过程控制能力,提供正确完整的技术文件资料及验证新产品的可制造性(DFM)、可测试性(DFT),以确保顺利导入量产。
二X围适用于公司所有新产品在生产导入的全过程。
三组织与权责。
1 研发部:对策分析与设计变更,提供样品及技术(协调研发硬件/软件部门明确及发放新产品有关设计资料(BOM/GERBER/光板/线路图/烧录软件/测试软件/测试方法/结构图/包装图/1台以上的研发样机等);零部件承样书。
2 中试部:(1)承接新产品技术及资料,根据产品特性评估可生产性。
(2)参加”新产品准备会议”,对新产品是否满足试产条件进行评估;并填写《试产前准备工作检查表》。
根据填检实际情况并给出中试生产计划。
(3)制程安排,包括生产线的评估,绘制SOP,流程图之草拟。
(4)规划新产品之测试方案,测试设备清单,测试架构,治具及软体。
还有负责生产线测试设备的架设,提供测试SOP。
(5)组织相关人员对试产过程进行跟线,对试产产品在线生产的整个过程进行组织并协调,统计、反馈、跟踪解决试产发现的各类问题,达到试产目的。
(6)召集召开“新产品试产总结会议”,汇总试产过程中的技术、工艺问题,并分析、总结,出具《试产问题总结报告》,逐步减少试产问题,评估是否可以进入批量生产。
3质量部。
(1)产品设计验证测试(Design Verification Test:DVT)。
(2)功能及可靠度确认。
(3)负责再次确认PVT和DVT的结果是否符合工程规格及客户规格。
4 生产计划:(1)PCB委托加工及材料采购。
(2)生产备料5 生产执行单位:(1)新产品生产。
(2)产品技术资料承接及消化。
6 文控中心:资料接收发放与管制。
四名词解释。
1工程试作(Engineering Pilot Run:EPR):为确认新产品开发设计成熟度所作的试作与测试。
2 小批量试制(Production Pilot Run:试制):为确认新产品量产时的作业组装所做的试作与测试。