悬挑梁钢筋设置
- 格式:doc
- 大小:22.50 KB
- 文档页数:2
悬挑梁搭设规范之答禄夫天创作一、悬挑式脚手架钢梁的构造1、挑架外挑梁或悬挑架应积极采纳型钢或定型桁架.2、悬挑型钢或悬挑架通过预埋与建筑结构固定,装置符合设计要求.3、挑架立杆与悬挑型钢连接必需固定,防止滑移.4、架体与建筑结构进行刚性拉结,按水平方向小于7M、垂直方向即是层高设一,架体边缘及转角处1M范围内必需设拉结点.二、荷载施工荷载均匀堆放,其实不超越3.0KN/m2.建筑垃圾或不用的物料必需及时清除.三、杆件间距挑架步距不得年夜于1.8M,横向立杆间距不年夜于1M,纵向间距不年夜于1.5M.四、架体防护1、挑架外侧必需用建设主管部份认证的合格的密目式平安网封闭围护,平安网用不小于18#铅丝张挂严密.且应将平安网挂在挑架立杆里侧,不得将网围在各杆件外侧.2、挑架与建筑物间距年夜于20cm处,铺设站人片.除挑架外侧、施工层设置1.2M高防护栏杆和18cm高踢脚杆外,挑架里侧遇光临边时(如年夜开窗、门洞等)时,也应进行相应的防护.五、层间防护挑架作业层和底层应用合格的平安网或采用其他办法进行分段封闭式防护.六、材质1、钢管脚手架应选用外径48mm,壁厚3.5mm的A3钢管,概况平整光滑,无锈蚀、裂纹、分层、压痕、划道和硬弯,新用钢管有出厂合格证.搭设架子前应进行调养、除锈并统一涂色,颜色应力求环境美观.2、钢管脚手架搭设使用的扣件应符合建设部《钢管脚件标准》要求,有生产许可证,规格与钢管匹配,采纳可锻铸铁,不得有裂纹、气孔、缩松、砂眼等铸造缺陷,贴和面应平整,活动部位灵活,夹紧钢管时开口处最小距离不小于5mm.3、型钢宜采纳A3号槽钢或工字钢.七、悬挑式脚手架的构造与搭设要求(1)支撑杆式悬挑脚手架搭设要求支撑杆式搭设需控制使用荷载,搭设要牢固.搭设时应该先搭设好里架子,使横杆伸出墙外再将斜杆撑起与挑出横杆连接牢固,随后再搭设悬挑部份,铺脚手板,外围要设栏杆和挡脚板,下面支设平安网,以保平安.(2)连墙件的设置根据建筑物的轴线尺寸,在水平方向每隔3跨(6m)设置一个.在垂直方向应每隔3~4米设置一个并要求各点互相错开,形成梅花状安插,连墙件的搭设方法与落地式脚手架相同.(3)垂直控制搭设时,要严格控制分段脚手架的垂直度,垂直度允许偏差:第一段不得超越1/400;第二段、第三段不得超越1/200;脚手架的垂直度要随搭随检查,发现超越允许偏差时,应该及时纠正.(4)挑梁式脚手架立杆与挑梁(或纵梁)的连接应在挑梁(或纵梁)上焊150~200mm长钢管,其外径比脚手架立杆内径小 1.0~1.5mm,用扣件连接,同时在立杆下部设1~2道扫地杆,以确保架子的稳定.(5)悬挑梁与墙体结构的连接应预先埋设铁件或者留好孔洞,保证连接可靠,不得随便打凿孔洞,破坏墙体.(6)斜拉杆(绳)斜拉杆(绳)应装有收紧装置,以使拉杆收紧后能承当荷载.(7)钢支架钢支架焊接应该保证焊缝高度,质量符合要求.建筑行业发生因脚手架倾圮而招致重年夜群死群伤的事故多起,脚手架的平安问题日益突出.而悬挑式脚手架作为工程经常使用的脚手架由于没有制定相应行业规定,各省的做法也不尽相同.为了进一步规范和加强省内建筑施工悬挑式脚手架的平安监督管理,预防平安事故发生,保证施工现场人员生命和财富平安,制定了《建筑施工悬挑式脚手架平安技术若干规定(试行)》.自己结合现场验,对如何做好悬挑式脚手架的平安技术管理提出几点看法.八、悬挑架选择和制作应注意的几个问题(1)悬挑架的支承结构应为型钢制作的悬挑梁或悬桁架等,不得采纳钢管.(2)必需经过设计计算,其计算内容:①资料的;②抗剪强度;③整体稳定;④挠度.(3)悬挑架应水平设置在梁上,锚固位置必需设置主梁或主梁以内的楼板上,不得设置在外伸阳台上或悬挑板上.(4)节点的制作(悬挑梁的锚固点、悬挑架的节点)必需采纳焊接或连接的结构,不得采纳扣件连接,以保证节点是刚性的.(5)支承体与结构的连接方式必需进行设计,设计时考虑连接件的材质,连接件与型钢的固定方式.目前普遍采纳是预埋圆钢环或应满足受力的强度.采纳的固定方式有压板固定式(紧固)和双螺母固定(防松),这是根据《钢结构规范》8.3.6条,对直接接受力荷载的普通螺栓受控连接应用双螺帽或其他防止螺栓松动的有效办法.(6)固端长度必需超越悬挑长度的1.5倍,这样可以减少对建筑结构的影响,保证梁在使用中的平安,提高锚固强度.落地式脚手架搭设规范(一)施工方案1、脚手架搭设之前,应根据工种的特点和施工工艺确定搭设方案,内容应包括:基础处置、搭设要求、杆件间距及连墙杆设置位置、连接方法,并绘制施工详图及年夜样图.2、脚手架的搭设高度超越规范规定的要进行计算.(1)扣件式钢管脚手架搭设尺寸符合下表时,相应杆件可不再进行设计计算.但连墙件及立杆地基承载力等仍应根据实际荷载进行设计计算并绘制施工图.(2)当搭设高度在25-50m时,应对脚手架整体稳定性从构造上进行加强.如纵向剪刀撑必需连续设置,增加横向剪刀撑,连墙杆的强度相应提高,间距缩小,以及在多风地域对搭设高度超越40m的脚手架,考虑风涡流的上翻力,应在设置水平连墙件的同时,还应有抗上升翻流作用的连墙办法等,以确保脚手架的使用平安.(3)当搭设高度超越50m时,可采纳双立杆加强或采纳分段卸荷,沿脚手架全高分段将脚手架与梁板结构用钢丝绳吊拉,将脚手架的部份荷载传给建筑物承当;或采纳分段搭设,将各段脚手架载传给由建筑物伸出的悬挑梁、架承当,并经设计计算.(4)对脚手架进行的设计计算必需符合脚手架规范的有规定,并经企业技术负责人审批.3、脚手架的施工方案应与施工现场搭设的脚手架类型相符,当现场固故改变脚手架类型时,必需重新修改脚手架方案并经审批后,方可施工.(二)立杆基1、脚手架立杆基础应符合方案要求.(1)搭设高度在25m以下时,可素夯实找平,上面铺5cm厚木板,长度为2m时垂直于墙面放置;长度年夜于3m时平行于墙面放置.(2)搭设高度25-50m时,应根据现场地耐力情况设计基础作法或采纳回填土分层夯实到达要求时,可用枕木支垫,或在地基上加铺20cm厚道碴,其上铺设混凝土板,再仰铺12-16号槽钢.(3)搭设高度超越50m时,应进行计算并根据地耐力设计基础作法,或于空中下1m深处采纳灰土地基,或浇注50m厚混凝土基础,其上采纳枕支垫.2、扣件式钢管脚手架的底座有可锻铸铁制造与焊接底座两种,搭设时应将木垫板铺平,放好底座,再将立杆放入底座内,禁绝将立杆直接置于木板上,否则将改变垫板受力状态.底座下设置垫板有利于荷载传递,试验标明:标准底座下加设木垫板(板厚5cm,板长≥200cm),可将地基土的承载能力提高5倍以上.当木板长度年夜于2跨时,将有助于克服两立杆间的不均匀沉陷.3、当立杆不埋设时,离空中20cm处,设置纵向及横向扫地杆.设置扫地杆的做法与年夜横杆相同,其作用以固定立杆底部,约束立杆水平位侈及沉陷,从试验中看,不设置扫地杆的脚手架承载能力也有下降.4、木脚手架立杆埋设时,可不设置扫地杆.埋设深度3050cm,坑底应夯实垫碎砖,坑内回填土应分层夯实.5、脚手架基础地势较低时,应考虑周围没有排水办法,木脚手架立杆埋设回填土后应留有土墩高出空中,防止下部积水.(三)架体与建筑结构拉结1、脚手架高度在7m以下时,可采纳设置抛撑方法以坚持脚手架的稳定,当搭设高度超越7m方便设置抛撑时,应与建筑物进行连接.(1)脚手架与建筑物连接不单可以防止因风荷载而发生的向内或向外倾翻事故,同时可以作为架体的中间约束,减小立杆的计算长度,提高承载能力,保证脚手架的整体稳定性.(2)连墙杆的间距,一般应按表中规定距离设置.当脚手架搭设高度较高需要缩小连墙杆间距时,减少垂直间距比缩小水平间距更为有效,从脚手架荷载载试验中看,连墙杆按二步三跨设置比三步二跨设置时,承载能力提高7%.(3)连墙杆应靠近节点并从底层第一步年夜横杆处开始设置.(4)连墙杆宜靠近主节点设置,距主节点不应年夜于300mm.2、连墙杆必需与建筑结构部位连接,以确保承载能力.(1)连墙杆位置应在施工方案中确定,并绘制作法详图,不得在作业中随意设置.严禁在脚手架使用期间裁撤连墙杆.(2)连墙杆与建筑物连接作法可作成柔性连接或刚性连接.柔性连接可在墙体内预埋φ8钢筋环,用双股8号(φ4)铅丝与架体拉接的同时增加支顶办法,限制脚手架里外两侧变形.当脚手架搭设高度超越24m时,禁绝采纳柔性连接.(3)在搭设脚手架时,连墙杆应与其他杆件同步搭设;在裁撤脚手架时,应在其他杆件拆到连墙杆高度时,最后裁撤连墙杆.最后一道连墙杆裁撤前,应先设置抛撑后,再拆连墙杆,以确保脚手架裁撤过程中的稳定性.(四)杆件间距与剪刀撑1、立杆、年夜横杆、小横杆等杆件间距应符合规范规定和施工方案要求.当遇门口等处需加年夜间距时,应按规范规定进行加固.2、立杆是脚手架主要受力杆件,间距应均匀设置,不能加年夜间距,否则降低立杆承载能力;年夜横杆步距的变动也直接影响脚手架承载能力,当步距由1.2m增加到1.8m时,临界荷载下降27%.3、剪刀撑是防止脚手架纵向变形的重要办法,合理设置剪刀撑还可以增强脚手架的整体刚度,提高脚手架承载能12%以上.(1)每组剪刀撑跨越立杆根数5~7根(>6m),斜杆与空中夹角在45°~60°之间.(2)高度在24m以下的单、双排脚手架,均必需在外侧立面的两端各设置一组剪刀撑,由底部至顶部随脚手架的搭设连续设置;中间部份可间距不年夜于15m.(3)高度在25m以上的双排脚手架,在外侧立面必需沿长度和高度连续设置.(4)剪刀撑斜杆应与立杆和伸出的小横杆进行连接,底部斜杆的下端应置于垫板上.(5)剪刀撑斜杆的接长,均采纳搭接,搭接长度不小于0.5m,设置2个旋扣件.4、横向剪刀撑.脚手架搭设高度超越24m时,为增强脚手架横向平面的刚度,可在脚手架拐角处及中间沿纵向每隔6跨,在横向平面内加设斜杆,使之成为“之”字形或“十”字形.遇把持层时可临时裁撤,转入其他层时应及时补设.(五)脚手板与防护栏杆1、脚手板是施工人员的作业平台,必需依照脚手架的宽度满铺,板与板之间紧靠.采纳对接时,接头处下设两根小横杆;采纳搭接时,接槎应顺重车方向;竹笆脚手板应按主竹筋垂直于年夜横杆方向铺设,且采纳对接平铺,四角应用φ1.2mm镀锌钢丝固定在年夜横杆上.2、脚手板可采纳竹、木、钢脚手板,其材质应符合规范要求.竹脚手板应采纳由毛竹或楠竹制作的竹串片板、竹笆板.竹板必需是空钉牢固,无残缺竹片的;木脚手板应是5cm厚,非脆性木材(如桦木等)无腐朽、劈裂板;钢脚手板用2mm厚板材冲压制成,如有锈蚀、裂纹者不能使用.3、凡脚手板伸出小横杆以外年夜于20cm的称为探头板.由于目前铺凤脚手板年夜多不与脚手架绑扎牢固,若遇探头板有可能造成坠落事故,为此必需严禁探头板呈现.当把持层不需沿脚手架长度满铺脚手板时,可在端部采纳护栏及立网将作业面限定,把探头板封闭在作业面以外.4、脚手困的外侧应按规定设置密目平安网,平安网设置在外排立杆的里面.密目网必需用合首要求的系绳将网周边每隔45cm(每个环扣间隔)系牢在脚手管上.5、遇作业层时,还要在脚手架外侧年夜横杆与脚手板之间,按临边防护的要求设置防护拦杆和挡脚板,防止作业人员坠落和脚手板上物料滚落.(六)交底与验收1、脚手架搭设前,施工负责人应依照施工方案要求,结合施工现场作业条件和步队情况,做详细的交底,并有专人指挥.2、脚手架搭设完毕,应由施工负责人组织,有关人员介入,依照施工方案和规范分段进行逐项检检验收,确认符合要求后,方可投入使用.3、检验标准:(应依照相应规范要求进行)(1)钢管立杆纵距偏差为±50mm(2)钢管立杆垂直度偏差不年夜于1/100H,且不年夜于10cm(H 为总高度).(3)扣件紧固力矩为:4050N.m,不年夜于65N.m.抽查装置数量5%,扣件分歧格数量未几于抽查数量的10%.(4)扣件紧固法式直接影响脚手架的承载能力.试验标明当扣件螺栓扭力矩为30N.m时,比40N.m时的脚手架承载能力下降20%.4、对脚手架检检验收按规范规定进行,凡不符合规定的应立即进行整改,对检查结果及整改情况,应按实测数据进行记录,并由检测人员签字.(七)小横杆设置1、规范规定应该在立杆与年夜横杆的交点处设置小横杆,小横杆应紧靠立杆用扣件与年夜横杆扣牢.设置小横杆的作用有三:一是接受脚手板传来的荷载;二是增强脚手架横向平面的刚度;三是约束双排脚手架里外两排立杆的侧向变形,与年夜横杆组成一个刚性平面,缩小立杆的长细比,提高立杆的承载能力.当遇作业层时,应在两立杆中间再增加一道小横杆,以缩小脚手板的跨度,看成业层转入其他层时,中间处小横杆可以随脚手板一同折除,但交点处小横杆不应裁撤.2、双排脚手架搭设的小横杆,必需在小横杆的两端与里外排年夜横杆扣牢,否则双排脚手架将酿成两片脚手架,不能共同工作,失去脚手架的整体性;当使用竹笆脚手板时,双排脚手架的小横杆两端应固定在立杆上,年夜横杆搁置在小横杆上固定,年夜横杆间距≤40cm .3、单排脚手架小横杆的设置位置,与双排脚手架相同.不能用于半砖墙、18cm墙、轻质墙、土坯墙等稳定性差的墙体.小横杆在墙上的搁置长度不应小于18cm,小横杆人墙过小一是影响支点强度,另外单排脚手架发生变形时,小横杆容易拨出.(八)杆件搭接1、木脚手架的立杆及年夜横杆的接长应采纳搭接方法,搭接长度不小于1.5m并应年夜于步距和跨距,防止受力后发生转动.2、钢管脚手架的立杆及年夜横杆的接长应采纳对接方法.立杆若采纳搭接,当受力时,因扣件的销轴受剪,降低承载能力,试验标明:对接扣件的承载能力比搭接年夜2倍以上;年夜横杆采纳对接可使小横杆在同一水平面上,利于脚手架搭设;剪力撑由于受拉(压),所以接长时应采纳搭接,搭接长度不小于50cm,接头处设置扣件不小于两个.考虑脚手架的各杆件接头处传力性能差,所以接头应交错排列不得设置在一个平面内.(九)架体内封闭1、脚手架铺设脚手板一般应至少两层,上层为作业层下层为防护层,看成业层脚手板发生问题而落人物时,下层有一层起防护作用.看成业层的脚手板下无防护层时,应尽量靠近作业层处挂一层平网作防护层,平网不应离作业层过远,应防止坠落时平网与作业层之间小横杆的伤害.(十)脚手架材质1、木脚手架应采纳质轻坚韧的剥皮杉杆或落叶松,不得使用质脆、腐朽及有枯节木材.立杆梢径不小于7cm,横杆梢径不小于8cm.2、钢管材质一般应使用Q235(3号钢)钢材,外径48mm (51mm)、壁厚3.5mm的焊接钢管,小横杆长度2.1~2.3m为宜,立杆、年夜横杆的长度4~4.5m为宜(不超越 6.5m),其重量控制在每根25Kg以内,便于把持.锈蚀、变形超越规定的禁止使用.扣件由可锻铸铁制成,当扣件螺栓拧紧,扭力矩为40~50N.m时,扣件自己所具有的抗滑、抗旋转和抗拔能力均能满足实际使用要求.3、关于取消竹脚手架.这次制订检查标准时取消了竹脚手架,因为原国家规程规定,作为脚手架的材质必需为4年生长期竹杆梢经不小于7.5cm的竹材,而目前各地搭设脚手架的材质远远达不到这一要求,直接影响了脚手架的承载能力.另外,一些地域对竹脚手架的搭设高度也未进行严格控制(H≤2.5m),使搭设后脚手架弯曲变形没有平安保证.4、脚手架搭设必需选用同一种材质,当分歧材质混搭时,节点的传力分歧理,判定分歧格脚手架,检查表不得分.(十一)通道1、各类人员上下脚手架必需在专门设置的人行通道(斜道)行走,禁绝攀爬脚手架,通道可附着在脚手架设置,也可靠近建筑物自力设置.2、通道(斜道)构造要求:(1)人行通道宽度不小于1m坡度宜用1:3;运料斜道宽度不小于1.5m,坡度1:6.(2)拐弯处应设平台,通道及平台按临边防护要求设置防护栏杆及挡脚板.(3)脚手板横铺时,横向水平杆中间增设纵向斜杆;脚手板顺铺时,接头采纳搭接,下面板压住上面板.(4)通道应设防滑条,间距不年夜于30cm.(十二)卸料平台1、施工现场所用各种卸料平台,必需独自与门做出设计并绘制施工图纸.2、卸料平台的施工荷载一般可按砌筑脚手架施工荷载3KN/m计算,当有特殊要求时,按要求进行设计.卸料平台应制作成定型化、工具化的结构,无论采纳钢丝绳吊拉或型钢支承式,都应能简单合理的与建筑结构连接.3、卸料平台应自成受力系统,禁止与脚手架连接,防止给脚手架增加晦气荷载,影响脚手架的稳定和平台的平安使用.附:脚手架搭设其他标准规范要求1,脚手架负载不得超越270kg/m2,经验收合格挂牌后方可使用,使用中应经常检查与维护.负载超越270kg/m2,或形式特殊脚手架应进行设计.2、钢管立柱应设置金属底座,对地质松软基础应垫木板或设扫地杆.3、脚手架立杆应垂直,垂直偏斜不得超越高度的1/200,立杆间距不超越2米.4、脚手架两端、转角处及每隔67根立柱应设尖刀撑与支杆,高度在7米以上无法设支杆时,竖向每隔4米,横向每隔7米必需与建筑物连接牢固.5、脚手架外侧、斜道、平台设置1.05米防护栏.铺设竹排或木板时,两头必需绑扎牢固,严禁不绑扎就投入使用.6、在通道与扶梯处脚手架横杆应加高加固,不能阻碍通道.7、挑式脚手架一般横杆步距1.2米,并要加设斜撑,斜撑与垂直面夹角不年夜于30°.8、为了防止架子管受压弯曲扣件从管头滑落,各杆件相交伸出端头均年夜于10厘米.9、脚手架搭设地址如有电源线或电气设备时,必需符合平安距离规定,搭设与裁撤时采用停送电办法.10、脚手架验收时,应对所有部件进行外观检查,并实行验收及挂牌使用制度.11、脚手架搭设前,必需对架子管、扣件、竹排、铁丝进行检查,架子管严重弯曲,扣件严重腐蚀、裂纹,竹排腐烂的必需报废,不得使用.12、禁止将脚手架直接搭靠在楼板的木楞上及未经计算过补加荷重的结构部份上,或将脚手架和脚手板固定在建筑不十分牢固的结构上(如栏杆、管子等).13、脚手板和脚手架相互间应连接牢固.脚手板的两头均应放在横杆上,固定牢固.脚手板禁绝在跨度间有接头.14、脚手板和斜道板要满铺于架子的横杆上.在斜道两边、斜道拐弯处和脚手架工作面的外侧,应设1m高的栏杆,并在其下部加设18cm高的护板.15、脚手架应装有牢固的梯子,以便工作人员上下和运送资料.用起重装置起吊重物时,禁绝把起重装置和脚手架的结构相连接. 16、搭设脚手架的工作领导人应对所搭的脚手架进行检验合格并出具书面证明后方准使用.检修工作负责人每日应检查所使用的脚手架和脚手板的状况,如有缺陷,须立即整修.17、严禁随手用木桶、木箱、砖及其他建筑资料搭临时铺板来取代正规脚手架. 18、脚手架上禁止乱拉电线.必需装置临时照明线路时,木竹脚手架应加绝缘子,金属管脚手架应另设木横担.19、装置金属管脚手架,禁止使用弯曲、压扁或者有裂缝的管子,各个管子的接连部份要完整无损,以防倾倒或移动.20、金属管脚手架的立杆,必需垂直地稳放在垫板上,在安排垫板前要将空中夯实、整平.立杆应套上柱座,柱座系由支柱底板及焊接在底板上的管子制成.21、金属管脚手架的接头,应用特制的铰链相互搭接,这种铰链适用于直角,也适用于锐角和钝角(用于斜撑等).连接各个构件间的铰链螺栓必需拧紧.22、脚手板必需固定在金属管脚手架的横梁上.23、当移动脚手架时,脚手架上所有工作人员必需下来,上面有人工作的脚手架禁止移动.脚手架裁撤方案一、编制依据1、《建筑施工平安检查标准》(JGJ 59—)2、《建筑施工扣件式钢管脚手架平安技术规范》(JGJ130—)3、平安相关文件二、劳动力组织安插1、裁撤脚手架工程需配备足够的人员以满足脚手架裁撤进度要求.2、设置一名专职班组长,负责脚手架裁撤过程中的指挥与协调.3、特种工作人员(架子工)必需接受专门培训,经考核合格取得劳动部份核发的《特种作业人员把持证》,方可上岗作业.4、项目平安员对进场的工人要严格依照《工人进场平安教育制度》对班组人员进行平安教育.三、脚手架的裁撤一、裁撤前的准备:1、由项目部技术负责人编制裁撤方案经审批后,向平安管理人员及裁撤人员进行平安技术交底并签字.2、编制裁撤方案要满足平安规范的要求.3、应及时清除脚手架平桥上留存的落地灰、外墙砖、砼块等杂物,不能留下任何存在平安隐患的资料及杂物.4、全面检查脚手架的扣件是否有松动和缺损,连墙件是否拉、撑稳固,有无缺损,各支撑杆件是否符合原构造要求.二、裁撤顺序:裁撤平安网→裁撤栏杆、脚手板和挡脚板→剪力撑→小横杆→内外年夜横杆→护身栏杆→连墙杆→墙外立杆、加临时抛撑→最底层连墙杆→纵、横向扫地杆.三、脚手架裁撤时的工艺:1、脚手架裁撤时逐层按自上而下,先加固后拆的原则进行,严禁上下同时作业,后搭的先拆,先搭的后拆,严禁采纳推倒及拉倒的方法进行裁撤;2、施工井架位置的脚手架暂时不拆,具体范围由管理人员视现场情况定,剩下不裁撤的脚手架,按构造要求应有足够的连墙杆和横向支撑加固,特别对两端,没有时应加设.脚手架两头横向位置空位用钢管及平安网做好防护办法.四、裁撤时注意事项:1、必需由上而下逐层裁撤,执行后搭先拆原则,严禁上下同时作业.2、连墙杆必需随脚手架逐层裁撤,严禁先将连墙杆整层或数层裁撤后再拆脚手架,脚手架分层裁撤不应年夜于2步,如高差年夜于2步必需增设连墙杆.3、拆立杆时要一人先抱稳住立杆,另一人先将年夜横杆下的对接扣件松开,再拆年夜横杆上的直角扣件,抱杆人员再将立杆轻轻拔。
悬挑梁搭设规范一.悬挑式脚手架钢梁的构造1.挑架外挑梁或悬挑架应积极采取型钢或定型桁架.2.悬挑型钢或悬挑架经由过程预埋与建筑构造固定,装配相符设计请求.3.挑架立杆与悬挑型钢衔接必须固定,防止滑移.4.架体与建筑构造进行刚性拉结,按程度偏向小于7M.垂直偏向等于层高设一,架体边沿及转角处1M规模内必须设拉结点.二.荷载施工荷载平均堆放,其实不超出3.0KN/m2.建筑垃圾或不必的物料必须实时消除.三.杆件间距挑架步距不得大于1.8M,横向立杆间距不大于1M,纵向间距不大于1.5M.四.架体防护1.挑架外侧必须用扶植主管部分认证的及格的密目式安然网封闭围护,安然网用不小于18#铅丝张挂周密.且应将安然网挂在挑架立杆里侧,不得将网围在各杆件外侧.2.挑架与建筑物间距大于20cm处,铺设站人片.除挑架外侧.施工层设置1.2M高防护雕栏和18cm高踢脚杆外,挑架里侧碰到临边时(如大开窗.门洞等)时,也应进行响应的防护.五.层间防护挑架功课层和底层运用及格的安然网或采纳其他措施进行分段封闭式防护.六.材质1.钢管脚手架应选用外径48mm,壁厚3.5mm的A3钢管,概况平整滑腻,无锈蚀.裂纹.分层.压痕.划道和硬弯,新用钢管有出厂及格证.搭设架子前应进行保养.除锈并同一涂色,色彩应力图情形美不雅.2.钢管脚手架搭设运用的扣件应相符扶植部《钢管脚件尺度》请求,有临盆许可证,规格与钢管匹配,采取可锻铸铁,不得有裂纹.气孔.缩松.砂眼等锻造缺点,贴和面应平整,运动部位灵巧,夹紧钢管时启齿处最小距离不小于5mm.3.型钢宜采取A3号槽钢或工字钢.七.悬挑式脚手架的构造与搭设请求(1)支持杆式悬挑脚手架搭设请求支持杆式搭设需控制运用荷载,搭设要稳定.搭设时应当先搭设好里架子,使横杆伸出墙外再将斜杆撑起与挑出横杆衔接稳定,随后再搭设悬挑部分,铺脚手板,外围要设雕栏和挡脚板,下面支设安然网,以保安然.(2)连墙件的设置根据建筑物的轴线尺寸,在程度偏向每隔3跨(6m)设置一个.在垂直偏向应每隔3~4米设置一个并请求各点互相错开,形成梅花状安插,连墙件的搭设办法与落地式脚手架雷同.(3)垂直控制搭设时,要严厉控制分段脚手架的垂直度,垂直度许可误差:第一段不得超出1/400;第二段.第三段不得超出1/200;脚手架的垂直度要随搭随检讨,发明超出许可误差时,应当实时改正.(4)挑梁式脚手架立杆与挑梁(或纵梁)的衔接应在挑梁(或纵梁)上焊150~200mm长钢管,其外径比脚手架立杆内径小 1.0~1.5mm,用扣件衔接,同时在立杆下部设1~2道扫地杆,以确保架子的稳定.(5)悬挑梁与墙体构造的衔接应预先埋设铁件或者留好孔洞,包管衔接靠得住,不得随便打凿孔洞,损坏墙体.(6)斜拉杆(绳)斜拉杆(绳)应装有收紧装配,以使拉杆收紧后能承担荷载.(7)钢支架钢支架焊策应当包管焊缝高度,质量相符请求.建筑行业产生因脚手架倒塌而导致重大群逝世群伤的变乱多起,脚手架的安然问题日益凸起.而悬挑式脚手架作为工程经常运用的脚手架因为没有制订响应行业划定,各省的做法也不尽雷同.为了进一步规范和加强省内建筑施工悬挑式脚手架的安然监视治理,预防安然变乱产生,包管施工现场人员性命和财宝安然,制订了《建筑施工悬挑式脚手架安然技巧若干划定(试行)》.本身联合现场验,对若何做好悬挑式脚手架的安然技巧治理提出几点意见.八.悬挑架选择和制造应留意的几个问题(1)悬挑架的支承构造应为型钢制造的悬挑梁或悬桁架等,不得采取钢管.(2)必须经由设计盘算,其盘算内容:①材料的;②抗剪强度;③整体稳定;④挠度.(3)悬挑架应程度设置在梁上,锚固地位必须设置主梁或主梁以内的楼板上,不得设置在外伸阳台上或悬挑板上.(4)节点的制造(悬挑梁的锚固点.悬挑架的节点)必须采取焊接或衔接的构造,不得采取扣件衔接,以包管节点是刚性的.(5)支承体与构造的衔接方法必须进行设计,设计时斟酌衔接件的材质,衔接件与型钢的固定方法.今朝广泛采取是预埋圆钢环或应知足受力的强度.采取的固定方法有压板固定式(紧固)和双螺母固定(防松),这是根据《钢构造规范》8.3.6条,对直接推却力荷载的通俗螺栓受控连策运用双螺帽或其他防止螺栓松动的有用措施.(6)固端长度必须超出悬挑长度的1.5倍,如许可以削减对建筑构造的影响,包管梁在运用中的安然,进步锚固强度.落地式脚手架搭设规范(一)施工计划1.脚手架搭设之前,应根据工种的特色和施工工艺肯定搭设计划,内容应包含:基本处理.搭设请求.杆件间距及连墙杆设置地位.衔接办法,并绘制施工详图及大样图.2.脚手架的搭设高度超出规范划定的要进行盘算.(1)扣件式钢管脚手架搭设尺寸相符下表时,响应杆件可不再进行设计盘算.但连墙件及立杆地基承载力等仍应根据现实荷载进行设计盘算并绘制施工图.(2)当搭设高度在25-50m时,应对脚手架整体稳定性从构造长进行加强.如纵向铰剪撑必须持续设置,增长横向铰剪撑,连墙杆的强度响应进步,间距缩小,以及在多风地区对搭设高度超出40m的脚手架,斟酌风涡流的上翻力,应在设置程度连墙件的同时,还应有抗上升翻流感化的连墙措施等,以确保脚手架的运用安然.(3)当搭设高度超出50m时,可采取双立杆加强或采取分段卸荷,沿脚手架全高分段将脚手架与梁板构造用钢丝绳吊拉,将脚手架的部分荷载传给建筑物承担;或采取分段搭设,将各段脚手架载传给由建筑物伸出的悬挑梁.架承担,并经设计盘算.(4)对脚手架进行的设计盘算必须相符脚手架规范的有划定,并经企业技巧负责人审批.3.脚手架的施工计划应与施工现场搭设的脚手架类型相符,当现场固故转变脚手架类型时,必须从新修正脚手架计划并经审批后,方可施工.(二)立杆基1.脚手架立杆基本应相符计划请求.(1)搭设高度在25m以下时,可素夯实找平,上面铺5cm厚木板,长度为2m时垂直于墙面放置;长度大于3m时平行于墙面放置.(2)搭设高度25-50m时,应根据现场地耐力情形设计基本作法或采取回填土分层夯实达到请求时,可用枕木支垫,或在地基上加铺20cm厚道碴,其上铺设混凝土板,再仰铺12-16号槽钢.(3)搭设高度超出50m时,应进行盘算并根据地耐力设计基本作法,或于地面下1m深处采取灰地盘基,或浇注50m厚混凝土基本,其上采取枕支垫.2.扣件式钢管脚手架的底座有可锻铸铁制造与焊接底座两种,搭设时应将木垫板摊平,放好底座,再将立杆放入底座内,不准将立杆直接置于木板上,不然将转变垫板受力状况.底座下设置垫板有利于荷载传递,实验标明:尺度底座下加设木垫板(板厚5cm,板长≥200cm),可将地基土的承载才能进步5倍以上.当木板长度大于2跨时,将有助于战胜两立杆间的不平均沉陷.3.当立杆不埋设时,离地面20cm处,设置纵向及横向扫地杆.设置扫地杆的做法与大横杆雷同,其感化以固定立杆底部,束缚立杆程度位侈及沉陷,从实验中看,不设置扫地杆的脚手架承载才能也有降低.4.木脚手架立杆埋设时,可不设置扫地杆.埋设深度3050cm,坑底应夯实垫碎砖,坑内回填土应分层夯实.5.脚手架基本地势较低时,应斟酌四周没有排水措施,木脚手架立杆埋设回填土后应留有土墩凌驾地面,防止下部积水.(三)架体与建筑构造拉结1.脚手架高度在7m以下时,可采取设置抛撑办法以保持脚手架的稳定,当搭设高度超出7m便利设置抛撑时,应与建筑物进行衔接.(1)脚手架与建筑物衔接不单可以防止因风荷载而产生的向内或向外倾翻变乱,同时可以作为架体的中央束缚,减小立杆的盘算长度,进步承载才能,包管脚手架的整体稳定性.(2)连墙杆的间距,一般应按表中划定距离设置.当脚手架搭设高度较高须要缩小连墙杆间距时,削减垂直间距比缩小程度间距更为有用,从脚手架荷载载实验中看,连墙杆按二步三跨设置比三步二跨设置时,承载才能进步7%.(3)连墙杆应接近节点并从底层第一步大横杆处开端设置.(4)连墙杆宜接近主节点设置,距主节点不该大于300mm.2.连墙杆必须与建筑构造部位衔接,以确保承载才能.(1)连墙杆地位应在施工计划中肯定,并绘制造法详图,不得在功课中随便设置.严禁在脚手架运用时代裁撤连墙杆.(2)连墙杆与建筑物衔接作法可作成柔性衔接或刚性衔接.柔性衔接可在墙体内预埋φ8钢筋环,用双股8号(φ4)铅丝与架体拉接的同时增长支顶措施,限制脚手架里外两侧变形.当脚手架搭设高度超出24m时,不准采取柔性衔接.(3)在搭设脚手架时,连墙杆应与其他杆件同步搭设;在裁撤脚手架时,应在其他杆件拆到连墙杆高度时,最后裁撤连墙杆.最后一道连墙杆裁撤前,应先设置抛撑后,再拆连墙杆,以确保脚手架裁撤进程中的稳定性.(四)杆件间距与铰剪撑1.立杆.大横杆.小横杆等杆件间距应相符规范划定和施工计划请求.当遇门口等处需加大间距时,应按规范划定进行加固.2.立杆是脚手架重要受力杆件,间距应平均设置,不克不及加大间距,不然降低立杆承载才能;大横杆步距的变更也直接影响脚手架承载才能,当步距由1.2m增长到1.8m时,临界荷载降低27%.3.铰剪撑是防止脚手架纵向变形的重要措施,合理设置铰剪撑还可以加强脚手架的整体刚度,进步脚手架承载能12%以上.(1)每组铰剪撑跨越立杆根数5~7根(>6m),斜杆与地面夹角在45°~60°之间.(2)高度在24m以下的单.双排脚手架,均必须在外侧立面的两端各设置一组铰剪撑,由底部至顶部随脚手架的搭设持续设置;中央部分可间距不大于15m.(3)高度在25m以上的双排脚手架,在外侧立面必须沿长度和高度持续设置.(4)铰剪撑斜杆应与立杆和伸出的小横杆进行衔接,底部斜杆的下端应置于垫板上.(5)铰剪撑斜杆的接长,均采取搭接,搭接长度不小于0.5m,设置2个旋扣件.4.横向铰剪撑.脚手架搭设高度超出24m时,为加强脚手架横向平面的刚度,可在脚手架拐角处及中央沿纵向每隔6跨,在横向平面内加设斜杆,使之成为“之”字形或“十”字形.遇操纵层时可临时裁撤,转入其他层时应实时补设.(五)脚手板与防护雕栏1.脚手板是施工人员的功课平台,必须按照脚手架的宽度满铺,板与板之间紧靠.采取对接时,接头处下设两根小横杆;采取搭接时,接槎应顺重车偏向;竹笆脚手板应按主竹筋垂直于大横杆偏向铺设,且采取对接平铺,四角运用φ1.2mm镀锌钢丝固定在大横杆上.2.脚手板可采取竹.木.钢脚手板,其材质应相符规范请求.竹脚手板应采取由毛竹或楠竹制造的竹串片板.竹笆板.竹板必须是空钉稳定,无完整竹片的;木脚手板应是5cm厚,非脆性木材(如桦木等)无腐败.劈裂板;钢脚手板用2mm厚板材冲压抑成,若有锈蚀.裂纹者不克不及运用.3.凡脚手板伸出小横杆以外大于20cm的称为探头板.因为今朝铺凤脚手板大多不与脚手架绑扎稳定,若遇探头板有可能造成坠落变乱,为此必须严禁探头板消失.当操纵层不需沿脚手架长度满铺脚手板时,可在端部采取护栏及立网将功课面限制,把探头板封闭在功课面以外.4.脚手困的外侧应按划定设置密目安然网,安然网设置在外排立杆的里面.密目网必须用合重请求的系绳将网周边每隔45cm(每个环扣距离)系牢在脚手管上.5.遇功课层时,还要在脚手架外侧大横杆与脚手板之间,按临边防护的请求设置防护拦杆和挡脚板,防止功课人员坠落和脚手板上物料滚落.(六)交底与验收1.脚手架搭设前,施工负责人应按照施工计划请求,联合施工现场功课前提和部队情形,做具体的交底,并有专人批示.2.脚手架搭设完毕,应由施工负责人组织,有关人员介入,按照施工计划和规范分段进行逐项检磨练收,确认相符请求后,方可投入运用.3.磨练尺度:(应按照响应规范请求进行)(1)钢管立杆纵距误差为±50mm(2)钢管立杆垂直度误差不大于1/100H,且不大于10cm(H为总高度).(3)扣件紧固力矩为:4050N.m,不大于65N.m.抽查装配数目5%,扣件不及格数目不久不多于抽查数目的10%.(4)扣件紧固程序直接影响脚手架的承载才能.实验标明当扣件螺栓扭力矩为30N.m时,比40N.m时的脚手架承载才能降低20%. 4.对脚手架检磨练收按规范划定进行,凡不相符划定的应立刻进行整改,对检讨成果及整改情形,应按实测数据进行记载,并由检测人员签字.(七)小横杆设置1.规范划定应当在立杆与大横杆的交点处设置小横杆,小横杆应紧靠立杆用扣件与大横杆扣牢.设置小横杆的感化有三:一是推却脚手板传来的荷载;二是加强脚手架横向平面的刚度;三是束缚双排脚手架里外两排立杆的侧向变形,与大横杆构成一个刚性平面,缩小立杆的长细比,进步立杆的承载才能.当遇功课层时,应在两立杆中央再增长一道小横杆,以缩小脚手板的跨度,当功课层转入其他层时,中央处小横杆可以随脚手板一同折除,但交点处小横杆不该裁撤.2.双排脚手架搭设的小横杆,必须在小横杆的两端与里外排大横杆扣牢,不然双排脚手架将变成两片脚手架,不克不及合营工作,掉去脚手架的整体性;当运用竹笆脚手板时,双排脚手架的小横杆两端应固定在立杆上,大横杆弃捐在小横杆上固定,大横杆间距≤40cm .3.单排脚手架小横杆的设置地位,与双排脚手架雷同.不克不及用于半砖墙.18cm墙.轻质墙.土坯墙等稳定性差的墙体.小横杆在墙上的弃捐长度不该小于18cm,小横杆人墙过小一是影响支点强度,别的单排脚手架产生变形时,小横杆轻易拨出.(八)杆件搭接1.木脚手架的立杆及大横杆的接长应采取搭接办法,搭接长度不小于1.5m并应大于步距和跨距,防止受力后产生迁移转变.2.钢管脚手架的立杆及大横杆的接长应采取对接办法.立杆若采取搭接,当受力时,因扣件的销轴受剪,降低承载才能,实验标明:对接扣件的承载才能比搭接大2倍以上;大横杆采取对接可使小横杆在同一程度面上,利于脚手架搭设;剪力撑因为受拉(压),所以接长时应采取搭接,搭接长度不小于50cm,接头处设置扣件不小于两个.斟酌脚手架的各杆件接头处传力机能差,所以接头应交织分列不得设置在一个平面内.(九)架体内封闭1.脚手架铺设脚手板一般应至少两层,上层为功课层基层为防护层,当功课层脚手板产生问题而落人物时,基层有一层起防护感化.当功课层的脚手板下无防护层时,应尽量接近功课层处挂一层平网作防护层,平网不该离功课层过远,应防止坠落时平网与功课层之间小横杆的损害.(十)脚手架材质1.木脚手架应采取质轻坚韧的剥皮杉杆或落叶松,不得运用质脆.腐败及有枯节木材.立杆梢径不小于7cm,横杆梢径不小于8cm.2.钢管材质一般应运用Q235(3号钢)钢材,外径48mm(51mm).壁厚3.5mm的焊接钢管,小横杆长度2.1~2.3m为宜,立杆.大横杆的长度4~4.5m为宜(不超出6.5m),其重量控制在每根25Kg以内,便于操纵.锈蚀.变形超出划定的禁止运用.扣件由可锻铸铁制成,当扣件螺栓拧紧,扭力矩为40~50N.m时,扣件本身所具有的抗滑.抗扭转和抗拔才能均能知足现实运用请求.3.关于撤消竹脚手架.的竹材,而今朝各地搭设脚手架的材质远远达不到这一请求,直接影响了脚手架的承载才能.别的,一些地区对竹脚手架的搭设高度也未进行严厉控制(H≤2.5m),使搭设后脚手架曲折变形没有安然包管.4.脚手架搭设必须选用同一种材质,当不合材质混搭时,节点的传力不合理,剖断不及格脚手架,检讨表不得分.(十一)通道1.各类人员高低脚手架必须在专门设置的人行通道(斜道)行走,不准攀爬脚手架,通道可附着在脚手架设置,也可接近建筑物自力设置.2.通道(斜道)构造请求:(1)人行通道宽度不小于1m坡度宜用1:3;运料斜道宽度不小于1.5m,坡度1:6.(2)拐弯处应设平台,通道及平台按临边防护请求设置防护雕栏及挡脚板.(3)脚手板横铺时,横向程度杆中央增设纵向斜杆;脚手板顺铺时,接头采取搭接,下面板压住上面板.(4)通道应设防滑条,间距不大于30cm.(十二)卸料平台1.施工现场合用各类卸料平台,必须单独与门做出设计并绘制施工图纸.2.卸料平台的施工荷载一般可按砌筑脚手架施工荷载3KN/m盘算,当有特别请求时,按请求进行设计.卸料平台应制造成定型化.对象化的构造,无论采取钢丝绳吊拉或型钢支承式,都应能简略合理的与建筑构造衔接.3.卸料平台应自成受力体系,禁止与脚手架衔接,防止给脚手架增长晦气荷载,影响脚手架的稳定和平台的安然运用.附:脚手架搭设其他尺度规范请求1,脚手架负载不得超出270kg/m2,经验收及格挂牌后方可运用,运用中应经常检讨与保护.负载超出270kg/m2,或情势特别脚手架应进行设计.2.钢管立柱应设置金属底座,对地质松软基本应垫木板或设扫地杆.3.脚手架立杆应垂直,垂直偏斜不得超出高度的1/200,立杆间距不超出2米.4.脚手架两端.转角处及每隔67根立柱应设尖刀撑与支杆,高度在7米以上无法设支杆时,竖向每隔4米,横向每隔7米必须与建筑物衔接稳定.5.脚手架外侧.斜道.平台设置1.05米防护栏.铺设竹排或木板时,两端必须绑扎稳定,严禁不绑扎就投入运用.6.在通道与扶梯处脚手架横杆应加高加固,不克不及阻碍通道.7.挑式脚手架一般横杆步距 1.2米,并要加设斜撑,斜撑与垂直面夹角不大于30°.8.为了防止架子管受压曲折扣件从管头滑落,各杆件订交伸出端头均大于10厘米.9.脚手架搭设地点若有电源线或电气装备时,必须相符安然距离划定,搭设与裁撤时采纳停送电措施.10.脚手架验收时,应对所有部件进行外不雅检讨,并实施验收及挂牌运用轨制.11.脚手架搭设前,必须对架子管.扣件.竹排.铁丝进行检讨,架子管轻微曲折,扣件轻微腐化.裂纹,竹排糜烂的必须报废,不得运用.12.禁止将脚手架直接搭靠在楼板的木楞上及未经盘算过补加荷重的构造部分上,或将脚手架和脚手板固定在建筑不十分稳定的构造上(如雕栏.管子等).13.脚手板和脚手架互相间应衔接稳定.脚手板的两端均应放在横杆上,固定稳定.脚手板不准在跨度间有接头.14.脚手板和斜道板要满铺于架子的横杆上.在斜道双方.斜道拐弯处和脚手架工作面的外侧,应设1m高的雕栏,并在其下部加设18cm高的护板.15.脚手架应装有稳定的梯子,以便工作人员高低和输送材料.用起重装配起吊重物时,不准把起重装配和脚手架的构造相衔接.16.搭设脚手架的工作引导人应对所搭的脚手架进行磨练及格并出具书面证实后方准运用.检修工作负责人每日应检讨所运用的脚手架和脚手板的状况,若出缺点,须立刻整修.17.严禁顺手用木桶.木箱.砖及其他建筑材料搭临时铺板来代替正规脚手架.18.脚手架上禁止乱拉电线.必须装配临时照明线路时,木竹脚手架应加绝缘子,金属管脚手架应另设木横担.19.装配金属管脚手架,禁止运用曲折.压扁或者有裂痕的管子,各个管子的接连部分要完全无损,以防倾倒或移动.20.金属管脚手架的立杆,必须垂直地稳放在垫板上,在安顿垫板前要将地面夯实.整平.立杆应套上柱座,柱座系由支柱底板及焊接在底板上的管子制成.21.金属管脚手架的接头,运用特制的搭钮互相搭接,这种搭钮实用于直角,也实用于锐角和钝角(用于斜撑等).衔接各个构件间的搭钮螺栓必须拧紧.22.脚手板必须固定在金属管脚手架的横梁上.23.当移动脚手架时,脚手架上所有工作人员必须下来,上面有人工作的脚手架禁止移动.脚手架裁撤计划一.编制根据1.《建筑施工安然检讨尺度》(JGJ 59—)2.《建筑施工扣件式钢管脚手架安然技巧规范》(JGJ130—)3.安然相干文件二.劳动力组织安插1.裁撤脚手架工程需配备足够的人员以知足脚手架裁撤进度请求.2.设置一名专职班组长,负责脚手架裁撤进程中的批示与调和.3.特种工作人员(架子工)必须接收专门培训,经考察及格取得劳动部分核发的《特种功课人员操纵证》,方可上岗功课.4.项目安然员对出场的工人要严厉按照《工人出场安然教导轨制》对班组人员进行安然教导.三.脚手架的裁撤一.裁撤前的预备:1.由项目部技巧负责人编制裁撤计划经审批后,向安然治理人员及裁撤人员进行安然技巧交底并签字.2.编制裁撤计划要知足安然规范的请求.3.应实时消除脚手架平桥上留存的落地灰.外墙砖.砼块等杂物,不克不及留下任何消失安然隐患的材料及杂物.4.周全检讨脚手架的扣件是否有松动和缺损,连墙件是否拉.撑稳定,有无缺损,各支持杆件是否相符原构造请求.二.裁撤次序:裁撤安然网→裁撤雕栏.脚手板和挡脚板→剪力撑→小横杆→表里大横杆→护身雕栏→连墙杆→墙外立杆.加临时抛撑→最底层连墙杆→纵.横向扫地杆.三.脚手架裁撤时的工艺:1.脚手架裁撤时逐层按自上而下,先加固后拆的原则进行,严禁高低同时功课,后搭的先拆,先搭的后拆,严禁采取推倒及拉倒的办法进行裁撤;2.施工井架地位的脚手架临时不拆,具体规模由治理人员视现场情形定,剩下不裁撤的脚手架,按构造请求应有足够的连墙杆和横向支持加固,特别对两端,没有时应加设.脚手架两端横向地位空位用钢管及安然网做好防护措施.四.裁撤时留意事项:1.必须由上而下逐层裁撤,履行后搭先拆原则,严禁高低同时功课.2.连墙杆必须随脚手架逐层裁撤,严禁先将连墙杆整层或数层裁撤后再拆脚手架,脚手架分层裁撤不该大于2步,如高差大于2步必须增设连墙杆.3.拆立杆时要一人先抱稳住立杆,另一人先将大横杆下的对接扣件松开,再拆大横杆上的直角扣件,抱杆人员再将立杆轻轻拔出对接扣件,然后将立杆垂直慢慢接到地面.4.裁撤大横杆.斜杆.剪力撑时,应先拆中央的扣件,然后俩人同时裁撤杆件两端的扣件,动作要调和,两人同时脱扣.铰剪撑.斜撑只能在裁撤层上裁撤,不得一次全体裁撤,裁撤铰剪撑时必须系好安然带,且两人以上合作裁撤.5.当脚手架拆至下部最后一根长立杆高度约6.5m时,应在恰当地位搭适临时抛撑,进行加固后,再裁撤连墙件.6.当脚手架采纳分段.分立面裁撤时,对不裁撤的脚手架两端按划定增设连墙件和横向斜撑.7.裁撤时严禁碰撞脚手架邻近的电源线,以防触电,各杆件配件严。
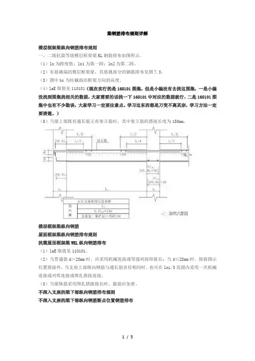
梁钢筋排布规则详解楼层框架梁纵向钢筋排布规则一、二级抗震等级楼层框架梁KL钢筋排布如图所示。
(1)ln为跨度值;ln1为第一跨;ln2为第二跨。
(2)有悬挑端的楼层框架梁,其悬挑部分的钢筋排布见图7.3。
(3)图中hc为柱截面沿框架方向的高度。
(4)laE取值见11G101(现在实行的是16G101图集,但是小编没有去找这图集,一是小编没找到图集找相关的数据,大家需要的话找一下16G101中对应的数据就行,二是16G101图集中也有不少勘误,大家学习一定要注意点。
学习这东西都是万变不离其宗,学习方法一定要清楚。
)(5)当梁上部既有通长筋又有架立筋时,其中架立筋的搭接长度为150mm。
楼层框架梁纵向钢筋屋面框架梁纵向钢筋排布规则抗震屋面框架梁WKL纵向钢筋排布(1)laE取值见11G101。
(2)当贯通筋d>28mm时,应采用机械连接或等强对接焊接长;当d≤28mm时,除按图示位置搭接外,当支座上部纵向钢筋与通长筋直径相同时,也可在lni/3范围内采用一次机械连接或对焊连接或绑扎搭接连接。
(3)当梁纵筋采用绑扎搭接接长时,箍筋应加密。
不深入支座的梁下部纵向钢筋排布规则不深入支座的梁下部纵向钢筋断点位置钢筋排布注:①本图构造不适用于框支梁。
②深入支座的梁下部纵向钢筋锚固构造见03G101-1P54-59。
中间支座纵向钢筋排布规则(1)屋面框梁WKL中间支座纵向钢筋排布(2)框梁KL中间支座纵向钢筋排布如图所示。
注:(1)括号内为非抗震梁纵筋的锚固长度。
(2)当屋面框架梁为抗震梁,楼层框架梁为一至四级抗震等级时,梁的下部纵筋在中间支座的水平直锚长度,除应满足本图注明者外,还应满足≥0.5 hc+5d。
箍筋、附加箍筋、吊筋等钢筋排布规则一级抗震等级框架梁KL、WKL箍筋钢筋排布梁侧面纵向构造筋和拉筋注:①hb为梁截面高度,hw为板下梁净高。
②当箍筋为多肢复合箍时,应采用大箍套小箍的形式。
③当hw≥450mm时,在梁的两个侧面应沿高度配置纵向构造筋;纵向构造筋间距a≤200mm。
03G101-1图集第66页是这样说的:1、第一排上部纵筋,“至少两根角筋,并且不少于第一排纵筋的二分之一”的上部纵筋一直伸到悬挑梁端部,再拐直角弯直伸到梁底。
“其余纵筋弯下”(即钢筋不下弯45度的斜坡)。
例如:第一排上部纵筋有4根,则第1、4两根一直伸到悬挑梁端部,第2、3两根在端部附近弯下45度的斜弯。
再例:第一排上部纵筋有5根,则第1、3、5三根一直伸到悬挑梁端部,第2、4两根在端部附近弯下45度的斜弯。
2、第二排上部纵筋伸到悬挑端长度的0.75 处。
3、纯悬挑梁(XL)的上部纵筋在支座的锚固:图上的标注为“伸至柱对边(柱纵筋内侧)且≥0.4La”。
而在“注1”中指出:“当纯悬挑梁的纵向纵筋直锚长度≥La且≥0.5hc+5d时,可不必往下弯锚;当直锚伸至对边仍不足La时,则应按图示弯锚;当直锚伸直对边仍不足0.4La时,则应采用较小直径的钢筋。
”——可见,纯悬挑梁的锚固方式和做法,与框架梁在端支座上的锚固方式和做法相同。
4、至于纯悬挑梁和各类梁的悬挑端的下部纵筋在支座的锚固:其锚固长度螺纹钢为12d,光面钢筋为15d 。
有人问:框架梁第一跨的下部纵筋是否一直伸到悬挑端上去?回答是:不应伸到悬挑端上去。
因为这两种钢筋的作用截然不同:框架梁第一跨的下部纵筋是受拉钢筋,它一般配筋较大;而悬挑端的下部钢筋是受压钢筋,它只需要较小的配筋就可以了。
所以,框架梁第一跨的下部纵筋的做法是伸到边柱进行弯锚;而悬挑端的下部钢筋是插入柱内直锚即可。
这里,还需要说明几个问题:第一个问题:有人问,纯悬挑梁和各类梁的悬挑端是否考虑抗震?回答是:在设计时不考虑抗震。
你看看图集中计算锚固长度时使用“La”而不是使用“LaE”就明白了。
第二个问题:上述第“1”条中“上部纵筋一直伸到悬挑梁端部,再拐直角弯直伸到梁底”的问题。
从图中在钢筋图形旁边标注“≥12d”,于是有些人以为钢筋的直钩长度等于12d即可。
可是陈青来教授说,大家要注意“图形语言”,在大样图中钢筋的直钩一直通到梁底。
悬挑梁施工方法悬挑梁是指在建筑结构中突出梁体的一种构造形式,通常用于悬挑式楼梯、悬挑式阳台等空间设计。
悬挑梁的施工方法对于建筑结构的稳定和安全至关重要。
在进行悬挑梁的施工时,需要遵循一系列标准操作规程,确保施工质量,减少事故风险。
1. 材料准备在进行悬挑梁的施工之前,首先需要对所需材料进行准备。
常用的悬挑梁施工材料包括钢筋、混凝土、支撑结构等。
在选择材料时,要考虑悬挑梁的承重能力和抗压能力,确保施工质量。
2. 测量定位在悬挑梁的施工现场,需要进行精确的测量和定位工作。
根据设计图纸确定悬挑梁的位置和尺寸,进行标线和定位,确保悬挑梁的准确安装。
3. 支撑搭设在悬挑梁的施工过程中,必须搭设支撑结构,确保梁体的稳定和安全。
支撑结构的设置需要符合施工标准,保证悬挑梁在施工期间不会发生位移或坍塌。
4. 钢筋绑扎在悬挑梁的施工中,钢筋的绑扎是至关重要的环节。
通过精确的钢筋绑扎,可以增强梁体的抗压性能,确保悬挑梁在使用过程中不会变形或开裂。
5. 混凝土浇筑悬挑梁的施工最关键的环节之一是混凝土浇筑。
在进行混凝土浇筑时,要注意控制浇筑速度和厚度,确保混凝土均匀分布并充分凝固。
6. 梁体拆模待混凝土充分凝固后,可以进行梁体的拆模工作。
拆模时要注意操作规范,避免对梁体结构造成损坏或影响。
7. 防水防腐悬挑梁施工完成后,需要进行防水和防腐处理,提高梁体的抗腐蚀性能和使用寿命,确保建筑结构的稳定和耐久性。
通过以上步骤的合理施工,可以确保悬挑梁在建筑结构中的稳固性和安全性,提高建筑物整体的质量和品质。
悬挑梁的施工过程需要严格遵循规范操作,确保施工过程的顺利进行,减少安全隐患,保障施工人员的安全和建筑物的稳定性。
悬挑工字钢搭设要求1、悬挑脚手架高度不宜超过20m。
2、悬挑钢梁悬挑长度应符合设计要求,其固定端长度不应小于悬挑端长度的1.25倍;型钢悬挑锚固端应采用2个(对)及以上U型钢筋拉环或锚固。
3、钢丝绳与建筑结构拉结的吊环应使用HPB235级钢筋,其直径不宜小于20mm,且吊环预埋锚固长度应符合现行国家标准。
4、锚固位置如设置在楼板上时,其楼板厚度不宜小于120mm。
5、在建筑结构角部,钢梁宜扇形布置,如果结构角部钢筋较多不能留洞时,可采用设置预埋件焊接三脚架等措施。
6、悬挑钢梁支承点应设置在结构梁上,不得设置在外伸阳台上或悬挑板上,否则应采取加固措施。
7、锚固位置设置在楼板上时,其楼板厚度不宜小于120mm,如果楼板厚度小于120mm应采取加固措施。
型钢悬挑梁悬挑端应设置能使脚手架立杆与钢梁可靠固定的定位点,且定位点离悬挑梁端部不应小于100mm。
8、悬挑钢梁前端应采用吊拉卸荷,因为吊拉卸荷的吊拉构件有刚性或柔性的。
如果使用钢丝绳,其直径不应小于14mm,使用预埋吊环其直径不宜小于20mm,预埋吊环应使用HPB235级钢筋制作,且钢丝绳卡不得少于3个。
9、悬挑梁长度一般情况下不超过2米就能满足施工需要,但在工程结构局部有可能满足不了使用要求,局部悬挑长度不宜超过3米。
10、型钢悬挑梁宜采用双轴对称截面型钢,如工字钢。
工字钢结构性能可靠,双轴对称截面,不仅受力稳定性好,与其他型钢相比,施工更便捷。
11、用于锚固的U型钢筋拉环或螺栓应采用冷弯成型。
U性钢筋拉环、锚固螺栓与型钢间隙应用钢楔或硬木楔楔紧;且每个型钢悬挑梁外端宜设置钢丝绳或钢拉杆与上一层建筑结构斜拉结,其钢丝绳和钢拉杆不参与悬挑钢梁受力计算。
12、悬挑钢梁型号与及其锚固件应按设计确定,且钢梁截面高度不应小于160mm。
另外,悬挑梁尾端应在两处及以上固定于钢筋混凝土梁结构上,锚固型钢悬挑梁间隙的U型钢筋拉环或锚固螺栓直径不宜小于16mm。
创作编号:GB8878185555334563BT9125XW创作者:凤呜大王*11G101-1第89页悬挑存在问题分析及解决问题之建议1 图集的给出的构造做法第一排钢筋之角筋伸到自由端端部-30mm(砼保护层)后90度下弯12d;第一排钢筋之非角筋当梁长l<4hb时,不伸到自由端端部-30mm后90度下弯12d,而是在适当位置45°斜向弯到梁底钢筋位置,沿梁底钢筋方向前行至自由端端部-30mm处收头。
第二排钢筋在0.75l处45°斜向弯到梁底钢筋位置,沿梁底钢筋方向前行10d处收头。
2 存在问题我们以11G101-1第34页4轴KL4(3A)250×700为例,来看看这样存在什么问题。
外伸端净长=2400-150=2250mm,其0.75l=0.75×2250=1887.5mm。
外伸端净长=2400-150=2250mm<4hb=4×700=2800mm。
第一排钢筋之角筋伸到自由端端部-30mm后90度下弯12d,毫无问题;第一排钢筋之非角筋当梁长l<4hb时,不伸到自由端端部-30mm后90度下弯12d,而是在适当位置45°斜向弯到梁底钢筋位置,沿梁底钢筋方向前行至自由端端部-30mm处收头。
问题出来了,请看:自自由端反演,下弯点到自由端的长度:L2宽度250(封口梁宽度)+50=300mm,推进一个45度之投影长度=700-50=650mm,就是上部的起弯点,此点距自由端尺寸是650+300=950mm,距固定端尺寸=2250-950=1300mm。
第一排的起弯点1300<第二排的起弯点0.75l=0.75×2250=1887.5mm。
这是第一个问题。
再看第二排钢筋,在1887.5处下弯+650+10d=1887.5+650+220=2557.5mm;2557.5mm-2250mm=307.5mm——超过梁净长307.5mm这是第二个问题。
3米悬挑梁钢筋做法【中英文实用版】在建筑施工中,3米悬挑梁钢筋的处理是一项重要环节。
合理的钢筋选用与布置、准确的锚固与焊接、可靠的搭接与连接以及严格的施工注意事项,都是确保悬挑梁结构安全的关键。
一、悬挑梁钢筋的选用与布置悬挑梁钢筋应选用符合国家标准的钢筋,一般情况下,直径在16-32mm 之间。
根据设计要求,钢筋应按图纸进行布置,保证梁体的受力均匀。
在布置过程中,应遵循以下原则:1.钢筋间距:按照设计要求控制钢筋间距,一般不大于200mm。
2.钢筋排数:根据梁高和受力要求确定,一般情况下不小于两排。
3.钢筋保护层:确保钢筋距离混凝土表面有一定的保护层,以防止钢筋锈蚀。
二、悬挑梁钢筋的锚固与焊接1.锚固:钢筋锚固长度应符合规范要求,确保梁端钢筋有足够的锚固长度。
锚固方式可采用弯钩或直钩形式,具体根据设计要求选用。
2.焊接:焊接质量直接影响到梁体的安全,因此焊接工艺和操作应严格按照规范进行。
焊接接头应错开布置,避免同一截面内多根钢筋的焊接接头过于集中。
三、悬挑梁钢筋的搭接与连接1.搭接:钢筋搭接长度应符合规范要求,确保梁体受力稳定。
搭接处可采用焊接或机械连接方式,具体根据设计要求选用。
2.连接:梁钢筋的连接方式有焊接、螺栓连接等。
焊接连接应保证焊接质量,螺栓连接应确保连接件的可靠性和稳定性。
四、悬挑梁钢筋的施工注意事项1.严格遵循设计图纸和施工规范,确保钢筋布置、锚固、焊接、搭接等环节符合要求。
2.钢筋加工和安装过程中,应注意保护钢筋,防止钢筋损坏、弯曲、扭曲等。
3.施工现场应做好防护措施,确保施工安全。
建筑工程悬挑式脚手架搭设一般要求一、悬挑脚手架选用材料应符合下列要求:1、悬挑脚手架的悬挑梁宜采用双轴对称截面的型钢,钢梁截面高度不应小于160 mm.2、选用的型钢应有产品质量合格证,严禁使用锈蚀或变形严重、有裂缝的型钢。
3 、拉索式悬挑脚手架所用的钢丝绳出现下列情况之一的不得使用:(1)断丝严重、断丝局部聚集、绳股断裂;(2)内、外部磨损或腐蚀的;(3)绳股挤出、钢丝挤出、扭结、弯折、压扁等变形的;4、螺栓连接件变形、磨损、锈蚀严重和螺栓损坏的,不得使用。
5、斜撑式悬挑脚手架的斜撑梁不得锈蚀、变形严重、开裂。
6、预埋钢筋扣环和拉环应采用热轧光圆钢筋,直径不小于16mm,具体规格由方案计算确定。
7、钢管、扣件、安全网、脚手片等其他材料的材质,按照落地式脚手架的条文规定。
二、悬挑梁设置应符合下列基本要求:1、悬挑梁与建筑结构连接应采用水平形式,固定在建筑梁板混凝土结构上,水平锚固段应大于悬挑段的1.25倍,与建筑物连接可靠。
2、悬挑梁和建筑物的固定可采用两道及以上预埋U型圆钢或螺栓扣环,两道预埋的扣环应设置在悬挑梁的端部。
预埋U型拉环应使用HPB235级钢筋,其直径不宜小于20mm.3、采用预埋U型圆钢扣环的,应在悬挑梁调整好位置后用铁楔从两不同方向楔紧,并固定。
采用预埋U型螺栓扣环的,应在悬挑梁调整好位置后用铁质压板双螺母固定,螺栓丝口外露不应少于3扣。
4、悬挑脚手架的拉索柔性材料仅作安全储备措施,不得作悬挑结构的受力构件。
5、拉索的预埋U圆钢拉环宜预埋在建筑物梁底或梁侧。
U型圆钢拉环预埋处的混凝土应达到拆模条件时方可悬拉拉索。
6、预埋U型圆钢扣环、拉环埋入混凝土的锚固长度不应小于30d,并应焊接或绑扎在主筋上。
三、悬挑脚手架的搭设要求:1、悬挑脚手架每段搭设高度不宜大于18m.2、悬挑脚手架立杆底部与悬挑型钢连接应有固定措施,防止滑移。
3、悬挑架步距不应大于1.8m.立杆纵向间距不应大于1.5m.4、悬挑脚手架的底层和建筑物的间隙必须封闭防护严密,以防坠物。
悬挑梁钢筋计算
悬挑梁是一种常见的桥梁构件,也常用于建筑中的悬挑结构。
在悬挑梁的设计中,钢筋是一个重要的因素。
本文将探讨悬挑梁钢筋的计算方法及其要点。
首先,悬挑梁钢筋的计算需要考虑梁的受力情况。
一般情况下,悬挑梁受到三种力的作用:自重力、负荷力和抗倾覆力。
自重力可以通过构件的几何尺寸和材料密度来计算,而负荷力则需考虑使用情况下的荷载大小和荷载作用位置。
抗倾覆力是指梁在水平方向上的稳定作用,通常由地面反力提供,也需要考虑梁的几何形状。
接下来,我们要考虑的是钢筋的布置。
钢筋的主要作用是增加梁的抗拉强度,避免梁发生断裂破坏。
在悬挑梁中,钢筋通常采用双层布置,即分别设置在上部和下部混凝土离模面上,以分散梁的受力范围。
钢筋的密度和直径的选取需要根据梁的受力情况和构件尺寸来确定。
最后,需要注意的是悬挑梁钢筋的连接方式。
钢筋之间应该采用搭接连接来确保连接性能,并在连接处设置钢筋套筒,以加强钢筋的间接搭接。
此外,连接处的钢筋长度也需要根据构件的尺寸和承载力要求来确定。
综上所述,悬挑梁钢筋计算需要考虑梁的受力情况、钢筋布置和连接方式,这些因素都会影响到悬挑梁的承载能力。
在实际设计中,
需要根据具体情况来确定钢筋布置和连接方式,以确保悬挑梁的安全性和可靠性。
悬挑梁植筋方案悬挑梁是一种常见的建筑结构形式,它能够实现大跨度的悬挑,具有美观、灵活、节约空间等优点。
然而,由于悬挑梁的自重和外荷载作用下的弯矩,容易导致悬挑梁的变形和开裂,从而影响结构的安全性和使用寿命。
为了增强悬挑梁的承载能力和抗震能力,常常采用植筋的方法来进行加固和修复。
植筋是指将钢筋插入混凝土结构中,通过钢筋与混凝土之间的黏结力,使钢筋与混凝土形成一个整体,从而提高结构的承载能力。
在悬挑梁的植筋方案中,通常采用的是在悬挑梁底部和侧面进行植筋,以增加悬挑梁的抗弯能力。
需要在悬挑梁底部进行植筋。
在悬挑梁底部,可以沿着悬挑梁的长度方向布置一定间距的钢筋。
钢筋的数量和间距根据悬挑梁的跨度和荷载要求进行确定。
在钢筋布置时,需要注意钢筋的纵向间距要均匀,横向间距要与悬挑梁的宽度相匹配。
钢筋的直径也要根据悬挑梁的受力情况进行选择,一般采用直径较大的钢筋,以增加悬挑梁的承载能力。
需要在悬挑梁的侧面进行植筋。
侧面的植筋可以采用垂直于悬挑梁底部钢筋的方式进行布置。
植筋的间距和数量也需要根据悬挑梁的受力情况进行确定。
在侧面植筋时,需要注意钢筋的位置要与悬挑梁底部的钢筋相对应,以形成一个整体的钢筋网格结构,增加悬挑梁的抗弯能力和刚度。
在悬挑梁植筋方案中,除了钢筋的布置外,还需要注意植筋与混凝土的黏结性能。
在植筋前,需要对悬挑梁的表面进行清理,以去除灰尘和油污等杂质,以保证植筋与混凝土之间的黏结力。
另外,在植筋时需要使用粘结剂来增加植筋与混凝土之间的黏结力,以提高结构的整体性能。
悬挑梁植筋方案是为了增强悬挑梁的承载能力和抗震能力而采取的一种加固和修复措施。
通过在悬挑梁底部和侧面进行植筋,可以增加悬挑梁的抗弯能力和刚度,提高结构的安全性和使用寿命。
在进行悬挑梁植筋时,需要注意钢筋的布置和植筋与混凝土的黏结性能,以确保植筋效果的良好。
通过合理的悬挑梁植筋方案,可以有效地解决悬挑梁变形和开裂的问题,使悬挑梁具有更好的承载能力和抗震能力,从而保证建筑结构的安全可靠性。
悬挑工字钢的新规范:建筑工地安全重于泰山,悬挑工字钢的新规范对于型钢悬挑脚手架做了很细致的规定,无论是型材的选用还是锚固件都作出了具体的说明,既可以确保工程的进度和质量,也可以为安全作业提供一定的保障。
1、一次悬挑脚手架高度不宜超过20m。
2、型钢悬挑梁宜选用双轴对称截面的型钢。
如工字钢,工字钢构造功能牢靠,双轴对称截面,受力稳定性好,较别的型钢选购、规划、施工便利。
3、悬挑钢梁类型及锚固件应按规划断定,钢梁截面高度不该小于160mm。
悬挑梁尾端应在两处及以上固定于钢筋混凝土梁板构造上。
锚固型钢悬挑梁的U型钢筋拉环或锚固螺栓直径不宜小于16㎜。
4、用于锚固的U型钢筋拉环或螺栓应选用冷弯成型。
U型钢筋拉环、锚固螺栓与型钢空隙运用钢楔或硬木楔楔紧。
每个型钢悬挑梁外端宜设置钢丝绳或钢拉杆与上一层建筑构造斜拉结。
钢丝绳、钢拉杆不参与悬挑钢梁受力核算;5、钢丝绳与建筑构造拉结的吊环应运用HPB235级钢筋,其直径不宜小于20㎜,吊环预埋锚固长度应契合现行国家标准。
6、悬挑钢梁悬挑长度应按规划断定,固定段长度不该小于悬挑段长度的1.25倍。
型钢悬挑梁固定端应选用2个(对)及以上U型钢筋拉环或锚固螺栓与建筑构造梁板固定,U型钢筋拉环或锚固螺栓应预埋至混凝土梁、板底层钢筋方位,并应与混凝土梁、板底层钢筋焊接或绑扎结实,其锚固长度应契合现行国家标准。
7、锚固位置设置在楼板上时,楼板的厚度不宜小于120mm。
如果楼板的厚度小于120mm应采取加固措施。
型钢悬挑梁悬挑端应设置能使脚手架立杆与钢梁可靠固定的定位点,定位点离悬挑梁端部不应小于100mm。
悬挑钢梁前端应采用吊拉卸荷,吊拉卸荷的吊拉构件有刚性的,也有柔性的,如果使用钢丝绳,其直径不应小于14㎜,使用预埋吊环其直径不宜小于20㎜(或计算确定),预埋吊环应使用HPB235级钢筋制作。
钢丝绳卡不得少于3个。
悬挑钢梁悬挑长度一般情况下不超过2m能满足施工需要,但在工程结构局部有可能满足不了使用要求,局部悬挑长度不宜超过3米。
悬挑工字钢的走钢设置要求包括以下几点:1. 悬挑梁结构应采用高度不小于160mm双轴对称截面的型钢(工字钢)。
2. 悬挑梁端部应设置定位点,距离悬挑梁端部不小于100mm。
3. 定位点可采用直径25-30mm的钢筋或短管。
4. 固定端长度应大于悬挑端长度的 1.25倍,悬挑梁之间的距离应根据悬挑杆的纵向距离设置,且每个纵向距离应设一个。
5. U型钢筋拉环或锚固螺栓应冷弯,且与型钢之间的间隙应用钢楔或硬木楔紧固。
6. 悬挑梁末端应固定在两个以上的钢筋混凝土梁板结构上,且U型钢筋拉环或锚固螺栓的直径应不小于16mm。
7. 悬挑梁前端应采用吊拉卸荷,应满足以下要求:钢丝绳不小于14mm,吊环应不小于20mm,预埋吊环应采用HPB235钢筋制成;钢丝绳与型钢梁的夹角应大于45°;不小于3根钢丝绳,应立绳应位于口座上,且绳扣间距为150-200,末端钢丝绳长度应不小于200mm。
8. 钢梁支撑点应设置在结构梁上,严禁设置在外伸阳台或悬挑板上。
因此,该地方应使用垫木垫,必须设置在阳台时,不得拆除支撑系统并计算出其承载力。
9. 在建筑结构角处,钢梁应呈“扇形”布置。
例如结构角钢筋较多,不能留洞时,可采取预埋件焊接钢三脚架等措施。
10. 悬挑脚手架高度应不超过20m。
11. 悬挑工字钢搭设或分段搭设完成后,应按规定检查脚手架工程质量,经检查合格后方可交付使用。
有关单位工程负责人应组织技术安全人员检查验收高度小于20m的脚手架;上一级技术负责人应组织工程负责人和相关技术人员检查验收高度大于20m的脚手架;验收时应检查质量分类合格证、施工记录及施工报告等文件;另外,现场检查,应检查各项并计入施工验收报告。
以上信息仅供参考,具体要求还应根据施工环境和安全标准来确定。
如需了解更多信息,建议查阅行业规范或咨询专业人士。
11G101-1第89页悬挑存在问题分析及解决问题之建议1 图集的给出的构造做法第一排钢筋之角筋伸到自由端端部-30mm(砼保护层)后90度下弯12d;第一排钢筋之非角筋当梁长l<4hb时,不伸到自由端端部-30mm后90度下弯12d,而是在适当位置45°斜向弯到梁底钢筋位置,沿梁底钢筋方向前行至自由端端部-30mm处收头。
第二排钢筋在0.75l处45°斜向弯到梁底钢筋位置,沿梁底钢筋方向前行10d 处收头。
2 存在问题我们以11G101-1第34页4轴KL4(3A)250×700为例,来看看这样存在什么问题。
外伸端净长=2400-150=2250mm,其0.75l=0.75×2250=1887.5mm。
外伸端净长=2400-150=2250mm<4hb=4×700=2800mm。
第一排钢筋之角筋伸到自由端端部-30mm后90度下弯12d,毫无问题;第一排钢筋之非角筋当梁长l<4hb时,不伸到自由端端部-30mm后90度下弯12d,而是在适当位置45°斜向弯到梁底钢筋位置,沿梁底钢筋方向前行至自由端端部-30mm处收头。
问题出来了,请看:自自由端反演,下弯点到自由端的长度:L2宽度250(封口梁宽度)+50=300mm,推进一个45度之投影长度=700-50=650mm,就是上部的起弯点,此点距自由端尺寸是650+300=950mm,距固定端尺寸=2250-950=1300mm。
第一排的起弯点1300<第二排的起弯点0.75l=0.75×2250=1887.5mm。
这是第一个问题。
再看第二排钢筋,在1887.5处下弯+650+10d=1887.5+650+220=2557.5mm;2557.5mm-2250mm=307.5mm——超过梁净长307.5mm这是第二个问题。
还有,自由端进来50mm开始,必须设置箍筋,图上没提及,这是第三个问题。
悬挑梁箍筋间距
摘要:
1.悬挑梁箍筋间距的定义与作用
2.悬挑梁箍筋间距的规范要求
3.悬挑梁箍筋间距对结构安全的影响
4.悬挑梁箍筋间距的计算方法
5.如何在设计中合理确定悬挑梁箍筋间距
正文:
悬挑梁箍筋间距是指在悬挑梁结构中,箍筋在梁的上下两端的距离。
它对悬挑梁的抗弯能力、抗震性能以及耐久性等方面具有重要作用。
在我国现行的建筑结构设计规范中,对悬挑梁箍筋间距有一定的规定。
根据我国《混凝土结构设计规范》(GB 50010-2010) 的规定,对于钢筋混凝土悬挑梁,箍筋间距应满足以下条件:对于普通钢筋混凝土梁,箍筋间距不应大于200mm;对于预应力混凝土梁,箍筋间距不应大于150mm。
同时,箍筋直径的选择应根据梁的截面性能、抗震等级以及施工条件等因素综合考虑。
悬挑梁箍筋间距对结构安全具有显著影响。
合理的箍筋间距能够保证梁的抗弯能力、抗震性能以及耐久性。
如果箍筋间距过大,可能导致梁的抗弯能力不足,影响结构安全;如果箍筋间距过小,虽然可以提高抗弯能力,但同时会增加施工难度和成本。
在计算悬挑梁箍筋间距时,需要综合考虑梁的截面性能、抗震等级、施工
条件等因素。
一般来说,箍筋间距的计算公式为:箍筋间距= (bw + 2.5d) / 2,其中bw 为梁宽,d 为箍筋直径。
在设计中合理确定悬挑梁箍筋间距是保证结构安全、经济合理的关键。
设计人员应根据规范要求,结合实际情况,综合考虑各种因素,合理确定箍筋间距,以确保悬挑梁结构的稳定性和安全性。
悬挑梁设设置要求悬挑梁的设置要求那可得好好唠唠。
一、悬挑梁的根部。
1. 锚固得稳。
悬挑梁根部在主体结构里的锚固是超级重要的。
就好比大树扎根,根要是扎不稳,树就倒了。
悬挑梁的根部要牢牢地锚固在混凝土结构里,像钢筋得伸进去足够的长度,这长度是经过计算的,可不是随便定的。
一般呢,要满足锚固长度的规范要求,要是锚固长度不够,悬挑梁就可能会从根部被拔出来,那可就惨了。
2. 钢筋布置合理。
在根部的钢筋就像人的骨架一样。
得有足够的主筋,而且这些主筋的直径、数量都得按照设计来。
不能说想少用几根就少用几根。
还有啊,箍筋也不能马虎,它要把主筋紧紧地箍住,就像给主筋穿上了一层保护衣,防止主筋在受力的时候东倒西歪的。
二、悬挑梁的悬挑部分。
1. 长度有限制。
悬挑梁可不能无限制地悬挑出去,它的悬挑长度是有讲究的。
太长了就容易像个长胳膊一样,晃晃悠悠的。
一般来说,悬挑长度和后面锚固段的长度是有比例关系的。
比如说,悬挑长度不能超过锚固段长度的多少倍,这都是为了保证悬挑梁整体的稳定性。
要是你乱搞,悬挑得太长,那梁可能就会断成两截,这可不是闹着玩的。
2. 截面尺寸合适。
悬挑梁的截面就像它的身材一样。
不能太瘦也不能太胖。
如果截面太小,就像一个小细棍挑着个大东西,肯定撑不住。
要是截面太大呢,又浪费材料。
所以要根据悬挑梁所承受的荷载大小来确定合适的截面尺寸。
比如说,要考虑上面放的是轻的东西还是重的东西,是经常有东西在上面动来动去,还是就静止放着,然后确定梁的宽度和高度。
3. 配筋要充足。
悬挑梁悬挑部分的配筋就像给它注入力量一样。
上部的钢筋要多一些,因为悬挑梁主要是上部受拉。
就像拔河一样,上部的钢筋得能拉得住。
下部的钢筋也不能太少,虽然下部受压,但是也得有足够的钢筋来保证梁的整体性。
而且钢筋的间距也得合适,不能太密也不能太疏,太密了混凝土不好浇筑,太疏了又不能很好地发挥钢筋的作用。
三、整体的构造要求。
1. 混凝土质量要好。
悬挑梁的混凝土就像它的肌肉一样。
03G101-1图集第66页是这样说的:1、第一排上部纵筋,“至少两根角筋,并且不少于第一排纵筋的二分之一”的上部纵筋一直伸到悬挑梁端部,再拐直角弯直伸到梁底。
“其余纵筋弯下”(即钢筋不下弯45度的斜坡)。
例如:第一排上部纵筋有4根,则第1、4两根一直伸到悬挑梁端部,第2、3两根在端部附近弯下45度的斜弯。
再例:第一排上部纵筋有5根,则第1、3、5三根一直伸到悬挑梁端部,第2、4两根在端部附近弯下45度的斜弯。
2、第二排上部纵筋伸到悬挑端长度的0.75 处。
3、纯悬挑梁(XL)的上部纵筋在支座的锚固:图上的标注为“伸至柱对边(柱纵筋内侧)且≥0.4La”。
而在“注1”中指出:“当纯悬挑梁的纵向纵筋直锚长度≥La且≥0.5hc+5d时,可不必往下弯锚;当直锚伸至对边仍不足La时,则应按图示弯锚;当直锚伸直对边仍不足0.4La时,则应采用较小直径的钢筋。
”——可见,纯悬挑梁的锚固方式和做法,与框架梁在端支座上的锚固方式和做法相同。
4、至于纯悬挑梁和各类梁的悬挑端的下部纵筋在支座的锚固:其锚固长度螺纹钢为12d,光面钢筋为15d 。
有人问:框架梁第一跨的下部纵筋是否一直伸到悬挑端上去?回答是:不应伸到悬挑端上去。
因为这两种钢筋的作用截然不同:框架梁第一跨的下部纵筋是受拉钢筋,它一般配筋较大;而悬挑端的下部钢筋是受压钢筋,它只需要较小的配筋就可以了。
所以,框架梁第一跨的下部纵筋的做法是伸到边柱进行弯锚;而悬挑端的下部钢筋是插入柱内直锚即可。
这里,还需要说明几个问题:第一个问题:有人问,纯悬挑梁和各类梁的悬挑端是否考虑抗震?回答是:在设计时不考虑抗震。
你看看图集中计算锚固长度时使用“La”而不是使用“LaE”就明白了。
第二个问题:上述第“1”条中“上部纵筋一直伸到悬挑梁端部,再拐直角弯直伸到梁底”的问题。
从图中在钢筋图形旁边标注“≥12d”,于是有些人以为钢筋的直钩长度等于12d即可。
可是陈青来教授说,大家要注意“图形语言”,在大样图中钢筋的直钩一直通到梁底。
03G101-1图集第66页是这样说的:
1、第一排上部纵筋,“至少两根角筋,并且不少于第一排纵筋的二分之一”的上部纵筋一直伸到悬挑梁端部,再拐直角弯直伸到梁底。
“其余纵筋弯下”(即钢筋不下弯45度的斜坡)。
例如:第一排上部纵筋有4根,则第1、4两根一直伸到悬挑梁端部,第2、3两根在端部附近弯下45度的斜弯。
再例:第一排上部纵筋有5根,则第1、3、5三根一直伸到悬挑梁端部,第2、4两根在端部附近弯下45度的斜弯。
2、第二排上部纵筋伸到悬挑端长度的0.75 处。
3、纯悬挑梁(XL)的上部纵筋在支座的锚固:图上的标注为“伸至柱对边(柱纵筋内侧)且≥0.4La”。
而在“注1”中指出:“当纯悬挑梁的纵向纵筋直锚长度≥La且≥0.5hc+5d时,可不必往下弯锚;当直锚伸至对边仍不足La时,则应按图示弯锚;当直锚伸直对边仍不足0.4La时,则应采用较小直径的钢筋。
”——可见,纯悬挑梁的锚固方式和做法,与框架梁在端支座上的锚固方式和做法相同。
4、至于纯悬挑梁和各类梁的悬挑端的下部纵筋在支座的锚固:其锚固长度螺纹钢为12d,光面钢筋为15d 。
有人问:框架梁第一跨的下部纵筋是否一直伸到悬挑端上去?回答是:不应伸到悬挑端上去。
因为这两种钢筋的作用截然不同:框架梁第一跨的下部纵筋是受拉钢筋,它一般配筋较大;而悬挑端的下部钢筋是受压钢筋,它只需要较小的配筋就可以了。
所以,框架梁第一跨的下部纵筋的做法是伸到边柱进行弯锚;而悬挑端的下部钢筋是插入柱内直锚即可。
这里,还需要说明几个问题:
第一个问题:有人问,纯悬挑梁和各类梁的悬挑端是否考虑抗震?回答是:在设计时不考虑抗震。
你看看图集中计算锚固长度时使用“La”而不是使用“LaE”就明白了。
第二个问题:上述第“1”条中“上部纵筋一直伸到悬挑梁端部,再拐直角弯直伸到梁底”的问题。
从图中在钢筋图形旁边标注“≥12d”,于是有些人以为钢筋的直钩长度等于12d即可。
可是陈青来教授说,大家要注意“图形语言”,在大样图中钢筋的直钩一直通到梁底。
所以,正确的理解是:钢筋直钩一直通到梁底,同时≥12d 。
第三个问题:上述第“1”条中第一排上部纵筋“弯下”45度的做法仅适用于“长悬挑梁”——这个问题另列专题在后面讨论。
纯悬挑梁(XL)和各类梁的悬挑端的主筋是上部纵筋。
03G101-1图集第66页是这样说的:
1、第一排上部纵筋,“至少两根角筋,并且不少于第一排纵筋的二分之一”的上部纵筋一直伸到悬挑梁端部,再拐直角弯直伸到梁底。
“其余纵筋弯下”(即钢筋不下弯45度的斜坡)。
解释中的:(即钢筋不下弯45度的斜坡)“不下弯”是否是笔误,按例子其余钢筋在端部附近弯下45度的斜弯。
你看得很仔细,非常感谢。
“不下弯”确是笔误,应为:
1、第一排上部纵筋,“至少两根角筋,并且不少于第一排纵筋的二分之一”的上部纵筋一直伸到悬挑梁端部,再拐直角弯直伸到梁底。
“其余纵筋弯下”(即在端部附近钢筋下弯45度的斜坡)。
悬挑梁的支座,有负筋的话,那负筋的长度按长跨吗>\
比如啊,两跨,悬挑的左边是6米,悬挑2米,那负筋一直伸到悬挑端部吗?要弯下吗?
我们这边对于悬挑有一个详图的,就是角筋啊,一直伸到悬挑端部,弯下,再往根部伸两宽加50,在上弯45度,再往根部伸20倍钢筋直径.
1、悬挑梁的“负筋”——也就是悬挑梁的主要受力钢筋(受拉钢筋),它应该在整个悬挑长度“满布”。
比如你所举的例子,就是在“悬挑2米”的长度范围贯通布筋——当伸至尽端时,向下拐至梁底。
这一点在03G101-1图集第66页说得明白,我在“平法讲座”正讲到悬挑梁的构造要求,你可以继续看看。
2、关于“悬挑有一个详图的,就是角筋啊,一直伸到悬挑端部,弯下,再往根部伸两宽加50,在上弯45度,再往根部伸20倍钢筋直径”这样的问题,我也曾经和陈青来教授讨论过,他说,悬挑钢筋的形状没必要搞得如此复杂,按标准图集即可。
不过,我认为,如果某个具体工程的设计师已经做出这样的设计,那么还是应该按照设计师的要求去施工。
因为在具体工程中,设计师是优先于标准图集的。