清洁生产审核现场审计数据采集汇总表格
- 格式:doc
- 大小:334.50 KB
- 文档页数:24
注:本工作表来源于北京正丰易科环保技术咨询中心编写的《企业清洁生产审核学员手册》附件B:清洁生产审核工作用表清洁生产审核工作用表0――企业背景调查A节――企业确认A节中所提供的信息将应企业的要求而保密请在下面明确提出(说明)本页后续页码上所记录的信息是否能与企业名称页(即本页)联在一起。
如果您选择下面的“不能”,那么,本页将与后续页码分开并给企业确定一个号码(代码)。
()不能,即本页后续页码上的信息不能与企业名称页(即本页)联系在一起,除非获得了本公司主管层的认可。
()能够,即本页后续页码上的信息不是保密的,可与企业名称页(即本页)联系在一起。
―――――――――――――――――――――――――姓名(打印体)姓名(签名)―――――――――――――――――――――――――职位日期1.企业名称:2.成立年份:3.通信地址:4.企业地址(如果不同时):5.联系人姓名:6.电话号码:7.传真号码:B节――企业概况8. 企业规模装备能力:吨/天吨/年实际产量:吨/天吨/年9.产品范围品种规格产量(吨/年)a.b.c.d.e.10. 原材料消耗a. 吨/年吨/吨产品b. 吨/年吨/吨产品c. 吨/年吨/吨产品d. 吨/年吨/吨产品e. 吨/年吨/吨产品f. 吨/年吨/吨产品g. 吨/年吨/吨产品h. 吨/年吨/吨产品i. 吨/年吨/吨产品j. 吨/年吨/吨产品k. 吨/年吨/吨产品11.产品A12.产品B13.产品C14. 产品D15. 污染控制与废水处理:16. 原水:水量立方米/天水质企业有没有原水处理设施?()有,()没有。
如果有,请描述。
17. 化学品:a. 吨/年b. 吨/年c. 吨/年d. 吨/年e. 吨/年f. 吨/年g. 吨/年18. 能源煤吨/年燃料油千升/年燃气立方米/年电力外购千瓦时/年自产千瓦时/年其它(请指明种类并标明单位)E节――企业排放19. 流量测定:描述计算废水流量所采用的测量装置。
清洁生产审核需提交资料及需填报的表格一、强制清洁生产审核每阶段需提交的材料及需填报的表格2第一阶段审核准备工作2第二阶段申请评估2第三阶段编制实施稿2第四阶段申请验收3附件1:清洁生产审核工作回执表3附表2:广东省重点企业清洁生产审核评估/验收申请表[1]4附表3:广东省重点企业清洁生产审核绩效表6附件4:重点企业清洁生产审核实施稿报批表 (8)附表5:广东省重点企业清洁生产审核评估评分表8附表6:广东省重点企业清洁生产审核验收评价表11附表7:广东省重点企业清洁生产审核评估/验收意见表 (13)附表8:清洁生产审核验收工作报告大纲16二、自愿清洁生产审核每阶段需提交的材料及需填报的表格17第一阶段审核准备工作17第二阶段审核工作17第三阶段申请验收17附件1 :广东省清洁生产审核备案申请表19附件2 :清洁生产审核工作计划表120附件3 :开展清洁生产审核告知函 (21)附件4 :清洁生产审核培训通知22附件5 :清洁生产审核服务确认单23附件6 :广东省企业自愿清洁生产审核验收申请表 (24)附件7 :清洁生产企业验收程序25附件8 :企业对清洁生产技术服务单位服务情况评价表 (26)附件9 :广东省企业自愿清洁生产审核验收考核表 (28)附件10 :清洁生产企业实施情况表(表一)30附件11 :清洁生产企业审核验收专家意见33附件12 :惠州市清洁生产企业换证申请表34强制清洁生产审核每阶段需提交的材料及需填报的表格第一阶段审核准备工作一、清洁生产审核工作回执表(附表1);(加盖公章,一式两份)二、服务合同、服务单位资质证明;第二阶段申请评估一、重点企业清洁生产审核评估申请表(附件2);二、强制性清洁生产企业审核绩效表(附件3);三、清洁生产审核报告书(送审稿及电子版);四、清洁生产审核后的环境监测报告;五、咨询服务机构资质证明及参加审核人员的技术资质证明材料复印件;上述材料按顺序装订成册,一式八份上报市环保部门第三阶段编制实施稿一、根据评估意见的要求,企业对清洁生产审核报告(送审稿)进行修改完善;二、形成《清洁生产审核报告书(实施稿)》;三、并附《重点企业清洁生产审核实施稿报批表》(附件4);四、专家评估意见;五、修改清单;上述材料装订成册,一式四份附电子版,报送省环保部门三份,一份报送市环保部门。
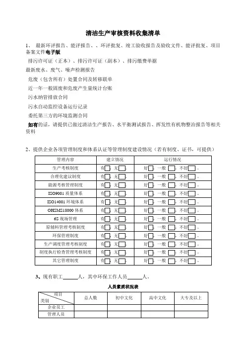
清洁生产审核资料收集清单
1、最新环评报告、能评报告、、环评批复、竣工验收报告及验收文件、能评批复、项目备案文件电子版
排污许可证(正本)、排污许可证(副本)、排污缴费单据
最新废水、废气、噪声检测报告
危废(包含所有)处置合同及转移联单
近一年一般固废和危废产生量统计台账
污水纳管排放合同
污水自动监控设备运行记录
委托第三方的环境监测合同
如有的话,请提供已做过清洁生产报告、水平衡测试报告、挥发性有机物整治报告等相关资料
2、提供企业各项管理制度和体系认证等管理制度建设情况(若有制度、证书,可提供)
3、现有职工人,其中环保工作人员人。
人员素质状况表
4、近三年产品产量、产值情况
公司近三年产品产量、产值、利税表
5、提供企业2019年主要原辅材料清单
公司2019年主要原辅材料消耗情况表
6、提供企业近几年能源耗用情况
公司近三年能源消耗量及费用情况表
7、废气、废水、噪声等“三废”处理设施、工艺及运行情况
8、提供企业主要设备清单
变压器配置清单表
(提供供电线路图)
空压机设备清单表
公司设备清单表(分车间填写)。
清洁生产审核工作总结表清洁生产是指在生产过程中尽量减少对环境的污染和资源的消耗,以达到节约能源、减少污染、提高生产效率和产品质量的目的。
清洁生产审核工作是对企业生产过程中的环境保护和资源利用情况进行全面检查和评估的重要工作。
下面是对清洁生产审核工作的总结表:一、审核对象。
清洁生产审核工作主要对象是各类生产企业,特别是对环境敏感型企业进行重点审核。
二、审核内容。
1. 生产过程中的环境保护措施,包括废水、废气、固体废物的处理和排放情况,以及对环境的影响。
2. 能源利用情况,包括原材料的节约利用、能源消耗情况和能源利用效率。
3. 生产设备的清洁度和安全性,包括设备的维护保养情况、操作规范和安全措施。
4. 环境管理体系的建立和执行情况,包括企业是否建立了环境管理体系,是否有相关的环保人员和管理制度。
三、审核方法。
1. 现场检查,对企业的生产现场进行实地考察,了解企业的生产情况和环保措施的执行情况。
2. 资料核查,对企业的环保文件、生产记录等资料进行审核和核实。
3. 询问访谈,与企业的相关人员进行交流,了解企业的环保措施和管理情况。
四、审核结果。
1. 合格,企业的清洁生产审核工作符合要求,生产过程中的环保措施和资源利用情况良好。
2. 不合格,企业的清洁生产审核工作存在重大问题,需要立即整改,并可能面临相应的处罚。
五、建议。
1. 加强宣传教育,提高企业对清洁生产审核工作的重视程度,增强环保意识。
2. 加强监管力度,加大对企业的清洁生产审核工作的监督力度,确保审核工作的严肃性和公正性。
3. 支持政策,政府应出台更多的支持清洁生产的政策,鼓励企业积极开展清洁生产审核工作。
总之,清洁生产审核工作是保护环境、促进可持续发展的重要举措,需要企业、政府和社会各界的共同努力,才能取得更好的成效。
希望通过清洁生产审核工作的总结表,能够引起更多人对清洁生产的关注和重视,共同为建设美丽家园做出贡献。
企业清洁生产审核工作用表前言根据工作需要,本书将企业清洁生产审核常用表格汇总列出。
使用说明:1.本书的审核工作用表是为清洁生产审计人员的工作方便而专门设计的。
基本上涵盖了审计过程中所需调查的数据、材料以及工作内容。
2.审核工作用表与审核七阶段相对应,按各阶段的序号排列,共由41张表组成,其中第一阶段2张表,第二阶段13张表,第三阶段5张表,第四阶段6张表,第五阶段4张表,第六阶段9张表,第七阶段2张表。
3.审核工作用表是为一般企业设计的通用的调查工作用表,审核人员可根据不同企业的实际情况进行复制、修改和补充。
4.审核工作用表为审核人员工作时使用,并不要求将全部表格作为审核报告的内容,但根据清洁生产审核报告编制要求,部分表格将进入审核报告之中。
制表审核第页共页注:若仅设立一个审核小组,则可依次填写即可,若分别设立了审核领导小组和工作小组,则可分成两表或在一表内隔开填写制表审核第页共页工作表2-1 企业简述制表审核第页共页工作表2-2资料收集名录制表审核第页第页工作表2-3 环保设施状况表设施名称处理废弃物种类建成时间折旧年限建投投资(万元)设计处理量实际处理量年运行费(万元)年耗电量(千瓦时)运行天数(天/年)(天/月)监测频率(次/月)设施运行效果制表审核第页共页注:环保设施包括废水、废气、固废、噪声处理设施以及综合利用设施。
工作表2-4 企业环保达标及污染事故调查表制表审核第页共页工作表2-5 工段生产情况表制表审核第页共页工作表2-6 产品设计信息产品名称制表审核第页共页工作表2-6 产品合计信息(续)产品名称制表审核第页共页工作表2-7 输入物料汇总表工段名称制表审核第页共页工作表2-7 输入物料汇总表(续)工段名称制表审核第页共页注:(1)按工段分别填写(2)“输入物料”指生产中使用的所有物料,其中有些未包含在最终产品中,如清洁剂、润滑油脂等。
(3)物料号应尽量与工艺流程图上的号相一致。
清洁生产审核所需相关图表图1:企业地理位置图图2:企业平面布置图图3:企业组织机构图以及企业概况图4:企业生产工艺流程图图5:企业产品生产关系及污染物排放图图6:企业环保处理设施工艺流程图图7:企业水平衡图及企业物料平衡图图8:企业环保组织结构图附件:1、“三废”最新监测报告2、“十二五”总量文件3、环评报告书(表)4、环境应急预案表2-1 企业基本情况表表2-2 产业政策符合性以及企业近三年环保手续表2-3 企业现有的节能环保制度清单工作表2-4 企业历年原辅料和能源消耗表注:备注栏中填写与国内外同类先进企业的对比情表2-5 输入物料汇总表表2-6 企业生产设备一览表表2-7 公司生产工艺详述表表2-8 主要污染源及污染物表2-9排放的废水水质、水量表2-10主要大气污染物排放情况一览表表2-11外排固体废弃物一览表表2-12 废物特性表车间名称:表 2-13 废水治理情况表表 2-14 废气治理情况表表2-15 公司近两年污染物排放情况表表2-16 主要环保设施建筑物一览表表2-17 废物产生以及能耗、物耗原因分析表表2-18 备选审核重点情况说明表这对项目现状提供国内同行业生产水平表2-19-2国内外同类企业消耗及排污情况并提供同类企业目标指标以及对应指标国内先进水平环利用、加强管理、人员培训等主要方面阐述一下(按照以上格式填写, 即方案名称、方案具体介绍、所需投资费用以及所产生的环境效益和经济效益)现以实施或即将实施的方案。
(已经技改的和将要技改的项目)表2-21-2 高投入方案简述及可行性分析结果表工作表3-1 审核重点单元操作功能说明表工作表3-2 审核重点物流实测准备表工作表3-3 审核重点物流实测数据表注:(1)备注栏填写取样时的工况条件。
(2)实测的三个周期要求连续。
工作表3-4 审核重点各单元操作实测数据汇总注释:输入输出的都要监测,如实填写。
工作表3-5 审核重点废物产生原因分析表注:用语言描述。
第一阶段工作表1-1 审核小组成员表姓名审核小组职务来自部门及职务职称专业职责应投入时间注:若仅成立一个审核小组,则依次填写即可,若分别成立审核领导小组和工作小组,则可分为两表或在一表内隔开填写。
工作表1-2 审核工作计划表阶段工作内容完成时间责任部门及负责人考核部门及人员产出1.筹划与组织2.预审核3.审核4.方案产生和筛选5.中期审核报告6.可行性分析7.方案实施8.持续清洁生产9.审核报告第二阶段工作表2-1 输入物料汇总表工段名称:物料项目物料号:物料号:物料号:物料总类名称物料功能有害成分及特性有害成分浓度总计年消耗量有害成分单位价格年总成本输送方法包装方法储存方法内部运输方法包装材料管理库存管理储存期限工作表2-1 输入物料汇总表(续)工段名称:物料项 目物料号:物料号:物料号:到储存期限的物料供应商是否回收包装材料可能的替代物料可能选择的供应商其他资料注:(1)按工段分别填写(2)“输入物料”指生产中使用的所有物料其中有些未包含在最终产品中,如:清洁剂、润滑油脂等。
(3)物料号应尽量与工艺流程图上的号一致。
(4)“物料功能”,指原料、产品、清洁剂、包装材料等。
(5)“输送方式”, 指管线、槽车、卡车等。
(6)“包装方式” 指200生容器、纸袋、罐等。
(7)“储存方式”,指有掩盖、仓库、无掩盖、地上等。
(8)“内部运输方式”,指用泵、叉车、气动运送、输送带等。
(9)“包装材料管理”,指排放、清洁后重复使用、退回供应商、押金系统等。
(10)“库存管理”,指先出或后进先出。
工作表2-2 产品汇总工段名称:产品项目产品号:产品号:产品号:产品种类名称有害成分特性总计年产量有害成分运输方法包装方法就地储存方法包装能否回收(是/否)储存期限客户是接受其他规格的产品否准备接受其他包装方式其他资料注:(1)这些产品号应尽量与工艺流程图上号相一致。
工作表2-3 废弃物特性表工段名称:1.废弃物名称:2.废弃物特性:化学和物理特性简介(如有分析报告请附上):有害成分:有害成分浓度(如有分析报告请附上):有害成分及废弃物所执行的环境标准/法规:有害成分及废弃物所造成的问题:3.排放种类□连续□不连续类型□周期性周期时间□偶尔发生(无规律)4.产生量:5.排放量:最大平均6.处理处置方式7.发生源8.发生形式9.是否发分流□是□否,与何种废弃物合流工作表2-4 企业历年废弃物流情况表近三年年排放量近三年单位产品排放量类别名称实排备注定额废水量废水废气量废气总废渣量有毒废渣炉渣固废垃圾其他注:(1)备注栏中填写与国内同类先进企业的对比情况(2)其他栏中可填写物料流失情况工作表2-5 企业废弃物产生原因分析表原因分类主要废弃物产生源原辅材料和能源技术工艺设备过程控制产品废弃物特性管理员工工作表2-6 清洁生产目标一览表近期目标远期目标序号项目现状绝对量相对量(%)绝对量相对量(%)1234第三阶段工作表3-1 审核重点单元操作功能说明表单元操作名称功能工作表3-2 审核重点物流实测准备表监测项目及频率序号监测点位置及名称项目频率项目频率项目频率项目频率备注工作表3-3 审核重点物流实测数据表实测结果序号监测点名称取样时间备注注:备注栏中填写取样时的工况条件。
清洁生产审核验收登记表(可以直接使用,可编辑实用优秀文档,欢迎下载)安徽省重点企业清洁生产审核验收登记表企业名称(签章):安徽奔马先端科技联系人:曾家柱联系:验收时间:2021年10月20日表一企业基本情况表二清洁生产方案实施情况无/低费方案中高费方案表三重点企业清洁生产审核绩效表[1]:节能降耗的经济效益以当年12月底的当地市场价计算;削减污染物排放的经济效益是指因开展清洁生产审核、实施清洁生产方案而减少的排污费、末端治理设施、材料及其运行费等。
[2]:污染物产生量削减情况计算中企业产量统一按审核后当年产量计。
表四验收结论表3.2 安全防护用品(具)进场验收登记表注:1.防护用品(具)类别有:(1)个人劳动防护用品;(2)安全防护用具;(3)构配件及材料。
2.安全防护用品(具)应按类别登记,分类归档。
表3.2 安全防护用品(具)进场验收登记表注:1.防护用品(具)类别有:(1)个人劳动防护用品;(2)安全防护用具;(3)构配件及材料。
2.安全防护用品(具)应按类别登记,分类归档。
表3.2 安全防护用品(具)进场验收登记表注:1.防护用品(具)类别有:(1)个人劳动防护用品;(2)安全防护用具;(3)构配件及材料。
2.安全防护用品(具)应按类别登记,分类归档。
表3.2 安全防护用品(具)进场验收登记表注:1.防护用品(具)类别有:(1)个人劳动防护用品;(2)安全防护用具;(3)构配件及材料。
2.安全防护用品(具)应按类别登记,分类归档。
消毒剂证件审核登记表注:此表一式两份,一份留医院感染管理科,一份交采购部门消毒剂证件审核登记表注:此表一式两份,一份留医院感染管理科,一份交采购部门消毒剂证件审核登记表注:此表一式两份,一份留医院感染管理科,一份交采购部门消毒剂证件审核登记表注:此表一式两份,一份留医院感染管理科,一份交采购部门消毒剂证件审核登记表注:此表一式两份,一份留医院感染管理科,一份交采购部门消毒剂证件审核登记表注:此表一式两份,一份留医院感染管理科,一份交采购部门消毒剂证件审核登记表注:此表一式两份,一份留医院感染管理科,一份交采购部门消毒剂证件审核登记表消毒剂证件审核登记表消毒剂证件审核登记表消毒器械证件审核登记表注:此表一式两份,一份留医院感染管理科,一份交采购部门消毒器械证件审核登记表注:此表一式两份,一份留医院感染管理科,一份交采购部门消毒器械证件审核登记表注:此表一式两份,一份留医院感染管理科,一份交采购部门一次性医疗器械、器具证件审核登记表注:此表一式两份,一份留医院感染管理科,一份交采购部门一次性医疗器械、器具证件审核登记表注:此表一式两份,一份留医院感染管理科,一份交采购部门消毒药械管理记录。
企业清洁生产审核工作用表前言根据工作需要,本书将企业清洁生产审核常用表格汇总列出。
使用说明:1.本书的审核工作用表是为清洁生产审计人员的工作方便而专门设计的。
基本上涵盖了审计过程中所需调查的数据、材料以及工作内容。
2.审核工作用表与审核七阶段相对应,按各阶段的序号排列,共由41张表组成,其中第一阶段2张表,第二阶段13张表,第三阶段5张表,第四阶段6张表,第五阶段4张表,第六阶段9张表,第七阶段2张表。
3.审核工作用表是为一般企业设计的通用的调查工作用表,审核人员可根据不同企业的实际情况进行复制、修改和补充。
4.审核工作用表为审核人员工作时使用,并不要求将全部表格作为审核报告的内容,但根据清洁生产审核报告编制要求,部分表格将进入审核报告之中。
制表审核第页共页注:若仅设立一个审核小组,则可依次填写即可,若分别设立了审核领导小组和工作小组,则可分成两表或在一表内隔开填写制表审核第页共页工作表2-1 企业简述制表审核第页共页工作表2-2资料收集名录制表审核第页第页工作表2-3 环保设施状况表设施名称处理废弃物种类建成时间折旧年限建投投资(万元)设计处理量实际处理量年运行费(万元)年耗电量(千瓦时)运行天数(天/年)(天/月)监测频率(次/月)设施运行效果制表审核第页共页注:环保设施包括废水、废气、固废、噪声处理设施以及综合利用设施。
工作表2-4 企业环保达标及污染事故调查表制表审核第页共页工作表2-5 工段生产情况表制表审核第页共页工作表2-6 产品设计信息产品名称制表审核第页共页工作表2-6 产品合计信息(续)产品名称制表审核第页共页工作表2-7 输入物料汇总表工段名称制表审核第页共页工作表2-7 输入物料汇总表(续)工段名称制表审核第页共页注:(1)按工段分别填写(2)“输入物料”指生产中使用的所有物料,其中有些未包含在最终产品中,如清洁剂、润滑油脂等。
(3)物料号应尽量与工艺流程图上的号相一致。
工作表1-1 审核小组成员表制表审核第页共页注:若仅设立一个审核小组,则依次填写即可,若分别设立了审核领导小组和工作小组,则可分成两表或在一表内隔开填写。
工作表1-2 审核工作计划表制表审核第页共页工作表2-1 组织简述制表审核第页共页工作表2-2 资料收集名录制表审核第页共页工作表面2-3 环保设施状况表设施名称冲灰水净化循环处理废物种类悬浮物建成时间2006、11 折旧年限建设投资80 (万元)设计处理量4000吨/时实际处理量3000吨/时年运行费25.3 (万元)年耗电量65260 (千瓦时)运行天数76 (天/年)30 (天/月)监测频率 1 (次/月)设施运行效果制表谢统琪审核第页共页注:环保设施包括废水、废气、固废、噪声处理设施以及综合利用设施。
工作表面2-3 环保设施状况表设施名称除油池处理废物种类浮油建成时间2006、1 折旧年限建设投资1.5 (万元)设计处理量100吨/时实际处理量80吨/时年运行费0.5 (万元)年耗电量(千瓦时)运行天数70 (天/年)30 (天/月)监测频率 1 (次/月)设施运行效果制表谢统琪审核第页共页注:环保设施包括废水、废气、固废、噪声处理设施以及综合利用设施。
工作表面2-3 环保设施状况表设施名称洗布水回收系统处理废物种类化学耗氧量建成时间2006、1 折旧年限建设投资17 (万元)设计处理量20吨/时实际处理量13吨/时年运行费 3.62 (万元)年耗电量18480 (千瓦时)运行天数70 (天/年)30 (天/月)监测频率 2 (次/月)设施运行效果制表谢统琪审核第页共页注:环保设施包括废水、废气、固废、噪声处理设施以及综合利用设施。
工作表面2-4 企业环保达标及污染事故调查表制表审核第页共页工作表2-5 工段生产情况表制表审核第页共页工作表2-6 产品设计信息工作表2-7 输入物料汇总表制表审核第页共页注:(1)按工段分别填写。
(2)“输入物料”指生产中使用的所有物料,其中有些未包含在最终产品中,如清洁剂、润滑油脂等。
企业配合人员
重点用能设备操作和管理人员培训持证上岗情况汇总表
能源计量器具汇总表
主要用能设备汇总表
辅助用能设备汇总表
设备监测锅炉监测情况:
变压器监测情况:
电动机监测情况:
(其他设备监测情况可根据监测的内容进行汇总)
淘汰落后生产工艺和用能设备汇总表
备注:目前正在使用的淘汰设备
()年()煤化验指标平均汇总
()年热电厂生产能耗指标计算表
说明:有自备电厂或热电联产机组的企业可参照表。
()年原煤平衡表单位:吨
()年电力平衡表单位:万千瓦时
……………………
()年能源消耗流向表
()年企业能源收支平衡表
产品产量核定表
()年能源消耗计算汇总表
工业总产值和增加值
单位产值综合能耗计算表
单位工业增加值综合能耗计算表
能源成本核算表。
清洁生产审核工作总结表单位名称:(盖章)填表人:所在部门:联系电话:电子信箱:表1 清洁生产审核工作基本情况12345注:[1]第一类企业是指污染物排放超过国家或者地方规定的排放标准,或者虽未超过国家或者地方规定的排放标准,但超过重点污染物排放总量控制指标的企业[2]第二类企业是指超过单位产品能源消耗限额标准构成高耗能的企业[3]第三类企业是指使用有毒、有害原料进行生产或者在生产中排放有毒、有害物质的企业[4]根据《清洁生产审核办法》的规定,强制性清洁生产审核企业应在所在地主要媒体上公布主要污染物排放情况[5]已开展清洁生产审核企业是指当年启动清洁生产审核工作的企业,具体以企业与中介机构签订的技术服务合同或企业将审核计划、审核组织、6人员的基本情况报当地生态环境主管部门备案为准[6]清洁生产审核评估是指企业基本完成清洁生产无、低费方案,在清洁生产中/高费方案可行性分析后和中/高费方案实施前的时间节点,对企业清洁生产审核报告的规范性、清洁生产审核过程的真实性、清洁生产中/高费方案及实施计划的合理性和可行性进行技术审查的过程[7]清洁生产审核验收是指按照一定程序,在企业实施完成清洁生产中/高费方案后,对已实施清洁生产方案的绩效、清洁生产目标的实现情况及企业清洁生产水平进行综合性评定,并做出结论性意见的过程[8]企业投资包括企业的银行贷款表2 强制性清洁生产审核企业清洁生产审核绩效表表2-1 主要污染物产生量削减情况78表2-2 资源能源节约及经济效益情况注:[1]按照国民经济行业分类标准(GB/T 4754-2002)中的行业名称填写[2]应分别填写节电、节煤、节油和节天然气的直接节约量,无需折算[3]根据企业情况补充,列出统计内容及数值[4]经济效益是指节能降耗的经济效益与削减污染物排放的经济效益的加和。
其中,节能降耗的经济效益以当年12月底的当地市场价计算;削减污染物排放的经济效益是指因开展清洁生产审核、实施清洁生产方案而减少的排污费、末端治理设施、材料及其运行费等填报说明:(1)表2的企业统计范围为2020年完成清洁生产审核验收的企业(2)清洁生产审核绩效是指通过清洁生产审核及清洁生产方案实施取得的实际效果,以清洁生产审核验收统计数据为依据(3)填报时请注意数据单位9表3 自愿性清洁生产审核企业清洁生产审核绩效表表3-1 主要污染物产生量削减情况10表3-2资源能源节约及经济效益情况注:[1]按照国民经济行业分类标准(GB/T 4754-2002)中的行业名称填写[2]应分别填写节电、节煤、节油和节天然气的直接节约量,无需折算[3]根据企业情况补充,列出统计内容及数值[4]经济效益是指节能降耗的经济效益与削减污染物排放的经济效益的加和。
清洁生产审核现场审计数据采集汇总表格
企业配合人员
序
号
姓名部门职务职称联系电话备注1
2
3
4
5
6
重点用能设备操作和管理人员培训持证上岗情况汇总表序
号岗位名称
在岗
人数
已培训
人数
接受培训
率(%)
持证
人数
1 能源管理人员
2 锅炉设备操作人员
3 用电设备操作人员
4 空调设备操作人员
5 其它设备操作人员
6 能源计量人员
7 能源统计人员
能源计量器具汇总表
序号能源计量
类别
进出用能单位进出主要次级用能单位主要用能设备综合应装数安装数配备率完好率应装数安装数配备率完好率应装数安装数配备率完好率配备率完好率
台台%%台台%%台台%%%%
1 电
2 蒸汽
3 原煤
4 油
5 水6
7
8
主要用能设备汇总表
台
序号设备名称规格型号额定功率耗能种类
备注
数
1
2
3
4
5
6
7
8
9
10
11
12
13
14
15
辅助用能设备汇总表
台
序号设备名称规格型号额定功率耗能种类
备注
数
1
2
3
4
5
6
7
8
9
10
11
12
13
14 15
设备监测
锅炉监测情况:
序 号 锅炉
设备 编号 设备型号
排烟温度 (℃) ≤200 排烟
处空 气系数 ≤2.4
炉渣含碳量 (%) ≤20 炉体侧面温度 (℃) ≤50
备注 1 2
变压器监测情况:
序设备 变压器 变压器 使用场年浪
号型号负载系数
(标准)负载系数
(监测)
所费
电量
(万
kwh)
1 0.18≤β
≤1
2 0.18≤β
≤1
3 0.17≤β
≤1
4 0.19≤β
≤1
5 0.18≤β
≤1
电动机监测情况:
序号设
备
名
称
设
备
型
号
额定功
率
(Kw)
额定
电压
(v)
电动机
负载率
(%)
(标准)
电动机
负载率
(%)
(监测)
1 ≥40
2 ≥40
3 ≥40
4 ≥40
5 ≥40
(其他设备监测情况可根据监测的内容进行汇总)
淘汰落后生产工艺和用能设备汇总表
序
淘汰设备名称型号/规格数量容量使用场所备注号
1
2
3
4
5
6
7
8
9
10
备注:目前正在使用的淘汰设备
()年()煤化验指标平均汇总
全水分干燥基灰分干燥基挥发分固定碳收到基低位发热量煤量月份
Wt(%)Ad(%)Vd(%)FCad(%)Qv,ar(kJ/kg)(t)1
2
3
4
5
6
7
8
9
10
11
12
加权
平均值
折标
系数
()年热电厂生产能耗指标计算表
项目单位数值备注
发电量1#机发电
量
万
kW·h
2#机发电
量
万kW·h
总计发电
量
万kW·h
厂用电量供热厂用
电量
万
kW·h 发电厂用
电量
万
kW·h 总计厂用
电量
万
kW·h
电网网购电量
万
kW·h 上网电量
万
kW·h
电网
供电量合计
万
kW·h
发电厂供电量
万kW·h
损耗电量内网损失
电量
万
kW·h 线变损失%
率
供热厂用电率kW·h /GJ
发电厂用电率% 厂用电率%
蒸汽主产汽量t 抽汽量t 供汽量t 供热终端
抄表汽量
t 统计管网
损率
% 主蒸汽压
力
MPa 主蒸汽温
度
℃主蒸汽焓
值
kJ/kg 外供蒸汽
压力
MPa 外供蒸汽
温度
℃
外供汽焓
值
kJ/kg
耗煤量
原煤量t 原煤低位
发热量
kJ/kg 折标准煤
量
tce
能效指标
供热标煤
耗
kgce/GJ 供电标煤
耗
gce/
kW·h 发电标煤
耗
gce/
kW·h 热耗率
kJ/
kW·h 锅炉热效
率
% 全厂热效
率
%
热电比%
说明:有自备电厂或热电联产机组的企业可参照表。
()年原煤平衡表单位:吨期初库存收入支出期末库存自产煤锅炉用煤
收入合计支出合计
()年电力平衡表单位:万千瓦时收入支出
从社会电网购入主要生产系统用电辅助生产系统用电附属生产系统用电
收入合计支出合计……………………
()年能源消耗流向表
项目名称
折标
系数
主要
生产
系统
辅助
生产
系统
附属
生产
系统
合
计
煤实物量(t) 折标量(tce)
电力实物量(万kWh) 折标量
(tce) 蒸
汽 实物量(t)
折标量
(tce) 汽
油 实物量(t)
折标量
(tce) 柴
油 实物量(t) 折标量
(tce) 水 实物量(万m 3
)
折标量 折标合计(tce ) 所占比例(%)
()年企业能源收支平衡表
种类单
位
当
量
折
算
系
数
期初
库存
量
期末
库存
量
收入支出
盈亏
量
库存变
化量
购入消
耗量
自产
量
转换消
耗量
直接消
耗量
外销
量
煤
t tce
蒸汽
t tce
电力
万kW h tce
柴油
t tce
汽油
t tce
水万m3 tce
合
计
tce
产品产量核定表
生产部门产品名称单位2009年产量2010年产量合计
()年能源消耗计算汇总表
产品单位实际
产量
电的单耗
综合能耗
(tce)
综合单耗工业总产值和增加值
名称
项目
单位2009年2010年工业总产值万元
工业增加值万元
本年应交增值税万元
工业中间投入万元
销售额
利润
利税
单位产值综合能耗计算表
名称
项目
单位2009年2010年工业总产值万元
企业综合能耗tce
单位产值综合能耗kgce/万元
单位工业增加值综合能耗计算表
名称
项目
单位2009年2010年
工业增加值万元80285 83255
企业综合能耗tce 74852.87 71550.75
单位工业增加值综合能耗kgce/万元932.34 859.42
能源成本核算表
序
号
统计指标单位2009年2010年
1 总能源费用万元其中:自用煤
实际耗费万元
电实际
消耗费万元
蒸汽万元
……万元
2 固定费用万元其中:材料万元工资万元提取职工福利
费万元折旧万元修理费用万元
3 其它费用万元其中:管理费
用万元
销售费
用万元
……万元
4 合计万元
5 主导产品产量万吨
6 单位产品能源
成本
万元/万
吨
7 能源成本比率%。