流动式起重机检查表(验收用)
- 格式:doc
- 大小:26.00 KB
- 文档页数:1
流动式起重机进场验收记录表
编号:工程名称设备型号/牌照号
验收人员验收时间
序号验收内容验收结果
1 施工单位是否与租赁单位签订租赁合同
2 设备生产企业是否有特种设备制造许可证、设备是否有出厂合格证、设备是否进行整机检验检测并有检测合格报告
3 设备的重量、力矩、高度限制器等安全保险装置灵敏可靠性以及钢丝绳使用状况是否良好
4 其他情况
租赁单位意见(签章):
项目负责人:
日期:监理单位意见(签章):
专业监理工程师:
日期:
施工单位意见(签章):
专职安全员和机械员:
日期:
说明:1、该验收由施工单位组织;
2、此表各责任主体单位各执一份。
编号:工程名称设备型号
设备牌照号验收时间
序号验收内容验收结果
1 施工单位是否编制起重吊装方案
2 设备特种作业人员是否持有效证件上岗
3 是否对特种作业人员进行了安全技术交底
4 设备的重量、力矩、高度限制器等安全保险装置灵敏可靠性以及钢丝绳使用状况是否良好
5 设备起重作业防倾覆、交叉作业防碰撞等安全措施是否到位
6 是否根据施工现场实际情况编制应急预案
7 外电防护、周边环境情况
8 其它
施工单位意见(签章):
项目负责人:
日期:监理单位意见(签章):
总监理工程师:
日期:
说明:1、该验收由施工单位组织并按要求填写;
2、此表各责任主体单位各执一份。
挪动式起重机平安检查表
挪动式起重机平安检查表
检查日期:年月日
检查项目
结果
不合格改善措施
合格
不合格
一般规定
操作手、吊挂人员是否具有训练合格证照
机具是否经检查合格
是否派员戒备,严禁人员进入操作半径内人员是否配戴平安帽
坠落防止
操作室内地板、上下阶梯、踏板是否清洁,并无油污、物品
高架及开口作业劳工是否配挂平安带及架设平安母索9mm钢索开口是否设置平安护栏(90cm以上)
飞落防止
吊钩是否正常
吊具钢索是否已有截断磨损变形扭结过卷扬预防装置是否正常
吊钩防止吊物脱落之防滑舌片装置是否正常
吊物是否超过额定荷重
作业范围是否严禁人员进入吊举物下方,并派人戒备
倒塌防止
起重设备之架设地基是否强固
因强风、大雨等恶劣气候时是否停顿工作过负荷警报装置是否正常
感电防止
与供电线路是否保持平安间隔
吊挂区域内高压电线是否设有保护措施是否设有「高压电危险」等警告标志
机具检点
机具轮胎气压是否正常
底盘伸缩架操作是否正常
机具是否确无漏气、漏油及漏水现象
引擎激活后检查仪表读数是否正常
操纵装置及其它警报装置之功能是否正常桁架操作是否正常
起复位装置功能是否正常
桁架角度指示器功能是否正常
操作室玻璃窗是否洁净而有良好视线桁架及桁架结合装置是否良好
说明:1.不正常工程必须全部改正后,方可作业,其改正措施于不合格改善措施栏说明。
2如所用挪动式起重机原设计无表内所列某些工程,那么该工程免填。
3.本表格经工地主任核阅后,由安卫治理员制档存查。
工地主任:安卫人员:检查人员:。
起重机械安全检查表一、起重机械概况1. 起重机械类型:2. 起重机械编号:3. 起重机械制造单位:4. 技术规范及执行标准:5. 起重机械使用单位:6. 起重机械使用地点:7. 起重机械使用环境条件:8. 起重机械运行时间:二、起重机械运行状况检查1. 起重机械运行是否正常:2. 起重机械运行是否平稳:3. 起重机械运行是否有异响:4. 起重机械运行是否有晃动:5. 起重机械运行是否有异常振动:6. 起重机械运行是否有异常温升:7. 起重机械运行是否有异常泄露:三、起重机械结构检查1. 起重机械主体结构是否完整:2. 起重机械安装基础是否牢固:3. 起重机械悬挂装置是否正常:4. 起重机械传动装置是否正常:5. 起重机械制动装置是否灵敏:7. 起重机械液压系统是否正常:8. 起重机械信号系统是否完善:9. 起重机械防护装置是否齐全有效:10. 起重机械附属设备是否完好:四、起重机械安全控制检查1. 起重机械安全控制系统是否正常:2. 起重机械限位装置是否灵敏准确:3. 起重机械报警装置是否正常:4. 起重机械紧急停机装置是否灵敏可靠:5. 起重机械速度控制是否准确可调:6. 起重机械起重量计量系统是否准确:7. 起重机械各种开关按钮是否正常:五、起重机械工作状况检查1. 起重机械载荷是否超过额定载荷:2. 起重机械是否运输超长或超重物件:3. 起重机械是否悬吊物件过高:4. 起重机械是否在限定动作范围内操作:5. 起重机械是否正确使用各种附属设备:6. 起重机械操作人员是否持证上岗:六、起重机械维护检查1. 起重机械定期维护是否按照要求进行:2. 起重机械维护记录是否完整准确:3. 起重机械维修是否及时有效:七、起重机械安全提示1. 提示操作人员遵守工作规程:2. 提示操作人员严禁超载操作:3. 提示操作人员正确使用安全控制装置:4. 提示操作人员定期参加起重机械安全培训:以上为起重机械安全检查表,对于起重机械的安全运行以及保障人员的生命安全具有重要作用,请各使用单位认真执行,并及时处理检查中发现的问题。
流动式起重机安全检查表(机械)
项目名称:山西长治城区马坊头110kV变电站新建工程
检查人:检查日期:
复检人:检查日期:
注:1、标记符号:“√”表示合格,“×”表示不合格,“/”表示无此项;2、※项为重要项目
流动式起重机安全检查表(金属结构)
项目名称:山西长治城区马坊头110kV变电站新建工程
复检人:检查日期:
注:1、标记符号:“√”表示合格,“×”表示不合格,“/”表示无此项;
2、※项为重要项目
流动式起重机安全检查表(安全、电气)
项目名称:山西长治城区马坊头110kV变电站新建工程
复检人:检查日期:注:1、标记符号:“√”表示合格,“×”表示不合格,“/”表示无此项;
2、※项为重要项目。
流动式起重机械检查验收表概述本文档为流动式起重机械检查验收表。
在使用流动式起重机械前,需要对其进行检查验收,以确保其符合安全操作要求,并保证使用过程中不会出现问题。
检查内容外观检查外观检查主要目的是检查起重机械外表面是否有明显的破损、变形等问题,以及是否有明显的污染和腐蚀现象。
具体检查内容如下:•检查起重机械外表面是否有明显的破损、变形等问题;•检查起重机械外表面是否有明显的污染和腐蚀现象;•检查起重机械外表面是否有附着在其上的杂物;结构检查结构检查主要目的是检查起重机械的构造是否合理牢固。
具体检查内容如下:•检查各部件螺栓是否紧固,是否完好无损;•检查各连接件和焊缝是否完好无损;•检查吊装机械的支架和传动机械部件是否牢固;功能检查功能检查主要目的是检查起重机械是否具有正常的工作功能。
具体检查内容如下:•检查操作手柄或按钮操作是否灵活稳定;•检查钢丝绳和滑车是否在正常的速度范围内运行,是否拉扯顺畅;•检查电气控制电路及其电器元件是否可靠,且符合电气安全要求;试运行检查试运行检查主要目的是检查起重机械的性能是否正常,是否存在不足之处。
具体检查内容如下:•检查各部件在运行中的协调性;•对起重机械进行负荷试运行,观察操作是否正常,吊运情况是否符合要求;•检测起重机械运行轨迹是否正确,运动是否平稳;验收内容经过检查,如果结果合格,则验收合格。
具体验收内容如下:•外观、结构、功能和试运行检查各项均达到或超过本企业的安全操作、检查与验收标准;•经过调整、维修、更换部件等措施后,各项指标均符合标准;如果结果不合格,则需进行修理维护后,实施复检,直至合格为止。
结语流动式起重机械是一种重要的起重设备,对其进行检查验收至关重要。
只有在起重机械安全、可靠、功能正常,顺畅无阻的情况下才能进行作业,确保工人生命安全和财产安全,避免发生事故。
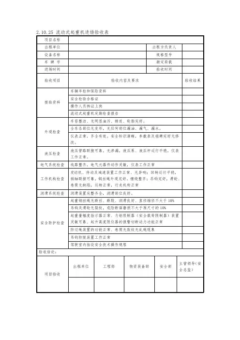
流动式起重机进场验收表工程名称机械所属单位管理编号规格型号QY25K验收项目验收内容验收结果1、作业环境及外观1.1不安全环境防护措施 1.2标牌及检验合格证 1.3安全标志1.4机容机貌合格2、金属结构 2.1金属结构状况2.2金属结构连接及配重固定2.3履带、拖轮、滑块和支撑梁2.4伸缩油缸和支撑油缸2.5底盘、转向销杆和弹簧钢板2.6轮胎及固定螺栓2.7.1箱形起重臂各节臂架侧面间隙伸缩情况2.7.2桁架起重臂各节杆件不得有损伤、变形整长臂架直线度2.8.1支腿收放和固定情况2.8.2支腿可靠支撑2.8.3支腿液压油缸泄漏情况合格3、操纵室(包括行驶驾驶室)3.1固定和视野3.2雨刮器和遮阳板3.3门、窗开启和门锁3.4室内起重量表和性能曲线等合格4、主要零部件及机构4.1.1吊钩缺陷及危险断面磨损4.1.2吊钩防脱绳装置4.2.1钢丝绳固定和绳卡4.2.2钢丝绳余留圈数4.2.3钢丝绳磨损4.2.4钢丝绳断丝与断股4.3.1滑轮缺陷4.3.2滑轮防脱槽装置4.4.1制动器零部件缺陷4.4.2制动轮与摩擦片4.4.3制动器调整情况4.5.1减速器连接与固定4.5.2减速器运转与声响4.6开式齿轮啮合与磨损4.7联轴器工作情况4.8.1卷筒缺陷4.8.2排绳器及排绳情况4.9.1各部润滑情况及油杯、油嘴4.9.2油箱、油尺及油量、油质吊钩绳头U型卡使用错误5、发动机 5.1清洁情况5.2运转情况5.3油气泄漏情况5.4排烟情况5.5异响和振动合格6、操纵系统 6.1各操纵柄杆和踏板无损伤、卡涩并灵活可靠中位或零位可靠6.2各种仪表完整并指示准确合格7、安全装置和防护装置7.1高度限位器(主、副钩)7.2力矩限制器7.3起重量、力矩、幅度高度等显示器(屏)7.4水平仪7.5幅度仰角指示仪7.6幅度限位开关(塔式包括主、副臂)7.7防后倾撑杆及装置(塔式包括主、副臂)7.8喇叭7.9风速仪7.10各机构防护罩小钩限位失灵8、液压系统8.1液压系统运行情况8.2液压管路、接头、阀组、油泵、马达泄漏情况8.3软管连接不得老化8.4平衡阀和液压锁应刚性连接8.5液压油箱应有过滤装置8.6蓄能器应有安全标志合格9、电气9.1电气线路布置情况9.2线路不得老化9.3发电机运转可靠9.4蓄电池完好并固定和连接可靠9.5转向和照明灯、指示灯、警报灯完好合格其它检查问题/整改情况参加验收人员:年月日。
起重机专项检查表
一、起重机基本信息
1. 起重机编号:
2. 机械名称:
3. 型号/规格:
4. 生产单位:
5. 技术状态(正常/异常):
二、起重机外观检查
1. 起重机整体外观是否完好:
2. 是否有生锈、磨损或裂纹:
3. 钢丝绳是否存在断根、变形或磨损:
4. 润滑部位是否干净、润滑是否充分:
5. 主要零部件是否有松动现象:
三、起重机安全保护装置检查
1. 限位器是否正常工作:
2. 重载保护装置是否正常工作:
3. 行程开关是否正常工作:
4. 制动器是否灵敏可靠:
5. 安全绳是否完好:
6. 其他安全保护装置是否正常工作:
四、操作控制系统检查
1. 操作按钮是否正常灵活:
2. 仪表指示是否准确可靠:
3. 遥控器是否正常工作:
4. 传感器是否正常工作:
五、电气系统检查
1. 电缆是否完好无损:
2. 电缆接头是否紧固可靠:
3. 电气设备是否正常运行:
4. 开关是否灵敏可靠:
5. 照明设备是否正常工作:
六、其他安全问题检查
1. 周围环境是否存在危险因素:
2. 遮挡物、杂物是否影响起重机正常使用:
3. 是否有足够的安全警示标志:
4. 工作场所是否整洁、安全:
5. 操作人员是否具备相应的资质证书:
七、备注
【备注内容】
以上是起重机专项检查表的内容,请在检查时认真填写,并及时解决存在的问题。
如发现重大安全隐患,请立即停止使用并报告上级主管部门。
机械移动式起重机外观检查表
起重机名称型号:设备编号:
检查人:检查日期
检查内容检查结果检查内容检查结果
行走装置合格不合格问
题
起重机合格不合格问题
1驾驶室1刹车和离合器检查
1)窗户1)绳鼓的刹车鼓与刹车带间隙检查
2)踏板2)不均匀的摩擦
3)转向3)刹车板上是否有油脂
4)喇叭4)连接装置
2轮子2导向滑轮(检查裂缝和润滑)
1)轮胎(裂缝、腐蚀)3滑轮组(检查裂缝和润滑)
2)轮毂(裂缝)4A型架滑轮(检查裂缝和润滑)
3)螺栓(是否完整、是否拧紧)5吊钩(检查裂缝、变形和安全销)
3专项与刹车系统操作检查6辅助吊钩(检查裂缝、变形和安全销)
4倒车报警器7起重臂(检查弯曲部分或缺陷)
5支腿8钢丝绳导辊(自由转动)
支腿垫板(检查裂缝和变形)9主臂起降钢丝绳前臂钢缆(端部不得有断丝)
6驱动系统11主辅钩钢丝绳
7灭火器1)直径是否满足负荷要求(图表和滑轮)
2)正确地连接(鞋型插座尺寸、钢丝绳夹不得夹到钢丝绳
长端)
3)无绞扭或永久性弯曲
4)一个绳结距上的断丝不超过6个,或一个绳结距的一股
上不超过3个断丝
5)当起重臂伸长到最大长度,臂角为最大,吊钩在最低工作点时,绳鼓上的钢丝绳至少有三圈。
12操作室(喇叭、通道、载荷表)
13转动部件防护罩
14配重不超过制造商的规范。
流动式起重机进场验收表
工程名称天津北疆电厂二期扩建工程机械所属单位天津蓟县交通局管理编号 TJBJ─034 规格型号QY50B
验收项目验收内容验收结果
1、作业环境及外观1.1不安全环境防护措施 1.2标牌及检验合格证 1.3安全标志
1.4机容机貌
合格
2、金属结构 2.1金属结构状况2.2金属结构连接及配重固定2.3履带、拖轮、
滑块和支撑梁2.4伸缩油缸和支撑油缸2.5底盘、转向销杆和弹簧
钢板2.6轮胎及固定螺栓2.7.1箱形起重臂各节臂架侧面间隙伸缩
情况2.7.2桁架起重臂各节杆件不得有损伤、变形整长臂架直线度
2.8.1支腿收放和固定情况2.8.2支腿可靠支撑2.8.3支腿液压油
缸泄漏情况
合格
3、操纵室(包括行驶驾驶室)3.1固定和视野3.2雨刮器和遮阳板3.3门、窗开启和门锁
3.4室内起重量表和性能曲线等
操作室内无灭火器
4、主要零部件及机构4.1.1吊钩缺陷及危险断面磨损4.1.2吊钩防脱绳装置4.2.1钢丝
绳固定和绳卡4.2.2钢丝绳余留圈数4.2.3钢丝绳磨损4.2.4钢丝
绳断丝与断股4.3.1滑轮缺陷4.3.2滑轮防脱槽装置4.4.1制动器
零部件缺陷4.4.2制动轮与摩擦片4.4.3制动器调整情况4.5.1减
速器连接与固定4.5.2减速器运转与声响4.6开式齿轮啮合与磨损
4.7联轴器工作情况4.8.1卷筒缺陷4.8.2排绳器及排绳情况4.9.1
各部润滑情况及油杯、油嘴4.9.2油箱、油尺及油量、油质
个别轮胎螺丝缺失
5、发动机 5.1清洁情况5.2运转情况5.3油气泄漏情况5.4排烟情况
5.5异响和振动
合格6、操纵系统 6.1各操纵柄杆和踏板无损伤、卡涩并灵活可靠中位或零位可靠
6.2各种仪表完整并指示准确合格
7、安全装置和防护装置7.1高度限位器(主、副钩)7.2力矩限制器7.3起重量、力矩、幅
度高度等显示器(屏)7.4水平仪7.5幅度仰角指示仪7.6幅度限
位开关(塔式包括主、副臂)7.7防后倾撑杆及装置(塔式包括主、
副臂)7.8喇叭7.9风速仪7.10各机构防护罩
限位失灵
8、液压系统8.1液压系统运行情况8.2液压管路、接头、阀组、油泵、马达泄漏情
况8.3软管连接不得老化8.4平衡阀和液压锁应刚性连接8.5液压
油箱应有过滤装置8.6蓄能器应有安全标志
合格
9、电气9.1电气线路布置情况9.2线路不得老化9.3发电机运转可靠9.4
蓄电池完好并固定和连接可靠9.5转向和照明灯、指示灯、警报灯
完好
合格
其它检查问题/整改情况
参加验收人员:
年月日。