压阻式压力传感器的压力测量实验
- 格式:doc
- 大小:101.50 KB
- 文档页数:2
实验二压阻式压力传感器的压力测量实验一、实验目的:了解扩散硅压阻式压力传感器测量压力的原理和方法。
二、基本原理:扩散硅压阻式压力传感器在单晶硅的基片上扩散出P型或N型电阻条,接成电桥。
在压力作用下根据半导体的压阻效应,基片产生应力,电阻条的电阻率产生很大变化,引起电阻的变化,我们把这一变化引入测量电路,则其输出电压的变化反映了所受到的压力变化。
图一压阻式压力传感器压力测量实验三、需用器件与单元:主机箱、压阻式压力传感器、压力传感器实验模板、引压胶管。
四、实验步骤:1、将压力传感器安装在实验模板的支架上,根据图二连接管路和电路(主机箱内的气源部分,压缩泵、贮气箱、流量计已接好)。
引压胶管一端插入主机箱面板上气源的快速接口中(注意管子拆卸时请用双指按住气源快速接口边缘往内压,则可轻松拉出),另一端口与压力传感器相连。
压力传感器引线为4芯线: 1端接地线,2端为U0+,3端接+4V电源, 4端为Uo-,接线见图9-2。
2、实验模板上RW2用于调节放大器零位,RW1调节放大器增益。
按图9-2将实验模板的放大器输出V02接到主机箱(电压表)的Vin插孔,将主机箱中的显示选择开关拨到2V档,合上主机箱电源开关,RW1旋到满度的1/3位置(即逆时针旋到底再顺时针旋2圈),仔细调节RW2使主机箱电压表显示为零。
3、输入气压,压力上升到4Kpa左右时调节调节Rw2(低限调节),,使电压表显示为相应的0.4V左右。
再仔细地反复手捏气泵压力上升到19Kpa左右时调节差动放大器的增益电位器Rw1(高限调节),使电压表相应显示1.9V左右。
4、再使压力慢慢下降到4Kpa,调节差动放大器的调零电位器,使电压表显示为相应的0.400V。
再仔细地反复手捏气泵压力上升到19Kpa时调节差动放大器的增益电位器,使电压表相应显示1.900V。
5、重复步骤4过程,直到认为已足够精度时仔细地逐步调节流量计旋钮,使压力在4-19KPa之间变化,每上升3KPa气压分别读取电压表读数,将数值列于表1。
实验一金属箔式应变片一一单臂电桥性能实验一、实验目的:了解金届箔式应变片的应变效应,单臂电桥工作原理和性能。
二、基本原理:电阻丝在外力作用下发生机械变形时,其电阻值发生变化,这就是电阻应变效应,描述电阻应变效应的关系式为::R/ R = K ;式中AR/R为电阻丝电阻的相对变化,K为应变灵敏系数,&=A l/l为电阻丝长度相对变化,金届箔式应变片就是通过光刻、腐蚀等工艺制成的应变敏感元件,通过它转换被测部位的受力状态变化,电桥的作用是完成电阻到电压的比例变化,电桥的输出电压反映了相应的受力状态。
单臂电桥输出电压U OI =EK&/4。
三、需用器件与单元:应变式传感器实验模块、应变式传感器、石去码、数显表、士5V电源、也V电源、万用表(自备)。
四、实验步骤:1、根据图1-1应变式传感器已装丁应变传感器模块上。
传感器中各应变片已接入模块的左上方的R l、R2、R3、R4O加热丝也接丁模块上,可用万用表进行测量判别,R1= R2= R3=R4=350Q,加热丝阻值为50 Q左右。
应变片托盘图1-1应变式传感器安装示意图2、接入模块电源i15V(从主控箱引入),检查无误后,合上主控箱电源开关,将实验模块调节增益电位器RW3顺时针调节大致到中间位置,再进行差动放大器调零,方法为将差放的正、负输入端与地短接,输出端与主控箱面板上的数显表电压输入端Vi相连,调节实验模块上调零电位器R W4,使数显表显示为零(数显表的切换开关打到2V档)。
关闭主控箱电源。
3、将应变式传感器的其中一个应变片 R 1 (即模块左上方的R i )接入电桥作为一 个桥臂与R 5、R 6、R 7接成直流电桥(R 5、R 6、R 7模块内已连接好),接好电桥调零电 位器Rw i,接上桥路电源&V (从主控箱引入)如图1-2所示。
检查接线无误后,合 上主控箱电源开关。
调节 Rw i,使数显表显示为零。
O 。
加热4、在电子秤上放置一只石去码,读取数显表数值,依次增加石去码和读取相应的数显 表值,直到500g (或200g )石去码加完。
实验十一 扩散硅压阻式压力传感器的压力测量实验一、实验目的:了解扩散硅压阻式压力传感器测量压力的原理与方法; 二、实验仪器压力传感器模块、温度传感器模块、数显单元、直流稳压源+5V 、±15V; 三、实验原理在具有压阻效应的半导体材料上用扩散或离子注入法,摩托罗拉公司设计出X 形硅压力传感器如下图所示:在单晶硅膜片表面形成4个阻值相等的电阻条;并将它们连接成惠斯通电桥,电桥电源端和输出端引出,用制造集成电路的方法封装起来,制成扩散硅压阻式压力传感器;扩散硅压力传感器的工作原理:在X 形硅压力传感器的一个方向上加偏置电压形成电流i ,当敏感芯片没有外加压力作用,内部电桥处于平衡状态,当有剪切力作用时,在垂直电流方向将会产生电场变化i E ⋅∆=ρ,该电场的变化引起电位变化,则在端可得到被与电流垂直方向的两测压力引起的输出电压Uo;i d E d U O ⋅∆⋅=⋅=ρ 11-1 式中d 为元件两端距离;实验接线图如图11-2所示,MPX10有4个引出脚,1脚接地、2脚为Uo+、3脚接+5V 电源、4脚为Uo-;当P1>P2时,输出为正;P1<P2时,输出为负;图11-1 扩散硅压力传感器原理图四、实验内容与步骤1.接入+5V 、±15V 直流稳压电源,模块输出端V o2接控制台上数显直流电压表,选择20V 档,打开实验台总电源;4.调节Rw2到适当位置并保持不动,用导线将差动放大器的输入端Ui 短路,然后调节Rw3使直流电压表200mV 档显示为零,取下短路导线;5.气室1、2的两个活塞退回到刻度“17”的小孔后,使两个气室的压力相对大气压均为0,气压计指在“零”刻度处,将MPX10的输出接到差动放大器的输入端Ui,调节Rw1使直流电压表200mv 档显示为零;6.保持负压力输入P2压力零不变,增大正压力输入P1的压力到,每隔记下模块输出Uo2的电压值;直到P1的压力达到;填入下表1;7.保持正压力输入P1压力不变,增大负压力输入P2的压力,从每隔记下模块输出Uo2的电压值;直到P2的压力达到;填入下表2;8.保持负压力输入P2压力不变,减小正压力输入P1的压力,每隔记下模块输出Uo2的P1-Uo2曲线图P1/kPU o 2/V电压值;直到P1的压力为;填入下表3;9.保持负压力输入P1压力0Mpa 不变,减小正压力输入P2的压力,每隔记下模块输出Uo2的电压值;直到P2的压力为;填入下表;10.实验结束后,关闭实验台电源,整理好实验设备; 五、实验数据记录与分析表1用matlab 绘制P1-Uo2曲线图如下图所示2、保持正压力输入P1压力不变,增大负压力输入P2的压力表2用matlab 绘制P2-Uo2曲线图如下图所示0.0050.010.0150.020.0250.030.0350.040.0450.050.0550.060.0650.070.0750.080.0850.09减小P2-Uo2曲线P2/ kPU o 2/ V0.0050.010.0150.020.0250.030.0350.040.0450.050.0550.060.0650.070.0750.080.0850.09减小P1-Uo2曲线图P1/kPU o 2/ V3、保持负压力输入P2压力不变,减小正压力输入P1的压力表3用matlab 绘制P1-Uo2曲线图如下图所示0.0050.010.0150.020.0250.030.0350.040.0450.050.0550.060.0650.070.0750.080.0850.09减小P2-Uo2曲线P2/ kPU o 2/ VP1-Uo2拟合直线P1/kPU o 2/V表4用matlab 绘制的P2-Uo2曲线图如下图所示5、灵敏度及非线性误差计算线性拟合直线的斜率即为所求的灵敏度,故对上面的曲线图依次进行线性拟合,如下图所示红色为拟合直线,并由此算出其灵敏度和非线性误差;灵敏度L=ΔU/ΔP =拟合直线斜率 非线性误差δf =Δm/y F..S ×100% Δm 为输出值与拟合直线的最大偏差,y F ·S 为满量程输出平均值1P2-Uo2曲线图气压P2/kPU o 2/ V减小P1-Uo2曲线图P1/kPU o 2/ Vy = p1x + p2 p1 = p2 = 由图读出Δm=故 灵敏度S =L=ΔU/ΔP =p1=kp非线性误差δf = ×100%=% 2y = p1x + p2 p1 = p2 = 由图读出Δm= 故 灵敏度L=ΔU/ΔP =p1= v/kp 非线性误差δf = ×100%=% 3y = p1x + p2 p1 = p2 = 由图读出Δm= 故 灵敏度L =ΔU/ΔP =p1=kp 非线性误差δf = ×100%=%减小P2-Uo2曲线P2/ kPU o 2/ V4y = p1x + p2 p1 = p2 = 由图读出Δm= 故 灵敏度L =ΔU/ΔP =p1=kp 非线性误差δf =×100%=%六、实验报告1.根据实验所得数据,计算压力传感器输入PP1-P2—输出Uo2曲线;计算灵敏度L=ΔU/ΔP,非线性误差δf ;图11-2 扩散硅压力传感器接线图。
压力传感器实验报告压力传感器实验报告引言:压力传感器是一种广泛应用于工业、医疗、航空等领域的传感器。
它能够将物体受力转化为电信号,并通过测量这些电信号来获取物体所受的压力大小。
本实验旨在通过搭建一个简单的压力传感器实验装置,了解压力传感器的工作原理和应用。
实验装置:本实验所需的装置包括压力传感器、电源、模拟转换器、示波器和计算机。
压力传感器是实验的核心部分,它通常由感应元件和信号处理电路组成。
感应元件可以是压阻、压电材料或半导体材料等。
在本实验中,我们使用了一种压阻式的压力传感器。
实验步骤:1. 连接实验装置:首先,将压力传感器连接到电源和模拟转换器上。
确保连接正确,避免损坏设备。
2. 施加压力:在实验中,我们可以使用一个标准的压力源,如液体或气体,来施加压力。
将压力源与压力传感器连接,并逐渐增加压力。
3. 读取数据:通过示波器和计算机,我们可以读取压力传感器输出的电信号,并将其转化为压力数值。
示波器可以显示电信号的波形,而计算机可以进行数据处理和分析。
实验结果:通过实验,我们可以得到压力传感器输出的电信号波形,并将其转化为压力数值。
根据实验结果,我们可以得出以下结论:1. 压力传感器的输出信号与施加的压力成正比。
当施加的压力增加时,输出信号也相应增加。
2. 压力传感器的输出信号是连续变化的,而不是离散的。
这使得我们可以实时监测和记录物体所受的压力变化。
3. 压力传感器的灵敏度可以根据实际需求进行调整。
通过调整电路参数或使用不同类型的传感器,我们可以获得不同范围和精度的压力测量。
实验应用:压力传感器在现代社会中有着广泛的应用。
以下是一些常见的应用领域:1. 工业控制:压力传感器可以用于监测和控制工业设备中的液体或气体压力。
例如,在液压系统中,压力传感器可以帮助维持系统的稳定性和安全性。
2. 医疗设备:压力传感器在医疗设备中被广泛使用,如血压计、呼吸机和体重计等。
它们可以帮助医生监测患者的生理状态,并提供准确的数据支持。
压阻式压力传感器的压力测量实验一、实验目的:了解扩散硅压阻式压力传感器测量压力的原理和方法。
二、基本原理:扩散硅压阻式压力传感器在单晶硅的基片上扩散出P型或N型电阻条,接成电桥。
在压力作用下根据半导体的压阻效应,基片产生应力,电阻条的电阻率产生很大变化,引起电阻的变化,我们把这一变化引入测量电路,则其输出电压的变化反映了所受到的压力变化。
三、需用器件与单元:压力源(已在主控箱)、压力表、压阻式压力传感器、压力传感器实验模板、流量计、三通连接导管、数显单元、直流稳压源±4V、±15V。
四、实验步骤:1、根据图2-1连接管路和电路,主控箱内的气源部分,压缩泵、贮气箱、流量计主控箱内部已接好。
将压力表放置传感器支架上,三通连接管中硬管一端插入主控板上的气源快速插座中(注意管子拉出时请用手按住气源插座边缘往内压,则硬管可轻松拉出)。
其余两根软导管分别与标准表和压力传感器接通。
这里选用的差压传感器两只气咀中,一只为高压咀,另一只为低压咀。
本实验模板连接见图2-2,压力传感器有4端:3端接+4V电源,1端接地线,2端为U0+,4端为U0-。
1、2、3、4端顺序排列见图2-2。
端接线颜色通过观察传感器引脚号码判别。
图2-1 压阻式压力传感器测量系统2、实验模板上R w2用于调节零位,R w2可调放大倍数,按图2-2接线,模板的放大器输出V02引到主控箱数显表的V i插座。
将显示选择开关拨到20V档,反复调节R w2(R w1旋到满度的1/3)使数显表显示为零。
3、先松开流量计下端进气口调气阀的旋钮,开通流量计。
图2-2 压力传感器压力实验接线图4、合上主控箱上的气源开关K3,启动压缩泵,此时可看到流量计中的滚珠浮起悬于玻璃管中。
5、逐步关小流量计旋钮,使标准压力表指示某一刻度。
6、仔细地逐步由小到大调节流量计旋钮,使在4~14KP之间每上升1KP 分别读取压力表读数,记下相应的数显表值列于表(2-1)表(2-1)压力传感器输出电压与输入压力值7、计算本系统的灵敏度和非线性误差。
传感器实验报告实验⼀、⼆、三应变⽚单臂、半桥、全桥特性实验⼀、实验原理电阻应变式传感器是在弹性元件上通过特定⼯艺粘贴电阻应变⽚来组成。
⼀种利⽤电阻材料的应变效应将⼯程结构件的内部变形转换为电阻变化的传感器,此类传感器主要是通过⼀定的机械装置将被测量转化成弹性元件的变形,然后由电阻应变⽚将变形转换成电阻的变化,再通过测量电路将电阻的变化转换成电压或电流变化信号输出。
可⽤于能转化成变形的各种⾮电物理量的检测,如⼒、压⼒、加速度、⼒矩、重量等,在机械加⼯、计量、建筑测量等⾏业应⽤⼗分⼴泛。
根据表中数据画出实验曲线后,计算灵敏度S=ΔV/ΔW(ΔV输出电压变化量,ΔW重量变化量)和⾮线性误差δ(⽤最⼩⼆乘法),δ=Δm/yFS ×100%式中Δm为输出值(多次测量时为平均值)与拟合直线的最⼤偏差:yFS满量程输出平均值,此处为200g。
四、思考题1、ΔR转换成ΔV输出⽤什么⽅法?通过电阻的分压,将电阻两端的电压测量出来经过差动放⼤器。
从⽽将ΔR转换成ΔV。
2、根据图4机头中应变梁结构,在振动台放置砝码后分析上、下梁⽚中应变⽚的应变⽅向(是拉?还是压?+压变⼤)。
所连接的应变⽚电阻中,带有符号↑是拉伸,电阻会变⼤;带有符号↓的是压缩,电阻会减⼩。
3、半桥测量时两⽚不同受⼒状态的电阻应变⽚接⼊电桥时,应接在:(1)对边?(2)邻边?为什么?应该接在邻边,这样能保证测量的灵敏度,同时能使⼀些去除⼲扰因素的影响。
4、应变⽚组桥时应注意什么问题?要注意应变⽚的受⼒状态和接⼊电路时的位置。
实验五应变直流全桥的应⽤—电⼦秤实验⼀、实验原理常⽤的称重传感器就是应⽤了箔式应变⽚及其全桥测量电路。
数字电⼦秤实验原理如图5—1。
本实验只做放⼤器输出Vo实验,通过对电路的标定使电路输出的电压值为重量对应值,电压量纲(V)改为重量量纲(g)即成为⼀台原始电⼦秤。
图5—1 数字电⼦称原理框图⼆、实验结果表5电⼦称实验数据⼆、实验分析实验⼋移相器、相敏检波器实验⼀、实验原理1、移相器⼯作原理:图8—1为移相器电路原理图与实验箱主板上的⾯板图。
自动化与电气工程类基础实验实验报告实验名称:压力传感器、电容式传感器实验指导老师:雷璐宁班级:智能电网0861202班成员:彭伟平2012212822、吴志辉2012212807实验七 扩散硅压阻式压力传感器压力实验一、实验目的了解扩散硅压阻式压力传感器测量压力的原理与方法。
二、实验仪器压力传感器、气室、气压表、差动放大器、电压放大器、电压温度频率表 三、实验原理在具有压阻效应的半导体材料上用扩散或离子注入法,可以制备各种压力传感器。
摩托罗拉公司设计出X 形硅压力传感器,如图7-1所示,在单晶硅膜片表面形成4个阻值相等的电阻条。
将它们连接成惠斯通电桥,电桥电源端和输出端引出,用制造集成电路的方法封装起来,制成扩散硅压阻式压力传感器。
扩散硅压力传感器的工作原理如图7-1,在X 形硅压力传感器的一个方向上加偏置电压形成电流i ,当敏感芯片没有外加压力作用,内部电桥处于平衡状态,当有剪切力作用时(本实验采用改变气室内的压强的方法改变剪切力的大小),在垂直于电流方向将会产生电场变化i E ⋅∆=ρ,该电场的变化引起电位变化,则在与电流方向垂直的两侧得到输出电压Uo 。
i d E d U O ⋅∆⋅=⋅=ρ (7-1) 式中d 为元件两端距离。
实验接线图如图7-2所示,MPX10有4个引出脚,1脚接地、2脚为Uo+、3脚接+5V 电源、4脚为Uo-;当P1>P2时,输出为正;P1<P2时,输出为负(P1与P2为传感器的两个气压输入端所产生的压强)。
图7-1 扩散硅压力传感器原理图图7-2 扩散硅压力传感器接线图四、实验内容与步骤1. 按图7-2接好“差动放大器”与“电压放大器”,“电压放大器”输出端接电压温度频率表(选择U ,20V 档),打开直流电源开关。
(将“2~20V 直流稳压电源”输出调为5V)2.调节“差动放大器”与“电压放大器”的增益调节电位器到中间位置并保持不动,用导线将“差动放大器”的输入端短接,然后调节调零电位器使电压温度频率表显示为零。
实验一扩散硅压阻式压力传感器的压力测量实验实验目的:1. 熟悉扩散硅压阻式压力传感器的工作原理和特性。
2. 了解扩散硅压阻式压力传感器的使用方法和注意事项。
3. 利用扩散硅压阻式压力传感器进行压力测量实验。
实验器材:1. 扩散硅压阻式压力传感器2. 数字万用表3. 压力泵4. 接线板、导线等实验原理:扩散硅压阻式压力传感器是利用扩散硅作为敏感元件的压力传感器。
当扩散硅受到外界压力作用时,会产生微小的形变,从而改变扩散硅的电阻值。
通过电路对电阻值的变化进行放大和处理,最终转换成电压信号作为输出,实现压力的测量。
实验步骤:1. 将扩散硅压阻式压力传感器连接到接线板上,注意仔细阅读连接图并正确连接。
2. 将数字万用表连上扩散硅压阻式压力传感器的输出端口,选择电压测量档位,并将数显切换为直流电压。
3. 将压力泵连接到扩散硅压阻式压力传感器的压力输入端口,打开压力泵。
4. 按照设定步骤开始进行实验,观察和记录压力泵的压力输出值以及扩散硅压阻式压力传感器的电压输出值。
5. 在测量结束后,关闭压力泵,并将扩散硅压阻式压力传感器从电路中拆开。
实验结果分析:通过扩散硅压阻式压力传感器测量实验,我们能够得出被测压力值和输出电压值之间的关系。
由于具有较好的灵敏度和稳定性,扩散硅压阻式压力传感器被广泛应用于压力测量领域,如航空、采矿、化工、医疗等领域。
注意事项:1. 在进行实验前,必须确认设备和电路是否连接正确,避免短路或其他故障发生。
2. 在使用压力泵时,应注意安全防范措施,避免压力泵爆炸等危险事件发生。
3. 在电路连接和处理信号时,应注意干扰和噪声的影响,保证测量精度的准确性。
4. 在实验过程中,如有异常情况发生应及时停止实验,并排除故障,确保实验结果可靠有效。
实验二扩散硅压阻式压力传感器实验模块2.1实验目的:实验 2.1.1:了解扩散硅压阻式压力传感器测量压力的原理和方法。
工作原理:是指利用单晶硅材料的压阻效应和集成电路技术制成的传感器。
单晶硅材料在受到力的作用后,电阻率发生变化,通过测量电路就可得到正比于力变化的电信号输出。
压阻式传感器用于压力、拉力、压力差和可以转变为力的变化的其他物理量(如液位、加速度、重量、应变、流量、真空度)的测量和控制。
转换原理:在具有压阻效应的半导体材料上用扩散或离子注入法,,形成4个阻值相等的电阻条。
并将它们连接成惠斯通电桥,电桥电源端和输出端引出,用制造集成电路的方法封装起来,制成扩散硅压阻式压力传感器。
平时敏感芯片没有外加压力作用,内部电桥处于平衡状态,当传感器受压后芯片电阻发生变化,电桥将失去平衡,给电桥加一个恒定电压源,电桥将输出与压力对应的电压信号,这样传感器的电阻变化通过电桥转换成压力信号输出。
压阻效应:当力作用于硅晶体时,晶体的晶格产生变形,使载流子从一个能谷向另一个能谷散射,引起载流子的迁移率发生变化,扰动了载流子纵向和横向的平均量,从而使硅的电阻率发生变化。
这种变化随晶体的取向不同而异,因此硅的压阻效应与晶体的取向有关。
硅的压阻效应不同于金属应变计(见电阻应变计),前者电阻随压力的变化主要取决于电阻率的变化,后者电阻的变化则主要取决于几何尺寸的变化(应变),而且前者的灵敏度比后者大50~100倍。
实验 2.1.2:了解利用压阻式压力传感器进行差压测量的方法。
2.2实验设备和元件:2.2.1 实验设备:实验台所属各分离单元和导线若干。
2.2.2 其他设备:2号扩散压阻式压力传感器实验模块,14号交直流,全桥,测量,差动放大实验模块,数显单元20V,直流稳压源+5V,+_12V电源。
2.3实验内容:2.3.1扩散压阻式压力传感器一般介绍:单晶硅材料在受到外力作用产生极微小应变时(一般步于400微应变),其内部原子结构的电子能级状态会发生变化,从而导致其电阻率剧烈变化(G因子突变)。
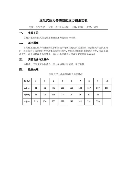
压阻式压力传感器的压力测量实验学校:汕头大学专业:电子信息工程年级:10级姓名:胡丹一、实验目的了解扩散硅压阻式压力传感器测量压力的原理和方法。
二、基本原理扩散硅压阻式压力传感器的工作机理是半导体应变片的压阻效应。
在弹性元件受到压力时,其上的半导体会暂时改变晶体结构的对称性,导电机理和电阻率也随之改变,引起电阻的变化,经电桥转换成电压输出。
输出的电压的变化反映了所受的压力的变化。
三、实验设备与元器件主机箱、压阻式压力传感器、压力传感器实验模板、引压胶管。
四、数据处理压阻式压力传感器测压力实验数据1. 计算单臂测量系统的灵敏度S :的平均值为:灵敏度2.计算非线性误差:这里以理论拟合直线,即以输出0%为起点,满量程输出(此处为350mV)的100%作终点的直线()为基准直线。
从上图中的偏差曲线可以看出,当P=4KPa时有最大偏差。
而,所以,。
五、思考题查阅传感器相关理论知识,说明压阻式压力传感器大致有几种类型,在应用上各有什么特点。
答:压阻式压力传感器主要有以下三种类型:1.扩散硅扩散硅传感器灵敏度和精度最高,适合测量1kpa到40Mpa的压力范围。
2.陶瓷压阻陶瓷压阻式压力传感器过载能力低一些,抗冲击压力较差,但灵敏度较高,适合测量50Kpa以上的高量程范围,而且耐腐蚀,温度范围也很宽.3.应变片过载能力强和抗冲击压力强,适合测量高量程范围的压力变化,尤其在1Mpa 以上时,线性很好,精度也很高,并适合测量与应变材料兼容的各类介质.移相器、相敏检波器实验一、实验目的深入了解移相器、相敏检波器的工作原理。
二、实验设备与元器件主机箱中的(步进可调)直流稳压电源、直流稳压电源、音频振荡器;移相器/相敏检波器/低通滤波器实验模板;双踪示波器。
三、数据处理(一)移相器实验1.f=2KHz,T=486.60(us),,波形如下图所示(波峰的高度更低的是):,,波形如下图所示(波峰的高度更低的是):2.f=9KHz,T=110.00(us),,波形如下图所示(波峰的高度更低的是):,波形如下图所示(波峰的高度更低的是):(二)相敏检波器实验1.DC参考电压=+2V:相敏检波器的输入、输出波形如下图所示:输入与输出波形重合。
《传感器原理及应用》扩散硅压阻式压力传感器的压力测
量实验报告
1.实验功能要求
了解扩散硅压阻式压力传感器测量压力的原理与方法。
2.实验所用传感器原理
压阻压力传感器是指利用单晶硅材料的压阻效应和集成电路技术制成的传感器。
单晶硅材料在受到力的作用后,电阻率发生变化,通过测量电路就可得到正比于力变化的电信号输出。
它又称为扩散硅压阻压力传感器,它不同于粘贴式应变计需通过弹性敏感元件间接感受外力,而是直接通过硅膜片感受被测压力的。
3.实验电路
4.实验过程
1.按图10-2接好“差动放大器”与“电压放大器”,“电压放大器”输出端接数显直流电压表,选择20V档,打开直流开关电源。
2.调节“差动放大器”与“电压放大器”的增益调节电位器到适当位置并保持不动,用导线将“差动放大器”的输入端短接,然后调节调零电位器使直流电压表20V档显示为零。
3.取下短路导线,并按图10-2连接“压力传感器”与“分压器”。
4.气室的活塞退回到刻度“17”的小孔后,使气室的压力相对大气压均为0,气压计指在“零”刻度处,将“压力传感器”的输出接到差动放大器的输入端,调节Rw1使直流电压表20V档显示为零。
5.增大输入压力到0.01MPa,每隔0.005Mpa记下“电压放大器”输出的电压值U。
直到压强达到0.095Mpa;填入表。
5.实验结果
绘制P1-Uo2曲线:
y=p1*x+p2
P1=110.3
P2=0.87657
由图读出m=0.392
故灵敏度S=△U/ΔP =P1=110.3v/kp
非线性误差δf=(0.392/11.4)X100%=3.5%。
实验2 扩散硅压阻式压力传感器实验模块实验二扩散硅压阻式压力传感器实验模块(一)扩散硅压阻式压力传感器的压力测量实验 2.1实验目的:2.1.1、了解扩散硅压阻式压力传感器测量压力的原理和方法。
2.2实验设备和元件:2.2.1实验设备:2号扩散硅压阻式压力传感器实验模块、14号交直流、全桥、测量、差动放大实验模块、数显单元20V、直流稳压源+5V、+12V、-12V电源。
扩散硅压阻式传感器底压咀GNDVO+1234P2接实验台VSVO-P1高压咀VS接+4V OR5MAVO+322GND4VO-1接测量放大器输入端0-0.1MPa0-0.1MPa扩散硅压阻式传感器实验模块+12VGND-12V14交流、全桥、测量、差动、放大实验模块直流电桥ARXCR16 1KR14 1KR15 1KBDW110K平衡调节CR11KW210KW5W310KW410K10KW610KLM324IC1IC30-20VIC310KA10KBDIC2交流电桥图2-22.3实验内容:2.3.1、按图2-2把2号扩散硅压阻式压力传感器实验模块VS端连接+5V电压,GND端连电源地GND。
V0+、VO-输出连到14号模块一起输入端的VIN+、VIN-,具体连线见图2-2,连通电源。
2.3.2、将2号扩散硅压阻式压力传感器实验模块的P1、P2加压旋钮旋出,使压力表均指示为0。
2.3.3、放大器输出VO2和GND分别接到电源模块数显表的V、GND孔。
将显示表选择开关拨到20V档,调节W5、W6使数显表显示为零(若调不到零请旋W3、W4改变放大倍数)。
2.3.4、旋动P1旋钮加压,记下输出电压值,反之松开P1使压力表为0,旋动P2旋钮加压,记下输出电压值。
2.4实验结果与讨论33P(Kpa) 10 V O2(V)P1 V O2(V)P20.68 -0.70 20 0.97 -0.98 30 1.32 -1.36 40 1.80 -1.68 50 1.96 -1.97 60 2.39 -2.33 70 2.65 -2.60 80 2.91 -2.90 90 - - 100 - - (二)扩散硅压阻式压力传感器的差压测量实验 2.1实验目的:2.1.1、了解利用压阻式压力传感器进行差压测量的方法。
实验二压阻式压力传感器的压力测量实验一、实验目的:了解扩散硅压阻式压力传感器测量压力的原理和方法。
二、基本原理:扩散硅压阻式压力传感器在单晶硅的基片上扩散出P型或N型电阻条,接成电桥。
在压力作用下根据半导体的压阻效应,基片产生应力,电阻条的电阻率产生很大变化,引起电阻的变化,我们把这一变化引入测量电路,则其输出电压的变化反映了所受到的压力变化。
图一压阻式压力传感器压力测量实验三、需用器件与单元:主机箱、压阻式压力传感器、压力传感器实验模板、引压胶管。
四、实验步骤:1、将压力传感器安装在实验模板的支架上,根据图二连接管路和电路(主机箱内的气源部分,压缩泵、贮气箱、流量计已接好)。
引压胶管一端插入主机箱面板上气源的快速接口中(注意管子拆卸时请用双指按住气源快速接口边缘往内压,则可轻松拉出),另一端口与压力传感器相连。
压力传感器引线为4芯线: 1端接地线,2端为U0+,3端接+4V电源, 4端为Uo-,接线见图9-2。
2、实验模板上R W2用于调节放大器零位,RW1调节放大器增益。
按图9-2将实验模板的放大器输出V02接到主机箱(电压表)的Vin插孔,将主机箱中的显示选择开关拨到2V档,合上主机箱电源开关,RW1旋到满度的1/3位置(即逆时针旋到底再顺时针旋2圈),仔细调节RW2使主机箱电压表显示为零。
3、输入气压,压力上升到4K pa左右时调节调节R w2(低限调节),,使电压表显示为相应的0.4V左右。
再仔细地反复调节旋钮使压力上升到19Kpa左右时调节差动放大器的增益电位器Rw1(高限调节),使电压表相应显示1.9V左右。
4、再使压力慢慢下降到4K pa,调节差动放大器的调零电位器,使电压表显示为相应的0.400V。
成绩:吉林大学仪器科学与电气工程学院《传感器实验及课程设计》本科实验报告实验项目:应变片单臂特性实验学生姓名:***学号:********E-mail:*****************实验地点:地质宫2015年月日一、实验目的(内容及要求)了解电阻应变片的工作原理与应用并掌握应变片测量电路二、实验所用仪器设备机头中的应变梁的应变片、测微头;显示面板中的F/V表、±2V~±10V步进可调直流稳压电源;调理电路面板中传感器输出单元中的箔式应变片、调理电路单元中的电桥、差动放大器、4½位数显万用表。
三、实验原理电阻应变式传感器是在弹性元件上通过特定工艺粘贴电阻应变片来组成。
一种利用电阻材料的应变效应将工程结构件的内部变形转换为电阻变化的传感器。
此类传感器主要是通过一定的机械装置将被测量转化成弹性元件的变形,然后由电阻应变片将弹性元件的变形转换成电阻的变化,再通过测量电路将电阻的变化转换成电压或电流变化信号输出。
为了将电阻应变式传感器的电阻变化转换成电压或电流信号,在应用中一般采用电桥电路作为其测量电路。
电桥电路按其工作方式分有单臂、双臂和全桥三种,单臂工作输出信号最小、线性、稳定性较差;双臂输出是单臂的两倍,性能比单臂有所改善;全桥工作时的输出是单臂时的四倍,性能最好。
单臂特性实验基本电路如图1—2(a)所示。
Uo=U①-U③=〔(R1+△R1)/(R1+△R1+R5)-R7/(R7+R6)〕E={〔(R7+R6)(R1+△R1)-R7(R5+R1+△R1)〕/〔(R5+R1+△R1)(R7+R6)〕}E设R1=R5=R6=R7,且△R1/R1=ΔR/R<<1,ΔR/R=Kε,K为灵敏度系数。
则Uo≈(1/4)(△R1/R1)E=(1/4)(△R/R)E=(1/4)KεE箔式应变片单臂电桥实验原理图如下:图中R5、R6、R7为350Ω固定电阻,R1为应变片;RW1和R8组成电桥调平衡网络,E为供桥电源±4V。
传感器课程设计报告题目:扩散硅压阻式压力传感器的差压测量专业班级:BG1003姓名:桑海波时间:2013.06.17~2013.06.21指导教师:胥飞2013年6月21日摘要本文介绍一种以AT89S52单片机为核心,包括ADC0809类型转换器的扩散硅压阻式压力传感器的差压测量系统。
简要介绍了扩散硅压阻式压力传感器电路的工作原理以及A/D变换电路的工作原理,完成了整个实验对于压力的采样和显示。
与其它类型传感器相比,扩散硅压阻式电阻应变式传感器有以下特点:测量范围广,精度高,输出特性的线性好,工作性能稳定、可靠,能在恶劣的化境条件下工作。
由于扩散硅压阻式压力传感器具有以上优点,所以它在测试技术中获得十分广泛的应用。
关键字:扩散硅压阻式压力传感器,AT89S52单片机,ADC0809,数码管目录1.引言 (1)1.1课题开发的背景和现状 (1)1.2课题开发的目的和意义 (1)2.设计方案 (2)2.1设计要求 (2)2.2设计思路 (2)3.硬件设计 (3)3.1电路总框图 (3)3.2传感器电路模块 (3)3.3A/D变换电路模块 (4)3.4八段数码管显示 (8)3.5AT89S52单片机 (9)3.6硬件实物 (12)4.实验数据采集及仿真 (13)4.1数据采集及显示 (13)4.2实验数据分析 (13)5.程序设计 (16)5.1编程软件调试 (16)5.2软件流程图 (17)5.3程序段 (18)6.结果分析 (19)7.参考文献 (20)1.引言1.1 课题开发的背景和现状传感器是一种能够感受规定的被测量的信息,并按照一定规律转换成可用输出信号的的器件或装置,通常由敏感元件、转换元件、测量电路三部分组成。
传感器技术是现代信息技术的三大支柱之一,其应用的数量和质量已被国际社会作为为衡量一个国家智能化、数字化、网络化的重要标志。
近年来,随着国家资金投入大的增加,我国压阻式传感器有了较快的发展,某些传感器如矩形双岛膜结构的6KPa微压传感器的性能甚至优于国外,其非线性滞后、重复性均小于5×10-4FS,分辨率优于20Pa,具有较高的过压保护范围以及可靠性。
实验七 压阻式压力传感器的压力测量实验一.实验目的了解扩散硅压阻式压力传感器测量压力的原理和方法。
二.基本原理扩散硅压阻式压力传感器在单晶硅的基片上扩散出P 型或N 型电阻条,接成电桥。
在压力作用下根据半导体的压阻效应,基片产生应力,电阻条的电阻率产生很大变化,引起电阻的变化,我们把这一变化引入测量电路,其输出电压的变化反映了所受到的压力变化。
三.需用器件与单元压力源(已在主控箱)、压力表、压阻式压力传感器、CGQ -002压力传感器实验模块、流量计、连接导管、电压表、直流稳压源±4V 、±15V 。
四.实验步骤1.根据图2-1连接管路和电路,主控箱内的气源部分,压缩泵、贮气箱、流量计已接好。
将硬管一端插入主控板上的气源快速插座中(注意管子拉出时请用手按住气源插座边缘往内压,则硬管可轻松拉出)。
另一端软导管与压力传感器接通。
这里选用的差压传感器两只气咀中,靠右边一只为高压嘴,另一只为低压嘴。
本实验模块连接见图2-2,压力传感器储气箱压缩泵220ACK3调气阀 快速接头三通压力传感器显示单元处理电路低压端 高压端主控箱内部外接部分流量计单相阀图2-1 压阻式压力传感器测量系统压力显示有4端:3端VS接+4V电源,1端接地线,2端为V o+,4端为V o-。
1、2、3、4端顺序排列见图2-2。
图2-2 压力传感器压力实验接线图2.实验模块接入模块电源±15V(从主控箱引入),检查无误后,合上主控箱电源开关。
实验模块上Rw2用于调节零位,Rw1可调节放大倍数,按图2-2接线,模块的放大器输出V o2引到主控箱电压表表的V i插座。
将显示选择开关拨到20V档,反复调节Rw2(Rw1旋到满度的1/3)使电压表表显示为零。
3.先松开流量计下端进气口调气阀的旋钮,开通流量计。
4.合上主控箱上的气源开关,启动压缩泵,此时可看到流量计中的滚珠浮子向上浮起悬于玻璃管中。
5.逐步关小流量计旋钮,使标准压力表指示某一刻度。
实验二压阻式压力传感器的压力测量实验
一、实验目的:
了解扩散硅压阻式压力传感器测量压力的原理和方法。
二、基本原理:
扩散硅压阻式压力传感器在单晶硅的基片上扩散出P型或N型电阻条,接成电桥。
在压力作用下根据半导体的压阻效应,基片产生应力,电阻条的电阻率产生很大变化,引起电阻的变化,我们把这一变化引入测量电路,则其输出电压的变化反映了所受到的压力变化。
图一压阻式压力传感器压力测量实验
三、需用器件与单元:
主机箱、压阻式压力传感器、压力传感器实验模板、引压胶管。
四、实验步骤:
1、将压力传感器安装在实验模板的支架上,根据图二连接管路和电路(主机箱内的气源部分,压缩泵、贮气箱、流量计已接好)。
引压胶管一端插入主机箱面板上气源的快速接口中(注意管子拆卸时请用双指按住气源快速接口边缘往内压,则可轻松拉出),另一端口与压力传感器相连。
压力传感器引线为4芯线: 1端接地线,2端为U0+,3端接+4V电源, 4端为Uo-,接线见图9-2。
2、实验模板上R
W2用于调节放大器零位,R
W1
调节放大器增益。
按图9-2将实
验模板的放大器输出V02接到主机箱(电压表)的Vin插孔,将主机箱中的显示选
择开关拨到2V档,合上主机箱电源开关,R
W1
旋到满度的1/3位置(即逆时针旋
到底再顺时针旋2圈),仔细调节R
W2
使主机箱电压表显示为零。
3、输入气压,压力上升到4Kpa左右时调节调节Rw2(低限调节),,使电压表显示为相应的0.4V左右。
再仔细地反复调节旋钮使压力上升到19Kpa左右时调节差动放大器的增益电位器Rw1(高限调节),使电压表相应显示1.9V左右。
4、再使压力慢慢下降到4Kpa,调节差动放大器的调零电位器,使电压表显示为相应的0.400V。
再仔细地反复调节汽源使压力上升到19Kpa时调节差动放大器的增益电位器,使电压表相应显示1.900V。
5、重复步骤4过程,直到认为已足够精度时仔细地逐步调节流量计旋钮,使压力在4-19KPa之间变化,每上升3KPa气压分别读取电压表读数,将数值列于表1。
表1
P(KPa) 4 7 10 13 16 19
Vo(p-p)
作业:
1、画出实验曲线,并计算本系统的灵敏度和非线性误差。
实验完毕,关闭所有电源。