KL—J系列调激励电压接线盒使用说明书
- 格式:pdf
- 大小:73.00 KB
- 文档页数:2
JBK系列机床控制变压器符合标准:J B/T5555产品安装使用前,请仔细阅读使用说明书,并妥善保管,以备查阅。
1、用途与使用范围JBK系列控制变压器(以下简称变压器),采用国际先进的设计及工艺进行制造,具有性能优良,工作可靠,适用性广等特点,通常用于各类机床,机械设备等一般电器的控制电源;局部照明灯及指示灯的电源。
本系列变压器适用于交流50/60Hz,电压660V及以下电路中,在额定负载下可连续长期工作。
产品符合:JB/T 5555 标准。
2、正常工作和安装条件2.1 海拔不超过2000m。
2.2 环境空气温度:(-5~+40)℃2.3 空气相对湿度:最湿月的月平均最大湿度为90%,同时该月的月平均最低温度为+25°C。
2.4 无剧烈震动和冲击振动的地方。
2.5 在无爆炸危险的介质中,且介质中无腐蚀金属和破坏绝缘的气体及导电尘埃的地方。
2.6 不受雨雪侵袭的场所。
2.7 电源电压波形近似于正弦波。
-1--2-J B K -额定容量 VA设计序号(3、4、5)控制变压器机床用3、型号及基本参数3.1 产品型号及含义3.2 变压器结构型式3.2.1 变压器按容量、电压的不同分成各种不同的规格,但均为单相多绕组,初、次级互耦分别绕制的变压器。
3.2.2 变压器的线圈,一般为多层多绕组式,次级绕组有三种:一种是照明绕组,供给局部照明灯所需电压;一种是控制绕组,通常用来供给机床控制电路所需电压;一种是指示灯绕组,供给指示灯电源。
如果同一变压器兼有“控制”、“照明”、 “指示”三个绕组时则这三个绕组是分开绕制的。
形式见图1。
3.2.3 变压器的线圈也有多绕组多抽头的形式,就是利用抽头的方式在次级上抽得相应的所需电压;此种方法只有特殊订货时使用,此种变压器应参考附件说明进行使用,以免发生超容量烧坏变压器的事故。
形式见图3。
3.2.4 当变压器的次级只有一个绕组时,它可负担全部额定容量。
若次级兼有多个绕组时,则各绕组应按分配的容量,负载相应的负荷。
电容式电压互感器安装使用说明书编号:0TK.466.8926泰开集团山东泰开互感器有限公司2010年04月本使用说明书介绍了该产品的使用用途、使用环境、基本性能以及产品的运输、使用和维护。
1. 概述电容式电压互感器在频率为50Hz的高压及超高压电力系统中,接到线与地之间为电气测量仪器、仪表和保护、控制装置提供电压信号并可兼作电力线路载波耦合装置中的耦合电容器。
1.1 产品型号含义1.2 使用条件互感器为户外装置,安装运行地区的周围空气温度为-40~+55℃,海拔不超过2000m(海拔超过2000m的产品,根据用户和厂方双方协商,按用户的要求另行制造),风速不大于150km/h,地震烈度不超过8度,无严重污秽、震动和颠簸。
2. 主要规格及参数2.1 互感器可在1.2倍额定电压下长期运行;用于中性点有效接地系统的互感器可在1.5倍额定电压下运行30s。
用于无自动切除对地故障的中性点非有效接地系统的互感器可在1.9倍额定电压下运行8h。
2.2 中间变压器绕组的连接组为1/1/1/1-12-12-12或1/1/1-12-12。
2.3 互感器型号中带“H”的产品爬电比距≥25mm/kV(按系统最高电压计算)。
2.4 互感器绝缘水平见表1。
(以铭牌参数为准)2.5 互感器的准确级及相对应的电压误差和相角差及工作条件见表2。
2.6 电容分压器的载波耦合电容C及高压电容C1和中压电容C2的电容偏差应不超过其额定值的-5%~+10%,而C1 及C2两者偏差之差不超过5%。
2.7 电容分压器的介质损耗角正切值不大于0.0015。
2.8 互感器符合GB/T4703《电容式电压互感器》、JB/T19749《耦合电容器及电容分压器》、JJG314《测量用电压互感器》、IEC60044-5的要求。
2.9互感器主要技术参数见表3。
表1 互感器绝缘水平kV表2 互感器工作条件及误差限值3. 产品结构和工作原理3.1 产品结构本产品由电容分压器和电磁单元两部分组成。
一、概述称重传感器在生产过程中,要使传感器都有相同的灵敏度和输出阻值是很难的。
所以必须在安装现场进行实际微小调整,接线盒相当于一个无源电阻网络,它为每一个接进来的传感器准备了一个精密可调电阻,与传感器的输出端并联,当调节盒内某个可调电阻时,相当于改变了这只传感器的输出阻抗。
这样,就使得称重系统所使用的每只传感器的输出阻抗在一个小范围内可以调整,使得大型衡器得到平衡。
二、接线方法1.J1~J8接线端子为输入端子,接传感器。
(根据接线盒可接传感器数目的不同,接线盒的输入端子数也有所不同)2.各个接线端子的下方均标有每一个接线端子的连接标识。
从左到右分别是“+E”、“-E”、“GND”、“+S”、“-S”。
各符号的意义如下所示:“+E” “+En”—传感器的拱桥电源正端(传感器输入正端)“-E” “-En” —传感器的拱桥电源负端(传感器输入负端)“GND” —屏蔽电缆的屏蔽层“+S” “+Sn”—传感器的信号正端(传感器反馈正端)“-S” “-Sn” —传感器的信号负端(传感器反馈负端)三、调整方法在不上电的情况下检查接线盒内的所有电位器组织大小是否一致。
接线盒在出厂时已经校准。
一般情况下,配用灵敏度基本一致的传感器,只需作细微调整即可。
四、注意事项1.传感器应选用同一型号,其输入、输出阻抗和灵敏度应较为接近(尽可能误差在千分之一以下)。
2.调整完成后必须将防水接头旋紧并将接线盒盖紧,以保证其密封性。
3.接线时必须将接线头逐个压紧,以确保连接有效。
4.出厂时电位器都调整在中间值,如果角差调不过来,请相应调小阻值。
警告:接线盒参照盒内电路板的标示接线,不能接错,接线盒外侧有一螺丝孔用于高压接地放电!。
GCK低压抽出式开关柜使用说明书1.1版编制:谢小军校核:周清平审定:批准:华自科技股份有限公司目录1 产品概述 (1)2 环境条件 (1)3 型号标准 (2)4 技术参数 (2)5 开关柜部件名称及功能介绍 (3)6 安装说明 (5)7 开关柜的操作 (7)8 常见问题及故障处理 (8)9 日常巡视与维护 (11)10 订货需知 (13)1 产品概述GCK低压抽出式开关柜由动力配电中心(PC)柜和电动机控制中心(MCC)二部分组成,适用于发电厂、变电站、工矿企业等电力用户作为交流50HZ,最大工作电压为660V,最大工作电流至4000A的配电系统中,作为动力配电、电动机控制及照明等配电设备的电能转换分配控制之用。
本系列产品具有分断能力高,动热稳定性好,结构先进合理,电气方案切合实际,系列性、通用性强,各种方案单元任意组合,一台柜体所容纳的回路较多,节省占地面积,外形美观,防护等级高,安全可靠,维护方便等优点。
2环境条件1.1使用地点的海拔高度不超过1000m;1.2周围空气温度不高于+50℃,不低于-5℃,24小时内的平均温度不超过+35℃,在储存、运输条件下温度为-25℃至+55℃之间,短时不超过70℃。
1.3月平均相对湿度不大于95%。
在较低温度时,允许有较大的相对温度,在+25℃时,可允许相对温度达到90%。
开关柜在设计时,已考虑偶然产生的凝露现象。
如有要求,可在开关柜中加装温、湿控制器和加热、抽湿装置,防止凝露的产生。
1.4地震烈度不得超过8度。
水平方向加速度≤0.5g,垂直方向加速度≤0.3g1.5振动幅度:F<10Hz时,振幅不大于0.3mm;10Hz<F<150Hz时,加速度不大于0.1g1.6开关柜安装倾斜度不超过5°,户内安装。
1.7污染等级:33型号含义GCK控制中心抽出式低压开关柜4技术参数5 开关柜部件名称及功能介绍5.1柜体骨架-----柜架采用20模数的KS型材及模数化零部件通过螺栓紧固连接而成,免除了因焊接而变形和应力,零部件通用灵活。
.电容式电压互感器安装使用说明书编号:0TK.466.8926泰开集团山东泰开互感器有限公司2010年04月本使用说明书介绍了该产品的使用用途、使用环境、基本性能以及产品的运输、使用和维护。
1. 概述电容式电压互感器在频率为50Hz的高压及超高压电力系统中,接到线与地之间为电气测量仪器、仪表和保护、控制装置提供电压信号并可兼作电力线路载波耦合装置中的耦合电容器。
1.1 产品型号含义1.2 使用条件互感器为户外装置,安装运行地区的周围空气温度为-40~+55℃,海拔不超过2000m(海拔超过2000m的产品,根据用户和厂方双方协商,按用户的要求另行制造),风速不大于150km/h,地震烈度不超过8度,无严重污秽、震动和颠簸。
2. 主要规格及参数2.1 互感器可在 1.2倍额定电压下长期运行;用于中性点有效接地系统的互感器可在 1.5倍额定电压下运行30s。
用于无自动切除对地故障的中性点非有效接地系统的互感器可在1.9倍额定电压下运行8h。
2.2 中间变压器绕组的连接组为1/1/1/1-12-12-12或1/1/1-12-12。
2.3 互感器型号中带“H”的产品爬电比距≥25mm/kV(按系统最高电压计算)。
2.4 互感器绝缘水平见表1。
(以铭牌参数为准)2.5 互感器的准确级及相对应的电压误差和相角差及工作条件见表2。
2.6 电容分压器的载波耦合电容C及高压电容C1和中压电容C2的电容偏差应不超过其额定值的-5%~+10%,而C1 及C2两者偏差之差不超过5%。
2.7 电容分压器的介质损耗角正切值不大于0.0015。
2.8 互感器符合GB/T4703《电容式电压互感器》、JB/T19749《耦合电容器及电容分压器》、JJG314《测量用电压互感器》、IEC60044-5的要求。
2.9互感器主要技术参数见表3。
3. 产品结构和工作原理3.1 产品结构本产品由电容分压器和电磁单元两部分组成。
电容分压器由一节或几节电容器串联组成,高压端在电容分压器顶端。
公司简介山东泰开高压开关有限公司是专业研制开发生产72.5kV 及以上户外高压六氟化硫断路器、全封闭组合电器、复合绝缘组合电器的大型专业化企业。
公司注册资金 3 亿元、总资产 36 亿元、占地面积50 万 m2、建筑面积 23 万 m2。
现有员工 1822 人,其中专业技术人员 183 人。
公司多年来综合经济指标列全国高压开关行业前五名,为高压开关行业副理事长单位,公司生产的“泰开”牌高压开关为被评为山东名牌、国家免检产品,并获得了国家专利 378 项。
公司下设壳体、电镀、绝缘、喷漆、加工、机构、总装一车间、总装二车间、铸造等 9 个专业生产车间,配备德国德马吉加工中心、德国海德里希环氧树脂浇注生产线等国际先进的工艺装备。
产品自制率达到 95% 以上,具备年生产组合电器 3600 间隔、断路器 2500 台的生产能力。
公司生产的 72.5k V ~ 800k V 组合电器和断路器在国际著名的荷兰KEMA 试验站和西高所完成型式试验,产品技术水平高、质量稳定可靠、交货及时、服务优良,受到用户广泛好评,连续多年在国网、南网中标量始终保持前列,并广泛应用于五大发电集团、石油、化工、冶炼、铁路、清洁能源发电等行业,产品遍布全国各地,并出口到俄罗斯、印度、孟加拉、伊朗、塞内加尔、巴基斯坦等国家。
目前组合电器累计运行数量达到 2 万间隔以上,断路器累计运行数量达到 1.5 万台以上。
公司衷心感谢各界友人的支持合作,竭诚欢迎光临指导、洽谈业务、共创佳绩。
ZF10-145(L)/T3150-40 气体绝缘金属封闭开关目录1. 产品概述 (1)2. 通用技术条件及参数 (2)3. 结构与工作原理 (5)4.包装、运输、验收与贮存... (11)5. 安装、调试与交接试验 (12)6. 现场检查与试验 (13)7. 使用、维护与检修 (14)8. 成套供货范围 (20)9. 随机文件 (20)10. 定货程序 (20)●企业精神正直诚信务实创新●企业宗旨追求卓越回报社会1 产品概述1.1 ZF10-126~145(L)/T3150-40 型气体绝缘金属封闭开关设备(G a s-I n s ulated M etal-E nclose d Switchgear,以下简称 GIS)是将断路器、三工位开关、快速接地开关、电流互感器、电压互感器、避雷器、母线、进出线套管或电缆终端等元件组合封闭在接地的金属壳体内,充以一定压力的SF6 气体作为绝缘介质所组成的成套开关设备,适用于三相交流 50Hz、60Hz 额定电压 72.5~145kV 电力系统。
KLYJ-PLX-A系列配料控制箱使用说明书●使用前请仔细阅读本产品说明书●请妥善保管本产品说明书,以备查阅宁波柯力传感科技股份有限公司警告1、请专业人员调试、检测和维修系统。
2、本产品是精密计量设备,请务必保持设备外壳良好接地。
1、注意事项感谢您购买FK-A系列防雨淋控制箱。
为了确保产品被正确使用,请在安装之前仔细阅读本手册。
收到产品后请根据随机装箱清单检查包装内物品是否齐全或损坏。
请核对您收到的产品型号是否与订单一致。
产品型号在产品上方的铭牌标签上。
如发现新开箱产品有部件遗漏,损坏,或型号不一致情形,请准备好证据(如订单号,收货日期,产品序列号)并及时与我公司最近的办事处,授权机构,或售后服务部联系。
接地:为确保终端的性能,防止静电或电击损伤,请务必将终端外壳实施良好、可靠接地。
电源:本终端使用通用AC电源,可用电压范围:100~240V AC,50Hz/60Hz。
本终端不可以与动力设备共用电源,需采取必要的隔离措施。
环境:本产品不可以直接使用在有爆炸性粉尘或气体的危险场所。
2.概述多物料称重配料系统是通过对多种物料分别进行定量称重完成一次配料的配料设备。
多物料配料控制箱是基于配料工控仪表,结合电气控制系统开发的配料控制箱,可以实现控制1-6路配料控制。
可应用于多物料称重配料系统,该控制系统操作简便,工作稳定可靠,可以有效实现自动化配料的控制箱3.技术规格产品尺寸:(W*H*D)650x450x250mm配料数量:最多可配六种物料控制方式:净重方式称重仪表:R33工控仪表电气配件:继电器、断路器、开关电源、按钮、开关等精度等级:0.2%使用环境:温度:0℃~+40℃相对湿度:10%~90%,不冷凝存储环境:温度:-30℃~+60℃相对湿度:10%~90%,不冷凝电源:AC240V,50Hz/60Hz3.功能与特点本产品可控制最多六种物料的定量配料;超差报警:当配料重量大于或小于预期值,在超过一定范围内蜂鸣器工作进行超差报警提示;工作模式:自动,手动方式可选;漏电保护:控制箱内安装具有漏电保护的空气开关,可以有效保护线路或电机的过载和短路;完成指示:在配料结束后指示灯亮,提示配料完成。
Magnum®低压断路器 – Kirk Key 联锁装置(2C12891G21)的操作说明20211220151操作说明书 IL2C13761H112021年12月版Magnum ®低压断路器 – Kirk Key 联锁装置(2C12891G21)的操作说明2伊顿公司 /electrical图1. 2C12891G21装置组件目录第一部分:概要钥匙联锁装置提供以下安全功能:1. 没有钥匙,断路器将处于分闸状态且不能合闸。
2. 当钥匙打开时,断路器的所有功能均可实现。
3. 当断路器处于“ON ”时,钥匙不能取下,钥匙不能使断路器切换到“OFF ”状态。
注:按下断路器的“OFF ”按钮,把钥匙逆时针旋转90度即可取出钥匙。
必要工具• 1/4英寸的套筒柄• 10mm 套筒• 十字螺丝刀(2#头 菲利浦)• 1个7/16-英寸(36mm )孔据/钻• 3/32六角钥匙• 9/64六角钥匙• 尖嘴钳• 手扳压机、台钳、或等效工具 a• 弹簧拉手 (例如,Moody Tool item #6HAR6)a (步骤1-步骤5)如果工作现场没有便携式手扳压机、台钳或等效工具,可预先组装好。
配件介绍零件清单(参照图1)如下:(A) Kirk ® Key Lock #KC40.10 (未提供Kirk Key 锁)(请联系您的本地Kirk Key Interlock 公司了解分销情况)(B) 衬套(C) Kirk 锁安装面板(D) 扭簧(E) 导销(F) 锁芯联锁适配器(G) 六角支柱(H) 1/2 英寸有头螺钉(I) 联锁电缆(J) 带肩螺钉 1/8 英寸(K) #3–48 x 3/8 平头螺钉 (2个)(L) 联锁臂组件(M) #5–40 x 0.25英寸机械螺钉 (3个)(N) 拉伸弹簧(2 个,1 个备用)(O) D 型闭锁脱扣杆(并非总是需要)(P) E 型夹子 (并非总是需要)(Q) M3.5 x 10 自攻螺钉(B)(E)(G)(F)(H)(C)(D)(K)(J)(N)(M)(I)(L)(Q)(O)(P)(A)未提供(Kirk–#KC4–10)(O 项至P 项并非总是需要)操作说明书 IL2C13761H112021年12月版Magnum ®低压断路器 – Kirk Key 联锁装置(2C12891G21)的操作说明3伊顿公司 /electrical 图2. 步骤1图3. 步骤2第二部分:安装钥匙锁按照以下14个步骤来安装:步骤1:首先从钥匙锁(A)中取出钥匙。
智能化低压综合配电箱(JP柜)说明书1、公用变台智能化低压综合配电箱(JP柜)适适用于广大农村配电变压器,额定频率交流50Hz,额定工作电压400V,额定电流630A及以下配电系统中,户外柱上安装使用。
作为电能分配、电能计量、电能信息采集和监控、测量(PDK)、无功赔偿和保护之用综合低压设备。
(是我企业依据国家电网智能化建设要求,在原JP柜基础上研制开发智能化新产品,该产品不仅含有原JP柜适适用于广大农村产品特点,更含有了智能电网要求电能信息采集和监控,电网负荷控制管理等功效,是城镇电网更新换代产品)2 关键技术参数2.1 额定工作电压:400V2.2 额定绝缘电压:660V2.3 额定频率:50Hz2.4 容量:50、100、125、160、200、250、315、400kVA,具体规格以订货协议为准。
2.5 绝缘电阻:≥4MΩ2.6 介电强度:主回路相对地为2.5kV,1分钟。
辅助回路对地为2.5kV,1分钟。
2.7 防护等级:IP332.8 系统接地方法:中性点直接接地(TT系统)。
3 箱内关键元件配置表(依据实际项目工程提供)4 功效和结构4.1结构配电箱箱体采取镀锌角钢骨架,外敷不锈钢板,箱体表面无眩目反光,配电箱体能够防雨、防尘、防盗、防漏电、防雷击、防电磁干扰,有足够强度确保运输和安装过程中不会变形。
变台综合配电箱根据不一样变压器容量安装配电监测及无功赔偿一体式控制器(100kVA及以上变台安装)、测量电流互感器、计量电流互感器、HR系列隔离刀闸,高分断自动重合闸漏电综合保护出线开关、复合继电器型固态、进出线端子等电器元件。
箱体内部分隔成计量室、隔离刀闸室、馈电开关室、无功赔偿室。
电能表和计量互感器在同一室,和其它室用封板分隔,箱门能加铅封和锁封,无功赔偿室和其它室采取大于2mm镀锌钢板分隔。
4.1.1 配电箱进线方法采取箱体侧面进线,设置专用不锈钢防水弯头,弯头和箱体间配置防水胶垫,并方便电缆接线。
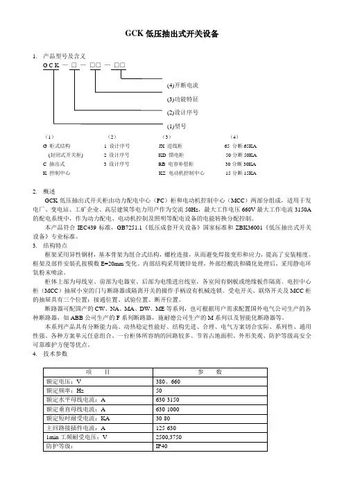
GCK低压抽出式开关设备1.产品型号及含义G C K—□—□□—□□(4)开断电流(3)功能特征(2)设计序号(1)型号(1)(2)(3)(4)G 柜式结构 1 设计序号JX 进线柜65 分断65KA(封闭式开关柜) 2 设计序号KD 馈电柜50分断50KAC 抽出式 3 设计序号RB 电容补偿柜30分断30KAK 控制中心KZ 电动机控制中心15分断15KA2.概述GCK低压抽出式开关柜由动力配电中心(PC)柜和电动机控制中心(MCC)两部分组成,适用于发电厂、变电站、工矿企业、高层建筑等电力用户作为交流50Hz,最大工作电压660V最大工作电流3150A 的配电系统中,作为动力配电、电动机控制及照明等配电设备的电能转换分配控制。
本产品符合IEC439标准,GB7251.1《低压成套开关设备》国家标准和ZBK36001《低压抽出式开关设备》专业标准。
3.结构特点框架采用异性钢材,基本骨架为组合式结构,螺栓连接,从而避免焊接变形和应力,提高了安装精度。
框架及部件安装孔按模数E=20mm变化。
内部结构采用镀锌处理,外部经酸洗和磷化处理后,采用静电环氧粉末喷涂。
柜体上部为母线室、前部为电器室、后部为电缆进出线室,各室间有钢板或绝缘板作隔离。
电控中心柜(MCC)抽屉小室的门与断路器或隔离开关的操作手柄设有机械连锁。
受电开关、联络开关及MCC柜的抽屉具有三个位置:接通位置、试验位置、断开位置。
断路器可配国产的CW、NA、MA、DW、ME等系列,也可根据用户需求配置国外电气公司生产的各种断路器,如ABB公司生产的F系列断路器,施耐德公司生产的M系列以及智能化断路器等。
本系列产品具有分断能力高、动热稳定性能好、结构先进、合理、电气方案切合实际、系列性、通用性强、各种方案单元任意组合、一台柜体所容纳的回路较多、节省占地面积、外形美观、防护等级高安全可靠维护方便等优点。
4.技术参数KYN28-12金属铠装中置式开关设备1. 产品型号及含义GZS1— 12 —□—□环境特征代号(TH:湿热、TA:干热、G:高海拔)一次方案额定电压(KV)G 高压、Z 中置、S 特征代码1 设计序号2.概述本开关设备根据GB3906中的铠装金属封闭开关设备而设计。
低压成套开关设备GCK型交流低压抽出式配电柜安装使用说明书一、用途与特点:辅助电路触头接插件15,25馈电电路最大电流PC柜63,125,160,250,400,630MCC柜63,125,160,250,400,630,800,1000,1600受电电路630,1000,1600,2000,2500,3200额定短时耐受电流有效值(KA)50峰值(KA)105耐压(V/1min)2500外形尺寸(mm)高X宽X深见附图小室高度(mm)见附图四、安装与调试:1、设备的拼装:a)去除设备外包装,按排列图将设备置于预先制作好的槽钢底座上,用M12螺丝将设备整齐牢固地拼装成一体,并可靠地固定于底座上;b)按相序标识和位置标记将水平母排(包括N和PE)安装于相应处并使其可靠连接;c)按原理图(附图)连接好二次控制线路(包括柜间联动控制线、补偿柜电流取样线)、N(零)线、PE(接地)线;d)安装好设备内各种联锁、联动装置,确保其动作时灵活可靠;注意!设备的外壳(箱体)必须可靠接地;2、设备进出电缆线由设备上方电缆槽(桥架)或下方电缆沟进入设备内;3、设备安装完毕,应仔细检查内部器件的所有搭接、固定螺丝,防止因运输、安装过程中引起的松动;然后将设备内清理干净,确保没有任何工具与杂物遗留在设备内;4、设备通电前,应用500V兆欧表(摇表)对回路的绝缘电阻进行摇测,测出的结果应大于5兆欧方可通电;摇测应包括:设备内各受电母线、水平母线、输出母线,摇测部位:A-B、B-C、A-C、A+B+C-N、A+B+C+N-PE(地);注意!测量线路绝缘电阻时,必须将电源开关、负载、二次回路(熔断器或二次开关)断开;5、设备第一次通电时,应首先检查负载功率与设备内开关电器容量是否匹配,并在不接负载时操作一次,然后再接上负载投入使用。
五、使用与维护:1、设备的运行操作:接通电源(市电或发电),主柜面板上电源指示灯点亮,指示电源的接通情况;将各控制功能转换开关按运行要求拨到相应位置上,操作电源进线柜上“合闸按钮”合上总开关(断路器、刀型隔离开关或刀型隔离转换开关)设备内主电源接通,此时旋转操作面板上的电压转换开关,即可在电压表中分别读出电路中的三相线电压(380V~400V),如三相正常即可合上补偿柜主开关(断路器、隔离开关熔断器组)将补偿柜投入运行,再按工作需要操作各支路开关(断路器、交流接触器等控制电器)使设备正常运行;注意!合闸操作时必须先合上总开关再合上各支路开关投入运行,分闸操作时必须先操作各支路开关使之分闸或停止运行再将总开关分闸;补偿柜在投入运行后前应将补偿器面板上的状态选择开关置于“运行/自动”位置(运行/自动状态指示灯亮)并检查柜内各回路小型断路器(或熔断器)处于合闸或连通位置方可投入运行;2、设备在运行过程中应经常对运行状况进行检查,主要检查仪表及各状态指示灯工作是否正常,设备内是否有不正常的响声,母线、一次接插件及电器元件是否有不正常的发热或变形,如发现上述情况应停止运行,切断电源,找出故障部位和原因并进行维修,待故障排除后方可继续使用;3、补偿柜在投入运行十五天后,应对柜内电路元器件进行一次检查,特别是主电路各元件的连接线端子应重新紧固一次,以后每个季度进行一次此类检查;如果在运行过程中发现补偿后的功率因素达不到正常要求(一般要求在95%以上),应检查电力电容器的容量是否正常,各回路的元器件是否损坏,必须由专业人员进行检查;4、功能单元(抽屉)的一次插件是最容易烧坏的部位,在使用过程中要尽量避免插入不到位或过电流引起的插件发热损坏,应经常检查插件是否发热或损坏(如颜色改变),如发现异常要及时予以更换以免故障范围扩大;5、当出现指示灯不亮、内部控制元件不动作或电压表无指示等故障时,应检查二次熔断器是否熔断,元器件各触点及二次插件是否接触良好;6、当任一输出单元回路发生故障时,可以在短时间内将可移动单元(抽屉)抽出,换上备用单元继续使用,相同规格移动单元(一次插件的额定电流必须相同)可在任一柜上互换;抽屉的抽出和插入的操作方法是:抽出操作时将操作手柄旋(或拨)至分闸位置,打开小室门,按下解锁杆,再将移动单元(抽屉)操作拨杆拨到至(抽出)位置,即可将功能单元抽出,插入操作与抽出操作相反;7、当设备出现大电流(如短路)跳闸故障后,应检查相关电路母线、功能单元(抽屉)的一次插件是否损坏,搭接是否松动,元器件是否受到破坏,拆开相关断路器或接触器外壳检查主触头是否烧坏、粘连,并清除内部的尘埃及金属粒子,对损坏的母线和器件进行修复或更换才能继续使用;8、定期对设备进行维护保养(每年不少于一次),保持内部清洁,检查各部件是否有松动、变色等不正常现象;注意!柜内检查、维护保养必须在设备停电的情况下并由专业人员严格按照相关操作规程进行。
J系列调输出电压接线盒使用说明书(一)概述由于传感器在出厂时,传感器的一致性一般补偿至某一个范围内,再加上现场使用中的环境因素及安装方式的限制,给多个传感器并联组秤带来一定的偏载误差。
为解决以上问题,须选用接线盒通过调整输出电压来使各传感器有效灵敏系数与传感器输出阻抗之比(mV/v/Ω)接近一致,从而保证整台秤偏载输出平衡。
初装或使用较长时间的秤一旦出现两个分度值以上的偏载误差,必须首先调整备支承点水平,对于有四个以上的传感器,由于各方面的原因,基础和机械台面都或多或少有些变形,使用时间越长,变形越严重,造成传感器受力不一致,只靠电位器的补偿是补偿不过来的,因此应先调整传感器的高度,确保偏载误差在两个分度值范围内,再用电位器补偿调到基本一致,这是一个反复的过程,调一个角可能影响其它的角,只有反复调试直至平衡。
(二)型号及命名J系列接线盒有四线、六线、八线、十线四种型号。
即:J5:五孔接线盒一四线,适用于4只传感器组合使用的电子衡器或系统;J7:七孔接线盒一六线,适用于6只传感器组合使用的电子衡器或系统;J9;九孔接线盒一八线,适用于8只传感器组合使用的电子衡器或系统;J11;十一孔接线盒一十线,适用于10只传感器组合使用的电子衡器或系统;对于超过10只传感器的电子衡器或系统,可通过多只接线盒的组合来实现联接。
(三)技术说明●不锈钢或铝合金外壳,专用密封接头,耐用、密封性好。
●采用高精度、低漂移电阻和电位器,保证系统工作的精度和稳定性。
●传感器连接和信号电缆连接配用专用接线端子,保证连接可靠。
●各接线柱旁预留有可焊接线的焊孔,实现焊接接线和插入接线两用,可自主选择。
●接线焊接点旁注有代码标识,方便用户接线。
●PCB板焊有防浪涌及防感应雷的保护性元器件,可有效防止感应雷和浪涌信号对传感器及仪表的损坏。
(四)按装、调试1、开箱检查请先检查一下包装内各部件是否完整。
包装盒内应包括下列部件:●接线盒 1只●使用说明书 1份若缺少部件或部件损坏,请立即与本公司联系。
JD、KDJ型矿用低压选择性漏电保护装置使用说明书无锡市军工电力电器有限公司一、装置概述KDJ型矿用低压选择性漏电保护装置具有选择性漏电保护、漏电闭锁和漏电后备保护三种功能的两极漏电保护装置,且可进行人工漏电试验。
适用于作为矿用一般型660V、380V、127V系统的低压配电装置及防爆馈电开关的馈电选择性漏电保护。
本保护装置为组件式结构。
只要在支路馈电开关和JD型检漏继电器中加装相应的保护组件,即可实现前述三种保护功能而不需要增加新的低压配电装置及防爆设备,也不需要增加外部电缆接线。
使用KDJ型选择性漏电保护组件不增加变电峒室设备台数和峒室面积,便于标准化管理。
本保护组件可根据支路分路数目在2~12路中任选,安装地点除变电峒室外,还可以在离变电所不太远,且支路电缆敷设条件好的采区配电点使用。
本保护组件使用灵活方便、功能多,也是煤矿安全规程中规定的井下低压馈电线上必须装设的选择性漏电保护。
矿井低压供电系统使用本保护组件,可以消除因某一负荷支路漏电对其他负荷造成的停电故障,减少各用电负荷之间的相互影响,且选择性漏电跳闸与漏电闭锁结合可大大缩短查找故障点所花时间,有利安全生产,方便井下机电工作人员。
本保护组件充分考虑了安装使用及维护的方便。
二、装置组成、使用与功能1、组成选择性漏电保护、漏电闭锁组件:KDJ组件。
总检漏继电器,延时动作组件:JD组件。
图1KDJ型选择性漏电保护使用安装系统图2、使用与功能:KDJ型矿用低压选择性漏电保护组件安装使用系统图如图附1所示。
图1中,KDJ组件安装于支路馈电开关DW80—(200,350)Ⅰ、Ⅱ、Ⅲ中,则支路馈电开关具备了选择性漏电保护功能,漏电闭锁功能,人为漏电试验功能。
JD检漏继电器安装于总馈电开关上,则JD检漏继电器具备了延时动作的漏电后备保护功能。
其动作情况是:当分支Ⅲdl点发生漏电,则支路Ⅲ馈电开关DW80Ⅲ选择性漏电跳闸,Ⅰ、Ⅱ支路正常工作。
Ⅲ支路跳闸后,QC1、2、3失压断开。
ZL_CZXL0107.0708CJX 系列操作箱技术说明书南瑞继保电气有限公司版权所有本说明书和产品今后可能会有小的改动,请注意核对实际产品与说明书的版本是否相符。
更多产品信息,请访问互联网:目录1. 装置的应用范围及特点 (1)2. 装置的技术数据 (1)3. 装置的构成与原理 (2)3.1操作回路插件 (3)3.2电流保持插件 (4)3.3电压切换插件 (5)3.3.1 带保持的电压切换插件 (5)3.3.2 不保持的电压切换插件 (6)3.4LOCKOUT插件 (6)3.4.1 LOCKOUT-A插件 (6)3.4.2 LOCKOUT-B插件 (9)3.5重动继电器插件 (10)3.6双跳圈操作回路插件 (11)3.7电压并列插件 (14)4. 装置的配置与结构 (15)4.1装置配置 (15)4.1.1 CJX-01操作箱配置 (15)4.1.2 CJX-02操作箱配置 (16)4.1.3 CJX-03操作箱配置 (17)4.1.4 CJX-04操作箱配置 (17)4.1.5 CJX-11操作箱配置 (18)4.1.6 CJX-21操作箱配置 (19)4.2结构与安装 (20)1. 装置的应用范围及特点CJX系列操作箱用于为保护装置提供各种扩展继电器插件,按不同的插件配置分为CJX-01、CJX-02、CJX-03、CJX-04、CJX-11和CJX-21六种装置型号。
装置为4U一层机箱,结构为模件组合式,背板出线采用接插连接方式,具有体积小,安全性高,使用灵活方便等特点。
装置采用了进口全密封、高阻抗、小功耗继电器,大大降低了功耗和发热并改善了防潮等性能,从而提高了装置的安全性。
装置由于能提供较多的备用继电器,因此在使用时非常灵活。
2. 装置的技术数据额定直流电压:110V,220V 允许偏差:+15%,-20%跳合闸回路自保持电流:0.5A~4A自适应正常工作温度:0 ~ 40℃极限工作温度:-10℃~+50℃绝缘耐压标准:满足部标DL478抗干扰性能:符合国标GB61623. 装置的构成与原理CJX系列装置为插件组合式,各插件相互独立。
执行标准:GB3836-20218739-1998Q/JDD017-2021QJGZ系列矿用隔爆兼本质平安型高压真空电磁起动器使用说明书济源市东电电器**公司目录1概述01.1 产品特点01.2 主要用途及使用围01.3 型号的组成及其代表意义01.4 使用环境条件11.5 执行标准12平安本卷须知13构造特征与工作原理13.1 构造特征13.2 工作原理24技术特性24.1 主要参数24.2 主要性能45尺寸、重量45.1 外形尺寸45.2 重量56安装、调试57使用、操作67.1 送电程序67.2 停电程序68故障分析与排除69保养、维修710运输、储存711开箱及检查712订货须知713主要元器件714原理图和布线图8!安装前请仔细阅读"使用说明书"。
1 概述1.1 产品特点本起动器配用的DD-GPZB型高压配电装置用综合保护器,具有RS485本安通讯接口,可对高压起动器进展监测、监控,实现遥测、遥控、遥调,实现网络通讯和煤矿高压供电的现代化管理。
1.2 主要用途及使用围本起动器主要用于具有瓦斯和煤尘爆炸危险的煤矿井下,用于三相交流中性点不直接地的供电系统,额定电压至10kv,额定频率为50Hz,额定电流≤630A的系统中作为直接起动高压电机和其它高压设备之用,并可对其进展保护和监控。
1.3 型号的组成及其代表意义Q J G Z -□/ 10(6)额定电压(单位:kV)额定电流(单位:A)真空高压隔爆兼本质平安型电磁起动器防爆型式:矿用隔爆兼本质平安型防爆标志:E*d[ib]I Mb1.4 使用环境条件a〕安装地点的海拔高度不超过1000m;b〕周围环境温度为-5℃~+40℃;c〕相对湿度不大于95%〔+25℃〕;d〕有甲烷爆炸性危险的气体混合物和煤尘的场所;e〕无破坏金属和绝缘材料的腐蚀性气体的地方;f〕安装倾斜度不超过15o;g〕环境污染等级为3级;h〕安装类别为Ⅲ类.1.5 执行标准GB3836-2021 爆炸性环境;8739-1998 矿用隔爆型高压配电装置;2 平安本卷须知2.1 严禁带电开盖!注意保护隔爆面!在维修时必须断上级电源!同时严禁带电检修!2.2 严禁带电拔插综合保护装置,以免损坏电路!2.3 严禁非专业人员拆装产品;严禁随意改装产品构造和零部件!2.4 外壳必须可靠接地。
地磅原理及基础知识<点击复制本贴地址,推荐给朋友>地磅按秤体结构可分为:U型钢地磅、槽钢地磅、工字钢地磅、钢筋混凝土地磅;按传感器可分为数字式地磅、模拟式地磅、全地磅;汽车衡俗称地磅。
地磅按传感器输出信号分类可分为模拟式地磅和数字式地磅;按称量方式分为静态汽车衡和动态汽车衡(地磅);按安装方式可分为地上衡和地中衡;按秤台结构分为钢结构台面和混凝土台面;按使用环境状况可分为防爆地磅和非防爆地磅;按地磅的自动化程度可分为非自动地磅和自动地磅。
他们的基本配置是一样的。
都需要传感器、接线盒、打印机、称重仪表,现如今的地磅可以配上电脑和称重软件。
地磅英文为:scale,所以在行业内就有:SCS系列之称; 常用规格有:宽3~3.4 长有6~24,称重范围30T~200T,有的厂家可以生产到250T 地磅标准配置主要由承重传力机构(秤体)、高精度称重传感器、称重显示仪表三大主件组成,由此即可完成地磅基本的称重功能,也可根据不同用户的要求,选配打印机、大屏幕显示器、称重管理软件系统以完成更高层次的数据管理及传输的需要。
承重和传力机构——将物体的重量传递给称重传感器的机械平台,常见有钢结构及钢混结构二种型式。
高精度称重传感器——是地磅的核心部件,起着将重量值转换成对应的可测电信号的作用,它的优劣性直接关系到整台衡器的品质。
称重显示仪表——用于测量传感器传输的电信号,再通过专用软件处理显示重量读数,并可将数据进一步传递至打印机、大屏幕显示器、电脑管理系统。
打印机:用于打印重量数据表单大屏幕:用于远距离读数称重管理软件-系统:用于重量数据的进一步处理、储存、传输等。
不同厂家的地磅,强调的参数和侧重点不一样,不过大致一样,下面以科杰衡器厂的为例数字式地磅的特点:数字式地磅解决传输信号弱及干扰问题--数字化通讯1.模拟式传感器的输出信号最大一般在数十毫伏,在电缆传输这些弱信号过程中,很容易受到干扰,从而造成系统工作不稳定或计量准确性降低。
KL—J系列调激励电压接线盒使用说明书
安装、调试
1、开箱检查
请先检查一下包装内各部件是否完整。
包装盒内应包括下列部件:
●接线盒1只
●使用说明书1份
若缺少部件或部件损坏,请立即与本公司联系。
2、安装
将接线盒固定在秤体的合适位置。
打开接线盒上盖,将传感器电缆线和仪表信号电缆从接线盒相应的接口穿入,按下图4.2-
1所给的接线图(以四线为例)将所有的电缆接好,完成后将所有的螺母拧紧,不用的接口用密封橡胶垫片或橡皮泥堵住,同时拧紧螺母。
接线图(以四线为例)
图4.2-1
RR1、RR2:对应调节传感器1#注意:1、对于使用不同数量传感器的衡器,其传感器标号可RR3、RR4:对应调节传感器2#能不一样,接线时,请参阅衡器的接线图。
RR5、RR6:对应调节传感器3#2、凡标注EXE或EXC均指激励电压,视生产厂家而别。
RR7、RR8:对应调节传感器4#
3、调试(调整角差前应用接近满量程的重车反复上秤几遍)
在电子衡器安装调试中,要对秤体上安装称重传感器的四点(或以上)进行偏载测试。
通过在秤的四角位置上(实际上是安装称重传感器位置的正上方)放置1/3的额定载荷,记录各角的最大值和最小值,而后相加取平均值。
仪表显示示值误差在3个分度值以内时,就可通过接线盒上电位器来调整至允差范围内,每个传感器激励电源正、负端各串有一只电位器,出厂时电位器阻值调至中间值,调其中任何一个电位器都能达到调试效果,一般一个电位器调整1/2的差值,另一个电位器调整另外的差值,重复调整后最终使各偏载点误差至允差范围内。
(注:偏载示值误差调整至允差范围内后,秤台需重新标定才可保证计量特性)
4、接线盒调中
接线盒出厂时都处于中间位置,一台新安装的衡器调试四角误差时,由于基础每个承载点不平衡,调
角时往往造成时间上的浪费,接线盒居中位置错乱。
下面介绍的是接线盒调平的方法:
工具:四位半万用表、一字小螺丝刀。
KL-J调激励型:(参考图4.2-1接线图)
1)表调至200Ω档,一支表笔接在J1总线+EXE端,另一支表笔依次接在每一个传感器分路的+EXE端,调节每一个相对应得电位器使万用表显示10Ω,调试完所有对应的电位器。
2)用表调至200Ω档,一支表笔接在J1总线-EXE端,另一支表笔依次接在每一个传感器分路的-
EXE端,调节每一个相对应得电位器使万用表显示10Ω,调试完所有对应的电位器。