有限元方法及CAE软件应用考试题型
- 格式:doc
- 大小:136.00 KB
- 文档页数:7
有限单元法考试题及答案一、单项选择题(每题2分,共10分)1. 有限元法中,单元刚度矩阵的计算是基于()。
A. 位移法B. 势能原理C. 能量守恒定律D. 牛顿第二定律答案:B2. 在有限元分析中,以下哪项不是网格划分时需要考虑的因素?()A. 网格数量B. 网格形状C. 材料属性D. 边界条件答案:C3. 有限元分析中,以下哪项不是结构分析的基本步骤?()A. 离散化B. 求解C. 后处理D. 优化设计答案:D4. 在有限元分析中,以下哪种类型的单元不适用于平面应力问题?()A. 三角形单元B. 四边形单元C. 六面体单元D. 楔形单元答案:C5. 有限元分析中,以下哪种边界条件不属于几何边界条件?()A. 固定支座B. 压力C. 温度D. 位移答案:C二、多项选择题(每题3分,共15分)6. 有限元法中,以下哪些因素会影响单元的精度?()A. 单元形状B. 单元数量C. 材料属性D. 网格划分答案:ABD7. 在有限元分析中,以下哪些是常见的数值积分方法?()A. 一阶积分B. 二阶积分C. 高斯积分D. 牛顿-莱布尼茨积分答案:ABC8. 有限元分析中,以下哪些是常见的单元类型?()A. 线性单元B. 二次单元C. 三次单元D. 非线性单元答案:ABCD9. 在有限元分析中,以下哪些是常见的后处理技术?()A. 应力云图B. 位移云图C. 模态分析D. 热分析答案:ABC10. 有限元分析中,以下哪些是常见的非线性问题?()A. 几何非线性B. 材料非线性C. 接触非线性D. 热应力问题答案:ABCD三、填空题(每题2分,共20分)11. 有限元法中,单元刚度矩阵的计算通常基于___________原理。
答案:势能12. 在有限元分析中,网格划分的目的是将连续的___________离散化为有限数量的单元。
答案:域13. 有限元分析中,___________是将实际问题转化为数学问题的关键步骤。
1. 数学:偏微分方程变换成代数方程进行求解2. 力学:连续体划分成小单元体,各单元节点间相连接并建立力平衡关系.3. 有限元模型:有限元模型是真实系统理想化的数学抽象.由一些简单形状的单元组成,单元之间通过节点连接,并承受一定载荷.4. 有限元法:是以力学理论为基础,随着力学\数学和计算机科学相结合而发展起来的一种数值计算方法.5. 传统结构设计流程:设计----建模----测试---再设计.(1)作很大简化,计算精度差;(2)结构尺寸与重量偏大;(3)结构局部强度或刚度不足;(4)设计周期长,试制费用高6. 现代产品设计: Design(CAD)----VirtualTest(CAE)---Build---Test---Redesign。
有限元法是CAE 的核心部分7. 汽车结构有限元分析的内容:(1)零部件及整车的疲劳分析,估计产品的寿命,分析部件损坏的原因;(2)结构件、零部件的强度、刚度和稳定性分析(3)结构件模态分析、瞬态分析、谐响应分析和响应谱分析;(4)车身内的声学设计,车身结构模态与车身内声模态耦合;(5)汽车碰撞历程仿真和乘员安全保护分析(被动安全性);(6)结构件、零部件的优化设计(质量或体积为目标函数);(7)车身空气动力学计算,解决高速行驶中的升力、阻力和湍流问题8. 汽车结构有限元分析的流程:(1)制定方案;(2)建立结构模型;(3)划分有限元模型;(4)有限元模型检查;(5)加载和增加约束条件;(6)求解计算;(7)结果分析。
P99. 模态分析:固有频率和振型,从数学上讲,固有频率就是系统矩阵的特征值,振型就是该特征值所对应的特征向量。
10.谐响应分析:确定结构对已知幅值和频率的正弦载荷的响应。
11.瞬态动力学分析:确定结构对随时间变化载荷的响应。
12.单元:用于离散结构的杆、梁、三角形、四边形、四面体、六面体等。
节点:单元与单元之间的连接点。
具有一定自由度和存在相互物理作用。
有限元库题2021有限元试题(2021)问答题1、简述有限元的基本思想及其基本步骤。
2、有限元分析在汽车结构上的应用主要体现哪些方面?3、阐述汽车结构有限元分析的内容。
4、阐述汽车结构有限元分析的流程。
5、有限元分析的基本流程是什么?6、什么是平面问题?有哪些类型及各种类型特点?7、在分析平面问题划分单元时,应注意什么?8、在进行有限元分析时,位移函数应满足哪些条件? 9、在进行有限元分析时,单元刚度矩阵具有哪些性质? 10、在进行有限元分析时,总刚度矩阵具有哪些性质?11、根据平问题有限元法基本理论,其主要分析步骤有哪些? 12、什么杆系结构?杆系单元有哪些特点?13、在小挠度弹性薄板变曲理论中,有哪些基本假设? 14、什么是结构动力问题?有哪些类型?15、在选择有限元分析软件时,应考虑哪些因素?16、从解决工程实际问题的角度来看,结构强度分析的内容有哪些? 17、有限元分析的数据前处理工作包括哪些方面?18、在使用有限元软件时,划分网格时应注意哪些问题? 19、什么绝对位移约束?其包括几种类型? 20、什么是自由度耦合?其有哪些用途? 21、简述有限元分析的数据后理处过程。
22、在进行有限元分析时,选择建立汽车有限元计算模型要考虑哪些问题?23、在汽车结构分析时,制定分析方案的主要步骤有哪些? 24、简述使用ANSYS 软件进行有限元分析的基本流程。
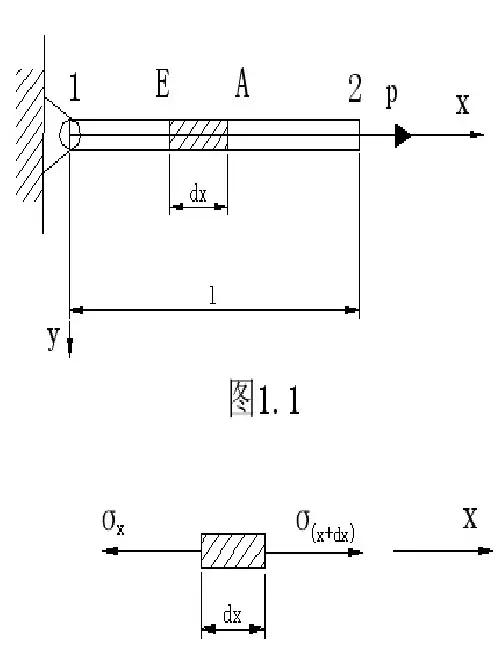
25、ANSYS软件的前处理主要完成有限元分析中的哪些内容? 26、ANSYS软件的后处理主要完成有限元分析中的哪些内容? 27、ANSYS软件在进行网格划分时应注意哪些问题?计算题1、如下图所示1D杆结构,设杆截面积为A,弹性模量为E,应用取微单元体的方法推导基本方程和边界条件。
2、设平面问题中的应力为?x?a1?a2x?a3y?y?a4?a5x?a6y ?xy?a7?a8x?a9y其中ai?i?1.2?9?为常数,设所有体积力为零,证明下列条件是否满足平衡?并求出满足平衡条件时ai之间关系。
山东科技大学2012—2013学年第一学期《有限元方法》考试试卷(A卷)班级姓名学号一、选择题(每题1分,共10分)1、弹性力学与材料力学的主要不同之处在于C。
A. 任务;B. 研究对象;C. 研究方法;D. 基本假设。
σ是 C 。
2、在轴对称问题中,径向应力分量rA. 恒为零;B. 与r无关;C. 与θ无关;D. 恒为常数。
3、利用ANSYS进行结构分析时,结果文件为。
A. jobname.rst;B. jobname.rth;C. jobname.rfl;D. jobname.rmg。
4、在ANSYS的单元库中,PLANE42单元属于。
A. 结构梁单元;B. 结构壳单元;C. 结构线单元;D. 结构实体单元。
5、在一个分析中,可能有多个材料特性组,ANSYS通过独特的来识别每个材料特性组。
A. 特性;B. 说明;C. 参考号;D.方法。
6、ANSYS与Pro/E的接口文件类型是。
A..x_t;B. .prt;C. .sat;D. .model。
7、载荷包括所有边界条件以及外部或内部作用效应,下列不属于ANSYS 载荷的是。
A. DOF约束;B. 力;C. 体载荷;D.应力。
8、要求面或者体有规则的形状,即必须满足一定的准则。
A.自由网格;B. 映射网格;C. Sweep分网;D. 其他。
9、独立于有限元网格,即可以改变单元网格而不影响施加的载荷。
A.阶跃载荷;B. 有限元模型载荷;C. 实体模型载荷;D. 斜坡载荷。
10、有限元法首先求出的解是,单元应力和应变可由它求得。
A.节点坐标;B.节点自由度;C. 节点载荷;D. 节点位移。
二、填空题(每空1分,共20分)1、在整个有限元分析的过程中,是分析的基础。
2、平面应力问题与薄板弯曲问题的弹性体几何形状都是,但前者受力特点是,变形发生在板面内;后者受力特点是的力的作用,板将变成有弯有扭的曲面。
3、典型的ANSYS文件包括、、。
4、平面应力问题与平面应变问题都具有个独立的应力分量,个独立的应变分量,但对应的弹性体几何形状前者为,后者为。
有限元复习一、选择题(每题1分,共10分)二、判断题(每空1分,共10分)三、填空题(每空1分,共10分)三、简答题(共44分)共6题四、综述题(共26分)两题一.基本概念1.平面应力/平面应变问题;空间问题/轴对称问题;杆梁问题;线性与非线性问题平面应力问题(1)均匀薄板(2)载荷平行于板面且沿厚度方向均匀分布在六个应力分量中,只需要研究剩下的平行于XOY平面的三个应力分量,即O、O、T =T (Q = 0, T =T = 0, T =T = 0)。
一般°Z=0,e z并不一定等于零,但可由\及°y求得,在分析问题时不必考虑。
于是只需要考虑8 J 8 J Ly三个应变分量即可。
平面应变问题(1)纵向很长,且横截面沿纵向不变。
(2)载荷平行于横截面且沿纵向均匀分布8z =Yyz="x= 0只剩下三个应变分量8X、8 y、L y。
也只需要考虑°J °y、T xy三个应力分量即可轴对称问题物体的几何形状、约束情况及所受外力都对称于空间的某一根轴。
轴对称单元的特点(与平面三角形单元的区别):轴对称单元为圆环体,单元与单元间为节圆相连接;节点力与节点载荷是施加于节圆上的均布力;单元边界是一回转面;应变不是常量。
在轴对称问题中,周向应变分量卫是与二有关。
板壳问题一个方向的尺寸比另外两个方向尺寸小很多,且能承受弯矩的结构称为板壳结构,并把平分板壳结构上下表面的面称为中面。
如果中面是平面或平面组成的折平面,则称为平板;反之,中面为曲面的称为壳。
杆梁问题杆梁结构是指长度远大于其横断面尺寸的构件组成的系统。
在结构力学中常将承受轴力或扭矩的杆件称为杆,而将承受横向力和弯矩的杆件称为梁。
平面(应力应变)问题与板壳问题的区别与联系平面应力问题是指很薄的等厚度薄板,只在板边上受有平行于板面并且不沿厚度变化的面力,同时,体力也平行于板面并且不沿厚度变化。
而平面应变问题是指很长的柱形体,在柱面上受有平行于横截面并且不沿长度变化的面力,同时体力也平行于横截面并且不沿长度变化。
一.是非题(认为该题正确,在括号中打√;该题错误,在括号中打×。
)(每小题2分) (1)用加权余量法求解微分方程,其权函数V和场函数u的选择没有任何限制。
()(2)四结点四边形等参单元的位移插值函数是坐标x、y的一次函数。
()(3)在三角形单元中,其面积坐标的值与三结点三角形单元的结点形函数值相等。
()(4)二维弹性力学问题的有限元法求解,其收敛准则要求试探位移函数C1连续。
()(5)有限元位移法求得的应力结果通常比应变结果精度低。
()(6)等参单元中Jacobi行列式的值不能等于零。
()(7)在位移型有限元中,单元交界面上的应力是严格满足平衡条件的。
()(8)四边形单元的Jacobi行列式是常数。
()(9)利用高斯点的应力进行应力精度的改善时,可以采用与位移插值函数不同结点的形函数进行应力插值。
()(10)一维变带宽存储通常比二维等带宽存储更节省存储量。
()二.单项选择题(共20分,每小题2分)1 在加权余量法中,若简单地利用近似解的试探函数序列作为权函数,这类方法称为________________。
(A)配点法(B)子域法(C)伽辽金法2 等参变换是指单元坐标变换和函数插值采用______的结点和______的插值函数。
(A)不相同,不相同(B)相同,相同(C)相同,不相同(D)不相同,相同3 有限元位移模式中,广义坐标的个数应与___________相等。
(A)单元结点个数(B)单元结点自由度数(C)场变量个数4 采用位移元计算得到应力近似解与精确解相比较,一般___________。
(A)近似解总小于精确解(B)近似解总大于精确解(C)近似解在精确解上下震荡(D)没有规律5 如果出现在泛函中场函数的最高阶导数是m阶,单元的完备性是指试探函数必须至少是______完全多项式。
(A)m-1次(B)m次(C)2m-1次6 与高斯消去法相比,高斯约当消去法将系数矩阵化成了_________形式,因此,不用进行回代计算。
e an dAl l t h i ng si nt he i rb ei n ga re go o2. 如图2所示,有一正方形薄板,沿对角承受压力作用,厚度t=1m ,载荷F=20KN/m ,设泊松比µ=0,材料的弹性模量为E ,试求它的应力分布。
(15分)图23. 图示结点三角形单元的124边作用有均布侧压力q ,单元厚度为t ,求单元的等效结点荷载。
图3图1一、简答题1. 答:1)合理安排单元网格的疏密分布2)为突出重要部位的单元二次划分3)划分单元的个数4)单元形状的合理性5)不同材料界面处及荷载突变点、支承点的单元划分6)曲线边界的处理,应尽可能减小几何误差7)充分利用结构及载荷的对称性,以减少计算量2. 答:形函数应满足的三个条件:a.必须能反映单元的刚体位移,就是位移模式应反映与本单元形变无关的由其它单元形变所引起的位移。
b.能反映单元的常量应变,所谓常量应变,就是与坐标位置无关,单元内所有点都具有相同的应变。
当单元尺寸取小时,则单元中各点的应变趋于相等,也就是单元的形变趋于均匀,因而常量应变就成为应变的主要部分。
c.尽可能反映位移连续性;尽可能反映单元之间位移的连续性,即相邻单元位移协调。
3. 答:含义:所谓的等参数单元,就是在确定单元形状的插值函数和确定单元位移场的插值函数中采用了完全相同的形函数。
意义:构造出一些曲边地高精度单元,以便在给定地精度下,用数目较少地单元,解决工程实际地具体问题。
4. 答:有限单元法是基于变分原理的里兹(Ritz)法的另一种形式,从而使里兹法分析的所有理论基础都适用子有限单元法,确认了有限单元法是处理连续介质问题的一种普遍方法.利用变分原理建立有限元方程和经典里兹法的主要区别是有限单元法假设的近似函数不是在全求解域而是在单元上规定的,面且事先不要求满足任何边界条件,因此它可以用来处理很复杂的连续介质问题。
有nl⎥⎦⎤⎢⎣⎡5.0025.025.011212---==E k k ⎥⎦⎤⎢⎣⎡5.0025.0011313-==E k k ⎥⎦⎤⎢⎣⎡=⎥⎦⎤⎢⎣⎡+⎥⎦⎤⎢⎣⎡⎥⎦⎤⎢⎣⎡5.125.025.05.125.0005.05.00025.075.025.025.075.032222212222E E E E k k k k +=++=⎥⎦⎤⎢⎣⎡----=⎥⎦⎤⎢⎣⎡---+⎥⎦⎤⎢⎣⎡---5.025.025.0125.025.005.025.0025.05.032312323E E E k k k =+=⎥⎦⎤⎢⎣⎡---5.0025.025.022424E k k ==⎥⎦⎤⎢⎣⎡=⎥⎦⎤⎢⎣⎡+⎥⎦⎤⎢⎣⎡025.025.00025.0000025.0032522525E E E k k k =+=⎥⎦⎤⎢⎣⎡=⎥⎦⎤⎢⎣⎡+⎥⎦⎤⎢⎣⎡+⎥⎦⎤⎢⎣⎡5.125.025.05.15.00025.075.025.025.075.025.0005.043333313333E E E E k k k k =++=⎥⎦⎤⎢⎣⎡----=⎥⎦⎤⎢⎣⎡---+⎥⎦⎤⎢⎣⎡---125.025.05.05.0025.025.05.025.0025.043533535E E E k k k =+=⎥⎦⎤⎢⎣⎡0025.0043636E k k ==⎥⎦⎤⎢⎣⎡75.025.025.075.024444E k k ==⎥⎦⎤⎢⎣⎡---25.0025.05.024545E k k == ⎥⎦⎤⎢⎣⎡=⎥⎦⎤⎢⎣⎡+⎥⎦⎤⎢⎣⎡+⎥⎦⎤⎢⎣⎡5.125.025.05.175.025.025.075.05.00025.025.0005.045535525555E E E E k k k k =++=⎥⎦⎤⎢⎣⎡---25.0025.05.045656E k k ==⎥⎦⎤⎢⎣⎡25.0005.046666E k k ==把上面计算出的,…,对号入座放到总刚矩阵中去,于是得到11k 66k []K的具体表达式。
机械《有限元方法》考试试卷(A卷)班级: 姓名: 学号:题号一二三四总得分评卷人得分一、填空题(每空1分,共20分)1、在整个有限元分析的过程中,是分析的基础。
2、平面应力问题与薄板弯曲问题的弹性体几何形状都是,但前者受力特点是,变形发生在板面内;后者受力特点是的力的作用,板将变成有弯有扭的曲面。
3、典型的ANSYS文件包括、、。
4、平面应力问题与平面应变问题都具有个独立的应力分量,个独立的应变分量,但对应的弹性体几何形状前者为,后者为。
5、ANSYS软件提供了两种工作方式,即和。
6、对于用户创建的局部坐标系,其坐标系号必须是。
7、网格划分时,可以采用或者对模型进行划分网格,生成有限元模型。
8、是图形在不同的CAD和CAE系统间进行交换时普遍接受的一种中间标准格式。
9、在固体力学的有限元分析中,是最简单的三维有限元单元。
10、ANSYS向用户提供了两种后处理工具查看计算结果:和。
二、选择题(每题1分,共10分)1、在ANSYS的单元库中,PLANE42单元属于。
A.结构梁单元;B.结构壳单元;C.结构线单元;D.结构实体单元。
2、在一个分析中,可能有多个材料特性组,ANSYS通过独特的来识别每个材料特性组。
A.特性;B.说明;C.参考号;D.方法。
3、ANSYS与Pro/E的接口文件类型是。
A..x_t;B..prt;C..sat;D..model。
4、弹性力学与材料力学的主要不同之处在于C。
A.任务;B.研究对象;C.研究方法;D.基本假设。
σ是C。
5、在轴对称问题中,径向应力分量rA.恒为零;B.与r无关;C.与θ无关;D.恒为常数。
6、利用ANSYS进行结构分析时,结果文件为。
A.jobname.rst;B.jobname.rth;C.jobname.rfl;D.jobname.rmg。
7、载荷包括所有边界条件以及外部或内部作用效应,下列不属于ANSYS 载荷的是。
A.DOF约束;B.力;C.体载荷;D.应力。
有限元法基础试题(A )一、填空题(5×2分) 1.1单元刚度矩阵eT k B DBd Ω=Ω⎰中,矩阵B 为__________,矩阵D 为___________。
1.2边界条件通常有两类。
通常发生在位置完全固定不能转动的情况为_______边界,具体指定有限的非零值位移的情况,如支撑的下沉,称为_______边界。
1.3内部微元体上外力总虚功:()(),,,,e x x xy y bx xy x y y by d W F u F v dxdy δστδτσδ⎡⎤=+++++⎣⎦+(),,,,x x y y xy y x u v u u dxdy σδσδτδδ⎡⎤+++⎣⎦的表达式中,第一项为____________________的虚功,第二项为____________________的虚功。
1.4弹簧单元的位移函数1N +2N =_________。
1.5 ij k 数学表达式:令j d =_____,k d =_____,k j ≠,则力i ij F k =。
二、判断题(5×2分)2.1位移函数的假设合理与否将直接影响到有限元分析的计算精度、效率和可靠性。
( ) 2.2变形体虚功原理适用于一切结构(一维杆系、二维板、三位块体)、适用于任何力学行为的材料(线性和非线性),是变形体力学的普遍原理。
( ) 2.3变形体虚功原理要求力系平衡,要求虚位移协调,是在“平衡、协调”前提下功的恒等关系。
( ) 2.4常应变三角单元中变形矩阵是x 或y 的函数。
( ) 2.5 对称单元中变形矩阵是x 或y 的函数。
( ) 三、简答题(26分)3.1列举有限元法的优点。
(8分)3.2写出有限单元法的分析过程。
(8分)3.3列出3种普通的有限元单元类型。
(6分)3.4简要阐述变形体虚位移原理。
(4分)四、计算题(54分)4.1对于下图所示的弹簧组合,单元①的弹簧常数为10000N/m ,单元②的弹簧常数为20000N/m ,单元③的弹簧常数为10000N/m ,确定各节点位移、反力以及单元②的单元力。
南京理工大学机械工程学院研究生研究型课程考试题目及要求课程名称:有限元方法理论及应用考试形式:□专题研究报告□论文□大作业□√综合考试考试题目:“有限元方法理论及应用”理论研讨及上机实验试题及要求:一、课程论文:弹性力学有限元位移法原理(30分)撰写一篇论文,对有限元位移法的原理作一般性概括和论述。
要求论文论及但不限于下列内容:1)弹性力学有限元位移法的基本思想和数学、力学基础;2)有限元法求解的原理和过程,推导计算列式;对基本概念和矩阵符号进行解释和讨论;3)等参单元的概念、原理和应用。
⎥⎥⎥⎥⎥⎥⎥⎥⎦⎤⎢⎢⎢⎢⎢⎢⎢⎢⎣⎡---------+----+---------λγγγγγγγγγγγγγγγγγγγγγ101101022220123121121321022220101101二、分析与计算(40分)1、图示两个结构和单元相似,单元方位相同的平面应力有限元模型,两模型的单元厚度和材料相同。
两个模型右端单元边上受均匀剪切面力。
对于下列2种情况,试根据有限元法和力学有关知识来分析论证两个模型求解后对应节点(节点1)的位移值和对应单元的应力值之间的关系:1)两个模型面力的合力相等;2)两个模型面力值相等。
(10分)对于(a )(b)刚度矩阵相等==)3()1(][][K K[]]][[][][)3(0000b 21)2(111111121)1(e B D B V K b c b c b c c c c b b A B x x c y y b y x y x y x A T m m j j i i m jim j i mji m j i mmj j ii=⎥⎥⎥⎦⎤⎢⎢⎢⎣⎡=-=-==:平面应力单元刚度矩阵应变矩阵解:21γ-Et结构总的刚度矩阵的组集:(5)外部载荷与约束力:对于第一种情况;(a )],,,,0,0,0,0,10,0,10,0[][6655Y X Y X R R R R Pt Pt N T--=(b) ],,,,0,0,0,0,10,0,10,0[][6655Y X Y X R R R R Pt Pt N T--=对于第二钟情况:(a) ],,,,0,0,0,0,10,0,10,0[][6655Y X Y X R R R R Pt Pt N T--=(b) ],,,,0,0,0,0,5,0,5,0[][6655Y X Y X R R R R Pt Pt N T--= (6)位移矩阵:有约束条件可知:(7)根据最小势能原理:][]][[N a K = 进行求解(8)位移和应力值的关系:]][][[][a B D =σ )()(][2][a b B B = 对于第一种情况:节点1的位移:Tb T a v u v u )(1,1)(1,1][][=⎥⎥⎥⎥⎥⎥⎥⎥⎦⎤⎢⎢⎢⎢⎢⎢⎢⎢⎣⎡-----------------+----+--==2002220110110110112002222112312112131][][2)4()2(γγγγγγγγγγγγγγγγγγγγγγγEt K K ⎥⎥⎥⎥⎥⎥⎥⎥⎥⎥⎥⎥⎥⎥⎥⎥⎥⎦⎤⎢⎢⎢⎢⎢⎢⎢⎢⎢⎢⎢⎢⎢⎢⎢⎢⎢⎣⎡-----+-----+---+----+------+-----+--+------++------+--+-----+------+----+---+-----+------==γγγγγλγγγγγγγγγγγγγγγγγγγγγγγγγγγγγγγγγγγλγγγγγγγγγγγγγγγγγγγγγγγγγγγγγ3022110100000311********21310012000021130012000012026141110112001261222210011141261001210221221260012000120031210000120013210000011122300000102211031][][2)()(Et K K b a ],,,,,,,,,,,[][665544332211v u v u v u v u v u v u a T =0,0,0,06655====v u v u单元(1)的应力值:)()(][2][a b σσ= 对于第二种情况:节点1的位移:Tb T a v u v u )(1,1)(1,1][2][= 单元(1)的应力值: )()(][][a b σσ=2、证明3节点三角形单元满足协调性条件(相邻单元之间位移连续)。
江西理工大学研究生考试试卷一、 简答题(共40分,每题10分)1. 论述单元划分应遵循的原则。
2. 说明形函数应满足的条件。
3. 说明四边形等参数单元中“等参数”的含义,即为什么要引入等参数单元。
4. 阐述边界元法的主要优缺点。
二、 计算题(共60分,每题20分)1. 一杆件如图3所示,杆件上方固定后,在下方受垂直向下的集中力作用,已知:杆件材料的杨氏模量2721/100.3in lbf E E ⨯==,截面积2125.5in A =,2275.3in A =,长度in L L 1221==,集中力lbf P 100=,用有限元方法求解B 点和C 点位移。
备注:(1)1 lbf (磅力,libra force ) = 4.45 N 。
(2)杨氏模量、弹性模量、Young 氏弹性模量具有相同含义(10分)20__12__—20__13__ 学年 第___一___学期 课程名称:_____有限元及数值模拟________ 考试时间:___2012___ 年__11__月___3___日考试性质(正考、补考或其它):[ 正考 ] 考试方式(开卷、闭卷):[ 开卷 ] 试卷类别(A 、B):[ A ] 共 九 大题温 馨 提 示请考生自觉遵守考试纪律,争做文明诚信的大学生。
如有违犯考试纪律,将严格按照《江西理工大学学生违纪处分规定》(试行)处理。
学院 专业 学号 姓名 题号 一二三四五六七八九十十一十二总 分得分pyA1A2L1L2图12. 如图2所示,有一正方形薄板,沿对角承受压力作用,厚度t=1m,载荷F=20KN/m,设泊松比µ=0,材料的弹性模量为E,试求它的应力分布。
(15分)图23. 图示结点三角形单元的124边作用有均布侧压力q,单元厚度为t,求单元的等效结点荷载。
图3一、简答题1. 答:1)合理安排单元网格的疏密分布2)为突出重要部位的单元二次划分3)划分单元的个数4)单元形状的合理性5)不同材料界面处及荷载突变点、支承点的单元划分6)曲线边界的处理,应尽可能减小几何误差7)充分利用结构及载荷的对称性,以减少计算量2. 答:形函数应满足的三个条件:a.必须能反映单元的刚体位移,就是位移模式应反映与本单元形变无关的由其它单元形变所引起的位移。
一 、20分)(×)1. 节点的位置依赖于形态,而并不依赖于载荷的位置(√)2. 对于高压电线的铁塔那样的框架结构的模型化处理使用梁单元 (×)3. 不能把梁单元、壳单元和实体单元混合在一起作成模型 (√)4. 四边形的平面单元尽可能作成接近正方形形状的单元(×)5. 平面应变单元也好,平面应力单元也好,如果以单位厚来作模型化处理的话会得到一样的答案(×)6. 用有限元法不可以对运动的物体的结构进行静力分析 (√)7. 一般应力变化大的地方单元尺寸要划的小才好(×)8. 所谓全约束只要将位移自由度约束住,而不必约束转动自由度 (√)9. 同一载荷作用下的结构,所给材料的弹性模量越大则变形值越小 (√)10一维变带宽存储通常比二维等带宽存储更节省存储量。
二、填空(20分)1.平面应力问题与薄板弯曲问题的弹性体几何形状都是 薄板 ,但前者受力特点是: 平行于板面且沿厚度均布载荷作用 ,变形发生在板面内;后者受力特点是: 垂直于板面 的力的作用,板将变成有弯有扭的曲面。
2.平面应力问题与平面应变问题都具有三个独立的应力分量: σx ,σy ,τxy ,三个独立的应变分量:εx ,εy ,γxy ,但对应的弹性体几何形状前者为 薄板 ,后者为 长柱体 。
3.位移模式需反映 刚体位移 ,反映 常变形 ,满足 单元边界上位移连续 。
4.单元刚度矩阵的特点有:对称性 , 奇异性 ,还可按节点分块。
5.轴对称问题单元形状为:三角形或四边形截面的空间环形单元 ,由于轴对称的特性,任意一点变形只发生在子午面上,因此可以作为 二 维问题处理。
6.等参数单元指的是:描述位移和描述坐标采用相同的形函数形式。
等参数单元优点是:可以采用高阶次位移模式,能够模拟复杂几何边界,方便单元刚度矩阵和等效节点载荷的积分运算。
7.有限单元法首先求出的解是 节点位移 ,单元应力可由它求得,其计算公式为{}{}[][]eD B σδ=。
一 、20分)(×)1. 节点的位置依赖于形态,而并不依赖于载荷的位置(√)2. 对于高压电线的铁塔那样的框架结构的模型化处理使用梁单元(×)3. 不能把梁单元、壳单元和实体单元混合在一起作成模型(√)4. 四边形的平面单元尽可能作成接近正方形形状的单元(×)5. 平面应变单元也好,平面应力单元也好,如果以单位厚来作模型化处理的话会得到一样的答案(×)6. 用有限元法不可以对运动的物体的结构进行静力分析(√)7. 一般应力变化大的地方单元尺寸要划的小才好(×)8. 所谓全约束只要将位移自由度约束住,而不必约束转动自由度(√)9. 同一载荷作用下的结构,所给材料的弹性模量越大则变形值越小(√)10一维变带宽存储通常比二维等带宽存储更节省存储量。
二、填空(20分)1.平面应力问题与薄板弯曲问题的弹性体几何形状都是 薄板 ,但前者受力特点是: 平行于板面且沿厚度均布载荷作用 ,变形发生在板面内;后者受力特点是: 垂直于板面 的力的作用,板将变成有弯有扭的曲面。
2.平面应力问题与平面应变问题都具有三个独立的应力分量: σx ,σy ,τxy ,三个独立的应变分量:εx ,εy ,γxy ,但对应的弹性体几何形状前者为 薄板 ,后者为 长柱体 。
3.位移模式需反映 刚体位移 ,反映 常变形 ,满足 单元边界上位移连续 。
4.单元刚度矩阵的特点有:对称性 , 奇异性 ,还可按节点分块。
5.轴对称问题单元形状为:三角形或四边形截面的空间环形单元 ,由于轴对称的特性,任意一点变形只发生在子午面上,因此可以作为 二 维问题处理。
6.等参数单元指的是:描述位移和描述坐标采用相同的形函数形式。
等参数单元优点是:可以采用高阶次位移模式,能够模拟复杂几何边界,方便单元刚度矩阵和等效节点载荷的积分运算。
7.有限单元法首先求出的解是 节点位移 ,单元应力可由它求得,其计算公式为{}{}[][]eD B σδ=。
《有限元方法》考试试卷(A卷)一、选择题1、弹性力学与材料力学的主要不同之处在于。
A. 任务;B. 研究对象;C. 研究方法;D. 基本假设。
σ是。
2、在轴对称问题中,径向应力分量rA. 恒为零;B. 与r无关;C. 与θ无关;D. 恒为常数。
3、利用ANSYS进行结构分析时,结果文件为。
A. jobname.rst;B. jobname.rth;C. jobname.rfl;D. jobname.rmg。
4、在ANSYS的单元库中,PLANE42单元属于。
A. 结构梁单元;B. 结构壳单元;C. 结构线单元;D. 结构实体单元。
5、在一个分析中,可能有多个材料特性组,ANSYS通过独特的来识别每个材料特性组。
A. 特性;B. 说明;C. 参考号;D.方法。
6、ANSYS与Pro/E的接口文件类型是。
A..x_t;B. .prt;C. .sat;D. .model。
7、载荷包括所有边界条件以及外部或内部作用效应,下列不属于ANSYS 载荷的是。
A. DOF约束;B. 力;C. 体载荷;D.应力。
8、要求面或者体有规则的形状,即必须满足一定的准则。
A.自由网格;B. 映射网格;C. Sweep分网;D. 其他。
9、独立于有限元网格,即可以改变单元网格而不影响施加的载荷。
A.阶跃载荷B. 有限元模型载荷C. 实体模型载荷;D. 斜坡载荷。
10、有限元法首先求出的解是,单元应力和应变可由它求得。
A.节点坐标;B.节点自由度;C. 节点载荷;D. 节点位移。
二、填空题(每空1分,共20分)1、在整个有限元分析的过程中,是分析的基础。
2、平面应力问题与薄板弯曲问题的弹性体几何形状都是,但前者受力特点是,变形发生在板面内;后者受力特点是的力的作用,板将变成有弯有扭的曲面。
3、典型的ANSYS文件包括、、。
4、平面应力问题与平面应变问题都具有个独立的应力分量,个独立的应变分量,但对应的弹性体几何形状前者为,后者为。