产品过程流程图范例
- 格式:xls
- 大小:37.00 KB
- 文档页数:5
过程流程图标准范例
本文目的是通过以下范例让大家区分产品和过程的特殊特性,园君确实遇到很多将辅料或根本不是产品的构成零件的特性识别为目标产品的特殊特性,或者几乎将所
有特性识别为特殊特性,这样识别,还有“特殊”的意义吗?你可以全工序、全特性使
用控制图监控和分析,以及全检,模拟测试,路试,破坏性试验等严格的控制方法吗?如果做不到,就还是要认真识别出那些最重要的,涉及安全、配合、功能、性能等方面的特性。
另外,抛出个问题,生产我们产品的模具,其尺寸或材质是不是产品特性?或产品的特殊特性?
回答这个问题,就要看你制作的“过程流程图”或“特殊特性清单”的对象是什么,
如果顾客需要的产品是手机壳,而不是生产手机壳的模具,那么模具的尺寸或材质就不是产品(手机壳)的产品特性。
如果客户需要的就是模具,那么模具重要尺寸、材质肯定就是产品(模具)的特殊特性了。
有人说,就想把模具的特殊特性标识出来。
其实,完全可以再做一份专门模具的特殊特性清单、控制计划等,不一定非要和生产手机壳的FMEA、控制计划混在一起。
容易出错的根本原因就是做着做着就把分析的对象搞错了,导致识别的产品和过程特殊特性会非常多也非常混乱。
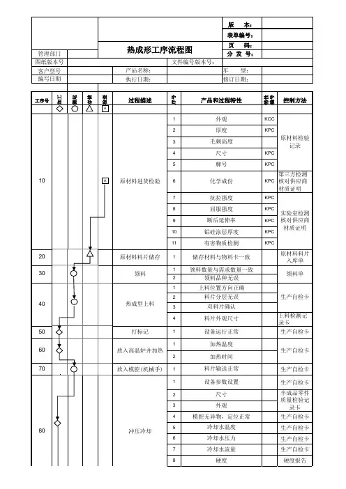
第 1 页,共 3 页(序号)(制造)(移动)(贮存)(检验)(项目号)(项目号)1毛坯入厂检验轴向尺寸,径向尺寸2用汽车专用盛具运至503厂产品加工毛坯堆放区外观搬运产品重量3铣端面打中心孔轴向尺寸,外圆尺寸,中心孔尺寸,各表面粗糙度,套车长度铣削参数、钻削参数(进给量、转速、吃刀量)4移动到下一工序辊式输送带速度5精车轴向尺寸,外圆尺寸,其余各部尺寸,各表面粗糙度,径向跳动车削参数(进给量、转速、吃刀量)6移动到下一工序辊式输送带速度7精车轴向尺寸,外圆尺寸,其余各部尺寸,各表面粗糙度,外圆及端面跳动车削参数(进给量、转速、吃刀量)8移动到下一工序辊式输送带速度9精车轴向尺寸,外圆尺寸,其余各部尺寸,各表面粗糙度车削参数(进给量、转速、吃刀量)10人工搬运到检验台11检验轴向尺寸,外圆尺寸,其余各部尺寸,各表面粗糙度,外圆和端面跳动,外观12人工搬运到下一工序13轧螺纹螺纹参数,表面粗糙度轧制参数(进给量、转速、吃刀量)14移动到下一工序辊式输送带速度15轧花键C 、D 花键跨棒距,齿形、齿向和累积公差,径向跳动,表面粗糙度滚轧参数(进给量、转速、吃刀量)16移动到下一工序辊式输送带速度17铣槽圆弧槽尺寸,外观,表面粗糙度铣削参数(进给量、转速、吃刀量)18人工搬运到下一工序19精车轴向尺寸,槽尺寸,其余各部尺寸,表面粗糙度,外观车削参数(进给量、转速、吃刀量)20人工搬运到下一工序21滚齿A 、B 齿轮跨棒距,齿形、齿向和累积公差,齿圈径向跳动,表面粗糙度,外观滚轧参数(进给量、转速、吃刀量)22人工搬运到下一工序23倒棱A 、B 齿轮渐开线尺寸,表面粗糙度,外观切削参数(进给量、转速、吃刀量)24移动到下一工序辊式输送带速度25剃A 齿A 齿轮跨棒距,径向跳动,表面粗糙度,齿形、齿向、齿距累积误差剃削参数(进给量、转速、吃刀量)26移动到下一工序辊式输送带速度27剃B 齿B 齿轮跨棒距,径向跳动,表面粗糙度,齿形、齿向、齿距累积误差剃削参数(进给量、转速、吃刀量)28人工搬运到检验台29检验外圆尺寸,轴向尺寸,槽和螺纹尺寸,其余各部尺寸,齿轮跨棒距,齿形、齿向、齿距累积误差,径向跳动,表面粗糙度(序号)(制造)(移动)(贮存)(检验)(项目号)(项目号)(序号)(制造)(移动)(贮存)(检验)(项目号)(项目号)第 3 页,共 3 页。
关于流程图图示是否有国际间认同定义,我也曾请教过一些专业人士,但似乎没有一致的定论。
以目前微软产品visio应用最多,当然国际上也有专业的smart draw,国内也有些产品,因此我的做法是基础图示如开始(六角菱型)、过程(四方型)、决策(菱型)、终止(隋园型)掌握著,其它也就自已和别人知道什么意义就可以,当然能自已在流程图面上说明图示定义那就更好.例子:一、国际通用的流程图形态和程序:开始(六角菱型)、过程(四方型)、决策(菱型)、终止(椭圆型)。
在作管理业务流程图时国际通用的形态:方框是流程的描述;菱形是检查、审批、审核(一般要有回路的);椭圆一般用作一个流程的终结;小圆是表示按顺序数据的流程;竖文件框式的一般是表示原定的程序;两边文件框式的一般是表示留下来的资料数据的存储.流程图符号流程图符号是专门用来画图的,其中有流程图,里面有符号的解释。
1 含义2 符号约定3 说明4 参考资料流程图符号-含义不管什么符号,都需要给它定义,定义行为是由制定人予以完成的,要完成这项工作不应该先定义符号代表什么,而应该在做到组织结构或者作业流程心中有数后进行归类,根据归类采用不同的符号加以区分.另外,我所见过的很多有效组织结构图都是一种符号到底的,他们采取的是多重互联回形目录树的形式,也很有效阿。
这也佐证我的观点.为了让您的新构架流程图不至于让他人难于理解,建议最好不要因采取过多的符号加以分类而造成实施人难以理解。
另外,还建议您在采取分类后将在流程图的下方添加注解。
其实,没有哪个企业会因一图而兴,关键靠的是实施和控制(重点包括环节控制).图再好,别人看不懂又有什么用呢?没有实施过程的监控与指导又会起多大效力呢?以微软产品visio应用最多,当然国际上也有专业的smartdraw,国内也有些产品,因此我的做法是基础图示如开始(六角菱型)、过程(四方型)、决策(菱型)、终止(隋园型)掌握著,其它也就自已和别人知道什么意义就可以,当然能自已在流程图面上说明图示定义那就更好。
注塑生产流程图责任人流程图工作描述输出文件班组长1.生产部根据销售部的月销售量制定注塑生产计划,根据当日的生产数量计算出所需原材料,开具注塑件配套发料单给注塑组长,由注塑组长向仓库完成领料工作注塑件配套发料单仓库管理员1.仓库管理员根据注塑件配套发料单上对应的原材料数量,安排发料,并清点数量,如有欠料,及时补足注塑件配套发料单,原材料出库单注塑工艺员1.查阅现场的工艺文件是否齐全,包含注塑工艺表,如参数工艺表不完整,联系工程部解决2.对设备及模具进行点检,点检完毕无问题方可生产设备、模具点检表工程部 1.提供对应的参数工艺表注塑参数工艺表注塑工艺员 1.工艺员在短时间内完成产品的调试,并对参数点检注塑参数点检表IPQC 1.对调试完毕后的注塑件进行首件检验,IPQC判断首件合格后方可开始正常生产三检表操作工 1.正常生产后,操作工开始修边,并将产品放入指定的周转车IPQC 1.IPQC在生产过程中对注塑件进行巡检,并在对应班次收工时进行末件检验三检表范例:Good afternoon. I am glad to be here for this interview. First let me introduce myself to you. My name is XXX, and I am XXX years old. I come from the city of XXX, XXX province. I graduated from XXX University in July, 20XX, and I majored in XXX (such as Computer science and technology).In past XXX years, I worked in XXX Company as XXX engineer. I have XXX years’ experience in XXX (Java/.Net) development. Now I'd like to find a job which is more challenging. Moreover HP is a global company, so I feel I can gain the most from working in this kind of company environment. That is the reason why I come here for this position.I think I'm a good team player and I'm a person of great honesty to others. Also I am able to work under great pressure.That’s all. Thank you for giving me the chance.请根据你的实际情况替换范例中XXX部分(Please replace XXX part of the model with your actual information).常见问题对答:Interviewer:I面试官;Applicant:A求职者1.Major(专业)I:What is your major?(你的专业是什么?)A:My major is computer science and technology. I am very interested in software development.pany(公司)I:Which company are you in now?(你现在在哪家公司工作?)A:Now I am working in XXX Company as XXX engineer.3.Experience(经验/经历)I:Have you any work/project experience in this field?(你在这个领域有工作或项目经验吗?)A:Yes. I have XXX years’ experience in XXX development/testing. …… (工作经验丰富)A:Yes, I have several months experience, notvery sufficient. But I believe I can study it in project step by step. (有些经验);A:I haven’t been involved in this kind of big project before. But I have studied this course in the International Business Training Center of the XXX Company.(没有经验);4.Weakness(缺点)I:What is your major weaknesses?A:I’m afraid I’m a poor talker. I’m not comfortable talking with the people whom I have just met for the first time. That is not very good for business so I am studying public speaking.A:I’m not very confident when I face many unfamiliar people/issue.5.Strengths优点/特长。
轮胎生产工艺流程图斜交胎生产工艺流程图┌────┐┌───┐┌───┐┌──┐┌──┐│始圈钢丝││帘子布││配合剂││胶料││碳黑│└─┬──┘└─┬─┘└─┬─┘└┬─┘└┬─┘││└───┼───┘││↓││┌┴─┐│││配料│││└──┘││↓││┌──┐│││密炼│││└──┘││↓├───────────┼───────┬───────┐↓↓↓↓┌─────┐┌────┐┌────┐┌────┐│钢丝圈压出│←────┤帘布压起│←──┤胶片压延││胎面压出│└─┬───┘└─┬──┘└────┘└──┬─┘↓↓│┌─────┐┌──┐││钢丝圈成型││裁断││└─┬───┘└─┬┘││↓││┌──┐│││制层│││└┬─┘│└───────────┴───┬────────────┘↓┌──┐│成型│└──┘↓┌──┐│硫化│└──┘↓┌──┐│检验│└──┘↓┌────┐│轮胎成品│└────┘半钢子午胎生产工艺流程图┌────┐┌─────┐┌───┐┌──┐┌──┐┌──┐│始圈钢丝││帘子布(1)││配合剂││胶料││碳黑││钢丝│└─┬──┘└─┬───┘└─┬─┘└┬─┘└┬─┘│帘线│││└───┼───┘└─┬┘││↓↓││┌┴─┐┌──┐│││配料││钢丝││││││压延│││└──┘└──┘││↓↓││┌──┐┌──┐│││密炼││钢丝││││││裁断│││└──┘└──┘││↓├───────┼───────┬───┬────┐↓↓↓↓↓┌─────┐┌────┐┌──┐┌┴──┐┌────┐│钢丝圈压出│←┤帘布压起(1)←─┤内村││胎压││胎侧│└─┬───┘└─┬──┘└─┬┘│出(2)││压出(2)│↓↓↓└───┘└─┬──┘┌─────┐┌──┐┌───┐││钢丝圈成型││裁断(1)──→│预复合││└─┬───┘└─┬┘└─┬─┘││↓││└───────────┬────┴────────┘↓┌──┐│成型│└──┘↓┌──┐│硫化│└──┘↓┌──┐│检验│└──┘↓┌────┐│轮胎成品│└────┘扩展阅读轮胎的生产工艺流程轮胎的生产工艺流程来自图为轮胎生产流程图片。
APQP项目全过程文件范例APQP(Advanced Product Quality Planning)中文意思是:产品质量先期策划,是QS9000/IATF16949质量管理体系的一部分。
产品质量策划是一种结构化的方法,用来确定和制定确保某产品使顾客满意所需的步骤。
产品质量先期策划主要包括五个阶段:计划和项目确定,产品设计和开发,过程设计和开发,产品和过程确认,反馈、评定和纠正措施。
现将各阶段部分文件摘录如下。
第一阶段计划和项目确定一、可行性分析01 项目可行性研究报告(一)项目概况1. 产品概况及市场前景2. 产品的主要性能指标3. 产品的技术质量指标总体水平达到或超过国家行业标准要求。
4. 企业实施该项目的优势5. 可行性研究报告项目负责人(二)产品生产安排及依据1. 产品的市场分析2. 生产大纲(1)生产规模:(2)产品系列:(3)设备(4)原材料供应(5)能源供应(6)厂房(三)生产工艺技术、设备和人员配置1. 工艺流程2. 产品规格3. 生产设备(1)主要生产设备(2)设备能力测算表(3)人员配置(四)项目进度安排(五)结论二、小组成员01 项目负责人任命书02 APQP小组成员及职责表三、开发计划01 设计开发方案02 设计开发任务书03设计开发计划书四、设计输入01 产品内控标准02 项目建议书03设计开发输入清单04 设计开发信息联络单五、供方材料清单六、初始过程流程图七、APQP项目计划八、第一阶段评审报告第二阶段产品设计和开发一、控制计划(样件)01 控制计划特殊特性(选用)02 产品过程特性矩阵图03 生产工艺流程图04 控制计划-原材料04 控制计划-工序04 控制计划-成品检验05 控制计划检查表二、工程规范01 客户产品要求(略)02 产品规格书(略)三、材料规范四、产品图纸(略)五、特殊特性清单六、DFMEA及检查表01 DFMEA(样品、小批量、批量)02 DFMEA检查表(样品、小批量、批量)七、设备设施01 生产设备设施清单(略)02 检测设备清单(略)八、样件生产01 材料检验记录(略)02 生产记录(样品生产计划/投料单/工序管理表/产品测试记录/成品检验记录,略)九、设计评审报告01 设计开发一阶段评审报告02 设计小样评审报告十、设计开发验证01 样品负荷测试数据(略)02 样品负荷测试报告(略)03 客户检测报告(略)04 设计开发验证报告十一、小组可行性承诺十二、第二阶段评审报告01 设计开发输出清单02 第二阶段评审报告第三阶段过程设计和开发一、质量保证体系评审01 产品/过程质量检查表二、过程流程图及检查表01 过程流程图02 过程流程图检查表修订日期:制定人:三、制造过程特性矩阵图四、车间平面图及检查表01 车间平面布置图(略)02 车间平面图检查表顾客或内部零件号修订水平_________________日期:制定人:五、PFMEA及检查表01 PFMEA(样品、小批量、批量)02 PFMEA检查表(样品、小批量、批量)顾客或内部零件号修订水平修订日期:制定人:六、包装方案七、控制计划及检查表01 生产工艺流程图02 控制计划-原材料02 控制计划-工序02 控制计划-成品检验03 控制计划检查表顾客或内部零件号修订水平__________制定人:日期:八、作业指导书01 产品技术标准(略)02 SOP作业指导书(分工序)03 SIP检验指导书(工序/成品/出库,略)九、测量系统分析计划十、初始过程能力研究计划十一、第三阶段评审报告第四阶段产品和过程确认一、试生产制造计划编制:批准:二、MSA报告三、初期过程能力分析四、试生产报告01 试产报告02 试产总结报告03 新产品鉴定评审报告五、PPAP生产件批准程序01 PPAP提交清单02 零件提交保证书03 材料试验报告(略)04 尺寸测量报告(略)05 性能试验报告(内部/顾客/第三方,略)06 CPK报告(关键工序)07 供方清单(略)六、生产确认试验01 质量一致性检验报告(略)02 第三方机构检测报告(略)七、包装评价01 包装箱坠落实验报告02 包装评价表八、生产控制计划01 控制计划-原材料02 控制计划-工序03 控制计划-成品检验九、产品质量策划总结和认定报告十、第四阶段评审报告十二、量产通知单编制:批准:日期:日期:第五阶段反馈、评定和纠正措施一、减少变差(CPK报告)二、顾客满意01 质量承诺书(略)02 顾客满意度调查报告(略)。
制衣厂生产流程图制衣厂生产流程图制衣厂生产流程图制衣厂生产车间工作流程(1)裁剪工作是根据生产科下达的生产通知单和生产计划,到面料仓库领取面料,到辅料仓库领取辅料,中国大学网范文之工作总结:制衣厂生产车间工作流程。
将面料、里布和衬料等原料裁剪成服装所需要的衣片。
(2)根据生产通知单制定套排方案,交给板房的电脑排料师傅排料,由板房主管审核后在绘图仪上输出唛架图,工作总结《制衣厂生产车间工作流程》()。
(3)裁场师傅按照排料长度和工艺所需的层数把面料一层一层地叠置在裁床上。
铺料长度和层数要正确,布边要对齐,布面平整,尽量做到无张力拉布。
注意疵点面料的剔除,注意对格对条的要求。
铺料厚度不能超过裁剪设备的最大裁剪高度。
(4)裁剪师傅将面料裁剪成裁片,按照唛架图的纸样线条完成作业。
根据工艺要求和面料性质选择裁剪设备和裁刀形状。
裁剪时要注意衣片的裁剪精度,要固定好面料。
裁片上定位记号要(5)捆扎工负责将一叠叠裁好的裁片编号。
由于裁片的数量多,为避免混乱及衣片搭配出错,在裁剪完毕后分类捆扎打包。
(6)裁剪车间还要登记每天与各平缝车间的交接记录和换片记录。
(7)平缝车间根据生产计划和生产通知单安排生产任务,流水线的编排要充分考虑负荷平衡和流水的效率。
流水线的调整要纳入生产厂长和车管的绩效考核中。
(8)生产车间要编制生产日报表和款式工序产量记录,反映每天的生产的数量和进度。
(9)各生产车间要做好每天的回修记录和交接记录,以及外发加工记录。
扩展阅读:制衣厂生产流程制衣厂基本生产流程一定单用规格表(款式样、批办样、产前样)梭织服装在制作前要先填写好定单规格表,按照制作服装的不同样办,定单规格表可分为以下几种类别:(1报价用规格表------款式样款式样此规格表主要用于设计师看款式效果及生产的用料计算。
一般情况下用同类布料打样,允许辅料代用。
对生产工厂来讲,此规格表仅仅是供报价用,以便争取得到真正的定单,在运用这个表格时应注意每个项目内容与规格,因为这些内容与规格往往同成本直接相关联,任何有利于降低成本而又不改变原有服装的基本要求的方法和建议都可以采讷。
文件制修订记录1.0目的:用来证明本公司已经正确理解了顾客品质设计记录和规范的所有要求,并在认可的实际生产过程中,具有持续满足顾客要求的潜在能力。
2.0范围:适用于本公司汽车产品的新产品、新材料及新过程、新模具时,在第一批产品送货前,须对制造过程进行评审并送客户批准。
3.0权责:3.1业务部负责接收顾客的生产件批准(PPAP)和向顾客提交PPAP文件、样件。
3.2研发部负责组织完成顾客的PPAP相关资料;负责提出供方生产件批准要求。
3.3品质部负责供方生产件的批准。
3.4采购部负责组织供方实施采购件PPAP要求。
3.5生产管理中心负责提供生产件样品,提供PPAP相关资料及数据。
4.0定义:4.1生产件:用于PPAP的产品是指生产现场使用正式的生产设备、工装、材料、环境、操作者和过程参数制造的零部件,该过程是1小时到一个班次的生产,且规定的生产数量为至少300件连续生产的零部件。
5.0作业内容:5.1工作流程标准:5.2.1提交要求:以下情况下首批产品量产前必须提交PPAP批准,除非顾客负责产品批准部门放弃了该要求。
5.2.1.1一种新的产品或零件(如以前从未提供给指定顾客的一种特定的零件、材料或颜色)。
5.2.1.2对于以前提交零件的不符合进行纠正。
5.2.1.3关于生产产品/零件编号的设计记录、技术规范或材料方面的品质更改。
5.3下列情况可以不通知顾客,但有责任跟踪变更或改进,并更新任何受到影响的PPAP文件:5.3.1工装、模具或设备在同一生产区域内移动。
5.3.2同型号的工装、设备、检验治具更换。
5.3.3调整作业,但未变更制造流程。
5.3.4依PFMEA的RPN结果的变更(未变更制造流程)。
5.4对供应商要求5.4.1顾客有指定具体的供应商及提交等级时,依顾客需要要求供应商提交相关等级资料。
5.4.2当顾客同意放弃要求供应商提交PPAP时,则供应商可以不用提报PPAP 资料。
供应商已向顾客提交PPAP资料并得到认可的,本公司不另行要求提交。
产品名称空气干燥器产品编号客户名称
版 本
产品过程流程图
产品规格Ф136×162FF5116生效日期
B/0
产品名称空气干燥器产品编号客户名称
版 本
产品规格Ф136×162FF5116生效日期
B/0
考核
工
产品名称空气干燥器产品编号
客户名称
版 本
产品规格Ф136×162FF5116生效日期B/0检验尺寸;对操作员
工进行操作技能培训;对检验人员进行培训考核;重新校准不当;检验人员检验方法不正确;检验器具失准;材料不符合质量要求;模具损坏
生效日期B/0
客户名称版本
生效日期B/0
客户名称版本
作成:审查:核准:。