新产品过程流程图范例
- 格式:doc
- 大小:65.50 KB
- 文档页数:3
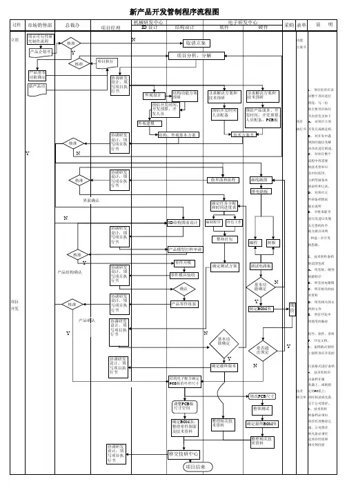
新产品开发流程图产品科(包括图样设计,成品编码,原材料开发)研发部工程部生产部IE业务部采购价格科重新打样小批量试产样与客户确认价格根据客户所提供的信息要求进行产品外观设计Yes木架结构设计核算最终成本工作中心建立Yes1.成品临时编码2.原材料临时编码(针对客户的开发)No缝套设计YesYes成品样品试作采购对原物料进行大货采购Yes根据产品科提供的产品外观设计进行产品内部结构设计No采购下单购买样品所需材料No 收到产品科所提供的产品设计图接到产品科提供的需求相关信息建入系统中(研发用)制作产品图样(外观图)木架样品制作缝套样品制作缝套样品评审No客户确认价格Yes 移交工程资料给工程部工程试产样品制作拿到供应商所提供的样品客户下单开发新的供应商或已有供应商按要求进行打样(主要为皮,面料)与客户确认图样确认采购样品是否合乎要求签订标样留存木架样品评审成品样品评审No工程试产样评审提交总经理核准Yes 更新BOM 系统及PLM系统材料报废率测定皮/布/板材……取得样品材料总经理核准Yes样板设计木架部件设计工程资料重新整理1. 面套排版图优化2. CNC 排版优化3. 海棉/丝棉排版优化4. 相关资料处理总经理核准Yes 各工段预估标准工时成品/原材料开发编码转换成ERP 正式代码PLM 转成正式代码YesNo计划部门安排大货生产No工程资料归档(上传到PLM)整理工程资料木架3D 图/面套样板图/材料明细表/各种操作流程SOP/海棉丝棉纸板图从客户接到产品信息(有样品照片)从客户收到产品信息/要求(无样品照片)建立初步BOM资料建立初步标准工时在系统中建立最终BOM更新工时系统样品成本预估价格谈判总经理核准NoNo生产问题检查没问题有问题1. 成品开发临时编码2. 原材料临时编码(针对公司自己开发)公司内部全新产品开发(效果图)收到产品科新品图样Yes确认是否接单开发YesYes通知客户,不接该单设计NoNoYes有定单,成品及原材料的编码转换成公司正式编码样品投放市场建立最终标准工时进入系统维护限价Yes进入ERP 财务限价Yes ERP 生成销售订单启动MRP 运算相关信息建入系统中(研发用)新产品开发流程图解释说明产品科(包括图样设计,成品编码,原材料开发)研发部工程部生产部IE业务部价格科采购1.对于接到客户的需求,需要详细记录,以提供更多的信息给厂内相关人员2. 如果与产品科人员讨论后不接单,需要向客户说明原因3. 当产品科依需求设计好图样,需要与客户确认是否满足其需求,如果OK,需要签定图样,以免事后客户做变更。
输出文件
设计开发进度跟踪表可行性报告
设计开发任务书
样品需求申请表生产设备清单检测设备清单样品制作记录表
设计开发验证报告书会议记录
产品、零部件结构图
会议记录
会议记录
平面、结构图BOM 表(物料清单)
会议记录表
客户需求记录市场调查报告
设计开发提案书设计开发清单会议记录
初始可行性和特殊报告
BOM 表(物料清单)过程流图
文件发行签收记录表试产申请单
设计开发总结报告
相关质量记录表
制作审核 批准
设备工时评估表
相关质量记录表整理数据分析
试产验证报告书
设计开发验证报告书
过程检验记录表不合格品记录表会议记录
BOM 表物料规格书作业指导书检验标准书工艺流程。
新产品开发设计流程图
1.对市场进行详细系统的分析,确定研发产品类型、规格参数、性能指标、安全性能等信息
2.新产品研发的可行性评估
2.1 上级领导审批通过后,产品研发小组对相关产品情况进行调查;可行性分析、预测;总结、编写可行性研究报告
2.2 《可行性研究报告》上报上级领导,审批 OK后正式进入产品的研发阶段
3.形成产品设计方案
根据审批通过的产品《可行性研究报告》,产品研发小组编制《产品设计方案》
4.确定最终产品设计方案
4.1 市场部、研发部会同生产部从产品可行性、生产技术性、技术来源方面对产品进行评估、筛选出适合的方案
4.2 根据最终选出的《产品设计方案》确定产品设计投入,并进行综合比较,确定最终的《产品设计方案》,并进行项目立项,制定出《新产品开发进度时间表》
5.产品设计
根据确定的《产品设计方案》产品,开发小组成员进行产品设计、绘制产品设计相关图纸及产品的测试检验标准
6.样品试制、测试
6.1 产品设计图纸经过项目负责人审批通过后,可进入样品试制阶段,准备样品制造所需的材料等
6.2 样品试制完成后,对其进行性能检测,并保存测试报告,对于不合格的样品设计不合理的地方进行修改,并重新进行样品试制
7.投入批量生产
对产品进行鉴定,合格后将产品研发设计的相关资料进行保存并发行,再投入批量生产
新产品开发流程图
制定:蔡和江审核:批准:。
新产品设计-工艺开发流程图解新产品设计/工艺开发 APQP计划流程图解生产制造可行性分析报告及工艺开发 N多功能小组评审初始过程流程图Y过程初始特殊特性明细表设备、工装及检具清单的编制新设备、工装及检具清单的确定过程特殊特性编制过程流程图车间平面布置图特性矩阵图PFMEA的编制过程特殊特性的修订试生产控制计划的编制指导书的编制生产作业指导书的编制自制件检验指导书的编制新设备的采购新工装、检具设计(自制部分)自制工装、检具验收新工装及专用检具的采购初始过程能力研究计划过程审核(A部分)下面是赠送的团队管理名言学习,初始过程能力研究不需要的朋友可以编辑删除!!!谢谢!!!生产节拍分析1、沟通是管理的浓缩。
生产控制计划编制2、管理被人们称之为是一门综合艺术--“综合”是因为管理涉及基本原理、自产能确认我认知、智慧和领导力;“艺术”是因为管理是实践和应用。
3、管理得好的工厂,总是单调乏味,没有仸何激劢人心的事件发生。
结束4、管理工作中最重要的是:人正确的事,而不是正确的做事。
5、管理就是沟通、沟通再沟通。
6、管理就是界定企业的使命,幵激励和组织人力资源去实现这个使命。
界定使命是企业家的仸务,而激励不组织人力资源是领导力的范畴,二者的结合就是管理。
7、管理是一种实践,其本质不在于“知”而在于“行”;其验证不在于逻辑,而在于成果;其唯一权威就是成就。
8、管理者的最基本能力:有效沟通。
9、合作是一切团队繁荣的根本。
10、将合适的人请上车,不合适的人请下车。
11、领导不是某个人坐在马上指挥他的部队,而是通过别人的成功来获得自己的成功。
12、企业的成功靠团队,而不是靠个人。
13、企业管理过去是沟通,现在是沟通,未来还是沟通。
14、赏善而不罚恶,则乱。
罚恶而不赏善,亦乱。
15、赏识导致成功,抱怨导致失败。
16、世界上没有两个人是完全相同的,但是我们期待每个人工作时,都拥有许多相同的特质。
17、首先是管好自己,对自己言行的管理,对自己形象的管理,然后再去影响别人,用言行带劢别人。
新产品开发设计流程图
1.对市场进行详细系统的分析,确定研发产品类型、规格参数、性能指标、安全性能等信息
2.新产品研发的可行性评估
2.1 上级领导审批通过后,产品研发小组对相关产品情况进行调查;可行性分析、预测;总结、编写可行性研究报告
2.2 《可行性研究报告》上报上级领导,审批 OK后正式进入产品的研发阶段
3.形成产品设计方案
根据审批通过的产品《可行性研究报告》,产品研发小组编制《产品设计方案》
4.确定最终产品设计方案
4.1 市场部、研发部会同生产部从产品可行性、生产技术性、技术来源方面对产品进行评估、筛选出适合的方案
4.2 根据最终选出的《产品设计方案》确定产品设计投入,并进行综合比较,确定最终的《产品设计方案》,并进行项目立项,制定出《新产品开发进度时间表》
5.产品设计
根据确定的《产品设计方案》产品,开发小组成员进行产品设计、绘制产品设计相关图纸及产品的测试检验标准
6.样品试制、测试
6.1 产品设计图纸经过项目负责人审批通过后,可进入样品试制阶段,准备样品制造所需的材料等 6.2 样品试制完成后,对其进行性能检测,并保存测试报告,对于不合格的样品设计不合理的地方进行修改,并重新进行样品试制
7.投入批量生产
对产品进行鉴定,合格后将产品研发设计的相关资料进行保存并发行,再投入批量生产
新产品开发流程图
日期制定:蔡和江审核:批准:。
新产品试制送样过程控制规范流程图关键表格或记录主要负责部门或主要负责人过 程 流 程 图与客户进行送样或订单接洽客户要求识别,新开发产品还是改型产品技术准备是否完成、是否具备生产条件订单(送样)评审编制、下发《新产品研发日程表》下发图纸、技术文件布置生产试制任务开发进程否反馈客户或公司内工作改进不通过生产部主管、车间主管销售部门技术部负责人技术部项目负责人、生产管理部等技术部项目负责人、文控员是通过准备提交客户的图纸、技术文件接下页归档《新产品研发日程表》《样品生产各工序实施计划》技术部项目负责人销售部门组织《送样订单评审记录》《技术资料清单》过 程 流 程 图主要负责部门或主要负责人关键表格或记录接上页零部件加工零部件、总成装配总检、校对评审、批准包装、入库发货考 核分析、整改批量验证洽谈修改、更正有问题不通过通过不合格合格不通过通过不合格合格仓管员、项目负责人项目负责人及质量分管人员检验员车间技术员、检验员、项目负责人检验组长、项目负责人技术负责人组织有关人员,技术副总批准物资管理部物资管理部销售部和项目负责人《样品确认、检查和挑选项目表》《样品加工工序流转卡》《总成装配工序流转卡》《新产品送样试装跟踪表》《领料单》项目负责人、车间主任、检验员、《全尺寸检验表》《产品送样评审(审批)记录》《产成品入库单》《发货单》领发料及确认零部件的确认、检查和挑选客户验收试装。
好好学习社区过程流程图
2
序号生
产
搬
运
储
存
检
查
过程描述地点设备产品特殊特性过程特殊特性
1 2 3 4
5 6 7 8 ◇
○
○
○
△
△
□
□
进货检验原材料仓库
入库存储原材料仓库
转送至车间液压叉车
裸铜丝束绞绞线区绞线机▲根数和线径:24/0.20mm▲绞线张力:110±10g
半成品检验绞线区OD表、千分尺
转送至仓库液压叉车
入库存储原材料仓库
转送至
押出区
液压叉车
9
10
11
12
13
14
15 ◇
◇
◇
◇
○
△
□
芯线押出押出区Φ60型押出机
▲导线外径,1.9+0/-0.20
▲火花电压0.5kv,无击穿
▲绝缘最小点厚度,0.24 运送至仓库液压叉车
辐照辐照机
成缆成缆机
外被押出Φ70型押出机
包装、入库成品仓库叉车
出货检验出货待检区OD表、千分尺
注:◇生产、搬运、储存、检验项目小组人员:
好好学习社区审核:编制:。