高考化学 化学能与电能 培优 易错 难题练习(含答案)及详细答案
- 格式:doc
- 大小:359.00 KB
- 文档页数:16
高考化学化学能与电能培优易错难题练习(含答案)附答案一、化学能与电能1.某研究小组为探究弱酸性条件下铁发生电化学腐蚀类型的影响因素,将混合均匀的新制铁粉和碳粉置于锥形瓶底部,塞上瓶塞(如图1)。
从胶头滴管中滴入几滴醋酸溶液,同时测量容器中的压强变化。
(1)请完成以下实验设计表(表中不要留空格):编号实验目的碳粉/g铁粉/g醋酸/%①为以下实验作参照0.5 2.090.0②醋酸浓度的影响0.5__36.0③__0.2 2.090.0(2)编号①实验测得容器中压强随时间变化如图2。
t2时,容器中压强明显小于起始压强,其原因是铁发生了_____________腐蚀,请在图3中用箭头标出发生该腐蚀时电子流动方向;此时,碳粉表面发生了__(“氧化”或“还原”)反应,其电极反应式是___________________________________。
(3)该小组对图2中0~t1时压强变大的原因提出了如下假设,请你完成假设二:假设一:发生析氢腐蚀产生了气体;假设二:______________________________;……(4)为验证假设一,某同学设计了检验收集的气体中是否含有H2的方案。
请你再设计一个实验方案验证假设一,写出实验步骤和结论。
实验步骤和结论(不要求写具体操作过程):__________【答案】2.0 碳粉含量的影响吸氧还原反应 2H2O+O2+4e-=4OH- (或4H++O2+4e-=2H2O)反应放热,温度升高,体积膨胀实验步骤和结论(不要求写具体操作过程)①药品用量和操作同编号①实验(多孔橡皮塞增加进、出导管)②通入氩气排净瓶内空气;③滴入醋酸溶液,同时测量瓶内压强变化(也可测温度变化,检验Fe2+等)。
如果瓶内压强增大,假设一成立。
否则假设一不成立。
(本题属于开放性试题,合理答案均给分)【解析】【详解】(1)探究影响化学反应速率,每次只能改变一个变量,故有②中铁的量不变,为2.0g;③中改变了碳粉的质量,故为探究碳粉的量对速率的影响。
高考化学化学能与电能培优易错难题练习(含答案)及答案一、化学能与电能1.研究小组进行图所示实验,试剂A为0.2 mol·L−1 CuSO4溶液,发现铝条表面无明显变化,于是改变实验条件,探究铝和CuSO4溶液、CuCl2溶液反应的影响因素。
用不同的试剂A进行实验1~实验4,并记录实验现象:实验序号试剂A实验现象10.2 mol·L−1 CuCl2溶液铝条表面有气泡产生,并有红色固体析出20.2 mol·L−1 CuSO4溶液,再加入一定质量的NaCl固体开始铝条表面无明显变化,加NaCl后,铝条表面有气泡产生,并有红色固体析出3 2 mol·L−1 CuSO4溶液铝条表面有少量气泡产生,并有少量红色固体4 2 mol·L−1 CuCl2溶液反应非常剧烈,有大量气泡产生,溶液变成棕褐色,有红色固体和白色固体生成(1)实验1中,铝条表面析出红色固体的反应的离子方程式为_________。
(2)实验2的目的是证明铜盐中的阴离子Cl−是导致实验1中反应迅速发生的原因,实验2中加入NaCl固体的质量为_________ g。
(3)实验3的目的是_________。
(4)经检验知,实验4中白色固体为CuCl。
甲同学认为产生白色固体的原因可能是发生了Cu + CuCl 22CuCl的反应,他设计了右图所示实验证明该反应能够发生。
① A极的电极材料是_________。
② 能证明该反应发生的实验现象是_________。
(5)为探究实验4中溶液呈现棕褐色的原因,分别取白色CuCl固体进行以下实验:实验序号实验操作实验现象i加入浓NaCl溶液沉淀溶解,形成无色溶液ii加入饱和AlCl3溶液沉淀溶解,形成褐色溶液iii向i所得溶液中加入2 mol·L-1 CuCl2溶液溶液由无色变为褐色查阅资料知:CuCl难溶于水,能溶解在Cl-浓度较大的溶液中,生成[CuCl2]-络离子,用水稀释含[CuCl2]-的溶液时会重新析出CuCl沉淀。
2020-2021高考化学化学能与电能培优易错试卷练习(含答案)附详细答案一、化学能与电能1.方法与规律提炼:(1)某同学利用原电池装置证明了反应Ag++Fe2+=Ag+Fe3+能够发生,设计的装置如下图所示。
为达到目的,其中石墨为_________极,甲溶液是____________,证明反应Ag++Fe2+=Ag +Fe3+能够发生的实验操作及现象是_________________________(2)用零价铁(Fe)去除水体中的硝酸盐(NO)已成为环境修复研究的热点之一。
Fe还原水体中NO3-的反应原理如图所示。
上图中作负极的物质是___________。
正极的电极反应式是______________。
(3)在传统的电解氯化氢回收氯气技术的基础上,科学家最近采用碳基电极材料设计了一种新的工艺方案,主要包括电化学过程和化学过程,如下图所示:阴极区的电极反应式为_______________。
电路中转移1 mol电子,需消耗氧气_______L(标准状况)。
(4)KClO3也可采用“电解法”制备,装置如图所示。
写出电解时阴极的电极反应式___________________电解过程中通过阳离子交换膜的离子主要为_________,其迁移方向是_____________(填a→b或b→a)。
学法题:通过此题的解答,请归纳总结书写电极反应式的方法____【答案】负 FeSO4或FeCl2溶液分别取电池工作前与工作一段时间后左侧烧杯中溶液,同时滴加KSCN溶液,后者红色加深铁 NO3-+8e-+10H+=NH4++3H2O Fe3++e-= Fe2+ 5.6L 2H++2e-= H2 ↑ K+a→b原电池中先确定原电池的正负极,列出正负极上的反应物质,并标出相同数目电子的得失;注意负极反应生成的阳离子与电解质溶液中的阴离子是否共存。
电解池中电极反应式的书写看阳极材料,如果阳极是惰性电极(Pt、Au、石墨),则应是电解质溶液中的离子放电,应根据离子的放电顺序进行书写。
高考化学化学能与电能(大题培优易错试卷)及详细答案一、化学能与电能1.以NaCl为主要成分的融雪剂会腐蚀桥梁、铁轨等钢铁设备。
某研究小组探究NaCl溶液对钢铁腐蚀的影响。
(1)将滤纸用3.5%的NaCl溶液润湿,涂上铁粉、碳粉的混合物,贴在表面皿上。
在滤纸上加几滴检验试剂,再缓慢加入NaCl溶液至没过滤纸,操作如下所示:①实验ⅰ的现象说明,得电子的物质是_______________________________。
②碳粉的作用是___________________________________________________。
③为了说明NaCl的作用,需要补充的对照实验是_____________________。
(2)向如图示装置的烧杯a、b中各加入30mL 3.5%的NaCl溶液,闭合K,指针未发生偏转。
加热烧杯a,指针向右偏转。
①取a、b中溶液少量,滴加K3[Fe(CN)6]溶液,a中出现蓝色沉淀,b中无变化,b中铁片作________极。
②加热后,指针发生偏转的原因可能是_____________________。
(3)用(2)中图示装置探究不同浓度NaCl溶液对钢铁腐蚀的影响,向烧杯a、b中各加入30mL不同质量分数的NaCl溶液,实验记录如下表所示。
实验a b指针偏转方向I0.1%0.01%向右II0.1% 3.5%向左Ⅲ 3.5%饱和溶液向右①Ⅱ中,b中电极发生的电极反应式是_______________________________。
②Ⅲ中,铁在饱和NaCl溶液中不易被腐蚀。
查阅资料可知:在饱和NaCl溶液中O2浓度较低,钢铁不易被腐蚀。
设计实验证明:_______________________________。
(4)根据上述实验,对钢铁腐蚀有影响的因素是_______________________________。
【答案】O2与铁组成原电池,作原电池的正极用水代替NaCl溶液进行上述实验正温度升高,Fe还原性增强,反应速率加快 Fe-2e-=Fe2+另取两个烧杯,分别往其中加入铁片和一定量的饱和NaCl溶液,再分别滴加几滴K3Fe(CN)6溶液,然后往其中一个烧杯中通入O2,观察现象温度、NaCl溶液的浓度、O2的浓度【解析】【分析】(1)铁、碳以氯化钠溶液为电解质形成原电池,发生吸氧腐蚀生成氢氧根离子,溶液显碱性,遇到酚酞变红;(2)①K3[Fe(CN)6]溶液与二价铁离子反应生成蓝色沉淀;②温度升高,Fe还原性增强,反应速率加快;(3)①依据不同浓度下,检流计指针偏转方向判断电极,书写电极反应式;②要证明在饱和NaCl溶液中O2浓度较低,钢铁不易被腐蚀,可以设计对比试验,一个实验中通入氧气,另一个实验中不通入氧气,观察铁的腐蚀情况;(4)依据上述实验总结归纳解答。
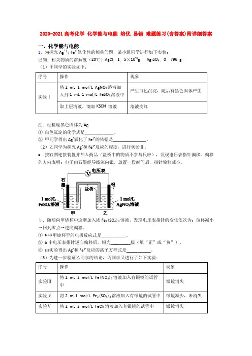
2020-2021高考化学化学能与电能培优易错难题练习(含答案)附详细答案一、化学能与电能1.为探究Ag+与Fe3+氧化性的相关问题,某小组同学进行如下实验:已知:相关物质的溶解度(20℃)AgCl:1.5×10-4g Ag2SO4:0.796g(1)甲同学的实验如下:序号操作现象实验Ⅰ将2mL1mol/L AgNO3溶液加入到1mL1mol/L FeSO4溶液中产生白色沉淀,随后有黑色固体产生取上层清液,滴加KSCN溶液溶液变红注:经检验黑色固体为Ag① 白色沉淀的化学式是_____________。
② 甲同学得出Ag+氧化了Fe2+的依据是_______________。
(2)乙同学为探究Ag+和Fe2+反应的程度,进行实验Ⅱ。
a.按右图连接装置并加入药品(盐桥中的物质不参与反应),发现电压表指针偏移。
偏移的方向表明:电子由石墨经导线流向银。
放置一段时间后,指针偏移减小。
b.随后向甲烧杯中逐渐加入浓Fe2(SO4)3溶液,发现电压表指针的变化依次为:偏移减小→回到零点→逆向偏移。
① a中甲烧杯里的电极反应式是___________。
② b中电压表指针逆向偏移后,银为_________极(填“正”或“负”)。
③ 由实验得出Ag+和Fe2+反应的离子方程式是___________。
(3)为进一步验证乙同学的结论,丙同学又进行了如下实验:序号操作现象实验Ⅲ将2mL2mol/L Fe(NO3)3溶液加入有银镜的试管中银镜消失实验Ⅳ将2mL1mol/L Fe2(SO4)3溶液加入有银镜的试管中银镜减少,未消失实验Ⅴ将2mL2mol/L FeCl3溶液加入有银镜的试管中银镜消失① 实验Ⅲ___________(填“能”或“不能”)证明Fe3+氧化了Ag,理由是_____________。
② 用化学反应原理解释实验Ⅳ与Ⅴ的现象有所不同的原因:_____________。
【答案】Ag2SO4有黑色固体(Ag)生成,加入KSCN溶液后变红 Fe2+-e-=Fe3+负Fe2++Ag+Fe3++Ag 不能因为Fe(NO3)3溶液呈酸性,酸性条件下NO3-也可能氧化Ag 溶液中存在平衡:Fe3++Ag Fe2++Ag+,且AgCl比Ag2SO4溶解度更小,Cl-比SO42-更有利于降低Ag+浓度,所以实验Ⅴ比实验Ⅳ正向进行的程度更大(或促使平衡正向移动,银镜溶解)。
高考化学化学能与电能培优易错试卷练习(含答案)含答案(1)一、化学能与电能1.某小组同学利用如图所示装置进行铁的电化学腐蚀原理的探究实验:装置分别进行的操作现象i.连好装置一段时间后,向烧杯中滴加酚酞ii.连好装置一段时间后,向烧杯中滴加K3[Fe(CN)6]溶液铁片表面产生蓝色沉淀(1)小组同学认为以上两种检验方法,均能证明铁发生了吸氧腐蚀。
①实验i中的现象是___。
②用电极反应式解释实验i中的现象:___。
(2)查阅资料:K3[Fe(CN)6]具有氧化性。
①据此有同学认为仅通过ii中现象不能证明铁发生了电化学腐蚀,理由是___。
②进行下列实验,在实验几分钟后的记录如下:实验滴管试管现象0.5mol·L-1K3[Fe(CN)6]溶液iii.蒸馏水无明显变化iv.1.0mol·L-1NaCl溶液铁片表面产生大量蓝色沉淀v.0.5mol·L-1Na2SO4溶液无明显变化以上实验表明:在有Cl-存在条件下,K3[Fe(CN)6]溶液可以与铁片发生反应。
为探究Cl-的存在对反应的影响,小组同学将铁片酸洗(用稀硫酸浸泡后洗净)后再进行实验iii,发现铁片表面产生蓝色沉淀。
此补充实验表明Cl-的作用是___。
(3)有同学认为上述实验仍不够严谨。
为进一步探究K3[Fe(CN)6]的氧化性对实验ii结果的影响,又利用(2)中装置继续实验。
其中能证实以上影响确实存在的是__(填字母序号)。
实验试剂现象A酸洗后的铁片、K3[Fe(CN)6]溶液(已除O2)产生蓝色沉淀(4)综合以上实验分析,利用实验ii中试剂能证实铁发生了电化学腐蚀的实验方案是:连好装置一段时间后,___(回答相关操作、现象),则说明负极附近溶液中产生了Fe2+,即发生了电化学腐蚀。
【答案】碳棒附近溶液变红 O2+4e-+2H2O=4OH- K3[Fe(CN)6]可能氧化Fe生成Fe2+,会干扰由于电化学腐蚀负极生成Fe2+的检验 Cl-破坏了铁片表面的氧化膜 AC 取铁片(负极)附近溶液于试管中,滴加K3[Fe(CN)6]溶液,若出现蓝色沉淀【解析】【分析】(1)①实验i中,发生吸氧腐蚀,在碳棒附近溶液中生成OH-,使酚酞变色。
高考化学培优易错难题(含解析)之化学能与电能及答案解析一、化学能与电能1.钛工厂TiCl4烟尘中含有大量的ScCl3、MgCl2及SiO2小颗粒等物质,某研究所利用上述烟尘回收Sc2O3,并制备钛白粉(TiO2),其工艺流程如下所示:(1)酸浸过程中,HCl的作用是_______________________。
(2)已知Sc3++3HTBP Sc(TBP)3+3H+,则上述洗脱剂最好选择___________(选填“酸性”、“碱性”或“中性”)溶液。
在实验室模拟完成上述操作Ⅰ和操作Ⅱ所涉及的玻璃仪器有______________。
(3)草酸“沉钪”得到草酸钪的化学反应类型为____________________________。
(4)在空气中灼烧草酸钪即可得到氧化钪(Sc2O3),其化学反应方程式为__________________________。
(5)“水相”的主要离子有TiOCl42-、H+、Cl- 及________,写出加入大量的水并加热发生的相关离子反应方程式__________________________。
(6)钛的冶炼新法是剑桥电解法(如右图)。
以含少量CaCl2的CaO熔融物作为介质,电解时。
在阴极生成的Ca进一步还原TiO2得钛。
写出阳极电极主要反应方程式:__________________________;利用中学所学知识可以预测CaCl2的作用包含增强导电性、___________;F=96500C/mol,当I=0.5A,通电80分钟,理论上获得Ti的质量为__________g(计算表达式)。
【答案】抑制TiOCl42-的进一步水解(多答Mg2+、Sc3+水解亦给分)酸性分液漏斗、烧杯复分解反应3O2+2Sc2(C2O4)32Sc2O3+12CO2Mg2+TiOCl42-+(1+x)H2O TiO2·xH2O+2H++4Cl-2O2--4e-=O2↑降低CaO的熔点【解析】(1)为了防止TiOCl42-、Mg2+、Se3+水解,酸浸过程中加入HCl可以,故答案为:抑制TiOCl42-的进一步水解;(2)根据Sc3++3HTBP Sc(TBP)3+3H+,则上述洗脱剂最好选择酸性溶液洗涤,可以抑制Sc3+与HTBP的反应;操作Ⅰ和操作Ⅱ为分液,所涉及的玻璃仪器有分液漏斗、烧杯,故答案为:酸性;分液漏斗、烧杯;(3)ScCl3与草酸发生复分解反应生成草酸钪,故答案为:复分解反应;(4)在空气中灼烧草酸钪即可得到氧化钪(Sc2O3),同时草酸根离子被氧化生成二氧化碳,反应的化学反应方程式为3O2+2Sc2(C2O4)32Sc2O3+12CO2,故答案为:3O2+2Sc2(C2O4)32Sc2O3+12CO2;(5)根据流程图,钛工厂TiCl4烟尘中含有大量的ScCl3、MgCl2及SiO2小颗粒等物质,酸浸后,过滤除去了二氧化硅,再用有机溶剂萃取,“水相”中主要离子有TiOCl42-、H+、Cl- 及Mg2+,在水相中加入大量的水并加热促进TiOCl42-水解生成TiO2·xH2O,反应的离子方程式为TiOCl42-+(1+x)H2O TiO2·xH2O+2H++4Cl-,故答案为:Mg2+;TiOCl42-+(1+x)H2O TiO2·xH2O+2H++4Cl-;(6)在阴极,氧化钙被还原生成Ca,被还原的Ca进一步还原TlO2获得钛,电极反应为Ca2++2e-=Ca、2Ca+TlO2=2CaO+Ti,阳极石墨上氧离子失去电子生成氧气,电极反应式为2O2--4e-=O2↑,电解质为混有氯化钙的熔融的氧化钙,加入氯化钙可以增强电解质的导电性,同时可以降低CaO的熔点,节约能量;电流强度为0.5A,电池工作80分钟,则电量为0.5A×80×60s=2400C,转移电子的物质的量=,生成Ti的质量=×48g/mol=×48g,故答案为:2O2--4e-=O2↑;降低CaO 的熔点;×48。
2020-2021高考化学化学能与电能培优易错试卷练习(含答案)含答案解析一、化学能与电能1.(1)利用原电池装置可以验证Fe3+与Cu2+氧化性相对强弱,如下图所示。
该方案的实验原理是自发进行的氧化还原反应可以设计为原电池。
写出该氧化还原反应的离子方程式:__________。
该装置中的负极材料是______(填化学式),正极反应式是_______。
(2)某研究性学习小组为证明2Fe3++2I-⇌2Fe2++I2为可逆反应,设计如下两种方案。
方案一:取5mL0.1mol/LKI溶液,滴加2mL0.1mol/L的FeCl3溶液,再继续加入2mLCCl4,充分振荡、静置、分层,再取上层清液,滴加KSCN溶液。
①方案一中能证明该反应为可逆反应的现象是______。
②有同学认为方案一设计不够严密,即使该反应为不可逆反应也可能出现上述现象,其原因是(用离子方程式表示)_____。
方案二:设计如下图原电池...装置,接通灵敏电流计,指针向右偏转(注:灵敏电流计指针总是偏向电源正极),随着时间进行电流计读数逐渐变小,最后读数变为零。
当指针读数变零后,在右管中加入1mol/L FeCl2溶液。
③方案二中,“读数变为零”是因为____________.④“在右管中加入1mol/L FeCl2溶液”后,观察到灵敏电流计的指针______偏转(填“向左”、“向右”或“不”),可证明该反应为可逆反应。
【答案】Cu+2Fe3+=Cu2++2Fe2+ Cu Fe3+ + e- = Fe2+下层(CCl4层)溶液呈紫红色,且上层清液中滴加KSCN后溶液呈血红色 4Fe2++O2+4H+=2H2O+4Fe3+该可逆反应达到了化学平衡状态向左【解析】【分析】(1)验证Fe3+与Cu2+氧化性强弱时,应将反应Cu+2Fe3+=Cu2++2Fe2+设计成原电池,原电池中铜作负极发生氧化反应被损耗,选用金属性弱于铜的金属或非金属C作正极,电解质溶液为可溶性的铁盐;(2)方案一:如该反应为可逆反应,加入四氯化碳,四氯化碳层呈紫红色,上层清液中滴加KSCN后溶液呈血红色;但在振荡过程中,Fe2+离子易被空气中氧气生成Fe3+,不能证明Fe3+未完全反应;方案二:图中灵敏电流计的指针指向右,右侧烧杯为正极,当指针读数变零后,在右管中加入1mol/LFeCl2溶液,如为可逆反应,可发生2Fe2++I2⇌2Fe3++2I-,I2被还原,指针应偏向左。
2020-2021高考化学化学能与电能培优易错试卷练习(含答案)附答案解析一、化学能与电能1.(1)利用原电池装置可以验证Fe3+与Cu2+氧化性相对强弱,如下图所示。
该方案的实验原理是自发进行的氧化还原反应可以设计为原电池。
写出该氧化还原反应的离子方程式:__________。
该装置中的负极材料是______(填化学式),正极反应式是_______。
(2)某研究性学习小组为证明2Fe3++2I-⇌2Fe2++I2为可逆反应,设计如下两种方案。
方案一:取5mL0.1mol/LKI溶液,滴加2mL0.1mol/L的FeCl3溶液,再继续加入2mLCCl4,充分振荡、静置、分层,再取上层清液,滴加KSCN溶液。
①方案一中能证明该反应为可逆反应的现象是______。
②有同学认为方案一设计不够严密,即使该反应为不可逆反应也可能出现上述现象,其原因是(用离子方程式表示)_____。
方案二:设计如下图原电池...装置,接通灵敏电流计,指针向右偏转(注:灵敏电流计指针总是偏向电源正极),随着时间进行电流计读数逐渐变小,最后读数变为零。
当指针读数变零后,在右管中加入1mol/L FeCl2溶液。
③方案二中,“读数变为零”是因为____________.④“在右管中加入1mol/L FeCl2溶液”后,观察到灵敏电流计的指针______偏转(填“向左”、“向右”或“不”),可证明该反应为可逆反应。
【答案】Cu+2Fe3+=Cu2++2Fe2+ Cu Fe3+ + e- = Fe2+下层(CCl4层)溶液呈紫红色,且上层清液中滴加KSCN后溶液呈血红色 4Fe2++O2+4H+=2H2O+4Fe3+该可逆反应达到了化学平衡状态向左【解析】【分析】(1)验证Fe3+与Cu2+氧化性强弱时,应将反应Cu+2Fe3+=Cu2++2Fe2+设计成原电池,原电池中铜作负极发生氧化反应被损耗,选用金属性弱于铜的金属或非金属C作正极,电解质溶液为可溶性的铁盐;(2)方案一:如该反应为可逆反应,加入四氯化碳,四氯化碳层呈紫红色,上层清液中滴加KSCN后溶液呈血红色;但在振荡过程中,Fe2+离子易被空气中氧气生成Fe3+,不能证明Fe3+未完全反应;方案二:图中灵敏电流计的指针指向右,右侧烧杯为正极,当指针读数变零后,在右管中加入1mol/LFeCl2溶液,如为可逆反应,可发生2Fe2++I2⇌2Fe3++2I-,I2被还原,指针应偏向左。
高考化学化学能与电能培优易错难题练习(含答案)含答案解析一、化学能与电能1.方法与规律提炼:(1)某同学利用原电池装置证明了反应Ag++Fe2+=Ag+Fe3+能够发生,设计的装置如下图所示。
为达到目的,其中石墨为_________极,甲溶液是____________,证明反应Ag++Fe2+=Ag +Fe3+能够发生的实验操作及现象是_________________________(2)用零价铁(Fe)去除水体中的硝酸盐(NO)已成为环境修复研究的热点之一。
Fe还原水体中NO3-的反应原理如图所示。
上图中作负极的物质是___________。
正极的电极反应式是______________。
(3)在传统的电解氯化氢回收氯气技术的基础上,科学家最近采用碳基电极材料设计了一种新的工艺方案,主要包括电化学过程和化学过程,如下图所示:阴极区的电极反应式为_______________。
电路中转移1 mol电子,需消耗氧气_______L(标准状况)。
(4)KClO3也可采用“电解法”制备,装置如图所示。
写出电解时阴极的电极反应式___________________电解过程中通过阳离子交换膜的离子主要为_________,其迁移方向是_____________(填a→b或b→a)。
学法题:通过此题的解答,请归纳总结书写电极反应式的方法____【答案】负 FeSO4或FeCl2溶液分别取电池工作前与工作一段时间后左侧烧杯中溶液,同时滴加KSCN溶液,后者红色加深铁 NO3-+8e-+10H+=NH4++3H2O Fe3++e-= Fe2+ 5.6L 2H++2e-= H2 ↑ K+a→b原电池中先确定原电池的正负极,列出正负极上的反应物质,并标出相同数目电子的得失;注意负极反应生成的阳离子与电解质溶液中的阴离子是否共存。
电解池中电极反应式的书写看阳极材料,如果阳极是惰性电极(Pt、Au、石墨),则应是电解质溶液中的离子放电,应根据离子的放电顺序进行书写。
高考化学化学能与电能(大题培优易错难题)及详细答案一、化学能与电能1.请从图中选用必要的装置进行电解饱和食盐水(含酚酞)的实验,要求测定产生的氢气的体积(大于25mL),并检验氯气的氧化性。
(1) A极发生的电极反应式是__________;B极发生的电极反应式是_______________ (2)电极A可能观察到的现象是_________________(3)设计检测上述气体实验装置时,各接口的正确连接顺序为_______接_______、_______接A,B接_______、_______接_______。
(4)实验中,在盛有KI淀粉溶液的容器中发生反应的离子方程式为__________________。
【答案】(1)2H++2e-==H2↑ 2Cl-—2e-==Cl2↑+2e-(2)溶液变红,有气体产生(3)H F G D E C(4)Cl2+2I-===2Cl-+I2【解析】试题分析:(1)要达到电解食盐水的目的,则电解池中铁棒必须连接电源的负极而作阴极,碳棒则连接电源的正极而作阳极,反之,铁作阳极则Fe2+进入溶液,无法实现电解食盐水的目的。
A极发生的电极反应式是2H++2e-==H2↑;B极发生的电极反应式是2Cl-—2e-==Cl2↑+2e-(2)电源负极接电解池的铁棒,负极区氢离子放电生成氢气和氢氧化钠,所以电极A可能观察到的现象是溶液变红,有气体产生。
(3)电解池左边A导管口产生H2,右边B导管口产生Cl2,以电解池为中心,则有:H←F、G←A、B→D、E→C,相应装置的作用:(4)实验中,在盛有KI淀粉溶液的容器中发生反应的离子方程式为Cl2+2I-===2Cl-+I2。
考点:本题考查化学反应中的能量变化。
2.某化学兴趣小组为了探索铝电极在原电池中的作用,设计并进行了以下一系列实验,实验结果记录如下:编号电极材料电解质溶液电流指针偏转方向1Mg Al稀盐酸偏向Al2Al Cu稀盐酸偏向Cu3Al 石墨稀盐酸偏向石墨4Mg Al NaOH溶液偏向Mg5Al Zn浓硝酸偏向Al试根据上表中的实验现象回答下列问题:(1)实验1、2中Al所作的电极是否相同?.(2)实验1、4中Al所作的电极是否相同?.(3)写出实验3中的电极反应式.正极:;(4)用电子式表示氯化镁的形成过程:【答案】(1)不同;(2)不同;(3)2H++2e-=H2↑;(4)。
高考化学化学能与电能培优易错试卷练习(含答案)(1)一、化学能与电能1.研究小组进行图所示实验,试剂A为0.2 mol·L−1 CuSO4溶液,发现铝条表面无明显变化,于是改变实验条件,探究铝和CuSO4溶液、CuCl2溶液反应的影响因素。
用不同的试剂A进行实验1~实验4,并记录实验现象:实验序号试剂A实验现象10.2 mol·L−1 CuCl2溶液铝条表面有气泡产生,并有红色固体析出20.2 mol·L−1 CuSO4溶液,再加入一定质量的NaCl固体开始铝条表面无明显变化,加NaCl后,铝条表面有气泡产生,并有红色固体析出3 2 mol·L−1 CuSO4溶液铝条表面有少量气泡产生,并有少量红色固体4 2 mol·L−1 CuCl2溶液反应非常剧烈,有大量气泡产生,溶液变成棕褐色,有红色固体和白色固体生成(1)实验1中,铝条表面析出红色固体的反应的离子方程式为_________。
(2)实验2的目的是证明铜盐中的阴离子Cl−是导致实验1中反应迅速发生的原因,实验2中加入NaCl固体的质量为_________ g。
(3)实验3的目的是_________。
(4)经检验知,实验4中白色固体为CuCl。
甲同学认为产生白色固体的原因可能是发生了Cu + CuCl 22CuCl的反应,他设计了右图所示实验证明该反应能够发生。
① A极的电极材料是_________。
② 能证明该反应发生的实验现象是_________。
(5)为探究实验4中溶液呈现棕褐色的原因,分别取白色CuCl固体进行以下实验:实验序号实验操作实验现象i加入浓NaCl溶液沉淀溶解,形成无色溶液ii加入饱和AlCl3溶液沉淀溶解,形成褐色溶液iii向i所得溶液中加入2 mol·L-1 CuCl2溶液溶液由无色变为褐色查阅资料知:CuCl难溶于水,能溶解在Cl-浓度较大的溶液中,生成[CuCl2]-络离子,用水稀释含[CuCl2]-的溶液时会重新析出CuCl沉淀。
高考化学化学能与电能培优易错难题练习(含答案)(1)一、化学能与电能1.电解原理在化学工业中有广泛应用。
如图表示一个电解池,装有电解液a;X、Y是两块电极板,通过导线与直流电源相连。
请回答以下问题。
若X、Y都是惰性电极,a是饱和NaCl溶液,实验开始时,同时在两边各滴入几滴酚酞溶液,则:(1)电解池中X极上的电极反应式是____________,在X极附近观察到的现象是_________________。
(2)Y电极上的电极反应式是____________,检验该电极反应产物的方法是____________。
【答案】2H++2e-=H2↑放出气体,溶液变红 2Cl--2e-=Cl2↑把湿润的碘化钾淀粉试纸放在Y电极附近,试纸变蓝【解析】【详解】由题意或图像可知,此池为电解池,X极为阴极,Y极为阳极。
电极为惰性电极,饱和NaCl溶液中存在Na+、Cl-、H+、OH-,在阴极上,H+放电能力强于Na+,故阴极上发生的电极反应式为2H++2e-=H2↑,因而导致X极附近有气体放出,溶液呈碱性,溶液颜色由无色变为红色;在阳极上,Cl-放电能力强于OH-,故阳极上发生的电极反应式为2Cl--2e-=Cl2↑。
2.研究+6价铬盐不同条件下微粒存在形式及氧化性,某小组同学进行如下实验:已知:Cr2O72-(橙色)+H2O2CrO42-(黄色)+2H+△H=+13.8kJ/mol,+6价铬盐在一定条件下可被还原为Cr3+,Cr3+在水溶液中为绿色。
(1)试管c和b对比,推测试管c的现象是_____________________。
(2)试管a和b对比,a中溶液橙色加深。
甲认为温度也会影响平衡的移动,橙色加深不一定是c(H+)增大影响的结果;乙认为橙色加深一定是c(H+)增大对平衡的影响。
你认为是否需要再设计实验证明?__________(“是”或“否”),理由是____________________________________________________。
2020-2021高考化学化学能与电能培优易错试卷练习(含答案)附答案一、化学能与电能1.二氧化氯(ClO2)具有强氧化性,在工业上常用作水处理剂、漂白剂。
ClO2是一种易溶于水的黄绿色气体,其体积分数超过10%时易引起爆炸。
某研究小组欲用以下三种方案制备ClO2,回答下列问题:(1)以黄铁矿(FeS2)、氯酸钠和硫酸溶液混合反应制备ClO2,黄铁矿中的硫元素在酸性条件下被ClO3-氧化成SO42-,写出制备ClO2的离子方程式__。
(2)用过氧化氢作还原剂,在硫酸介质中还原NaClO3制备ClO2,并将制得的ClO2用于处理含CN-废水。
实验室模拟该过程的实验装置(夹持装置略)如图所示。
①装置A的名称是__,装置C的作用是__。
②反应容器B应置于30℃左右的水浴中,目的是__。
③通入氮气的主要作用有3个,一是可以起到搅拌作用,二是有利于将ClO2排出,三是__。
④ClO2处理含CN-废水的离子方程式为__,装置E的作用是__。
(3)氯化钠电解法是一种可靠的工业生产ClO2的方法。
①用于电解的食盐水需先除去其中的Ca2+、Mg2+、SO42-等杂质。
某次除杂操作时,往粗盐水中先加入过量的__(填化学式),至沉淀不再产生后,再加入过量的Na2CO3和NaOH,充分反应后将沉淀一并滤去。
②用石墨做电极,在一定条件下电解饱和食盐水制取ClO2,工作原理如图所示,写出阳极产生ClO2的电极反应式__。
【答案】FeS2+15ClO3-+14H+=15ClO2+Fe3++2SO42-+7H2O 恒压漏斗安全瓶提高化学反应速率,同时防止过氧化氢受热分解稀释ClO2,防止其爆炸 2CN-+2ClO2=2CO2+N2+2Cl-吸收ClO2等气体,防止污染大气 BaCl2 Cl--5e-+2H2O=ClO2↑+4H+【解析】【分析】二氧化氯(ClO2)具有强氧化性,在工业上常用作水处理剂、漂白剂。
分别利用无机反应和电解原理制备二氧化氯,三种方法均利用了氧化还原反应。
2020-2021高考化学化学能与电能培优易错试卷练习(含答案)含答案一、化学能与电能1.方法与规律提炼:(1)某同学利用原电池装置证明了反应Ag++Fe2+=Ag+Fe3+能够发生,设计的装置如下图所示。
为达到目的,其中石墨为_________极,甲溶液是____________,证明反应Ag++Fe2+=Ag +Fe3+能够发生的实验操作及现象是_________________________(2)用零价铁(Fe)去除水体中的硝酸盐(NO)已成为环境修复研究的热点之一。
Fe还原水体中NO3-的反应原理如图所示。
上图中作负极的物质是___________。
正极的电极反应式是______________。
(3)在传统的电解氯化氢回收氯气技术的基础上,科学家最近采用碳基电极材料设计了一种新的工艺方案,主要包括电化学过程和化学过程,如下图所示:阴极区的电极反应式为_______________。
电路中转移1 mol电子,需消耗氧气_______L(标准状况)。
(4)KClO3也可采用“电解法”制备,装置如图所示。
写出电解时阴极的电极反应式___________________电解过程中通过阳离子交换膜的离子主要为_________,其迁移方向是_____________(填a→b或b→a)。
学法题:通过此题的解答,请归纳总结书写电极反应式的方法____【答案】负 FeSO4或FeCl2溶液分别取电池工作前与工作一段时间后左侧烧杯中溶液,同时滴加KSCN溶液,后者红色加深铁 NO3-+8e-+10H+=NH4++3H2O Fe3++e-= Fe2+ 5.6L 2H++2e-= H2 ↑ K+a→b原电池中先确定原电池的正负极,列出正负极上的反应物质,并标出相同数目电子的得失;注意负极反应生成的阳离子与电解质溶液中的阴离子是否共存。
电解池中电极反应式的书写看阳极材料,如果阳极是惰性电极(Pt、Au、石墨),则应是电解质溶液中的离子放电,应根据离子的放电顺序进行书写。
高考化学二轮化学能与电能专项培优易错难题附详细答案一、化学能与电能1.硝酸是氧化性酸,其本质是NO3-有氧化性,某课外实验小组进行了下列有关NO3-氧化性的探究(实验均在通风橱中完成)。
实验装置编号溶液X实验现象实验Ⅰ 6 mol·L-1稀硝酸电流计指针向右偏转,铜片表面产生无色气体,在液面上方变为红棕色。
实验Ⅱ15 mol·L-1浓硝酸电流计指针先向右偏转,很快又偏向左边,铝片和铜片表面产生红棕色气体,溶液变为绿色。
(1)实验Ⅰ中,铝片作____________(填“正”或“负”)极。
液面上方产生红棕色气体的化学方程式是____________。
(2)实验Ⅱ中电流计指针先偏向右边后偏向左边的原因是________________。
查阅资料:活泼金属与1 mol·L-1稀硝酸反应有H2和NH4+生成,NH4+生成的原理是产生H2的过程中NO3-被还原。
(3)用上图装置进行实验Ⅲ:溶液X为1 mol·L-1稀硝酸溶液,观察到电流计指针向右偏转。
① 反应后的溶液中含NH4+。
实验室检验NH4+的方法是________。
② 生成NH4+的电极反应式是________。
(4)进一步探究碱性条件下NO3-的氧化性,进行实验Ⅳ:① 观察到A中有NH3生成,B中无明显现象。
A、B产生不同现象的解释是________。
②A中生成NH3的离子方程式是________。
(5)将铝粉加入到NaNO3溶液中无明显现象,结合实验Ⅲ和Ⅳ说明理由________。
【答案】负 2NO+O2=2NO2 Al开始作电池的负极,Al在浓硝酸中迅速生成致密氧化膜后,Cu作负极取少量待检溶液于试管中,加入浓NaOH溶液,加热,若产生使湿润的红色石蕊试纸变蓝的气体,则溶液中含NH4+ NO3-+8e-+10 H+=NH4++3H2O Al与NaOH溶液反应产生H2的过程中可将NO3-还原为NH3,而Mg不能与NaOH溶液反应 8Al+3NO3-+5OH-+2H2O=3NH3↑+8AlO2-因为铝与中性的硝酸钠溶液无生成H2的过程,NO3-无法被还原【解析】【分析】【详解】(1)实验Ⅰ中,由于Al的金属活动性比Cu强,因此Al做负极。
高考化学化学能与电能培优易错难题练习(含答案)含详细答案一、化学能与电能1.如图所示,E为浸有Na2SO4溶液的滤纸,并加入几滴酚酞。
A、B均为Pt片,压在滤纸两端,R、S为电源的电极。
M、N为惰性电极。
G为检流计,K为开关。
试管C、D和电解池中都充满KOH溶液。
若在滤纸E上滴一滴紫色的KMnO4溶液,断开K,接通电源一段时间后,C、D中有气体产生。
(1)R为电源的__,S为电源的__。
(2)A极附近的溶液变为红色,B极的电极反应式为__。
(3)滤纸上的紫色点移向__(填“A极”或“B极”)。
(4)当试管C、D中的气体产生到一定量时,切断外电源并接通开关K,经过一段时间,C、D中气体逐渐减少,主要是因为_,写出有关的电极反应式:__。
【答案】负极正极 2H2O-4e-=4H++O2↑ B极氢气和氧气在碱性环境下发生原电池反应,消耗了氢气和氧气 2H2+4OH--4e-=4H2O(负极),O2+2H2O+4e-=4OH-(正极)【解析】【分析】(1)根据电极产物判断电解池的阴阳极及电源的正负极;(2)根据电解池原理及实验现象书写电极反应式;(3)根据电解池原理分析电解质溶液中离子移动方向;(4)根据燃料电池原理分析解答。
【详解】(1)断开K,通直流电,电极C、D及氢氧化钾溶液构成电解池,根据离子的放电顺序,溶液中氢离子、氢氧根离子放电,分别生成氢气和氧气,氢气和氧气的体积比为2:1,通过图象知,C极上气体体积是D极上气体体积的2倍,所以C极上得氢气,D极上得到氧气,故R是负极,S是正极,故答案为:负极;正极;(2)A极是阴极,电解高锰酸钾时,在该极上放电的是氢离子,所以该极上碱性增强,酚酞显红色,B极是阳极,该极附近发生的电极反应式为:2H2O-4e-=4H++O2↑,故答案为:2H2O-4e-=4H++O2↑;(3)浸有高锰酸钾的滤纸和电极A、B与电源也构成了电解池,因为R是负极,S是正极,所以B极是阳极,A极是阴极,电解质溶液中的阴离子高锰酸根离子向阳极移动,紫色点移向B极,故答案为:B极;(4)当C、D里的气体产生到一定量时,切断外电源并接通开关K,构成氢氧燃料电池,氢气和氧气在碱性环境下发生原电池反应,消耗了氢气和氧气;在燃料电池中,燃料氢气为负极,在碱性环境下的电极反应式为:2H2+4OH--4e-=4H2O,C中的电极作负极,D中的电极作正极,电极反应式为O2+2H2O+4e-=4OH-,故答案为:氢气和氧气在碱性环境下发生原电池反应,消耗了氢气和氧气;2H2+4OH--4e-=4H2O(负极),O2+2H2O+4e-=4OH-(正极)。
高考化学化学能与电能培优易错难题练习(含答案)及详细答案一、化学能与电能1.某小组设计不同实验方案比较Cu2+、Ag+ 的氧化性。
查阅资料:Ag+ + I-= AgI↓ K1=1.2×1016;2Ag+ + 2I-= 2Ag↓+ I2K2= 8.7×108(1)方案1:通过置换反应比较向酸化的AgNO3溶液插入铜丝,析出黑色固体,溶液变蓝,说明氧化性Ag+>Cu2+。
反应的离子方程式是___________________________________________________。
(2)方案2:通过Cu2+、Ag+ 分别与同一物质反应进行比较实验试剂编号及现象试管滴管1.0 mol/LKI溶液1.0 mol/L AgNO3溶液Ⅰ.产生黄色沉淀,溶液无色1.0 mol/L CuSO4溶液Ⅱ.产生白色沉淀A,溶液变黄①经检验,Ⅰ中溶液不含I2,黄色沉淀是________。
②经检验,Ⅱ中溶液含I2。
推测Cu2+做氧化剂,白色沉淀A是CuI。
确认A的实验如下:a.检验滤液无I2。
溶液呈蓝色说明溶液含有________(填离子符号)。
b.白色沉淀B是________。
c.白色沉淀A与AgNO3溶液反应的离子方程式是___________,说明氧化性Ag+>Cu2+。
(3)分析方案2中Ag+ 未能氧化I- ,但Cu2+氧化了I-的原因,设计实验如下:编号实验1实验2实验3实验KI溶液KI溶液 AgNO3溶液a bKI溶液 CuSO4溶液c d(电极均为石墨,溶液浓度均为 1 mol/L,b、d中溶液pH≈4)①a中溶液呈棕黄色的原因是___________________________(用电极反应式表示)。
②“实验3”不能说明Cu2+氧化了I-。
依据是空气中的氧气也有氧化作用,设计实验证实了该依据,实验方案及现象是_____________________________。
③方案2中,Cu2+能氧化I-,而Ag+未能氧化I-。
其原因一是从K值分析:______;二是从Cu2+的反应特点分析:______________________________________________。
【答案】Cu+2Ag+=2Ag+Cu2+;AgI Cu2+AgCl CuI+2Ag+=Cu2++Ag+AgI2I――2e-=I2将d烧杯内的溶液换为pH≈4的1 mol/L Na2SO4溶液,c中溶液较慢变浅黄,电流计指针偏转K1>K2,故Ag+更易与I_发生复分解反应,生成AgI2Cu2+ + 4I- = 2CuI + I2,生成了CuI沉淀,使得Cu2+的氧化性增强【解析】【分析】【详解】(1)向酸化的硝酸银中插入铜丝,析出黑色固体,溶液变蓝,说明银离子氧化铜,反应生成银单质和铜离子,反应的离子方程式为:Cu+2Ag+=2Ag+Cu2+; (2)经过检验,Ⅱ中溶液含有碘单质,推测铜离子做氧化剂,白色沉淀A为碘化亚铜,沉淀A中加入足量硝酸银溶液得到灰黑色沉淀,过滤得到滤液为蓝色,说明生成了铜离子,滤渣加入浓硝酸得到黄色沉淀为碘化银,溶液中加入稀盐酸生成白色沉淀,说明B为氯化银。
①经检验,Ⅰ中溶液不含I2,黄色沉淀为AgI。
②a.检验滤液无I2。
溶液呈蓝色说明溶液含有铜离子;b.白色沉淀B是氯化银;c.白色沉淀A与AgNO3溶液反应的离子方程式是CuI+2Ag+=Cu2++Ag+AgI。
(3). ①a中溶液较快变棕黄色,b中电极上析出银,说明形成原电池,a为负极失去电子发生氧化反应,溶液变黄色是生成了碘单质,电极反应为2I――2e-=I2。
②实验3不能说明铜离子氧化碘离子,依据是空气中的氧气也有氧化作用,设计实验验证了该依据,实验方案及现象为:将d烧杯内的溶液换为pH≈4的1 mol/L Na2SO4溶液,c中溶液较慢变浅黄,电流计指针偏转。
③方案2中,铜离子氧化碘离子,而银离子未能氧化碘离子的原因,K1>K2,故Ag+更易与I_发生复分解反应,生成AgI。
铜离子氧化碘离子的方程式为:2Cu2+ + 4I- = 2CuI + I2,生成了CuI沉淀,使得Cu2+的氧化性增强。
2.某小组设计不同实验方案比较Cu2+、Ag+ 的氧化性。
(1)方案1:通过置换反应比较向酸化的AgNO3溶液插入铜丝,析出黑色固体,溶液变蓝。
反应的离子方程式是_______,说明氧化性Ag+>Cu2+。
(2)方案2:通过Cu2+、Ag+ 分别与同一物质反应进行比较试管滴管1.0 mol/LKI溶液1.0mol/LAgNO3溶液Ⅰ.产生黄色沉淀,溶液无色1.0mol/LCuSO4溶液Ⅱ.产生白色沉淀A,溶液变黄①经检验,Ⅰ中溶液不含I2,黄色沉淀是________。
②经检验,Ⅱ中溶液含I2。
推测Cu2+做氧化剂,白色沉淀A是CuI。
确认A的实验如下:a.检验滤液无I2。
溶液呈蓝色说明溶液含有________(填离子符号)。
b.白色沉淀B是________。
c.白色沉淀A与AgNO3溶液反应的离子方程式是____,说明氧化性Ag+>Cu2+。
(3)分析方案2中Ag+ 未能氧化I- ,但Cu2+氧化了I-的原因,设计实验如下:编号实验1实验2实验3实验现象无明显变化a中溶液较快变棕黄色,b中电极上析出银;电流计指针偏转c中溶液较慢变浅黄色;电流计指针偏转(电极均为石墨,溶液浓度均为 1 mol/L,b、d中溶液pH≈4)① a中溶液呈棕黄色的原因是_______(用电极反应式表示)。
②“实验3”不能说明Cu2+氧化了I-。
依据是空气中的氧气也有氧化作用,设计实验证实了该依据,实验方案及现象是_______。
③方案2中,Cu2+能氧化I-,而Ag+未能氧化I-的原因:_______。
(资料:Ag+ + I-= AgI↓ K1 =1.2×1016;2Ag+ + 2I-= 2Ag↓+ I2 K2 = 8.7×108)【答案】Cu+2Ag+=2Ag+Cu2+ AgI Cu2+ AgCl CuI+2Ag+=Cu2++Ag+AgI 222I e I---=将d烧杯内的溶液换为pH≈4的1 mol/L 24Na SO溶液,c中溶液较慢变浅黄,电流计指针偏转 K 1>K 2,故Ag +更易与I -发生复分解反应,生成AgI 2Cu 2+ + 4I - = 2CuI + I 2 ,生成了CuI沉淀,使得2Cu +的氧化性增强【解析】(1)向酸化的AgNO 3溶液插入铜丝,析出黑色固体,溶液变蓝,说明铜置换出了金属银,反应的离子方程式为222Cu Ag Ag Cu +++=+,说明氧化性Ag +>Cu 2+,故答案为222Cu Ag Ag Cu +++=+;(2)① 经检验,Ⅰ中溶液不含I 2,黄色沉淀是碘离子与银离子形成的碘化银沉淀,故答案为AgI ;②Ⅱ中溶液含I 2,说明Cu 2+做氧化剂,将碘离子氧化,本身被还原为Cu +,因此白色沉淀A是CuI 。
a .检验滤液无I 2。
溶液呈蓝色说明溶液含有Cu 2+,故答案为Cu 2+;b .滤渣用浓硝酸溶解后,在上层清液中加入盐酸,生成的白色沉淀B 为AgCl ,故答案为AgCl ;c .白色沉淀A 与AgNO 3溶液反应生成了Cu 2+和灰黑色沉淀,灰黑色沉淀用浓硝酸溶解后的溶液中含有银离子,黄色沉淀为AgI ,说明灰黑色沉淀中含有金属银,反应的离子方程式为22CuI Ag Cu Ag AgI +++=++,说明氧化性Ag +>Cu 2+,故答案为22CuI Ag Cu Ag AgI +++=++;(3)①碘化钾溶液与硝酸银溶液构成了原电池,a 中溶液中的碘离子发生氧化反应生成碘单质,溶液呈棕黄色,电极反应式为222I e I ---=,故答案为222I e I ---=;② “实验3”不能说明Cu 2+氧化了I -。
依据是空气中的氧气也有氧化作用,只需设计没有铜离子的情况下,也能看到相似的现象即可,可以设计实验:将d 烧杯内的溶液换为pH≈4的1mol/L 24Na SO 溶液,c 中溶液较慢变浅黄,电流计指针偏转,故答案为将d 烧杯内的溶液换为pH≈4的1 mol/L 24Na SO 溶液,c 中溶液较慢变浅黄,电流计指针偏转;③Ag + + I - = AgI↓ K 1 =1.2×1016;2Ag + + 2I - = 2Ag↓+ I 2 K 2 = 8.7×108,K 1>K 2,故Ag +更易与I -发生复分解反应,生成AgI 。
2Cu 2+ + 4I - = 2CuI + I 2 ,生成了CuI 沉淀,使得2Cu +的氧化性增强,因此方案2中,Cu 2+能氧化I -,而Ag +未能氧化I -,故答案为K 1>K 2,故Ag +更易与I -发生复分解反应,生成AgI 。
2Cu 2+ + 4I - = 2CuI + I 2 ,生成了CuI 沉淀,使得2Cu +的氧化性增强。
点睛:本题考查了化学实验方案的设计与探究,本题的难度较大,理解实验的设计意图是解题的关键。
本题的难点为(3)③,要注意根据反应进行的趋势大小和化学平衡移动的原理分析解答。
3.电解原理和原电池原理是电化学的两个重要内容。
某兴趣小组做如下探究实验:(1)如上图1为某实验小组依据氧化还原反应设计的原电池装置,若盐桥中装有饱和的KNO3溶液和琼胶制成的胶冻,则NO3-移向_____________装置(填写“甲或乙”)。
其他条件不变,若将CuCl2溶液换为NH4Cl溶液,发现生成无色无味的单质气体,则石墨上电极反应式______________________。
(2)如上图2,其他条件不变,若将盐桥换成弯铜导线与石墨相连成n型,则甲装置是____________(填“原电池或电解池”),乙装置中石墨(2)为极,乙装置中与铁线相连的石墨(1)电极上发生的反应式为。
(3)在图2乙装置中改为加入CuSO4溶液,一段时间后,若某一电极质量增重 1.28 g,则另一电极生成______________mL(标况下)气体。
【答案】(1)甲;2H++2e-=H2;(2)原电池;阳;Cu2++2e-=Cu(3)224【解析】试题分析:(1)装置1中铁是负极、石墨是正极,阴离子在原电池中移向负极,NO3-移向甲装置;若将CuCl2溶液换为NH4Cl溶液,发现生成无色无味的单质气体,则石墨上电极反应式2H++2e-=H2;(2)图2,其他条件不变,若将盐桥换成弯铜导线与石墨相连成n型,则甲装置中两个电极不同,构成原电池;,乙装置是电解池,石墨(2)与正极相连,石墨(2)为阳极,乙装置中与铁线相连的石墨(1)是阴极,电极上发生的反应式为Cu2++2e-=Cu;(3)某一电极生成 1.28 g铜,转移电子1.2820.0464/gmolg mol⨯=,则另一电极生成氧气,根据转移电子相同,生成氧气0.01mol,标况下的体积为224mL。