砌体结构第五章墙体中的特殊构件及构造措施
- 格式:ppt
- 大小:9.61 MB
- 文档页数:107
砌体墙的基本构造(带图片)砌体墙的基本构造砌体墙砌筑块材粘结材料●常用砌体材料及规格抗震主要构造措施■ 砌筑块材标准机制黏土砖实际尺寸为240mm(长)X115mm(宽)X53mm(厚)承重多孔砖实际尺寸为240mm(长)X115mm(宽)X90mm(厚)及190mm(长)X190mm(宽)X90mm(厚)等水泥砌块混凝土小型空心砌块的常见尺寸为190mmX190mmX390mm,辅助块尺寸为90mmX190mmX190mm和190mmX190mmX90mm等;煤灰硅酸盐中型砌块的常见尺寸为240mmX380mmX880mm 和240mmX430mmX850mm等;蒸压加气混凝土砌块长度多为600mm,其中a系列宽度为75mm、100mm、125mm和150mm,厚度为200mm、250mm和300mm;b系列宽度为60mm、120mm、180mm等,厚度为240mm和300mm。
■ 粘结材料常用粘结材料的主要成分——水泥、黄砂、石灰膏级配——不同的材料配合的重量比水泥砂浆——水泥和黄砂配合。
其常用级配(水泥:黄砂)为1:2、1:3等;混合砂浆——在水泥砂浆中加入石灰膏。
其常用级配(水泥:石灰:黄砂)为1:1:6、1:1:4等。
强度——砂浆为刚性材料,主要考虑抗压强度。
其强度等级分为:M0.4、M1.0、M2.5、M5.0、M7.5、M10、M15等7个等级。
和易性——保持合适的流动性、粘聚性和保水性,以达到易于施工操作,并成型密实、质量均匀的性能。
水泥砂浆的强度和防水性能要高于混合砂浆;混合砂浆的和易性优于水泥砂浆。
±0.00以下用水泥砂浆砌筑,±0.00以上用混合砂浆砌筑。
●砌体墙的砌筑要领错缝搭接,避免通缝,横平竖直,砂浆饱满砖墙砌筑方式砌块墙体砌块搭接处钢筋网片的设置方法用空心砌块做配筋砌体●砌体墙作为填充墙的构造要点墙体与周边构件的拉结在骨架承重体系的建筑中,柱子上面每500mm高左右留出拉结钢筋,以便在砌筑填充墙时将拉结钢筋砌入墙体的水平灰缝内。
砌体结构设计第五章课后答案五章材料的不同分为:砖砌体;砌块砌体和石砌体三类。
15.2砌体结构有哪些优缺点?P314答:1)砌体结构的主要优点:1.就地取材,造价低;2.运输和施工简便3.耐久性和耐火性好:4.保温思考题15.1 什么是砌体结构?砌体按所采用材料的不同可以分为哪几类答:由块体和砂浆砌筑而成的受力结构,称为砌体结构,是砖砌体、砌块砌体和石砌体结构的统称。
砌体按、隔热、隔声性能好。
2)砌体结构的主要缺点:1.强度低,特别是抗拉、抗剪和抗弯强度很低;2.自重大;3.整体性差;4.抗震性能差:5.手工操作;6.采用黏土砖会侵占大量农田3)砌体结构正在向轻质高强、约束砌体、利用工业废料和工业化生产等方向发展。
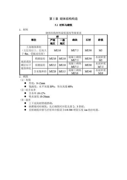
15.3怎样确定块体材料和砂浆的等级?P317答:块体和砂浆的选择主要应满足强度和耐久性的要求,同时也要考虑因地制宜和就地取材,对建筑物的要求以及工作环境(是否处于水下或地下潮湿环境中,有无侵蚀性的液体或气体的作用)等因素:对强度《砌体规范》规定:5层或以上的房屋建筑的墙,以及受振动或高层大于6m的墙、柱所用的最低强度等级:1)砖采用MU10;2)砌体采用MU7.5;石材采用MU30;6)砂浆强度采用M5。
15.4 选用的材料应注意哪些问题?块体和砂浆的选择主要应满足强度和耐久性的要求15.5简述砌体受压过程及其破坏特征?P320 答:1)砌体受压的过程: 1.未裂阶段当荷载小于50%-70%破坏荷载时,压应力与压应变近似为线性关系,砌体没有裂缝;2.裂缝阶段当荷载达到了50%-70%破坏荷载时,在单个块体内出现竖向裂缝,试件就进入了裂缝阶段,这时停止加载,裂缝就停止发展。
继续加载,单块的裂缝增多,并且开始贯穿。
这时如果停止加载,裂缝仍将继续发展;3.破坏阶段当荷载增大到80%-90%破坏荷载时,砌体上已形成几条上下连续贯通的裂缝,试件就进入破坏阶段,这时的裂缝已把砌体分成1/2块体的小立柱,砌体外鼓,最后由于个别块体被压碎或小立柱失稳而破坏。
砌体结构1 一般规定1.1砌体结构可采用粘土实心砖和多孔砖及非粘土类烧结砖,如页岩烧结砖、粉煤灰烧结砖,和蒸压类的蒸压灰砂砖、蒸压粉煤灰砖以及混凝土小型空心砌块、石料等。
粘土类烧结砖,除240mm×115mm×53mm实心砖以外,应优先选用多孔砖,如KP1型(240mm×115mm×90mm)和M型(190mm×190mm×90mm)模数多孔砖。
蒸压类砖仅限采用240mm×115mm×53mm的实心砖,其抗剪强度较烧结类砖低30%,多孔和空心砖不得用于承重墙体。
混凝土小型空心砌块的主导块型为390mm×190mm×190mm,以及与此相匹配的辅助块型。
不得采用非标准的混凝土砌块。
砌体块材的强度等级,砖不应小于MU10,砌块不应小于MU5;对烧结类砖和石材宜采用普通砂浆,蒸压类砖宜采用粘性较好的专用砂浆;砂浆强度等级不宜大于块材的强度等级。
对安全等级为一级或设计使用年限大于50年的房屋,所用材料最低强度等级应至少提高一级。
武汉地区已禁用粘土类制品,但在其他部分地区仍有采用,故应根据当地法规选择适合的砌体材料。
1.2砌体结构的施工质量控制等级应在施工图中加以说明,其中B级即相当于我国目前一般的施工水平,当采用其它等级时,应对砌体的强度指标进行调整。
1.3考虑到大部分地区均有抗震的要求,建议不采用对抗震不利的结构体系及构件,如多层多排内框架结构、墙梁等。
1.4多层砌体及底部框架一抗震墙房屋的层数和高度应遵守《建筑抗震设计规范》GB 50011—200l(2008年版)中的规定,详见该规范表1.2房屋的层数和总高度限值及其注。
关于层数和总高度的几点具体规定:1对医院,教学楼等横墙较少的多层砌体房屋,以及横墙很少的多层砌体房屋,必须严格按规范1.2条控制房屋的层数和总高度限值。
其中横墙较少一般指大于4.2m开间的房间占该层面积的40%-80%以上者;横墙很少一般指大于4.2m开间的房间占该层面积的80%以上者,故当涉及到多层教学楼、食堂、俱乐部和会议楼等应特别注意。
五、过梁、圈梁、墙梁、悬挑构件及墙体的构造措施(1)、常用的过梁有砖砌过梁和钢筋混凝土过梁两类。
作用在过梁上的荷载有墙体荷载和过梁计算范围内的梁板荷载。
根据过梁的工作特性和破坏形态,砖砌过梁应进行跨中正截面和支座斜截面承载力计算;钢筋混凝土过梁应进行跨中正截面和支座斜截面承载力计算以及过梁下砌体局部受压承载力验算。
(2)、圈梁可以增强房屋的整体性和空间刚度,防止由于地基不均匀沉降或较大振动荷载等对房屋引起的不利影响,因此,在各类砌体房屋中均应按规定设置圈梁。
对圈梁的构造要求是为了保证圈梁作用发挥。
(3)、墙梁按承受荷载可分为承重墙梁和非承重墙梁;按支撑条件可分为简支墙梁、框支墙梁和连续墙梁。
墙梁设计时应满足一般规定的要求以及对材料、墙体、托梁、开间等方面的构造要求。
(4)、影响墙梁破坏形态的主要因素有:墙体的高跨比、托梁高跨比、砌体和混凝土强度、托梁纵筋配筋率、剪跨比、墙体开洞情况、支承情况以及有无翼墙等。
由于这些因素的不同,墙梁将会发生弯曲破坏、斜拉破坏、斜压破坏、局压破坏等几种破坏形态。
因此,墙梁应分别进行使用阶段正截面和斜截面承载力计算、墙体受剪承载力和托梁支座上部砌体局部受压承载力计算,以及施工阶段托梁承载力验算。
自承重墙梁可不验算墙体受剪承载力和砌体局部受压承载力。
(5)、针对挑梁的受力特点和破坏形态,挑梁应进行抗倾覆验算、承载力计算和挑梁下砌体局部受压承载力验算,其中抗倾覆验算应作为重点。
(6)、设计砌体结构房屋时,除进行墙柱的承载力计算和高厚比验算外,还应满足墙柱的一般构造要求,这是为了保证结构的耐久性,保证房屋的整体性和空间刚度。
(7)、引起墙体开裂的主要因素是温度收缩变形和地基的不均匀沉降,为了防止和减轻墙体的开裂,除了在房屋的适当部位设置沉降缝和伸缩缝外,还可以根据房屋的实际情况采取一些经过工程实践证明确实行之有效的措施。
四、混合结构房屋墙体设计(1)、混合结构房屋的结构布置分为纵墙承重方案、横墙承重方案、纵横墙承重方案和内框架承重方案。