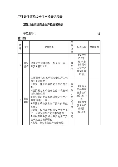
疾控中心安全生产检查记录表
- 格式:docx
- 大小:11.91 KB
- 文档页数:1
2024年疾控中心安全生产大检查工作方案如下:
根据上级文件要求,我中心将于今年开展一次安全生产大检查,以全面排查潜在风险,确保工作场所安全。
具体方案如下:
一、组织领导
1、成立安全生产大检查领导小组,明确工作目标和任务,分工合作,统筹协调。
2、加强宣传教育工作,提高全员安全意识,营造安全生产的浓厚氛围。
二、全面排查
1、对各部门、各岗位的安全生产情况进行全面排查,重点关注存在的安全隐患和漏洞。
2、督促各单位及时制定整改计划,消除隐患,确保安全风险可控。
三、监督检查
1、建立安全生产日常监督检查机制,加强对关键岗位的监督检查力度,确保落实到位。
2、强化对外协单位的监管,严格按照规定执行安全生产标准。
四、整改落实
1、对检查发现的问题及时进行整改,建立问题台账,实行跟踪督办,确保整改措施到位。
2、加强对隐患整改的督促和检查,确保整改效果符合要求。
五、宣传推广
1、及时总结安全生产检查经验,编制宣传资料,开展安全教育培训,提高全员安全意识。
2、运用多种形式宣传安全生产知识,提倡安全文化,倡导安全生产理念。
以上为我中心2024年疾控中心安全生产大检查工作方案,将严格按照计划的要求开展,确保各项工作稳步推进,达到安全生产的目标。
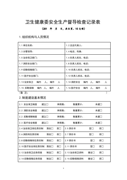
卫生健康委安全生产督导检查记录表
(201 年月日,共8页、10大项)
1.组织机构与人员情况
2.制度建设基本情况
3.需补充的问题隐患及整改意见(其他见P4、P6、P8页)
此可以不填(不清楚的不填,没检查到的不填)。
偶数页为主观判断和概括的内容,请务必认真填写所发现的问题和隐患(不写成绩、经验措施等内容),并双方签名(督查与被督查的双方人员)。
4.治安保卫情况
5.消防安全管理情况
6. 治安保卫和消防安全主要问题隐患
此可以不填(不清楚的不填,没检查到的不填)。
偶数页为主观判断和概括的内容,请务必认真填写所发现的问题和隐患(不写成绩、经验措施等内容),并双方签名(督查与被督查的双方人员)。
7.后勤保障基本情况
8. 后勤保障主要问题隐患
此可以不填(不清楚的不填,没检查到的不填)。
偶数页为主观判断和概括的内容,请务必认真填写所发现的问题和隐患(不写成绩、经验措施等内容),并双方签名(督查与被督查的双方人员)。
9.医疗安全基本情况
10. 医疗安全主要问题隐患
对此可以不填(不清楚的不填,没检查到的不填)。
偶数页为主观判断和概括的内容,请务必认真填写所发现的问题和隐患(不写成绩、经验措施等内容),并双方签名(督查与被督查的双方人员)。
项目安全生产检查记录表项目安全生产检查记录表公司名称:XXX工程有限公司项目名称:XXX项目检查日期:XXXX年XX月XX日检查人员:XXX检查内容:1. 施工场地安全检查2. 作业人员个人防护用品检查3. 施工设备和机械设备安全检查4. 施工工艺及作业程序检查5. 现场消防设施和应急疏散通道检查检查结果:1. 施工场地安全检查:- 施工现场围栏完好,标识清晰,未发现安全隐患。
- 施工材料堆放整齐,无倾倒、滑落等现象。
- 施工道路通畅,无杂物堆积。
- 施工对旁人的影响较小,未发生交通事故。
2. 作业人员个人防护用品检查:- 检查了施工人员的安全帽、安全鞋、安全绳等个人防护用品,均符合要求。
- 作业人员佩戴防护用品情况良好。
- 检查了工地管理人员对作业人员防护用品的督导情况,有专人负责,并做好登记。
3. 施工设备和机械设备安全检查:- 对施工机械设备进行了检查,各设备运转正常,无明显异常。
- 检查了设备操作人员的操作证件和操作规范,符合相关规定。
- 设备的维修和保养情况较好,没有发现存在安全隐患。
4. 施工工艺及作业程序检查:- 检查了施工工艺和作业程序的制定和执行情况,符合项目需求和安全操作规范。
- 施工人员按照流程进行作业,未发现操作不当或超标现象。
- 检查了施工人员的操作证件和证照,均合法有效。
5. 现场消防设施和应急疏散通道检查:- 检查了现场消防设施的火警报警器和灭火器,均处于正常状态。
- 检查了应急疏散通道的畅通情况,未发现堵塞或其他障碍。
综上所述,本次安全生产检查结果良好,施工现场各项安全措施符合要求,没有发现严重安全隐患。
建议继续加强施工现场的安全管理,确保项目的顺利进行。
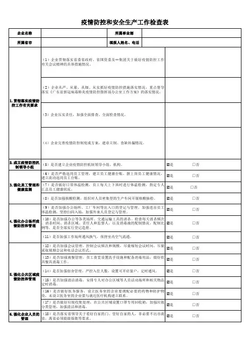
指挥体系疫情防控检查表检查项目检查内容具体问题1.秋冬季疫情防控方案、建立各项专班、应急预案制定、培训与演练情况综合管理2.疫情防控工作的各项部署和落实情况,及时发现和整改各类隐患的情况3.新冠肺炎疫情应急处置能力项目清单建设推进情况(11项180条)1.疫情防控人员配备、值班值守以及日常工作开展情况2.区域协查机制运行、社区防控培训演练等情况3.突发疫情处置专家库建立、专家工作组组建等情况常态化运行情况4.隔离场所设置情况5.核酸检测能力储备情况6. 重点人群新冠疫苗强化免疫接种情况—1—集中隔离医学观察场所感染防控检查表检查项目 项目分类 检查内容 具体问题组织架构应设立临时办公室,下设防控消毒组、健康观察组、信息联络组、安全保卫组、后勤保障组、病例转运组、人文关怀组。
制定领导带班等各项规章制度,以及应急和突发事件处置预案。
医护人员严格按照不低于2:50要求配备到位并持续在岗,其他服务人员按照医务人员3-4倍配备,每个隔离场所应派驻1名经过感控专业培训的人员。
工作人员配备与管理所有工作人员要完成新冠病毒疫苗全程接种,且接种满14天;按规定频次开展核酸检测;实行封闭管理。
至少配备2名专职消毒人员,负责培训、指导工作人员个人防护和消毒工作;负责隔离场所日常消毒和人员正常解除后实施预防性消毒及质量控制。
防控消毒组加强公共区域开窗通风,做好环境清洁卫生,每日对地面、门把手和电梯按键等人员触碰较多部位、公共卫生间、垃圾桶等进行消毒,指导工作人员个人防护。
组织与职责健康观察组指导留观人员个人防护,开展健康宣传并定期巡查,提示隔离观察对象未经同意,不得擅离隔离房间,要求对不遵守隔离观察要求的应及时劝阻。
对劝阻无效的,采取重新计算隔离周期、费用自理等处理措施。
—2—检查项目 项目分类 检查内容 具体问题督促观察对象做好开窗通风、室内清洁和消毒。
每日至少2次询问观察对象健康状况,测量体温或获取电子测温记录,询问有无干咳、乏力、咽痛、鼻塞等相关症状,记入《集中观察人员健康监测卡》;一旦发现观察对象健康异常,立即进入转诊程序。
2024年疾控中心安全生产检查情况总结范文一、背景介绍疾控中心作为保障公众健康的重要机构,在安全生产方面的重要性不言而喻。
为了持续改进和提升疾控中心的安全生产水平,____年我们进行了一系列的安全生产检查工作。
本文将对____年的安全生产检查情况进行总结,包括检查目的、检查内容、发现问题和采取的措施等。
二、检查目的安全生产检查的目的是为了发现存在的安全隐患和问题,及时采取措施进行整改,保障员工的安全健康和工作环境的安全。
通过检查,提高疾控中心的安全意识和责任感,推动安全生产管理水平的不断提升。
三、检查内容1. 工作场所安全检查:对疾控中心的办公区域、实验室、仓库等区域进行检查,包括通风设施、灭火器配置、电气设备使用是否符合规范等。
2. 特种设备安全检查:对疾控中心使用的特种设备进行检查,包括实验室设备、生物安全柜、自动化设备等,确保设备的运行安全和人员的操作安全。
3. 化学品管理检查:对疾控中心常用的化学品进行检查,包括化学品标识、存储和使用情况等,防止化学品的泄漏和误用。
4. 应急预案检查:对疾控中心的应急预案进行检查,包括火灾、泄露、意外伤害等应急情况的预案编制和组织实施情况。
5. 员工安全意识培训:检查员工的安全意识和安全培训情况,包括个人防护用品的使用、事故应急处置等,提高员工对安全的重视和自我保护能力。
四、发现问题与整改措施在____年的安全生产检查中,我们发现了一些问题和隐患,针对这些问题,我们采取了相应的整改措施,确保安全生产工作的顺利进行。
1. 工作场所安全问题:部分办公区域通风设施不完善,存在空气污染的风险。
我们立即组织人员进行维修和改善,确保员工的呼吸健康。
2. 特种设备安全问题:发现一台生物安全柜存在漏气的情况,可能导致生物实验的误差和风险。
我们立即停用该设备,并委托专业人员进行维修和检测,保障实验的准确性和安全性。
3. 化学品管理问题:发现化学品存储区域存在混放现象,存在化学反应的风险。
疾控中心安全生产检查情况总结疾控中心安全生产检查情况总结皋兰县疾病预防控制中心201*年安全生产检查情况依据安全生产、综治创安工作计划要求,我中心领导高度重视此项工作,仔细安排布置了安全隐患排查工作。
现将开展工作情况汇报如下:一、基础情况全中心共7个科室,包括中心办、结防科、传染病防治科、免疫规划科、性艾科、检验科、财务科、在对各科室的管理中将安全生产、综治纳入卫生综合目标责任书中一并检查考核。
二、主要工作内容(一)召开安全生产专题会议,传达相关文件和会议精神,中心主任安排布置安全生产隐患排查整治工作内容。
(二)对本单位的火灾隐患进行一次全面的排查,仔细检查突发事件应急疏散通道是否通畅,消防、应急设施是否完好,严防火灾事故的发生。
保障医疗安全和安全生产。
(三)加强职工宣传教育和自身安全防范宣传,加强单位职工行车安全,上下班、下乡途中的安全,单位车辆安全管理的宣传教育工作,用车必须由用车人提出书面申请经科长签字后到办公室调配后上报经中心领导审核后签字方可使用,驾驶员出车时严格遵守道路交道安全法和各种规章制度,加强单位有车人员的教育管理,做到登记造册,采取集中教育或推行单位与职工中的机动车驾驶人签订安全责任状的形式,将要求及责任落实到每一个人,加强职工交通安全防范意识,严禁酒后驾车,严防交通事故的发生。
(四)要求专人严格管理危险化学药品及菌种,定期检查管理情况,对做到专人、专柜、专锁、专帐,确保万无一失。
要加强压力容器的检查力度,加强管理人员的安全规范操作检查,严防死守,杜绝一切安全事故的发生。
(五)严格落实本中心各项工作制度,严格操作规程,科学防治,加强预防门诊管理,严防接种事故的发生。
对于疫苗接种纠纷给出合理的解决方案。
(六)结合疾控系统实际,抓疫情防控促社会维稳。
,一是重大传染病的监测和报告工作,严禁漏报、瞒报、缓报病例。
加大对季节性传染病疫情的监测力度和病例的主动搜索工作,尽早发现患者,切实提高应对传染病疫情的应急处置能力,减少发病,使各种疫情得到有效控制。
卫生健康委安全生产督导检查记录表
(201 年月日,共8页、10大项)
1.组织机构与人员情况
2.制度建设基本情况
3.需补充的问题隐患及整改意见(其他见P4、P6、P8页)
此可以不填(不清楚的不填,没检查到的不填)。
偶数页为主观判断和概括的内容,请务必认真填写所发现的问题和隐患(不写成绩、经验措施等内容),并双方签名(督查与被督查的双方人员)。
4.治安保卫情况
5.消防安全管理情况
6. 治安保卫和消防安全主要问题隐患
此可以不填(不清楚的不填,没检查到的不填)。
偶数页为主观判断和概括的内容,请务必认真填写所发现的问题和隐患(不写成绩、经验措施等内容),并双方签名(督查与被督查的双方人员)。
7.后勤保障基本情况
8. 后勤保障主要问题隐患
此可以不填(不清楚的不填,没检查到的不填)。
偶数页为主观判断和概括的内容,请务必认真填写所发现的问题和隐患(不写成绩、经验措施等内容),并双方签名(督查与被督查的双方人员)。
9.医疗安全基本情况
10. 医疗安全主要问题隐患
对此可以不填(不清楚的不填,没检查到的不填)。
偶数页为主观判断和概括的内容,请务必认真填写所发现的问题和隐患(不写成绩、经验措施等内容),并双方签名(督查与被督查的双方人员)。
一、总则为加强疾控中心安全生产工作,保障人民群众身体健康和生命安全,预防和减少生产安全事故,根据《中华人民共和国安全生产法》及相关法律法规,结合疾控中心实际情况,特制定本制度。
二、安全生产责任1. 中心主要负责人对本单位的安全生产工作全面负责,分管领导对分管范围内的安全生产工作负直接领导责任。
2. 各科室负责人对本科室的安全生产工作负直接领导责任,负责组织实施本制度,确保本科室安全生产工作落实到位。
3. 全体员工应遵守安全生产规章制度,履行安全生产职责,积极参加安全生产教育和培训,提高安全生产意识和技能。
三、安全生产管理1. 安全生产教育(1)中心定期开展安全生产教育培训,提高员工安全意识和技能。
(2)新员工入职前,必须接受安全生产教育和培训,合格后方可上岗。
2. 安全生产检查(1)中心定期开展安全生产检查,及时发现和消除安全隐患。
(2)各科室应每月至少开展一次自查,发现问题及时上报中心领导。
3. 安全生产设施(1)中心应配备必要的安全防护设施和器材,并定期检查、维护。
(2)生物实验室、化学实验室等高风险区域应配备应急处理设施和器材。
4. 事故处理(1)发生生产安全事故时,应立即启动应急预案,采取有效措施,控制事故扩大。
(2)事故发生后,应及时上报上级部门,并配合调查处理。
四、安全生产奖惩1. 对在安全生产工作中表现突出的单位和个人,给予表彰和奖励。
2. 对违反安全生产规定、造成安全事故的,依法依规追究责任。
五、附则1. 本制度自发布之日起施行。
2. 本制度由中心安全生产委员会负责解释。
3. 本制度如有未尽事宜,由中心安全生产委员会根据实际情况予以补充和修改。