大工13秋《工程抗震》辅导资料一
- 格式:doc
- 大小:96.50 KB
- 文档页数:4
大工13秋《工程抗震》大作业题目及要求注意:从以下五个题目中任选两个进行解答(注意:从题目一、二中选择一道计算题,并从题目三、四、五中选择一道问答题,分别进行解答,不可同时选择两道计算题或者问答题);解答前,需将所选题目复制(使老师明确你所选的题目)。
题目一:求自振圆频率和振型。
三层剪切型结构如下图所示,求该结构的自振圆频率和振型。
3m3m4m198MN m=2196MN m=3245MN m=180tm =题目二:底部剪力法。
某四层钢筋混凝土框架结构,建造于基本烈度为8度区域,设计基本地震加速度为0.30g ,场地类别为Ⅱ类,设计地震分组为第二组,结构层高和重力代表值见下图。
取一榀典型框架进行分析,结构的基本周期为0.5s 。
要求:用底部剪力法计算在多遇地震时的水平地震作用及地震剪力。
5m4m 4m4m4500kN G =3800kN G =2800kNG =11000kNG =题目三:简述抗震设防中“三水准两阶段设计”的内容。
题目四:简述地基基础抗震验算的原则。
哪些建筑可不进行天然地基及基础的抗震承载力验算?题目五:多层砌体结构房屋的抗震构造措施包括哪些方面,请逐一详细阐述题目一:求自振圆频率和振型。
三层剪切型结构如下图所示,求该结构的自振圆频率和振型。
3m3m4m198MN m=2196MN m=3245MN m=180tm =题目二:底部剪力法。
某四层钢筋混凝土框架结构,建造于基本烈度为8度区域,设计基本地震加速度为0.30g ,场地类别为Ⅱ类,设计地震分组为第二组,结构层高和重力代表值见下图。
取一榀典型框架进行分析,结构的基本周期为0.5s 。
要求:用底部剪力法计算在多遇地震时的水平地震作用及地震剪力。
5m4m 4m4m4500kN G =3800kN G =2800kNG =11000kNG =题目三:简述抗震设防中“三水准两阶段设计”的内容。
题目四:简述地基基础抗震验算的原则。
抗震复习知识点一。
填空题①•填充墙对地震周期(结构抗震性能)的影响。
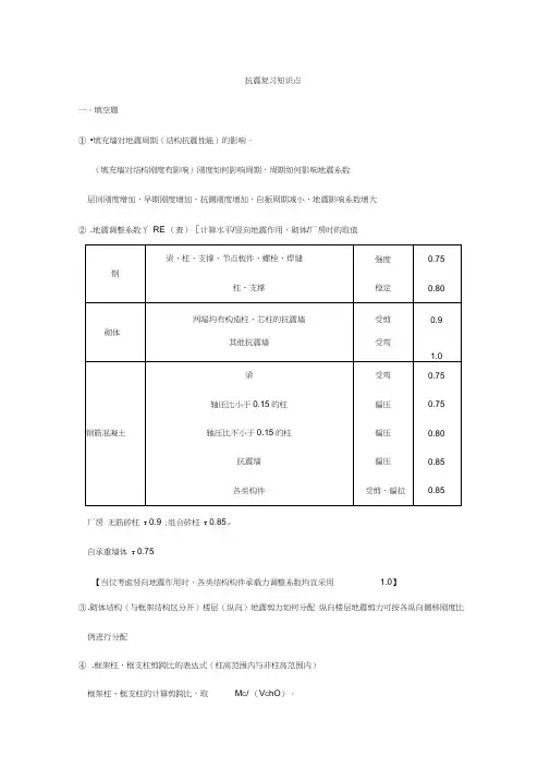
(填充墙对结构刚度有影响)刚度如何影响周期,周期如何影响地震系数层间刚度增加,早期刚度增加,抗侧刚度增加,自振周期减小,地震影响系数增大②.地震调整系数丫RE (查)[计算水平/竖向地震作用,砌体/厂房时的取值厂房无筋砖柱T 0.9 ;组合砖柱T 0.85。
自承重墙体T 0.75【当仅考虑竖向地震作用时,各类结构构件承载力调整系数均宜采用 1.0】③.砌体结构(与框架结构区分开)楼层(纵向)地震剪力如何分配纵向楼层地震剪力可按各纵向侧移刚度比例进行分配④.框架柱,框支柱剪跨比的表达式(柱高范围内与非柱高范围内)框架柱、框支柱的计算剪跨比,取M C/ (V C hO)。
当框架结构中的框架柱的反弯点在柱层高范围内时,可取入=Hn/ (2h0 ),此处,Hn为柱净高,h0为柱截面有效高度。
当入<1.0时取1.0,当入>3.0时取3.0.⑤. 弯矩调幅(相关知识)对现浇框架,调幅系数取0.8-0.9 ,对装配整体式框架,调幅系数取0.7-0.8 ,水平地震和竖向地震引起的内力不能进行调幅。
在竖向非地震荷载作用下,用调幅法考虑框架梁的塑性内力重分布。
二。
选择题1. 计算轴压比(已知截面尺寸),主计算N (考虑地震组合表达式)(活载组合系数、重力代表值、水平地震)n=N/ (fc X Ac)N为柱内力组合后的轴压力设计值。
Ac为柱的全截面面积。
fc为混凝土抗压强度设计值。
柱:轴压力设计值取地震作用组合的轴压力设计值,即 1.2恒+1.2 X(重力荷载代表值的活荷载组合值系数)x活+地震效应通常为【1.2 X恒+0.5活)+1.3地震】墙:计算墙肢轴压比设计值时,不计入地震作用组合,但应取分项系数 1.2,即1.2 恒+ 1.2 x(重力荷载代表值的活荷载组合值系数)X活2. 震中距对反应谱的影响震中距越大,地震动主要频率越小,地震反应谱的峰对应周期越长,谱曲线峰值右移。
工程抗震辅导资料三主题: 第二章建筑场地、地基和基础(第1— 3 节)学习时间: 10 月14日-10月20日内容:这周我们将学习第二章中的第1—3 节, 这部分主要介绍场地划分与场地区划、地基抗震验算以及地基土液化及其防治, 下面整理出的框架供同学们学习希望能够帮助大家更好的学习这部分知识。
一、学习要求1、重点掌握场对建筑地震破坏的影响;2、掌握建筑场地类别的划分;3、了解等效剪切波速的计算;4、了解地基抗震验算;5、了解地基土的液化及防治。
二、主要内容(一)场地及地震效应1、场地的概念场地是指工程群体所在地, 具有相似的反应谱特征。
其范围大致相当于厂区、居民点和自然村或不小于 1.0km2的范围。
2、影响地震中建筑物的破坏程度的因素地震中建筑物的破坏程度(地面运动)与地震类型(震源机制)、结构类型、地震波传播路径、建筑场地条件、结构- 土相互作用等因素密切相关。
多年震害调查统计结果显示, 房屋倒塌率随土层厚度的增加而加大, 比较而言, 软弱场地上的建筑物震害一般重于坚硬场地。
3、土层的过滤和选择放大作用地震波是由多种频率成分构成,在地震波经过覆盖土层传向地表的过程中,与土层固有周期相一致的频率波群被放大,而另一些频率波群被衰减或过滤掉。
当建筑物的固有周期与地震动的卓越周期相接近时,建筑物的振动会加大,震害加重。
4、地震动的卓越周期在振幅谱中幅值最大的频率分量对应的周期,称为地震动的卓越周期。
地表地震动的卓越周期取决于场地的固有周期(二)覆盖层厚度覆盖层厚度原是指从地表面至地下基岩面的距离,从地震波传播的观点看,基岩界面是地震波传播途径中一个强烈的反射与折射面,此界面以下的岩层振动刚度要比上部土层的相应值大很多。
一般情况下,覆盖层厚度指地面至剪切波速大于500m/s且其下卧各层岩土的剪切波速均不小于500m/s的土层顶面的距离。
当地面5m以下存在剪切波速大于其上部各土层剪切波速 2.5倍的土层,且该层及其下卧各层岩土的剪切波速均不小于400m/s时,可按地面至该土层顶面的距离确定。
大工13春《工程抗震》大作业及要求注意:从以下五个题目中任选两个进行解答(注意:从题目一、二中选择一道计算题,并从题目三、四、五中选择一道问答题,分别进行解答,不可同时选择两道计算题或者问答题);解答前,需将所选题目复制(使老师明确你所选的题目)。
题目一:底部剪力法。
某五层钢筋混凝土框架结构,建造于基本烈度为8度区域,场地为Ⅰ类,设计地震分组为第三组,结构层高和重力代表值见下图。
取一榀典型框架进行分析,结构的基本周期为0.56s 。
求各层水平地震作用标准值。
4m 4m 4m4900kN G =3900kN G =2900kNG =11200kNG =4m4m5600kNG =题目二:振型分解反应谱法。
某二层钢筋混凝土框架,集中于楼盖和屋盖处的重力荷载代表值相等,121200kN G G ==,14m H =,28m H =。
自振周期1 1.028s T =,20.393s T =,第一振型、第二振型如下图所示。
1H 2H 1.0001.6181.0000.6182111 1.000x =;12 1.618x =;21 1.000x =;220.618x=-建筑场地为Ⅱ类,抗震设防烈度7度,设计地震分组为第二组,设计基本地震加速度为0.10g ,结构阻尼比为0.05ς=。
确定多遇水平地震作用ij F ,并绘制地震剪力图。
题目三:论述概念设计、抗震计算、构造措施的具体含义及三者之间的关系。
题目四:场地土的固有周期和地震动的卓越周期有何区别与联系? 题目五:多层砌体结构选型与布置应遵循哪些原则,请逐一详细阐述。
作业具体要求:1. 封面格式(见文件最后部分)封面名称:大连理工大学《工程抗震》大作业,字体为宋体加黑,字号为小一;姓名、学号、学习中心等字体为宋体,字号为小三号。
2. 文件名大作业上交时文件名写法为:[姓名 奥鹏卡号(学号) 学习中心](如:戴卫东101410013979浙江台州奥鹏学习中心[1]VIP );离线作业需用word 文档写作,不要提交除word 文档以外的文件,word 文档无需压缩。
抗震结构设计考试重点一、1、地震动三要素:幅值、频谱、持续时间。
2、地震强度通常用震级和烈度等反映。
(1)震级相差一级,能量就要相差32倍之多。
(2)虽然一次地震只有一个震级,但距离震中不同的地点,地震的影响是不一样的,即地震烈度不同。
一般来说,离震中愈近,地震影响愈大,地震烈度愈高;离震中愈远,地震烈度就愈低。
3、为评定地震烈度,就要建立一个标准,这个标准就是地震烈度表。
它是以描述震害宏观现象为主的,即根据人的感觉、器物的反应、建筑物的损坏程度和地貌变化特征等方面的宏观现象进行判定和区分。
4、地震区划是指根据历史地震、地震地质构造和地震观测等资料,在地图上按地震情况的差异划出不同的区域;(1)《抗震规范》将50年内超越概率为10% 的烈度值称为基本地震烈度,超越概率为63.2%的烈度值称为多遇地震烈度。
(2)地震动参数即地震动峰值加速度和加速度反应谱;(3)抗震设防烈度一般情况下应采用区划图中的地震基本烈度。
5、环太平洋地震带和欧亚地震带都是地球上的4个主要地震带之一。
6、地震灾害的三个方面:地表破坏、工程结构的破坏和次生灾害造成的破坏。
7、(1)抗震设防的依据是抗震设防烈度,一般情况下采用基本烈度。
(2)基本烈度与众值烈度相差约为1.55度,而基本烈度与罕遇烈度相差约为1度。
8、.建筑物的抗震设防类别:(1)甲类(特殊设防类)建筑——指重大建筑工程和地震时可能发生严重次生灾害的建筑(如产生放射性物质的污染、大爆炸)。
该类建筑必须经国家规定的批准权限批准。
(2)乙类(重点设防类)建筑——指地震时使用功能不能中断或需尽快恢复的建筑。
如城市生命线工程建筑和地震时救灾需要的建筑。
(3)丙类(标准设防类)建筑——指一般建筑,包括除甲、乙、丁类以外的一般工业与民用建筑等。
(4)丁类(适度设防类)建筑——指次要的建筑,如遇地震不易造成人员伤亡和较大经济损失的一般仓库、人员较少的辅助性建筑等。
9、根据建筑物的重要性,各类建筑的抗震设计,应符合下列设防标准:(1)甲类建筑应采取特殊的抗震措施;(2)乙类建筑除《抗震规范》有具体规定外,可按本地区设防烈度提高一度采取抗震措施,但设防烈度为9度时可适当提高(3)丙类建筑应按本地区设防烈度采取抗震措施(4)丁类建筑可按本地区设防烈度降低一度采取抗震措施,但设防烈度为6度时不应降低。
大工13秋《工程抗震》在线作业1,2,3大工13秋《工程抗震》在线作业1试卷总分:100 测试时间:--单选题判断题、单选题(共5 道试题,共25 分。
)1.对于钢筋混凝土结构,可以采用()设计策略增加结构的延性。
A. 墙体配筋B. 强剪弱弯C. 构造柱—圈梁体系D. 强构件弱节点满分:5分2.由结构内摩擦及结构周围介质对结构运动的阻碍造成的力为()。
A. 惯性力B. 阻尼力C. 弹性恢复力D. 振动力满分:5分3.多遇地震情况下,地震系数的值相当于基本烈度的()。
A. 1/3B. 1/2C. 2/3D. 3/4满分:5分4.空间的一个自由质点可以有()个独立位移,一个自由质点在空间有()个自由度。
A. 二、二B. 三、二C. 二、三D. 三、三满分:5分5.采用桩基础、深基础、土层加密法或挖除液化土层属于()的液化地基抗震处理措施。
A. 不处理B. 基础和上部结构处理C. 部分消除地基液化沉陷D. 全部消除地基液化沉陷pB. 正确满分:5分3.结构的低阶振型反应小于高阶振型反应,振型阶数越高,振型反应越大。
A. 错误B. 正确满分:5分4.采用底部剪力法进行结构地震反应计算时,结构等效总重力荷载,对于单质点体系和多质点体系,都取总重力荷载代表值的85%。
A. 错误B. 正确满分:5分5.采用时程分析法时多条时程曲线结果平均值不应小于振型分解反应谱法的65%。
A. 错误B. 正确满分:5分6.计算楼层的竖向地震作用效应时,可按各构件承受的重力荷载代表值的比例分配。
A. 错误B. 正确满分:5分7.罕遇地震下结构的弹塑性变形验算,是为了防止结构构件的破坏。
A. 错误B. 正确满分:5分8.多自由度弹性体系的最大地震反应不能直接由各振型最大反应叠加估计体系最大反应,主要是**为各振型最大反应不在同一时刻发生。
A. 错误B. 正确满分:5分9.进行结构抗震设计时,所考虑的重力荷载,称为重力荷载代表值。
抗震复习要点作者: 日期:二、填空题(每空1分,共2 5分)1、地震波包括在地球内部传播的体波和只限于在地球表面传播的面波,其中体波包括纵波(P)波和横(S)波,而面波分为瑞雷波和洛夫波,对建筑物和地表的破坏主要以面波为主。
2、场地类别根据等效剪切波波速和场地覆土层厚度划分为IV类。
3、在用底部剪力法计算多层结构的水平地震作用时,对于T i> 1.4T g时,在结构顶部附加A F n,其目的是考虑高振型的影响。
4、《抗震规范》规定,对于烈度为8度和9度的大跨和长悬臂结构、烟囱和类似的高耸结构以及9度时的高层建筑等,应考虑竖向地震作用的影响。
5、钢筋混凝土房屋应根据烈度、建筑物的类型和高度采用不同的抗震等级,并应符合相应的计算和构造措施要求。
6、地震系数k表示_____ 与重力加速度之比;动力系数是单质点最大绝对加速度与地面最大加速度的比值。
7、多层砌体房屋的抗震设计中,在处理结构布置时,根据设防烈度限制房屋高宽比目的是 ________ ,根据房屋类别和设防烈度限制房屋抗震横墙间距的目的是避免纵墙发生较大出平面弯曲变形,造成纵墙倒塌_______ 。
8、用于计算框架结构水平地震作用的手算方法一般有反弯点法和D值法 _________ 。
9、在振型分解反应谱法中,根据统计和地震资料分析,对于各振型所产生的地震作用效应,可近似地采用平方和开平方的组合方法来确定。
10、为了减少判别场地土液化的勘察工作量,饱和沙土液化的判别可分为两步进行,即初步判别和标准贯入试验判别。
1、根据土层剪切波速的范围把土划分为坚硬土、中硬土、中软土、软弱土四类。
2地震波中的纵波(P)是由震源向外传播的疏密波,横波(S)是由震源向外传播的剪切波。
用来反映一次地震本身强弱程度的大小和尺度的是震级,其为一种定量的指标。
3、在地基土的抗震承载力计算中,地基土的抗震承载力调整系数一般应>1.0 。
4、当建筑物的地基有饱和的砂土和粉土的土时,应经过勘察试验预测在地震时是否会出现液化现象。
《建筑抗震设计》复习资料(考试专用)1.震级和烈度有什么区别和联系?震级是表示地震大小的一种度量,只跟地震释放能量的多少有关,而烈度则表示某一区域的地表和建筑物受一次地震影响的平均强烈的程度。
烈度不仅跟震级有关,同时还跟震源深度、距离震中的远近以及地震波通过的介质条件等多种因素有关。
一次地震只有一个震级,但不同的地点有不同的烈度。
2.如何考虑不同类型建筑的抗震设防?规范将建筑物按其用途分为四类:甲类(特殊设防类)、乙类(重点设防类)、丙类(标准设防类)、丁类(适度设防类)。
1 )标准设防类,应按本地区抗震设防烈度确定其抗震措施和地震作用,达到在遭遇高于当地抗震设防烈度的预估罕遇地震影响时不致倒塌或发生危及生命安全的严重破坏的抗震设防目标。
2 )重点设防类,应按高于本地区抗震设防烈度一度的要求加强其抗震措施;但抗震设防烈度为9度时应按比9度更高的要求采取抗震措施;地基基础的抗震措施,应符合有关规定。
同时,应按本地区抗震设防烈度确定其地震作用。
3 )特殊设防类,应按高于本地区抗震设防烈度提高一度的要求加强其抗震措施;但抗震设防烈度为9度时应按比9度更高的要求采取抗震措施。
同时,应按批准的地震安全性评价的结果且高于本地区抗震设防烈度的要求确定其地震作用。
4 )适度设防类,允许比本地区抗震设防烈度的要求适当降低其抗震措施,但抗震设防烈度为6度时不应降低。
一般情况下,仍应按本地区抗震设防烈度确定其地震作用。
3.怎样理解小震、中震与大震?小震就是发生机会较多的地震,50年年限,被超越概率为63.2%;中震,10%;大震是罕遇的地震,2%。
4.概念设计、抗震计算、构造措施三者之间的关系?建筑抗震设计包括三个层次:概念设计、抗震计算、构造措施。
概念设计在总体上把握抗震设计的基本原则;抗震计算为建筑抗震设计提供定量手段;构造措施则可以在保证结构整体性、加强局部薄弱环节等意义上保证抗震计算结果的有效性。
他们是一个不可割裂的整体。
《工程结构抗震》课程复习要点课程名称:《工程结构抗震》适用专业:土木工程辅导教材:《工程结构抗震设计》柳炳康,沈小璞,武汉理工出版社复习要点:第一章地震基础知识与工程结构抗震设防一、学习目的与要求1、了解地震的主要类型及其成因;2、了解世界及我国地震活动性以及地震成灾机制;3、掌握地震波的运动规律和震级、地震烈度等地震强度度量指标;4、掌握建筑抗震设防分类、抗震设防目标和抗震设计方法;5、了解基于性能的工程结构抗震概念设计基本要求二、课程内容与知识点1、地震按其成因可分为三种主要类型,即火山地震、塌陷地震和构造地震。
其中构造地震为数最多,危害最大。
构造地震成因的局部机制可以用地壳构造运动来说明;构造地震成因的宏观背景可以借助板块构造学说来解释。
2、地球上地震活动划分为两个主要地震带:环太平洋地震带和地中海南亚地震带。
我国地处环太平洋地震带和地中海南亚地震带之间,是一个多地震国家,抗震设防的国土面积约占全国面积82.7%。
3、地震灾害主要有地表的破坏、工程结构的破坏造成的直接灾害,地震引发的火灾、水灾、海啸等次生灾害,以及由前面两种灾害导致的工厂停产、城市瘫痪、瘟疫蔓延等诱发灾害。
4、地震波是一种弹性波,它包括体波和面波,体波分为纵波和横波,面波分为瑞雷波和乐甫波。
地震波传播速度以纵波最快,横波次之,面波最慢。
纵波使工程结构产生上下颠簸,横波使工程结构产生水平摇晃,当体波和面波同时到达时振动最为剧烈。
5、地震震级是表示地震本身大小的等级,它以地震释放的能量为尺度,根据记录到的地震波来确定的。
地震烈度是指某地区地面和各类建筑物遭受一次地震影响的强弱程度,它是按地震造成的后果分类的。
一次地震只有一个震级,烈度随距离震中的远近而异。
6、工程结构抗震设防的依据是中国地震烈度区划图中给出的基本烈度或其他地震动参数。
为反映不同震级和震中距的地震对工程结构影响,《建筑抗震规范》将建筑工程的设计地震划分为三组,不同设计地震分组,采用不同的设计特征周期和设计基本地震加速度值。
大连理工大学《工程抗震》大作业学习中心:姓名:学号:题目一:底部剪力法题目四:多层小砌块房屋的芯柱应符合哪些构造要求?题目一:底部剪力法钢筋混凝土7层框架结构各层高均为3m,经质量集中后,各楼层的重力荷载代表值分别为:11000kNG=,234567750kNG G G G G G======,。
结构阻尼比0.05ξ=,自振周期为10.80sT=,Ⅱ类场地类别,设计地震分组为第二组,抗震设防烈度为7度。
按底部剪力法计算结构在多遇地震时的水平地震作用及地震剪力。
解:设防烈度对应的多遇地震和罕遇地震的αmax值场地特征周期Tg(S)(1)抗震设防烈度为7度,多遇地震下,查表得αmax=0.12,Ⅱ类场地类别,设计地震分组为第二组,查表得Tg=0.40s,所以Tg=0.40<T1=0.80<5Tg=2.00(2)计算地震影响系数αi(3)计算结构底部剪力FEK(4)计算各质点的水平地震作用Fi已知Tg=0.40s,T1=0.80s>1.4Tg=0.56s。
该结构为钢筋混凝土房屋结构,需要考虑结构顶部附加集中作用。
(5)计算各楼层地震剪力题目四:多层小砌块房屋的芯柱应符合哪些构造要求?答:1、小砌块房屋芯柱截面不宜小于120mm×120mm.2、芯柱混凝土强度等级,不应低于Cb20.3、芯柱的竖向插筋应贯通墙身且与圈梁连接;插筋不应小于1φ12,6、7度时超过五层,8度时超过四层和9度时,插筋不应小于1φ14.4、芯柱应伸入室外地面下500mm或与埋深小于500mm的基础圈梁相连。
1抗震设防的目标:1、当遭受低于本地区抗震设防烈度的多遇地震影响时,主体机构不受损坏或不需修理可继续使用2、当遭受相当于本地区抗震设防烈度的设防地震影响时,可能发生损坏,但经一般性修理仍可继续使用。
3当遭受高于本地区抗震设防烈度的罕遇地震影响时,不致倒塌或发生危机生命的严重损坏。
2地基土液化:指饱水的粉细砂或轻亚粘土在地震力的作用下瞬时失掉强度,由固态变成液态的力学过程。
影响因素:1土层的地质年代和组成2土层的相对密度 3土层的埋深和地下水位的深度4地震烈度和地震持续时间3若取指点m为隔离体,则由结构力学原理可知作用在指点m上面的力有3种,即惯性力I:I=-m[x0(t)+x(t)]、弹性恢复力S:S=-kx(t)、阻尼力D:D=-cx(t)4阵型的最大地震作用F ji=αjγj X ji G i (i=1,2,...,n) αj--相当于第j阵型自振周期T j的地震影响系数。
γj--j阵型的阵型参与系数X ji--j阵型i质点的水平相对位移,即阵型位移G i--集中于i质点的重力荷载代表值5 D值法计算步骤1计算各层柱的侧移刚度D。
2计算各柱所分配的剪力Vij。
3确定反弯点高度y。
4计算柱端弯矩Mc。
5计算梁端弯矩Mb。
6计算梁端剪力Vb。
7、计算柱轴力N6柱的设计遵循原则1强柱弱梁,使柱尽量不要出现塑性铰2在弯曲破坏之前不发生剪切破坏,使柱有足够的抗剪能力3控制柱的轴压比不要太大4加强约束,配置必要的约束箍筋工程结构灾害指那些由于自然的、人为的或者人与自然的原因,对工程结构产生损害或破坏,从而给人类生存和社会发展造成损害的各种现象。
强柱弱梁要求在强烈地震作用下,结构发生较大侧移进入非弹性阶段时,为使框架保持足够的竖向承载能力而免于倒塌,要求实现梁铰侧移机构,即塑性铰应首先在梁上形成,尽可能避免在危害更大的柱上出现塑性铰。
强剪弱弯为防止框架出现剪切破坏,应充分估计到柱端出现塑性铰即达到极限抗弯承载力是有可能产生的最大剪力,并以此进行柱斜截面计算动力系数β:单质点最大绝对加速度与地面最大加速度的比值标准反应谱:由于地震的随机性,即使在同一地点、同一烈度,每次地震的地面加速度记录也很一致,因此需要根据大量的强震记录算出对应于每一条强震记录的反应谱曲线,然后统计出最有代表性的平均曲线作为设计依据,标准反应谱曲线。
工程抗震辅导资料一
主题:第一章绪论(第1—3节)
学习时间:2013年9月30日-10月6日
内容:
这周我们将学习第一章中的第1—3节,这部分主要介绍地震相关概念以及地震灾害学说,下面整理出的框架供同学们学习,希望能够帮助大家更好的学习这部分知识。
一、学习要求
1、掌握构造地震、震中、震源等概念;
2、了解地震波和地震动三要素
3、掌握震级和烈度、基本烈度的概念;
4、了解地震灾害和地震破坏作用。
二、主要内容
(一)地震与构造地震
1、地震的类型与成因
地震是一种自然现象,按照地震的类型与成因可分为:
(1)构造地震——由于地壳运动,推挤地壳岩层使其薄弱部位发生断裂错动而引起的地震。
构造地震发生的数量多,破坏性大,影响范围广,是地震工程的主要研究对象。
(2)火山地震——由火山爆发,岩浆猛烈冲出地面而引起。
(3)诱发地震——水库蓄水、地下核爆炸等。
(4)陷落地震——地表或地下岩层,如石灰岩地区较大的地下溶洞或古旧矿坑等,突然发生大规模的陷落和崩塌所引起的小范围内的地面震动。
2、构造地震的成因
(1)断层说
地下岩石受到长期的构造作用积累了应变能。
当积累的能量超过一定限度时,地下岩层突然破裂,形成断层;或者是沿已有的断层发生突然的滑动,释放出很大的能量,其中一部分以地震波的形式传播出去,形成地震。
(2)板块构造说
地球表面的岩石层是由许多板块组成的。
由于板块下岩流层的对流运动使板块进行刚体运动,从而使板块之间相互挤压和顶撞,致使其边缘附近岩石层脆性破裂而引发地震。
(二)我国的地震形势
1、我国地处(西)环太平洋地震带、欧亚地震带。
环太平洋地震带是世界上地震最活跃的地带,全球80%的地震,发生在这条带上。
欧亚地震带上发生的地震占全球的15%左右。
2、我国是内陆地震最多的国家之一。
我国大陆7级以上的地震占全球大陆7级以上地震的三分之一,因地震死亡人数占全球的二分之一。
全国有41%的国土、一半以上的城市位于地震基本烈度七度或七度以上地区,六度或六度以上地区占国土总面积的79%。
(三)地震的基本概念
1、震源:地球内部断层错动并引起周围介质震动的部位称为震源。
震中:震源正上方的地面位臵叫做震中。
震中区:地面上,震中附近的区域叫做震中区。
震中距:地面某处至震中的水平距离叫做震中距。
震源深度:震中距离震源的距离叫做震源深度。
图1 地震示意图
2、按震源深度的不同,可以将地震划分为:
浅源地震:<60km
中源地震:60~300km
深源地震:>300km
从能量传播的角度来看,浅源地震对地面造成的破坏最大。
中源地震及深源地震在传播的过程中能量的损失较大,地震到达地面之后,对地面的影响比较小。
(四)地震波
地震时,地下岩体断裂、错动并产生振动。
振动以波的形式从震源向外传播,就形成了地震波。
1、体波:在地球内部传播的波叫做体波。
(1)纵波(P波):由震源向外传播的压缩波,振幅较小、传播速度快、周期短。
引起地面竖向运动。
(2)横波(S波):由震源向外传播的剪切波,振幅较大、传播速度慢、周期长。
引起地面水平运动。
2、面波:沿地球表面传播的波叫做面波。
由于面波比体波衰减的慢,因此面波能传播到很远的地方。
(1)瑞雷波:质点在波的前进方向与地表法向方向组成的平面内作逆向的椭圆运动。
造成地面晃动的主要原因。
(2)乐夫波:质点在与波的前进方向垂直的水平方向运动,在地面表现为蛇行运动。
(五)地震动的三要素
1、地震动的峰值(最大振幅):反映强度特征
2、频谱:反映周期特征
3、持续时间
(六)震级与烈度
1、震级的定义
地震震级M:是表示地震本身(释放能量)大小的一种度量。
2、里氏震级
利用标准地震仪(指周期0.8s,阻尼系数0.8,放大倍数2800倍的地震仪)在距震中100km处记录的以微米(10-3mm)为单位的最大水平位移的常用对数值,即:
=
M A
log
3、能量与震级的关系
M增加一级,地震释放能量增加约30倍,地面最大位移为10倍的关系。
log 1.511.8
=+
E M
4、地震烈度与地震烈度表
地震烈度是指某一区域的地表和各类建筑物遭受某一次地震影响的平均强弱程度。
是对地震破坏作用的评价,由于同一次地震对不同地点的影响不一样,随着距离震中远近的变化,会出现多种不同的地震烈度,一般来说,就离震中近,地震烈度就高;距离震中越远,地震烈度就越低。
地震烈度表是为评定地震烈度,根据地震时在地面上人的感觉、房屋震害程度、其他震害现象、水平向地面峰值加速度、峰值速度等指标而建立起来的标准,共分一度到十二度。
5、等烈度线
具有相同烈度的各个地点的外包络线,称为等烈度线,又称等震线。
等烈度线的形状与发震断裂取向、地形、土质等条件有关,多数近似呈现椭圆形。
一般情况下,等烈度先得度数随着震中距的增大而递减,但是有时候由于局部地形或地质的影响,也会在某一烈度去内出现小块高一度或者低一度的异常区,成为烈度异常区。
6、基本烈度与地震区划
基本烈度是指一个地区在一定时期(我国取50年)内在一般场地条件下按一定的概率(10%)可能遭遇到的最大地震烈度。
是一个地区进行抗震设防的依据。
地震区划是指依据地质资料、历史地震规律、强震观测资料,采用地震危险性分析,可以计算出每一地区在未来一定时限内关于某一烈度(或地震加速度值)的超越概率,从而,可以将国土划分为不同基本烈度所覆盖的区域。
(七)地震灾害概说
1、我国大陆的地震带分布
我国的地震活动主要分布在五个地区的23条地震带上。
这五个地区是:
(1)台湾省及其附近海域;
(2)西南地区,主要是西藏、四川西部和云南中西部;
(3)西北地区,主要在甘肃河西走廊、青海、宁夏、天山南北麓;
(4)华北地区,主要在太行山两侧、汾渭河谷、阴山-燕山一带、山东中部和渤海湾;
(5)东南沿海的广东、福建等地。
2、地震的破坏作用
(1)地表的破坏
地表破坏主要表现为地裂缝、地面下沉、喷水冒砂、滑坡等形式。
地裂缝:构造性地裂缝和重力式地裂缝。
构造性地裂缝是地震断层错动后在地表形成的痕迹,规模较大。
重力式地裂缝是由于地表土质不匀及受地貌影响所形成的,规模较小。
地面下沉:多发生在软土分布地区和矿业采空区。
喷水冒砂:多发生在地下水位较高的地区。
滑坡:地震时,在河岸、山崖、丘陵地区极易发生滑坡。
(2)建筑物的破坏
静力破坏:主要由地表破坏引起的建筑物的破坏。
动力破坏:由于地震地面运动的动力作用一起的建筑物的破坏。
建筑物的动力破坏主要表现为主体结构强度不足所形成的破坏和结构丧失整体性两类破坏形式。
(3)次生灾害
地震引起的次生灾害主要有火灾、泥石流、滑坡、堰塞湖、海啸等。
三、典型习题
(一)简答题
1.简述地震震级与烈度概念的区别和联系
答:
震级:地震本身释放能量大小的度量,一次地震只有一个震级。
烈度:某一区域的地表和各类建筑物遭受某一次地震影响的平均强弱程度。
不同地区有不同的烈度。
2.简述地震基本烈度的概念及其用途。
答:
基本烈度是指一个地区在一定时期(我国取50年)内在一般场地条件下按一定的概率(10%)可能遭遇到的最大地震烈度。
基本烈度是一个地区进行抗震设防的依据。